|
| |
ГОСТ 17378-2001
(ИСО 3419-81)
МЕЖГОСУДАРСТВЕННЫЙ
СТАНДАРТ
Детали трубопроводов
бесшовные приварные
из углеродистой и низколегированной стали
ПЕРЕХОДЫ
Конструкция
МЕЖГОСУДАРСТВЕННЫЙ СОВЕТ
ПО СТАНДАРТИЗАЦИИ, МЕТРОЛОГИИ И СЕРТИФИКАЦИИ
Минск
Предисловие
1. РАЗРАБОТАН ОАО «Корпорация
МОНТАЖСПЕЦСТРОЙ»
ВНЕСЕН Государственным комитетом Российской
Федерации по стандартизации и метрологии
2. ПРИНЯТ Межгосударственным
Советом по стандартизации, метрологии и сертификации (протокол № 20 от 1 ноября
2001 г.).
За принятие проголосовали:
|
Наименование
государства
|
Наименование
|
|
Азербайджанская
Республика
|
Азгосстандарт
|
|
Республика Армения
|
Армгосстандарт
|
|
Республика Беларусь
|
Госстандарт Республики
Беларусь
|
|
Грузия
|
Грузстандарт
|
|
Республика Казахстан
|
Госстандарт Республики
Казахстан
|
|
Кыргызская Республика
|
Кыргызстандарт
|
|
Республика Молдова
|
Молдовастандарт
|
|
Российская Федерация
|
Госстандарт России
|
|
Республика Таждикистан
|
Таджикстандарт
|
|
Туркменистан
|
Главгосслужба
«Туркменстандартлары»
|
|
Республика Узбекистан
|
Узгосстандарт
|
|
Украина
|
Госстандарт Украины
|
3. Стандарт соответствует ИСО 3419-81 «Фитинги из
легированной и нелегированной стали приварные встык» в части конструкции
переходов
4. Постановлением Государственного
комитета Российской Федерации по стандартизации и метрологии от 27 мая 2002 г.
№ 205-ст межгосударственный стандарт ГОСТ 17378-2001 (ИСО 3419-81) введен в
действие непосредственно в качестве государственного стандарта Российской
Федерации с 1 января 2003 г.
5. ВЗАМЕН ГОСТ 17378-83
МЕЖГОСУДАРСТВЕННЫЙ
СТАНДАРТ
Детали трубопроводов бесшовные приварные из
углеродистой
и низколегированной стали
ПЕРЕХОДЫ
Конструкция
Carbon and low-alloy steel butt-welding fittings.
Reducers. Design
Дата введения 2003-01-01
1. Область применения
Настоящий стандарт
распространяется на бесшовные приварные концентрические и эксцентрические
переходы из углеродистой и низколегированной стали.
Область применения переходов - в
соответствии с разделом 1 ГОСТ 17380.
Требования пункта 4.1 - 4.3 и раздела 5 являются
обязательными, остальные требования - рекомендуемыми.
2. Нормативные ссылки
В настоящем стандарте использована
ссылка на ГОСТ 17380-2001 ИСО
(3419-81). Детали трубопроводов бесшовные приварные из углеродистой и
низколегированной стали. Общие технические условия.
Измененная редакция. Изм.
№ 1)
3. Определения, обозначения и сокращения
Термины, их определения,
обозначения и сокращения - по ГОСТ 17380.
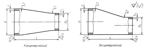
4. Конструкция и размеры
4.1.
Конструкция и размеры переходов
должны соответствовать указанным на рисунке 1
и в таблицах 1 и 2.

Рисунок 1
Таблица 1 -
Переходы исполнения 1
Размеры в миллиметрах
|
DN
|
D
|
T
|
D1
|
T1
|
L
|
Масса,
кг
|
|
|
|
2,0
|
|
2,0
|
|
0,05
|
|
20
|
26,9
|
3,2
|
|
3,2
|
38
|
0,07
|
|
|
|
4,0
|
|
4,0
|
|
0,09
|
|
|
|
2,3
|
21,3
|
2,0
|
|
0,09
|
|
|
|
3,2
|
|
3,2
|
|
0,12
|
|
|
|
4,5
|
|
4,0
|
|
0,16
|
|
25
|
33,7
|
2,3
|
|
2,0
|
|
0,09
|
|
|
|
3,2
|
26,9
|
3,2
|
|
0,12
|
|
|
|
4,5
|
|
4,0
|
|
0,16
|
|
|
|
2,6
|
|
2,0
|
51
|
0,13
|
|
|
|
3,6
|
21,3
|
3,2
|
|
0,17
|
|
|
|
5,0
|
|
4,0
|
|
0,23
|
|
|
|
2,6
|
|
2,0
|
|
0,13
|
|
|
|
3,6
|
26,9
|
3,2
|
|
0,17
|
|
32
|
42,4
|
5,0
|
|
4,0
|
|
0,23
|
|
|
|
2,6
|
|
2,3
|
|
0,13
|
|
|
|
3,6
|
33,7
|
3,2
|
|
0,17
|
|
|
|
5,0
|
|
4,5
|
|
0,23
|
|
|
|
2,6
|
|
2,0
|
|
0,19
|
|
|
|
3,6
|
26,9
|
3,2
|
|
0,25
|
|
|
|
5,0
|
|
4,0
|
|
0,34
|
|
|
|
2,6
|
|
2,3
|
|
0,19
|
|
40
|
48,3
|
3,6
|
33,7
|
3,2
|
64
|
0,25
|
|
|
|
5,0
|
|
4,5
|
|
0,34
|
|
|
|
2,6
|
|
2,6
|
|
0,19
|
|
|
|
3,6
|
42,4
|
3,6
|
|
0,25
|
|
|
|
5,0
|
|
5,0
|
|
0,34
|
|
|
|
2,9
|
|
2,3
|
|
0,31
|
|
|
|
4,0
|
33,7
|
3,2
|
|
0,42
|
|
|
|
5,6
|
|
4,5
|
|
0,58
|
|
|
|
2,9
|
|
2,6
|
|
0,31
|
|
50
|
60,3
|
4,0
|
42,4
|
3,6
|
76
|
0,42
|
|
|
|
5,6
|
|
5,0
|
|
0,58
|
|
|
|
2,9
|
|
2,6
|
|
0,31
|
|
|
|
4,0
|
48,3
|
3,6
|
|
0,42
|
|
|
|
5,6
|
|
5,0
|
|
0,58
|
|
|
|
2,9
|
|
2,6
|
|
0,47
|
|
|
|
5,0
|
42,4
|
3,6
|
|
0,78
|
|
|
|
7,1
|
|
5,0
|
|
1,10
|
|
|
|
2,9
|
|
2,6
|
89
|
0,47
|
|
65
|
76,1
|
5,0
|
48,3
|
3,6
|
|
0,78
|
|
|
|
7,1
|
|
5,0
|
|
1,10
|
|
|
|
2,9
|
|
2,9
|
|
0,47
|
|
|
|
5,0
|
60,3
|
4,0
|
|
0,78
|
|
|
|
7,1
|
|
5,6
|
|
1,10
|
|
|
|
3,2
|
|
2,6
|
|
0,60
|
|
|
|
5,6
|
48,3
|
3,6
|
|
1,00
|
|
|
|
8,0
|
|
5,0
|
|
1,40
|
|
|
|
3,2
|
|
2,9
|
89
|
0,60
|
|
80
|
88,9
|
5,6
|
60,3
|
4,0
|
|
1,00
|
|
|
|
8,0
|
|
5,6
|
|
1,40
|
|
|
|
3,2
|
|
2,9
|
|
0,60
|
|
|
|
5,6
|
76,1
|
5,0
|
|
1,00
|
|
|
|
8,0
|
|
7,1
|
|
1,40
|
|
|
|
3,6
|
|
2,9
|
|
1,00
|
|
|
|
6,3
|
60,3
|
4,0
|
|
1,70
|
|
|
|
8,8
|
|
5,6
|
|
2,30
|
|
|
|
3,6
|
|
2,9
|
102
|
1,00
|
|
100
|
114,3
|
6,3
|
76,1
|
5,0
|
|
1,70
|
|
|
|
8,8
|
|
7,1
|
|
2,30
|
|
|
|
3,6
|
|
3,2
|
|
1,00
|
|
|
|
6,3
|
88,9
|
5,6
|
|
1,70
|
|
|
|
8,8
|
|
8,0
|
|
2,30
|
|
|
|
4,0
|
|
2,9
|
|
1,70
|
|
|
|
6,3
|
76,1
|
5,0
|
|
2,60
|
|
|
|
10,0
|
|
7,1
|
|
4,10
|
|
|
|
4,0
|
|
3,2
|
|
1,70
|
|
125
|
139,7
|
6,3
|
88,9
|
5,6
|
127
|
2,60
|
|
|
|
10,0
|
|
8,0
|
|
4,10
|
|
|
|
4,0
|
|
3,6
|
|
1,70
|
|
|
|
6,3
|
114,3
|
6,3
|
|
2,60
|
|
|
|
10,0
|
|
8,8
|
|
4,10
|
|
|
|
4,5
|
|
3,2
|
|
2,50
|
|
|
|
7,1
|
88,9
|
5,6
|
|
3,90
|
|
|
|
11,0
|
|
8,8
|
|
6,00
|
|
|
|
4,5
|
|
3,6
|
|
2,50
|
|
150
|
168,3
|
7,1
|
114,3
|
6,3
|
140
|
3,90
|
|
|
|
11,0
|
|
8,8
|
|
6,00
|
|
|
|
4,5
|
|
4,0
|
|
2,50
|
|
|
|
7,1
|
139,7
|
6,3
|
|
3,90
|
|
|
|
11,0
|
|
10,0
|
|
6,00
|
|
|
|
6,3
|
|
3,6
|
|
5,10
|
|
|
|
8,0
|
114,3
|
6,3
|
|
6,30
|
|
|
|
12,5
|
|
8,8
|
|
9,70
|
|
|
|
6,3
|
|
4,0
|
|
5,10
|
|
200
|
219,1
|
8,0
|
139,7
|
6,3
|
152
|
6,30
|
|
|
|
12,5
|
|
10,0
|
|
9,70
|
|
|
|
6,3
|
|
4,5
|
|
5,10
|
|
|
|
8,0
|
168,3
|
7,1
|
|
6,30
|
|
|
|
12,5
|
|
11,0
|
|
9,70
|
|
|
|
6,3
|
139,7
|
4,0
|
|
7,40
|
|
|
|
10,0
|
|
6,3
|
|
12,00
|
|
250
|
273,0
|
6,3
|
168,3
|
4,5
|
178
|
7,40
|
|
|
|
10,0
|
|
7,1
|
|
12,00
|
|
|
|
6,3
|
219,1
|
6,3
|
|
7,40
|
|
|
|
10,0
|
|
8,0
|
|
12,00
|
|
|
|
7,1
|
168,3
|
4,5
|
|
11,00
|
|
|
|
10,0
|
|
7,1
|
|
16,00
|
|
300
|
323,9
|
7,1
|
219,1
|
6,3
|
203
|
11,00
|
|
|
|
10,0
|
|
8,0
|
|
16,00
|
|
|
|
7,1
|
273,0
|
6,3
|
|
11,00
|
|
|
|
10,0
|
|
10,0
|
|
16,00
|
|
|
|
8,0
|
219,1
|
6,3
|
|
23,00
|
|
|
|
11,0
|
|
8,0
|
|
31,00
|
|
350
|
355,6
|
8,0
|
273,0
|
6,3
|
330
|
23,00
|
|
|
|
11,0
|
|
10,0
|
|
31,00
|
|
|
|
8,0
|
323,9
|
7,1
|
|
23,00
|
|
|
|
11,0
|
|
10,0
|
|
31,00
|
|
|
|
8,8
|
273,0
|
6,3
|
|
31,00
|
|
|
|
12,5
|
|
10,0
|
|
43,00
|
|
400
|
406,4
|
8,8
|
323,9
|
7,1
|
356
|
31,00
|
|
|
|
12,5
|
|
10,0
|
|
43,00
|
|
|
|
8,8
|
355,6
|
8,0
|
|
31,00
|
|
|
|
12,5
|
|
11,0
|
|
43,00
|
|
|
|
|
323,9
|
7,1
|
|
|
|
450
|
457,0
|
10,0
|
355,6
|
8,0
|
381
|
42,00
|
|
|
|
|
406,4
|
8,8
|
|
|
|
|
|
|
355,6
|
8,0
|
|
|
|
500
|
508,0
|
11,0
|
406,4
|
8,8
|
508
|
65,00
|
|
|
|
|
457,0
|
10,0
|
|
|
|
|
|
|
406,4
|
8,8
|
|
|
|
600
|
610,0
|
12,5
|
457,0
|
10,0
|
508
|
94,0
|
|
|
|
|
508,0
|
11,0
|
|
|
|
|
|
|
457,0
|
10,0
|
|
|
|
700
|
711,0
|
|
508,0
|
11,0
|
|
|
|
|
|
|
610,0
|
12,5
|
|
|
|
|
|
|
508,0
|
11,0
|
|
|
|
800
|
813,0
|
|
610,0
|
12,5
|
|
|
|
|
|
|
711,0
|
-
|
|
|
|
|
|
-
|
610,0
|
12,5
|
610
|
-
|
|
900
|
914,0
|
|
711,0
|
|
|
|
|
|
|
|
813,0
|
-
|
|
|
|
|
|
|
711,0
|
|
|
|
|
1000
|
1016,0
|
|
813,0
|
-
|
|
|
|
|
|
|
914,0
|
|
|
|
|
|
|
|
|
|
|
|
|
Примечание
- Масса приведена для справок
|
Таблица 2 -
Переходы исполнения 2
Размеры в
миллиметрах
|
DN
|
D
|
T
|
D1
|
T1
|
L
|
Масса,
кг
|
|
|
|
2,0
|
|
2,0
|
|
0,1
|
|
|
|
3,0
|
32
|
3,0
|
|
0,2
|
|
|
|
4,0
|
|
4,0
|
|
0,2
|
|
32
|
38
|
2,0
|
|
1,6
|
|
0,1
|
|
|
|
3,0
|
|
3,0
|
|
0,2
|
|
|
|
4,0
|
|
3,0
|
|
0,2
|
|
|
|
2,5
|
25
|
1,6
|
|
0,1
|
|
|
|
4,0
|
|
3,0
|
|
0,2
|
|
|
|
5,0
|
|
3,0
|
|
0,3
|
|
|
|
2,5
|
|
2,0
|
30
|
0,1
|
|
40
|
45
|
4,0
|
32
|
4,0
|
|
0,2
|
|
|
|
5,0
|
|
5,0
|
|
0,3
|
|
|
|
2,5
|
|
2,0
|
|
0,1
|
|
|
|
4,0
|
38
|
4,0
|
|
0,2
|
|
|
|
5,0
|
|
5,0
|
|
0,3
|
|
|
|
3,0
|
|
1,6
|
|
0,2
|
|
|
|
4,0
|
25
|
1,6
|
|
0,3
|
|
|
|
5,0
|
|
3,0
|
|
0,3
|
|
|
|
6,0
|
|
3,0
|
|
0,4
|
|
|
|
3,0
|
|
2,0
|
|
0,2
|
|
|
|
4,0
|
32
|
2,0
|
|
0,3
|
|
|
|
5,0
|
|
3,0
|
45
|
0,3
|
|
|
|
6,0
|
|
4,0
|
|
0,4
|
|
50
|
57
|
3,0
|
|
2,0
|
|
0,2
|
|
|
|
4,0
|
38
|
4,0
|
|
0,3
|
|
|
|
5,0
|
|
4,0
|
|
0,3
|
|
|
|
6,0
|
|
4,0
|
|
0,4
|
|
|
|
3,0
|
|
2,5
|
|
0,2
|
|
|
|
4,0
|
45
|
2,5
|
60
|
0,3
|
|
|
|
5,0
|
|
4,0
|
|
0,3
|
|
|
|
6,0
|
|
5,0
|
|
0,4
|
|
|
|
3,0
|
|
2,0
|
|
0,3
|
|
|
|
3,5
|
|
2,5
|
|
0,4
|
|
|
|
5,0
|
38
|
3,0
|
55
|
0,6
|
|
|
|
6,0
|
|
3,0
|
|
0,6
|
|
|
|
7,0
|
|
4,0
|
|
0,7
|
|
65
|
76
|
3,0
|
|
2,5
|
|
0,4
|
|
|
|
3,5
|
|
2,5
|
|
0,5
|
|
|
|
5,0
|
45
|
4,0
|
|
0,6
|
|
|
|
6,0
|
|
4,0
|
|
0,7
|
|
|
|
7,0
|
|
5,0
|
|
0,8
|
|
|
|
3,0
|
|
3,0
|
70
|
0,3
|
|
|
|
3,5
|
|
3,0
|
|
0,4
|
|
|
|
5,0
|
57
|
4,0
|
|
0,6
|
|
|
|
6,0
|
|
5,0
|
|
0,7
|
|
|
|
7,0
|
|
6,0
|
|
0,8
|
|
|
|
3,5
|
|
2,5
|
|
0,6
|
|
|
|
6,0
|
45
|
4,0
|
|
0,9
|
|
|
|
8,0
|
|
5,0
|
|
1,2
|
|
|
|
3,5
|
|
3,0
|
|
0,6
|
|
80
|
89
|
6,0
|
57
|
4,0
|
75
|
0,9
|
|
|
|
8,0
|
|
5,0
|
|
1,2
|
|
|
|
3,5
|
|
3,5
|
|
0,6
|
|
|
|
6,0
|
76
|
5,0
|
|
0,9
|
|
|
|
8,0
|
|
6,0
|
|
1,2
|
|
|
|
4,0
|
|
3,0
|
|
0,9
|
|
|
|
6,0
|
57
|
4,0
|
|
1,2
|
|
|
|
8,0
|
|
5,0
|
|
1,6
|
|
|
|
9,0
|
|
6,0
|
|
1,8
|
|
100
|
108
|
4,0
|
|
3,5
|
80
|
0,9
|
|
|
|
6,0
|
76
|
5,0
|
|
1,2
|
|
|
|
8,0
|
|
6,0
|
|
1,6
|
|
|
|
9,0
|
|
7,0
|
|
1,8
|
|
|
|
4,0
|
|
3,5
|
|
0,9
|
|
|
|
6,0
|
89
|
6,0
|
|
1,2
|
|
|
|
8,0
|
|
8,0
|
|
1,6
|
|
|
|
9,0
|
|
8,0
|
|
1,8
|
|
|
|
4,0
|
|
3,0
|
|
1,0
|
|
|
|
6,0
|
57
|
4,0
|
|
1,3
|
|
|
|
8,0
|
|
5,0
|
|
1,7
|
|
|
|
9,0
|
|
6,0
|
|
1,9
|
|
100
|
114
|
4,0
|
|
3,5
|
80
|
1,0
|
|
|
|
6,0
|
76
|
5,0
|
|
1,3
|
|
|
|
8,0
|
|
6,0
|
|
1,7
|
|
|
|
9,0
|
|
7,0
|
|
1,9
|
|
|
|
4,0
|
|
3,5
|
|
1,0
|
|
|
|
6,0
|
89
|
6,0
|
|
1,3
|
|
|
|
8,0
|
|
8,0
|
|
1,7
|
|
|
|
9,0
|
|
8,0
|
|
1,9
|
|
|
|
4,0
|
|
3,0
|
|
1,3
|
|
|
|
8,0
|
57
|
4,0
|
|
2,5
|
|
|
|
10,0
|
|
5,0
|
|
3,1
|
|
|
|
5,0
|
|
3,5
|
|
1,6
|
|
|
|
8,0
|
76
|
5,0
|
|
2,5
|
|
|
|
10,0
|
|
6,0
|
|
3,1
|
|
|
|
4,0
|
|
3,5
|
|
1,3
|
|
125
|
133
|
6,0
|
89
|
5,0
|
100
|
1,9
|
|
|
|
8,0
|
|
6,0
|
|
2,5
|
|
|
|
5,0
|
|
4,0
|
|
1,6
|
|
|
|
8,0
|
108
|
6,0
|
|
2,5
|
|
|
|
8,0
|
|
8,0
|
|
2,5
|
|
|
|
10,0
|
|
9,0
|
|
3,1
|
|
|
|
5,0
|
|
4,0
|
|
1,6
|
|
|
|
8,0
|
114
|
6,0
|
|
2,5
|
|
|
|
8,0
|
|
8,0
|
|
2,5
|
|
|
|
10,0
|
|
9,0
|
|
3,1
|
|
|
|
4,5
|
|
3,0
|
|
1,5
|
|
|
|
8,0
|
57
|
4,0
|
|
2,6
|
|
|
|
10,0
|
|
5,0
|
|
3,2
|
|
|
|
12,0
|
|
6,0
|
|
3,9
|
|
|
|
4,5
|
|
3,5
|
75
|
1,5
|
|
|
|
8,0
|
76
|
5,0
|
|
2,6
|
|
|
|
10,0
|
|
6,0
|
|
3,2
|
|
|
|
12,0
|
|
7,0
|
|
3,9
|
|
|
|
4,5
|
|
3,5
|
|
2,3
|
|
150
|
159
|
8,0
|
89
|
6,0
|
|
3,9
|
|
|
|
10,0
|
|
8,0
|
|
4,8
|
|
|
|
12,0
|
|
8,0
|
|
5,9
|
|
|
|
4,5
|
|
4,0
|
|
2,3
|
|
|
|
8,0
|
108
|
6,0
|
|
3,9
|
|
|
|
10,0
|
|
8,0
|
|
4,8
|
|
|
|
12,0
|
|
9,0
|
|
5,9
|
|
|
|
4,5
|
|
4,0
|
130
|
2,3
|
|
|
|
8,0
|
114
|
6,0
|
|
3,9
|
|
|
|
10,0
|
|
8,0
|
|
4,8
|
|
|
|
12,0
|
|
9,0
|
|
5,9
|
|
|
|
4,5
|
|
4,0
|
|
2,3
|
|
|
|
8,0
|
133
|
8,0
|
|
3,9
|
|
|
|
10,0
|
|
10,0
|
|
4,8
|
|
|
|
12,0
|
|
10,0
|
|
5,9
|
|
|
|
4,5
|
|
3,0
|
|
1,6
|
|
|
|
8,0
|
57
|
4,0
|
|
2,7
|
|
|
|
10,0
|
|
5,0
|
|
3,3
|
|
|
|
12,0
|
|
6,0
|
|
4,0
|
|
|
|
4,5
|
|
3,5
|
75
|
1,6
|
|
|
|
8,0
|
76
|
5,0
|
|
2,7
|
|
|
|
10,0
|
|
6,0
|
|
3,3
|
|
|
|
12,0
|
|
7,0
|
|
4,0
|
|
|
|
4,5
|
|
3,5
|
|
2,6
|
|
150
|
168
|
8,0
|
89
|
6,0
|
|
4,1
|
|
|
|
10,0
|
|
8,0
|
|
5,1
|
|
|
|
12,0
|
|
8,0
|
|
6,2
|
|
|
|
4,5
|
|
4,0
|
|
2,6
|
|
|
|
8,0
|
108
|
6,0
|
|
4,1
|
|
|
|
10,0
|
|
8,0
|
|
5,1
|
|
|
|
12,0
|
|
9,0
|
|
6,2
|
|
|
|
4,5
|
|
4,0
|
130
|
2,6
|
|
|
|
8,0
|
114
|
6,0
|
|
4,1
|
|
|
|
10,0
|
|
8,0
|
|
5,1
|
|
|
|
12,0
|
|
9,0
|
|
6,2
|
|
|
|
4,5
|
|
4,0
|
|
2,6
|
|
|
|
8,0
|
133
|
8,0
|
|
4,1
|
|
|
|
10,0
|
|
10,0
|
|
5,1
|
|
|
|
12,0
|
|
10,0
|
|
6,2
|
|
|
|
6,0
|
|
3,0
|
|
2,9
|
|
|
|
10,0
|
|
4,0
|
|
4,6
|
|
|
|
12,0
|
57
|
4,0
|
|
5,5
|
|
|
|
14,0
|
|
5,0
|
|
6,4
|
|
|
|
16,0
|
|
6,0
|
|
7,3
|
|
|
|
6,0
|
|
3,5
|
95
|
2,9
|
|
|
|
10,0
|
|
5,0
|
|
4,6
|
|
|
|
12,0
|
76
|
5,0
|
|
5,5
|
|
|
|
14,0
|
|
6,0
|
|
6,4
|
|
|
|
16,0
|
|
7,0
|
|
7,3
|
|
|
|
6,0
|
|
3,5
|
|
2,9
|
|
|
|
10,0
|
|
5,0
|
|
4,6
|
|
200
|
219
|
12,0
|
89
|
5,0
|
|
5,5
|
|
|
|
14,0
|
|
6,0
|
|
6,4
|
|
|
|
16,0
|
|
8,0
|
|
7,3
|
|
|
|
6,0
|
|
4,0
|
95
|
2,9
|
|
|
|
10,0
|
|
6,0
|
|
4,6
|
|
|
|
12,0
|
108
|
8,0
|
|
5,5
|
|
|
|
14,0
|
|
8,0
|
|
6,4
|
|
|
|
16,0
|
|
9,0
|
|
7,3
|
|
|
|
6,0
|
|
4,0
|
|
2,9
|
|
|
|
10,0
|
|
6,0
|
|
4,6
|
|
|
|
12,0
|
114
|
8,0
|
|
5,5
|
|
|
|
14,0
|
|
8,0
|
|
6,4
|
|
|
|
16,0
|
|
9,0
|
|
7,3
|
|
|
|
6,0
|
|
4,0
|
|
4,4
|
|
|
|
10,0
|
|
8,0
|
|
7,2
|
|
200
|
219
|
12,0
|
133
|
8,0
|
|
8,8
|
|
|
|
14,0
|
|
10,0
|
|
10,0
|
|
|
|
16,0
|
|
10,0
|
|
12,0
|
|
|
|
6,0
|
|
4,5
|
|
4,4
|
|
|
|
10,0
|
|
8,0
|
|
7,2
|
|
|
|
12,0
|
159
|
10,0
|
|
8,8
|
|
|
|
14,0
|
|
12,0
|
|
10,0
|
|
|
|
16,0
|
|
12,0
|
|
12,0
|
|
|
|
6,0
|
|
4,5
|
|
4,4
|
|
|
|
10,0
|
|
8,0
|
|
7,2
|
|
|
|
12,0
|
168
|
10,0
|
|
8,8
|
|
|
|
14,0
|
|
12,0
|
|
10,0
|
|
|
|
16,0
|
|
12,0
|
|
12,0
|
|
|
|
7,0
|
|
4,0
|
140
|
6,0
|
|
|
|
10,0
|
|
6,0
|
|
8,5
|
|
|
|
12,0
|
108
|
8,0
|
|
10,0
|
|
|
|
14,0
|
|
8,0
|
|
12,0
|
|
|
|
16,0
|
|
9,0
|
|
13,0
|
|
|
|
18,0
|
|
9,0
|
|
15,0
|
|
|
|
7,0
|
|
4,0
|
|
6,0
|
|
|
|
10,0
|
|
6,0
|
|
8,5
|
|
250
|
273
|
12,0
|
114
|
8,0
|
|
10,0
|
|
|
|
14,0
|
|
8,0
|
|
12,0
|
|
|
|
16,0
|
|
9,0
|
|
13,0
|
|
|
|
18,0
|
|
9,0
|
|
15,0
|
|
|
|
7,0
|
|
4,0
|
|
6,0
|
|
|
|
10,0
|
|
6,0
|
|
8,5
|
|
|
|
12,0
|
133
|
8,0
|
|
10,0
|
|
|
|
14,0
|
|
8,0
|
|
12,0
|
|
|
|
16,0
|
|
10,0
|
|
13,0
|
|
|
|
18,0
|
|
10,0
|
|
15,0
|
|
|
|
7,0
|
|
4,5
|
|
8,3
|
|
|
|
10,0
|
|
8,0
|
|
12,0
|
|
|
|
12,0
|
159
|
10,0
|
|
14,0
|
|
|
|
14,0
|
|
10,0
|
|
16,0
|
|
|
|
16,0
|
|
12,0
|
|
18,0
|
|
|
|
18,0
|
|
12,0
|
|
20,0
|
|
|
|
7,0
|
|
4,5
|
|
8,3
|
|
|
|
10,0
|
|
8,0
|
|
12,0
|
|
250
|
273
|
12,0
|
168
|
10,0
|
180
|
14,0
|
|
|
|
14,0
|
|
10,0
|
|
16,0
|
|
|
|
16,0
|
|
12,0
|
|
18,0
|
|
|
|
18,0
|
|
12,0
|
|
20,0
|
|
|
|
7,0
|
|
6,0
|
|
8,3
|
|
|
|
10,0
|
|
8,0
|
|
12,0
|
|
|
|
12,0
|
219
|
10,0
|
|
14,0
|
|
|
|
14,0
|
|
12,0
|
|
16,0
|
|
|
|
16,0
|
|
14,0
|
|
18,0
|
|
|
|
18,0
|
|
16,0
|
|
20,0
|
|
|
|
8,0
|
|
4,0
|
|
9,0
|
|
|
|
10,0
|
|
4,0
|
|
11,0
|
|
|
|
12,0
|
|
6,0
|
|
16,0
|
|
|
|
14,0
|
108
|
6,0
|
|
18,0
|
|
|
|
16,0
|
|
8,0
|
|
20,0
|
|
|
|
18,0
|
|
8,0
|
|
23,0
|
|
|
|
22,0
|
|
9,0
|
|
28,0
|
|
|
|
8,0
|
|
4,0
|
|
9,0
|
|
|
|
10,0
|
|
4,0
|
|
11,0
|
|
|
|
12,0
|
|
6,0
|
|
16,0
|
|
300
|
325
|
14,0
|
114
|
6,0
|
|
18,0
|
|
|
|
16,0
|
|
8,0
|
|
20,0
|
|
|
|
18,0
|
|
8,0
|
|
23,0
|
|
|
|
22,0
|
|
9,0
|
|
28,0
|
|
|
|
8,0
|
|
5,0
|
|
11,0
|
|
|
|
10,0
|
|
6,0
|
|
13,0
|
|
|
|
12,0
|
|
8,0
|
|
16,0
|
|
|
|
14,0
|
133
|
8,0
|
140
|
18,0
|
|
|
|
16,0
|
|
8,0
|
|
20,0
|
|
|
|
18,0
|
|
10,0
|
|
23,0
|
|
|
|
22,0
|
|
10,0
|
|
28,0
|
|
|
|
8,0
|
|
4,5
|
|
11,0
|
|
|
|
10,0
|
|
6,0
|
|
14,0
|
|
|
|
12,0
|
|
8,0
|
|
16,0
|
|
|
|
14,0
|
159
|
8,0
|
|
18,0
|
|
|
|
16,0
|
|
10,0
|
|
20,0
|
|
|
|
18,0
|
|
10,0
|
|
23,0
|
|
|
|
22,0
|
|
12,0
|
|
28,0
|
|
|
|
8,0
|
|
4,0
|
|
11,0
|
|
|
|
10,0
|
|
6,0
|
|
14,0
|
|
|
|
12,0
|
|
8,0
|
|
16,0
|
|
300
|
325
|
14,0
|
168
|
8,0
|
|
18,0
|
|
|
|
16,0
|
|
10,0
|
|
20,0
|
|
|
|
18,0
|
|
10,0
|
|
23,0
|
|
|
|
22,0
|
|
12,0
|
|
28,0
|
|
|
|
8,0
|
|
7,0
|
|
11,0
|
|
|
|
10,0
|
|
8,0
|
|
14,0
|
|
|
|
12,0
|
|
10,0
|
|
17,0
|
|
|
|
14,0
|
219
|
10,0
|
|
20,0
|
|
|
|
16,0
|
|
12,0
|
|
22,0
|
|
|
|
18,0
|
|
14,0
|
|
25,0
|
|
|
|
22,0
|
|
16,0
|
|
31,0
|
|
|
|
8,0
|
|
7,0
|
180
|
11,0
|
|
|
|
10,0
|
|
10,0
|
|
14,0
|
|
|
|
12,0
|
|
12,0
|
|
17,0
|
|
|
|
14,0
|
273
|
12,0
|
|
20,0
|
|
|
|
16,0
|
|
14,0
|
|
22,0
|
|
|
|
18,0
|
|
16,0
|
|
25,0
|
|
|
|
22,0
|
|
18,0
|
|
31,0
|
|
|
|
12,0
|
|
6,0
|
|
22,0
|
|
|
|
16,0
|
|
8,0
|
|
29,0
|
|
|
|
20,0
|
159
|
10,0
|
|
35,0
|
|
|
|
24,0
|
|
12,0
|
|
42,0
|
|
|
|
26,0
|
|
12,0
|
|
45,0
|
|
|
|
12,0
|
|
6,0
|
|
22,0
|
|
|
|
16,0
|
|
8,0
|
|
29,0
|
|
|
|
20,0
|
168
|
10,0
|
|
35,0
|
|
|
|
24,0
|
|
12,0
|
|
42,0
|
|
|
|
26,0
|
|
12,0
|
|
45,0
|
|
|
|
12,0
|
|
8,0
|
|
22,0
|
|
|
|
16,0
|
|
10,0
|
|
29,0
|
|
350
|
377
|
20,0
|
219
|
12,0
|
220
|
35,0
|
|
|
|
24,0
|
|
14,0
|
|
42,0
|
|
|
|
26,0
|
|
16,0
|
|
45,0
|
|
|
|
10,0
|
|
7,0
|
|
20,0
|
|
|
|
12,0
|
|
10,0
|
|
24,0
|
|
|
|
14,0
|
|
12,0
|
|
28,0
|
|
|
|
16,0
|
273
|
12,0
|
|
31,0
|
|
|
|
20,0
|
|
16,0
|
|
38,0
|
|
|
|
24,0
|
|
18,0
|
|
45,0
|
|
|
|
26,0
|
|
18,0
|
|
49,0
|
|
|
|
10,0
|
|
8,0
|
|
20,0
|
|
|
|
12,0
|
|
10,0
|
|
24,0
|
|
|
|
14,0
|
|
12,0
|
|
28,0
|
|
|
|
16,0
|
325
|
16,0
|
|
31,0
|
|
|
|
20,0
|
|
18,0
|
|
38,0
|
|
|
|
24,0
|
|
22,0
|
|
45,0
|
|
|
|
26,0
|
|
22,0
|
|
49,0
|
|
|
|
12,0
|
|
8,0
|
|
37,0
|
|
|
|
16,0
|
|
10,0
|
|
53,0
|
|
|
|
20,0
|
159
|
10,0
|
|
65,0
|
|
|
|
22,0
|
|
10,0
|
|
71,0
|
|
|
|
26,0
|
|
12,0
|
|
83,0
|
|
|
|
28,0
|
|
12,0
|
|
89,0
|
|
|
|
12,0
|
|
8,0
|
|
37,0
|
|
|
|
16,0
|
|
10,0
|
|
53,0
|
|
|
|
20,0
|
168
|
10,0
|
|
65,0
|
|
|
|
22,0
|
|
10,0
|
|
71,0
|
|
|
|
26,0
|
|
12,0
|
|
83,0
|
|
|
|
28,0
|
|
12,0
|
|
89,0
|
|
|
|
12,0
|
|
8,0
|
|
32,0
|
|
|
|
16,0
|
|
10,0
|
|
45,0
|
|
|
|
20,0
|
219
|
12,0
|
|
56,0
|
|
|
|
22,0
|
|
12,0
|
|
61,0
|
|
|
|
26,0
|
|
14,0
|
|
72,0
|
|
|
|
28,0
|
|
16,0
|
|
76,0
|
|
|
|
12,0
|
|
10,0
|
|
27,0
|
|
|
|
16,0
|
|
12,0
|
|
36,0
|
|
|
|
20,0
|
273
|
14,0
|
|
44,0
|
|
400
|
426
|
22,0
|
|
14,0
|
220
|
48,0
|
|
|
|
26,0
|
|
18,0
|
|
56,0
|
|
|
|
28,0
|
|
18,0
|
|
59,0
|
|
|
|
10,0
|
|
8,0
|
|
23,0
|
|
|
|
12,0
|
|
10,0
|
|
27,0
|
|
|
|
14,0
|
|
12,0
|
|
31,0
|
|
|
|
16,0
|
325
|
12,0
|
|
36,0
|
|
|
|
20,0
|
|
16,0
|
|
44,0
|
|
|
|
22,0
|
|
18,0
|
|
48,0
|
|
|
|
26,0
|
|
20,0
|
|
56,0
|
|
|
|
28,0
|
|
22,0
|
|
59,0
|
|
|
|
10,0
|
|
10,0
|
|
23,0
|
|
|
|
12,0
|
|
12,0
|
|
27,0
|
|
|
|
14,0
|
|
14,0
|
|
31,0
|
|
|
|
16,0
|
377
|
16,0
|
|
36,0
|
|
|
|
20,0
|
|
20,0
|
|
44,0
|
|
|
|
22,0
|
|
20,0
|
|
48,0
|
|
|
|
26,0
|
|
24,0
|
|
56,0
|
|
|
|
28,0
|
|
26,0
|
|
59,0
|
|
|
|
12,0
|
|
10,0
|
|
46,0
|
|
|
|
14,0
|
|
12,0
|
|
54,0
|
|
|
|
16,0
|
377
|
12,0
|
|
61,0
|
|
|
|
20,0
|
|
16,0
|
|
75,0
|
|
|
|
22,0
|
|
20,0
|
|
81,0
|
|
|
|
26,0
|
|
22,0
|
|
94,0
|
|
500
|
530
|
12,0
|
|
10,0
|
|
46,0
|
|
|
|
14,0
|
|
12,0
|
|
54,0
|
|
|
|
16,0
|
426
|
16,0
|
|
61,0
|
|
|
|
20,0
|
|
16,0
|
300
|
75,0
|
|
|
|
22,0
|
|
20,0
|
|
81,0
|
|
|
|
26,0
|
|
22,0
|
|
94,0
|
|
50
|
57
|
3,0
|
45
|
2,5
|
45
|
0,2
|
|
3,5
|
2,5
|
0,2
|
|
4,0
|
3,0
|
0,3
|
|
5,0
|
4,0
|
0,3
|
|
6,0
|
5,0
|
0,4
|
|
80
|
89
|
3,5
|
76
|
3,0
|
55
|
0,5
|
|
4,0
|
3,5
|
0,5
|
|
6,0
|
5,0
|
0,7
|
|
8,0
|
6,0
|
0,9
|
|
125
|
133
|
5,0
|
108
|
4,0
|
80
|
1,3
|
|
6,0
|
5,0
|
1,6
|
|
8,0
|
7,0
|
2,0
|
|
10,0
|
9,0
|
2,5
|
|
5,0
|
114
|
4,5
|
1,3
|
|
6,0
|
5,0
|
1,6
|
|
8,0
|
6,0
|
2,0
|
|
10,0
|
8,0
|
2,5
|
|
150
|
159
|
5,0
|
4,0
|
105
|
2,0
|
|
6,0
|
5,0
|
2,5
|
|
8,0
|
6,0
|
3,1
|
|
10,0
|
8,0
|
3,8
|
|
5,0
|
133
|
4,5
|
2,0
|
|
6,0
|
5,0
|
2,5
|
|
8,0
|
7,0
|
3,1
|
|
10,0
|
9,0
|
3,8
|
|
Примечание
- Масса приведена для справок.
|
Измененная
редакция. Изм.
№ 1)
Примеры условных обозначений:
- концентрического перехода
исполнения 1, D = 76,1 мм, Т = 2,9 мм, D1 = 48,3
мм, Т1 = 2,6 мм из стали марки Р9:
Переход К-1-76,1 ´ 2,9-48,3 ´ 2,6-Р9 ГОСТ 17378-2001
- эксцентрического перехода
исполнения 2, D = 76 мм, Т = 3,0 мм, D1 = 45
мм, Т1 = 2,5 мм из стали марки 20:
Переход Э- 76 ´ 3-45 ´ 2,5 ГОСТ 17378-2001
- то же, из стали марки 09Г2С для
трубопроводов, подконтрольных органам надзора:
Переход ПЭ-76 ´ 3-45 ´ 2,5-09Г2С ГОСТ 17378-2001
4.2. Толщина стенки переходов в
неторцевых сечениях должна быть не менее Т1 при наружном
диаметре сечения не более 1,1 D1, а в остальных сечениях - не
менее Т.
4.3.
Радиусы r1 и
r2 переходов
исполнения 1 должны соответствовать указанным в таблице
3,
а исполнения 2 устанавливаются изготовителем в конструкторской документации с
учетом применяемой технологии изготовления и обеспечения требуемых показателей
прочности и надежности
Измененная
редакция. Изм. № 1)
Таблица 3 -
Радиусы сопряжения поверхностей переходов исполнения 1
|
Тип
перехода
|
r1
|
r2
|
|
не
менее
|
|
Концентрический
|
0,4D
|
0,4D1
|
|
Эксцентрический
|
0,3D
|
0,3D1
|
Измененная
редакция. Изм.
№ 1)
4.4.
По согласованию между изготовителем и потребителем (заказчиком) допускается
изготовление переходов других размеров.
5. Технические условия
Технические условия - по ГОСТ 17380.
Ключевые слова: трубопроводы, детали трубопроводов,
трубопроводные переходы, конструкция, размеры.
| |
|