//
ÒåõËèò.ðó
- êðóïíåéøàÿ áåñïëàòíàÿ ýëåêòðîííàÿ èíòåðíåò áèáëèîòåêà äëÿ "òåõíè÷åñêè óìíûõ" ëþäåé.
WWW.TEHLIT.RU - ÒÅÕÍÈ×ÅÑÊÀß ËÈÒÅÐÀÒÓÐÀ

:: Àëãîòðåéäèíã::


ÀËÃÎÒÐÅÉÄÈÍÃ
øàã çà øàãîì
ñ íóëÿ ïî óðîêàì!

Òîðãîâûå ðîáîòû íà PYTHON, BackTrader,
Pandas, Pine Script äëÿ TradingView. Ñâÿçêà ñ áðîêåðàìè, òåëåãðàì è ëåãêèìè ïðèëîæåíèÿìè.


ÃÎÑÓÄÀÐÑÒÂÅÍÍÛÉ ÑÒÀÍÄÀÐÒ ÑÎÞÇÀ ÑÑÐ

ÈÇÄÅËÈß ÒÂÅÐÄÎÑÏËÀÂÍÛÅ
ÄËß ÃÎÐÍÎÃÎ ÈÍÑÒÐÓÌÅÍÒÀ

ÔÎÐÌÛ È ÐÀÇÌÅÐÛ

ÃÎÑÒ 880-75

ÈÏÊ ÈÇÄÀÒÅËÜÑÒÂÎ ÑÒÀÍÄÀÐÒÎÂ

Ìîñêâà

ÃÎÑÓÄÀÐÑÒÂÅÍÍÛÉ ÑÒÀÍÄÀÐÒ ÑÎÞÇÀ ÑÑÐ

ÈÇÄÅËÈß ÒÂÅÐÄÎÑÏËÀÂÍÛÅ
ÄËß ÃÎÐÍÎÃÎ ÈÍÑÒÐÓÌÅÍÒÀ

Ôîðìû è ðàçìåðû

Articles made of metal-ceramic hard alloys for mining
tools Shapes and dimensions

ÃÎÑÒ
880-75

Âçàìåí
ÃÎÑÒ 880-67

Ïîñòàíîâëåíèåì Ãîñóäàðñòâåííîãî êîìèòåòà ñòàíäàðòîâ Ñîâåòà Ìèíèñòðîâ ÑÑÑÐ îò 9 èþëÿ 1975 ã. ¹ 1744 ñðîê ââåäåíèÿ óñòàíîâëåí

ñ 01.07.76

Òðåáîâàíèÿ íàñòîÿùåãî ñòàíäàðòà ÿâëÿþòñÿ îáÿçàòåëüíûìè.

(Èçìåíåííàÿ ðåäàêöèÿ, Èçì. ¹ 4).

1. Òâåðäîñïëàâíûå èçäåëèÿ äëÿ ãîðíîãî èíñòðóìåíòà äîëæíû èçãîòîâëÿòüñÿ ôîðì, óêàçàííûõ â òàáë. 1.

Òàáëèöà 1

Îáîçíà÷åíèå ôîðìû

Îáëàñòü ïðèìåíåíèÿ

Ýñêèç

Ã11

Äëÿ îñíàùåíèÿ äîëîò÷àòûõ êîðîíîê ïåðôîðàòîðíîãî áóðåíèÿ

Ã12

Äëÿ îñíàùåíèÿ êðåñòîâûõ êîðîíîê ïåðôîðàòîðíîãî è ïíåâìîóäàðíîãî áóðåíèÿ

Ã13

Äëÿ îñíàùåíèÿ áóðîâûõ êîðîíîê ê ïîãðóæíûì ïíåâìîóäàðíèêàì

Ã14

Äëÿ îñíàùåíèÿ áóðîâûõ êîðîíîê ñ ïðåðûâèñòûì ëåçâèåì

Ã22

Äëÿ àðìèðîâàíèÿ óãîëüíûõ ðåçöîâ

Ã23

Äëÿ àðìèðîâàíèÿ çóáêîâ óãîëüíûõ êîìáàéíîâ è îäíîøàðîøå÷íûõ äîëîò

Ã24

Äëÿ àðìèðîâàíèÿ ðåçöîâ âðóáîâûõ ìàøèí è óãîëüíûõ êîìáàéíîâ

Ã24à

Äëÿ àðìèðîâàíèÿ ðåçöîâ âðóáîâûõ ìàøèí è óãîëüíûõ êîìáàéíîâ

Ã25

Äëÿ àðìèðîâàíèÿ øàðîøå÷íûõ äîëîò

Ã26

Äëÿ àðìèðîâàíèÿ øàðîøå÷íûõ äîëîò

Ã32

Äëÿ àðìèðîâàíèÿ ðåçöîâ âðàùàòåëüíîãî áóðåíèÿ

Ã33

Äëÿ àðìèðîâàíèÿ ðåçöîâ âðàùàòåëüíîãî áóðåíèÿ

Ã34

Äëÿ àðìèðîâàíèÿ ðåçöîâ âðàùàòåëüíîãî áóðåíèÿ ïî óãëþ è ìÿãêèì ïîðîäàì

Ã34à

Äëÿ àðìèðîâàíèÿ ðåçöîâ âðàùàòåëüíîãî áóðåíèÿ ïî óãëþ è ìÿãêèì ïîðîäàì

Ã36

Äëÿ àðìèðîâàíèÿ ðåçöîâ âðàùàòåëüíîãî áóðåíèÿ ïî óãëþ

Ã37

Äëÿ àðìèðîâàíèÿ ðåçöîâ âðàùàòåëüíîãî áóðåíèÿ ïî óãëþ è ìÿãêèì ïîðîäàì

Ã38

Äëÿ àðìèðîâàíèÿ ðåçöîâ âðàùàòåëüíîãî áóðåíèÿ

Ã40

Äëÿ àðìèðîâàíèÿ ðåçöîâ âðàùàòåëüíîãî áóðåíèÿ øïóðîâ ïî âÿçêèì ãîðþ÷èì ñëàíöàì è ïîðîäàì â ñëàíöåâûõ øàõòàõ

Ã41

Äëÿ àðìèðîâàíèÿ êîðîíîê âðàùàòåëüíîãî áóðåíèÿ ãåîëîãîðàçâåäî÷íûõ ñêâàæèí è ëîïàñòíûõ äîëîò íåôòÿíîãî áóðåíèÿ

Ã51

Äëÿ àðìèðîâàíèÿ êîðîíîê âðàùàòåëüíîãî áóðåíèÿ ãåîëîãîðàçâåäî÷íûõ ñêâàæèí

Ã53

Äëÿ àðìèðîâàíèÿ êîðîíîê âðàùàòåëüíîãî áóðåíèÿ ãåîëîãîðàçâåäî÷íûõ ñêâàæèí

Ã54

Äëÿ àðìèðîâàíèÿ øàðîøå÷íûõ äîëîò

Ã55

Äëÿ àðìèðîâàíèÿ êîðîíîê ãèäðîóäàðíîãî áóðåíèÿ ãåîëîãîðàçâåäî÷íûõ ñêâàæèí

Ã57

Äëÿ àðìèðîâàíèÿ êîðîíîê ãèäðîóäàðíîãî áóðåíèÿ ãåîëîãîðàçâåäî÷íûõ ñêâàæèí

Ã60

Äëÿ àðìèðîâàíèÿ áóðîâûõ ñâåðë

Ã61

Äëÿ àðìèðîâàíèÿ òàíãåíöèàëüíûõ ðåçöîâ

Ã63

Äëÿ àðìèðîâàíèÿ ðåçöîâ âðàùàòåëüíîãî áóðåíèÿ ïî ïîðîäàì ñðåäíåé êðåïîñòè è êðåïêèì

Ã64

Äëÿ àðìèðîâàíèÿ ðåçöîâ ãîðíîäîáûâàþùèõ êîìáàéíîâ ïî óãëþ

Ã65

Äëÿ àðìèðîâàíèÿ ðåçöîâ ñîëåäîáûâàþùèõ êîìáàéíîâ

Ã66

Äëÿ àðìèðîâàíèÿ ñòðîèòåëüíûõ èíñòðóìåíòîâ

Ã67

Äëÿ àðìèðîâàíèÿ ïîðîäíûõ è óãîëüíûõ ðåçöîâ

(Èçìåíåííàÿ ðåäàêöèÿ, Èçì. ¹ 1, 2).

2. Ðàçìåðû èçäåëèé äîëæíû ñîîòâåòñòâîâàòü óêàçàííûì íà ÷åðò. 1 - 35 è â òàáë. 2 - 20.

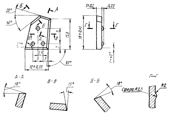
Ôîðìà Ã11

×åðò. 1

Òàáëèöà 2

ìì

Íîìåð èçäåëèÿ

l
(ïðåä. îòêë. + 1)

h
(ïðåä. îòêë. - 0,8)

s
(ïðåä. îòêë. + 0,5)

r
(ïðåä. îòêë. ± 1,0)

Ã1101

28

16

7,5

14,0

Ã1102

32

16,0

Ã1103

36

18,0

Ã1104

9,5

Ã1105

40

7,5

20,0

Ã1106

18

9,5

Ã1107

43

21,5

Ã1108

46

23,0

Ã1109

52

26,0

Ã1110

49

24,5

Ïðèìå÷àíèå. Ïî çàêàçó ïîòðåáèòåëÿ èçäåëèÿ èçãîòîâëÿþò ñ R = 120 ± 5 ìì.

Ôîðìà Ã12

×åðò. 2

Òàáëèöà 3

ìì

Íîìåð èçäåëèÿ

l
(ïðåä. îòêë. ± 0,5)

h
(ïðåä. îòêë. - 0,8)

s
(ïðåä. îòêë. + 0,5)

r
(ïðåä. îòêë. ± 1,0)

c
(ïðåä. îòêë. ± 0,5)

Ã1201

12

16

7,5

16

1,0

Ã1202

13

Ã1203

14

9,5

20

Ã1204

15

7,5

18

Ã1205

9,5

21

Ã1206

16

18

20

Ã1207

17

7,5

Ã1208

18

9,5

21

1,5

Ã1209

12

16

18

1,0

Ïðèìå÷àíèå. Èçäåëèÿ ñ ôàñêàìè c × 45° èçãîòîâëÿþò ïî çàêàçó ïîòðåáèòåëÿ.

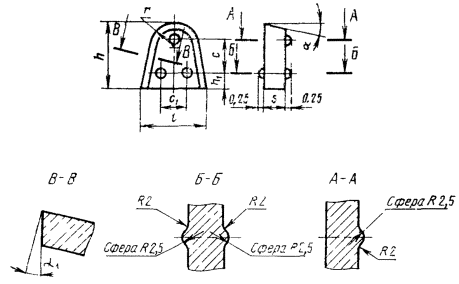
Ôîðìà Ã13

×åðò. 3

Òàáëèöà 4

ìì

Íîìåð èçäåëèÿ

l
(ïðåä. îòêë. ± 0,5)

h
(ïðåä. îòêë. - 0,8)

s
(ïðåä. îòêë. + 0,5)

R*

r
(ïðåä. îòêë. ± 1,0)

Ã1301

28

18

9,5

5

52

Ã1302

32

78

Ã1303

49

Ã1304

36

Ã1305

40

64

Ã1306

14

11,5

6

30

Ã1307

16

Ã1308

16

20

Ã1309

20

Ã1310

24

Ã1311

23

24

13,5

7

62

Ã1312

37

Ã1313

26

20

11,5

6

30

* Ðàçìåðû äëÿ ñïðàâîê.

Ôîðìà Ã14

×åðò. 4

Òàáëèöà 5

ìì

Íîìåð èçäåëèÿ

d

h
(ïðåä. îòêë. ± 0,4)

Íîìèí.

Ïðåä. îòêë.

Ã1401

8

-0,35

16

Ã1402

10

-0,45

Ã1403

12

-0,60

Ã1404

14

20

Ã1405

15

Ã1406

16

Ã1407

22

Ã1408

17

20

Ã1409

18

Ã1410

20

Ïðèìå÷àíèå. (Èñêëþ÷åíî, Èçì. ¹ 2).

Ôîðìà Ã22

×åðò. 6 (×åðò. 5 èñêëþ÷åí)

Ôîðìà Ã23

×åðò. 7

Òàáëèöà 6

ìì

Íîìåð èçäåëèÿ

d

h

r
(ïðåä. îòêë. ± 0,25)

Íîìèí.

Ïðåä. îòêë.

Íîìèí.

Ïðåä. îòêë.

Ã2301

8,2

+ 0,3

14

± 0,35

4,5

Ã2302

12

Ã2303*

10,0

16

5,5

Ã2307

12,2

20

± 0,40

6,5

* Èçãîòîâëÿþò ïî çàêàçó ïîòðåáèòåëÿ.

Ôîðìà Ã24

×åðò. 8

Òàáëèöà 7

Ðàçìåðû â ìì

Íîìåð èçäåëèÿ

h

l

s

r

h1

c

c1

a

a1

Íîìèí.

Ïðåä. îòêë.

Íîìèí.

Ïðåä. îòêë.

Íîìèí.

Ïðåä. îòêë.

Ã2401

15

± 0,4

12

± 0,35

40

± 0,20

4,5

2,5

8,0

6,5

10°

Ã2402

55

± 0,25

Ã2403

21

± 0,5

18

± 0,45

70

± 0,25

5,5

4,0

11,5

8,0

15°

Ôîðìà Ã24à

×åðò. 9

Òàáëèöà 8

Ðàçìåðû â ìì

Íîìåð èçäåëèÿ

h

l

s

r

h1

c

c1

a

a1

Íîìèí.

Ïðåä. îòêë.

Íîìèí.

Ïðåä. îòêë.

Íîìèí.

Ïðåä. îòêë.

Ã24à-02

16

± 0,40

13

± 0,35

4

± 0,20

4,5

3

9,0

6

10°

Ã24à-03

22

± 0,50

16

± 0,40

7

± 0,25

5,6

13,5

8

15°

Ã24à-05

27

20

± 0,45

8

7,0

4

17,5

10

Ã24à-06

6

Ôîðìà Ã25

×åðò. 10

Òàáëèöà 9

ìì

Íîìåð èçäåëèÿ

d

h

r

r1

c

Íîìèí.

Ïðåä. îòêë.

Íîìèí.

Ïðåä. îòêë.

Íîìèí.

Ïðåä. îòêë.

Ã2501

3,2

+ 0,3

5

± 0,20

8

± 0,15

0,5

0,5

Ã2502

4,2

7

± 0,25

Ã2503

6

± 0,20

Ã2504

5,2

9

± 0,25

10

Ã2505

8

Ã2506

7

Ã2507

6,2

10

12

Ã2508

9

Ã2509

8

Ã2510

7,2

12

± 0,30

14

Ã2511

10

Ã2512

8,2

13

16

Ã2513

12

Ã2514

11

Ã2515

10

± 0,25

Ã2516

9,2

14

18

Ã2517

13

Ã2518

12

Ã2519

11

± 0,30

Ã2520

10,2

16

20

± 0,20

1,0

1,0

Ã2521

15

Ã2522

14

Ã2523

13

Ã2524

12

Ã2525

11,2

16

± 0,30

22

Ã2526

15

Ã2527

14

Ã2528

13

Ã2529

12

Ã2530

11

Ã2531

10

Ã2532

12,3

18

± 0,40

24

Ã2533

17

Ã2534

16

± 0,30

Ã2535

15

Ã2536

14

Ã2537

13,3

19

± 0,40

26

Ã2538

18

Ã2539

17

± 0,30

Ã2540

16

Ã2541

15

Ã2542

14,3

+ 0,4

21

± 0,40

28

Ã2543

20

Ã2544

18

± 0,30

Ã2545

17

Ã2546

16

Ã2547

15,3

22

30

Ã2548

21

Ã2549

20

Ã2550

19

Ã2551

18

Ã2552

16,3

24

32

Ã2553

22

Ã2554

20

Ã2555

19

Ã2556

18

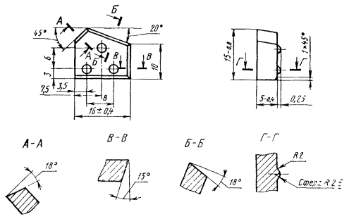
Ôîðìà Ã26

×åðò. 11

Òàáëèöà 10

ìì

Íîìåð èçäåëèÿ

d

h

r

Íîìèí.

Ïðåä. îòêë.

Íîìèí.

Ïðåä. îòêë.

Íîìèí.

Ïðåä. îòêë.

Ã2601

5,2

+ 0,3

5

± 0,20

1,8

± 0,20

Ã2602

4,2

6

2,3

Ã2603

5

Ã2604

5,2

8

± 0,26

2,8

Ã2605

7

Ã2606

6

± 0,20

Ã2607

6,2

9

± 0,25

3,4

Ã2608

8

Ã2609

7

Ã2610

6

± 0,20

Ã2611

7,2

11

± 0,30

3,9

Ã2612

10

± 0,25

Ã2613

9

Ã2614

8

Ã2615

7

Ã2616

6

± 0,20

Ã2617

8,2

13

± 0,30

4,5

Ã2618

12

Ã2619

11

Ã2620

8,2

10

± 0,25

4,5

± 0,20

Ã2621

9

Ã2622

8

Ã2623

7

Ã2624

9,2

14

± 0,30

5,0

± 0,25

Ã2625

13

Ã2626

12

Ã2627

11

Ã2628

10

± 0,25

Ã2629

9

Ã2630

8

Ã2631

10,2

16

± 0,30

5,5

Ã2632

15

Ã2633

14

Ã2634

13

Ã2635

12

Ã2636

11

Ã2637

10

± 0,25

Ã2638

9

Ã2639

11,2

16

± 0,30

6,0

Ã2640

15

Ã2641

14

Ã2642

13

Ã2643

12

Ã2644

11

Ã2645

10

± 0,25

Ã2646

12,5

18

± 0,30

6,5

Ã2647

17

Ã2648

16

Ã2649

15

Ã2650

14

Ã2651

15

Ã2652

12

Ã2653

11

Ã2654

13,3

19

7,0

Ã2655

18

Ã2656

17

Ã2657

16

Ã2658

15

Ã2659

14

± 0,40

Ã2660

13

Ã2661

12

Ã2662

14,3

+ 0,4

21

7,5

Ã2663

20

Ã2664

18

Ã2665

17

Ã2666

16

Ã2667

15

Ã2668

14

Ã2669

13

Ã2670

15,3

22

8,0

Ã2671

21

Ã2672

20

Ã2673

15,5

19

Ã2674

18

Ã2675

17

Ã2676

16

Ã2677

15

Ã2678

16,5

24

8,5

Ã2679

22

Ã2680

20

Ã2681

19

Ã2682

18

Ã2683

17

Ã2684

16

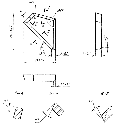
Ôîðìà Ã32

×åðò. 12

Ôîðìà Ã33

×åðò. 13

Ôîðìà Ã34

×åðò. 14

Ôîðìà Ã34à

×åðò. 15

Ôîðìà Ã36

×åðò. 16

Ôîðìà Ã37

×åðò. 17

Ôîðìà Ã38

×åðò. 18

Ôîðìà Ã40

×åðò. 20*

* ×åðò. 19 èñêëþ÷åí.

Ôîðìà Ã41

×åðò. 21

Òàáëèöà 11

ìì

Íîìåð èçäåëèÿ

b

h

s

Íîìèí.

Ïðåä. îòêë.

Íîìèí.

Ïðåä. îòêë.

Íîìèí.

Ïðåä. îòêë.

Ã4101

3,0

± 0,20

15

± 0,40

1,5

± 0,15

Ã4102

6,0

± 0,25

20

± 0,45

4,0

± 0,20

Ã4103

8,0

6,0

± 0,25

Ã4104

7,5

± 0,20

15

± 0,25

0,7

± 0,15

Ã4105

8,5

Ã4106

9,5

Ã4107

1,8

± 0,15

10

± 0,25

1,8

± 0,15

Ã4108

3,0

± 0,20

1,5

(Èçìåíåííàÿ ðåäàêöèÿ, Èçì. ¹ 3).

Ôîðìà Ã51

×åðò. 22

Òàáëèöà 12

ìì

Íîìåð èçäåëèÿ

b

h

s
(ïðåä. îòêë. ± 0,2)

Íîìèí.

Ïðåä. îòêë.

Íîìèí.

Ïðåä. îòêë.

Ã5101

5,0

± 0,20

7

± 0,25

3

Ã5102

7,5

± 0,35

10

± 0,30

Ã5103

8,5

± 0,30

8

± 0,35

Ã5104

10

± 0,30

Ã5105

10,0

14

± 0,40

4

Ã5106

1,5

± 0,10

12

± 0,35

3

Ã5107

4,0

± 0,2,0

10

± 0,30

4

Ã5108

3,0

8

± 0,25

3

Ã5109

2,5

± 0,15

12

± 0,35

Ã5110

2,0

Ã5111

3,0

20

± 0,50

4

Ïðèìå÷àíèå. Ïî çàêàçó ïîòðåáèòåëÿ äîïóñêàåòñÿ èçãîòîâëåíèå èçäåëèé ñ îäíîé èëè äâóìÿ ôàñêàìè 1 × 45° ó îñíîâàíèÿ, à èçäåëèé Ã5110 è Ã5111 - ñ çàäíèì óãëîì 25°.

Ôîðìà Ã53

×åðò. 23

Òàáëèöà 13

Íîìåð èçäåëèÿ

d
(ïðåä. îòêë. ± 0,2)

h

Íîìèí.

Ïðåä. îòêë.

Ã5301

5

5

± 0,20

Ã5302

8

± 0,25

Ã5303

10

± 0,30

Ã5304

7

15

Ã5305

20

± 0,40

Ïðèìå÷àíèå. Ïî çàêàçó ïîòðåáèòåëÿ äîïóñêàåòñÿ èçãîòîâëåíèå èçäåëèé Ã5301 - Ã5303 áåç óãëà 25°.

Ôîðìà Ã54

×åðò. 24

Òàáëèöà 14

ìì

Íîìåð èçäåëèÿ

d
(ïðåä. îòêë. ± 0,3)

h

Íîìåð èçäåëèÿ

d
(ïðåä. îòêë. ± 0,3)

h

Íîìèí.

Ïðåä îòêë.

Íîìèí.

Ïðåä îòêë.

Ã5401

3,2

3

± 0,15

Ã5408

7,2

5

± 0,20

Ã5402

4,2

4

Ã5409

8,2

8

± 0,25

Ã5403

5,2

5

± 0,20

Ã5410

7

Ã5404

4

± 0,15

Ã5411

6

± 0,20

Ã5405

6,2

6

± 0,25

Ã5412

10,2

8

± 0,25

Ã5406

5

± 0,20

Ã5413

12,2

10

± 0,30

Ã5407

7,2

6

± 0,25

Ã5414

8

± 0,25

Ôîðìà Ã55

×åðò. 25

Òàáëèöà 15

ìì

Íîìåð èçäåëèÿ

s
(ïðåä. îòêë. ± 0,35)

r

r1

Ïðåä. îòêë. ± 1

Ã5501

10,7

29,5

19,5

Ã5502

17,7

38,0

21,0

Ôîðìà Ã57

* Ðàçìåð äëÿ ñïðàâîê.

×åðò. 26

Òàáëèöà 16

Ðàçìåðû â ìì

Íîìåð èçäåëèÿ

s
(ïðåä. îòêë. ± 0,35)

b
(ïðåä. îòêë. ± 0,4)

r

r1

r2

a

Ïðåä. îòêë. ± 1

Ã5701

10,7

9

4,5

19,5

29,5

Ã5702

12,7

10

5,0

26,0

38,0

Ã5703

14,7

11

5,5

43,0

57,5

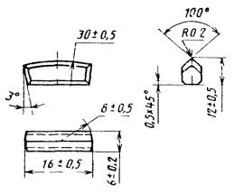
Ôîðìà Ã60

×åðò. 29*

* ×åðò. 27, 28 èñêëþ÷åíû.

Ôîðìà Ã61

×åðò. 30

Ôîðìà Ã63

×åðò. 32*

Òàáëèöà 19**

ìì

Íîìåð èçäåëèÿ

s
(ïðåä. îòêë. ± 0,4)

Ã6301

6

Ã6302

8

Ã6303

10

* ×åðò 31 èñêëþ÷åí.

** Òàáë. 17, 18 èñêëþ÷åíû.

Ôîðìà Ã64

×åðò. 33

Ôîðìà Ã65

×åðò. 34

Ôîðìà Ã66

×åðò. 35

Ôîðìà Ã67

×åðò. 36

Òàáëèöà 21*

ìì

Íîìåð èçäåëèÿ

d

h

R1

Íîìèí.

Ïðåä. îòêë.

Íîìèí.

Ïðåä. îòêë.

Ã6701

7

± 0,3

15

± 0,45

3,5

Ã6702

9

± 0,3

17

± 0,45

4,5

Ã6703

12

± 0,3

20

± 0,60

6,0

Ã6704

16

± 0,3

24

± 0,60

8,0

* Òàáë. 20 èñêëþ÷åíà.

Óñëîâíîå îáîçíà÷åíèå èçäåëèé äëÿ ãîðíîãî èíñòðóìåíòà ïðè çàêàçå ñîñòàâëÿåòñÿ ñ ó÷åòîì Îáùåñîþçíîãî êëàññèôèêàòîðà ïðîäóêöèè (ÎÊÏ). Ïîëíûé êîä ÎÊÏ èçäåëèé äëÿ ãîðíîãî èíñòðóìåíòà ñîñòîèò èç 15 (16) çíàêîâ: ïåðâûå äåñÿòü çíàêîâ ïðèâåäåíû â ïðèëîæåíèè 2, ïîñëåäíèå 5 (6) çíàêîâ - íîìåð èçäåëèÿ äëÿ ãîðíîãî èíñòðóìåíòà - ïðèâåäåíû â òàáë. 2 - 21.

Ïðèìåð óñëîâíîãî îáîçíà÷åíèÿ èçäåëèÿ ôîðìû Ã11 èç òâåðäîãî ñïëàâà ìàðêè ÂÊ8-Â, ðàçìåðàìè l = 28 ìì, h = 16 ìì, s = 7,5 ìì, r = 14 ìì ïðè çàêàçå:

19 6533 2852 Ã1101 ÃÎÑÒ 880-75

â òåõíè÷åñêîé äîêóìåíòàöèè:

Èçäåëèå ôîðìû Ã1101 ÂÊ8-Â ÃÎÑÒ 880-75.

Òî æå, äëÿ èçäåëèÿ ôîðìû Ã24à ñ ðàçìåðàìè h = 16 ìì, l = 13 ìì, s = 4 ìì, r = 4,5 ìì, h1 = 3 ìì, Ñ = 9 ìì, Ñ1 = 6 ìì, a = 10°, a1 = 3° ïðè çàêàçå:

19 6533 2859 Ã24à-02 ÃÎÑÒ 880-75

â òåõíè÷åñêîé äîêóìåíòàöèè:

Èçäåëèå ôîðìû Ã24à: Ã24à-02 ÂÊ8-Â ÃÎÑÒ 880-75.

(Èçìåíåííàÿ ðåäàêöèÿ, Èçì. ¹ 1, 2, 4).

3. Íåóêàçàííûå ïðåäåëüíûå îòêëîíåíèÿ ëèíåéíûõ ðàçìåðîâ - ïî .

(Èçìåíåííàÿ ðåäàêöèÿ, Èçì. ¹ 1).

4. Íåóêàçàííûå ïðåäåëüíûå îòêëîíåíèÿ óãëîâ èçäåëèé íå äîëæíû ïðåâûøàòü äëÿ óãëîâ:

äî 5°                                                                                  + 1°;

ñâ. 5° äî 15°                                                                      ± 1°;

ñâ. 15°                                                                               ± 2°.

5. Óãëû, ðàäèóñû, ôàñêè è íåîãîâîðåííûå äîïóñêàìè ðàçìåðû èçäåëèé ôîðì Ã24, Ã24à, Ã25, Ã26 è Ã67 äàíû äëÿ ïîñòðîåíèÿ ïðåññîâîãî èíñòðóìåíòà è íà ãîòîâûõ èçäåëèÿõ íå êîíòðîëèðóþòñÿ.

(Èçìåíåííàÿ ðåäàêöèÿ, Èçì. ¹ 2).

6. Ïî çàêàçó ïîòðåáèòåëÿ èçäåëèÿ ôîðì Ã23, Ã25, Ã26 è Ã54 äîëæíû èçãîòîâëÿòüñÿ â øëèôîâàííîì âèäå ïî íîðìàòèâíî-òåõíè÷åñêîé äîêóìåíòàöèè.

7. Ïî çàêàçó ïîòðåáèòåëÿ äîïóñêàåòñÿ èçãîòîâëåíèå èçäåëèé ôîðì Ã34, Ã34à, Ã36, Ã37 çàäíèìè óãëàìè 25°.

(Èçìåíåííàÿ ðåäàêöèÿ, Èçì. ¹ 2).

8. Íà èçäåëèÿõ Ã2601 - Ã2605 äîïóñêàåòñÿ íàëè÷èå çàóñåíöåâ äî 0,3 ìì.

9. Åñëè èçäåëèÿ ôîðì Ã11, Ã12, Ã13, Ã14, Ã23, Ã24 è Ã65 ïîñòàâëÿþòñÿ ïîòðåáèòåëÿì ïàðòèåé 30 - 50 òûñ. øò., òî îòêëîíåíèå ðàçìåðîâ ïî òîëùèíå èëè äèàìåòðó â ïðåäåëàõ ïîñòàâëÿåìîé ïàðòèè íå äîëæíî ïðåâûøàòü 0,1 ìì.

Íà èçäåëèè ôîðìû Ã65 ðàçìåð Æ 14+0,3 ìì êîíòðîëèðóþò íà öèëèíäðè÷åñêîé ÷àñòè èçäåëèÿ îò åãî îñíîâàíèÿ äî íà÷àëà êëèíîâîé ïîâåðõíîñòè.

(Èçìåíåííàÿ ðåäàêöèÿ, Èçì. ¹ 1).

10. Èçäåëèÿ äîëæíû èçãîòîâëÿòüñÿ èç òâåðäîãî ñïëàâà ïî ÃÎÑÒ 3882-74.

Ïî çàêàçó ïîòðåáèòåëÿ äîïóñêàåòñÿ èçãîòîâëÿòü èçäåëèÿ ôîðì Ã11, Ã12, Ã13, Ã14 èç òâåðäîãî ñïëàâà ìàðêè ÂÊ10-ÊÑ ïî ÒÓ 48-19-367-83.

(Èçìåíåííàÿ ðåäàêöèÿ, Èçì. ¹ 4).

11. Òåõíè÷åñêèå òðåáîâàíèÿ - ïî ÃÎÑÒ 4411-79.

12. Îðèåíòèðîâî÷íàÿ ìàññà èçäåëèé ïðèâåäåíà â ïðèëîæåíèè 1.

ÏÐÈËÎÆÅÍÈÅ 1
Ñïðàâî÷íîå

ÎÐÈÅÍÒÈÐÎÂÎ×ÍÀß ÌÀÑÑÀ ÈÇÄÅËÈÉ

Ôîðìà èçäåëèÿ

Íîìåð èçäåëèÿ

Ìàðêà òâåðäîãî ñïëàâà

Îðèåíòèðîâî÷íàÿ ìàññà èçäåëèÿ, ã

Ã11

Ã1101

ÂÊ15

43,5

Ã1102

50,9

Ã1103

56,9

Ã1104

70,1

Ã1105

58,7

Ã1106

82,5

Ã1107

89,1

Ã1108

97,3

Ã1109

106,3

Ã1110

106,0

Ã1101

ÂÊ11Â;

ÂÊ10-ÊÑ

44,6

Ã1102

52,2

Ã1103

58,3

Ã1104

71,8

Ã1105

60,1

Ã1106

84,5

Ã1107

91,3

Ã1108

99,7

Ã1109

108,4

Ã1110

108,0

Ã1101

ÂÊ8Â

45,7

Ã1102

53,5

Ã1103

59,8

Ã1104

73,6

Ã1105

61,6

Ã1106

86,6

Ã1107

93,5

Ã1108

102,1

Ã1109

111,6

Ã1110

110,3

Ã1101

ÂÊ6Â

46,3

Ã1102

54,2

Ã1103

60,6

Ã1104

74,6

Ã1105

62,5

Ã1106

87,7

Ã1107

94,8

Ã1108

103,5

Ã1109

113,1

Ã1110

111,6

Ã12

Ã1201

ÂÊ15

18,5

Ã1202

20,2

Ã1203

26,6

Ã1204

23,4

Ã1205

29,0

Ã1206

34,8

Ã1207

30,3

Ã1208

39,4

Ã1201

ÂÊ11Â; ÂÊ10-ÊÑ

18,9

Ã1202

20,7

Ã1203

27,3

Ã1204

24,0

Ã1205

29,7

Ã1206

35,6

Ã1207

31,0

Ã1208

40,4

Ã1201

ÂÊ8Â

19,4

Ã1202

21,2

Ã1203

27,9

Ã1204

24,6

Ã1205

30,5

Ã1206

36,5

Ã1207

31,8

Ã1208

41,3

Ã1201

ÂÊ6Â

19,7

Ã1202

21,5

Ã1203

28,3

Ã1204

24,9

Ã1205

ÂÊ6Â

30,9

Ã1206

ÂÊ6Â

37,0

Ã1207

ÂÊ6Â

32,2

Ã1208

ÂÊ6Â

41,9

Ã1209

ÂÊ15

23,2

Ã1209

ÂÊ11Â; ÂÊ10-ÊÑ

23,8

Ã1209

ÂÊ8Â

24,4

Ã1209

ÂÊ6Â

24,7

Ã13

Ã1301

ÂÊ15

54,0

Ã1302

63,3

Ã1303

102,0

Ã1304

72,3

Ã1305

81,9

Ã1306

39,6

Ã1307

40,3

Ã1308

45,3

Ã1309

57,3

Ã1310

69,2

Ã1311

93,7

Ã1312

162,9

Ã1301

ÂÊ11Â; ÂÊ10-ÊÑ

55,7

Ã1302

65,3

Ã1303

105,2

Ã1304

74,2

Ã1305

83,9

Ã1306

40,2

Ã1307

40,9

Ã1308

46,0

Ã1309

58,1

Ã1310

70,2

Ã1311

95,2

Ã1312

165,3

Ã1313

74,4

Ã1301

ÂÊ8Â

57,5

Ã1302

67,3

Ã1303

108,5

Ã1304

76,5

Ã1305

86,0

Ã1306

41,3

Ã1307

42,0

Ã1308

47,2

Ã1309

59,8

Ã1310

72,2

Ã1311

97,8

Ã1312

169,9

Ã14

Ã1401

ÂÊ15

10,0

Ã1402

15,0

Ã1403

22,0

Ã1404

39,0

Ã1405

42,0

Ã1406

48,0

Ã1407

54,0

Ã1408

48,0

Ã1409

49,0

Ã1410

58,5

Ã1401

ÂÊ11Â; ÂÊ10-ÊÑ

10,3

Ã1402

15,5

Ã1403

22,7

Ã1404

40,7

Ã1405

43,4

Ã1406

49,1

Ã1407

56,7

Ã1408

49,6

Ã1409

50,1

Ã1410

59,4

Ã22

-

ÂÊ6Â

33,0

Ã23

Ã2301

ÂÊ8

9,2

Ã2302

7,7

Ã2303

16,2

Ã2307

26,1

Ã2301

BÊ11BÊ

8,8

Ã2302

7,4

Ã2303

15,6

Ã2307

25,0

Ã24

Ã2401

ÂÊ8Â

9,0

Ã2402

12,0

Ã2403

25,0

Ã24à

Ã24à-02

ÂÊ8Â

8,9

Ã24à-03

26,1

Ã24à-05

46,8

Ã24à-06

35,3

Ã25

Ã2501

ÂÊ15, ÂÊ11ÂÊ

0,6

Ã2502

1,2

Ã2503

1,0

Ã2504

2,4

Ã2505

2,1

Ã2506

1,8

Ã2507

3,8

Ã2508

3,1

Ã2509

2,9

Ã2510

6,7

Ã2511

4,4

Ã2512

9,0

Ã2513

7,7

Ã2514

7,0

Ã2515

6,2

Ã2516

11,0

Ã2517

10,0

Ã2518

9,0

Ã2519

8,1

Ã2520

16,2

Ã2521

15,0

Ã2522

13,9

Ã2523

12,8

Ã2524

11,6

Ã2525

17,7

Ã2526

16,4

Ã2527

15,5

Ã2528

14,0

Ã2529

12,7

Ã2530

11,6

Ã2531

10,5

Ã2532

24,8

Ã2533

24,6

Ã2534

23,0

Ã2535

19,8

Ã2536

18,2

Ã2537

30,5

Ã2538

27,7

Ã2539

26,2

Ã2540

24,6

Ã2541

23,1

Ã2542

39,2

Ã2543

38,9

Ã2544

33,9

Ã2545

30,2

Ã2546

26,9

Ã2547

46,8

Ã2548

44,2

Ã2549

41,6

Ã2550

39,1

Ã2551

36,5

Ã2552

58,2

Ã2553

52,4

Ã2554

46,5

Ã2555

43,6

Ã2556

40,7

Ã26

Ã2601

ÂÊ8Â; ÂÊ8ÂÊ

0,5

Ã2602

1,0

Ã2603

0,8

Ã2604

2,2

Ã2605

1,9

Ã2606

1,7

Ã2607

4,1

Ã2608

3,0

Ã2609

2,5

Ã2610

2,2

Ã2611

5,9

Ã2612

5,3

Ã2613

4,7

Ã2614

4,1

Ã2615

3,5

Ã2616

2,9

Ã2617

9,1

Ã2618

8,4

Ã2619

7,6

Ã2620

6,8

Ã2621

6,0

Ã2622

5,2

Ã2623

4,4

Ã2624

12,3

Ã2625

11,3

Ã2626

10,3

Ã2627

9,3

Ã2628

8,4

Ã2829

7,4

Ã2630

6,4

Ã2631

17,3

Ã2632

16,0

Ã2633

14,9

Ã2634

13,7

Ã2635

13,2

Ã2636

11,2

Ã2637

10,0

Ã2638

8,8

Ã2639

20,5

Ã2640

19,1

Ã2641

17,6

Ã2642

16,2

Ã2643

14,7

Ã2644

13,3

Ã2645

11,8

Ã2646

27,8

Ã2647

26,1

Ã2648

24,2

Ã2649

22,5

Ã2650

20,7

Ã2651

18,9

Ã2652

17,2

Ã2653

15,5

Ã2654

34,1

Ã2655

32,0

Ã2656

29,9

Ã2657

27,9

Ã2658

25,9

Ã2659

23,8

Ã2660

21,8

Ã2661

19,7

Ã2662

43,7

Ã2663

41,3

Ã2664

36,5

Ã2665

34,2

Ã2666

31,8

Ã2667

29,4

Ã2668

27,0

Ã2669

24,7

Ã2670

52,1

Ã2671

49,4

Ã2672

46,7

Ã2673

44,0

Ã2674

41,2

Ã2675

38,5

Ã2676

36,8

Ã2677

35,8

Ã2678

64,7

Ã2679

58,5

Ã2680

52,3

Ã2681

49,2

Ã2682

46,1

Ã2683

43,0

Ã2684

40,0

Ã32

-

ÂÊ8

30,0

Ã33

-

14,0

Ã34

-

11,8

Ã34à

-

11,8

Ã36

-

ÂÊ8

10,0

Ã37

-

8,0

Ã38

-

14,0

Ã40

-

14,9

Ã41

Ã4101

ÂÊ6

1,0

Ã4102

7,1

Ã4103

14,2

Ã4104

1,2

Ã4105

1,3

Ã4106

1,5

Ã4101

ÂÊ8

0,9

Ã4102

7,0

Ã4103

14,0

Ã4104

1,1

Ã4105

1,2

Ã4106

1,4

Ã4107

ÂÊ6

0,5

Ã4108

ÂÊ8

0,7

Ã51

Ã5101

ÂÊ6

1,5

Ã5102

3,2

Ã5103

2,9

Ã5104

3,6

Ã5105

7,8

Ã5106

0,8

Ã5107

2,3

Ã5108

1,1

Ã5109

1,4

Ã5110

1,0

Ã5111

3,5

Ã5101

ÂÊ8

1,4

Ã5102

3,1

Ã5103

2,8

Ã5104

3,5

Ã5105

7,7

Ã5106

0,8

Ã5107

2,2

Ã5108

1,0

Ã5109

1,3

Ã5110

1,0

Ã5111

3,4

Ã53

Ã5301

ÂÊ8

1,6

Ã5302

2,2

Ã5303

2,3

Ã5304

7,5

Ã5305

10,0

Ã54

Ã5401

ÂÊ6Â; ÂÊ4Â

0,3

Ã5402

0,8

Ã5403

1,5

Ã5404

1,0

Ã5405

2,6

Ã5406

1,8

Ã5407

3,6

Ã5408

3,4

Ã5409

6,2

Ã5410

5,9

Ã5411

5,0

Ã5412

9,8

Ã5413

16,7

Ã5414

13,3

Ã55

Ã5501

ÂÊ15

22,0

Ã5502

36,5

Ã57

Ã5701

20,0

Ã5702

26,3

Ã5703

30,8

Ã60

Ã6010

ÂÊ6

492,0

Ã61

-

ÂÊ8Â

30,0

Ã63

Ã6301

ÂÊ8

17,4

Ã6302

22,0

Ã6303

27,4

Ã64

-

39,5

Ã65

-

41,5

Ã66

Ã6601

ÂÊ6Â

20,0

Ã6602

ÂÊ15

22,0

Ã6603

38,0

Ã6604

44,0

Ã6602

ÂÊ8Â

23,0

Ã67

Ã6701

ÂÊ8Â

8,8

Ã6702

14,4

Ã6703

28,8

Ã6704

58,7

(Èçìåíåííàÿ ðåäàêöèÿ, Èçì. ¹ 1,2, 3, 4).

ÏÐÈËÎÆÅÍÈÅ 2
Îáÿçàòåëüíîå

Êîäû ÎÊÏ èçäåëèé äëÿ ãîðíîãî èíñòðóìåíòà

Ôîðìà èçäåëèÿ

Ìàðêà ñïëàâà

Êîä ÎÊÏ

Ã11

ÂÊ15

19 6527 2852

ÂÊ11Â

19 6534 2852

ÂÊ8-Â

19 6533 2852

ÂÊ6-Â

19 6532 2852

ÂÊ10-ÊÑ

19 6536 2852

Ã12

ÂÊ15

19 6527 2853

ÂÊ11-Â

19 6534 2853

ÂÊ8-Â

19 6533 2853

ÂÊ6-Â

19 6532 2853

ÂÊ10-ÊÑ

19 6536 2853

Ã13

ÂÊ15

19 6527 2854

ÂÊ11-Â

19 6534 2854

ÂÊ8-Â

19 6533 2854

ÂÊ10-ÊÑ

19 6536 2854

Ã14

ÂÊ15

19 6527 2855

ÂÊ11-Â

19 6534 2855

ÂÊ10-ÊÑ

19 6536 2855

Ã22

ÂÊ6-Â

19 6532 2856

Ã23

ÂÊ8

19 6525 2857

ÂÊ11-ÂÊ

19 6537 2857

Ã24

ÂÊ8-Â

19 6533 2858

Ã24à

ÂÊ8-Â

19 6533 2859

Ã25

ÂÊ15

19 6527 2860

ÂÊ11-ÂÊ

19 6537 2860

Ã26

ÂÊ8-Â

19 6533 2861

ÂÊ8-ÂÊ

19 6535 2861

Ã32

ÂÊ8

19 6525 2862

Ã33

ÂÊ8

19 6525 2863

Ã34

ÂÊ8

19 6525 2864

Ã34à

ÂÊ8

19 6525 2865

Ã36

ÂÊ8

19 6525 2866

Ã37

ÂÊ8

19 6525 2867

Ã38

ÂÊ8

19 6525 2868

Ã40

ÂÊ8

19 6525 2877

Ã41

ÂÊ6

19 6524 2870

ÂÊ8

19 6525 2870

Ã51

ÂÊ6

19 6524 2871

ÂÊ8

19 6525 2871

Ã53

ÂÊ8

19 6525 2872

Ã54

ÂÊ6-Â

19 6532 2873

ÂÊ4-Â

19 6531 2873

Ã55

ÂÊ15

19 6527 2874

Ã57

ÂÊ15

19 6527 2878

Ã60

 Êá

19 6524 2880

Ã61

ÂÊ8-Â

19 6533 2881

Ã63

ÂÊ8

19 6525 2883

Ã64

ÂÊ8

19 6525 2884

Ã65

ÂÊ8

19 6525 2885

Ã66

ÂÊ6-Â

19 6532 2886

ÂÊ15

19 6527 2886

ÂÊ8-Â

19 6533 2886

Ã67

ÂÊ8-Â

19 6533 2887

(Èçìåíåííàÿ ðåäàêöèÿ, Èçì. ¹ 4).

ÈÍÔÎÐÌÀÖÈÎÍÍÛÅ ÄÀÍÍÛÅ

1. ÐÀÇÐÀÁÎÒÀÍ È ÂÍÅÑÅÍ Ìèíèñòåðñòâîì öâåòíîé ìåòàëëóðãè ÑÑÑÐ

ÐÀÇÐÀÁÎÒ×ÈÊÈ

Í. À. Êóäðÿ, À. À. Çàëóæíûé, À. Ì. ×óâèëèí, Å. Ã. Ñòåïàíîâ, Í. Ã. Òîïîðöåâ, Ë. Â. Ìûòàðåâà

2. ÓÒÂÅÐÆÄÅÍ È ÂÂÅÄÅÍ Â ÄÅÉÑÒÂÈÅ Ïîñòàíîâëåíèåì Ãîñóäàðñòâåííîãî êîìèòåòà ñòàíäàðòîâ Ñîâåòà Ìèíèñòðîâ ÑÑÑÐ îò 09.07.75 ¹ 1744

3. Ñðîê ïðîâåðêè - 1993 ã., ïåðèîäè÷íîñòü - 5 ëåò

4. ÂÇÀÌÅÍ ÃÎÑÒ 880-67

5. ÑÑÛËÎ×ÍÛÅ ÍÎÐÌÀÒÈÂÍÎ-ÒÅÕÍÈ×ÅÑÊÈÅ ÄÎÊÓÌÅÍÒÛ

Îáîçíà÷åíèå ÍÒÄ, íà êîòîðûé äàíà ññûëêà

Íîìåð ïóíêòà

ÃÎÑÒ 3882-74

10

ÃÎÑÒ 4411-79

11

6. Îãðàíè÷åíèå ñðîêà äåéñòâèÿ ñíÿòî ïîñòàíîâëåíèåì Ãîññòàíäàðòà ÑÑÑÐ îò 20.12.85 ¹ 4642

7. ÏÅÐÅÈÇÄÀÍÈÅ (èþíü 1996 ã.) ñ Èçìåíåíèÿìè ¹ 1, 2, 3, 4, óòâåðæäåííûìè â ìàå 1979 ã., äåêàáðå 1985 ã., ÿíâàðå 1989 ã., îêòÿáðå 1991 ã. (ÈÓÑ 6-79, 4-86, 4-89, 1-92)




ßíäåêñ öèòèðîâàíèÿ



   Copyright © 2007-2026,  www.tehlit.ru.

[ ƒîñòû, ñòàíäàðòû, íîðìàòèâû, èíñòðóêöèè, ïðàâèëà, ñòðîèòåëüíûå íîðìû ]