//
ТехЛит.ру
- крупнейшая бесплатная электронная интернет библиотека для "технически умных" людей.
WWW.TEHLIT.RU - ТЕХНИЧЕСКАЯ ЛИТЕРАТУРА

:: Алготрейдинг::


АЛГОТРЕЙДИНГ
шаг за шагом
с нуля по урокам!

Торговые роботы на PYTHON, BackTrader,
Pandas, Pine Script для TradingView. Связка с брокерами, телеграм и легкими приложениями.


Изменение № 3 ГОСТ 2.702-75 Единая система конструкторской документации. Правила выполнения электрических схем.

Утверждено и введено в действие Постановлением Комитета стандартизации и метрологии СССР от 15.07.91 № 1254

Дата введения 01.01.92

Пункты 3.4, 3.5 изложить в новой редакции: «3.4. Элементы и устройства, условные графические обозначения которых установлены в стандартах Единой системы конструкторской документации, изображают на схеме в виде этих условных графических обозначений.

3.5. Элементы или устройства, используемые в изделии частично, допускается изображать на схеме неполностью, ограничиваясь изображением только используемых частей или элементов».

Пункт 3.8. Чертеж 1 заменить новым:

Черт. 1

Пункт 3.9 изложить в новой редакции: «3.9. При изображении элементов или устройств разнесенным способом допускается на свободном поле схемы помещать условные графические обозначения элементов или устройств, выполненные совмещенным способом. При этом элементы или устройства, используемые в изделии частично, изображают полностью с указанием использованных и неиспользованных частей или элементов (например, все контакты многоконтактного реле).

Выводы (контакты) неиспользованных элементов (частей) изображают короче, чем выводы (контакты) использованных элементов (частей) (черт. 2).

Черт. 2»

Пункты 3.13, 4.19. Заменить ссылку: ГОСТ 2.709-72 на ГОСТ 2.709-89.

Пункт 3.13. Чертеж 3 заменить новым:

а - многолинейное изображение                                                б - однолинейное изображение

Черт. 3

Пункт 3.27. Первый абзац после слов «обозначения одинаковых элементов» изложить в новой редакции: «или устройств, указывают позиционные обозначения всех этих элементов или устройств»;

второй абзац после слов «если одинаковые элементы» и после слов «находятся эти элементы» дополнить словами «или устройства».

Пункт 3.28. Первый абзац после слов «все элементы» дополнить словами: «и устройства».

Пункт 3.38 после слов «При изображении элемента» и после слов «около изображения элемента» дополнить словами: «или устройства».

Пункты 3.42., 4.10. Заменить ссылку: ГОСТ 2.755-74 на ГОСТ 2.755-87.

Пункт 3.42. Чертеж 15 заменить новым:

Черт. 15

Пункт 4.10. Чертеж 20 заменить новым:

Черт. 20

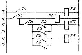
Пункт 4.14. Чертеж 22 заменить новым:

Черт. 22

Пункт 6.7 изложить в новой редакции «6.7. На схеме допускается указывать обозначения документов соединителей на полках линий-выносок, а также число контактов соединителей, используя при этом их следующее условное графическое обозначение (черт. 27).

Черт. 27».

(ИУС № 10 1991 г.)




Яндекс цитирования



   Copyright © 2007-2026,  www.tehlit.ru.

[ ѓосты, стандарты, нормативы, инструкции, правила, строительные нормы ]