//
ТехЛит.ру
- крупнейшая бесплатная электронная интернет библиотека для "технически умных" людей.
WWW.TEHLIT.RU - ТЕХНИЧЕСКАЯ ЛИТЕРАТУРА

:: Алготрейдинг::


АЛГОТРЕЙДИНГ
шаг за шагом
с нуля по урокам!

Торговые роботы на PYTHON, BackTrader,
Pandas, Pine Script для TradingView. Связка с брокерами, телеграм и легкими приложениями.


ВСЕРОССИЙСКИЙ НАУЧНО-ИССЛЕДОВАТЕЛЬСКИЙ ИНСТИТУТ
МЕТРОЛОГИЧЕСКОЙ СЛУЖБЫ

(ВНИИМС)

РЕКОМЕНДАЦИЯ

ГОСУДАРСТВЕННАЯ СИСТЕМА
ОБЕСПЕЧЕНИЯ ЕДИНСТВА ИЗМЕРЕНИЙ.

ОБЕСПЕЧЕНИЕ ЭФФЕКТИВНОСТИ ИЗМЕРЕНИЙ
ПРИ УПРАВЛЕНИИ ТЕХНОЛОГИЧЕСКИМИ ПРОЦЕССАМИ.

МЕТОДЫ И СПОСОБЫ ПОВЫШЕНИЯ ТОЧНОСТИ ИЗМЕРЕНИЙ

МИ 2301-2000

Москва

2000

ИНФОРМАЦИОННЫЕ ДАННЫЕ

1. РАЗРАБОТАНА Всероссийским научно-исследовательским институтом метрологической службы (ВНИИМС)

ИСПОЛНИТЕЛИ: Т. А. Бахметьева,

В. А. Брюханов, кандидат физ.-мат. наук,

Н. П. Миф, к. т. н. (руководитель темы)

2. УТВЕРЖДЕНА: ВНИИМС

3. ЗАРЕГИСТРИРОВАНА: ВНИИМС

Номер документа

Пункт рекомендации

ГОСТ Р 8.563-96

5.

МИ 1967-89

2.

МИ 2232-2000

3., 4.3, 4.5

МИ 2 175-91

4.4

МИ 2233-2000

4.7

МИ 2174-91

4.8

МИ 2179-91

5.

ПР 50.2.005-94

5.

ПР 50.2.009-94

5.

ПР 50.2.012-94

5.

ПР 50.2.014-94

5.

ПР 50.2.015-94

5.

РЕКОМЕНДАЦИЯ

ГСИ. Обеспечение эффективности измерений при управлении технологическими процессами. Методы и способы повышения точности измерений

Взамен МИ 2301-94

Настоящая рекомендация содержит основные положения по выбору методов и способов повышения точности измерений, выполняемых в производстве. Основное внимание в этой рекомендации уделено общим методическим приемам, которые можно использовать при решении задач повышения точности измерений.

В рекомендации излагаются также вопросы технико-экономического обоснования мероприятий, направленных на повышение точности измерений.

1. Общие положения.

Повышение точности измерений в промышленности является одним из существенных резервов повышения качества продукции и эффективности производства.

На начальном этапе решения задачи повышения точности измерений необходимо выполнить анализ измерительной задачи и тех целей, для которых используются результаты измерений, а также всей совокупности условий, влияющих на точность измерений. Этот анализ выполняется для применяемой или предполагаемой к применению методики выполнения измерений, точность которой признана неудовлетворительной из-за возможных значительных неблагоприятных последствий, вызванных погрешностью измерений.

Выбирать метод или способ повышения точности измерений целесообразно только после выявления и оценивания отдельных составляющих погрешности измерений и определения, какие составляющие погрешности доминируют. При этом необходимо иметь представление не только об инструментальной, но и о методической и субъективной составляющих погрешности измерений, а также о систематическом и случайном характере всех составляющих погрешности измерений.

2. Анализ измерительной задачи и целей измерений

Анализ измерительной задачи и целей измерений должен дать ответ, насколько измеряемая величина соответствует искомой характеристике объекта. Часто реальный объект заменяется некой моделью, характеристика которой непосредственно измеряется. Неадекватность модели реальному объекту может быть значительна и тем самым может иметь место значительная разница между искомой характеристикой объекта и измеряемой характеристикой принятой модели. Поэтому любые методы и способы повышения точности измерений характеристики принятой модели в этом случае не дадут эффекта в достижении целей измерений.

Анализ свойства объекта измерений, которое должно быть определено в соответствии с целью измерений, и других свойств, влияющих на погрешность измерений приведен в МИ 1967-89.

Пример составляющей погрешности измерений, вызванной неадекватностью модели реальному объекту, приведен в приложении 1.

3. Анализ результатов оценивания погрешности измерений

Для большинства измерений, выполняемых в системах управления технологическими процессами, оценивание погрешности измерений и ее составляющих производится расчетными или расчетно-экспериментальными методами.

В результате оценивания погрешности измерений должны быть получены количественные оценки методических, инструментальных и субъективных составляющих погрешности измерений и определены причины, их порождающие (внешние влияющие величины). Для этого может быть использована рекомендация МИ 2232-2000.

Дальнейший анализ должен проводиться с доминирующими составляющими погрешности измерений.

Для выбора эффективного метода или способа повышения точности измерений необходимо хотя бы приближенно оценить, насколько велика случайная доля в этих доминирующих составляющих погрешности измерений.

4. Основные способы и методы повышения точности измерений

4.1. Замена средства измерений на более точное (приобретение или разработка специальных средств измерений).

Этот способ повышения точности измерений целесообразен при доминирующих инструментальных составляющих погрешности измерений.

Для измерительных каналов и ИИС целесообразно заменять на более точные только те средства измерений, погрешности которых доминируют при расчете суммарной погрешности канала или ИИС.

Часто такая замена дает существенный эффект в случае доминирования основной погрешности средств измерений. Так в измерительных каналах температуры ИИС и АСУ ТП с термопарами ТПП основная погрешность средств измерений составляет 40-60 % от суммарной погрешности в рабочих условиях. Вместе с тем, для многих типов средств измерений дополнительные погрешности практически одни и те же для различных классов точности этих средств. Поэтому при выборе средств измерений более высокого класса точности необходимо обращать внимание на нормированные дополнительные погрешности.

Данный способ повышения точности измерений оказывается доступным далеко не всегда. Возможности выбора более точных средств измерений зачастую весьма ограниченны. Чаще всего такие ограничения связаны с условиями эксплуатации средств измерений.

Кроме того, следует учитывать, что стоимость средств измерений, как правило, быстро растет с повышением их точности.

4.2. Уменьшения относительной погрешности можно добиться, выбрав верхний предел измерений средств измерений, для которых нормированы приведенные основная и дополнительные погрешности, таким, чтобы ожидаемые значения измеряемой величины (показания) находились в последней трети диапазона измерений.

4.3. Ограничение условий применения средств измерений.

Этот способ повышения точности измерений целесообразен, если доминируют дополнительные погрешности средств измерений, которые вызываются значительными отклонениями внешних влияющих величин от их нормальных значений. Для многих средств измерений имеют место существенные составляющие погрешности при значительных отклонениях от нормальных значений температуры окружающего воздуха, параметров питания, при воздействии вибрации и других влияющих величин, имеющих место в производственных условиях. Так для типичных измерительных каналов расхода природного газа, содержания кислорода в газовой смеси, давления ИИС и АСУ ТП дополнительная погрешность от отклонения температуры окружающего воздуха в условиях многих производств от нормального значения составляет 30 - 40 % от суммарной погрешности измерений. Для измерительных каналов с датчиками давления многих типов промышленная вибрация в месте установки датчиков вызывает дополнительную погрешность до 20 - 30 % от суммарной погрешности измерений.

Составляющие погрешности некоторых типичных измерительных каналов АСУ ТП приведены в МИ 2232-2000.

В подобных случаях должны быть реализованы соответствующие меры, снижающие влияние на погрешность существенных влияющих величин (установка кондиционеров в помещении, специальных экранов для защиты от воздействия электромагнитных полей, стабилизаторов напряжения питающей сети, амортизаторов для снижения вибрационных воздействий и пр.).

Необходимо также иметь в виду, что некоторые методические составляющие погрешности измерений также могут быть уменьшены путем ограничений условий. Такая методическая погрешность, как "погрешность передачи" при измерениях небольших давлений и перепада давления пара, вызываемая изменениями столба конденсата в соединительных трубках при измерениях температуры окружающего воздуха, может быть снижена соответствующими мерами.

4.4. Индивидуальная градуировка средства измерений.

Этот способ повышения точности измерений целесообразен при доминирующих систематических составляющих погрешности средств измерений. Так для термопар и термометров сопротивления систематическая составляющая погрешности при узком диапазоне измеряемых температур доминирует и остается практически неизменной в течение нескольких месяцев. Такая погрешность может быть существенно снижена путем внесения в результаты измерений поправок, полученных при индивидуальной градуировке. Этот метод может быть успешно применен в ИИС и АСУ ТП.

Вместе с тем, необходимо иметь в виду, что систематические составляющие погрешности многих средств измерений могут заметно меняться в течение сравнительно небольших интервалов времени эксплуатации. Это необходимо учитывать при применении индивидуальной градуировки средств измерений.

При выполнении градуировки могут быть использованы рекомендации МИ 2175-91.

4.5. Выполнение многократных наблюдений с последующим усреднением их результатов.

Этот метод эффективен при доминировании случайной составляющей погрешности измерений.

Известно, что случайная составляющая погрешности измерений среднего значения меньше случайной составляющей погрешности измерений текущих значений.

Для повышения точности измерений текущих значений необходимо, чтобы усреднение не приводило к существенному сглаживанию информации о процессе изменения измеряемой величины.

Применение этого метода возможно, если в течение интервала времени усреднения не происходит заметное изменение текущих значений измеряемой величины и, в то же время, в течение этого же интервала существенно меняется погрешность измерений текущих значений. Другими словами частотный спектр случайной составляющей погрешности измерений текущих значений должен быть значительно более высокочастотным по отношению частотного спектра процесса изменения измеряемой величины.

Формальным условием результативности снижения случайной составляющей погрешности измерений путем усреднения результатов измерений текущих значений является следующее:

где: tзх - интервал времени затухания корреляционной функции измеряемой величины,

tзп - интервал времени затухания корреляционной функции случайной составляющей погрешности измерений,

Т - интервал времени между измерениями текущих значений,

n - число усредняемых результатов измерений текущих значений в течение интервала усреднения.

В этом случае СКО случайной составляющей погрешности измерений средних значений при числе измерений текущих значений n за интервал времени усреднения nТ будет равно:

где: scp - СКО случайной составляющей погрешности измерений средних значений,

sт - СКО случайной составляющей погрешности измерений текущих значений.

Если случайная составляющая погрешности измерений доминирует, то при вышеуказанном условии коэффициент снижения погрешности измерений приближенно будет составлять 1/.

В большинстве случаев нельзя считать доминирующей случайную составляющую погрешности измерений. В таких случаях коэффициент снижения погрешности измерений при усреднении результатов измерений текущих значений будет меньше и может быть ориентировочно определен в соответствии с рекомендацией МИ 2232-2000.

Если не выполняется условие tзх >> nТ, то усреднение результатов измерений текущих значений дает существенное искажение действительного изменения измеряемой величины и данный метод снижения погрешности измерений применять не рекомендуется.

Если не выполняется условие nТ >> tзп, то снижение погрешности измерений практически незначительное и этот метод неэффективен. Например, доминирует случайная "температурная" составляющая погрешности датчика давления. Температура окружающего воздуха изменяется весьма медленно, поэтому условие tзх >> nТ >> tзп выполнить практически не представляется возможным.

4.6. Автоматизация измерительных процедур.

Такое мероприятие помимо снижения трудоемкости измерений способствует исключению субъективных погрешностей, возникающих при обработке диаграмм, вычислении промежуточных и конечных результатов измерений, приготовлении проб для химанализов и т.п. операций, выполняемых человеком.

4.7. Внедрение способов контроля работоспособного состояния средств измерений в процессе их эксплуатации.

Это мероприятие способствует выявлению, исключению или снижению метрологических отказов в средствах измерений.

Во многих случаях системы контроля работоспособности средств измерений в процессе эксплуатации могут быть эффективны без каких-либо ограничений на составляющие погрешности средств измерений и их случайный или систематический характер.

Некоторые способы контроля работоспособности средств измерений в процессе их эксплуатации указаны в МИ 2233-2000.

4.8. Разработка или совершенствование методик выполнения измерений.

Если доминируют методические составляющие погрешности измерений, то этот способ повышения точности измерений является единственно эффективным.

В ИИС и АСУ ТП составляющие методической погрешности измерений, обусловленные отличием алгоритма вычислений от функции, строго определяющей зависимость результатов вычислений от аргументов измеряемых прямым методом величин, могут быть уменьшены применением более совершенного алгоритма.

При существенной методической погрешности измерений средних или интегральных значений, вызванной ограниченным числом "точек" измерений или отклонениями от номинальных значений неизмеряемых величин, входящих в функцию в виде констант, соответствующее совершенствование методики измерений дает заметный эффект в повышении точности измерений. Совершенствование методик выполнения измерений может быть осуществлено путем изменения алгоритма обработки результатов измерений. В этом случае целесообразно провести аттестацию алгоритма в соответствии с МИ 2174-91.

4.9. Метод сравнения с мерой.

Метод сравнения с мерой основан на том, что размер измеряемой величины сравнивают с помощью компаратора с размером величины, воспроизводимой мерой, а искомое экспериментальное значение величины рассчитывают по полученным значениям показаний компаратора и номинальному значению меры. Применение этого метода является одним из наиболее эффективных способов исключения систематической составляющей погрешности измерений.

Меру и компаратор определенной точности в большинстве случаев изготовить легче и дешевле, чем средство измерений, позволяющее осуществить измерение с той же точностью методом непосредственного оценивания.

Разновидностями метода сравнения с мерой являются метод компенсации, метод противопоставления и метод замещения. Точность каждого из этих методов тем выше, чем меньше отличие размера величины, воспроизводимого мерой, от измеряемого.

Если при измерениях добиваются нулевого показания компаратора, метод называют нулевым, а если показания компаратора в ходе измерений отличны от нуля - дифференциальным методом.

Нулевые методы требуют использования регулируемых мер или многозначных мер с малой дискретностью воспроизведения размеров величин. Такие меры, как правило, менее точны и более дороги, чем однозначные меры, используемые при дифференциальных методах. Эго обстоятельство ограничивает применение нулевого метода.

Сюда же можно отнести методы сравнения с мерой, при которых повышение точности результатов измерений достигается применением средства измерений в качестве компаратора, вследствие чего влияние его погрешностей на результат измерения резко снижается.

В ряде случаев мера встраивается в средство измерений для автоматической или полуавтоматической поверки.

4.10. Использование тестовых сигналов.

Тестовые методы повышения точности измерений применяются в различных измерительных системах для измерений как электрических, так и неэлектрических величин.

Сущность тестовых методов повышения точности измерений заключается в определении параметров статической функции преобразования (СФП) с помощью дополнительных преобразований тестов, каждый из которых функционально связан с измеряемой величиной.

В реальных условиях эксплуатации средства измерений значения параметров СФП отличаются от своих номинальных значений вследствие воздействия различных внешних факторов, старения элементов и т.п.

Тестовые методы повышения точности измерений позволяют снизить систематические и так называемые квазисистематические погрешности.

Суммарная погрешность средства измерений при реализации тестовых методов повышения точности измерений имеет следующие составляющие:

погрешность вычислительного устройства;

погрешность квантования аналого-цифрового преобразователя:

погрешность, обусловленная высокочастотными шумами в схеме средства измерений;

погрешность преобразования тестов;

динамическая погрешность, обусловленная возможным изменением измеряемой величины в процессе реализации тестов.

Пример реализации тестового метода повышения точности измерений приведен в приложении 2.

4.11. Метод обратного преобразования. Этот метод применяется при автоматической коррекции погрешности средств измерений. Для реализации этого метода используется обратный преобразователь, статическая реальная функция преобразования которого должна совпадать с функцией, обратной номинальной характеристике преобразования средства измерений. Этот метод эффективен только в том случае, если обратный преобразователь значительно точнее прямого преобразователя.

На вход обратного преобразователя подается реальный выходной сигнал средства измерений. Разность двух сигналов (входной сигнал средства измерений минус выходной сигнал обратного преобразователя) соответствует погрешности средства измерений и может использоваться для выработки корректирующего сигнала как в системе самонастройки, так и в системе введения поправок. Пример использования этого метода приведен в приложении 3.

Метод обратного преобразования обладает следующими особенностями:

а) в состав системы коррекции входит образцовый обратный преобразователь, от точности которого существенно зависит точность коррекции;

б) корректирующий сигнал соответствует суммарной погрешности средства измерений в точке диапазона измерения, соответствующей значению входной величины, т.е. корректируются инструментальные погрешности любого происхождения;

в) коррекция осуществляется непрерывно в течение рабочего режима (режима измерения).

Метод обратного преобразования нашел применение при коррекции погрешностей в ряде измерительных преобразователей электрических и неэлектрических величин.

4.12. Использование информационной избыточности.

Под информационной избыточностью понимается такое состояние измерительной информации, при котором она больше необходимой для реализации функций управления объектом. Избыточная информация может использоваться для повышения точности измерений.

Примером использования информационной избыточности в целях повышения точности измерений может служить включение в измерительную систему дополнительных средств измерений, измеряющих одну и ту же величину, и осреднение их показаний.

В погрешностях подавляющего большинства средств измерений, используемых в АСУ ТП, доминируют невыявленные систематические погрешности, которые могут быть разного знака, и для грубой ориентировочной оценки результирующей погрешности измерений (Dр) при использовании n средств измерений одинаковой погрешности (D) для измерения одной и той же величины можно воспользоваться выражением:

При использовании нескольких средств измерений разного класса точности целесообразно принимать в качестве результата измерений средневзвешенное значение:

где: хi - результат измерений i-м средством измерений,

di - относительная погрешность измерений с помощью i-го средства измерений,

n - число используемых средств измерений.

В этом случае результирующая относительная погрешность dр будет определяться следующим выражением:

Необходимо иметь в виду, что при существенном отличии погрешности используемых приборов (в 3 и более раз) результирующая погрешность будет больше погрешности наиболее точного прибора в этой группе.

Другим примером информационной избыточности может служить наличие тех или иных связей между измеряемыми величинами, обусловленных свойствами объекта измерений или управления. Эти связи могут быть использованы как для исключения аномальных погрешностей (промахов) при измерении отдельных величин, так и для повышения точности измерений всей совокупности измеряемых величин.

Обычно в системе управления измеряется несколько величин х1, х2, ..., хn, связанных между собой уравнениями связи (их число r).

f11, х2, ..., хn) = 0

f21, х2, ..., хn) = 0

……………………

fr1, х2, ..., хn) = 0,

которые образуют совместную систему. Измерив m = n - r параметров, можно определить остальные из уровней связи. Если число измеряемых параметров m удовлетворяет условию m > (n - r), то имеет место информационная избыточность. Значения (n - m) измеряемых параметров в этом случае можно определить из (n - m) < r уравнений системы, приведенном выше. Из оставшихся уравнений, число которых q = m - (n - r), для любых q параметров могут быть получены вторые значения, в общем случае не совпадающие с первыми. Если уравнения связи практически соблюдаются, то такое несовпадение обуславливается погрешностями измерений. Следовательно, информационная избыточность позволяет обнаружить наличие погрешности измерений совокупности нескольких параметров и использовано для уменьшения погрешности измерений.

Пример использования информационной избыточности для повышения точности измерений приведен в приложении 4.

5. Экономическое обоснование мероприятий по повышению точности измерений

Разработке и реализации мероприятий по повышению точности измерений должны предшествовать анализ экономической целесообразности таких мероприятий.

Любое мероприятие по повышению точности измерений экономически целесообразно, если это мероприятие уменьшает метрологические издержки, т.е. снижает долю себестоимости продукции и увеличивает долю прибыли предприятия, зависящие от точности измерений.

При проведении расчетов при оценивании метрологических издержек приходится учитывать изменение во времени размеров их отдельных составляющих. Эти изменения могут быть вызваны различными причинами, в т.ч. инфляционными процессами. Поэтому экономические оценки необходимо приводить к конкретному моменту или периоду времени.

Помимо приведения метрологических издержек к какому-либо моменту или периоду времени, издержки выражаются для единицы продукции или для годового объема производства (в денежном выражении).

Необходимо также рассматривать все участки производства, где данное метрологическое мероприятие может изменить метрологические издержки. Так повышение точности измерений при контроле режима в одной точке технологического процесса может вызвать повышение затрат из-за применения более дорогих средств измерений и увеличение "отсева" бракованных деталей на одном участке и в то же время снизить затраты на сборку и регулировку изделия на другом участке производства. В этих случаях метрологические издержки (или их изменение при реализации данного мероприятия) хотя и определяются для данной точки или совокупности точек технологического процесса, но при этом должны включать все составляющие изменения себестоимости продукции, вызванные этим мероприятием.

Таким образом, при определении метрологических издержек необходимо:

- учитывать фактор времени, т.е. приводить издержки к определенному моменту или периоду времени;

- учитывать изменение издержек на всех участках технологического процесса или производства;

- приводить издержки к конкретному объему (единице) продукции.

При определении метрологических издержек предприятия необходимо оценивать затраты непосредственно на измерения, затраты на метрологическое обслуживание средств измерений и потери из-за погрешности измерений.

Затраты на измерения состоят из единовременных и текущих. Единовременные затраты на измерения, связанные с мероприятиями по повышению точности измерений, в общем случае включают:

- затраты на научно-исследовательские и опытно-конструкторские работы, связанные с разработкой методик выполнения измерений и средств измерений, других технических средств и программного обеспечения (доля затрат, приходящаяся на данное предприятие);

- затраты на метрологическую аттестацию методик выполнения измерений (состав работ указан в ГОСТ Р 8.563-96;

- затраты на приобретение средств измерений, технических средств и программного обеспечения;

- затраты на монтаж и пуско-наладочные работы, введением в эксплуатацию средств измерений, других средств и программного обеспечения.

В некоторых случаях в единовременные затраты, помимо указанных, приходится включать затраты на сооружение помещений, колодцев и т.п., необходимых для размещения средств измерений. В конкретных случаях некоторые из перечисленных единовременных затрат отсутствуют.

В расчетах часто возникает задача отнесения единовременных затрат на конкретный измеряемый параметр.

Здесь может быть несколько вариантов измерений параметра технологического процесса. Типичные варианты измерений параметров технологического процесса и расчет соответствующих затрат измерения приведены в приложении 5.

Текущие затраты на измерения, связанные с мероприятиями по повышению точности измерений, в общем случае включают:

- заработную плату операторов, непосредственно выполняющих измерительные операции, вместе с соответствующими отчислениями, определяемыми размерами заработной платы;

- затраты на энергию питания средств измерений;

- затраты на материалы, расходуемые в процессе измерений;

- амортизационные отчисления, определяемые стоимостью средств измерений и других технических средств, применяемых для измерений параметра технологического процесса.

Составляющие текущих затрат могут существенно изменяться в течение года из-за инфляции. В этом случае необходимо определить коэффициент индексации Ки, на который умножаются годовые текущие затраты. Методика определения коэффициента индексации приведена в ПР 50.2.015-94.

Текущие затраты на измерения целесообразно рассчитывать для параметра технологического процесса за год с момента внедрения мероприятия.

При определении текущих затрат на измерения необходимо учитывать возможные варианты измерений параметра (Приложение 5) и использовать соответствующие коэффициенты S, которые определяют долю затрат, приходящихся на данный параметр технологического процесса.

Для экономического обоснования необходимо установить период времени Т (расчетный период), в течение которого будут положительно проявляться результаты реализации мероприятия по повышению точности измерений.

Если номенклатура выпускаемой продукции стабильна, то при внедрении новых средств измерений расчетный период может соответствовать срокам физического или морального старения внедряемых технических средств (предположительно 5 - 7 лет).

Затраты на измерения в течение расчетного периода Т определяются следующим образом:

где: Зеи - единовременные затраты на измерения;

Зти - текущие годовые затраты на измерения;

Т - расчетный период в годах.

Следует подчеркнуть, что размер этих затрат определяется в ценах на момент расчета затрат.

Затраты на метрологическое обслуживание средств измерений также состоят из единовременных и текущих.

Единовременные затраты на метрологическое обслуживание средств измерений, связанные с повышением точности измерений, в общем случае включают:

- затраты на утверждение типа средств измерений, разработанного для данного предприятия (проведение испытаний и утверждение типа средства измерений - состав работ определен в ПР 50.2.009-94, стоимость утверждения типа согласно документа ПР 50.2.015-94 - 10 размеров установленной законодательством минимальной заработной платы);

- затраты на разработку методов и технических средств контроля работоспособности средств измерений в процессе их эксплуатации;

- затраты на приобретение и монтаж технических средств для осуществления текущего ремонта средств измерений.

Если на предприятии должна осуществляться поверка вновь внедряемых средств измерений, то дополнительно к указанным необходимо учитывать следующие единовременные затраты:

- затраты на приобретение и монтаж поверочного оборудования;

- затраты на подготовку поверителей;

- затраты на аттестацию поверителей (состав работ определен в ПР 50.2.012-94);

- затраты на аккредитацию метрологической службы на право поверки средств измерений (состав работ определен в ПР 51.2.014-94, определение стоимости аккредитации в соответствии с ПР 50.2-015-94).

Аналогичные единовременные затраты имеют место при организации калибровки средств измерений на предприятии.

Если на предприятии организуется изготовление и ремонт средств измерений, используемых в сферах распространения государственного метрологического контроля и надзора, то в состав единовременных затрат на метрологическое обслуживание средств измерений включаются затраты на лицензирование деятельности предприятия по изготовлению и ремонту этих средств измерений. Состав работ по лицензированию приведен в ПР 50.2.005-94, определение стоимости лицензирования в соответствии с ПР 50.2.015-94.

Текущие затраты на метрологическое обслуживание средств измерений, связанные с повышением точности измерений, в общем случае включают:

- затраты на поверку средств измерений;

- затраты на поверку эталонов единиц величин, применяемых для поверки рабочих средств измерений (если поверка рабочих средств измерений производится на предприятии);

- затраты на калибровку средств измерений;

- затраты на контроль работоспособности средств измерений в процессе их эксплуатации (помимо поверки или калибровки);

- затраты на регламентное обслуживание средств измерений в соответствии с указаниями эксплуатационной документации;

- затраты на текущий ремонт средств измерений;

- затраты на метрологический надзор за состоянием и применением средств измерений, эталонами единиц величин, применяемыми для калибровки средств измерений, за соблюдением метрологических правил, выполняемый метрологической службой предприятия.

Затраты на поверку средств измерений и эталонов, осуществляемой в органах Государственной метрологической службы, определяются исходя из тарифов этих органов и транспортных расходов. Если поверка (калибровка) средств измерений осуществляется метрологической службой предприятия, то текущие затраты определяются исходя из норм времени на поверку, стоимости одного нормативного часа работы поверителя и стоимости расходных материалов. Для установления норм на поверку можно воспользоваться Типовыми нормами времени на поверку (ВНИИМС), для установления тарифов ПР 50.2.015-94.

Если на предприятии должны осуществляться изготовление или ремонт средств измерений, используемых в сферах распространения государственного метрологического контроля и надзора, то в текущие затраты на метрологическое обслуживание средств измерений включаются ежегодные выплаты органу, выдавшему лицензию на изготовление и ремонт средств измерений. Размеры выплат определяются в соответствии с ПР 50.2.015-94.

Текущие затраты на метрологическое обслуживание средств измерений целесообразно рассчитывать для параметра технологического процесса на год с момента внедрения мероприятия.

Составляющие текущих затрат могут существенно изменяться в течение года из-за инфляции. В этом случае необходимо определить коэффициент индексации Ки, на который умножаются годовые текущие затраты.

Таким образом, текущие годовые затраты на метрологическое обслуживание средств измерений с учетом инфляции определяются следующим образом

где: Киi - коэффициент индексации i-ой составляющей текущих годовых затрат на метрологическое обслуживание;

q - число составляющих текущих затрат;

Змотi - составляющая текущих годовых затрат на метрологическое обслуживание средств измерений без учета инфляции.

Для экономического обоснования мероприятий по повышению точности измерений необходимо оценивать не только затраты на измерения и метрологическое обслуживание средств измерений, но и иметь представление о размерах потерь из-за погрешности измерений.

Анализ и оценивание потерь из-за погрешности измерений является весьма непростой задачей. Такая работа должна выполняться в первую очередь для крупных технологических установок и объектов. При этом надо выделять наиболее важные параметры технологических процессов, они обычно составляют 7 - 10 % от всех измеряемых параметров.

Необходимо отметить, что прямое экспериментальное оценивание потерь из-за погрешности измерений практически невозможно. Основной причиной здесь является невозможность "чистого" эксперимента, когда потери в технологическом процессе вызываются только погрешностью измерений. Отделить такие потери от потерь, вызываемых причинами, не связанными с измерениями, практически невозможно. Поэтому оценивание потерь из-за погрешности измерений можно осуществить лишь аналитическими, расчетными методами, в т.ч. используя математические модели технологического процесса и процедур оптимизации его режима. Приемы аналитического оценивания потерь из-за погрешности измерений приведены в МИ 2179-91.

Оценки потерь необходимо выполнить для двух-трех практически реализуемых вариантов. Вариант с наименьшими метрологическими издержками (наименьшей суммой затрат на измерения и метрологическое обслуживание средств измерений, а также потерь из-за погрешности измерений в течение расчетного периода) будет считаться экономически целесообразным.

Если потери из-за погрешности измерений вызываются отклонениями от оптимального режима технологического процесса и в затратах на измерения и метрологическое обслуживание превалирует стоимость средств измерений, то нет необходимости в экономических оценках нескольких вариантов мероприятий. Достаточно оценить затраты на измерения и метрологическое обслуживание средств измерений и потери из-за погрешности измерений в течение расчетного периода для одного варианта. Далее можно принять, что суммарные затраты на измерения и метрологическое обслуживание средств измерений обратно пропорциональны погрешности измерений d, а потери связаны с погрешностью измерений квадратичной зависимостью.

Если определены потери П1 для СКО погрешности измерений s1 какого-то варианта измерений параметра, то для других значений s1 потери могут быть вычислены из выражения:

Минимальная сумма затрат и потерь (минимальные метрологические издержки)  будет соответствовать оптимальной предельной погрешности измерений dопт. Зная оптимальную предельную погрешность измерений можно выбрать соответствующее средство измерений или реализовать то или иное мероприятие, максимально приближающее точность измерений к оптимальной, не делая каких-либо других экономических оценок. Этот вариант будет экономически целесообразным.

Приложение 1

Пример составляющей погрешности измерений, вызванной неадекватностью модели реальному объекту.

Степень прочности соединения вала и втулки (плотность их соединения) зависит от действительных размеров их поперечного сечения. Внутренняя поверхность втулки и наружная поверхность вала формируются в результате механической обработки, поэтому их поперечные сечения не в полной мере соответствуют поперечным сечениям строго цилиндрических тел (из-за овальности, волнистости и т.п. факторов).

Для обеспечения необходимой прочности соединения следовало бы путем измерений диаметров в нескольких направлениях определять средние диаметры вала и втулки. Вместе с тем, для упрощения процедуры измерения их сочленяемые поверхности принимаются строго цилиндрическими (модель объекта измерений), а в качестве измеряемых величин в поперечных сечениях - диаметр вписанной окружности втулки и диаметр описанной окружности вала. Если измерения выполняются с целью обеспечения прочности соединения, то такая модель объекта измерений приводит к соответствующей методической составляющей погрешности измерений (из-за разниц между диаметром описанной окружности вала и его средним диаметром, диаметром вписанной окружности втулки и ее средним диаметром).

Приложение 2

Пример реализации тестового метода повышения точности измерений

Статическую функцию преобразования (СФП) средства измерений можно представить в виде полинома

где: Y - выходная величина; А1, А2, ..., Аn - параметры СФП; X - измеряемая величина.

Номинальная СФП может быть выражена следующим образом:

где А, А, ..., Аnн - номинальные значения параметров СФП.

В реальных условиях эксплуатации средства намерений значения параметров СФП отличаются от своих номинальных значений вследствие воздействия различных внешних факторов, старения элементов и т.п. Поэтому для реальных условий эксплуатации СФП выражается следующим образом:

Приведенная к выходу погрешность средств измерений:

где: Dаii (t) - Аiн.

Процесс измерений состоит из n + 1 тактов. В первом (основном) такте преобразуется измеряемая величина, а в n других, (дополнительных) тактах преобразуются тесты  каждый из которых является некоторой функцией измеряемой величины. Результаты основного и дополнительных тактовых преобразований Y1, Y2, ... Yn в виде полинома могут быть представлены следующим образом:

 - (основной)

 - (дополнительный)

……………………………………………

 - (дополнительный)

Для того, чтобы получить тестовый алгоритм повышения точности измерений, необходимо сначала определить реальные параметры А1, А2, ... Аn СФП исходного средства измерений из системы уравнений дополнительных тактовых преобразований (Y1, Y2, ... Yn), а затем найти значение измеряемой величины из основного уравнения (Y0) при подстановке в него текущих значений А1, А2, ... Аn.

Пример реализации тестового метода повышения точности измерений, выполняемых средствами измерений с линейной СФП, имеющей вид:

.

Алгоритм, реализующий тестовый метод повышения точности измерений при линейной аппроксимации СФП, получается подстановкой в систему уравнений, приведенных выше, n = 2:

На рис. 1 приведена структурная схема измерительной системы (ИС), позволяющая реализовать этот алгоритм путем использования одного мультипликативного и одного аддитивного тестов. ИС состоит из блока аддитивных тестов (БАТ), блока мультипликативных тестов (БМТ) и измерительного преобразователя ИП и вычислительного устройства ВУ.

Рис. 1

Процесс измерения состоит из трех тактов. В первом такте ключи Кл1 и Кл2 разомкнуты и на вход ИП подается измеряемая величина.

Во втором такте ключ Кл1 замыкается и на вход ИП поступает аддитивный тест X + Q, формируемый БАТ. В третьем такте ключ Кл1 размыкается, а ключ Кл2 замыкается, обеспечивая подключение ко входу ИП мультипликативного теста вида Х + К * Х = (1 + К) * Х, формируемого БМТ. Если подставить в приведенное выше выражение Y0 значения А1(Х) = X + Q и А2(Х) = (1 + К) * Х, то получим выражение, которое должно быть реализовано вычислительным устройством ВУ:

Как видно из полученного выражения, точность результата измерений не зависит от неизвестных параметров А1 и А2 СФП исходного ИП и практически определяется точностью параметров аддитивного и мультипликативного тестов Q и К, БАТ и БМТ.

Приложение 3

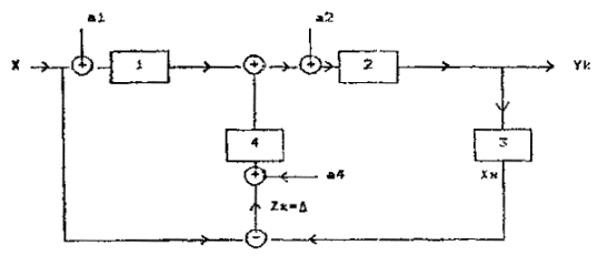
Пример использования метода обратного преобразования для повышения точности измерительного усилителя

Линейный измерительный усилитель состоит из последовательного соединения двух линейных каскадов 1 и 2 (рис. 2), коэффициенты усиления которых равны К1 и К2. В схеме имеется обратный преобразователь 3 (им может быть делитель напряжения).

Рис. 2

Номинальная характеристика преобразования усилителя имеет вид:

где Кн = К * К; К, К - номинальные значения коэффициентов усиления К1 и К2 соответственно.

Приведенная ко входу абсолютная погрешность скорректированного усилителя приближенно равна

где а1, а2, а4 - аддитивные шумы, приведенные ко входам соответствующих каскадов;

 - относительная погрешность коэффициента усиления;

К4 - коэффициент усиления усилителя 4 корректирующего сигнала.

Из этой формулы видно, что для существенного уменьшения погрешности, обусловленной свойствами корректирующего усилителя, необходимо выбирать К4 >> К1. Тогда абсолютная погрешность скорректированного усилителя приближенно равна:

Отсюда, в частности, следует, что к точности и стабильности К4 жесткие требования можно не предъявлять, но аддитивная погрешность усилителя корректирующего сигнала, приведенная к его входу, должна быть весьма малой.

Приложение 4

Пример использования информационной избыточности для повышения точности измерений расхода газа, потребляемого предприятием

Схема измерений расхода газа на предприятии приведена на рис 3.

Рис. 3

При измерениях расходов газа всеми потребителями на предприятии (расходы Q1, Q2, Q3) измерение общего расхода Qо может не производиться. Он определяется суммой Q1 + Q2 + Q3. Если расходомеры одинакового класса точности, то эта сумма расходов определяется более точно, чем результаты измерений расхода Qо на входе предприятия.

При измерении расхода газа на входе предприятия общий расход газа, поступающего на предприятие, может быть также определен путем вычислений полусуммы 0,5 (Q1 + Q2 +Q3 + Qо). Этот результат получается более точным по сравнению с точностью намерений Qо на входе предприятия и суммой Q1 + Q2 + Q3.

Для отыскания поправочных коэффициентов к показаниям расходомеров можно составить уравнения баланса. Предположим, что по данным измерений расходов в разные моменты времени или в результате усреднения расходов на определенных интервалах времени составлена система уравнений вида:

где y0 - поправочный коэффициент к показаниям расходомера на входе предприятия;

у1, у2, у3 - поправочные коэффициенты к показаниям расходомеров каждого из трех потребителей газа;

Q - расход газа, измеренный расходомером, определяемый первым индексом при Q, за интервал времени, определяемый вторым индексом (например, первое уравнение баланса составлено на основании данных за январь, второе, третье и четвертое - соответственно за февраль, март и апрель).

Решив систему уравнений, можно определить значения поправочных коэффициентов.

Этот метод повышения точности измерений эффективен только при весьма незначительном вкладе в суммарную погрешность случайных составляющих.

Кроме того, следует иметь в виду, что необходимо знать поправочный коэффициент хотя бы для одного канала измерений расхода. Это условие выполняется, если в одном из каналов используется расходомер, погрешность которого существенно меньше погрешности остальных расходомеров, и при решении системы уравнений можно принять поправочный коэффициент для его показаний равным 1.

Приложение 5

Типичные варианты измерений технологических параметров и расчет соответствующих единовременных затрат на измерения

А) В простейшем случае параметр технологического процесса измеряется одним средством измерений или одним комплектом средств измерений, которые не используются для измерений других параметров или для выполнения неизмерительных функций. В этом случае единовременные затраты на измерения одного параметра вычисляются следующим образом:

где: Зеи - составляющая единовременных затрат на измерения; k - число составляющих единовременных затрат на измерения.

Б) Для измерения параметра используется датчик и многоканальный автоматический прибор (либо "центральная" часть АСУ ТП - от устройства связи с объектом до экрана дисплея или принтера). В этом случае единовременные затраты на измерения одного параметра вычисляются следующим образом:

где: Зеиi - составляющая единовременных затрат на датчик и другие компоненты измерительного канала, присущие только измеряемому параметру (нормирующий преобразователь, нагрузочное сопротивление и т.п.);

Зеиj - составляющая единовременных затрат на многоканальный автоматический прибор (компонент "центральной" части АСУ ТП - коммутатор, АЦП, процессор и т.п.);

р - число компонентов измерительного канала, присущих только измеряемому параметру;

r - число компонентов "центральной" части измерительного канала;

n - число каналов многоканального прибора ("центральной" части АСУ ТП).

В) Параметр технологического процесса определяется как среднее или суммарное значение по результатам измерений в "m" точках (например, среднее значение температуры в помещении - рис. 4).

Рис. 4

В этом случае единовременные затраты на измерения одного параметра вычисляются следующим образом:

где: m - число точек (однотипных параллельных ветвей), по результатам измерений, в которых определяется среднее или суммарное значение параметра;

Зеиi - единовременные затраты на измерения, приходящиеся на одно средство измерений или техническое средство в параллельной ветви (например, затраты на приобретение и монтаж термопары TП);

Зеиj - единовременные затраты на измерения, приходящиеся на одно средство измерений или техническое средство в общей ветви (например, затраты на приобретение и монтаж милливольтметра MB);

h - число компонентов в параллельной ветви (например, 3 - термопара TП, удлиняющие компенсационные провода УП, измерительный преобразователь ИП);

k - число компонентов в общей ветви (например, 2 - переключатель П и милливольтметр MB);

Г) Параметр технологического процесса измеряется с помощью нескольких измерительных каналов (например, приведенные к нормальным условиям значения расхода природного газа вычисляются по результатам измерений расхода, абсолютного давления, температуры и плотности природного газа). В этом случае единовременные затраты на измерение одного параметра вычисляются следующим образом:

где: r - число измерительных каналов, с помощью которых измеряется данный параметр (в данном примере r = 4, в простейшем случае r = 1);

s - число компонентов в 1-ом измерительном канале, используемом для измерения данного параметра;

Зej - единовременные затраты на j-ый компонент;

Зеву - единовременные затраты на вычислительное устройство и программное обеспечение;

n - общее число «входов» вычислительного устройства (общее число обрабатываемых сигналов). Например, для некоторых составных тепломеров применяются вычислители, имеющие входы для нескольких комплектов средств измерений перепада температур и расхода теплоносителей.

Д) В составе измерительного канала для измерений одного параметра технологического процесса имеются компоненты вычислительного комплекса АСУ ТП. В этом случае необходимо иметь в виду, что вычислительный комплекс АСУ ТП используется не только для измерений, но и для реализации других функций (прогноз, диагностика, задание уставок, регулирование и т.п.). Включать все единовременные затраты, связанные с вычислительным комплексом в единовременные затраты на измерения было бы неверно. В таких случаях целесообразно вычислить коэффициент S, который определяет долю затрат на измерения в общих затратах (в единовременных затратах на вычислительное устройство АСУ ТП).

где: m - общее число параметров, для измерений которых используется вычислительное устройство; n - число неизмерительных функций, для реализации которых используется вычислительное устройство.

Таким образом, единовременные затраты на вычислительное устройство, приходящееся на один параметр технологического процесса, равны:

СОДЕРЖАНИЕ

1. Общие положения. 1

2. Анализ измерительной задачи и целей измерений. 2

3. Анализ результатов оценивания погрешности измерений. 2

4. Основные способы и методы повышения точности измерений. 2

5. Экономическое обоснование мероприятий по повышению точности измерений. 7

Приложение 1 Пример составляющей погрешности измерений, вызванной неадекватностью модели реальному объекту. 10

Приложение 2 Пример реализации тестового метода повышения точности измерений. 11

Приложение 3 Пример использования метода обратного преобразования для повышения точности измерительного усилителя. 12

Приложение 4 Пример использования информационной избыточности для повышения точности измерений расхода газа, потребляемого предприятием.. 13

Приложение 5 Типичные варианты измерений технологических параметров и расчет соответствующих единовременных затрат на измерения. 14

 




Яндекс цитирования



   Copyright © 2007-2026,  www.tehlit.ru.

[ ѓосты, стандарты, нормативы, инструкции, правила, строительные нормы ]