//
ТехЛит.ру
- крупнейшая бесплатная электронная интернет библиотека для "технически умных" людей.
WWW.TEHLIT.RU - ТЕХНИЧЕСКАЯ ЛИТЕРАТУРА

:: Алготрейдинг::


АЛГОТРЕЙДИНГ
шаг за шагом
с нуля по урокам!

Торговые роботы на PYTHON, BackTrader,
Pandas, Pine Script для TradingView. Связка с брокерами, телеграм и легкими приложениями.


ГОСУДАРСТВЕННЫЙ СТАНДАРТ СОЮЗА ССР

ЕДИНАЯ СИСТЕМА ТЕХНОЛОГИЧЕСКОЙ ДОКУМЕНТАЦИИ

ОПОРЫ, ЗАЖИМЫ
И УСТАНОВОЧНЫЕ УСТРОЙСТВА.
ГРАФИЧЕСКИЕ ОБОЗНАЧЕНИЯ

ГОСТ 3.1107-81
(CT СЭВ 1803-79)

ГОСУДАРСТВЕННЫЙ СТАНДАРТ СОЮЗА ССР

Единая система технологической документации

ОПОРЫ, ЗАЖИМЫ
И УСТАНОВОЧНЫЕ УСТРОЙСТВА.
ГРАФИЧЕСКИЕ
ОБОЗНАЧЕНИЯ

Unified system for technological documentation.
Bases, clamps and installing arrangements.
Symbolic representation

ГОСТ
3.1107-81

(CT СЭВ 1803-79)

Взамен
ГОСТ 3.1107
-73

Постановлением Государственного комитета СССР по стандартам от 31 декабря 1981 г. № 5943 срок введения установлен

с 01.07.82

1. Настоящий стандарт устанавливает графические обозначения опор, зажимов и установочных устройств, применяемых в технологической документации.

Стандарт полностью соответствует СТ СЭВ 1803-79.

2. Для изображения обозначения опор, зажимов и установочных устройств следует применять сплошную тонкую линию по ГОСТ 2.303-68.

3. Обозначения опор (условные) приведены в табл. 1.

Таблица 1

Наименование опоры

Обозначение опоры на видах

спереди, сзади

сверху

снизу

1. Неподвижная

2. Подвижная

3. Плавающая

4. Регулируемая

4. Допускается обозначение подвижной, плавающей и регулируемой опор на видах сверху и снизу изображать, как обозначение неподвижной опоры на аналогичных видах.

5. Обозначения зажимов приведены в табл. 2.

6. Обозначение двойного зажима на виде спереди или сзади при совпадении точек приложения силы, допускается изображать как обозначение одиночного зажима на аналогичных видах.

7. Обозначения установочных устройств приведены в табл. 3.

Таблица 2

Наименование зажима

Обозначение зажима на видах

спереди, сзади

сверху

снизу

1. Одиночный

2. Двойной

Примечание. Для двойных зажимов длина плеча устанавливается разработчиком в зависимости от расстояния между точками приложения сил. Допускается упрощенное графическое обозначение двойного зажима: .

8. Установочно-зажимные устройства следует обозначать так сочетание обозначений установочных устройств и зажимов (справочное приложение 2).

Примечание. Для цанговых оправок (патронов) следует применять обозначение - .

9. Допускается обозначение опор и установочных устройств, кроме центров, наносить на выносных линиях, соответствующих поверхностей (справочные приложения 1 и 2).

10. Для указания формы рабочей поверхности опор, зажимов и установочных устройств следует применять обозначения в соответствии с табл. 4.

11. Обозначение форм рабочих поверхностей наносят слева от обозначения опоры, зажима или установочного устройства (справочные приложения 1 и 2).

12. Для указания рельефа рабочих поверхностей (рифленая, резьбовая, шлицевая и т.д.) опор, зажимов и установочных устройств следует применять обозначение в соответствии с чертежом.

Таблица 3

Наименование установочного устройства

Обозначение установочного устройства на видах

спереди, сзади, сверху снизу

слева

справа

1. Центр неподвижный

Без обозначения

Без обозначения

2. Центр вращающийся

То же

То же

3. Центр плавающий

»

»

4. Оправка цилиндрическая

5. Оправка шариковая (роликовая)

6. Патрон поводковый

Примечания:

1. Обозначение обратных центров следует выполнять в зеркальном изображении.

2. Для базовых установочных поверхностей допускается применять обозначение - .

Таблица 4

Наименование формы рабочей поверхности

Обозначение формы рабочей поверхности на всех видах

1. Плоская

2. Сферическая

3. Цилиндрическая (шариковая)

4. Призматическая

5. Коническая

6. Ромбическая

7. Трехгранная

Примечание. Указание прочих форм рабочей поверхности опор, зажимов и установочных устройств следует выполнять в соответствии с требованиями, установленными отраслевыми НТД.

13. Обозначение рельефа рабочей поверхности наносят на обозначение соответствующей опоры зажима или установочного устройства (справочное приложение 1).

14. Для указания устройств зажимов следует применять обозначения в соответствии с табл. 5.

Таблица 5

Наименование устройства зажима

Обозначение устройства зажима на всех видах

1. Пневматическое

Р

2. Гидравлическое

Н

3. Электрическое

Е

4. Магнитное

М

5. Электромагнитное

ЕМ

6. Прочее

Без обозначения

15. Обозначение видов устройств зажимов наносят слева от обозначения зажимов (справочные приложения 1 и 2).

Примечание. Для гидропластовых оправок допускается применять обозначение - .

16. Количество точек приложения силы зажима к изделию, при необходимости, следует записывать справа от обозначения зажима (справочное приложение 2, поз. 3).

17. На схемах, имеющих несколько проекций, допускается на отдельных проекциях не указывать обозначения опор, зажимов и установочных устройств относительно изделия, если их положение однозначно определяется на одной проекции (справочное приложение 2, поз. 2).

18. На схемах допускается несколько обозначений одноименных опор на каждом виде заменять одним, с обозначением их количества (справочное приложение 2, поз. 2).

19. Допускаются отклонения от размеров графических обозначений, указанных в табл. 1-4 и на чертеже.

ПРИЛОЖЕНИЕ 1

Справочное

Примеры нанесения обозначений опор, зажимов и установочных устройств на схемах

Наименование

Примеры нанесения обозначений опор, зажимов и установочных устройств

1. Центр неподвижный (гладкий)

2. Центр рифленый

3. Центр плавающий

4. Центр вращающийся

5. Центр обратный вращающийся с рифленой поверхностью

6. Патрон поводковый

7. Люнет подвижный

8. Люнет неподвижный

9. Оправка цилиндрическая

10. Оправка коническая, роликовая

11. Оправка резьбовая, цилиндрическая с наружной резьбой

12. Оправка шлицевая

13. Оправка цанговая

14. Опора, регулируемая со сферической выпуклой рабочей поверхностью

15. Зажим пневматический с цилиндрической рифленой рабочей поверхностью

ПРИЛОЖЕНИЕ 2

Справочное

Примеры схем установов изделий

Описание способа установа

Схема обозначения

1. В тисках с призматическими губками и пневматическим зажимом

2. В кондукторе с центрированием на цилиндрический палец, с упором на три неподвижные опоры и с применением электрического устройства двойного зажима, имеющего сферические рабочие поверхности

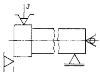
3. В трехкулачковом патроне с механическим устройством зажима, с упором в торец, с поджимом вращающимся центром и с креплением в подвижном люнете

4. На конической оправке с гидропластовым устройством зажима, с упором в торец на рифленую поверхность и с поджимом вращающимся центром

 




Яндекс цитирования



   Copyright © 2007-2026,  www.tehlit.ru.

[ ѓосты, стандарты, нормативы, инструкции, правила, строительные нормы ]