//
ТехЛит.ру
- крупнейшая бесплатная электронная интернет библиотека для "технически умных" людей.
WWW.TEHLIT.RU - ТЕХНИЧЕСКАЯ ЛИТЕРАТУРА

:: Алготрейдинг::


АЛГОТРЕЙДИНГ
шаг за шагом
с нуля по урокам!

Торговые роботы на PYTHON, BackTrader,
Pandas, Pine Script для TradingView. Связка с брокерами, телеграм и легкими приложениями.


МЕЖГОСУДАРСТВЕННЫЙ СТАНДАРТ

ГАЙКИ ШЕСТИГРАННЫЕ С УМЕНЬШЕННЫМ РАЗМЕРОМ «ПОД КЛЮЧ» С ДИАМЕТРОМ РЕЗЬБЫ СВЫШЕ 48 мм (КЛАСС ТОЧНОСТИ А)

ГОСТ
10608-72

Взамен
ГОСТ 10608-63

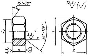
Конструкция и размеры

Hexagon nuts with reduced width across flat with thread diameter over 48 mm (Product grade A). Design and dimensions

Постановлением Государственного комитета стандартов Совета Министров СССР от 12 сентября 1972 г. № 1709 дата введения установлена

01.01.74

Ограничение срока действия снято по протоколу № 5-94 Межгосударственного совета по стандартизации, метрологии и сертификации (ИУС 11-12-94)

Издание 2006 г. с Изменениями № 1, 2, утвержденными в июне 1980 г., декабре 1986 г. (ИУС 9-80, 4-87).

1. Настоящий стандарт распространяется на шестигранные гайки общего назначения с уменьшенным размером «под ключ» класса точности А с диаметром резьбы свыше 48 мм.

(Измененная редакция, Изм. № 2).

2. Конструкция и размеры гаек должны соответствовать указанным на чертеже и в таблице.

мм

Номинальный диаметр резьбы d

(52)

56

64

72

(76)

80

90

100

110

125

140

160

dw, не менее

66,1

70,8

79,9

89,4

94,2

88,9

108,4

122,6

136,8

146,3

170,0

198,4

Шаг резьбы

крупный

5,0

5,5

6,0

 

 

 

 

 

 

 

 

 

мелкий

3,0

4,0

6,0 и 4,0

Размер «под ключ» S (пред. откл. при S ≤ 80 мм по h13, при S > 80 мм по h14)

70

75

85

95

100

105

115

130

145

155

180

210

Высота m (пред. откл. по h14)

40

44

50

55

60

62

70

78

85

98

110

120

Диаметр описанной окружности e, не менее

78,6

84,3

95,1

106,4

112,0

117,7

129,0

145,8

162,7

174,0

202,3

236,0

Примечание. Размеры гаек, заключенные в скобки, применять не рекомендуется.

Пример условного обозначения гайки диаметром резьбы d = 56 мм, с крупным шагом резьбы с полем допуска 6Н, из материала группы 02, без покрытия:

Гайка М56 - 6Н.02 ГОСТ 10608-72

То же, с мелким шагом резьбы с полем допуска 6Н, из материала группы 07, с покрытием 01 толщиной 9 мкм:

Гайка М56×4 - 6Н.07.019 ГОСТ 10608-72

(Измененная редакция, Изм. № 1, 2).

3. (Исключен, Изм. № 2).

4. Технические требования - по ГОСТ 18126-94.

5. Теоретическая масса гаек указана в приложении 1.

6. (Исключен, Изм. № 2).

ПРИЛОЖЕНИЕ 1

Справочное

Шаг резьбы, мм

Теоретическая масса гайки, кг ≈, при номинальном диаметре резьбы d, мм

(52)

56

64

72

(76)

80

90

100

110

125

140

150

Крупный - 5,0; 5,5 и 6,0

0,74

0,93

1,34

-

-

-

-

-

-

-

-

-

Мелкий - 3,0 и 4,0

0,72

0,91

1,30

1,74

2,09

2,36

3,00

4,40

6,11

6,96

11,40

17,60

Мелкий - 6,0

-

-

-

1,80

2,16

2,44

3,10

4,52

6,25

7,15

11,70

17,90

ПРИЛОЖЕНИЕ 2. (Исключено, Изм. № 2).




Яндекс цитирования



   Copyright © 2007-2026,  www.tehlit.ru.

[ ѓосты, стандарты, нормативы, инструкции, правила, строительные нормы ]