|
| |
ГОСТ 12460-67
МЕЖГОСУДАРСТВЕННЫЙ СТАНДАРТ
ГАЙКИ С КОНТРЯЩИМ ВИНТОМ
КОНСТРУКЦИЯ
ИПК ИЗДАТЕЛЬСТВО СТАНДАРТОВ
Москва
МЕЖГОСУДАРСТВЕННЫЙ СТАНДАРТ
|
ГАЙКИ С КОНТРЯЩИМ ВИНТОМ
Конструкция
Nuts with lock screws.
Design
|
ГОСТ
12460-67*
Взамен MH 5433-64
|
Утвержден
Комитетом стандартов, мер и измерительных
приборов при Совете Министров
СССР 3 января 1967г. Дата введения установлена
01.07.67
Постановлением
Госстандарта СССР от 17.03.88 № 567 снято ограничение срока действия
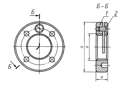
1. Конструкция и размеры гаек с контрящим
винтом должны соответствовать черт. 1 и табл. 1.

Черт. 1
Таблица 1
Размеры, мм
|
Обозначения гаек
|
Применяемость
|
d
|
D
|
Н
|
Масса, кг, не более
|
Деталь 1. Гайка
|
Деталь 2. Винт ГОСТ
17475-80
|
|
Количество
|
|
1
|
1
|
|
Обозначения деталей
|
|
7003-0131
|
|
М12 × 1,25
|
36
|
10
|
0,072
|
7003-0131/001
|
B.M4-6g
× 8.66.05
|
|
0132
|
|
М14 × 1,5
|
38
|
0,077
|
0132/001
|
|
0133
|
|
М16 × 1,5
|
40
|
0,083
|
0133/001
|
|
0134
|
|
М18 × 1,5
|
42
|
0,089
|
0134/001
|
|
0135
|
|
М20 × 1,5
|
44
|
0,095
|
0135/001
|
|
0136
|
|
М22 х1,5
|
46
|
0,101
|
0136/001
|
|
0137
|
|
М24 × 1,5
|
48
|
0,107
|
0137/001
|
|
0138
|
|
М27 × 1,5
|
52
|
0,122
|
0138/001
|
|
0139
|
|
М30 × 1,5
|
57
|
12
|
0,175
|
0139/001
|
B.M5-6g
× 10.66.05
|
|
0140
|
|
М33 × 1,5
|
60
|
0,187
|
0140/001
|
|
0141
|
|
М36 × 1,5
|
64
|
0,209
|
0141/001
|
|
0142
|
|
М39 × 1,5
|
67
|
0,218
|
0142/001
|
|
0143
|
|
М42 × 1,5
|
70
|
0,234
|
0143/001
|
|
0144
|
|
М45 × 1,5
|
75
|
0,268
|
0144/001
|
|
0145
|
|
М48 × 1,5
|
75
|
0,247
|
0145/001
|
|
0146
|
|
М52 × 1,5
|
80
|
0,275
|
0146/001
|
|
0147
|
|
М56 × 2
|
90
|
16
|
0,492
|
0147/001
|
B.M6-6g × 14.66.05
|
|
0148
|
|
М60 × 2
|
95
|
0,548
|
0148/001
|
|
0149
|
|
М64 × 2
|
98
|
0,546
|
0149/001
|
|
0150
|
|
М68 × 2
|
100
|
0,533
|
0150/001
|
|
0151
|
|
М72 × 2
|
105
|
0,579
|
0151/001
|
|
0152
|
|
М76 × 2
|
ПО
|
0,626
|
0152/001
|
|
0153
|
|
М80 × 2
|
122
|
18
|
0,947
|
0153/001
|
B.M8-6g
× 16.66.05
|
|
0154
|
|
М85 × 2
|
126
|
0,966
|
0154/001
|
|
0155
|
|
М90 × 2
|
132
|
1,039
|
0155/001
|
|
0156
|
|
М95 × 2
|
137
|
1,081
|
0156/001
|
|
7003-0157
|
|
М100 × 2
|
142
|
1,133
|
7003-0157/001
|
Пример
условного обозначения гайки с контрящим винтом
диаметром резьбы d = M12 × 1,25:
Гайка 7003-0131 ГОСТ 12460-67
(Измененная редакция, Изм. № 1, 2).
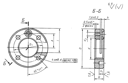
1a. Конструкция и
размеры гайки (деталь 2) должны соответствовать черт. 2 и табл. 2.

Черт. 2
Таблица 1
Размеры, мм
|
Обозначения гаек
|
d
|
D (поле допуска h13)
|
D1
|
H
|
d1(поле допуска
Н12)
|
d2
|
А
|
l
|
h
|
h1
|
Масса, кг, не более
|
|
7003-0131/001
|
М12 × 1,25
|
36
|
24
|
10
|
3,5
|
М4
|
12,0
|
20
|
2,5
|
5,0
|
0,071
|
|
0132/001
|
М14 × 1,5
|
38
|
13,0
|
22
|
0,077
|
|
0133/001
|
М16 × 1,5
|
40
|
27
|
14,0
|
24
|
0,082
|
|
0134/001
|
М18 × 1,5
|
42
|
30
|
15,0
|
24
|
0,088
|
|
0135/001
|
М20 × 1,5
|
44
|
34
|
4,0
|
16,0
|
26
|
0,094
|
|
0136/001
|
М22 × 1,5
|
46
|
17,0
|
27
|
0,101
|
|
0137/001
|
М24 × 1,5
|
48
|
18,0
|
30
|
0,106
|
|
0138/001
|
М27 × 1,5
|
52
|
38
|
4,5
|
20,0
|
32
|
6,5
|
0,122
|
|
0139/001
|
М30 × 1,5
|
57
|
42
|
12
|
М5
|
22,0
|
35
|
3,0
|
7,0
|
0,173
|
|
0140/001
|
М33 × 1,5
|
60
|
48
|
23,5
|
36
|
0,185
|
|
0141/001
|
М36 × 1,5
|
64
|
25,0
|
38
|
0,207
|
|
0142/001
|
М39 × 1,5
|
67
|
56
|
6,0
|
26,5
|
40
|
0,216
|
|
0143/001
|
М42 × 1,5
|
70
|
28,0
|
42
|
0,232
|
|
0144/001
|
М45 × 1,5
|
75
|
64
|
30,0
|
45
|
0,260
|
|
0145/001
|
М48 × 1,5
|
75
|
30,0
|
45
|
0,245
|
|
7003-0146/001
|
М52 × 1,5
|
80
|
33,0
|
48
|
0,273
|
|
7003-0147/001
|
М56 × 2
|
90
|
72
|
16
|
8,0
|
М6
|
36,5
|
53
|
4,0
|
7,0
|
0,489
|
|
0148/001
|
М60 × 2
|
95
|
80
|
39,0
|
57
|
8,0
|
0,545
|
|
0149/001
|
М64 × 2
|
98
|
41,0
|
60
|
0,543
|
|
0150/001
|
М68 × 2
|
100
|
42,0
|
|
0,530
|
|
0151/001
|
М72 × 2
|
105
|
90
|
9,0
|
44,0
|
63
|
11
|
0,576
|
|
0152/001
|
М76 × 2
|
110
|
47,0
|
65
|
|
0,623
|
|
0153/001
|
М80 × 2
|
122
|
100
|
18
|
М8
|
51,0
|
71
|
5,0
|
0,941
|
|
0154/001
|
М85 × 2
|
126
|
110
|
53,0
|
73
|
0,960
|
|
0155/001
|
М90 × 2
|
132
|
55,0
|
76
|
6,0
|
1,035
|
|
0156/001
|
М95 × 2
|
137
|
120
|
58,0
|
80
|
1,143
|
|
7003-0157/001
|
М100 × 2
|
142
|
60,5
|
82
|
1,127
|
Пример
условного обозначения гайки размером d = М12 × 1,25:
Гайка 7003-0131/001 ГОСТ 12460-67
(Введен дополнительно, Изм. № 2).
2. Материал - сталь марки 45
по ГОСТ
1050-88. Допускается замена на стали других марок с механическими
свойствами не ниже, чем у стали марки 45.
3. Твердость - 32,0 . . . 36,5
HRCэ.
(Измененная редакция, Изм.
№ 2).
За. Сквозные отверстия под крепежные
детали - по ГОСТ 11284-75.
За. Опорные поверхности под крепежные
детали - по ГОСТ 12876-67.
За, 36. (Введены дополнительно, Изм. №
1).
4. Неуказанные предельные
отклонения размеров: Н14, hl4, ± 
(Измененная редакция, Изм. № 2).
5. Резьба метрическая - по ГОСТ
24705-81. Поле допуска резьбы 6Н по ГОСТ
16093-81.
(Измененная редакция, Изм. № 1, 2).
6. Размеры фасок для резьбы -
по ГОСТ
10549-80.
(Измененная редакция, Изм.
№ 1).
7. (Исключен,
Изм. № 1).
8. Покрытие - Хим. Окс. прм
(обозначение покрытия - по ГОСТ
9.306-85).
(Измененная редакция, Изм. № 2).
9. Остальные технические
требования - по ГОСТ 1759.0-87, ГОСТ
1759.1-82, ГОСТ 1759.3-83, 1759.5-87.
10. Упаковка и маркировка - по
ГОСТ
18160-72.
(Измененная редакция, Изм. № 1).
11. Пример применения гаек
указан в приложении.
(Введен дополнительно, Изм.
№ 2).

| |
|