//
ТехЛит.ру
- крупнейшая бесплатная электронная интернет библиотека для "технически умных" людей.
WWW.TEHLIT.RU - ТЕХНИЧЕСКАЯ ЛИТЕРАТУРА

:: Алготрейдинг::


АЛГОТРЕЙДИНГ
шаг за шагом
с нуля по урокам!

Торговые роботы на PYTHON, BackTrader,
Pandas, Pine Script для TradingView. Связка с брокерами, телеграм и легкими приложениями.


ГОСТ 12465-67

МЕЖГОСУДАРСТВЕННЫЙ СТАНДАРТ

ШТЫРИ УПОРНЫЕ

КОНСТРУКЦИЯ

ИПК ИЗДАТЕЛЬСТВО СТАНДАРТОВ

Москва

МЕЖГОСУДАРСТВЕННЫЙ СТАНДАРТ

ШТЫРИ УПОРНЫЕ

Конструкция

Stop pins. Design and sizes

ГОСТ

12465-67*

Взамен

MH 5413-64

Утвержден Комитетом стандартов, мер и измерительных приборов при Совете Министров СССР 3 января 1967г.

Срок введения установлен

с 01.07 1967г.

Постановлением Госстандарта СССР от 17.03.88 № 567 снято ограничение срока действия

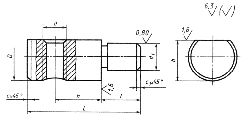
1. Конструкция и размеры упорных штырей должны соответствовать чертежу и таблице.

Размеры в мм

Обозначения штырей

Применяемость

d

h

L

D

d1 (поле допуска u8)

t

b

c

c1

Масса, кг

7009-063L

 

М4

6

20

10

6

8

8,5

1,0

0,6

0,007

0632

 

8

22

0,009

0633

 

10

24

0,010

0634

 

М6

10

26

12

8

10

10,5

0,015

0635

 

12

28

0,017

0636

 

16

30

0,018

0637

 

М8

12

32

16

10

12

14,0

0,031

0638

 

16

36

0,037

7009-0639

 

20

40

0,043

7009-0640

 

М10

16

42

20

12

16

17,0

1,6

1,0

0,062

0641

 

20

48

0,076

0642

 

25

52

0,085

0643

 

М12

16

48

25

16

20

21,0

0,110

0644

 

20

52

0,124

0645

 

25

58

0,145

0646

 

32

65

0,169

0647

 

М16

20

60

32

20

25

27,0

0,216

0648

 

25

65

0,244

0649

 

32

72

0,283

0650

 

40

80

0,328

0651

 

М20

25

75

40

25

32

33,0

2,5

1,6

0,402

0652

 

32

82

0,463

0653

 

40

90

0,541

0654

 

50

100

0,628

0655

 

М24

32

90

45

28

36

37,0

0,636

0656

 

40

100

0,745

0657

 

50

110

0,854

0658

 

М30

40

110

50

32

40

42,0

4,0

2,5

0,995

0659

 

50

120

1,134

0660

 

М36

50

130

60

36

45

50,0

1,632

7009-0661

 

60

140

1,829

Пример условного обозначения  упорного штыря размерами d - М4, h = 6 мм:

Штырь 7009-0631 ГОСТ 12465-67

(Измененная редакция, Изм. 2).

2. Материал - сталь марки 45 по ГОСТ 1050-88. Допускается замена на стали других марок с механическими свойствами не ниже, чем у стали марки 45.

(Измененная редакция, Изм. № 1).

3. Твердость - 30 ... 34 HRCэ.

4. Неуказанные предельные отклонения размеров:

3, 4. (Измененная редакция, Изм. 2).

5. Резьба метрическая - по ГОСТ 24705-81. Поле допуска резьбы - 6Н по ГОСТ 16093-81.

(Измененная редакция, Изм. № 1, 2).

6. Размеры фасок для резьбы - по ГОСТ 10549-80.

(Измененная редакция, Изм. 1).

7. Канавки для выхода шлифовального круга - по ГОСТ 8820-69

8. (Исключен, Изм. № 1).

9. Покрытие - Хим. Окс. прм (обозначение покрытия - по ГОСТ 9.306-85).

(Измененная редакция, Изм. 2).

10. Маркировать партию деталей одного типоразмера на таре или упаковке с указанием условного обозначения.

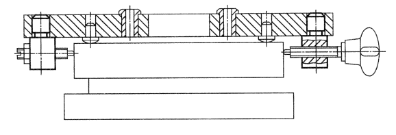
11. Пример применения штырей указан в приложении.

(Введен дополнительно, Изм. № 2).

ПРИЛОЖЕНИЕ
Справочное
ПРИМЕР ПРИМЕНЕНИЯ УПОРНЫХ ШТЫРЕЙ




Яндекс цитирования



   Copyright © 2007-2026,  www.tehlit.ru.

[ ѓосты, стандарты, нормативы, инструкции, правила, строительные нормы ]