//
ТехЛит.ру
- крупнейшая бесплатная электронная интернет библиотека для "технически умных" людей.
WWW.TEHLIT.RU - ТЕХНИЧЕСКАЯ ЛИТЕРАТУРА

:: Алготрейдинг::


АЛГОТРЕЙДИНГ
шаг за шагом
с нуля по урокам!

Торговые роботы на PYTHON, BackTrader,
Pandas, Pine Script для TradingView. Связка с брокерами, телеграм и легкими приложениями.


ГОСТ 12470-67

МЕЖГОСУДАРСТВЕННЫЙ СТАНДАРТ

ВИЛКИ С РЕЗЬБОВЫМ ОТВЕРСТИЕМ

КОНСТРУКЦИЯ

ИПК ИЗДАТЕЛЬСТВО СТАНДАРТОВ

Москва

МЕЖГОСУДАРСТВЕННЫЙ СТАНДАРТ

ВИЛКИ С РЕЗЬБОВЫМ ОТВЕРСТИЕМ

Конструкция

Forks with thread holes. Design

ГОСТ

12470-67*

Взамен

MH 5421-64

Утвержден Комитетом стандартов, мер и измерительных приборов при Совете Министров СССР 3 января 1967г. Срок введения установлен

с 01.07.67

Постановлением Госстандарта СССР от 17.03.88 № 568 снято ограничение срока действия

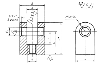
1. Конструкция и размеры вилок с резьбовым отверстием должны соответствовать чертежу и таблице.

*Размеры для справок.

Размеры в мм

Обозначение вилок

Применяемость

b (поле допуска Н11)

d

d1

(поле допуска Н7 или Н11)

В

S

h

l

H

Масса, кг

7018-0371

 

8

М6

6

16

14

16

10

23,0

0,021

0372

 

10

М8

8

20

16

20

12

28,0

0,036

0373

 

20

М10

32

25

33,0

0,067

0374

 

12

10

25

20

14

35,0

0,088

0375

 

25

М12

40

30

40,0

0,129

0376

 

16

12

32

25

32

18

44,5

0,149

0377

 

32

М16

50

40

52,5

0,267

0378

 

20

16

40

32

22

56,0

0,294

0379

 

40

М20

65

48

64,0

0,537

0380

 

25

М24

20

50

40

55

28

75,0

0,609

0381

 

50

80

60

80,0

1,030

0382

 

32

МЗО

25

65

50

70

34

95,0

1,290

7018-0383

 

40

М36

32

80

60

90

45

120,0

1,375

*В случае применения штифтов типа 1 по ГОСТ 3128-70-поле допуска отверстия d1 - К7. Соответственно в условном обозначении указывать поле допуска К7.

Пример условного обозначения вилки с резьбовым отверстием размерами d-M6, b=8мм, с полем допуска диаметра d1 - Н7:

Вилка 7018-0371 Н7ГОСТ12470-67

(Измененная редакция, Изм. 1, 2).

2. Материал - сталь марки 45 по ГОСТ 1050-88. Допускается замена на стали других марок с механическими свойствами не ниже, чем у стали марки 45.

3. Твердость - 35,0…39,5 HRCэ.

4. Неуказанные предельные отклонения размеров:

3,4. (Измененная редакция, Изм. № 2).

5. Резьба метрическая - по ГОСТ 24705-81. Поле допуска резьбы - 6Н по ГОСТ 16093-81.

(Измененная редакция, Изм. № 1, 2).

6. Размеры фасок для резьбы - по ГОСТ 10549-80.

(Измененная редакция, Изм. 1).

7. (Исключен, Изм. № 1).

8. Покрытие - Хим. Окс. прм (обозначение покрытия - по ГОСТ 9.306-85).

(Измененная редакция, Изм. № 2).

9. Маркировать партию деталей одного типоразмера на таре или упаковке с указанием условного обозначения.

(Измененная редакция, Изм. 1, 2).

10. Пример применения вилок указан в приложении.

(Введен дополнительно, Изм. № 2).

ПРИЛОЖЕНИЕ
Справочное
ПРИМЕР ПРИМЕНЕНИЯ ВИЛОК




Яндекс цитирования



   Copyright © 2007-2026,  www.tehlit.ru.

[ ѓосты, стандарты, нормативы, инструкции, правила, строительные нормы ]