//
ТехЛит.ру
- крупнейшая бесплатная электронная интернет библиотека для "технически умных" людей.
WWW.TEHLIT.RU - ТЕХНИЧЕСКАЯ ЛИТЕРАТУРА

:: Алготрейдинг::


АЛГОТРЕЙДИНГ
шаг за шагом
с нуля по урокам!

Торговые роботы на PYTHON, BackTrader,
Pandas, Pine Script для TradingView. Связка с брокерами, телеграм и легкими приложениями.


ГОСТ 12473-67

МЕЖГОСУДАРСТВЕННЫЙ СТАНДАРТ

РЫЧАГИ УГЛОВЫЕ ДВУХКУЛАЧКОВЫЕ

КОНСТРУКЦИЯ

ИПК ИЗДАТЕЛЬСТВО СТАНДАРТОВ

Москва

МЕЖГОСУДАРСТВЕННЫЙ СТАНДАРТ

РЫЧАГИ УГЛОВЫЕ ДВУХКУЛАЧКОВЫЕ

Конструкция

Levers cranked, two-cam. Design

ГОСТ

12473-67

Дата введения 01.07.67

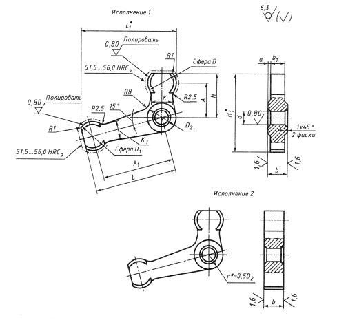
1. Конструкция и размеры угловых двухкулачковых рычагов должны соответствовать чертежу и таблице.

* Размер для справок.

Размеры, мм

Обозначения рычагов

Применяемость

Исполнение

А

А1

d*H7 или Н11

b d11

b1

Н

D d11

D1 d11

D2

L

а

k

k1

H1

L1

Mизг, H × (кгс × м), не более

Масса, кг

7018-0451

 

1

20

40

8

10

8

25

16

16

16

45

1,0

12

12

43

54

169,65 (17,3)

0,06

7018-0452

 

50

55

46

64

0,07

7018-0453

 

2

40

-

-

45

43

54

7018-0454

 

50

55

46

64

0,09

7018-0455

 

1

25

50

10

12

10

32

20

18

20

55

1,0

14

54

65

278,51 (28,4)

0,11

7018-0456

 

65

70

57

80

0,12

7018-0457

 

2

50

-

-

55

-

54

65

0,13

7018-0458

 

65

70

57

80

0,14

7018-0459

 

1

32

65

12

16

12

40

25

22

25

72

2,0

18

14

68

84

583,50 (59,5)

0,21

7018-0460

 

80

88

72

98

0,23

7018-0461

 

2

65

-

-

72

-

68

84

0,25

7018-0462

 

80

88

72

98

0,29

7018-0463

 

1

40

80

16

20

16

48

28

25

32

90

2,0

22

18

81

102

1126,78 (114,9)

0,41

7018-0464

 

100

110

86

122

0,47

7018-0465

 

2

80

-

-

90

-

81

102

0,49

7018-0466

 

100

110

86

122

0,57

7018-0467

 

1

50

100

20

25

20

60

36

32

40

110

2,5

28

22

100

127

2020,17 (206,0)

0,80

7018-0468

 

125

135

106

151

0,88

7018-0469

 

2

100

-

-

110

-

100

127

0,96

7018-0470

 

125

135

106

151

1,13

*В случае применения штифтов типа 1 по ГОСТ 3128 - поле допуска отверстия d - К7. Соответственно в условном обозначении указывать поле допуска К7.

Пример условного обозначения углового двухкулачкового рычага исполнения 1, размерами А = 20 мм, А1 = 40 мм, с полем допуска диаметра d - H7:

Рычаг 7018-0451 Н7 ГОСТ 12473-67

(Измененная редакция, Изм. 1, 2).

2. Материал - сталь марки 40Х по ГОСТ 4543. Допускается замена на стали других марок с механическими свойствами не ниже, чем у стали марки 40Х.

3. Угловые двухкулачковые рычаги исполнения 1 изготавливать методом прецизионного литья.

4. Литейные радиусы - 3мм.

5. Твердость 36,5 ... 41,5 HRCэ, кроме мест, обозначенных особо.

(Измененная редакция, Изм. 1, 2).

6. Неуказанные предельные отклонения размеров:

(Измененная редакция, Изм. № 2).

7. (Исключен, Изм. 1).

8. Покрытие - Хим. Окс. прм (обозначение покрытия - по ГОСТ 9.306-85).

9. Маркировать партию деталей одного типоразмера на таре или упаковке с указанием условного обозначения.

8, 9. (Измененная редакция, Изм. 2).

10. Пример применения угловых рычагов указан в приложении.

(Введен дополнительно, Изм. № 2).

ПРИЛОЖЕНИЕ
Справочное
ПРИМЕР ПРИМЕНЕНИЯ УГЛОВЫХ ДВУХКУЛАЧКОВЫХ РЫЧАГОВ

ИНФОРМАЦИОННЫЕ ДАННЫЕ

1. РАЗРАБОТАН И ВНЕСЕН Министерством тяжелого, энергетического и транспортного машиностроения СССР

Министерством станкостроительной и инструментальной промышленности СССР

РАЗРАБОТЧИКИ

В.В. Андреев; В.Н. Дзегиленок, канд. техн. наук; В.А. Петрова; К.И. Сокольский; А.З. Старосельский (руководитель темы); А.В. Хренова; Т.А. Шестакова

2. УТВЕРЖДЕН И ВВЕДЕН В ДЕЙСТВИЕ Постановлением Комитета стандартов, мер и измерительных приборов при Совете Министров СССР от 03.01.67 № 49

3. ССЫЛОЧНЫЕ НОРМАТИВНО-ТЕХНИЧЕСКИЕ ДОКУМЕНТЫ

Обозначение НТД, на который дана ссылка

Номер пункта

ГОСТ 9.306-85

ГОСТ 3128-70

ГОСТ 4543-71

8

1

2

4. Постановлением Госстандарта СССР от 17.03.88 № 568 снято ограничение срока действия

5. ПЕРЕИЗДАНИЕ (ноябрь 1999г.) с Изменениями 1, 2, утвержденными в июне 1980 г., марте 1988г. (ИУС 9-80, 6-88)




Яндекс цитирования



   Copyright © 2007-2026,  www.tehlit.ru.

[ ѓосты, стандарты, нормативы, инструкции, правила, строительные нормы ]