//
ТехЛит.ру
- крупнейшая бесплатная электронная интернет библиотека для "технически умных" людей.
WWW.TEHLIT.RU - ТЕХНИЧЕСКАЯ ЛИТЕРАТУРА

:: Алготрейдинг::


АЛГОТРЕЙДИНГ
шаг за шагом
с нуля по урокам!

Торговые роботы на PYTHON, BackTrader,
Pandas, Pine Script для TradingView. Связка с брокерами, телеграм и легкими приложениями.


ГОСТ 12476-67

МЕЖГОСУДАРСТВЕННЫЙ СТАНДАРТ

РЫЧАГИ ВИЛЬЧАТЫЕ

Конструкция

ИПК ИЗДАТЕЛЬСТВО СТАНДАРТОВ

Москва

МЕЖГОСУДАРСТВЕННЫЙ СТАНДАРТ

РЫЧАГИ ВИЛЬЧАТЫЕ

Конструкция

Fork levers. Design

ГОСТ

12476-67

Дата введения 01.07.67

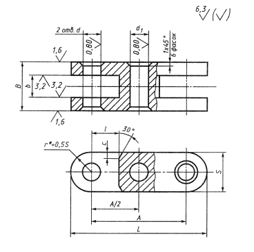
1. Конструкция и размеры вильчатых рычагов должны соответствовать чертежу и таблице.

* Размер для справок.

Размеры, мм

Обозначения рычагов

Применяемость

А

b Н11

d* Н7 или Н11

d1 Е8 или Н11

B d11

S

l

с

L

Масса, кг

7018-0511

 

40

10

8

8

20

16

12

2,5

56

0,069

7018-0512

 

50

66

0,094

7018-0513

 

12

10

10

25

20

16

3,0

70

0,135

7018-0514

 

60

80

0,174

7018-0515

 

16

12

12

32

25

20

4,0

85

0,254

7018-0516

 

80

105

0,380

7018-0517

 

100

125

0,515

7018-0518

 

80

20

16

16

40

32

25

5,0

112

0,550

7018-0519

 

100

132

0,751

7018-0520

 

125

157

1,002

7018-0521

 

100

25

20

20

50

40

30

6,0

140

1,095

7018-0522

 

125

165

1,487

7018-0523

 

160

200

2,036

* В случае применения штифтов типа 1 по ГОСТ 3128 - поле допуска отверстия d-K7. Соответственно в условном обозначении указывать поле допуска К7.

Пример условного обозначения вильчатого рычага размерами А-40мм, 6=10 мм, с полем допуска диаметров d и d1 - Н11:

Рычаг 7018-0511 ГОСТ 12476-67

То же, с полями допусков диаметра d - H7, d1 - E8:

Рычаг 7018-0511 Н7 Е8 ГОСТ 12476-67

(Измененная редакция, Изм. 1, 2).

2. Материал - сталь марки 45 по ГОСТ 1050. Допускается замена на стали других марок с механическими свойствами не ниже, чем у стали марки 45.

3. Твердость - 36,5...41,5 HRCэ.

4. Неуказанные предельные отклонения размеров:

3, 4. (Измененная редакция, Изм. № 2).

5. (Исключен, Изм. 1).

6. Покрытие - Хим. Окс. прм (обозначение покрытия - по ГОСТ 9.306).

7. Маркировать партию деталей одного типоразмера на таре или упаковке с указанием условного обозначения.

6, 7. (Измененная редакция, Изм. № 2).

8. Пример применения вильчатого рычага указан в приложении.

(Введен дополнительно, Изм. № 2).

ПРИЛОЖЕНИЕ
Справочное
ПРИМЕР ПРИМЕНЕНИЯ ВИЛЬЧАТЫХ РЫЧАГОВ

ИНФОРМАЦИОННЫЕ ДАННЫЕ

1. РАЗРАБОТАН И ВНЕСЕН Министерством тяжелого, энергетического и транспортного машиностроения СССР

Министерством станкостроительной и инструментальной промышленности СССР

РАЗРАБОТЧИКИ

В.В. Андреев; В.Н. Дзегиленок, канд. техн. наук; В.А. Петрова; К.И. Сокольский; А.З. Старосельский (руководитель темы); А.В. Хренова; Т.А. Шестакова

2. УТВЕРЖДЕН И ВВЕДЕН В ДЕЙСТВИЕ Постановлением Комитета стандартов, мер и измерительных приборов при Совете Министров СССР от 03.01.67 № 52

3. ССЫЛОЧНЫЕ НОРМАТИВНО-ТЕХНИЧЕСКИЕ ДОКУМЕНТЫ

Обозначение НТД, на который дана ссылка

Номер пункта

ГОСТ 9.306-85

ГОСТ 1050-88

ГОСТ 3128-70

6

2

1

4. Постановлением Госстандарта СССР от 17.03.88 № 568 снято ограничение срока действия

5. ПЕРЕИЗДАНИЕ (октябрь 1999г.) с Изменениями № 1, 2, утвержденными в июне 1980г., марте 1988г. (ИУС 9-80, 6-88)




Яндекс цитирования



   Copyright © 2007-2026,  www.tehlit.ru.

[ ѓосты, стандарты, нормативы, инструкции, правила, строительные нормы ]