|
| |
ГОСТ 12479-67
МЕЖГОСУДАРСТВЕННЫЙ СТАНДАРТ
ОПОРЫ ПОСТОЯННЫЕ ВЫСОКИЕ
КОНСТРУКЦИЯ
ИПК ИЗДАТЕЛЬСТВО СТАНДАРТОВ
Москва
МЕЖГОСУДАРСТВЕННЫЙ СТАНДАРТ
|
ОПОРЫ ПОСТОЯННЫЕ ВЫСОКИЕ
Конструкция
High, permanent supports.
Design
|
ГОСТ
12479-67
|
Дата введения 01.07.67
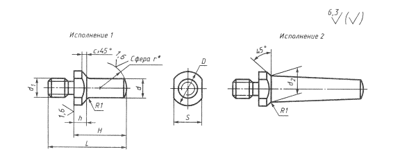
1. Конструкция и размеры постоянных высоких опор
должны соответствовать чертежу и таблице.

Размеры,
мм
|
Обозначения опор
|
Применяемость
|
Исполнение
|
d
|
Н
|
L
|
D
|
h
|
S hl3
|
d1
|
d2
|
с
|
Масса, кг
|
|
7034-0191
|
|
1
|
6
|
16
|
24
|
10
|
4
|
8
|
М6
|
-
|
1,0
|
0,006
|
|
7034-0192
|
|
18
|
26
|
0,007
|
|
7034-0193
|
|
20
|
28
|
0,007
|
|
7034-0194
|
|
22
|
30
|
0,008
|
|
7034-0195
|
|
25
|
34
|
0,008
|
|
7034-0196
|
|
1
|
8
|
25
|
36
|
14
|
6
|
10
|
М8
|
-
|
1,6
|
0,015
|
|
7034-0197
|
|
28
|
38
|
0,017
|
|
7034-0198
|
|
32
|
42
|
0,018
|
|
7034-0199
|
|
36
|
46
|
0,019
|
|
7034-0200
|
|
40
|
50
|
0,021
|
|
7034-0201
|
|
10
|
32
|
45
|
16
|
8
|
12
|
М10
|
-
|
0,028
|
|
7034-0202
|
|
36
|
48
|
0,030
|
|
7034-0203
|
|
40
|
52
|
0,032
|
|
7034-0204
|
|
45
|
58
|
0,036
|
|
7034-0205
|
|
50
|
63
|
0,049
|
|
7034-0206
|
|
2
|
55
|
68
|
18
|
14
|
14
|
0,060
|
|
7034-0207
|
|
60
|
72
|
0,064
|
|
7034-0208
|
|
70
|
82
|
0,073
|
|
7034-0209
|
|
80
|
92
|
0,082
|
|
7034-0210
|
|
1
|
12
|
36
|
52
|
20
|
10
|
17
|
М12
|
-
|
2,5
|
0,053
|
|
7034-0211
|
|
40
|
55
|
0,057
|
|
7034-0212
|
|
45
|
60
|
0,061
|
|
7034-0213
|
|
50
|
65
|
0,066
|
|
7034-0214
|
|
55
|
70
|
0,070
|
|
7034-0215
|
|
60
|
75
|
0,075
|
|
7034-0216
|
|
2
|
70
|
85
|
22
|
19
|
18
|
-
|
0,118
|
|
7034-0217
|
|
80
|
95
|
0,132
|
|
7034-0218
|
|
90
|
105
|
0,146
|
|
7034-0219
|
|
1
|
16
|
100
|
115
|
0,159
|
|
7034-0220
|
|
50
|
70
|
25
|
12
|
22
|
М16
|
-
|
2,5
|
0,120
|
|
7034-0221
|
|
55
|
75
|
0,129
|
|
7034-0222
|
|
60
|
80
|
0,136
|
|
7034-0223
|
|
70
|
90
|
0,151
|
|
7034-0224
|
|
80
|
100
|
0,167
|
|
7034-0225
|
|
2
|
90
|
ПО
|
28
|
24
|
22
|
-
|
0,243
|
|
7034-0226
|
|
100
|
120
|
0,265
|
|
7034-0227
|
|
110
|
130
|
0,288
|
|
7034-0228
|
|
125
|
145
|
0,321
|
|
7034-0229
|
|
140
|
160
|
0,354
|
|
7034-0230
|
|
160
|
180
|
0,396
|
|
7034-0231
|
|
1
|
20
|
80
|
105
|
16
|
М20
|
-
|
2,5
|
0,264
|
|
7034-0232
|
|
90
|
115
|
0,289
|
|
7034-0233
|
|
100
|
125
|
0,314
|
|
7034-0234
|
|
2
|
110
|
135
|
36
|
30
|
28
|
-
|
0,374
|
|
7034-0235
|
|
2
|
20
|
125
|
150
|
36
|
16
|
30
|
М20
|
28
|
-
|
0,411
|
|
7034-0236
|
|
140
|
165
|
0,448
|
|
7034-0237
|
|
160
|
185
|
0,498
|
|
7034-0238
|
|
180
|
205
|
0,547
|
|
7034-0239
|
|
200
|
225
|
0,596
|
|
7034-0240
|
|
1
|
22
|
100
|
130
|
36
|
18
|
30
|
М24
|
4,0
|
0,473
|
|
7034-0241
|
|
110
|
140
|
0,467
|
|
7034-0242
|
|
2
|
125
|
155
|
42
|
36
|
-
|
0,748
|
|
7034-0243
|
|
140
|
170
|
0,821
|
|
7034-0244
|
|
160
|
190
|
34
|
0,918
|
|
7034-0245
|
|
180
|
210
|
1,008
|
|
7034-0246
|
|
200
|
230
|
1,111
|
|
7034-0247
|
|
220
|
250
|
1,218
|
Пример
условного обозначения постоянной высокой
опоры размерами d =
6 мм, Н = 16 мм:
Опора 7034-0191 ГОСТ 12479-67
(Измененная редакция, Изм. № 1).
2. Материал - сталь марки 45
по ГОСТ
1050. Допускается замена на стали других марок с механическими
свойствами не ниже, чем у стали марки 45.
3. Твердость опорной
сферической поверхности - 41,5 ... 46,5 HRCэ.
4. Неуказанные предельные
отклонения размеров: 
3, 4. (Измененная редакция, Изм. № 2).
5. Резьба метрическая - по ГОСТ
24705. Поле допуска резьбы - 6g по ГОСТ
16093.
6. Размеры проточек и фасок
для резьбы - по ГОСТ 10549. Для d1 ≤ 12 - проточки под резьбу узкие.
(Измененная редакция, Изм. № 1, 2).
7. (Исключен,
Изм. № 1).
8. Покрытие - Хим. Окс. прм
(обозначение покрытия - по ГОСТ
9.306).
9. Маркировать партию деталей одного
типоразмера на таре или упаковке с указанием условного обозначения.
8, 9. (Измененная редакция, Изм. № 2).
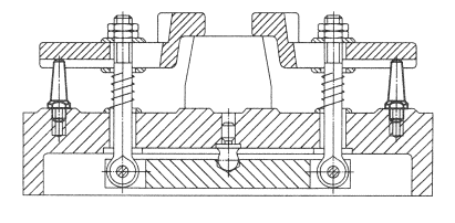
10. Пример применения высоких
опор указан в приложении.
(Введен дополнительно, Изм.
№ 2).

ИНФОРМАЦИОННЫЕ
ДАННЫЕ
1. РАЗРАБОТАН И ВНЕСЕН Министерством тяжелого,
энергетического и транспортного машиностроения СССР
Министерством станкостроительной и инструментальной
промышленности СССР
РАЗРАБОТЧИКИ
В.В.
Андреев; В.Н. Дзегиленок, канд. техн.
наук; В.А. Петрова; К.И. Сокольский;
А.З. Старосельский (руководитель темы);
А.В. Хренова; Т.А. Шестакова
2. УТВЕРЖДЕН И ВВЕДЕН В ДЕЙСТВИЕ Постановлением
Комитета стандартов, мер и измерительных приборов при Совете Министров СССР от
03.01.67 № 55
3. ВЗАМЕН МН 5408-64
4. ССЫЛОЧНЫЕ НОРМАТИВНО-ТЕХНИЧЕСКИЕ ДОКУМЕНТЫ
5. Постановлением Госстандарта СССР от 17.03.88 № 569
снято ограничение срока действия
6.
ПЕРЕИЗДАНИЕ (октябрь 1999г.) с Изменениями № 1 и 2, утвержденными в июне
1980г., марте 1988г. (ИУС 9-80, 6-88)
| |
|