//
ТехЛит.ру
- крупнейшая бесплатная электронная интернет библиотека для "технически умных" людей.
WWW.TEHLIT.RU - ТЕХНИЧЕСКАЯ ЛИТЕРАТУРА

:: Алготрейдинг::


АЛГОТРЕЙДИНГ
шаг за шагом
с нуля по урокам!

Торговые роботы на PYTHON, BackTrader,
Pandas, Pine Script для TradingView. Связка с брокерами, телеграм и легкими приложениями.


МЕЖГОСУДАРСТВЕННЫЕ СТАНДАРТЫ

БУМАГА И КАРТОН

МЕТОДЫ ИСПЫТАНИЙ

ГОСТ 13525.21-75

МОСКВА - 1999

МЕЖГОСУДАРСТВЕННЫЙ СТАНДАРТ

БУМАГА И КАРТОН

Метод определения скручиваемости на воздухе

Paper and board. Method for determination of torsion on air

ГОСТ
13525.21-75

Взамен
ГОСТ 13525.1-68

Дата введения 01.01.76

Настоящий стандарт распространяется на бумагу и картон и устанавливает метод определения скручиваемости на воздухе.

Метод заключается в измерении максимального отклонения образца бумаги или картона от плоскости после выдерживания его в заданных условиях.

1. ОТБОР ПРОБ

1.1. Отбор проб - по ГОСТ 8047.

2. АППАРАТУРА

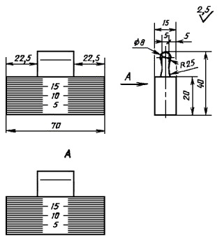
2.1. Для проведения измерения должно применяться приспособление в виде бруска с ручкой (см. чертеж), на обе боковые длинные грани которого нанесены шкалы с миллиметровыми делениями, с верхним пределом измерения не менее 20 мм, или линейка по ГОСТ 427.

Длина и ширина штрихов, погрешности делений шкал, перпендикулярность торцовых граней и продольных ребер должны соответствовать ГОСТ 427. Для измерения может быть также использовано другое приспособление с ценой деления не более 1 мм.

(Измененная редакция, Изм. № 1, 2).

3. ПОДГОТОВКА К ИСПЫТАНИЮ

3.1. Из отобранных пяти листов вырезают 10 образцов для испытания, не имеющих видимых механических повреждений, по два из каждого листа, размерами, указанными в нормативно-технической документации на продукцию.

Большая сторона образца должна совпадать с машинным направлением бумаги или картона.

(Измененная редакция, Изм. № 1).

3.2. Образцы раскладывают на чистые стеклянные или другие чистые гладкие горизонтальные поверхности. Пять образцов кладут вниз верхней стороной, пять - сеточной. Образцы кондиционируют по ГОСТ 13523.

Температура, относительная влажность, при которых должны проводиться кондиционирование и измерения, продолжительность кондиционирования должны указываться в стандартах на продукцию.

(Измененная редакция, Изм. № 1, 2).

4. ПРОВЕДЕНИЕ ИСПЫТАНИЯ

4.1. Сразу после кондиционирования определяют скручиваемость.

У образцов, обращенных вогнутой стороной вверх, измеряют расстояние от плоскости стекла до вершины каждого из углов; у образцов, обращенных вогнутой стороной вниз, - до точки с максимальным отклонением от плоскости стекла. Для каждого образца записывают наибольшее значение.

При проведении измерения измерительное устройство должно подводиться к испытуемому образцу так, чтобы не оказывать влияния на его скручиваемость.

(Измененная редакция, Изм. № 1, 2).

5. ОБРАБОТКА РЕЗУЛЬТАТОВ

5.1. За результат испытания принимают максимальное из десяти измеренных значений, округленное до целого числа.

Погрешность измерения ±0,6 мм.

(Измененная редакция, Изм. № 1, 2).

ИНФОРМАЦИОННЫЕ ДАННЫЕ

1. РАЗРАБОТАН И ВНЕСЕН Министерством лесной, целлюлозно-бумажной и деревообрабатывающей промышленности СССР

РАЗРАБОТЧИК

Е.П. Ковальчук (руководитель темы)

2. УТВЕРЖДЕН И ВВЕДЕН В ДЕЙСТВИЕ Постановлением Государственного комитета стандартов Совета Министров СССР от 20.01.75 № 108

3. ССЫЛОЧНЫЕ НОРМАТИВНО-ТЕХНИЧЕСКИЕ ДОКУМЕНТЫ

Обозначение НТД, на который дана ссылка

Номер пункта

ГОСТ 427-75

2.1

ГОСТ 8047-93

1.1

ГОСТ 13523-78

3.2

4. Ограничение срока действия снято по протоколу № 5-94 Межгосударственного Совета по стандартизации, метрологии и сертификации (ИУС 11-12-94)

5. ПЕРЕИЗДАНИЕ (октябрь 1998 г.) с Изменениями № 1, 2, утвержденными в июне 1985 г., мае 1990 г. (ИУС 9-85, 8-90)

СОДЕРЖАНИЕ

 




Яндекс цитирования



   Copyright © 2007-2026,  www.tehlit.ru.

[ ѓосты, стандарты, нормативы, инструкции, правила, строительные нормы ]