//
ТехЛит.ру
- крупнейшая бесплатная электронная интернет библиотека для "технически умных" людей.
WWW.TEHLIT.RU - ТЕХНИЧЕСКАЯ ЛИТЕРАТУРА

:: Алготрейдинг::


АЛГОТРЕЙДИНГ
шаг за шагом
с нуля по урокам!

Торговые роботы на PYTHON, BackTrader,
Pandas, Pine Script для TradingView. Связка с брокерами, телеграм и легкими приложениями.


Изменение № 2 ГОСТ 13950-91 Бочки стальные сварные и закатные с гофрами на корпусе. Технические условия

Принято Межгосударственным советом по стандартизации, метрологии и сертификации (протокол № 23 от 22.05.2003)

Зарегистрировано Бюро по стандартам МГС № 4453

За принятие изменения проголосовали национальные органы по стандартизации следующих государств: AZ, AM, BY, KZ, KG, MD, RU, TJ, TM, UZ [коды альфа-2 по МК (ИСО 3166) 004]

Дату введения в действие настоящего изменения устанавливают указанные национальные органы по стандартизации

Вводную часть изложить в новой редакции:

«Настоящий стандарт распространяется на стальные сварные и закатные бочки с гофрами на корпусе, предназначенные для упаковки и транспортирования нефтепродуктов, химических продуктов, продукции предприятий цветной и черной металлургии, лакокрасочной продукции, не взаимодействующих активно со сталью или внутренним покрытием бочки, а также для пищевых продуктов, допущенных Минздравом РФ к упаковке в данные бочки.

Бочки, предназначенные для упаковки и транспортирования опасных грузов, должны соответствовать ГОСТ 19433 и ГОСТ 26319.

Обязательные требования к качеству продукции, обеспечивающие ее безопасность для жизни, здоровья и имущества населения, охраны окружающей среды, изложены в пп. 2.2, 2.6, 2.12, 2.13».

По всему тексту стандарта заменить обозначение типа бочки: I на 1А1, II на 1А2.

Пункты 1.1, 1.2 изложить в новой редакции:

«1.1. Бочки должны изготовляться сварными и закатными двух типов:

1А1 - с несъемным верхним дном;

1А2 - со съемным верхним дном.

Примечание. Бочки типа 1А2 предназначены для транспортирования и хранения высоковязких, мазеобразных и сыпучих продуктов.

1.2. Конструкция, основные параметры и размеры бочек должны соответствовать указанным на черт. 1 - 5 и табл. 1 - 6.

Конструкция и основные размеры горловин должны соответствовать указанным в приложении 1.

Таблица 1

Размеры бочки с несъемным верхним дном 1А1 вместимостью 212 - 230 дм3

мм

Исполнение

Полная вместимость, дм3, мин

d1

D2

D3

H1

h3

h2

p1

p2

± 2

макс

макс

± 5

мин

± 3

± 3

А*

216,5

571,5

585

585

878

4

280

444 ± 6 или 451 ± 1

72

230,0

932

В

216,5

571,5

596

593

878

4

280

72

230,0

932

С*

212,0

566,0

585

585

890

4

300

400 ± 6

94

Примечания:

1. Оси горловин должны располагаться вертикально.

2. Глубина верхней крышки должна обеспечивать невыступание заливных горловин выше закатного шва.

3. Для бочек с вогнутым верхним дном габаритная высота Н1 может быть увеличена на 4 мм для обеспечения заданной вместимости.

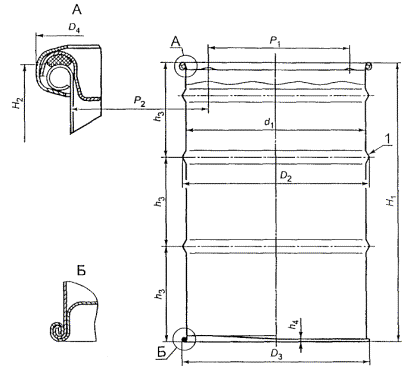
Бочка с несъемным (герметичным) верхним дном типа 1А1

Черт. 1

1 - горловина; 2 - гофр; d1 - внутренний диаметр; D2 - наружным диаметр по гофрам катания; D3 - наружный диаметр по закатному шву; H1 - габаритная высота бочки; h2 - расстояние между гофрами; h3 - расстояние нижнего дна от пола; p1 - расстояние между центрами горловин; р2 - расстояние от оси заливной горловины до наружной поверхности корпуса, измеренное в 50 мм от верха бочки

Таблица 2

Размеры бочки с несъемным верхним дном 1А1 вместимостью 85 - 200 дм3

мм

Тип

Полная вместимость, дм3, мин

d1

D2

D3

H1

h3

h2

p1

p2

± 2

макс

макс

мин

± 2

Закатная

85*

445

468 ± 2

-

609 ± 4

4

235 ± 5

310 ± 4

-

 

 

 

 

 

 

или

или

 

 

 

 

 

 

 

260 ± 5

323 ± 4

 

85*

432

456 ± 2

438

642 ± 4

4

260 ± 5

310 ± 4

-

100*

445

468 ± 2

-

689 ± 4

4

235 ± 5

310 ± 4

-

 

 

 

 

 

 

или

или

 

 

 

 

 

 

 

370 ± 5

323 ± 4

 

100*

432

456 ± 3

438

750 ± 3

4

370 ± 3

310 ± 1

70

115*

454

476 ± 3

465 ± 1

756 ± 3

4

280 ± 2

335 ± 1

70

200

564

594 ± 3

-

845 ± 5

4

300 ± 5

420 ± 4

-

Сварная

85

442

465 ± 2

-

613 ± 4

4

240 ± 5

310 ± 4

-

100

442

465 ± 2

-

698 ± 4

4

240 ± 5

310 ± 4

-

200

560

590 ± 3

-

860 ± 5

4

300 ± 5

420 ± 4

-

* Размеры бочек являются предпочтительными.

Примечание. Глубина крышки должна обеспечивать невыступание заливных горловин выше закатного шва.

Бочка со съемным (открывающимся) верхним дном типа 1А2

Черт. 2

1 - гофр; d1 - внутренний диаметр; D2 - наружный диаметр по гофрам катания; D3 - наружный диаметр по закатному шву; D4 - наружный диаметр по запорному обручу; H1 - габаритная высота бочки; H2 - высота бочки без верхнего дна; h3 - расстояние между гофрами; p1 - расстояние между центрами горловин; р2 - расстояние от оси заливной горловины до наружной поверхности корпуса, измеренное в 50 мм от верха бочки; h4 - расстояние от нижнего дна бочки до пола, h4 = 4 мм (мин)

Глубина верхней крышки должна обеспечивать невыступание заливных горловин выше закатного шва.

Таблица 3

Размеры бочки со съемным верхним дном 1А2 вместимостью 208,0 - 216,5 дм3

мм

Исполнение

Полная вместимость, дм3, мин

d1

D2

D3

D4

H1

H2

h3

p2

± 2

макс

макс

макс

± 5

± 5

± 3

± 3

A*

210,0

571,5

585

585

585

878

868

280

72

 

216,5

571,5

585

585

585

888

878

280

72

В*

210,0

571,5

596

593

610

878

868

280

72

 

216,5

571,5

596

593

610

888

878

280

72

C*

208,0

566,0

585

585

585

890

880

300

94

D*

208,0

566,0

585

585

620

890

880

300

94

* Размеры бочек являются предпочтительными.

Примечания:

1. Метод контроля вместимости - по приложению 2.

2. Глубина верхней крышки должна обеспечивать невыступание заливных горловин выше закатного шва.

3. Бочки исполнений А и С имеют оптимальные наружные размеры, необходимые для штабелирования 4 шт. бочек по высоте в транспортных контейнерах.

4. Для бочек исполнений А и С диаметр D4 определяют изменением конструкции верха бочки:

- в бочке с уменьшенным размером запорной системы (завиток обечайки, крышка, запорный обруч) используют те же размеры, как для исполнений В и D. Внутренний диаметр зауженного верха обечайки равен 545 мм для исполнения А и 536 мм - для исполнения С;

- изменение запорной системы (завитка обечайки, крышки, запорного обруча) производят таким образом, чтобы обеспечить внутренний диаметр 571,5 мм для исполнения А и 566 мм - для исполнения С, габаритный наружный диаметр - 585 мм.

5. Допускается установка одной или двух заливных горловин. Осевая линия горловин должна совпадать с осевой линией бочки.

6. Размеры между центрами горловин p1 должны быть:

(444 ± 6) мм или (451 ± 1) мм - для бочек исполнений А и В;

(400 ± 6) мм - для бочек исполнений С и D.

Таблица 4

Размеры бочки со съемным верхним дном 1А2 вместимостью 85 - 200 дм3

мм

Исполнение

Полная вместимость, дм3, мин

d1

D2

D3

D4

H1

H2

h3

p1

p2

макс

макс

макс

± 2

Закатная

85*

445 ± 2

478 ± 2

452

478 ± 2

610 ± 4

604 ± 4

260 ± 4

310 ± 4 или 323 ± 3

70

85*

432 ± 2

458 ± 3

438

456 ± 3

645 ± 4

639 ± 4

260 ± 5

310 ± 4 или 323 ± 4

70

100*

445 ± 2

478 ± 2

-

478 ± 2

700 ± 4

-

240 ± 5 или 370 ± 5

310 ± 4 или 323 ± 4

-

100*

432 ± 2

458 ± 3

438

456 ± 3

754 ± 5

748 ± 5

370 ± 5

310 ± 4

70

115*

476 ± 3

466 ± 1

487 ± 2

749 ± 3

743 ± 4

280 ± 2

335 ± 1

70

200

564 ± 2

600 ± 3

-

600 ± 3

843 ± 5

-

300 ± 5

310 ± 4

-

Сварная

100

442 ± 2

475 ± 2

-

475 ± 2

706 ± 4

-

240 ± 5

310 ± 4

70

200

560 ± 2

596 ± 3

-

596 ± 3

869 ± 5

-

300 ± 5

310 ± 4

-

* Размеры бочек являются предпочтительными.

Примечания:

1. Для бочек с вогнутым верхним дном габаритная высота H1 может быть увеличена на 4 мм для обеспечения заданной вместимости.

2. Допускается устанавливать одну или две горловины. Осевая линия горловины должна совпадать с осевой линией бочки.

Пример условного обозначения стальной сварной бочки типа 1А1 вместимостью 100 дм3:

БС 1А1-100 ГОСТ 13950

То же, стальной бочки вместимостью 216,5 дм3:

БС IA1-216,5 ГОСТ 13950

То же, стальной закатной бочки типа 1А2 вместимостью 200 дм3:

БЗ 1А2-200 ГОСТ 13950

То же, стальной оцинкованной бочки:

БЗ 1А2-200 Ц ГОСТ 13950.

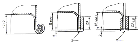
СОЕДИНЕНИЕ КОРПУСА БОЧКИ С ДНОМ

Закатка                                                 Сварка для бочек:

неоцинкованных                           оцинкованных

Черт. 3

Бочка с несъемным верхним дном 20 - 60 дм3

Черт. 4

Таблица 5

Размеры бочки с несъемным верхним дном номинальной вместимостью 20 - 60 дм3

Номинальная вместимость, дм3

Полная вместимость, дм3, мин

Внутренний диаметр d1 ± 2

Максимальный наружный d2, мм

Максимальная габаритная высота h1, мм

Максимальная высота штабелирования hs, мм

20

21,2

279

290

387

377

 

 

286

294

372

362

 

 

305

314

325

315

25

26,2

279

290

467

457

 

 

286

294

450

440

 

 

305

316

395

385

30

32,0

279

290

560

550

 

 

286

294

500

490

 

 

305

319

496

486

50

52,5

356

375

568

558

 

 

360

377

550

540

 

 

380

400

490

480

57

59,0

356

375

640

630

 

 

360

377

638

628

 

 

380

400

560

550

60

63,0

356

380

700

690

 

 

360

377

670

660

 

 

380

400

593

583

Бочка со съемным верхним дном 15 - 62 дм3

Черт. 5

Таблица 6

Размеры бочки со съемным верхним дном номинальной вместимостью 15 - 62 дм3

Номинальная вместимость, дм3

Полная вместимость, дм3, мин

Внутренний диаметр d1, мм

Максимальный наружный диаметр d2, мм

Габаритная высота h1, мм

15

17,0

254

278

356

20

21,2

279

305

400

 

 

305

325

332

25

26,2

279

305

490

 

 

305

325

392

30

31,5

279

305

580

 

 

305

325

484

50

52,5

356

382

680

 

 

360

383

531

 

 

380

400

470

60

62,0

356

382

680

 

 

360

383

648

 

 

380

403

580

62

64,0

356

382

710

 

 

360

383

669

 

 

380

403

595

Пункт 1.4. Заменить слова: «типа I вместимостью 200 дм3» на «типа 1А1 вместимостью 200 - 230 дм3».

Пункт 2.2 изложить в новой редакции:

«2.2. Детали бочек изготавливают из следующих материалов:

- корпус и донья бочек - из листовой или рулонной стали нормальной вытяжки марок Ст2пс, Ст2кп, 08кп, 08пс, 10кп по ГОСТ 16523;

- горловины и пробки - из листовой или рулонной стали глубокой вытяжки марок 08кп, 08пс, 10кп и БСт2пс по ГОСТ 16523;

- концевые и стяжные обручи, замки бочек типа 1А2 - из стальной ленты по ГОСТ 503 или ГОСТ 6009, листовой стали нормальной вытяжки по ГОСТ 19903, марок 08кп, 08пс по ГОСТ 16523, прокатной полосовой стали по ГОСТ 103, марок Ст1, Ст2 по ГОСТ 380.

По согласованию с заказчиком допускается применять другие материалы, по качеству не ниже указанных, стойких к воздействию упаковываемых продуктов.

При изготовлении деталей бочек (доньев и корпуса) допускается применять стали толщиной:

0,6 - 1,8 мм - для бочек вместимостью 200 - 230 дм3;

0,5 - 1,2 мм - для бочек вместимостью 80 - 160 дм3;

0,5 - 1,0 мм - для бочек вместимостью 20 - 60 дм3.

Горловины бочек см. в приложении 1.

По согласованию с заказчиком бочки со съемным верхним дном могут изготавливаться с горловинами.

Запорное устройство съемного дна бочки должно быть оцинковано. На запорном устройстве возможно применение стопора, снабженного двумя отверстиями для крепления пломбы.

Обечайка бочки может быть усилена дополнительными гофрами, расположенными на расстоянии не менее 115 мм от закатных швов, или для бочек типа 1А2 - гофром, расположенным у верхнего дна

Вместо выпуклого верхнего дна бочка может быть изготовлена с крышкой для дренирования в положении вверх дном.

Прокладки для бочек изготавливают из материалов, не вступающих в реакцию с упаковываемой продукцией и обеспечивающих надежность укупорки. Уплотнительное кольцо изготавливают из морозостойкой резины, которое наклеивают на верхнее дно.

Бочки, предназначенные для пищевых продуктов, должны изготавливался из материалов, допущенных службами санэпиднадзора МЗ РФ для контакта с упаковываемым продуктом».

Пункт 2.5. Первый, второй абзацы изложить в новой редакции:

«По согласованию с заказчиком в каждом из доньев бочки вместимостью 200 - 230 дм3 допускается выдавливать кольцевой гофр жесткости диаметром 210 - 300 мм. Часть дна, ограниченная гофром, должна быть сферическая с высотой выпуклости 8 - 12 мм.

Донья бочек вместимостью 100 дм3 могут быть плоские, выпуклые или вогнутые по согласованию с заказчиком».

Пункт 2.6. Исключить аббревиатуру: СССР.

Пункт 2.10 исключить.

Пункт 2.14 изложить в новой редакции:

«2.14. Бочки могут быть изготовлены с оцинкованными внутренними и наружными поверхностями или с другим защитным покрытием».

Пункт 2.15. Второй абзац исключить.

Пункт 2.18 изложить в новой редакции:

«2.18. По требованию заказчика допускается комплектовать бочки дополнительными пробками с прокладками или защитным колпачком».

Раздел 2 дополнить пунктом - 2.21:

«2.21. Подготовку поверхностей бочек перед окрашиванием проводят в соответствии с ГОСТ 9.402».

Пункт 3.3. Второй абзац дополнить словами: «из выборки».

Пункт 3.4 изложить в новой редакции:

«3.4. Периодические испытания проводят в объеме приемосдаточных испытаний на удар при свободном падении, а для бочек типа 1А1 также на гидравлическое давление и штабелирование. Периодические испытания проводят не реже одного раза в два года в количестве 2 % от партии, но не менее 3 бочек.

Испытания на удар при свободном падении бочек типа 1А1 проводят на шести образцах».

Пункт 4.4 изложить в новой редакции:

«4.4. Герметичность бочек контролируют сжатым воздухом при избыточном давлении не менее 20 кПа.

Находящуюся под давлением бочку погружают в воду. Отсутствие пузырей воздуха свидетельствует о герметичности бочки.

Допускается проводить контроль герметичности бочек другими методами при условии соблюдения надежности».

Пункт 4.6. Второй абзац изложить в новой редакции:

«Три образца бочек сбрасывают один раз с высоты 1,2 м. Удар должен приходиться на место соединения продольного шва, корпуса и дна на место, обеспечивающее изгиб этого соединения. Для бочек типа 1А1 дополнительно сбрасывают еще три образца так, чтобы удар пришелся на продольный сварной шов».

Раздел 4 дополнить пунктом - 4.9:

«4.9. Метод контроля вместимости бочки с открывающимся верхним дном - см. приложение 2».

Пункт 5.1 изложить в новой редакции:

«5.1. В нижней части корпуса или на дне бочки краской, стойкой к упаковываемым продуктам и контрастной по отношению к цвету бочки, наносят маркировку, содержащую:

товарный знак и наименование предприятия-изготовителя;

две последние цифры года изготовления бочки;

условное обозначение бочки или маркировку в соответствии с ГОСТ 26319.

Примечание. Допускается наносить маркировку штампованием.

Клеймо технического контроля, подтверждающее качество продукции, вносится в документ о качестве продукции или непосредственно наносится на бочке.

Бочки, предназначенные для пищевых продуктов, должны иметь надпись «Для пищевых продуктов».

Пункт 5.6 после слов «в деревянные ящики» дополнить словами: «или картонные коробки».

Пункт 5.7. Первый абзац изложить в новой редакции:

«Условия хранения - 3 по ГОСТ 15150. По согласованию изготовителя и заказчика допускается хранение в условиях 6 и 9 по ГОСТ 15150 на открытых площадках с твердым грунтом и уклоном для стока воды»;

третий абзац исключить.

Раздел 6. Второй абзац дополнить словами:

«для бочек без защитного покрытия - 3 мес.»;

третий абзац исключить.

Приложение исключить.

Стандарт дополнить приложениями - 1 - 3:

ПРИЛОЖЕНИЕ 1

Справочное

Восьмиугольная горловина

А - фланец горловины; Б – пломбировочное кольцо; В - крышка; Г - колпачок с пломбировочными отверстиями

Сборочный чертеж и поперечное сечение горловины бочки

Восьмиугольная горловина

1 - пломбировочное кольцо/защитное кольцо; 2 - колпачок; 3 - уплотнение; 4 - резиновая шайба крышки; 5 - хвостовик для заворачивающего ключа; 6 - стальная крышка; 7 - резиновая прокладка; 8 - фланец горловины; 9 - верхнее дно бочки

Черт. 1

Сечение А-А                                   Вид снизу

Черт. 2

Резиновая прокладка

Черт. 3

Таблица 1

Фланцевая горловина и резиновая прокладка

мм

Обозначение горловины

d1

d2

d3

d4

h1

h2

h3

s1

Размеры прокладки фланцевой горловины d1´d2´h1

± 0,3

± 0,3

± 0,3

± 0,3

± 0,5

± 0,5

± 0,4

± 0,3

G3/4

19,5

29,0

27,2

24,5

12,9

7,2

2,7

43,7

32,0´27,2´2,6

G2

50,8

62,4

60,4

57,1

15,8

7,9

2,8

77,9

67,0´60,5´2,6

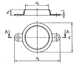
Примечание. Фланец должен изготавливаться из листовой или рулонной стали глубокой вытяжки марок 08кп, 10кп и БСт2пс по ГОСТ 16523 или другого материала, близкого по химическим и физическим свойствам, прокладка фланца - из эластомера или термопласта. G3/4 - дренажная горловина, G2 - сливоналивная горловина.

Пломбировочное и защитное кольцо

Пломбировочное кольцо и защитное кольцо выполняют в соответствии с черт. 4, 5 и табл. 2.

Пломбировочное кольцо

Черт. 4

Защитное кольцо

Черт. 5

Таблица 2

Пломбировочное и защитное кольцо

мм

Толщина верхнего дна х, мм

Диаметр делительной окружности, дюймы

d5

d6

d7

h3

Толщина пломбировочного защитного кольца t

± 0,4

± 0,4

± 0,4

± 0,4

0,5 £ х < 0,8

19,5

29,7

54,0

41,0

6,4

0,8

 

50,8

62,3

98,5

74,5

8,4

 

0,8 £ х < 1,5

19,5

31,0

58,5

41,0

5,4

 

 

50,8

63,5

99,5

74,5

8,2

0,3

1,5 £ х < 2,0

19,5

31,3

58,5

41,0

5,7

 

 

50,8

65,7

99,5

74,5

7,3

 

Примечание. Допускается применять пломбировочные и защитные кольца при толщине верхнего дна 0,8 - 2,0 мм. Конфигурацию оговаривают между поставщиком и заказчиком.

Стальная крышка и ее прокладка из эластомера или термопласта

Стальную крышку и ее прокладку из эластомера или термопласта выполняют в соответствии с черт. 6 - 8 и табл. 3, 4.

Черт. 6

Черт. 7

Таблица 3

Крышка и ее прокладка из эластомера или термопласта

мм

Обозначение горловины

d1

p1

p2

p3

p4**

pмин*

d1

Размеры прокладки крышки d3´d4´t2, ±1´±1´±0,5

± 0,3

± 0,5

± 0,7

± 0,7

± 1,5

± 0,2

G3/4

19,5

28,1

20,5

13,7

8,5

8,5

1,2

25,5´20,3´2,4

G2

50,8

61,3

53,6

15,5

33,5

11,5

1,2

56,0´50,5´2,7

* Размер pмин контролируют от верха крышки до верха плоской части хвостовика для заворачивающего ключа.

** Размер p4 для горловины G2 контролируют в позиции 2 мм выше верхней плоской части хвостовика для заворачивающего ключа.

Примечание. Крышку изготавливают из стали марок 08пс, 08кп, 10кп и БСт2пс по ГОСТ 16523 или других материалов, аналогичных указанным по химическим и физическим свойствам, прокладка крышки - из эластомера или термопласта.

Колпачок с пломбировочными отверстиями

1 - линия надсечки отрывного лепестка; 2 - защитная прокладка

Черт. 8

Таблица 4

мм

Обозначение горловины

Размеры колпачка

Толщина окрашенного колпачка t ± 0,05

C1

C2

C3

C4

C5

C6

± 0,4

± 0,4

± 0,4

± 0,4

± 0,2

± 0,7

G3/4

29,0

35,1

8,9

43,0

3,5

9,9

0,35

G2

62,4

69,8

11,2

85,0

4,8

12,2

0,35

Примечание. Логотип и цвет колпачка согласовывают с заказчиком.

ПРИЛОЖЕНИЕ 2

Справочное

Метод контроля вместимости бочки со съемным верхним дном

1. Применяемая аппаратура и проведение контроля вместимости

1.1. Весы - с погрешностью измерения не более 0,1 %.

1.2. Поправочный коэффициент применяют, если используемые весы имеют более высокую точность измерения, чем поправочный коэффициент.

Таблица 1

Температура воды, °С

Поправочный коэффициент F

12

1,0005

14

1,0008

16

1,0011

18

1,0014

20

1,0018

22

1,0022

24

1,0027

26

1,0033

28

1,0038

30

1,0044

1.3. Определение полной вместимости

1.3.1. Бочку со съемным верхним дном закрывают крышкой, надевают стяжной обруч, закрывают запорное устройство, просверливают отверстие диаметром 5 - 10 мм в удобном месте (в зависимости от профиля дна) в верхней части закрытой бочки для выпуска воздуха.

1.3.2. Порожнюю бочку взвешивают и записывают значение ее массы m1 в граммах.

1.3.3. Бочку наполняют водой через заливную горловину с закрытой дренажной пробкой так, чтобы воздух мог выходить через просверленное отверстие.

Примечание. Бочку наклоняют таким образом, чтобы заливная горловина находилась па самом верху.

1.3.4. Бочку устанавливают, плотно закрывают пробкой, удаляют излишки воды с поверхности бочки.

1.3.5. Наполненную бочку взвешивают и записывают значение ее массы m2 в граммах.

1.4. Определение фактической вместимости проводят так же, как указано в пп. 1.3.1 - 1.3.5 (отверстие в дне бочки не высверливают). Бочку наполняют водой до тех пор, пока жидкость не начнет вытекать из горловины.

1.5. Оформление результатов контроля

Полную и фактическую вместимость бочки V вычисляют по формуле

,                                                   (1)

где m2 - масса наполненной бочки;

m1 - масса порожней бочки;

F - поправочный коэффициент.

ПРИЛОЖЕНИЕ 3

Справочное

Термины и определения

Термин

Определение

Бочки с несъемным верхним дном

Цилиндрическая тара, изготовленная из стали, донья которой плотно завальцованы (закатаны) с корпусом. Тара оборудована сливоналивными горловинами для наполнения, опорожнения и вентиляции

Бочки со съемным (открывающимся) верхним дном

Цилиндрическая тара, изготовленная из стали, донья которой плотно завальцованы (закатаны) с корпусом. Верх съемный в виде крышки, закрывается с помощью запорного кольца

Номинальная вместимость

По ГОСТ 17527

Фактическая вместимость

Фактическая вместимость (дм3) при заполнении через сливную горловину до начала перелива

Полная вместимость

По ГОСТ 17527

Корпус

По ГОСТ 30765

Гофр

По ГОСТ 30765

Горловина

По ГОСТ 30765

(ИУС № 1 2004 г.)




Яндекс цитирования



   Copyright © 2007-2026,  www.tehlit.ru.

[ ѓосты, стандарты, нормативы, инструкции, правила, строительные нормы ]