//
ТехЛит.ру
- крупнейшая бесплатная электронная интернет библиотека для "технически умных" людей.
WWW.TEHLIT.RU - ТЕХНИЧЕСКАЯ ЛИТЕРАТУРА

:: Алготрейдинг::


АЛГОТРЕЙДИНГ
шаг за шагом
с нуля по урокам!

Торговые роботы на PYTHON, BackTrader,
Pandas, Pine Script для TradingView. Связка с брокерами, телеграм и легкими приложениями.


ГОСТ 14857-76

МЕЖГОСУДАРСТВЕННЫЙ СТАНДАРТ

СХЕМЫ ЗАЩИТЫ ОТ ОПАСНЫХ
НАПРЯЖЕНИЙ И ТОКОВ, ВОЗНИКАЮЩИХ
НА ЛИНИЯХ ПРОВОДНОГО ВЕЩАНИЯ

ОБЩИЕ ТРЕБОВАНИЯ И НОРМЫ

ИПК ИЗДАТЕЛЬСТВО СТАНДАРТОВ

Москва

МЕЖГОСУДАРСТВЕННЫЙ СТАНДАРТ

СХЕМЫ ЗАЩИТЫ ОТ ОПАСНЫХ НАПРЯЖЕНИЙ И ТОКОВ, ВОЗНИКАЮЩИХ НА ЛИНИЯХ ПРОВОДНОГО ВЕЩАНИЯ

Общие требования и нормы

Protection circuits from dangerous voltages and currents arising at lines of wire broadcasting. General requirements and rules

ГОСТ
14857-76

Дата введения 01.01.77

Настоящий стандарт распространяется на вводные устройства станций и линейные сооружения сетей проводного вещания (ПВ) и устанавливает общие требования и нормы к схемам защиты абонентов и оборудования сетей ПВ от опасных напряжений и токов, возникающих в линиях ПВ при грозовых разрядах и соприкосновении проводов ПВ с проводами воздушных линий электропередачи (ВЛ) напряжением до 600 В.

(Измененная редакция, Изм. № 1, 2).

1. ЗАЩИТА ОБОРУДОВАНИЯ, ПОДКЛЮЧЕННОГО К МАГИСТРАЛЬНЫМ ФИДЕРНЫМ ЛИНИЯМ

1.1. Станции ПВ со стороны воздушных фидерных линий должны быть защищены разрядниками ИР-0,3, ИР-0,5, ИР-7,0 и предохранителями ПР-1, включенными по схеме в соответствии с черт. 1 (при кабельном вводе) и черт. 2 (без кабельного ввода). При напряжении фидерной линии 960 В искровые разрядники ИР-0,3 в схемах черт. 1, 2 должны быть заменены на разрядники ИР-0,5.

При включении в разрез фидерной линии корректирующих трансформаторов они должны быть защищены с обеих сторон воздушной линии искровыми разрядниками ИР-0,3, включенными на клеммах обмоток трансформаторов. Сопротивление заземления разрядников должно соответствовать значениям, указанным в п. 7.1.

Примечания:

1. Аппаратура станций на транзисторах должна быть защищена: на выходе станций - согласно п. 1.1, на станциях - низковольтными элементами защиты (диоды, стабилитроны и т.д.). Схемы и приборы защиты определяются (учитывая типы применяемых транзисторов и требуемые параметры усилителей) при разработке аппаратуры на транзисторах.

2. (Исключено, Изм. № 1).

1 - станция; 2,8 - кабельный ввод; 3 - выводная опора; 4, 6 - опора; 5 - воздушная стоечная или столбовая магистральная линия; 7 - оконечная опора; 9 - трансформаторная подстанция

Черт. 1

1 - выводная опора; 2, 4 - опора; 3 - воздушная стоечная или столбовая линия; 5 - оконечная опора

Черт. 2

(Измененная редакция, Изм. № 1, 2).

1.2. На станциях ПВ должны быть оборудованы заземления в соответствии с п. 7.4.

К этому заземлению должны быть присоединены корпуса линейных трансформаторов, провод заземления для промежуточных стоек магистральной стоечной линии (черт. 1, 2) и разрядники.

Провод заземления через каждые два километра должен повторно присоединяться к оборудованному в этом месте заземлению с величиной сопротивления согласно п. 7.1.

(Измененная редакция, Изм. № 1).

1.3. Допускается устройство заземлений для каждой промежуточной стойки магистральной линии с сопротивлением заземления согласно п. 7.1.

1.4. Номинальный ток предохранителей ПР-1 должен быть на 50 - 80 % больше значения тока, возникающего в фидерной линии при максимальной нагрузке.

1.5. (Исключен, Изм. № 1).

1.6. Оборудование станции ПВ, подключенное к подземной кабельной линии, должно быть защищено на входе кабельной линии искровыми разрядниками ИР-0,3. При этом токоотвод от разрядников ИР-0,3 и экран кабелей (или металлическая оболочка) должны быть присоединены к заземлению станции.

(Измененная редакция, Изм. № 1).

1.7. Повышающие и понижающие трансформаторы, устанавливаемые на воздушной линии (без кабельного ввода), должны быть защищены искровыми разрядниками ИР-0,3 и ИР-7,0, включенными по схеме, указанной на черт. 2.

1.8. Понижающие трансформаторы, устанавливаемые на фидерных отводах магистральной линии, должны быть защищены искровыми разрядниками ИР-0,3, ИР-0,5 и ИР-7,0 со стороны воздушной линии, как показано на черт. 1, 2.

1.9. На линиях, экранированных по всей длине другими сооружениями (см. примечание к п. 2.3), включение искровых разрядников ИР-7,0 не требуется.

(Введен дополнительно, Изм. № 1).

2. ЗАЩИТА ОБОРУДОВАНИЯ, ПОДКЛЮЧЕННОГО К РАСПРЕДЕЛИТЕЛЬНЫМ ФИДЕРНЫМ ЛИНИЯМ

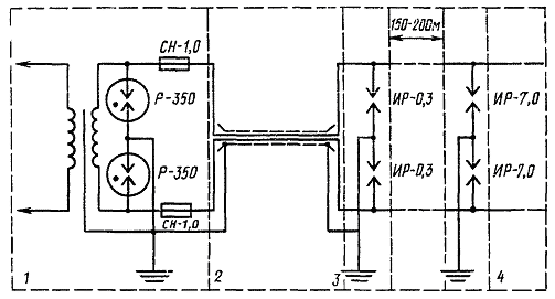
2.1. Станции ПВ со стороны воздушных фидерных линий с кабельными вводами, независимо от того, подвешены ли провода на собственных опорах, совместно на общих опорах с ВЛ 380/220 В или совместно с линиями сельской связи, должны быть защищены:

а) при напряжении фидерной линии 120 В - разрядниками типа Р-350, предохранителями СН-1,0 на станции и разрядниками ИР-0,3, ИР-7,0 - согласно схеме черт. 3;

б) при напряжении фидерной линии 240 и 360 В - согласно схеме черт. 3 с заменой разрядника Р-350 на искровой разрядник ИР-0,3.

Примечания:

1. При напряжении 240 В вместо разрядника Р-350 может быть включен разрядник Р-460.

2. Вместо двух разрядников Р-350 в схемах черт. 3 может быть включен разрядник Р-35.

2.2. Включение элементов защиты на выводной опоре и разрядников ИР-7,0 на расстоянии 150 - 200 м от выводной опоры не требуется, если на опорах на расстоянии до 200 м включен абонентский трансформатор.

Если абонентский трансформатор установлен на расстоянии св. 200 м от выводной опоры, то на выводной опоре должен быть включен разрядник ИР-0,3, а при включении абонентского трансформатора на расстоянии св. 300 м - включен также разрядник ИР-7,0, как указано на черт. 3.

1 - станция; 2 - кабельный ввод; 3 - выводная опора; 4 - фидерная линия

Черт. 3

2.3. На фидерных линиях, экранированных по всей длине от ударов молнии различными сооружениями или близко расположенными деревьями, включение искровых разрядников к проводам воздушной линии не требуется.

В этом случае разрядники должны быть включены только на станции.

Примечание. Экранированными линиями считают такие линии, у которых угол a, образованный между линией, соединяющей вершины опор и крыш зданий, деревьев и так далее и вертикалью, проходящей через эти экранирующие сооружения или деревья, составляет не более 30°, как показано на черт. 4.

1 - защитная зона; 2 - вертикаль; 3 - линия, соединяющая вершины дерева и опоры PC; 4 - опора PC

Черт. 4

2.4. На станциях ПВ должны быть оборудованы заземления в соответствии с п. 7.4. Сопротивление заземления разрядников, удаленных от станции, включаемых на проводах воздушных линий, должно соответствовать значениям, указанным в п. 7.1.

2.1 - 2.4. (Измененная редакция, Изм. № 1).

2.5. Предохранители СН-1,0 при рабочем токе более 1 А должны быть заменены на предохранители с номинальным током, превышающим максимальный рабочий ток, протекающий по фидерной линии, на 50 - 80 %.

Вместо предохранителей СН-1,0 могут быть включены также предохранители типа ПР-1 или другие с требуемым номинальным током.

(Измененная редакция, Изм. № 1, 2).

3. ЗАЩИТА АБОНЕНТОВ И ОБОРУДОВАНИЯ НА АБОНЕНТСКИХ ЛИНИЯХ

3.1. Защита на столбовых и стоечных воздушных линиях

3.1.1. Абоненты и трансформаторы абонентских воздушных линий должны быть защищены, как это указано на черт. 5:

1 - фидерная линия; 2 - абонентский трансформатор; 3 - абонентская линия

Черт. 5

а) разрядниками ИР-0,3, присоединенными к выводам обмоток абонентских трансформаторов;

б) предохранителем СН-1,0, включенным в разрез вторичной обмотки абонентского трансформатора в средней точке или в начале (конце) обмотки;

в) разрядниками ИР-7,0, включенными на опорах абонентской линии (на 1, 3, 5 и так далее после опоры с абонентским трансформатором).

3.1.2. Разрядники ИР-7,0 должны быть включены также на всех опорах, от которых имеются вводы в общественные здания и предприятия (школы, больницы, ясли, склады, мастерские, животноводческие фермы и т.д.).

3.1.3. На участках воздушных линий, не имеющих отводов к абонентам, разрядники ИР-7,0 не устанавливают.

3.1.2, 3.1.3. (Измененная редакция, Изм. № 1).

3.1.4. На абонентских линиях длиной не более 100 м включение разрядников ИР-0,3 и ИР-7,0 не требуется.

3.1.5. На проводах абонентских линий, подвешенных на собственных опорах радиоузла, экранированных по всей длине (п. 2.3), а также на проводах, подвешенных на опорах ВЛ напряжением 380/220 В или совместно с проводами фидерных линий ПВ, включение разрядников ИР-7,0 не требуется.

(Измененная редакция, Изм. № 1).

3.1.6. Если абонентская линия не имеет пересечений с линиями ВЛ напряжением 380/220 В, а также не имеет пересечений с контактными проводами трамвая и троллейбуса и не подвешена совместно на опорах ВЛ напряжением 380/220 В, то предохранитель СН-1,0, включенный во вторичную обмотку трансформатора, может быть исключен.

3.1.7. (Исключен, Изм. № 2).

3.1.8. (Исключен, Изм. № 1).

3.1.9. При включении высоковольтных абонентских трансформаторов на магистральных фидерных линиях (типа TAB-10 или др.) должны быть включены:

- разрядники ИР-0,5 - к выводам обмоток высшего напряжения трансформатора;

- разрядники ИР-0,3 - к выводам обмоток низшего напряжения;

- предохранитель СН-1,0 - в разрез обмотки минимального напряжения в средней точке или в начале (конце) обмотки.

(Измененная редакция, Изм. № 2).

3.1.10. Сопротивления заземлений для разрядников должны иметь значения не более указанных в п. 7.1.

(Введен дополнительно, Изм. № 2).

3.2. Защита на абонентских кабельных линиях

3.2.1. Трансформаторы на абонентских кабельных линиях при применении кабелей с изолированными оболочками должны быть защищены разрядниками ИР-0,3, присоединенными к выводам обмоток абонентских трансформаторов, как показано на черт. 5, без включения предохранителей СН-1,0.

(Измененная редакция, Изм. № 1).

3.2.2. Сопротивление заземления для разрядников ИР-0,3 должно быть не более значений, указанных в п. 7.1.

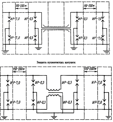
4. ЗАЩИТА КАБЕЛЬНЫХ ВСТАВОК И КАТУШЕК ПУПИНИЗАЦИИ

4.1. Кабельные вставки и катушки пупинизации, которые могут быть включены в разрез воздушных и смешанных линий ПВ, должны быть защищены от опасных напряжений, возникающих при грозовых разрядах, разрядниками ИР-0,3 и ИР-7,0, включенными по схеме, указанной на черт. 6.

Защита кабельных вставок

Черт. 6

При напряжении фидерной линии 960 В разрядники ИР-0,3 должны быть заменены на разрядники ИР-0,5.

На линиях, экранированных по всей длине другими сооружениями, установка разрядников ИР-7,0 не требуется.

(Измененная редакция, Изм. № 1, 2).

4.2. При применении для кабельных вставок кабелей с металлической оболочкой или экранированных металлические оболочки и экран должны быть заземлены в начале и в конце кабельной вставки. Сопротивление заземлений должно быть не более значений, указанных в п. 7.1.

(Измененная редакция, Изм. № 1).

5. ЗАЩИТА РАДИОПРИЕМНИКОВ НА ВВОДЕ ПРИЕМНЫХ АНТЕНН

5.1. Радиоприемник на станции, в который включают провод от антенны для приемника длинных, средних и коротких волн, должен быть защищен от атмосферных перенапряжений разрядниками Р-350 и ИР-0,3 по схеме, указанной на черт. 7.

Черт. 7

Разрядники Р-350 и ИР-0,3 должны устанавливаться в помещении станции в закрытых коробках по возможности вблизи ввода антенны.

5.2. Радиоприемники, в которые включают провод от антенны для приема ультракоротких волн (УКВ), дополнительной защиты не требуют, так как антенны постоянно заземлены.

6. ЗАЩИТА ПРИ ПЕРЕСЕЧЕНИИ ЛИНИЙ РАДИОТРАНСЛЯЦИОННЫХ СЕТЕЙ С ВОЗДУШНЫМИ ЛИНИЯМИ ЭЛЕКТРОПЕРЕДАЧИ И КОНТАКТНЫМИ ПРОВОДАМИ НАЗЕМНОГО ЭЛЕКТРОТРАНСПОРТА

6.1. Пересечение линий ПВ с линиями электропередачи напряжением до 1000 В и более выполняют в соответствии с «Правилами устройства электроустановок» (ПУЭ), утвержденными Госэнергонадзором.

(Измененная редакция, Изм. № 1).

6.2. Пересечение с контактными сетями трамвая и троллейбуса должно выполняться по ГОСТ 67.

6.3. Пересечение проводов ввода радиотрансляционных сетей с проводами ввода линий электропередачи напряжением 380/220 В запрещается.

6.4. (Исключен, Изм. № 1).

7. НОРМЫ СОПРОТИВЛЕНИЯ ЗАЗЕМЛЕНИЙ, УСТРОЙСТВО ИСКРОВЫХ РАЗРЯДНИКОВ И ТОКООТВОДОВ

7.1. Сопротивления заземлений на линиях ПВ для искровых разрядников ИР-0,5, ИР-7,0(черт. 1, 2) и ИР-0,3, ИР-7,0 (черт. 3, 5, 6), а также для металлической оболочки и экрана кабелей, применяемых для кабельных вставок (п. 4.2), должны иметь значения не более указанных в таблице.

Удельное сопротивление грунта, Ом·м

До 100

Св. 100 до 300

Св. 300 до 500

Св. 500 до 1000

Св. 1000

Сопротивление заземления Ом, не более

20

30

35

45

55

(Измененная редакция, Изм. № 2).

7.2. Токоотводы для заземления разрядников, включаемых по схемам черт. 1 - 6, должны выполняться из стальной проволоки по ГОСТ 1668 диаметром 4 мм (или двух проводоз диаметром 3 мм) и прикрываться по всей длине деревянными желобами (на столбах).

Токоотводы для разрядников, включаемых на стойках с заземлением, оборудованным при строительстве здания, должны присоединяться непосредственно к корпусу заземленной стойки или токоотводу, идущему от стойки к заземлителю.

Токоотводы для разрядников, включаемых на стойках, не имеющих заземления, должны выполняться из стальной полосы 20´5 мм по ГОСТ 103 или из круглой стали по ГОСТ 3282 диаметром 5 - 8 мм и прокладываться от стойки по кровле и фасаду здания к заземлителю. При этом все соединения токоотвода производят при помощи сварки и токоотвод покрывают битумом.

В качестве заземляющего устройства для разрядников может быть использована молниеприемная сетка, если сопротивление ее заземления не превышает норм, указанных для разрядников.

Допускается соединение токоотвода со стойкой и заземлением выполнять при помощи болтов при условии систематической проверки состояния соединения и проверки значения сопротивления заземления.

На невысоких зданиях (не более двух этажей) допускается выполнять токоотвод для стоек из стальной проволоки по ГОСТ 1668 диаметром 4 - 5 мм.

Для заземления разрядников, устанавливаемых на линиях ПВ, допускается использовать защитные заземления трансформаторных подстанций (ТП) сетей с глухозаземленной нейтралью 380/220/127 В, если расстояние между местами расположения ТП и разрядников не превышает 100 м. При этом токоотвод для заземления разрядников подключают к одному из ближайших распределительных щитов указанной сети.

(Измененная редакция, Изм. № 1).

7.3. Искровые разрядники ИР-7,0 должны монтироваться непосредственно у изоляторов или в закрытых конструкциях, а разрядники ИР-0,3 - только в закрытых конструкциях.

7.4. На станциях ПВ оборудуют заземление с сопротивлением 10 Ом. На станциях ПВ, питающихся от сетей с глухозаземленной нейтралью или глухозаземленным выводом источника однофазного тока, применяют зануление.

При расстоянии между станцией ПВ и питающей ее трансформаторной подстанцией менее 100 м оборудование на станции ПВ заземляющего устройства (в дополнение к занулению) не требуется.

(Введен дополнительно, Изм. № 1).

ИНФОРМАЦИОННЫЕ ДАННЫЕ

1. РАЗРАБОТЧИКИ

А.К. Сланов (руководитель темы), В.В. Захаров

2. УТВЕРЖДЕН И ВВЕДЕН В ДЕЙСТВИЕ Постановлением Государственного комитета стандартов Совета Министров СССР от 16.01.76 № 123

3. ССЫЛОЧНЫЕ НОРМАТИВНО-ТЕХНИЧЕСКИЕ ДОКУМЕНТЫ

Обозначение НТД, на который дана ссылка

Номер пункта

ГОСТ 67-78

6.2

ГОСТ 103-76

7.2

ГОСТ 1668-73

7.2

ГОСТ 3282-74

7.2

4. Ограничение срока действия снято Постановлением Госстандарта от 03.07.91 № 1204

5. ПЕРЕИЗДАНИЕ (апрель 1999 г.) с Изменениями № 1, 2, утвержденными в ноябре 1986 г., декабре 1989 г. (ИУС 2-87, 4-90)

СОДЕРЖАНИЕ

1. Защита оборудования, подключенного к магистральным фидерным линиям.. 1

2. Защита оборудования, подключенного к распределительным фидерным линиям.. 3

3. Защита абонентов и оборудования на абонентских линиях. 4

4. Защита кабельных вставок и катушек пупинизации. 5

5. Защита радиоприемников на вводе приемных антенн. 6

6. Защита при пересечении линий радиотрансляционных сетей с воздушными линиями электропередачи и контактными проводами наземного электротранспорта. 7

7. Нормы сопротивления заземлений, устройство искровых разрядников и токоотводов. 7

 




Яндекс цитирования



   Copyright © 2007-2026,  www.tehlit.ru.

[ ѓосты, стандарты, нормативы, инструкции, правила, строительные нормы ]