//
ТехЛит.ру
- крупнейшая бесплатная электронная интернет библиотека для "технически умных" людей.
WWW.TEHLIT.RU - ТЕХНИЧЕСКАЯ ЛИТЕРАТУРА

:: Алготрейдинг::


АЛГОТРЕЙДИНГ
шаг за шагом
с нуля по урокам!

Торговые роботы на PYTHON, BackTrader,
Pandas, Pine Script для TradingView. Связка с брокерами, телеграм и легкими приложениями.


СТРОИТЕЛЬНЫЕ НОРМЫ И ПРАВИЛА

БЕТОННЫЕ И ЖЕЛЕЗОБЕТОННЫЕ КОНСТРУКЦИИ

СНиП 2.03.01-84*

ГОССТРОЙ СССР

МОСКВА 1989

РАЗРАБОТАНЫ НИИЖБ Госстроя СССР (д-р техн. наук, проф. А. А. Гвоздев - руководитель темы; доктора техн. наук А. С. Залесов, Ю. П. Гуща; д-р техн. наук, проф. В. А. Клевцов; кандидаты техн. наук Е. А. Чистяков, Р. Л. Серых, Н. М. Мулин и Л. К. Руллэ) и ЦНИИпромзданий Госстроя СССР (И. К. Никитин - руководитель темы; Б. Ф. Васильев).

ВНЕСЕНЫ НИИЖБ Госстроя СССР.

ПОДГОТОВЛЕНЫ К УТВЕРЖДЕНИЮ Управлением стандартизации и технических норм в строительстве Госстроя СССР (В. М. Скубко).

СНиП 2.03.01-84* является переизданием СНиП 2.03.01-84 с изменениями, утвержденными постановлениями Госстроя СССР от 8 июля 1988 г. № 132 и от 25 августа 1988 г. № 169.

В конце документа приведено изменение № 2 СНиП 2.03.01-84*, утвержденное постановлением Госстроя СССР от 12.11.1991 г. № 11.

Разделы, пункты, таблицы, формулы, приложения и подписи к рисункам, в которые внесены изменения, отмечены в настоящих строительных нормах и правилах звездочкой.

При пользовании нормативным документом следует учитывать утвержденные изменения строительных норм и правил и государственных стандартов, публикуемые в журнале «Бюллетень строительной техники», «Сборнике изменений к строительным нормам и правилам» Госстроя СССР и информационном указателе «Государственные стандарты СССР» Госстандарта СССР.

Госстрой СССР

Строительные нормы и правила

СНиП 2.03.01-84*

Бетонные и железобетонные конструкции

Взамен
СНиП
II-21-75 и СН 511-78

_____________

* Переиздание с изменениями на 1 января 1989 г.

Настоящие нормы распространяются на проектирование бетонных и железобетонных конструкций зданий и сооружений различного назначения, работающих при систематическом воздействии температур не выше 50 °С и не ниже минус 70 °С.

Нормы устанавливают требования к проектированию бетонных и железобетонных конструкций, изготовляемых из тяжелого, мелкозернистого, легкого, ячеистого и поризованного бетонов, а также из напрягающего бетона.

Положения данных норм соответствуют ГОСТ 27751-88 (СТ СЭВ 384-87).

(Измененная редакция. Изм. № 2).

Требования настоящих норм не распространяются на бетонные и железобетонные конструкции гидротехнических сооружений, мостов, транспортных тоннелей, труб под насыпями, покрытий автомобильных дорог и аэродромов, армоцементные конструкции, а также конструкции, изготовляемые из бетонов средней плотностью менее 500 и свыше 2500 кг/м3, бетонополимеров и полимербетонов, бетонов на известковых, шлаковых и смешанных вяжущих (кроме применения их в ячеистом бетоне), на гипсовом и специальных вяжущих, бетонов на специальных и органических заполнителях, бетона крупнопористой структуры.

При проектировании бетонных и железобетонных конструкций, предназначенных для работы в особых условиях эксплуатации (при сейсмических воздействиях, в среде с агрессивной степенью воздействия на бетонные и железобетонные конструкции, в условиях повышенной влажности и т. п.), должны соблюдаться дополнительные требования, предъявляемые к таким конструкциям соответствующими нормативными документами.

По показателям прочности бетона приняты классы бетона в соответствии с СТ СЭВ 1406-78.

Основные буквенные обозначения, принятые в настоящих нормах согласно СТ СЭВ 1565-79, приведены в справочном приложении 5.

1. ОБЩИЕ УКАЗАНИЯ

ОСНОВНЫЕ ПОЛОЖЕНИЯ

1.1. Бетонные и железобетонные конструкции, согласно СТ СЭВ 1406-78, должны быть обеспечены с требуемой надежностью от возникновения всех видов предельных состояний расчетом, выбором материалов, назначением размеров и конструированием.

1.2. Выбор конструктивных решений должен производиться исходя из технико-экономической целесообразности их применения в конкретных условиях строительства с учетом максимального снижения материалоемкости, энергоемкости, трудоемкости и стоимости строительства, достигаемого путем:

применения эффективных строительных материалов и конструкций;

снижения веса конструкций;

наиболее полного использования физико-механических свойств материалов;

использования местных строительных материалов;

соблюдения требований по экономному расходованию основных строительных материалов.

1.3. При проектировании зданий и сооружений должны приниматься конструктивные схемы, обеспечивающие необходимую прочность, устойчивость и пространственную неизменяемость зданий и сооружений в целом, а также отдельных конструкций на всех стадиях возведения и эксплуатации.

1.4. Элементы сборных конструкций должны отвечать условиям механизированного изготовления на специализированных предприятиях.

Внесены
НИИЖБ
Госстроя СССР

Утверждены
постановлением
Госстроя СССР
от 20 августа 1984 г. № 136

Срок
введения
в действие
1 января 1986 г.

При выборе элементов сборных конструкций должны предусматриваться преимущественно предварительно напряженные конструкции из высокопрочных бетонов и арматуры, а также конструкции из легкого и ячеистого бетонов там, где их применение не ограничивается требованиями других нормативных документов.

Целесообразно укрупнять элементы сборных конструкций, насколько это позволяют грузоподъемность монтажных механизмов, условия изготовления и транспортирования.

1.5. Для монолитных конструкций следует предусматривать унифицированные размеры, позволяющие применять инвентарную опалубку, а также укрупненные пространственные арматурные каркасы.

1.6. В сборных конструкциях особое внимание должно быть обращено на прочность и долговечность соединений.

Конструкции узлов и соединений элементов должны обеспечивать с помощью различных конструктивных и технологических мероприятий надежную передачу усилий, прочность самих элементов в зоне стыка, а также связь дополнительно уложенного бетона в стыке с бетоном конструкции.

1.7. Бетонные элементы применяются:

а) преимущественно в конструкциях, работающих на сжатие при малых эксцентриситетах продольной силы, не превышающих значений, указанных в п. 3.3;

б) в отдельных случаях в конструкциях, работающих на сжатие с большими эксцентриситетами, а также в изгибаемых конструкциях, когда их разрушение не представляет непосредственной опасности для жизни людей и сохранности оборудования (элементы, лежащие на сплошном основании, и др.).

Примечание. Конструкции рассматриваются как бетонные, если их прочность в стадии эксплуатации обеспечивается одним бетоном.

1.8. Расчетная зимняя температура наружного воздуха принимается как средняя температура воздуха наиболее холодной пятидневки в зависимости от района строительства согласно СНиП 2.01.01-82. Расчетные технологические температуры устанавливаются заданием на проектирование.

Влажность воздуха окружающей среды определяется как средняя относительная влажность наружного воздуха наиболее жаркого месяца в зависимости от района строительства согласно СНиП 2.01.01-82 или как относительная влажность внутреннего воздуха помещений отапливаемых зданий.

1.9. В настоящих нормах приняты буквенные обозначения основных величин, подлежащих применению при проектировании строительных конструкций, а также индексы к буквенным обозначениям, установленные СТ СЭВ 1565-79.

ОСНОВНЫЕ РАСЧЕТНЫЕ ТРЕБОВАНИЯ

1.10. Бетонные и железобетонные конструкции должны удовлетворять требованиям расчета по несущей способности (предельные состояния первой группы) и по пригодности к нормальной эксплуатации (предельные состояния второй группы).

а) Расчет по предельным состояниям первой группы должен обеспечивать конструкции от:

хрупкого, вязкого или иного характера разрушения (расчет по прочности с учетом в необходимых случаях прогиба конструкции перед разрушением);

потери устойчивости формы конструкции (расчет на устойчивость тонкостенных конструкций и т. д.) или ее положения (расчет на опрокидывание и скольжение подпорных стен; расчет на всплывание заглубленных или подземных резервуаров, насосных станций и т. п.);

усталостного разрушения (расчет на выносливость конструкций, находящихся под воздействием многократно повторяющейся нагрузки - подвижной или пульсирующей: подкрановых балок, шпал, рамных фундаментов и перекрытий под некоторые неуравновешенные машины и т. п.);

разрушения под совместным воздействием силовых факторов и неблагоприятных влияний внешней среды (периодического или постоянного воздействия агрессивной среды, действия попеременного замораживания и оттаивания, воздействия пожара и т. п.).

б) Расчет по предельным состояниям второй группы должен обеспечивать конструкции от:

образования трещин, а также их чрезмерного или продолжительного раскрытия (если по условиям эксплуатации образование или продолжительное раскрытие трещин недопустимо);

чрезмерных перемещений (прогибов, углов перекоса и поворота, колебаний).

1.11. Расчет по предельным состояниям конструкции в целом, а также отдельных ее элементов должен, как правило, производиться для всех стадий - изготовления, транспортирования, возведения и эксплуатации, при этом расчетные схемы должны отвечать принятым конструктивным решениям.

Расчет по раскрытию трещин и по деформациям допускается не производить, если на основании опытной проверки или практики применения железобетонных конструкций установлено, что раскрытие в них трещин не превышает допустимых значений и жесткость конструкций в стадии эксплуатации достаточна.

1.12*. Значения нагрузок и воздействий, коэффициентов надежности по нагрузке, коэффициентов сочетаний, а также подразделение нагрузок на постоянные и временные должны приниматься в соответствии с требованиями СНиП 2.01.07-85.

Значения нагрузок необходимо умножить на коэффициенты надежности по назначению, принимаемые согласно «Правилам учета степени ответственности зданий и сооружений при проектировании конструкций», утвержденным Госстроем СССР.

Нагрузки, учитываемые при расчете по предельным состояниям второй группы (эксплуатационные), следует принимать согласно указаниям пп. 1.16 и 1.20. При этом к длительным нагрузкам относится также часть полного значения кратковременных нагрузок, оговоренных в СНиП 2.01.07-85, а вводимую в расчет кратковременную нагрузку следует принимать уменьшенной на величину, учтенную в длительной нагрузке. Коэффициенты сочетаний и коэффициенты снижения нагрузок относятся к полному значению кратковременных нагрузок.

Для не защищенных от солнечной радиации конструкций, предназначенных для работы в климатическом подрайоне IVА согласно СНиП 2.01.01-82, при расчете должны учитываться температурные климатические воздействия.

Для бетонных и железобетонных конструкций должна быть также обеспечена их огнестойкость в соответствии с требованиями СНиП 2.01.02-85.

1.13. При расчете элементов сборных конструкций на воздействие усилий, возникающих при их подъеме, транспортировании и монтаже, нагрузку от веса элемента следует вводить с коэффициентом динамичности, равным:

при транспортировании           1,60

при подъеме и монтаже            1,40

Для указанных коэффициентов динамичности допускается принимать более низкие значения, обоснованные в установленном порядке, но не ниже 1,25.

1.14. Сборно-монолитные конструкции, а также монолитные конструкции с несущей арматурой должны рассчитываться по прочности, образованию и раскрытию трещин и по деформациям для следующих двух стадий работы конструкций:

а) до приобретения бетоном, уложенным на месте использования конструкции, заданной прочности - на воздействие веса этого бетона и других нагрузок, действующих на данном этапе возведения конструкции;

б) после приобретения бетоном, уложенным на места использования конструкции, заданной прочности - на нагрузки, действующие на данном этапе возведения и при эксплуатации конструкции.

1.15. Усилия в статически неопределимых железобетонных конструкциях от нагрузок и вынужденных перемещений (вследствие изменения температуры, влажности бетона, смещения опор и т. п.), а также усилия в статически определимых конструкциях при расчете их по деформированной схеме следует, как правило, определять с учетом неупругих деформаций бетона и арматуры и наличия трещин.

Для конструкций, методика расчета которых с учетом неупругих свойств железобетона не разработана, а также для промежуточных стадий расчета с учетом неупругих свойств железобетона усилия в статически неопределимых конструкциях допускается определять в предположении их линейной упругости.

1.16. К трещиностойкости конструкций (или их частей) предъявляются требования соответствующих категорий в зависимости от условий, в которых они работают, и от вида применяемой арматуры:

а) 1-я категория - не допускается образование трещин;

б) 2-я категория - допускается ограниченное по ширине непродолжительное раскрытие трещин acrc1 при условии обеспечения их последующего надежного закрытия (зажатия);

в) 3-я категория - допускается ограниченное по ширине непродолжительное acrc1 и продолжительное acrc2 раскрытие трещин.

Под непродолжительным раскрытием трещин понимается их раскрытие при совместном действии постоянных, длительных и кратковременных нагрузок, а под продолжительным - только постоянных и длительных нагрузок.

Категории требований к трещиностойкости железобетонных конструкций, а также значения предельно допустимой ширины раскрытия трещин в условиях неагрессивной среды приведены: для ограничения проницаемости конструкций - в табл. 1, для обеспечения сохранности арматуры - в табл. 2*.

Эксплуатационные нагрузки, учитываемые при расчете железобетонных конструкций по образованию трещин, их раскрытию или закрытию, должны приниматься согласно табл. 3.

Если в конструкциях или их частях, к трещиностойкости которых предъявляются требования 2-й и 3-й категорий, трещины не образуются при соответствующих нагрузках, указанных в табл. 3, их расчет по непродолжительному раскрытию и по закрытию трещин (для 2-й категории) или по непродолжительному и продолжительному раскрытию трещин (для 3-й категории) не производится.

Указанные категории требований к трещиностойкости железобетонных конструкций относятся к трещинам, нормальным и наклонным к продольной оси элемента.

Таблица 1

Условия работы конструкций

Категория требований к трещиностойкости железобетонных конструкций и предельно допустимая ширина acrc1 и acrc1 раскрытия трещин, мм, обеспечивающие ограничение проницаемости конструкций

1. Элементы, воспринимающие давление жидкостей и газов при сечении:

 

полностью растянутом

1-я категория1

частично сжатом

3-я категория;

acrc1 = 0,3;

acrc2 = 0,2

2. Элементы, воспринимающие давление сыпучих тел

3-я категория;

acrc1 = 0,3;

acrc2 =0,2

_____________

1 Конструкции должны преимущественно выполняться предварительно напряженными. При специальном обосновании допускается выполнить эти конструкции без предварительного напряжения, в этом случае к их трещиностойкости предъявляются требования 3-й категории.

Во избежание раскрытия продольных трещин следует принимать конструктивные меры (устанавливать соответствующую поперечную арматуру), а для предварительно напряженных элементов, кроме того, ограничивать значения сжимающих напряжений в бетоне в стадии предварительного обжатия (см. п. 1.29).

1.17. На концевых участках предварительно напряженных элементов с арматурой без анкеров в пределах длины зоны передачи напряжений (см. п. 2.29) не допускается образование трещин при действии постоянных, длительных и кратковременных нагрузок, вводимых в расчет с коэффициентом gf = 1,0.

При этом предварительные напряжения в арматуре по длине зоны передачи напряжений принимаются линейно возрастающими от нуля до максимальных расчетных величин.

Указанное требование допускается не учитывать для части сечения, расположенной по его высоте от уровня центра тяжести приведенного сечения до растянутой от действия усилия предварительного обжатия грани, если в этой части отсутствует напрягаемая арматура без анкеров.

1.18. В случае, если в сжатой при эксплуатационных нагрузках зоне предварительно напряженных элементов, согласно расчету, в стадиях изготовления, транспортирования и возведения образуются трещины, нормальные к продольной оси, следует учитывать снижение трещиностойкости растянутой при эксплуатации зоны элементов, а также увеличение их кривизны. Для элементов, рассчитываемых на воздействие многократно повторяющейся нагрузки, образование таких трещин не допускается.

Таблица 2*

Условия эксплуатации конструкций

Категория требований к трещиностойкости железобетонных конструкций и предельно допустимая ширина acrc1 и acrc2, мм, раскрытия трещин, обеспечивающие сохранность арматуры

стержневой классов А-I, А-II, А-III, А-IIIв и A-IV; проволочной классов В-I и Вр-I

стержневой классов А-V и АVI; проволочной классов B-II, Вр-II, К-7 и К-19 при диаметре проволоки 3,5 мм и более

проволочной классов В-II, Вр-II и К-7 при диаметре проволоки 3 мм и менее, стержневой класса Ат-VII

1. В закрытом помещении

3-я категория;

acrc1 = 0,4;

acrc2 = 0,3

3-я категория;

acrc1 = 0,3;

acrc2 = 0,2

3-я категория;

acrc1 = 0,2;

acrc2 = 0,1

2. На открытом воздухе, а также в грунте выше или ниже уровня грунтовых вод

3-я категория;

acrc1 = 0,4;

acrc2 = 0,3

3-я категория;

acrc1 = 0,2;

acrc2 = 0,1

2-я категория;

acrc1 = 0,2

3. В грунте при переменном уровне грунтовых вод

3-я категория;

acrc1 = 0,3;

acrc2 = 0,2

2-я категория;

acrc1 = 0,2

2-я категория;

acrc1 = 0,1

Примечания: 1. Обозначения классов арматуры - в соответствии с п. 2.24а.

2. В канатах подразумевается проволока наружного слоя.

3. Для конструкций со стержневой арматурой класса А-V, эксплуатируемых в закрытом помещении или на открытом воздухе, при наличии опыта проектирования и эксплуатации таких конструкций значения acrc1 и acrc2 допускается увеличивать на 0,1 мм по отношению к приведенным в настоящей таблице.

1.19. Для железобетонных слабоармированных элементов, характеризуемых тем, что их несущая способность исчерпывается одновременно с образованием трещин в бетоне растянутой зоны (см. п. 4.9), площадь сечения продольной растянутой арматуры должна быть увеличена по сравнению с требуемой из расчета по прочности не менее чем на 15 %.

1.20*. Прогибы и перемещения элементов конструкций не должны превышать предельных, установленных СНиП 2.01.07-85.

1.21. При расчете по прочности бетонных и железобетонных элементов на действие сжимающей продольной силы должен приниматься во внимание случайный эксцентриситет еа, обусловленный не учтенными в расчете факторами. Эксцентриситет еа в любом случае принимается не менее 1/600 длины элемента или расстояния между его сечениями, закрепленными от смещения, и 1/30 высоты сечения. Кроме того, для конструкций, образуемых из сборных элементов, следует учитывать возможное взаимное смещение элементов, зависящее от вида конструкций, способа монтажа и т. п.

Для элементов статически неопределимых конструкций значение эксцентриситета продольной силы относительно центра тяжести приведенного сечения е0 принимается равным эксцентриситету, полученному из статического расчета конструкции, но не менее еа. В элементах статически определимых конструкций эксцентриситет е0 находится как сумма эксцентриситетов - определяемого из статического расчета конструкции и случайного.

1.22. Расстояния между температурно-усадочными швами, как правило, должны устанавливаться расчетом.

ДОПОЛНИТЕЛЬНЫЕ ТРЕБОВАНИЯ К ПРОЕКТИРОВАНИЮ ПРЕДВАРИТЕЛЬНО НАПРЯЖЕННЫХ КОНСТРУКЦИЙ

1.23. Предварительные напряжения ssp, а также s¢sp, соответственно в напрягаемой арматуре S и S¢ следует назначать с учетом допустимых отклонений p значения предварительного напряжения таким образом, чтобы для стержневой и проволочной арматуры выполнялись условия:

                                                (1)

Значение р при механическом способе натяжения арматуры принимается равным 0,05 ssp, а при электротермическом и электротермомеханическом способах определяется по формуле

                                                                 (2)

где p - в МПа;

l -    длина натягиваемого стержня (расстояние между наружными гранями упоров), м.

При автоматизированном натяжении арматуры значение числителя 360 в формуле (2) заменяется на 90.

1.24. Значения напряжений scon1 и s¢con1 соответственно в напрягаемой арматуре S и S¢, контролируемые по окончании натяжения на упоры, принимаются равными ssp и s¢sp (см. п. 1.23) за вычетом потерь от деформации анкеров и трения арматуры (см. п. 1.25).

Значения напряжений в напрягаемой арматуре S и S¢, контролируемые в месте приложения натяжного усилия при натяжении арматуры на затвердевший бетон, принимаются равными соответственно scon2 и s¢con2, определяемым из условия обеспечения в расчетном сечении напряжений ssp и s¢sp по формулам:

                                               (3)

                                             (4)

В формулах (3) и (4):

ssp, s¢sp - определяются без учета потерь предварительного напряжения;

Таблица 3

Категория требований к трещиностойкости железобетонных конструкций

Нагрузки и коэффициенты надежности по нагрузке gf, принимаемые при расчете

по образованию трещин

по раскрытию трещин

по закрытию трещин

непродолжительному

продолжительному

1

Постоянные, длительные и кратковременные при gf > 1,0*

-

-

-

2

Постоянные, длительные и кратковременные при gf > 1,0* (расчет производится для выяснения необходимости проверки по непродолжительному раскрытию трещин и по их закрытию)

Постоянные, длительные и кратковременные при gf = 1,0

-

Постоянные и длительные при gf = 1,0

3

Постоянные, длительные и кратковременные при gf = 1,0 (расчет производится для выяснения необходимости проверки по раскрытию трещин)

То же

Постоянные и длительные при gf = 1,0

-

____________

* Коэффициент gf принимается как при расчете по прочности.

Примечания: 1. Длительные и кратковременные нагрузки принимаются с учетом указаний п. 1.12*.

2. Особые нагрузки учитываются в расчете по образованию трещин в тех случаях, когда наличие трещин приводит к катастрофическому положению (взрыву, пожару и т. п.).

Р, е - определяются по формулам (8) и (9) при значениях ssp и s¢sp с учетом первых потерь предварительного напряжения;

ysp, y¢sp - обозначения те же, что в п. 1.28;

a = Es/Eb.

Напряжения в арматуре самонапряженных конструкций рассчитываются из условия равновесия с напряжениями (самонапряжением) в бетоне.

Самонапряжение бетона в конструкции определяется исходя из марки бетона по самонапряжению Sp с учетом коэффициента армирования, расположения арматуры в бетоне (одно-, двух- и трехосное армирование), а также в необходимых случаях - потерь от усадки и ползучести бетона при загружении конструкции.

Примечание. В конструкциях их легкого бетона классов В7,5-В12,5 значения scon1 и scon2 должны превышать соответственно 400 и 550 МПа.

1.25. При расчете предварительно напряженных элементов следует учитывать потери предварительного напряжения арматуры.

При натяжении арматуры на упоры следует учитывать:

а) первые потери - от деформации анкеров, трения арматуры об огибающие приспособления, от релаксации напряжений в арматуре, температурного перепада, деформации форм (при натяжении арматуры на формы), от быстронатекающей ползучести бетона;

б) вторые потери - от усадки и ползучести бетона.

При натяжении арматуры на бетон следует учитывать:

в) первые потери - от деформации анкеров, трения арматуры о стенки каналов или поверхность бетона конструкции;

г) вторые потери - от релаксации напряжений в арматуре, усадки и ползучести бетона, смятия бетона под витками арматуры, деформации стыков между блоками (для конструкций, состоящих из блоков).

Потери предварительного напряжения арматуры следует определять по табл. 5, при этом суммарную величину потерь при проектировании конструкций необходимо принимать не менее 100 МПа.

При расчете самонапряженных элементов учитываются только потери предварительного напряжения от усадки и ползучести бетона в зависимости от марки бетона по самонапряжению и влажности среды. Для самонапряженных конструкций, эксплуатируемых в условиях избытка влаги, потери от усадки не учитываются.

1.26. При определении потерь предварительного напряжения от усадки и ползучести бетона по поз. 8 и 9 табл. 5 необходимо учитывать следующие указания:

а) при заранее известном сроке загружения конструкции потери следует умножать на коэффициент jl, определяемый по формуле

                                                                       (5)

где t - время, сут, отсчитываемое при определении потерь от ползучести со дня обжатия бетона, от усадки - со дня окончания бетонирования;

Таблица 5

Факторы, вызывающие потери предварительного напряжения арматуры

Значения потерь предварительного напряжения, МПа, при натяжении арматуры

на упоры

на бетон

А. Первые потери

1. Релаксация напряжений арматуры:

 

 

при механическом способе натяжения арматуры:

 

 

а) проволочной

-

б) стержневой

0,1ssp - 20

-

при электротермическом и электротермомеханическом способах натяжения арматуры:

 

 

а) проволочной

0,05ssp

-

б) стержневой

0,03ssp

Здесь ssp принимается без учета потерь, МПа. Если вычисленные значения потерь окажутся отрицательными, их следует принимать равными нулю

-

2. Температурный перепад (разность температур натянутой арматуры в зоне нагрева и устройства, воспринимающего усилие натяжения при прогреве бетона)

Для бетона классов В15-В40 1,25Dt

-

Для бетона класса В45 и выше 1,0Dt,

где Dt - разность между температурой нагреваемой арматуры и неподвижных упоров (вне зоны нагрева), воспринимающих усилие натяжения, °С. При отсутствии точных данных принимается Dt = 65 °С.

При подтягивании напрягаемой арматуры в процессе термообработки на величину, компенсирующую потери от температурного перепада, последние принимаются равными нулю

-

3. Деформации анкеров, расположенных у натяжных устройств

где Dl - обжатие опрессованных шайб, смятие высаженных головок и т. п., принимаемое равным 2 мм; смещение стержней в инвентарных зажимах, определяемое по формуле

 

d - диаметр стержня, мм;

l - длина натягиваемого стержня (расстояние между наружными гранями упоров формы или стенда), мм.

При электротермическом способе натяжения потери от деформаций анкеров в расчете не учитываются, так как они учтены при определении значения полного удлинения арматуры

где Dl1 - обжатие шайб или прокладок, расположенных между анкерами и бетоном элемента, принимаемое равным 1 мм;

Dl2 - деформация анкеров стаканного типа, колодок с пробками, анкерных гаек и захватов, принимаемая равной 1 мм;

l - длина натягиваемого стержня (элемента), мм

4. Трение арматуры:

 

 

а) о стенки каналов или о поверхность бетона конструкций

-

где е - основание натуральных логарифмов;

w, d - коэффициенты, определяемые по табл. 6;

c - длина участка от натяжного устройства до расчетного сечения, м;

q - суммарный угол поворота оси арматуры, рад;

ssp - принимается без учета потерь

б) об огибающие приспособления

где е - основание натуральных логарифмов;

d - коэффициент, принимаемый равным 0,25;

q - суммарный угол поворота оси арматуры, рад;

ssp - принимается без учета потерь

-

5. Деформация стальной формы при изготовлении предварительно напряженных железобетонных конструкций

где h - коэффициент, определяемый по формулам:

при натяжении арматуры домкратом

при натяжении арматуры намоточной машиной электротермомеханическим способом (50 % усилия создается грузом)

n - число групп стержней, натягиваемых неодновременно;

Dl - сближение упоров по линии действия усилия Р, определяемое из расчета деформации формы;

l - расстояние между наружными гранями упоров.

При отсутствии данных о технологии изготовления и конструкции формы потери от ее деформации принимаются равными 30 МПа.

При электротермическом способе натяжения потери от деформации формы в расчете не учитываются, так как они учтены при определении полного удлинения арматуры

-

6. Быстронатекающая ползучесть для бетона:

 

 

а) естественного твердения

где a и b - коэффициенты, принимаемые:

a = 0,25 + 0,025Rbp, но не более 0,8;

b = 5,25 - 0,185Rbp, но не более 2,5 и не менее 1,1;

sbp - определяются на уровне центров тяжести продольной арматуры S и S¢ с учетом потерь по поз. 1-5 настоящей таблицы.

Для легкого бетона при передаточной прочности 11 МПа и ниже вместо множителя 40 принимается множитель 60

-

б) подвергнутого тепловой обработке

Потери вычисляются по формулам поз. 6а настоящей таблицы с умножением полученного результата на коэффициент, равный 0,85

-

Б. Вторые потери

7. Релаксация напряжений арматуры:

 

 

а) проволочной

-

б) стержневой

-

(см. пояснения к поз. 1 настоящей таблицы)

8. Усадка бетона (см. п. 1.26):

Бетон естественного твердения

Бетон, подвергнутый тепловой обработке при атмосферном давлении

Независимо от условий твердения бетона

тяжелого классов:

 

 

 

а) В35 и ниже

40

35

30

б) В40

50

40

35

в) В45 и выше

60

50

40

мелкозернистого групп:

 

 

г) А

Потери определяются по поз. 8а, б настоящей таблицы с умножением на коэффициент, равный 1,3

40

д) Б

Потери определяются по поз. 8а настоящей таблицы с умножением на коэффициент, равный 1,5

50

е) В

Потери определяются по поз. 8а - в настоящей таблицы как для тяжелого бетона естественного твердения

40

легкого при мелком заполнителе:

 

 

 

ж) плотном

50

45

40

з) пористом

70

60

50

9. Ползучесть бетона (см. п. 1.26):

 

а) тяжелого и легкого при плотном мелком заполнителе

где ssp - то же, что в поз. 6, но с учетом потерь по поз. 1-6 настоящей таблицы;

a - коэффициент, принимаемый равным для бетона:

естественного твердения - 1,00;

подвергнутого тепловой обработке при атмосферном давлении - 0,85

б) мелкозернистого групп:

 

А

Потери вычисляются по формулам поз. 9а настоящей таблицы с умножением полученного результата на коэффициент, равный 1,3

Б

Потери вычисляются по формулам поз. 9а настоящей таблицы с умножением полученного результата на коэффициент, равный 1,5

В

Потери вычисляются по формулам поз. 9а настоящей таблицы при a = 0,85

в) легкого при пористом мелком заполнителе

Потери вычисляются по формулам поз. 9а настоящей таблицы с умножением полученного результата на коэффициент, равный 1,2

10. Смятие бетона под витками спиральной или кольцевой арматуры (при диаметре конструкции до 3 м)

-

где dext - наружный диаметр конструкции, см

11. Деформация обжатия стыков между блоками (для конструкций, состоящих из блоков)

-

где n - число швов конструкции и оснастки по длине натягиваемой арматуры;

Dl - обжатие стыка, принимаемое равным для стыков, заполненных бетоном, - 0,3 мм; при стыковании насухо - 0,5 мм;

l - длина натягиваемой арматуры, мм

Примечания: 1. Потери предварительного напряжения в напрягаемой арматуре S¢ определяются так же, как в арматуре S.

2. Для самонапряженных конструкций потери от усадки и ползучести бетона определяются по опытным данным.

Таблица 6

Канал или поверхность

Коэффициенты для определения потерь от трения арматуры (см. поз. 4 табл. 5)

w

d при арматуре в виде

пучков, канатов

стержней периодического профиля

1. Канал:

 

 

 

с металлической поверхностью

0,0030

0,35

0,40

с бетонной поверхностью, образованный жестким каналообразователем

0

0,55

0,65

то же, гибким каналообразователем

0,0015

0,55

0,65

2. Бетонная поверхность

0

0,55

0,65

б) для конструкций, предназначенных для эксплуатации при влажности воздуха ниже 40 %, потери должны быть увеличены на 25 %, за исключением конструкций из тяжелого и мелкозернистого бетонов, предназначенных для эксплуатации в климатическом подрайоне IVА согласно СНиП 2.01.01-82 и не защищенных от солнечной радиации, для которых указанные потери увеличиваются на 50 %;

в) допускается использовать более точные методы для определения потерь, обоснованные в установленном порядке, если известны сорт цемента, состав бетона, условия изготовления и эксплуатации конструкции и т. п.

1.27. Значение предварительного напряжения в арматуре вводится в расчет с коэффициентом точности натяжения арматуры gsp, определяемым по формуле

                                                             (6)

Знак «плюс» принимается при неблагоприятном влиянии предварительного напряжения (т. е. на данной стадии работы конструкции или на рассматриваемом участке элемента предварительное напряжение снижает несущую способность, способствует образованию трещин и т. п.), знак «минус» - при благоприятном.

Значения Dgsp при механическом способе натяжения арматуры принимаются равными 0,1, а при электротермическом и электротермомеханическом способах натяжения определяются по формуле

                                                       (7)

но принимаются не менее 0,1;

здесь р, ssp - см. п. 1.23;

пр - число стержней напрягаемой арматуры в сечении элемента.

При определении потерь предварительного напряжения арматуры, а также при расчете по раскрытию трещин и по деформациям значение Dgsp допускается принимать равным нулю.

1.28. Напряжения в бетоне и арматуре, а также усилия предварительного обжатия бетона, вводимые в расчет предварительно напряженных конструкций, определяются с учетом следующих указаний.

Напряжения в сечениях, нормальных к продольной оси элемента, определяются по правилам расчета упругих материалов. При этом принимают приведенное сечение, включающее сечение бетона с учетом ослабления его каналами, лазами и т. п., а также сечение всей продольной (напрягаемой и ненапрягаемой) арматуры, умноженное на отношение a модулей упругости арматуры и бетона. Если части бетонного сечения выполнены из бетонов разных классов или видов, их приводят к одному классу или виду, исходя из отношения модулей упругости бетона.

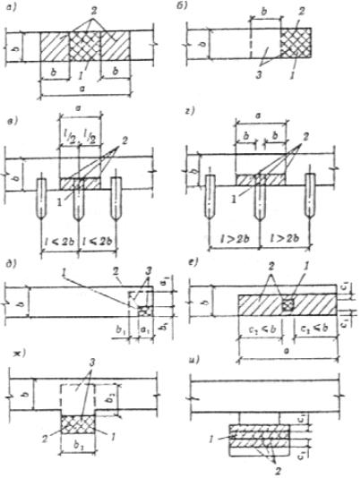
Усилие предварительного обжатия Р и эксцентриситет его приложения е0р относительно центра тяжести приведенного сечения (черт. 1) определяются по формулам:

                                              (8)

                               (9)

где ss, s¢s -                напряжения в ненапрягаемой арматуре соответственно S и S¢, вызванные усадкой и ползучестью бетона;

ysp, y¢sp, ys, y¢s - расстояния от центра тяжести приведенного сечения до точек приложения равнодействующих усилий соответственно в напрягаемой и ненапрягаемой арматуре S и S¢ (см. черт. 1).

Черт. 1. Схема усилий предварительного напряжения в арматуре в поперечном сечении железобетонного элемента

При криволинейной напрягаемой арматуре значения ssp и s¢sp умножают соответственно на cosq и cosq¢, где q и q¢ - углы наклона оси арматуры к продольной оси элемента (для рассматриваемого сечения).

Напряжения ssp и s¢sp принимают:

а) в стадии обжатия бетона - с учетом первых потерь;

б) в стадии эксплуатации элемента - с учетом первых и вторых потерь.

Напряжения ss и s¢s принимают численно равными:

в стадии обжатия бетона - потерям напряжений от быстронатекающей ползучести по поз. 6 табл. 5;

в стадии эксплуатации элемента - сумме потерь напряжений от усадки и ползучести бетона по поз. 6, 8 и 9 табл. 5.

1.29. Сжимающие напряжения в бетоне в стадии предварительного обжатия sbp не должны превышать значений (в долях от передаточной прочности бетона Rbp), указанных в табл. 7.

Таблица 7

Напряженное состояние сечения

Способ натяжения арматуры

Сжимающие напряжения в бетоне в стадии предварительного обжатия в долях от передаточной прочности бетона sbp/Rbp, не более

при расчетной зимней температуре наружного воздуха, °С

минус 40 и выше

ниже минус 40

при обжатии

центральном

внецентренном

центральном

внецентренном

1. Напряжения уменьшаются или не изменяются при действии внешних нагрузок

На упоры

0,85

0,95*

0,70

0,85

На бетон

0,70

0,85

0,60

0,70

2. Напряжения увеличиваются при действии внешних нагрузок

На упоры

0,65

0,70

0,50

0,60

На бетон

0,60

0,65

0,45

0,50

_____________

* Для элементов, изготовляемых с постепенной передачей усилия обжатия, при наличии стальных опорных деталей и косвенной арматуры с объемным коэффициентом армирования mv ³ 0,5 % (см. п. 5.15) на длине не менее длины зоны передачи напряжений lp (см. п. 2.29) допускается принимать значение sbp/Rbp = 1,00.

Примечания: 1. Значения sbp/Rbp, указанные в настоящей таблице, для батона в водонасыщенном состоянии при расчетной температуре воздуха ниже минус 40 °С следует принимать на 0,05 меньше.

2. Расчетные зимние температуры наружного воздуха принимаются согласно указаниям п. 1.8.

3. Для легкого бетона классов В7,5 - В12,5 значения sbp/Rbp следует принимать не более 0,30.

Напряжения sbp определяются на уровне крайнего сжатого волокна батона с учетом потерь предварительного напряжения по поз. 1-6 табл. 5 и при коэффициенте точности натяжения арматуры gsp, равном единице.

1.30. Для предварительно напряженных конструкций, в которых предусматривается регулирование напряжении обжатия бетона в процессе их эксплуатации (например, в реакторах, резервуарах, телевизионных башнях), напрягаемая арматура применяется без сцепления с бетоном, при этом необходимо предусматривать эффективные мероприятия по защите арматуры от коррозии. К предварительно напряженным конструкциям без сцепления арматуры с бетоном должны предъявляться требования 1-й категории трещиностойкости.

ОБЩИЕ ПОЛОЖЕНИЯ РАСЧЕТА ПЛОСКОСТНЫХ И МАССИВНЫХ КОНСТРУКЦИЙ С УЧЕТОМ НЕЛИНЕЙНЫХ СВОЙСТВ ЖЕЛЕЗОБЕТОНА

1.31. Расчет плоскостных конструкций (типа балок-стенок, плит перекрытий) и массивных конструкций по предельным состояниям первой и второй групп следует производить по напряжениям (усилиям), деформациям и перемещениям, вычисляемым с учетом физической нелинейности, анизотропии, а в необходимых случаях - ползучести, накопления повреждений (в длительных процессах) и геометрической нелинейности (в основном для тонкостенных конструкций).

Примечание. Анизотропия - неодинаковость свойств (здесь - механических) по разным направлениям. Ортотропия - вид анизотропии, при котором имеются три взаимно перпендикулярные плоскости симметрии свойств.

1.32. Физическую нелинейность, анизотропию и ползучесть следует учитывать в определяющих соотношениях, связывающих между собой напряжения и деформации, а также в условиях прочности и трещиностойкости материала. При этом следует выделять две стадии деформирования элементов - до и после образования трещин.

1.33. До образования трещин для бетона должна, как правило, использоваться нелинейная ортотропная модель, позволяющая учитывать направленное развитие эффекта дилатации и неоднородность деформирования при сжатии и растяжении. Допускается пользоваться квазиизотропной моделью бетона, учитывающей проявление указанных факторов в среднем по объему. Для железобетона в этой стадии следует исходить из совместности осевых деформаций арматуры и окружающего бетона, за исключением концевых участков арматуры, не снабженных специальными анкерами.

При опасности выпучивания арматуры следует ограничивать ее предельные сжимающие напряжения.

Примечание. Дилатация - увеличение объема тела при сжатии, обусловленное развитием множества микротрещин, а также трещин большей протяженности.

1.34. В условиях прочности бетона следует учитывать сочетание напряжений на площадках разных направлений, в силу которых, в частности, его сопротивление двух- и трехосному сжатию превышает прочность при одноосном сжатии, а при комбинациях сжатия и растяжения может быть меньше, чем при действии одного из них. В необходимых случаях должна приниматься во внимание длительность действия напряжений.

Условие прочности железобетона без трещин должно составляться исходя из условий прочности составляющих материалов как двухкомпонентной среды.

1.35. В качестве условия трещинообразования следует использовать условие прочности бетонных элементов двухкомпонентной среды.

1.36. После образования трещин следует использовать модель анизотропного тела общего вида при нелинейных выражениях зависимостей усилий или напряжений от перемещений с учетом следующих факторов:

углов наклона трещин к арматуре и схем пересечения трещин;

раскрытия трещин и сдвига их берегов;

жесткости арматуры: осевой - с учетом сцепления с полосами или блоками бетона между трещинами; тангенциальной - с учетом податливости бетонного основания у берегов трещин и соответственно осевых и касательных напряжений в арматуре в трещинах;

жесткости бетона: между трещинами - на осевые силы и сдвиг (снижается для схемы пересекающихся трещин); в трещинах - на осевые силы и сдвиг за счет зацепления берегов трещин при достаточно малой их ширине;

частичного нарушения совместности осевых деформаций арматуры и бетона между трещинами.

В модели деформирования неармированных элементов с трещинами учитывается лишь жесткость бетона между трещинами.

В случаях возникновения наклонных трещин следует учитывать особенности деформирования бетона над наклонными трещинами.

1.37. Ширину раскрытия трещин и взаимный сдвиг их берегов следует определять исходя из смещения стержней различных направлений относительно пересекаемых ими берегов трещин с учетом расстояний между трещинами и при соблюдении условия совместности этих смещений.

1.38. Условия прочности плоских и объемных элементов с трещинами должны основываться на следующих предпосылках:

принимается, что разрушение происходит вследствие значительного удлинения арматуры по наиболее опасным трещинам, в общем случае расположенным косо к стержням арматуры, и раздробления бетона полос или блоков между трещинами или за трещинами (например, в сжатой зоне плит над трещинами);

сопротивление бетона сжатию снижается из-за возникновения растяжения в перпендикулярном направлении, создаваемого силами сцепления с растянутой арматурой, а также из-за поперечных смещений арматуры у берегов трещин;

при определении прочности бетона учитываются схемы образования трещин и углы наклона трещин к арматуре;

в стержнях арматуры учитываются, как правило, нормальные напряжения, направленные вдоль их оси; допускается учитывать касательные напряжения в арматуре в местах трещин (нагельный эффект), принимая, что стержни не изменяют своей ориентации;

принимается, что в трещине разрушения все пересекающие ее стержни достигают расчетных сопротивлении на растяжение (для арматуры, не имеющей предела текучести, напряжения должны контролироваться в процессе деформационного расчета).

Прочность бетона в различных его зонах следует оценивать по напряжениям в нем как в компоненте двухкомпонентной среды (за вычетом приведенных напряжений в арматуре между трещинами, определяемых с учетом напряжений в трещинах, сцепления и частичного нарушения совместности осевых деформаций арматуры с бетоном).

1.39. Несущую способность железобетонных конструкций, способных претерпевать достаточные пластические деформации, допускается определять методом предельного равновесия.

1.40. При расчете конструкций по прочности, деформациям, образованию и раскрытию трещин методом конечных элементов должны быть проверены условия прочности и трещиностойкости для всех конечных элементов, составляющих конструкцию, а также условия возникновения чрезмерных перемещений конструкции. При оценке предельного состояния по прочности допускается полагать отдельные конечные элементы разрушенными, если это не влечет за собой прогрессирующего разрушения конструкции и по истечении действия рассматриваемой нагрузки эксплуатационная пригодность конструкции сохранится или может быть восстановлена.

2. МАТЕРИАЛЫ ДЛЯ БЕТОННЫХ И ЖЕЛЕЗОБЕТОННЫХ КОНСТРУКЦИЙ

БЕТОН

2.1. Для бетонных и железобетонных конструкций, проектируемых в соответствии с требованиями настоящих норм, следует предусматривать конструкционные бетоны, соответствующие ГОСТ 25192-82:

тяжелый средней плотности свыше 2200 до 2500 кг/м3 включ.;

мелкозернистый средней плотности свыше 1800 кг/м3;

легкий плотной и поризованной структуры;

ячеистый автоклавного и неавтоклавного твердения;

специальный бетон - напрягающий.

2.2. При проектировании бетонных и железобетонных конструкций в зависимости от их назначения и условий работы следует устанавливать показатели качества бетона, основными из которых являются:

а) класс по прочности на сжатие В;

б) класс по прочности на осевое растяжение Вt (назначают в случаях, когда эта характеристика имеет главенствующее значение и контролируется на производстве);

в) марка по морозостойкости F (должна назначаться для конструкций, подвергающихся в увлажненном состоянии действию попеременного замораживания и оттаивания);

г) марка по водонепроницаемости W (должна назначаться для конструкций, к которым предъявляются требования ограничения проницаемости);

д) марка по средней плотности D (должна назначаться для конструкций, к которым кроме конструктивных предъявляются требования теплоизоляции);

е) марка по самонапряжению напрягающего бетона Sp (должна назначаться для самонапряженных конструкций, когда эта характеристика учитывается в расчете и контролируется на производстве).

Примечания: 1. Классы бетона по прочности на сжатие и осевое растяжение отвечают значению гарантированной прочности бетона, МПа, с обеспеченностью 0,95.

2. Марка напрягающего бетона по самонапряжению представляет значение предварительного напряжения в бетоне, МПа, создаваемого в результате его расширения при коэффициенте продольного армирования m = 0,01.

2.3. Для бетонных и железобетонных конструкций следует предусматривать бетоны следующих классов и марок:

а) классов по прочности на сжатие

тяжелый бетон -        В3,5; В5; B7,5; В10; В12,5; В15; В20; В25; В30; В35; В40; В45; В50; В55; В60;

напрягающий бетон - В20; В25; В30; В35; В40; В45; В50; В55; В60;

мелкозернистый бетон групп:

А -     естественного твердения или подвергнутый тепловой обработке при атмосферном давлении на песке с модулем крупности свыше 2,0 - В3,5; В5; В7,5; В10; В12,5; В15; В20; В25; В30; В35; В40;

Б -     то же, с модулем крупности 2,0 и менее - В3,5; В5; В7,5; В10; В12,5; В15; В20; В25; В30;

В -     подвергнутый автоклавной обработке - В15; В20; В25; В30; В35; В40; В45; В50; В55; В60;

легкий бетон при марках по средней плотности:

D800, D900 - В2,5; B3,5; В5; В7,5;

D1000, D1100 - B2,5; B3,5; В5; В7,5; В10; B12,5;

D1200, D1300 - B2,5; B3,5; B5; В7,5; В10; B12,5; B15;

D1400, D1500 - B3,5; B5; B7,5; B10; В12,5; B15; B20; B25; В30;

D1600, D1700 - B5; B7,5; B10; В12,5; В15; В20; В25; B30; B35;

D1800, D1900 - B10; В12,5; В15; В20; B25; B30; В35; В40;

D2000 - В20; В25; В30; В35; В40;

ячеистый бетон при марках по средней плотности:

автоклавный:                                               неавтоклавный:

D500 - B1; B1,5;                                                 -

D600 - B1; B1,5; B2; В2,5;                           B1; B1,5;

D700 - B1,5; B2; В2,5; B3,5;                        B1,5; В2; B2,5;

D800 - B2,5; B3,5; В5;                                 B2; B2,5; B3,5;

D900 - B3,5; B5 ; B7,5;                                B3,5; B5;

D1000 - B5; B7,5; В10;                                B5; B7,5;

D1100 - B7,5; B10; B12,5; B15;                   В7,5; В10;

D1200 - B10; B12,5; B15;                            B10; В12,5;

поризованный бетон при марках по средней плотности:

D800, D900, D1000, -                B2,5; B3,5; B5; В7,5;

D1100, D1200, D1300

D1400 -             B3,5; B5; B7,5.

Допускается применение бетона промежуточных классов по прочности на сжатие B22,5 и В27,5 при условии, что это приведет к экономии цементе по сравнению с применением бетона соответственно классов В25 и В30 и не снизит другие технико-экономические показатели конструкции;

б) классов по прочности на осевое растяжение

тяжелый,                           - Bt0,8; Bt1,2; Bt1,6; Bt2; Bt2,4; Bt2,8; Bt3,2;

напрягающий,

мелкозернистый

и легкий бетоны

в) марок по морозостойкости

тяжелый,                           - F50; F75; F100; F150; F200; F300; F400; F500;

напрягающий

и мелкозернистый

бетоны

легкий бетон                    - F25; F35; F50; F75; F100; F150; F200; F300; F400; F500;

ячеистый и                       - F15; F25; F35; F50; F75; F100;

поризованный

бетоны

г) марок по водонепроницаемости

тяжелый,                           - W2; W4; W6; W8; W10; W12;

мелкозернистый

и легкий бетоны

для напрягающего бетона марка по водонепроницаемости обеспечивается не ниже W12 и в проектах может не указываться;

д) марок по средней плотности

легкий бетон          - D800; D900; D1000; D1100; D1200; D1300; D1400; D1500; D1600; D1700; D1800; D1900; D2000;

ячеистый                - D500; D600; D700; D800; D900; D1000; D1100; D1200;

бетон

поризованный       - D800; D900; D1000; D1100; D1200; D1300; D1400;

бетон

е) марок по самонапряжению

напрягающий        - Sp0,6; Sp0,8; Sp1; Sp1,2; Sp1,5; Sp2; Sp3; Sp4.

бетон

Примечания: 1. В настоящих нормах термины «легкий бетон» и «поризованный бетон» используются соответственно для обозначения легкого бетона плотной структуры и легкого бетона поризованной структуры (со степенью поризации свыше 6 %).

2. Группа мелкозернистого бетона (А, Б, В) должна указываться в рабочих чертежах конструкций.

2.4. Возраст бетона, отвечающий его классу по прочности на сжатие и осевое растяжение, назначается при проектировании исходя из возможных реальных сроков загружения конструкции проектными нагрузками, способа возведения, условий твердения бетона. При отсутствии этих данных класс бетона устанавливается в возрасте 28 сут.

Значение отпускной прочности бетона в элементах сборных конструкций следует назначать в соответствии с ГОСТ 13015.0-83 и стандартами на конструкции конкретных видов.

2.5. Для железобетонных конструкций не допускается применять:

тяжелый и мелкозернистый бетоны класса по прочности на сжатие ниже В7,5;

легкий бетон класса по прочности на сжатие ниже В3,5 - для однослойных и ниже В2,5 - для двухслойных конструкций.

Рекомендуется принимать класс бетона по прочности на сжатие:

для железобетонных элементов из тяжелого и легкого бетонов, рассчитываемых на воздействие многократно повторяющейся нагрузки, - не ниже В15;

для железобетонных сжатых стержневых элементов из тяжелого, мелкозернистого и легкого бетонов - не ниже В15;

для сильнонагруженных железобетонных сжатых стержневых элементов (например, для колонн, воспринимающих значительные крановые нагрузки, и для колонн нижних этажей многоэтажных зданий) - не ниже В25.

2.6*. Для предварительно напряженных элементов из тяжелого, мелкозернистого и легкого бетонов класс бетона, в котором расположена напряженная арматура, следует принимать в зависимости от вида и класса напрягаемой арматуры, ее диаметра и наличия анкерных устройств не ниже указанного в табл. 8*.

Таблица 8*

Вид и класс напрягаемой арматуры

Класс бетона, не ниже

1. Проволочная арматура классов:

 

В-II (при наличии анкеров)

В20

Вр-II (без анкеров) диаметром, мм:

 

до 5 включ.

В20

6 и более

В30

К-7 и К-19

В30

2. Стержневая арматура (без анкеров) диаметром, мм:

 

от 10 до 18 включ., классов:

 

А-IV

В15

А-V

В20

А-VI и Ат-VII

В30

20 и более, классов:

 

А-IV

В20

А-V

В25

А-VI и Ат-VII

В30

Примечание. Обозначения классов арматуры - в соответствии с п. 2.24а*.

Передаточная прочность бетона Rbp (прочность бетона к моменту его обжатия, контролируемая аналогично классу бетона по прочности на сжатие) назначается не менее 11 МПа, а при стержневой арматуре классов А-VI, Ат-VI, Ат-VIК и Ат-VII, высокопрочной арматурной проволоке без анкеров и арматурных канатах - не менее 15,5 МПа. Передаточная прочность, кроме того, должна составлять не менее 50 % принятого класса бетона по прочности на сжатие.

Для конструкций, рассчитываемых на воздействие многократно повторяющейся нагрузки, минимальные значения класса бетона, приведенные в табл. 8*, при проволочной напрягаемой арматуре и стержневой напрягаемой арматуре класса А-IV независимо от диаметра, а также класса А-V диаметром 10-18 мм должны увеличиваться на одну ступень, т. е. 5 МПа, с соответствующим повышением передаточной прочности бетона.

При проектировании отдельных видов конструкций допускается обоснованное в установленном порядке снижение минимального класса бетона на одну ступень, равную 5 МПа, против приведенной в табл. 8* с соответствующим снижением передаточной прочности бетона.

Примечания: 1. При расчете железобетонных конструкций в стадии предварительного обжатия расчетные характеристики бетона принимаются как для класса бетона, численно равного передаточной прочности бетона (по линейной интерполяции).

2. При проектировании ограждающих однослойных сплошных конструкций, выполняющих функции теплоизоляции, допускается при относительной величине обжатия бетона sbp/Rbp не более 0,30 использовать напрягаемую арматуру класса А-IV диаметром на более 14 мм при классах легкого бетона В7,5 - В12,5, при этом передаточная прочность бетона Rbp должна составлять не менее 80 % класса бетона.

2.7. Мелкозернистый бетон без специального экспериментального обоснования не допускается применять для железобетонных конструкций, подвергающихся воздействию многократно повторяющейся нагрузки, а также для предварительно напряженных конструкций пролетом свыше 12 м при армировании проволочной арматурой классов В-II, Вр-II, К-7 и К-19.

Класс мелкозернистого бетона по прочности на сжатие, применяемого для защиты от коррозии и обеспечения сцепления с бетоном напрягаемой арматуры, расположенной в пазах и на поверхности конструкции, должен быть не ниже В12,5, а для инъекции каналов - не ниже В25.

2.8. Для замоноличивания стыков элементов сборных железобетонных конструкций класс бетона следует устанавливать в зависимости от условий работы соединяемых элементов, но принимать не ниже В7,5.

2.9. Марки бетона по морозостойкости и водонепроницаемости бетонных и железобетонных конструкций в зависимости от режима их эксплуатации и значений расчетных зимних температур наружного воздуха в районе строительства должны приниматься:

для конструкций зданий и сооружений (кроме наружных стен отапливаемых зданий) - не ниже указанных в табл. 9;

для наружных стен отапливаемых зданий - не ниже указанных в табл. 10.

2.10. Для замоноличивания стыков элементов сборных конструкций, которые в процессе эксплуатации или монтажа могут подвергаться воздействию отрицательных температур наружного воздухе, следует применять бетоны проектных марок по морозостойкости и водонепроницаемости не ниже принятых для стыкуемых элементов.

Нормативные и расчетные характеристики бетона

2.11. Нормативными сопротивлениями бетона являются сопротивление осевому сжатию призм (призменная прочность) Rbn и сопротивление осевому растяжению Rbtn.

Расчетные сопротивления бетона для предельных состояний первой Rb, Rbt и второй Rb,ser, Rbt,ser групп определяются делением нормативных сопротивлений на соответствующие коэффициенты надежности по бетону при сжатии gbc или растяжении gbt, принимаемые для основных видов бетона по табл. 11.

2.12. Нормативные сопротивления бетона Rbn (с округлением) в зависимости от класса бетона по прочности на сжатие приведены в табл. 12.

Нормативное сопротивление бетона растяжению Rbtn в случаях, когда прочность бетона на растяжение не контролируется, принимается в зависимости от класса бетона по прочности на сжатие согласно табл. 12.

Нормативное сопротивление бетона осевому растяжению Rbtn в случаях, когда прочность бетона на растяжение контролируется на производстве, принимается равным его гарантированной прочности (классу) на осевое растяжение.

2.13. Расчетные сопротивления бетона Rb, Rbt, Rb,ser, Rbt,ser (с округлением) в зависимости от класса бетона по прочности на сжатие и осевое растяжение приведены: для предельных состояний первой группы - соответственно в табл. 13 и 14, второй группы - в табл. 12.

Расчетные сопротивления бетона для предельных состояний первой группы Rb и Rbt снижаются (или повышаются) путем умножения на коэффициенты условий работы бетона gbi, учитывающие особенности свойств бетона, длительность действия, многократную повторяемость нагрузки, условия и стадию работы конструкции, способ ее изготовления, размеры сечения и т. п. Значения коэффициентов условий работы gbi приведены в табл. 15.

Расчетные сопротивления бетона для предельных состояний второй группы Rb,ser и Rbt,ser вводят в расчет с коэффициентом условий работы бетона gbi = 1,0, за исключением случаев, указанных в пп. 4.10-4.12.

Для отдельных видов легких бетонов допускается принимать иные значения расчетных сопротивлений, согласованные в установленном порядке.

Примечание. При использовании в расчетах промежуточных классов бетона по прочности на сжатие согласно п. 2.3 значения характеристик, приведенных в табл. 12, 13 и 18, принимаются по линейной интерполяции.

2.14. Значения начального модуля упругости бетона Eb, при сжатии и растяжении принимаются по табл.18. Для не защищенных от солнечной радиации конструкций, предназначенных для работы в климатическом подрайоне IVА согласно СНиП 2.01.01-82, значения Eb, указанные в табл. 18, следует умножать на коэффициент 0,85.

Таблица 9

Условия работы конструкций

Марка бетона, не ниже

характеристика режима

расчетная зимняя температура наружного воздуха, °С

по морозостойкости

по водонепроницаемости

для конструкций (кроме наружных стен отапливаемых зданий) зданий и сооружений класса по степени ответственности

I

II

III

I

II

III

1. Попеременное замораживание и оттаивание:

 

 

 

 

 

 

 

а) в водонасыщенном состоянии (например, конструкции, расположенные в сезоннооттаивающем слое грунта в районах вечной мерзлоты)

Ниже минус 40

F300

F200

F150

W6

W4

W2

Ниже минус 20 до минус 40 включ.

F200

F150

F100

W4

W2

Не нормируется

Ниже минус 5 до минус 20 включ.

F150

F100

F75

W2

Не нормируется

Минус 5 и выше

F100

F75

F50

Не нормируется

б) в условиях эпизодического водонасыщения (например, надземные конструкции, постоянно подвергающиеся атмосферным воздействиям)

Ниже минус 40

F200

F150

F100

W4

W2

Не нормируется

Ниже минус 20 до минус 40 включ.

F100

F75

F50

W2

Не нормируется

Ниже минус 5 до минус 20 включ.

F75

F50

F35*

Не нормируется

Минус 5 и выше

F50

F35*

F25*

То же

в) в условиях воздушно-влажностного состояния при отсутствии эпизодического водонасыщения (например, конструкции, постоянно подвергающиеся воздействию окружающего воздухе, но защищенные от воздействия атмосферных осадков)

Ниже минус 40

F150

F100

F75

W4

W2

Не нормируется

Ниже минус 20 до минус 40 включ.

F75

F50

F35*

Не нормируется

Ниже минус 5 до минус 20 включ.

F50

F35*

F25*

То же

Минус 5 и выше

F35*

F25*

F15**

«

2. Возможное эпизодическое воздействие температуры ниже 0 °С:

 

 

 

 

 

а) в водонасыщенном состоянии (например, конструкции, находящиеся в грунте или под водой)

Ниже минус 40

F150

F100

F75

«

Ниже минус 20 до минус 40 включ.

F75

F50

F35*

«

Ниже минус 5 до минус 20 включ.

F50

F35*

F25*

«

Минус 5 и выше

F35*

F25*

Не нормируется

«

б) в условиях воздушно-влажностного состояния (например, внутренние конструкции отапливаемых зданий в период строительства и монтажа)

Ниже минус 40

F75

F50

F35*

«

Ниже минус 20 до минус 40 включ.

F50

F35*

F25*

«

Ниже минус 5 до минус 20 включ.

F35*

F25*

F15**

«

Минус 5 и выше

F25*

F15**

Не нормируется

«

_____________

* Для тяжелого и мелкозернистого батонов марки по морозостойкости не нормируются.

** Для тяжелого, мелкозернистого и легкого бетонов марки по морозостойкости не нормируются.

Примечания: 1. Марки бетона по морозостойкости и водонепроницаемости для конструкций сооружений водоснабжения и канализации, а также для свай и свай-оболочек следует назначать согласно требованиям соответствующих нормативных документов.

2. Расчетные зимние температуры наружного воздуха принимаются согласно указаниям п. 1.8.

Таблица 10

Условия работы конструкций

Минимальная марка бетона по морозостойкости наружных стен отапливаемых зданий из бетонов

 

относительная влажность внутреннего воздуха помещения jint, %

расчетная зимняя температура наружного воздуха, °С

легкого, ячеистого, поризованного

тяжелого, мелкозернистого

 

для зданий класса по степени ответственности

 

I

II

III

I

II

III

 

jint > 75

Ниже минус 40

F100

F75

F50

F200

F150

F100

 

Ниже минус 20 до минус 40 включ.

F75

F50

F35

F100

F75

F50

 

Ниже минус 5 до минус 20 включ.

F50

F35

F25

F75

F50

Не нормируется

 

Минус 5 и выше

F35

F25

F15*

F50

Не нормируется

То же

 

60 < jint £ 75

Ниже минус 40

F75

F50

F35

F100

F75

F50

 

Ниже минус 20 до минус 40 включ.

F50

F35

F25

F50

Не нормируется

 

Ниже минус 5

до минус 20 включ.

F35

F25

F15*

Не нормируется

То же

 

Минус 5 и выше

F25

F15*

Не нормируется

«

 

jint £ 60

Ниже минус 40

F50

F35

F25

F75

F50

Не нормируется

 

Ниже минус 20 до минус 40 включ.

Р35

F25

F15*

Не нормируется

 

Ниже минус 5

до минус 20 включ.

F25

F15*

Не нормируется

То же

 

Минус 5 и выше

F15*

Не нормируется

«

 

_____________

* Для легких бетонов мерки по морозостойкости не нормируются.

Примечания: 1. При наличии паро- и гидроизоляции конструкций из тяжелых, мелкозернистых и легких бетонов их марки по морозостойкости, указанные в настоящей таблице, снижаются на одну ступень.

2. Расчетная зимняя температура наружного воздуха принимается согласно указаниям п. 1.8.

Для бетонов, подвергающихся попеременному замораживанию и оттаиванию, значения Еb, указанные в табл. 18, следует умножать на коэффициент условий работы gb6, принимаемый по табл. 17.

При наличии данных о сорте цемента, составе бетона, условиях изготовления (например, центрифугированный бетон) и т. д. допускается принимать другие значения Еb, согласованные в установленном порядке.

2.15. Коэффициент линейной температурной деформации abt при изменении температуры от минус 40 до плюс 50 °С в зависимости от вида бетона принимается равным:

для тяжелого, мелкозернистого бетонов и легкого бетона при мелком плотном заполнителе - 1·10-5 °С-1;

для легкого бетона при мелком пористом заполнителе - 0,7·10-5 °С-1;

для ячеистого и поризованного бетонов - 0,8·10-5 °С-1.

При наличии данных о минералогическом составе заполнителей, расходе цемента, степени водонасыщения бетона, морозостойкости и т. д. допускается принимать другие значения abt, обоснованные в установленном порядке. Для расчетной температуры ниже минус 50 °С значения abt принимаются по экспериментальным данным.

Таблица 11

Вид бетона

Коэффициенты надежности по бетону при сжатии и растяжении gbc и gbt для расчета конструкций по предельным состояниям

первой группы

Второй группы gbc и gbt

gbc

gbt при назначении класса бетона по прочности

на сжатие

на растяжение

Тяжелый, напрягающий, мелкозернистый, легкий и поризованный

1,3

1,5

1,3

1,0

Ячеистый

1,5

2,3

-

1,0

2.16. Начальный коэффициент поперечной деформации бетона v (коэффициент Пуассона) принимается равным 0,2 для всех видов бетона, а модуль сдвига бетона G - равным 0,4 соответствующих значений Eb, указанных в табл. 18.


Таблица 12

Вид

Бетон

Нормативные сопротивления бетона Rbn, Rbtn и расчетные сопротивления бетона для предельных состояний второй группы Rb,ser и Rbt,ser при классе бетона по прочности на сжатие

В1

В1,5

В2

В2,5

В3,5

В5

В7,5

В10

В12,5

В15

В20

В25

В30

В35

В40

В45

В50

В55

В60

Сжатие осевое (призменная прочность)

Rbn и Rb,ser

Тяжелый и мелкозернистый

-

-

-

-

2,7

27,5

3,6

35,7

5,5

56,1

7,5

76,5

9,5

96,9

11,0

112

15,0

153

18,5

189

22,0

224

25,5

260

29,0

296

32,0

326

36,0

367

39,5

403

43,0

438

Легкий

-

-

-

1,9

19,4

2,7

27,5

3,5

35,7

5,5

56,1

7,5

76,5

9,5

96,9

11,0

112

15,0

153

18,5

189

22,0

224

25,5

260

29,0

296

-

-

-

-

Ячеистый

0,95

9,69

1,4

14,3

1,9

19,4

2,4

24,5

3,3

33,7

4,6

46,9

6,9

70,4

9,0

91,8

10,5

107

11,5

117

-

-

-

-

-

-

-

-

-

Растяжение осевое

Rbtn и Rbt,ser

Тяжелый

-

-

-

-

0,39

4,00

0,55

5,61

0,70

7,14

0,85

8,67

1,00

10,2

1,15

11,7

1,40

14,3

1,60

16,3

1,80

18,4

1,95

19,9

2,10

21,4

2,20

22,4

2,30

23,5

2,40

24,5

2,50

25,5

Мелкозернистый групп:

 

 

 

 

 

 

 

 

 

 

 

 

 

 

 

 

 

 

 

А

-

-

-

-

0,39

4,00

0,55

5,61

0,70

7,14

0,85

8,67

1,00

10,2

1,15

11,7

1,40

14,3

1,60

16,3

1,80

18,4

1,95

19,9

2,10

21,4

-

-

-

-

Б

-

-

-

-

0,26

2,65

0,40

4,08

0,60

6,12

0,70

7,14

0,85

8,67

0,95

9,69

1,15

11,7

1,35

13,8

1,50

15,3

-

-

-

-

-

-

В

-

-

-

-

-

-

-

-

-

1,15

11,7

1,40

14,3

1,60

16,3

1,80

18,4

1,95

19,9

2,10

21,4

2,20

22,4

2,30

23,5

2,40

24,5

2,50

25,5

Легкий при мелком заполнителе:

 

 

 

 

 

 

 

 

 

 

 

 

 

 

 

 

 

 

 

плотном

-

-

-

0,29

2,96

0,39

4,00

0,55

5,61

0,70

7,14

0,85

8,67

1,00

10,2

1,15

11,7

1,40

14,3

1,60

16,3

1,80

18,4

1,95

19,9

2,10

21,4

-

-

-

-

пористом

-

-

-

0,29

2,96

0,39

4,00

0,55

5,61

0,70

7,14

0,85

8,67

1,00

10,2

1,10

11,2

1,20

12,2

1,35

13,8

1,50

15,3

1,65

16,8

1,80

18,4

-

-

-

-

Ячеистый

0,14

1,43

0,21

2,24

0,26

2,65

0,31

3,16

0,41

4,18

0,55

5,61

0,63

6,42

0,89

9,08

1,00

10,2

1,05

10,7

-

-

-

-

-

-

-

-

-

Примечания: 1. Над чертой указаны значения в МПа, под чертой - в кгс/см2.

2. Группы мелкозернистых бетонов приведены в п. 2.3.

3. Значения сопротивлений приведены для ячеистого бетона средней влажностью 10 %.

4. Для керамзитоперлитобетона на вспученном перлитовом песке значения Rbtn и Rbt,ser принимают как для легкого бетона на пористом песке с умножением на коэффициент 0,85.

5. Для поризованного бетона значения Rbn и Rb,ser принимают такими же, как для легкого бетона, а значения Rbtn и Rbt,ser умножают на коэффициент 0,7.

6. Для напрягающего бетона значения Rbn и Rb,ser принимают такими же, как для тяжелого бетона, а значения Rbtn и Rbt,ser умножают на коэффициент 1,2.

Таблица 13

Вид сопротивления

Бетон

Расчетные сопротивления бетона для предельных состояний первой группы Rb и Rbt при классе бетона по прочности на сжатие

В1

В1,5

В2

В2,5

В3,5

В5

В7,5

В10

В12,5

В15

В20

В25

В30

В35

В40

В45

В50

В55

В60

Сжатие осевое (призменная прочность)

Rb

Тяжелый и мелкозернистый

-

-

-

-

2,1

21,4

2,8

28,6

4,5

45,9

6,0

61,2

7,5

76,5

8,5

86,7

11,5

117

14,5

148

17,0

173

19,5

199

22,0

224

25,0

255

27,5

280

30,0

306

33,0

336

Легкий

-

-

-

1,5

15,3

2,1

21,4

2,8

28,6

4,5

45,9

6,0

61,2

7,5

76,5

8,5

86,7

11,5

117

14,5

148

17,0

173

19,5

199

22,0

224

-

-

-

-

Ячеистый

0,63

6,42

0,95

9,69

1,3

13,3

1,6

16,3

2,2

22,4

3,1

31,6

4,6

46,9

6,0

61,2

7,0

71,4

7,7

78,5

-

-

-

-

-

-

-

-

-

Растяжение осевое

Rbt

Тяжелый

-

-

-

-

0,26

2,65

0,37

3,77

0,48

4,89

0,57

5,81

0,66

6,73

0,75

7,65

0,90

9,18

1,05

10,7

1,20

12,2

1,30

13,3

1,40

14,3

1,45

14,8

1,55

15,8

1,60

16,3

1,65

16,8

Мелкозернистый групп:

 

 

 

 

 

 

 

 

 

 

 

 

 

 

 

 

 

 

 

А

-

-

-

-

0,26

2,65

0,37

3,77

0,48

4,89

0,57

5,81

0,66

6,73

0,75

7,65

0,90

9,18

1,05

10,7

1,20

12,2

1,30

13,3

1,40

14,3

-

-

-

-

Б

-

-

-

-

0,17

1,73

0,27

2,75

0,40

4,08

0,45

4,59

0,51

5,81

0,64

6,53

0,77

7,85

0,90

9,18

1,00

10,2

-

-

-

-

-

-

В

-

-

-

-

-

-

-

-

-

0,75

7,65

0,90

9,18

1,05

10,7

1,20

12,2

1,30

13,3

1,40

14,3

1,45

14,8

1,55

15,8

1,60

16,3

1,65

16,8

Легкий при мелком заполнителе:

 

 

 

 

 

 

 

 

 

 

 

 

 

 

 

 

 

 

 

плотном

-

-

-

0,20

2,04

0,26

2,65

0,37

3,77

0,48

4,89

0,57

5,81

0,66

6,73

0,75

7,65

0,90

9,18

1,05

10,7

1,20

12,2

1,30

13,3

1,40

14,3

-

-

-

-

пористом

-

-

-

0,20

2,04

0,26

2,65

0,37

3,77

0,48

4,89

0,57

5,81

0,66

6,73

0,74

7,55

0,80

8,16

0,90

9,18

1,00

10,2

1,10

11,2

1,20

12,2

-

-

-

-

Ячеистый

0,06

0,613

0,09

0,918

0,12

1,22

0,14

1,43

0,18

1,84

0,24

2,45

0,28

2,86

0,39

4,00

0,44

4,49

0,46

4,69

-

-

-

-

-

-

-

-

-

Примечания: 1. Над чертой указаны значения в МПа, под чертой - в кгс/см2.

2. Группы мелкозернистых бетонов приведены в п. 2.3.

3. Значения расчетных сопротивлений приведены для ячеистого бетона средней влажностью 10 %.

4. Для керамзитоперлитобетона на вспученном перлитовом песке значения Rbt принимают как для легких бетонов на пористом песке с умножением на коэффициент 0,85.

5. Для поризованного бетона значения Rb принимают такими же, как для легкого бетона, а значение Rbt умножают на коэффициент 0,7.

6. Для напрягающего бетона значение Rb принимают таким же, как для тяжелого бетона, а значения Rbt умножают на коэффициент 1,2.


Таблица 14

Вид сопротивления

Бетон

Расчетные сопротивления бетона для предельных состояний первой группы Rbt при классе бетона по прочности на осевое растяжение

Bt0,8

Bt1,2

Bt 1,6

Bt2,0

Bt2,4

Bt2,8

Bt3,2

Растяжение осевое

Тяжелый, напрягающий, мелкозернистый и легкий

0,62

6,32

0,93

9,49

1,25

12,7

1,55

15,8

1,85

18,9

2,15

21,9

2,45

25,0

Примечание. Над чертой указаны значения в МПа, под чертой - в кгс/см2.

Таблица 15

Факторы, обусловливающие введение коэффициента условий работы бетона

Коэффициент условий работы бетона

условное обозначение

числовое значение

1. Многократно повторяющаяся нагрузка

gb1

См. табл. 16

2. Длительность действия нагрузки:

 

 

а) при учете постоянных, длительных и кратковременных нагрузок, кроме нагрузок непродолжительного действия, суммарная длительность действия которых за период эксплуатации мала (например, крановые нагрузки; нагрузки от транспортных средств; ветровые нагрузки; нагрузки, возникающие при изготовлении, транспортировании и возведении и т. п.), а также при учете особых нагрузок, вызванных деформациями просадочных, набухающих, вечномерзлых и подобных грунтов

gb2

 

для тяжелого, мелкозернистого и легкого бетонов естественного твердения и подвергнутых тепловой обработке:

 

 

в условиях эксплуатации конструкций, благоприятных для нарастания прочности бетона (например, под водой, во влажном грунте или при влажности воздуха окружающей среды свыше 75 %)

 

1,00

в остальных случаях

 

0,90

для ячеистого и поризованного бетонов независимо от условий эксплуатации

 

0,85

б) при учете в рассматриваемом сочетании кратковременных нагрузок (непродолжительного действия) или особых нагрузок1, не указанных в поз. 2а, для всех видов бетона

 

1,10

3. Бетонирование в вертикальном положении (высота слоя бетонирования свыше 1,5 м) для бетона:

gb3

 

тяжелого, мелкозернистого, легкого

 

0,85

ячеистого и поризованного

 

0,80

4. Влияние двухосного сложного напряженного состояния «сжатие - растяжение» на прочность бетона

gb4

См. п. 4.11

5. Бетонирование монолитных бетонных столбов и железобетонных колонн с наибольшим размером сечения менее 30 см

gb5

0,85

6. Попеременное замораживание и оттаивание

gb6

См. табл. 17

7. Эксплуатация на защищенных от солнечной радиации конструкций в климатическом подрайоне IVА согласно СНиП 2.01.01-82

gb7

0,85

8. Стадия предварительного обжатия конструкций:

gb8

 

а) с проволочной арматурой:

 

 

для легкого бетона

 

1,25

для остальных видов бетона

 

1,10

б) со стержневой арматурой:

 

 

для легкого бетона

 

1,35

для остальных видов бетона

 

1,20

9. Бетонные конструкции

gb9

0,90

10. Бетонные конструкции из высокопрочного бетона при учете коэффициента gb9

gb10

0,3 + w £ 1

(значение w см. п. 3.12)

11. Влажность ячеистого бетона, %:

gb11

 

10 и менее

 

1,00

св. 25

 

0,85

св. 10, но менее 25

 

По интерполяции

12. Бетон для замоноличивания стыков сборных элементов при толщине шва менее 1/5 наименьшего размера сечения элемента и менее 10 см

gb12

1,15

_____________

1 При введении дополнительного коэффициента условий работы, связанного с учетом особых нагрузок согласно указаниям соответствующих нормативных документов (например, при учете сейсмических нагрузок), принимается gb2 = 1,0.

Примечания: 1. Коэффициенты условий работы бетона по поз. 1, 2, 6, 7, 9 и 11 должны учитываться при определении расчетных сопротивлений Rb и Rbt, по поз. 4 - при определении Rbt,ser, а по остальным позициям - только при определении Rb.

2. Для конструкций, находящихся под действием многократно повторяющейся нагрузки, коэффициент gb2 учитывается при расчете по прочности, а gb1 - при расчете на выносливость и по образованию трещин.

3. При расчете конструкций в стадии предварительного обжатия коэффициент gb2 не учитывается.

4. Коэффициенты условий работы бетона вводятся независимо друг от друга, но при этом их произведение должно быть не менее 0,45.

Таблица 16

Бетон

Состояние бетона по влажности

Коэффициент условий работы бетона gb1 при многократно повторяющейся нагрузке и коэффициенте асимметрии цикла rb, равном

0-0,1

0,2

0,3

0,4

0,5

0,6

0,7

1. Тяжелый

Естественной влажности

0,75

0,80

0,85

0,90

0,95

1,00

1,00

Водонасыщенный

0,50

0,60

0,70

0,80

0,90

0,95

1,00

2. Легкий

Естественной влажности

0,60

0,70

0,80

0,85

0,90

0,95

1,00

Водонасыщенный

0,45

0,55

0,65

0,75

0,85

0,95

1,00

В табл. 16  где sb,min, sb,max - соответственно наименьшее и наибольшее напряжения в бетоне в пределах цикла изменения нагрузки, определяемые согласно указаниям п. 3.47.

Таблица 17

Условия эксплуатации конструкции

Расчетная зимняя температура наружного воздуха, °С

Коэффициент условий работы бетона gb6 при попеременном замораживании и оттаивании для бетона

тяжелого и мелкозернистого

легкого и поризованного

Попеременное замораживание и оттаивание:

 

 

 

а) в водонасыщенном состоянии

Ниже минус 40

0,70

0,80

Ниже минус 20 до минус 40 включ.

0,85

0,90

Ниже минус 5 до минус 20 включ.

0,90

1,00

Минус 5 и выше

0,95

 

б) в условиях эпизодического водонасыщения

Ниже минус 40

0,90

 

Минус 40 и выше

1,00

1,00

Примечания: 1. Расчетная зимняя температура наружного воздуха принимается согласно указаниям п. 1.8.

2. При превышении марки бетона по морозостойкости по сравнению с требуемой согласно табл. 9 коэффициенты настоящей таблицы могут быть увеличены на 0,05 соответственно каждой ступени превышения, однако не могут быть больше единицы.

АРМАТУРА

2.17*. Для армирования железобетонных конструкций должна применяться арматура, отвечающая требованиям соответствующих государственных стандартов или утвержденных в установленном порядке технических условий и принадлежащая к одному из следующих видов:

стержневая арматурная сталь:

а) горячекатаная - гладкая класса А-I, периодического профиля классов А-II и Ас-II, А-III, А-IV, А-V, А-VI;

б) термически и термомеханически упрочненная - периодического профиля классов Ат-IIIС, Ат-IV, Ат-IVС, Ат-IVК, Ат-V, Ат-VК, Ат-VСК, Aт-VI, Ат-VIК и Ат-VII;

проволочная арматурная сталь:

в) арматурная холоднотянутая проволока:

обыкновенная - периодического профиля класса Вр-I;

высокопрочная - гладкая класса B-II, периодического профиля класса Вр-II;

г) арматурные канаты - спиральные семипроволочные класса К-7, девятнадцатипроволочные класса К-19.

Для закладных деталей и соединительных накладок принимается, как правило, прокат из углеродистой стали соответствующих марок согласно обязательному приложению 2.

(Измененная редакция. Изм. № 2).

В железобетонных конструкциях допускается применение упрочненной вытяжкой на предприятиях строительной индустрии стержневой арматуры класса А-IIIв (с контролем удлинений и напряжений или с контролем только удлинений).


Таблица 18

Бетон

Начальные модули упругости бетона при сжатии и растяжении Eb ·10-3 при классе бетона по прочности на сжатие

В1

В1,5

В2

В2,5

В3,5

В5

В7,5

В10

В12,5

В15

В20

В25

В30

В35

В40

В45

В50

В55

В60

Тяжелый:

 

 

 

 

 

 

 

 

 

 

 

 

 

 

 

 

 

 

 

естественного твердения

-

-

-

-

9,5

96,9

13,0

133

16,0

163

18,0

184

21,0

214

23,0

235

27,0

275

30,0

306

32,5

331

34,5

352

36,0

367

37,5

382

39,0

398

39,5

403

40,0

408

подвергнутый тепловой обработке при атмосферном давлении

-

-

-

-

8,5

86,7

11,5

117

14,5

148

16,0

163

19,0

194

20,5

209

24,0

245

27,0

275

29,0

296

31,0

316

32,5

332

34,0

347

35,0

357

35,5

362

36,0

367

подвергнутый автоклавной обработке

-

-

-

-

7,0

71,4

9,88

99,5

12,0

122

13,5

138

16,0

163

17,0

173

20,0

204

22,5

230

24,5

250

26,0

265

27,0

275

28,0

286

29,0

296

29,5

301

30,0

306

Мелкозернистый групп:

 

 

 

 

 

 

 

 

 

 

 

 

 

 

 

 

 

 

 

А - естественного твердения

-

-

-

-

7,0

71,4

10,0

102

13,5

138

15,5

158

17,5

178

19,5

199

22,0

224

24,0

245

26,0

265

27,5

280

28,5

291

-

-

-

-

подвергнутый тепловой обработке, при атмосферном давлении

-

-

-

-

6,5

66,3

9,0

91,8

12,5

127

14,0

143

15,5

158

17,0

173

20,0

204

21,5

219

23,0

235

24,0

245

24,5

250

-

-

-

-

Б - естественного твердения

-

-

-

-

6,5

66,3

9,0

91,8

12,5

127

14,0

143

15,5

158

17,0

173

20,0

204

21,5

219

23,0

235

-

-

-

-

-

-

подвергнутый тепловой обработке при атмосферном давлении

-

-

-

-

5,5

56,1

8,0

81,6

11,5

117

13,0

133

14,5

148

15,5

158

17,5

178

19,0

194

20,5

209

-

-

-

-

-

-

В - автоклавного твердения

-

-

-

-

-

-

-

-

-

16,5

168

18,0

184

19,5

199

21,0

214

22,0

224

23,0

235

23,5

240

24,0

245

24,5

250

25,0

255

Легкий и поризованный марки по средней плотности D:

 

 

 

 

 

 

 

 

 

 

 

 

 

 

 

 

 

 

 

800

-

-

-

4,0

40,8

4,5

45,9

5,0

51,0

5,5

56,1

-

-

-

-

-

-

-

-

-

-

-

-

1000

-

-

-

5,0

51,0

5,5

66,1

6,3

64,2

7,2

73,4

8,0

81,6

8,4

85,7

-

-

-

-

-

-

-

-

-

-

1200

-

-

-

6,0

61,2

6,7

68,3

7,6

77,5

8,7

88,7

9,5

96,9

10,0

102

10,5

107

-

-

-

-

-

-

-

-

-

1400

-

-

-

7,0

71,4

7,8

79,5

8,8

89,7

10,0

102

11,0

112

11,7

119

12,5

127

13,5

138

14,5

148

15,5

158

-

-

-

-

-

-

1600

-

-

-

-

9,0

91,8

10,0

102

11,5

117

12,5

127

13,2

135

14,0

143

15,5

158

16,5

168

17,5

178

18,0

184

-

-

-

-

-

1800

-

-

-

-

-

11,2

114

13,0

133

14,0

143

14,7

150

15,5

158

17,0

173

18,5

189

19,5

199

20,5

209

21,0

214

-

-

-

-

2000

-

-

-

-

-

-

14,5

148

16,0

163

17,0

173

18,0

184

19,5

199

21,0

214

22,0

224

23,0

235

23,5

240

-

-

-

-

Ячеистый автоклавного твердения марки по средней плотности D:

 

 

 

 

 

 

 

 

 

 

 

 

 

 

 

 

 

 

 

500

1,1

11,2

1,4

14,3

-

-

-

-

-

-

-

-

-

-

-

-

-

-

-

-

-

600

1,4

14,3

1,7

17,3

1,8

18,4

2,1

21,4

-

-

-

-

-

-

-

-

-

-

-

-

-

-

-

700

-

1,9

19.4

2,2

22,4

2,5

25,5

2,9

29,6

-

-

-

-

-

-

-

-

-

-

-

-

-

-

800

-

-

-

2,9

29,6

3,4

34,7

4,0

40,8

-

-

-

-

-

-

-

-

-

-

-

-

-

900

-

-

-

-

3,8

38,8

4,5

45,9

5,5

56,1

-

-

-

-

-

-

-

-

-

-

-

-

1000

-

-

-

-

-

5,0

51,0

6,0

61,2

7,0

71,4

-

-

-

-

-

-

-

-

-

-

-

1100

-

-

-

-

-

-

6,8

69,3

7,9

80,6

8,3

84,6

8,6

87,7

-

-

-

-

-

-

-

-

-

1200

-

-

-

-

-

-

-

8,4

85,7

8,8

89,7

9,3

94,8

-

-

-

-

-

-

-

-

-

Примечания: 1. Над чертой указаны значения в МПа, под чертой - в кгс/см2.

2. Группы мелкозернистого бетона приведены в п. 2.3.

3. Для легкого, ячеистого и поризованного бетонов при промежуточных значениях плотности бетона начальные модули упругости принимают по линейной интерполяции.

4. Для ячеистого бетона неавтоклавного твердения значения Еb принимают как для бетона автоклавного твердения с умножением на коэффициент 0,8.

5. Для напрягающего бетона значения Еb принимают как для тяжелого бетона с умножением на коэффициент a = 0,56 + 0,006В.


Применение арматуры новых видов, осваиваемых промышленностью, должно быть согласовано в установленном порядке.

Примечания: 1. В настоящих нормах обозначения классов арматуры приняты согласно действующим государственным стандартам на арматурную сталь и будут уточнены при пересмотре СТ СЭВ 1406-78.

2. В обозначении классов термически и термомеханически упрочненной стержневой арматуры с повышенной стойкостью к коррозионному растрескиванию под напряжением добавляется буква К (например, Ат-IVК); свариваемой - буква С (например, Ат-IVС); свариваемой и повышенной стойкости к коррозионному растрескиванию под натяжением - буквы СК (например, Ат-VСК).

3. В обозначении горячекатаной стержневой арматуры буква «в» употребляется для арматуры, упрочненной вытяжкой, А-IIIв, а буква «с» - для арматуры специального назначения Ас-II.

4. В настоящих нормах для краткости используются следующие термины: «стержень» - для обозначения арматуры любого диаметра, вида и профиля независимо от того, поставляется она в прутках или мотках (бунтах); «диаметр» (d), если не оговорено особо, означает номинальный диаметр стержня.

2.18*. Выбор арматурной стали следует производить в зависимости от типа конструкции, наличия предварительного напряжения, а также от условий возведения и эксплуатации здания или сооружения в соответствии с указаниями пп. 2.19*-2.22*, 2.23, 2.24* и с учетом необходимой унификации арматуры конструкции по классам, диаметрам и т. п.

2.19*. В качестве ненапрягаемой арматуры железобетонных конструкций следует применять:

а) стержневую арматуру класса Ат-IVС - для продольной арматуры;

б) стержневую арматуру классов А-III и Ат-IIIС - для продольной и поперечной арматуры;

в) арматурную проволоку класса Вр-I - для поперечной и продольной арматуры;

г) стержневую арматуру классов А-I, А-II и Ас-II - для поперечной арматуры, а также для продольной арматуры, если другие виды ненапрягаемой арматуры не могут быть использованы;

д) стержневую арматуру классов А-IV, Ат-IV и Ат-IVК - для продольной арматуры в вязаных каркасах и сетках (см. п. 5.32*);

е) стержневую арматуру классов А-V, Ат-V, Ат-VК, Ат-VСК, А-VI, Ат-VI, Ат-VIК, Ат-VII - для продольной сжатой арматуры, а также для продольной сжатой и растянутой арматуры при смешанном армировании конструкции (наличии в них напрягаемой и ненапрягаемой арматуры) в вязаных каркасах и сетках.

В качестве ненапрягаемой арматуры железобетонных конструкций допускается применять арматуру класса А-IIIв для продольной растянутой арматуры в вязаных каркасах и сетках.

Арматуру классов А-III, Ат-IIIС, Ат-IVС, Вр-I, А-I, А-II и Ас-II рекомендуется применять в виде сварных каркасов и сеток.

Допускается использовать в сварных сетках и каркасах арматуру классов А-IIIв, Ат-IVК (из стали марок 10ГС2 и 08Г2С) и Ат-V (из стали марки 20ГС) при выполнении крестообразных соединений контактно-точечной сваркой (см. п. 5.32*).

2.20*. В конструкциях с ненапрягаемой арматурой, находящихся под давлением газов, жидкостей и сыпучих тел, следует применять стержневую арматуру классов А-II, А-I, А-III и Ат-IIIС и арматурную проволоку класса Вр-I.

2.21*. В качестве напрягаемой арматуры предварительно напряженных конструкций следует применять:

а) стержневую арматуру классов А-V, Ат-V, Ат-VК, Ат-VСК, А-VI, Ат-VI, Ат-VIК и Ат-VII;

6) арматурную проволоку классов В-II, Вр-II и арматурные канаты классов К-7 и К-19.

В качестве напрягаемой арматуры допускается применять стержневую арматуру классов А-IV, Ат-IV, Ат-IVС, Ат-IVК и А-IIIв.

В конструкциях до 12 м включ. следует преимущественно применять стержневую арматуру классов Ат-VII, Ат-VI и Ат-V мерной длины.

Примечание. Для армирования предварительно напряженных конструкций из легкого бетона классов В7,5 - В12,5 следует применять стержневую арматуру классов А-IV, Aт-IV, Ат-IVС, Ат-IVК и А-IIIв.

2.22*. В качестве напрягаемой арматуры предварительно напряженных железобетонных элементов, находящихся под воздействием газов, жидкостей и сыпучих тел, следует применять:

а) арматурную проволоку классов В-II, Вр-II и арматурные канаты классов К-7 и К-19;

б) стержневую арматуру классов А-V, Ат-V, Ат-VК, Ат-VСК, А-VI, Ат-VI, Ат-VIК и Ат-VII;

в) стержневую арматуру классов А-IV, Ат-IV, Ат-IVК и Ат-IVС.

В таких конструкциях допускается применять также арматуру класса А-IIIв.

В качестве напрягаемой арматуры конструкций, предназначенных для эксплуатации в агрессивной среде, следует преимущественно применять арматуру класса А-IV, а также классов Ат-VIК, Ат-VК, Ат-VСК, Ат-IVК и арматуру других видов в соответствии со СНиП 2.03.11-85.

2.23. При выборе вида и марок стали для арматуры, устанавливаемой по расчету, а также проката для закладных деталей должны учитываться температурные условия эксплуатации конструкций и характер их нагружения согласно обязательным приложениям 1* и 2.

(Измененная редакция. Изм. № 2).

В климатических зонах с расчетной зимней температурой ниже минус 40 °С при проведении строительно-монтажных работ в холодное время года несущая способность в стадии возведения конструкций с арматурой, допускаемой к применению только в отапливаемых зданиях, должна быть обеспечена исходя из расчетного сопротивления арматуры с понижающим коэффициентом 0,7 и расчетной нагрузки с коэффициентом надежности по нагрузке gf = 1,0.

Для конструкций, предназначенных для работы при расчетной температуре ниже минус 40 °С (п. 1.8), а также при применении проката из низколегированной стали (например, С345 и С375 - марок 09Г2С, 15ХСНД, 10Г2С1) выбор проката для закладных деталей и электродов для их сварных соединений следует производить как для стальных сварных конструкций в соответствии с требованиями СНиП II-23-81*. Расчетные сопротивления этого проката необходимо принимать по СНиП II-23-81*.

(Измененная редакция. Изм. № 2).

2.24*. Для монтажных (подъемных) петель элементов сборных железобетонных и бетонных конструкций должна применяться горячекатаная арматурная сталь класса Ас-II марки 10ГT и класса А-I марок Ст3сп и Ст3пс, а также класса А-I по ТУ 14-2-736-87 (особенно для конструкций, предназначенных для применения в районах с расчетной температурой ниже минус 30 °С).

(Измененная редакция. Изм. № 2).

В случае, если возможен монтаж конструкций при расчетной зимней температуре ниже минус 40 °С, для монтажных петель не допускается применять сталь марки ВСт3пс2.

2.24а*. В настоящих нормах в дальнейшем в случаях, когда нет необходимости указывать конкретный вид стержневой арматуры (горячекатаной, термомеханически упрочненной), при ее обозначении используется обозначение соответствующего класса горячекатаной арматурной стали (например, под классом А-V подразумевается арматура классов A-V, Ат-V, Ат-VК и Ат-VСК).

Нормативные и расчетные характеристики арматуры

2.25*. За нормативные сопротивления арматуры Rsn принимают наименьшие контролируемые значения предела текучести, физического или условного (равного значению напряжений, соответствующих остаточному относительному удлиненно 0,2 %).

(Измененная редакция. Изм. № 2).

Указанные контролируемые характеристики арматуры принимаются в соответствии с государственными стандартами или техническими условиями на арматурную сталь и гарантируются с вероятностью не менее 0,95.

Нормативные сопротивления Rsn для основных видов стержневой и проволочной арматуры приведены соответственно в табл. 19* и 20.

Таблица 19*

Стержневая арматура классов

Нормативные сопротивления растяжению Rsn и расчетные сопротивления растяжению для предельных состояний второй группы Rs,ser, МПа (кгс/см2)

А-I

235 (2400)

А-II

295 (3000)

А-III

390 (4000)

А-IV

590 (6000)

А-V

788 (8000)

А-VI

980 (10000)

Ат-VII

1175 (12000)

А-IIIв

540 (5500)

Примечание. Обозначения классов арматуры - в соответствии с п. 2.24а*.

2.26*. Расчетные сопротивления арматуры растяжению Rs для предельных состояний первой и второй групп определяются по формуле

                                                                    (10)

где gs - коэффициент надежности по арматуре, принимаемый по табл. 21*.

Расчетные сопротивления арматуры растяжению (с округлением) для основных видов стержневой и проволочной арматуры при расчете конструкций по предельным состояниям первой группы приведены соответственно в табл. 22* и 23, а при расчете по предельным состояниям второй группы - в табл. 19* и 20.

Таблица 20

Проволочная арматура классов

Класс прочности

Диаметр арматуры, мм

Нормативные сопротивления растяжению Rsn и расчетные сопротивления растяжению для предельных состояний второй группы Rs,ser, МПа (кгс/см2)

Вр-I

-

3-5

490 (5000)

B-II

1500

3

1500 (15300)

1400

4-5

1400 (14250)

1300

6

1300 (13250)

1200

7

1200 (12200)

1100

8

1100 (11200)

Вр-II

1500

3

1500 (15300)

1400

4-5

1400 (14250)

1200

6

1200 (12200)

1100

7

1100 (11200)

1000

8

1000 (10200)

К-7

1500

6-12

1500 (15300)

1400

15

1400 (14250)

К-19

1500

14

1500 (15300)

Примечания:

1. Класс прочности проволочной арматуры - установленное стандартами значение ее условного предела текучести в Н/мм2.

2. В обозначении проволочной арматуры классов В-II, Вp-II, К-7 и К-19 в соответствии с государственными стандартами указывают ее класс прочности (например, обозначение проволоки класса B-II диаметром 3 мм - Æ3В1500, класса Вр-II диаметром 5 мм - Æ5Вр1400, канатов класса К-7 диаметром 12 мм - Æ12К7-1500).

(Измененная редакция. Изм. № 3).

Таблица 21*

Арматура

Коэффициент надежности по арматуре gs при расчете конструкций по предельным состояниям

первой группы

второй группы

Стержневая классов:

 

 

А-I, А-II

1,05

1,00

А-III диаметром, мм:

 

 

6 - 8

1,10

1,00

10 - 40

1,07

1,00

А-IV, А-V

1,15

1,00

А-VI, Ат-VII

1,20

1,00

А-IIIв с контролем:

 

 

удлинения и напряжения

1,10

1,00

только удлинения

1,20

1,00

Проволочная классов:

 

 

Вр-I

1,2

1,00

В-II, Вр-II

1,20

1,00

К-7, К-19

1,20

1,00

Примечание. Обозначения классов арматуры - в соответствии с п. 2.24а*.

(Измененная редакция. Изм. № 2).

2.27*. Расчетные сопротивления арматуры сжатию Rsc, используемые при расчете конструкций по предельным состояниям первой группы, при наличии сцепления арматуры с бетоном следует принимать по табл. 22* и 23.

При расчете в стадии обжатия конструкций значение Rsc следует принимать не более 330 МПа, а для арматуры класса А-IIIв - равным 170 МПа.

При отсутствии сцепления арматуры с бетоном принимается значение Rsc = 0.

Таблица 22*

Стержневая арматура классов

Расчетные сопротивления арматуры для предельных состояний первой группы, МПа (кгс/см2)

растяжению

сжатию Rsc

продольной Rs

поперечной (хомутов и отогнутых стержней) Rsw

А-I

225 (2300)

175 (1800)

225 (2300)

А-II

280 (2850)

225 (2300)

280 (2850)

А-III диаметром, мм:

 

 

 

6 - 8

355 (3600)

285* (2900)

355 (3600)

10-40

365 (3750)

290* (3000)

365 (3750)

А-IV

510 (5200)

405 (4150)

450 (4600)**

А-V

680 (6950)

545 (5550)

500 (5100)**

А-VI

815 (8300)

650 (6650)

500 (5100)**

Aт-VII

980 (10 000)

785 (8000)

500 (5100)**

А-IIIв с контролем:

 

 

 

удлинения и напряжения

490 (5000)

390 (4000)

200 (2000)

только удлинения

450 (4600)

360 (3700)

200 (2000)

_____________

* В сварных каркасах для хомутов из арматуры класса А-III, диаметр которых меньше 1/3 диаметра продольных стержней, значения Rsw принимаются равными 255 МПа (2600 кгс/см2).

** Указанные значения Rsc принимаются для конструкций их тяжелого, мелкозернистого и легкого бетонов при учете в расчете нагрузок, указанных в поз. 2а табл. 15; при учете нагрузок, указанных в поз. 2б табл. 15, принимается значение Rsc = 400 МПа. Для конструкций их ячеистого и поризованного бетонов во всех случаях следует принимать значение Rsc = 400 МПа (4100 кгс/см2).

Примечания: 1. В тех случаях, когда по каким-либо соображениям ненапрягаемая арматура классов выше А-III используется в качестве расчетной поперечной арматуры (хомутов и отогнутых стержней), ее расчетные сопротивления Rsw принимаются как для арматуры класса А-III.

2. Обозначения классов арматуры - в соответствии с п. 2.24а*.

2.28. Расчетные сопротивления арматуры для предельных состояний первой группы снижаются (или повышаются) путем умножения на соответствующие коэффициенты условий работы gsi, учитывающие либо опасность усталостного разрушения, неравномерное распределение напряжений в сечении, условия анкеровки, низкую прочность окружающего бетона и т. п., либо работу арматуры при напряжениях выше условного предела текучести, изменение свойств стали в связи с условиями изготовления и т. д.

Расчетные сопротивления арматуры для предельных состояний второй группы Rs,ser вводят в расчет с gs = 1,0.

Расчетные сопротивления поперечной арматуры (хомутов и отогнутых стержней) Rsw снижаются по сравнению с Rs путем умножения на коэффициенты условий работы gs1 и gs2:

а) независимо от вида и класса арматуры - на коэффициент gs1 = 0,8, учитывающий неравномерность распределения напряжений в арматуре по длине рассматриваемого сечения;

б) для стержневой арматуры класса А-III диаметром менее 1/3 диаметра продольных стержней и для проволочной арматуры класса Вр-I в сварных каркасах - на коэффициент gs2 = 0,9, учитывающий возможность хрупкого разрушения сварного соединения.

Таблица 23

Проволочная арматура классов

Диаметр арматуры, мм

Расчетные сопротивления арматуры для предельных состояний первой группы, МПа (кгс/см2)

растяжению

сжатию Rsc

продольной Rs

поперечной (хомутов и отогнутых стержней) Rsw

Вр-I

3-5

410 (4200)

290 (3000)*

375 (3850)**

В-II при классе прочности:

 

 

 

500 (5100)**

1500

3

1250 (12750)

1000 (10200)

1400

4-5

1170 (11900)

940 (9600)

1300

6

1050 (10700)

835 (8500)

1200

7

1000 (10200)

785 (8000)

1100

8

915 (9300)

730 (7450)

Вр-II при классе прочности:

 

 

 

1500

3

1250 (12750)

1000 (10200)

1400

4-5

1170 (11900)

940 (9600)

1200

6

1000 (10200)

785 (8000)

1100

7

915 (9300)

730 (7450)

1000

8

850 (8700)

680 (6950)

К-7 при классе прочности:

 

 

 

1500

6-12

1250 (12750)

1000 (10200)

1400

15

1160 (12050)

945 (9600)

К-19

14

1250 (12750)

1000 (10200)

_____________

* При применении проволоки в вязаных каркасах значение Rsw следует приникать равным 325 МПа (3300 кгс/см2).

** Данные значения Rsc принимает при расчете конструкций из тяжелого, мелкозернистого и легкого бетонов на нагрузки, указанные в поз. 2а табл. 15. При расчете конструкций из бетона этих видов на нагрузки, указанные в поз. 2б табл. 15, а также при расчете конструкций из ячеистого и поризованного бетонов на нагрузки всех видов значение Rsc следует принимать для арматуры классов:

Bр-I                                                 - 340 МПа (3500 кгс/см2);

В-II, Вр-II, К-7 и K-19                  - 400 МПа (4100 кгс/см2).

(Измененная редакция. Изм. № 2).

Расчетные сопротивления растяжению поперечной арматуры (хомутов и отогнутых стержней) Rsw с учетом указанных коэффициентов условий работы gs1 и gs2 приведены в табл. 22* и 23.

Кроме того, расчетные сопротивления Rs, Rsc, Rsw в соответствующих случаях следует умножать на коэффициенты условий работы арматуры согласно табл. 24*-26* и 27.

2.29. Длину зоны передачи напряжений lp для напрягаемой арматуры без анкеров следует определять по формуле

,                                                        (11)

где wp и lp принимаются по табл. 28.

К значению Rbp при необходимости вводятся коэффициенты условий работы бетона, кроме gs2.

Величина ssp в формуле (11) принимается равной:

при расчете элементов по прочности - большему из значений Rs и ssp;

при расчете элементов по трещиностойкости - значению ssp. Здесь ssp принимается с учётом первых потерь по поз. 1-5 табл. 5.

В элементах из мелкозернистого бетона группы Б и из легкого бетона при пористом мелком заполнителе (кроме классов В7,5-В12,5) значения wp и lp увеличиваются в 1,2 раза против приведенных в табл. 28.

Таблица 24*

Факторы, обуславливающие введение коэффициента условий работы арматуры

Характеристика арматуры

Класс арматуры

Коэффициент условий работы арматуры

условное обозначение

числовое значение

1. Работа арматуры на действие поперечных сил

Поперечная

Независимо от класса

gs1

См. п. 2.28*

2. Наличие сварных соединений арматуры при действии поперечных сил

«

А-III и Вр-I

gs2

То же

3. Многократно повторяющаяся нагрузка

Продольная и поперечная

Независимо от класса

gs3

См. табл. 25*

4. Наличие сворных соединений при многократном повторении нагрузки

Продольная и поперечная при наличии сварных соединений арматуры

А-I, А-II, A-III, A-IV, А-V

gs4

См. табл. 26*

5. Зона передачи напряжений для арматуры без анкеров и зона анкеровки ненапрягаемой арматуры

Продольная напрягаемая

Независимо от класса

gs5

В формулах поз. 5:

lx - расстояние от начала зоны передачи напряжений до рассматриваемого сечения;

lp, lan - соответственно длина зоны передачи напряжений и зоны анкеровки арматуры (см. пп. 2.29 и 5.14)

Продольная ненапрягаемая

То же

6. Работа высокопрочной арматуры при напряжениях выше условного предела текучести

Продольная растянутая

А-IV; А-V; А-VI; Ат-VII; B-II; Вр-II; К-7; К-19

gs6

Согласно указаниям п. 3.13*

7. Элементы из легкого бетона класса В7,5 и ниже

Поперечная

А-I; Вр-I

gs7

0,8

8. Элементы из ячеистого бетона класса В7,5 и ниже

Продольная сжатая

Независимо от класса

gs8

Поперечная

То же

9. Защитное покрытие арматуры в элементах из ячеистого бетона

Продольная сжатая

«

gs9

См. табл. 27

Примечания: 1. Коэффициенты gs3 и gs4 по поз. 3 и 4 настоящей таблицы учитываются только при расчете на выносливость; для арматуры, имеющей сварные соединения, указанные коэффициенты учитываются одновременно.

2. Коэффициент gs5 по поз. 5 настоящей таблицы вводится кроме расчетных сопротивлений Rs и к предварительному напряжению арматуры ssp.

3. В формулах поз. 8 настоящей таблицы значения Rsc и Rsw даны в МПа; значения В - см. п. 2.2.

Таблица 25*

Класс арматуры

Коэффициент условий работы арматуры gs3 при многократном повторении нагрузки с коэффициентом асимметрии цикла rs, равным

-1,0

-0,2

0

0,2

0,4

0,7

0,8

0,9

1,0

А-I

0,41

0,63

0,70

0,77

0,90

1,00

1,00

1,00

1,00

А-II

0,42

0,51

0,55

0,60

0,69

0,93

1,00

1,00

1,00

А-III диаметром, мм:

 

 

 

 

 

 

 

 

 

6 - 8

0,33

0,38

0,42

0,47

0,57

0,85

0,95

1,00

1,00

10 - 40

0,31

0,36

0,40

0,45

0,55

0,81

0,91

0,95

1,00

А-IV

-

-

-

-

0,38

0,72

0,91

0,96

1,00

А-V

-

-

-

-

0,27

0,55

0,69

0,87

1,00

А-VI

-

-

-

-

0,19

0,53

0,67

0,87

1,00

Ат-VII

-

-

-

-

0,15

0,40

0,60

0,80

1,00

Вр-II

-

-

-

-

-

0,67

0,82

0,91

1,00

B-II

-

-

-

-

-

0,77

0,97

1,00

1,00

К-7 диаметром, мм:

 

 

 

 

 

 

 

 

 

6 и 9

-

-

-

-

-

0,77

0,92

1,00

1,00

12 и 15

-

-

-

-

-

0,68

0,84

1,00

1,00

К-19 диаметром 14 мм

-

-

-

-

-

0,63

0,77

0,96

1,00

Вр-I

-

-

0,56

0,71

0,85

0,94

1,00

1,00

1,00

А-IIIв с контролем:

 

 

 

 

 

 

 

 

 

удлинений и напряжений

-

-

-

-

0,41

0,66

0,84

1,00

1,00

только удлинений

-

-

-

-

0,46

0,73

0,93

1,00

1,00

Обозначения, принятые в табл. 25*:

где ss,min, ss,max - соответственно наименьшее и наибольшее напряжения в арматуре в пределах цикла изменения нагрузки, определяемые согласно п. 3.47.

Примечание. При расчете изгибаемых элементов из тяжелого бетона с ненапрягаемой арматурой для продольной арматуры принимается:

где Mmin, Mmax - соответственно наименьший и наибольший изгибающие моменты в расчетном сечении элемента в пределах цикла изменения нагрузки.

Таблица 26*

Класс арматуры

Группа сварных соединений

Коэффициент условий работы арматуры gs4 при многократном повторении нагрузки и коэффициенте асимметрии цикла rs, равном

0

0,2

0,4

0,7

0,8

0,9

1,0

А-I; А-II

1

0,90

0,95

1,00

1,00

1,00

1,00

1,00

2

0,65

0,70

0,75

0,90

1,00

1,00

1,00

3

0,25

0,30

0,35

0,50

0,65

0,85

1,00

4

0,20

0,20

0,25

0,30

0,45

0,65

1,00

А-III

1

0,90

0,95

1,00

1,00

1,00

1,00

1,00

2

0,60

0,65

0,65

0,70

0,75

0,85

1,00

3

0,20

0,25

0,30

0,45

0,60

0,80

1,00

4

0,15

0,20

0,20

0,30

0,40

0,60

1,00

А-IV

1

-

-

0,95

0,95

1,00

1,00

1,00

2

-

-

0,75

0,75

0,80

0,90

1,00

3

-

-

0,30

0,35

0,55

0,70

1,00

А-V

1

-

-

0,95

0,95

1,00

1,00

1,00

горячекатаная

2

-

-

0,75

0,75

0,80

0,90

1,00

3

-

-

0,35

0,40

0,50

0,70

1,00

Примечания: 1. Группы сварных соединений, приведенные в настоящей таблице, включают следующие типы сварных соединений по ГОСТ 14098-85, допускаемые для конструкций, рассчитываемых на выносливость:

1-я группа -           стыковые типов С3-Км, С4-Кп;

2-я         «            - крестообразное типа К1-Кт; стыковые типов С1-Ко, С5-Мф, С6-Мп, С7-Рв, С8-Мф, С9-Мп, С10-Рв и С20-Рм - все соединения при отношении диаметров стержней, равном 1,0;

3-я         «            - крестообразное типа К2-Кт; стыковые типов С11-Мф, С12-Мп, С13-Рв, С14-Мп, С15-Рс, С16-Мо, С17-Мп, С18-Мо, С19-Рм, С21-Рн и С22-Ру; тавровые типов Т6-Кс, Т7-Ко;

4-я         «            - нахлесточные типов Н1-Рш, Н2-Кр и Н3-Кп; тавровые типов Т1-Мф, Т2-Рф и Т12-Рз.

2. В таблице даны значения gs4 для арматуры диаметром до 20 мм.

3. Значения коэффициента gs4 должны быть снижены на 5 % при диаметре стержней 22-32 мм и на 10 % при диаметре свыше 32 мм.

Таблица 27

Защитное покрытие

Коэффициенты условий работы gs9 при арматуре

гладкой

периодического профиля

1. Цементно-полистирольное, латексно-минеральное

1,0

1,0

2. Цементно-битумное (холодное) при арматуре диаметром, мм:

 

 

6 и более

0,7

1,0

менее 6

0,7

0,7

3. Битумно-силикатное (горячее)

0,7

0,7

4. Битумно-глинистое

0,5

0,7

5. Сланцебитумное, цементное

0,5

0,5

Таблица 28

Вид и класс арматуры

Диаметр арматуры, мм

Коэффициенты для определения длины зоны передачи напряжений lp напрягаемой арматуры, применяемой без анкеров

wp

lp

1. Стержневая периодического профиля независимо от класса

Независимо от диаметра

0,25

10

2. Высокопрочная арматурная проволока периодического профиля класса Вр-II

5

1,40

40

4

1,40

50

3

1,40

60

3. Арматурные канаты классов:

 

 

 

К-7

15

1,00

25

12

1,10

25

9

1,25

30

6

1,40

40

К-19

14

1,00

25

Примечание. Для элементов из легкого бетона классов В7,5-В12,5 значения wp и lp увеличиваются в 1,4 раза против приведенных в настоящей таблице.

При мгновенной передаче усилия обжатия на бетон для стержневой арматуры периодического профиля значения wp и lp увеличиваются в 1,25 раза. При диаметре стержней свыше 18 мм мгновенная передача усилий не допускается.

Для стержневой арматуры периодического профиля всех классов значение lp принимается не менее 15d.

Начало зоны передачи напряжений при мгновенной передаче усилия обжатия на бетон для проволочной арматуры (за исключением высокопрочной проволоки класса Вр-II с внутренними анкерами по длине заделки) принимается на расстоянии 0,25lp от торца элемента.

2.30. Значения модуля упругости арматуры Еs принимаются по табл. 29*.

Таблица 29*

Класс арматуры

Модуль упругости арматуры Es×10-4, МПа (кгс/см2)

А-I, А-II

21 (210)

А-III

20 (200)

А-IV, А-V, А-VI и Ат-VII

19 (190)

А-IIIв

18 (180)

В-II, Вр-II

20 (200)

К-7, К-19

18 (180)

Вр-I

17 (170)

3. РАСЧЕТ ЭЛЕМЕНТОВ БЕТОННЫХ И ЖЕЛЕЗОБЕТОННЫХ КОНСТРУКЦИЙ ПО ПРЕДЕЛЬНЫМ СОСТОЯНИЯМ ПЕРВОЙ ГРУППЫ

РАСЧЕТ БЕТОННЫХ ЭЛЕМЕНТОВ ПО ПРОЧНОСТИ

3.1. Расчет по прочности бетонных элементов должен производиться для сечений, нормальных к их продольной оси. В зависимости от условий работы элементов они рассчитываются без учета, а также с учетом сопротивления бетона растянутой зоны.

Без учета сопротивления бетона растянутой зоны производится расчет внецентренно сжатых элементов, указанных в п. 1.7а, принимая, что достижение предельного состояния характеризуется разрушением сжатого бетона. Сопротивление бетона сжатию условно представляется напряжениями, равными Rb, равномерно распределенными по части сжатой зоны сечения - условной сжатой зоне (черт. 2), сокращенно именуемой в дальнейшем сжатой зоной бетона.

Черт. 2. Схема усилий и эпюра напряжений в сечении, нормальном к продольной оси внецентренно сжатого бетонного элемента, рассчитываемого по прочности без учета сопротивления бетона растянутой зоны

С учетом сопротивления бетона растянутой зоны производится расчет элементов, указанных в п. 1.76, а также элементов, в которых не допускаются трещины по условиям эксплуатации конструкций (элементов, подвергающихся давлению воды, карнизов, парапетов и др.). При этом принимается, что достижение предельного состояния характеризуется разрушением бетона растянутой зоны (появлением трещин). Предельные усилия определяются исходя из следующих предпосылок (черт. 3):

Черт. 3. Схема усилий и эпюра напряжений в сечении, нормальном к продольной оси изгибаемого (внецентренно сжатого) бетонного элемента, рассчитываемого по прочности с учетом сопротивления бетона растянутой зоны

сечения после деформаций остаются плоскими;

наибольшее относительное удлинение крайнего растянутого волокна бетона равно 2Rbt/Eb;

напряжения в бетоне сжатой зоны определяются с учетом упругих (а в некоторых случаях и неупругих) деформаций бетона;

напряжения в бетоне растянутой зоны распределены равномерно и равны Rbt.

В случаях, когда вероятно образование наклонных трещин (например, элементы двутаврового и таврового сечений при наличии поперечных сил), должен производиться расчет бетонных элементов из условий (141) и (142) с заменой расчетных сопротивлений бетона для предельных состояний второй группы Rb,ser и Rbt,ser соответствующими значениями расчетных сопротивлений бетона для предельных состояний первой группы Rb и Rbt.

Кроме того, должен производиться расчет элементов на местное действие нагрузки (смятие) согласно указаниям п. 3.39.

Внецентренно сжатые элементы

3.2. При расчете внецентренно сжатых бетонных элементов должен приниматься во внимание случайный эксцентриситет продольного усилия еа, определяемый согласно указаниям п. 1.21.

3.3. При гибкости элементов l0/i > 14 необходимо учитывать влияние на их несущую способность прогибов в плоскости эксцентриситета продольного усилия и в нормальной к ней плоскости путем умножения значений е0 на коэффициент h (см. п. 3.6). В случае расчета из плоскости эксцентриситета продольного усилия значение е0 принимается равным значению случайного эксцентриситета.

Применение бетонных внецентренно сжатых элементов (за исключением случаев, предусмотренных п. 1.7б) не допускается при эксцентриситетах приложения продольной силы с учетом прогибов е0h, превышающих:

а) в зависимости от сочетания нагрузок:

при основном сочетании                            0,9у

« особом               «                                      0,95у

б) в зависимости от вида и класса бетона:

для тяжелого, мелкозернистого

и легкого бетонов класса выше В7,5          у - 1

для других видов и классов бетона            у - 2

(здесь у - расстояние от центра тяжести сечения до наиболее сжатого волокна бетона, см).

3.4. Во внецентренно сжатых бетонных элементах в случаях, указанных в п. 5.48. необходимо предусмотреть конструктивную арматуру.

3.5. Расчет внецентренно сжатых бетонных элементов (см. черт. 2) должен производиться из условия

                                                                  (12)

где Ab - площадь сжатой зоны бетона, определяемая из условия, что ее центр тяжести совпадает с точкой приложения равнодействующей внешних сил.

Для элементов прямоугольного сечения Ab определяется по формуле

                                                            (13)

Внецентренно сжатые бетонные элементы, в которых появление трещин не допускается по условиям эксплуатации, независимо от расчета из условия (12) должны быть проверены с учетом сопротивления бетона растянутой зоны (см. п. 3.1 и черт. 3) из условия

                                                                   (14)

Для элементов прямоугольного сечения условие (14) имеет вид

                                                               (15)

Расчет внецентренно сжатых бетонных элементов указанных в п. 1.7б, должен производиться из условий (14) и (15).

В формулах (12) - (15):

h - коэффициент, определяемый по формуле (19);

a - коэффициент, принимаемый равным для бетона:

тяжелого, мелкозернистого, легкого

и поризованного                                                   1,00

ячеистого автоклавного                                       0,85

«          неавтоклавного                                   0,75

Wpl - момент сопротивления сечения для крайнего растянутого волокна с учетом неупругих деформаций растянутого бетона, определяемый в предположении отсутствия продольной силы по формуле

                                                          (16)

r - расстояние от центра тяжести сечения до ядровой точки, наиболее удаленной от растянутой зоны, определяемое по формуле

                                                                    (17)

j - см. п. 4.5.

Положение нулевой линии определяется из условия

                                                           (18)

3.6. Значение коэффициента h, учитывающего влияние прогиба на значение эксцентриситета продольного усилия е0, следует определять по формуле

                                                                (19)

где Ncr - условная критическая сила, определяемая по формуле

                                                (20)

В формуле (20):

jl - коэффициент, учитывающий влияние длительного действия нагрузки на прогиб элемента в предельном состоянии, равный:

                                                              (21)

но не более 1 + b,

здесь b -   коэффициент, принимаемый в зависимости от вида бетона по табл. 30;

М -     момент относительно растянутой или наименее сжатой грани сечения от действия постоянных, длительных и кратковременных нагрузок;

Мl -    то же, от действия постоянных и длительных нагрузок;

l0 -      определяется по табл. 31;

de -     коэффициент, принимаемый равным e0/h, но не менее

                                                 (22)

здесь Rb - в МПа.

Таблица 30

Бетон

Коэффициент b в формуле (21)

1. Тяжелый

1,0

2. Мелкозернистый групп:

 

А

1,3

Б

1,5

В

1,0

3. Легкий:

 

при искусственных крупных заполнителях и мелком заполнителе:

 

плотном

1,0

пористом

1,5

при естественных заполнителях

2,5

4. Поризованный

2,0

5. Ячеистый:

 

автоклавный

1,3

неавтоклавный

1,5

Примечание. Группы мелкозернистого бетона приведены в п. 2.3.

Таблица 31

Характер опирания стен и столбов

Расчетная длина l0 внецентренно сжатых бетонных элементов

1. С опорами вверху и внизу:

 

а) при шарнирах на двух концах независимо от величины смещения опор

Н

б) при защемлении одного из концов и возможном смещении опор для зданий:

 

многопролетных

1,25Н

однопролетных

1,50Н

2. Свободно стоящие

2,00Н

Обозначение, принятое в табл. 31: Н - высота столба (стены) в пределах этажа за вычетом толщины плиты перекрытия или высота свободно стоящей конструкции.

Если изгибающие моменты (или эксцентриситеты) от полной нагрузки и от суммы постоянных и длительных нагрузок имеют разные знаки, то при абсолютном значении эксцентриситета полной нагрузки е0, превышающем 0,1h, принимают jl = 1,0; если это условие не удовлетворяется, значение jl принимают равным  где jl1 определяют по формуле (21), принимал М равным произведению продольной силы N от действия постоянных, длительных и кратковременных нагрузок на расстояние от центра тяжести до растянутой или наименее сжатой от действия постоянных и длительных нагрузок грани сечения.

3.7. Расчет элементов бетонных конструкций на местное сжатие (смятие) должен производиться согласно указаниям пп. 3.39 и 3.40.

Изгибаемые элементы

3.8. Расчет изгибаемых бетонных элементов (см. черт. 3) должен производиться из условия

                                                               (23)

где a -    коэффициент, принимаемый согласно указаниям п. 3.5;

Wpl - определяется по формуле (16); для элементов прямоугольного сечения Wpl принимается равным:

                                                               (24)

РАСЧЕТ ЖЕЛЕЗОБЕТОННЫХ ЭЛЕМЕНТОВ ПО ПРОЧНОСТИ

3.9. Расчет по прочности железобетонных элементов должен производиться для сечений, нормальных к их продольной оси, а также для наклонных к ней сечений наиболее опасного направления. При наличии крутящих моментов следует проверить прочность пространственных сечений, ограниченных в растянутой зоне спиральной трещиной наиболее опасного из возможных направлений. Кроме того, следуют производить расчет элементов на местное действие нагрузки (смятие, продавливание, отрыв).

Расчет по прочности сечений, нормальных к продольной оси элемента

3.10. Предельные усилия в сечении, нормальном к продольной оси элемента, следует определять исходя из следующих предпосылок:

сопротивление бетона растяжению принимается равным нулю;

сопротивление бетона сжатию представляется напряжениями, равными Rb и равномерно распределенными по сжатой зоне бетона;

деформации (напряжения) в арматуре определяются в зависимости от высоты сжатой зоны бетона с учетом деформаций (напряжений) от предварительного напряжения (см. п. 3.28*);

растягивающие напряжения в арматуре принимаются не более расчетного сопротивления растяжению Rs;

сжимающие напряжения в арматуре принимаются не более расчетного сопротивления сжатию Rsc.

3.11. Расчет сечений, нормальных к продольной оси элемента, когда внешняя сила действует в плоскости оси симметрии сечения и арматура сосредоточена у перпендикулярных указанной плоскости граней элемента, следует производить а зависимости от соотношения между значением относительной высоты сжатой зоны бетона x = x/h0, определяемой из соответствующих условий равновесия, и значением относительной высоты сжатой зоны бетона xR (см. п. 3.12*), при котором предельное состояние элемента наступает одновременно с достижением в растянутой арматуре напряжения, равного расчетному сопротивлению Rs с учетом соответствующих коэффициентов условий работы арматуры, за исключением коэффициента gs6 (см. п. 3.13*).

3.12*. Значение xR определяется по формуле

                                                        (25)

где w - характеристика сжатой зоны бетона, определяемая по формуле

                                                             (26)

здесь a - коэффициент, принимаемый равным для бетона:

тяжелого                                            0,85

мелкозернистого (см. п. 2.3)

групп:

А                                                    0,80

Б и В                                             0,75

легкого, ячеистого и

поризованного                                  0,80

Для тяжелого, легкого и поризованного бетонов, подвергнутых автоклавной обработке, коэффициент a снижается на 0,05;

Rb - в МПа;

ssR - напряжение в арматуре, МПа, принимаемое для арматуры классов:

А-I, А-II, А-III, А-IIIв, Вр-I              ssR = Rs - ssp;

А-IV, А-V, А-VI и Ат-VII                ssR = Rs + 400 - ssp - Dssp;

В-II, Вр-II, К-7 и К-19                      ssR = Rs + 400 - ssp,

здесь Rs - расчетное сопротивление арматуры растяжению с учетом соответствующих коэффициентов условий работы арматуры gsi, за исключением gs6 (см. п. 3.13*);

ssp -     принимается при коэффициенте gsp < 1,0.

Dssp -     см. п. 3.28*;

ssc,u - предельное напряжение в арматуре сжатой зоны, принимаемое для конструкций из тяжелого, мелкозернистого и легкого бетонов в зависимости от учитываемых в расчете нагрузок по табл. 15*: по поз. 2а - равным 500 МПа, по поз. 2б - равным 400 МПа. Для конструкций из ячеистого и поризованного бетонов во всех случаях значение принимается равным 400 МПа. При расчете элементов в стадии обжатия значение ssc,u = 330 МПа.

Значения xR, определяемые по формуле (25), для элементов из ячеистого бетона следует принимать не более 0,6.

3.13*. При расчете по прочности железобетонных элементов с высокопрочной арматурой классов А-IV, А-V, А-VI, Ат-VII, В-II, Вр-II, К-7 и К-19 при соблюдении условия x < xR расчетное сопротивление арматуры Rs должно быть умножено на коэффициент gs6 (см. поз. 6 табл. 24*), определяемый по формуле

                                                (27)

где h - коэффициент, принимаемый равным для арматуры классов:

А-IV                                                     1,20

A-V, В-II, Bр-II, К-7 и К-19               1,15

А-VI и Ат-VII                                      1,10

Для случая центрального растяжения, а также внецентренного растяжения продольной силой, расположенной между равнодействующими усилий в арматуре, значение gs6 принимается равным h.

При наличии сварных стыков в зоне элемента с изгибающими моментами, превышающими 0,9Mmax (где Mmax - максимальный расчетный момент), значение коэффициента gs6 для арматуры классов А-IV и А-V принимается не более 1,10, а классов А-VI и Ат-VII - не более 1,05.

Коэффициент gs6 не следует учитывать для элементов:

рассчитываемых на действие многократно повторяющейся нагрузки;

армированных высокопрочной проволокой, расположенной вплотную (без зазоров);

эксплуатируемых в агрессивной среде.

3.14. Для напрягаемой арматуры, расположенной в сжатой зоне при действии внешних сил или в стадии обжатия и имеющей сцепление с бетоном, расчетное сопротивление сжатию Rsc (см. пп. 3.15, 3.16, 3.20, 3.27) должно быть заменено напряжением ssc, равным (ssc,u - ssp), МПа, но не более Rsc, где ssp определяется при коэффициенте gsp > 1,0, ssc,u - см. п. 3.12*.

Изгибаемые элементы прямоугольного, таврового, двутаврового и кольцевого сечений

3.15. Расчет прямоугольных сечений изгибаемых элементов, указанных в п. 3.11 (черт. 4), при  должен производиться из условия

                                       (28)

при этом высота сжатой зоны х определяется из формулы

                                                      (29)

Черт. 4. Схема усилий и эпюра напряжений в сечении, нормальном к продольной оси изгибаемого железобетонного элемента, при расчете его по прочности

3.16. Расчет сечений, имеющих полку в сжатой зоне, при x = х/h0 £ xR должен производиться в зависимости от положения границы сжатой зоны:

а) если граница проходит в полке (черт. 5, а), т. е. соблюдается условие

                                                   (30)

расчет производится как для прямоугольного сечения шириной b¢f согласно указаниям п. 3.15;

б) если граница проходит в ребре (черт. 5, б), т. е. условие (30) не соблюдается, расчет производится из условия

             (31)

при этом высота сжатой зоны бетона х определяется из формулы

                                         (32)

Черт. 5. Положение границы сжатой зоны в сечении изгибаемого железобетонного элемента

а - в полке; б - в ребре

Значение b¢f вводимое в расчет, принимается из условия, что ширина свеса полки в каждую сторону от ребра должна быть не более 1/6 пролета элемента и не более:

а) при наличии поперечных ребер или при h¢f ³ 0,1h - 1/2 расстояния в свету между продольными ребрами;

б) при отсутствии поперечных ребер или при расстояниях между ними больших, чем расстояния между продольными ребрами, h¢f < 0,1h - 6 h¢f;

в) при консольных свесах полки:

при h¢f ³ 0,1h                              6 h¢f;

« 0,05h £ h¢f < 0,1h                   3 h¢f

« h¢f < 0,05h                              свесы не учитываются

3.17. При расчете по прочности изгибаемых элементов рекомендуется соблюдать условие х £ xRh0. В случае, когда площадь сечения растянутой арматуры по конструктивным соображениям или из расчета по предельным состояниям второй группы принята большей, чем это требуется для соблюдения условия х £ xRh0, расчет следует производить по формулам для общего случая (см. п. 3.28*).

Если полученное из расчета по формулам (29) или (32) значение х > xRh0, допускается производить расчет из условий (28) и (31), определяя высоту сжатой зоны соответственно из формул:

                                                      (33)

                                      (34)

где                                                                                 (35)

здесь x = х/h0 (x подсчитывается при значениях Rs с учетом соответствующих коэффициентов условий работы арматуры);

ssp - определяется при коэффициенте gsp > 1,0.

Для элементов из бетона класса B30 и ниже с ненапрягаемой арматурой классов А-I, А-II, А-III и Вр-I при x > xRh0 допускается также производить расчет из условий (28) и (31), подставляя в них значение х = xRh0.

3.18. Расчет изгибаемых элементов кольцевого сечения при соотношении внутреннего и наружного радиусов r1/r2 ³ 0,5 с арматурой, равномерно распределенной по длине окружности (при числе продольных стержней не менее 6), должен производиться как для внецентренно сжатых элементов согласно указаниям п. 3.21*, принимая в формулах (41) и (42) значение продольной силы N = 0 и подставляя в формулу (40) вместо Ne0 значение изгибающего момента М.

Внецентренно сжатые элементы прямоугольного и кольцевого сечений

3.19. При расчете внецентренно сжатых железобетонных элементов необходимо учитывать случайный начальный эксцентриситет согласно указаниям п. 1.21, а также влияние прогиба на их несущую способность согласно указаниям п. 3.24.

3.20. Расчет прямоугольных сечений внецентренно сжатых элементов, указанных в п. 3.11, следует производить:

а) при x = x/h0 £ xR (черт. 6) из условия

                                         (36)

при этом высота сжатой зоны определяется из формулы

                                                    (37)

Черт. 6. Схема усилий и эпюра напряжений в сечении, нормальном к продольной оси внецентренно сжатого железобетонного элемента, при расчете его по прочности

б) при x = x/h0 > xR - также из условия (36), но при этом высота сжатой зоны определяется:

для элементов из бетона класса В30 и ниже с ненапрягаемой арматурой классов А-I, А-II, А-III - из формулы

                                                    (38)

где                                                                                                     (39)

для элементов из бетона класса выше В30, а также для элементов с арматурой класса выше А-III (ненапрягаемой и напрягаемой) - из формул (66) и (67) или (68).

3.21*. Расчет внецентренно сжатых элементов кольцевого сечения при соотношении внутреннего и наружного радиусов r1/r2 ³ 0,5 с арматурой, равномерно распределенной по длине окружности (при числе продольных стержней не менее 6), должен производиться из условия

                             (40)

при этом величина относительной площади сжатой зоны бетона определяется по формуле

                                            (41)

Если полученное из расчета по формуле (41) xcir < 0,15, в условие (40) подставляется значение xcir, определяемое по формуле

                                                (42)

при этом значения js и zs определяются по формулам (43) и (44), принимая xcir = 0,15.

В формулах (40) - (42):

rm -    полусумма внутреннего и наружного радиусов;

rs -     радиус окружности, проходящей через центры тяжести стержней арматуры;

As,tot - площадь сечения всей продольной арматуры;

js -    коэффициент, определяемый по формуле

                                                         (43)

zs - расстояние от равнодействующей в арматуре растянутой зоны до центра тяжести сечения, определяемое по формуле

                                                        (44)

но принимаемое не более rs;

ssp - определяется при коэффициенте gsp > 1,0;

w1 - коэффициент, определяемый по формуле

                                                               (45)

здесь hr - коэффициент, принимаемый равным для арматуры классов:

А-I, А-II, А-III                                   1,0

А-IV, А-V, А-VI, Ат-VII, B-II,

Вр-II, К-7 и К-19                              1,1

w2 - коэффициент, определяемый по формуле

                                                                   (46)

где значение d принимается равным:

                                                           (47)

здесь Rs - в МПа.

Если вычисленное по формуле (43) значение js £ 0, то в условие (40) подставляются js = 0 и значение xcir, полученное по формуле (41) при w1 = w2 = 0.

3.22*. Расчет элементов сплошного сечения из тяжелого и мелкозернистого бетонов с косвенным армированием следует производить согласно указаниям пп. 3.20 и 3.28*, вводя в расчет лишь часть площади бетонного сечения Aef, ограниченную осями крайних стержней сетки или спирали, и подставляя в расчетные формулы (36)-(38), (65) и (66) вместо Rb приведенную призменную прочность бетона Rb,red, а при высокопрочной арматуре вместо Rsc - значение Rsc,red.

Гибкость l0/ief элементов с косвенным армированием не должна превышать при косвенном армировании сетками - 55, спиралью - 35, где ief - радиус инерции части сечения, вводимой в расчет.

Значения Rb,red определяются по формулам:

а) при армировании сварными поперечными сетками

                                                        (48)

где Rs,xy - расчетное сопротивление арматуры сеток;

                                                        (49)

здесь nx, Asx, lx - соответственно число стержней, площадь поперечного сечения и длина стержня сетки (считая в осях крайних стержней) в одном направлении;

ny, Asy, ly -   то же, в другом направлении;

Аef -   площадь сечения бетона, заключенного внутри контура сеток;

s -    расстояние между сетками;

j -    коэффициент эффективности косвенного армирования, определяемый по формуле

                                                                 (50)

где                                                                                                                  (51)

Rs,xy, Rb - в МПа.

Для элементов из мелкозернистого бетона значение коэффициента j следует принимать не более единицы.

Площади сечения стержней сетки на единицу длины в одном и другом направлении не должны различаться более чем в 1,5 раза;

б) при армировании спиральной или кольцевой арматурой

                                           (52)

где Rs,cir - расчетное сопротивление арматуры спирали;

mcir -     коэффициент армирования, равный:

                                                                   (53)

здесь As,cir - площадь поперечного сечения спиральной арматуры;

def - диаметр сечения внутри спирали;

s - шаг спирали;

е0 -   эксцентриситет приложения продольной силы (без учета влияния прогиба).

Значения коэффициентов армирования, определяемые по формулам (49) и (53), для элементов из мелкозернистого бетона следует принимать не более 0,04.

Расчетное сопротивление сжатию Rsc,red продольной высокопрочной арматуры классов А-IV, А-V, А-VI и Ат-VII для элементов из тяжелого бетона с косвенным армированием сварными сетками определяется по формуле

                                                   (54)

и принимается не более Rs.

В формуле (54):

                                                           (55)

где                                                

здесь h - коэффициент, принимаемый равным для арматуры классов:

A-IV                                       10

A-V, A-VI и Aт-VII               15

As,tot - площадь сечения всей продольной высокопрочной арматуры;

Aef -   обозначение то же, что и в формуле (49);

Rb -    в МПа.

Значение q принимается не менее 1,0 и не более:

1,2 при арматуре класса А-IV

1,6    «          «       классов A-V, А-VI и Ат-VII

При определении граничного значения относительной высоты сжатой зоны для сечений с косвенным армированием в формулу (25) вводится

                                                 (56)

где a - коэффициент, принимаемый согласно указаниям п. 3.12*;

d2 - коэффициент, равный 10m, но принимаемый не более 0,15,

здесь m - коэффициент армирования mxy или mcir, определяемый по формулам (49) и (53) соответственно для сеток и спиралей.

Значение ssc,u в формуле (25) для элементов с высокопрочной арматурой принимается равным:

                                               (57)

но не более 900 МПа для арматуры класса А-IV, 1200 МПа - для арматуры классов А-V, А-VI и Ат-VII.

При учете влияния прогиба на несущую способность элементов с косвенным армированием следует пользоваться указаниями п. 3.24, определяя момент инерции по части сечения, ограниченной стержнями сеток или заключенной внутри спирали. Значение Ncr, полученное по формуле (58), должно быть умножено на коэффициент  где сef равно высоте или диаметру учитываемой части бетонного сечения, а при определении de,min второй член правой части формулы (22) заменяется на  где

Косвенное армирование учитывается в расчете при условии, что несущая способность элемента, определенная согласно указаниям настоящего пункта (вводя в расчет Аef и Rb,red), превышает его несущую способность, определенную по полному сечению А и значению расчетного сопротивления бетона Rb без учета косвенной арматуры.

Кроме того, косвенное армирование должно удовлетворять конструктивным требованиям п. 5.24.

3.23 . При расчете внецентренно сжатых элементов с косвенным армированием наряду с расчетом по прочности согласно указаниям п. 3.22* следует производить расчет, обеспечивающий трещиностойкость защитного слоя бетона.

Расчет производится согласно указаниям пп. 3.20 или 3.28* по эксплуатационным значениям расчетных нагрузок (gf = 1,0), учитывая всю площадь сечения бетона и принимая расчетные сопротивления Rb,ser и Rs,ser для предельных состояний второй группы и расчетное сопротивление арматуры сжатию равным значению Rs,ser, но не более 400 МПа.

При определении граничного значения относительной высоты сжатой зоны в формулах (25) и (69) принимают ssc,u = 400 МПа, а в формуле (26) коэффициент 0,008 заменяют на 0,006.

При учете влияния гибкости следует пользоваться указаниями п. 3.24, определяя значения dе по формуле (22) с заменой 0,010Rb на 0,008 Rb,ser.

3.24. При расчете внецентренно сжатых элементов следует учитывать влияние прогиба на их несущую способность, как правило, путем расчета конструкций по деформированной схеме (см. п. 1.15).

Допускается производить расчет конструкций по недеформированной схеме, учитывая при гибкости l0/i > 14 влияние прогиба элемента на его прочность, определяемую из условий (36), (40) и (65), путем умножения e0 на коэффициент h. При этом условная критическая сила в формуле (19) для вычисления h принимается равной:

                                       (58)

где l0 -   принимается согласно указаниям п. 3.25;

de -   коэффициент, принимаемый согласно указаниям п. 3.6;

jl - коэффициент, определяемый по формуле (21), при этом моменты М и Мl определяются относительно оси, параллельной линии, ограничивающей сжатую зону и проходящей через центр наиболее растянутого или наименее сжатого (при целиком сжатом сечении) стержня арматуры, соответственно от действия полной нагрузки и от действия постоянных и длительных нагрузок. Если изгибающие моменты (или эксцентриситеты) от действия полной нагрузки и от действия постоянных и длительных нагрузок имеют разные знаки, то следует учитывать указания п. 3.6;

jр - коэффициент, учитывающий влияние предварительного напряжения арматуры на жесткость элемента; при равномерном обжатии сечения напрягаемой арматурой jр определяется по формуле

                                                      (59)

здесь sbp - определяется при коэффициенте gsp < 1,0;

Rb - принимается без учета коэффициентов условий работы бетона;

в формуле (59) значение e0/h принимается не более 1,5;

a = Es/Eb.

Для элементов из мелкозернистого бетона группы Б в формулу (58) вместо значения 6,4 подставляется значение 5,6.

При расчете из плоскости действия изгибающего момента эксцентриситет продольной силы е0 принимается равным значению случайного эксцентриситета (см. п. 1.21).

3.25. Расчетную длину l0 внецентренно сжатых железобетонных элементов рекомендуется определять как для элементов рамной конструкции с учетом ее деформированного состояния при наиболее невыгодном для данного элемента расположении нагрузки, принимая во внимание неупругие деформации материалов и наличие трещин.

Для элементов наиболее часто встречающихся конструкций допускается принимать расчетную длину l0 равной:

а) для колонн многоэтажных зданий при числе пролетов не менее двух и соединениях ригелей и колонн, рассчитываемых как жесткие, при конструкциях перекрытий:

сборных                   Н

монолитных            0,7Н

где Н - высота этажа (расстояние между центрами узлов);

б) для колонн одноэтажных зданий с шарнирным опиранием несущих конструкций покрытий, жестких в своей плоскости (способных передавать горизонтальные усилия), а также для эстакад - по табл. 32;

в) для элементов ферм и арок - по табл. 33.

Центрально-растянутые элементы

3.26. При расчете сечений центрально-растянутых железобетонных элементов должно соблюдаться условие

                                                               (60)

где Аs,tot - площадь сечения всей продольной арматуры.

Внецентренно растянутые элементы прямоугольного сечения

3.27. Расчет прямоугольных сечений внецентренно растянутых элементов, указанных в п. 3.11, должен производиться в зависимости от положения продольной силы N:

а) если продольная сила N приложена между равнодействующими усилий в арматуре S и S¢ (черт. 7, а) - из условий:

                                                       (61)

                                                         (62)

б) если продольная сила N приложена за пределами расстояния между равнодействующими усилий в арматуре S и S¢ (черт. 7, б) - из условия

                                      (63)

при этом высота сжатой зоны х определяется по формуле

                                                    (64)

Таблица 32

Характеристика

Расчетная длина l0 колонн одноэтажных зданий при расчете их в плоскости

поперечной рамы или перпендикулярной к оси эстакады

перпендикулярной поперечной раме или параллельной оси эстакады

при наличии

при отсутствии

связей в плоскости продольного ряда колонн или анкерных опор

Здания

С мостовыми кранами

При учете нагрузки от кранов

Подкрановая (нижняя) часть колонн при подкрановых балках

Разрезных

1,5Н1

0,8Н1

1,2Н1

Неразрезных

1,2Н1

0,8Н1

0,8Н1

Надкрановая (верхняя) часть колонн при подкрановых балках

Разрезных

2,0Н2

1,5Н2

2,0Н2

Неразрезных

2,0Н2

1,5Н2

1,5Н2

Без учета нагрузки от кранов

Подкрановая (нижняя) часть колонн зданий

Однопролетных

1,5Н

0,8Н1

1,2Н

Многопролетных

1,2Н

0,8Н1

1,2Н

Надкрановая (верхняя) часть колонн при подкрановых балках

Разрезных

2,5Н2

1,5Н2

2,0Н2

Неразрезных

2,0Н2

1,5Н2

1,5Н2

Без мостовых кранов

Колонны ступенчатые

Нижняя часть колонн зданий

Однопролетных

1,5Н

0,8Н

1,2Н

Многопролетных

1,2Н

0,8Н

1,2Н

Верхняя часть колонн

2,5Н2

2,0Н2

2,5Н2

Колонны постоянного сечения зданий

Однопролетных

1,5Н

0,8Н

1,2Н

Многопролетных

1,2Н

0,8Н

1,2Н

Эстакады

Крановые

При подкрановых балках

Разрезных

2,0Н1

0,8Н1

1,5Н1

Неразрезных

1,5Н1

0,8Н1

Н1

Под трубопроводы

При соединении колонн с пролетным строением

Шарнирном

2,0Н

Н

2,0Н

Жестком

1,5Н

0,7Н

1,5Н

Обозначения, принятые в табл. 32:

Н - полная высота колонны от верха фундамента до горизонтальной конструкции (стропильной или подстропильной распорки) в соответствующей плоскости;

Н1 - высота подкрановой части колонны от верха фундамента до низа подкрановой балки;

Н2 - высота надкрановой части колонны от ступени колонны до горизонтальной конструкции в соответствующей плоскости.

Примечание. При наличии связей до верха колонн в зданиях с мостовыми кранами расчетная длина надкрановой части колонн в плоскости оси продольного ряда колонн принимается равной Н2.

Если полученное из расчета по формуле (64) значение х > xRh0, в условие (63) подставляется х = xRh0, где xR определяется согласно указаниям п. 3.12*.

Общий случай расчета (при любых сечениях, внешних усилиях и любом армировании)

3.28*. Расчет сечений в общем случае (черт. 8) должен производиться из условия

                                                     (65)

при этом знак «плюс» перед скобкой принимается для внецентренного сжатия и изгиба, знак «минус» - для растяжения.

В формуле (65):

М - в изгибаемых элементах - проекция момента внешних сил на плоскость, перпендикулярную прямой, ограничивающей сжатую зону сечения;

во внецентренно сжатых и растянутых элементах - момент продольной силы N относительно оси, параллельной прямой, ограничивающей сжатую зону, и проходящей:

во внецентренно сжатых элементах - через центр тяжести сечения наиболее растянутого или наименее сжатого стержня продольной арматуры;

во внецентренно растянутых элементах - через точку сжатой зоны, наиболее удаленную от указанной прямой;

Таблица 33

Наименование элементов

Расчетная длина l0 элементов ферм и арок

1. Элементы ферм:

 

а) верхний пояс при расчете:

 

в плоскости фермы:

 

при е0 < 1/8h1

0,9l

при e0 ³ 1/8h1

0,8l

из плоскости фермы:

 

для участка под фонарем (при ширине фонаря 12 м и более)

0,8l

в остальных случаях

0,9l

б) раскосы и стойки при расчете:

 

в плоскости фермы

0,8l

из плоскости фермы:

 

при b1/b2 < 1,5

0,9l

при b1/b2 ³ 1,5

0,8l

2. Арки:

 

а) при расчете в плоскости арки:

 

трехшарнирной

0,580L

двухшарнирной

0,540L

бесшарнирной

0,365L

б) при расчете из плоскости арки (любой)

L

Обозначения, принятые в табл. 33:

l -   длина элемента между центрами примыкающих узлов, а для верхнего пояса фермы при расчете из плоскости фермы - расстояние между точками его закрепления;

L -   длина арки вдоль ее геометрической оси; при расчете из плоскости арки - длина арки между точками ее закрепления из плоскости арки;

h1 -   высота сечения верхнего пояса;

b1, b2 - ширина сечения соответственно верхнего пояса и стойки (раскоса) фермы.

Черт. 7. Схема усилий и эпюра напряжений в сечении, нормальном к продольной оси внецентренно растянутого железобетонного элемента, при расчете его по прочности

а - продольная сила N приложена между равнодействующими усилий в арматуре S и S¢; б - то же, за пределами расстояния между равнодействующими усилий в арматуре S и S¢

Черт. 8. Схема усилий и эпюра напряжений в сечении, нормальном к продольной оси железобетонного элемента, в общем случае расчета по прочности

I-I - плоскость, параллельная плоскости действия изгибающего момента, или плоскость, проходящая через точки приложения продольной силы и равнодействующих внутренних сжимающих и растягивающих усилий; 1 - точка приложения равнодействующей усилий в сжатой арматуре и в бетоне сжатой зоны; 2 - точка приложения равнодействующей усилий в растянутой арматуре

Sb - статический момент площади сечения сжатой зоны бетона относительно соответствующий из указанных осей, при этом в изгибаемых элементах положение оси принимается таким. как и во внецентренно сжатых;

Ssi - статический момент площади сечения i-го стержня продольной арматуры относительно соответствующей из указанных осей;

ssi - напряжение в i-м стержне продольной арматуры, определяемое согласно указаниям настоящего пункта.

Высота сжатой зоны х и напряжение ssi определяются из совместного решения уравнений:

                                                (66)

                                              (67)

В уравнении (66) знак «минус» перед N принимается для внецентренно сжатых элементов, знак «плюс» - для внецентренно растянутых.

Кроме того, для определения положения границы сжатой зоны при косом изгибе требуется соблюдение дополнительного условия параллельности плоскости действия моментов внешних и внутренних сил, а при косом внецентренном сжатии или растяжении - условия, что точки приложения внешней продольной силы, равнодействующей сжимающих усилий в бетоне и арматуре и равнодействующей усилий в растянутой арматуре (либо внешней продольной силы, равнодействующей сжимающих усилий в бетоне и равнодействующей усилий во всей арматуре) должны лежать на одной прямой (см. черт. 8).

Если значение ssi, полученное по формуле (67), для арматуры классов А-IV, А-V, А-VI, Ат-VII, В-П, Вр-II, К-7 и К-19 превышает bRsi, то напряжение ssi следует определять по формуле

                                             (68)

В случае, когда найденное по формуле (68) напряжение в арматуре превышает Rsi без учета коэффициента gs6, в условия (65) и (66) подставляется значение ssi, равное Rsi с учетом соответствующих коэффициентов условий работы, в том числе gs6 (см. п. 3.13*).

Напряжение ssi вводится в расчетные формулы со своим знаком, полученным при расчете по формулам (67) и (68), при этом необходимо соблюдать следующие условия:

во всех случаях Rsi ³ ssi ³ Rsci;

для предварительно напряженных элементов ssi ³ ssci, здесь ssci - напряжение в арматуре, равное предварительному напряжению s¢spi, уменьшенному на величину ssc,u (см. пп. 3.12* и 3.22*).

В формулах (66) - (68):

Asi - площадь сечения i-го стержня продольной арматуры;

sspi - предварительное напряжение в i-м стержне продольной арматуры, принимаемое при коэффициенте gsp, назначаемом в зависимости от расположения стержня;

xi -   относительная высота сжатой зоны бетона, равная  где h0i - расстояние от оси, проходящей через центр тяжести сечения рассматриваемого i-го стержня арматуры и параллельной прямой, ограничивающей сжатую зону, до наиболее удаленной точки сжатой зоны сечения (см. черт. 8);

w -    характеристика сжатой зоны бетона, определяемая по формулам (26) или (56);

xRi, xeli -  относительная высота сжатой зоны, отвечающая достижению в рассматриваемом стержне напряжений, соответственно равных Rsi и bRsi; значения xRi и xeli определяются по формуле

                                            (69)

здесь  МПа, - при определении xRi;

 МПа, - при определении xeli;

ssc,u - см. пп. 3.12* и 3.22*.

Значения Dsspi и коэффициента b определяются:

при механическом, а также автоматизированных электротермическом и электротермомеханическом способах предварительного напряжения арматуры классов А-IV, A-V, А-VI и Ат-VII по формулам:

                                              (70)

                                                   (71)

при иных способах предварительного напряжения арматуры классов А-IV, А-V, А-VI и Ат-VII, а также для арматуры классов В-II, Вр-II, К-7 и К-19 при любых способах предварительного напряжения значения Dsspi = 0, коэффициент b = 0,8.

В формулах (70) и (71) sspi принимается при коэффициенте gsp < 1,0 с учетом потерь по поз. 3-5 табл. 5.

Примечание. Индекс i означает порядковый номер стержня арматуры.

Расчет по прочности сечений, наклонных к продольной оси элемента

3.29. Расчет железобетонных элементов по наклонным сечениям должен производиться для обеспечения прочности:

на действие поперечной силы по наклонной полосе между наклонными трещинами (см. п. 3.30);

на действие поперечной силы по наклонной трещине (см. пп. 3.31*-3.33);

на действие поперечной силы по наклонной сжатой полосе между грузом и опорой (для коротких консолей колонн; см. п. 3.34);

на действие изгибающего момента по наклонной трещине (см. п. 3.35).

3.30. Расчет железобетонных элементов на действие поперечной силы для обеспечения прочности по наклонной полосе между наклонными трещинами должен производиться из условия

                                                     (72)

Коэффициент jw1, учитывающий влияние хомутов, нормальных к продольной оси элемента, определяется по формуле

                                                             (73)

но не более 1,3,

где

Коэффициент jb1 определяется по формуле

                                                                 (74)

где b - коэффициент, принимаемый равным для бетона:

тяжелого, мелкозернистого и

ячеистого                                             0,01

легкого                                                 0,02

Rb - в МПа.

3.31. Расчет железобетонных элементов с поперечной арматурой (черт. 9) на действие поперечной силы для обеспечения прочности по наклонной трещине должен производиться по наиболее опасному наклонному сечению из условия

                                                           (75)

Черт. 9. Схема усилий в сечении, наклонном к продольной оси железобетонного элемента, при расчете его по прочности на действие поперечной силы

Поперечная сила Q в условии (75) определяется от внешней нагрузки, расположенной по одну сторону от рассматриваемого наклонного сечения.

Поперечное усилие Qb, воспринимаемое бетоном, определяется по формуле

                                              (76)

где с - длина проекции наиболее опасного наклонного сечения на продольную ось элемента.

Коэффициент jb2, учитывающий влияние вида бетона, принимается равным для бетона:

тяжелого и ячеистого                         2,00

мелкозернистого                                 1,70

легкого при марке по средней

плотности:

D 1900 и более                                    1,90

D 1800 и менее при мелком

заполнителе:

плотном                                               1,75

пористом                                             1,50

Коэффициент jf, учитывающий влияние сжатых полок в тавровых и двутавровых элементах, определяется по формуле

                                                     (77)

но не более 0,5.

При этом b¢f принимается не более b + 3h¢f, а поперечная арматура должна быть заанкерена в полке.

Коэффициент jn, учитывающий влияние продольных сил, определяется по формулам:

при действии продольных сжимающих сил

                                                           (78)

но не более 0,5;

для предварительно напряженных элементов в формулу (78) вместо N подставляется усилие предварительного обжатия Р; положительное влияние продольных сжимающих сил не учитывается, если они создают изгибающие моменты, одинаковые по знаку с моментами от действия поперечной нагрузки;

при действии продольных растягивающих сил

                                                      (79)

но не более 0,8 по абсолютной величине.

Значение 1 + jf + jn во всех случаях принимается не более 1,5.

Значение Qb, вычисленное по формуле (76), принимается не менее

Коэффициент jb3 принимается равным для бетона:

тяжелого и ячеистого                                  0,6

мелкозернистого                                         0,5

легкого при марке по средней плотности:

D 1900 и более                                        0,5

D 1800 и менее                                       0,4

При расчете железобетонных элементов с поперечной арматурой должна быть также обеспечена прочность по наклонному сечению в пределах участка между хомутами, между опорой и отгибом и между отгибами.

Поперечные усилия Qsw и Qs,inc определяются как сумма проекций на нормаль к продольной оси элемента предельных усилий соответственно в хомутах и отгибах, пересекающих опасную наклонную трещину.

Длина с0 проекции опасной наклонной трещины на продольную ось элемента определяется из минимума выражения Qb + Qsw + Qs,inc, где в значение Qb вместо с подставляется с0; полученное значение с0 принимается не более 2h0 и не более значения с, а также не менее h0, если с > h0.

Для элементов с поперечной арматурой в виде хомутов, нормальных к продольной оси элемента и имеющих постоянный шаг в пределах рассматриваемого наклонного сечения, значение с0 соответствует минимуму выражения Qb + Qsw, определяемому по формуле

                                         (80)

где qsw - усилие в хомутах на единицу длины элемента, определяемое по формуле

                                                         (81)

Для таких элементов поперечное усилие Qsw, определяется по формуле

                                                           (82)

При этом для хомутов, устанавливаемых по расчету, должно удовлетворяться условие

                                          (83)

Кроме того, поперечная арматура должна удовлетворять требованиям пп. 5.26-5.28.

При расчете конструкций, в которых в качестве ненапрягаемой продольной растянутой арматуры применяется стержневая арматура классов А-IV и А-IIIв или арматура классов А-V, А-VI и Ат-VII (при смешанном армировании), коэффициенты jb2, jb3, а также jb4, (п. 3.32) необходимо умножать на 0,8.

3.32 . Расчет железобетонных элементов без поперечной арматуры на действие поперечной силы для обеспечения прочности по наклонной трещине должен производиться по наиболее опасному наклонному сечению из условия

                                           (84)

где правая часть условия (84) принимается не более 2,5Rbtbh0 и не менее

Коэффициент jb4 принимается равным для бетона:

тяжелого и ячеистого                1,5

мелкозернистого                        1,2

легкого при марке

по средней плотности:

D 1900 и более                      1,2

D 1800 и менее                     1,0

Коэффициенты jb3 и jn, а также значения Q и с в условии (84) определяются согласно указаниям п. 3.31*.

При отсутствии в рассматриваемой зоне действия поперечных сил нормальных трещин, т. е. если выполняется условие (124) с заменой Rbt,ser на Rbt, допускается учитывать повышение прочности элемента по расчету из условия (141) с заменой Rbt,ser и Rb,ser соответственно на Rbt и Rb.

3.33. Расчет железобетонных элементов с наклонными сжатыми гранями (черт. 10) на действие поперечной силы для обеспечения прочности на наклонной трещине производится согласно указаниям пп. 3.31* и 3.32. При этом в качестве рабочей высоты в пределах рассматриваемого наклонного сечения в расчет вводятся: для элементов с поперечной арматурой - наибольшее значение h0, для элементов без поперечной арматуры - среднее значение h0.

Черт. 10. Схема для расчета железобетонных балок с наклонными сжатыми гранями

3.34. Расчет железобетонных коротких консолей колонн (l £ 0,9 h0; черт. 11) на действие поперечной силы для обеспечения прочности по наклонной сжатой полосе между грузом и опорой должен производиться из условия

                                                 (85)

где правая часть условия (85) принимается не более 3,5Rbtbh0 и не менее правой части условия (84); q - угол наклона расчетной сжатой полосы к горизонтали.

Черт. 11. Схема для расчета коротких консолей

Ширина наклонной сжатой полосы lb определяется по формуле

                                                              (86)

где lsup - длина площадки передачи нагрузки вдоль вылета консоли.

При определении длины lsup следует учитывать особенности передачи нагрузки при различных схемах опирания конструкций на консоли (свободно опертые или защемленные балки, расположенные вдоль вылета консоли; балки, расположенные поперек вылета консоли, и т. д.).

Коэффициент jb2, учитывающий влияние хомутов, расположенных по высоте консоли, определяется по формуле

                                                          (87)

где

Asw - площадь сечения хомутов в одной плоскости;

sw - расстояние между хомутами, измеренное по нормали к ним.

При этом учитываются хомуты горизонтальные и наклонные под углом не более 45° к горизонтали.

Поперечное армирование коротких консолей колонн должно удовлетворять требованиям п. 5.30.

3.35. Расчет железобетонных элементов на действие изгибающего момента (черт. 12) для обеспечения прочности по наклонной трещине должен производиться по опасному наклонному сечению из условия

                                                     (88)

Момент М в условии (88) определяется от внешней нагрузки, расположенной по одну сторону от рассматриваемого наклонного сечения, относительно оси, перпендикулярной плоскости действия момента и проходящей через точку приложения равнодействующей усилий Nb в сжатой зоне.

Черт. 12. Схема усилий в сечении, наклонном к продольной оси железобетонного элемента, при расчете его по прочности на действие изгибающего момента

Моменты Мs, Мsw и Мs,inc определяются как сумма моментов относительно той же оси от усилий соответственно в продольной арматуре, хомутах и отгибах, пересекающих растянутую зону наклонного сечения.

При определении усилий в арматуре, пересекающей наклонное сечение, следует учитывать ее анкеровку за наклонным сечением.

Высота сжатой зоны наклонного сечения определяется из условия равновесия проекций усилий в бетоне сжатой зоны и в арматуре, пересекающей растянутую зону наклонного сечения, на продольную ось элемента.

Расчет наклонных сечений на действие момента производится в местах обрыва или отгиба продольной арматуры, а также в приопорной зоне балок и у свободного края консолей. Кроме того, расчет наклонных сечений на действие момента производится в местах резкого изменения конфигурации элемента (подрезки и т. п.).

На приопорных участках элементов момент Мs, воспринимаемый продольной арматурой, пересекающей растянутую зону наклонного сечения, определяется по формуле

                                                               (89)

где Аs -     площадь сечения продольной арматуры, пересекающей наклонное сечение;

zs - расстояние от равнодействующей усилий в продольной арматуре до равнодействующей усилий в сжатой зоне.

При отсутствии у продольной арматуры анкеровки расчетные сопротивления арматуры растяжению Rs в месте пересечения ею наклонного сечения принимаются сниженными согласно поз. 5 табл. 24*.

Для конструкций из ячеистого бетона усилия в продольной арматуре должны определяться по расчету только с учетом работы поперечных анкеров на приопорных участках.

Момент Мsw, воспринимаемый хомутами, нормальными к продольной оси элемента, с равномерным шагом в пределах растянутой зоны рассматриваемого наклонного сечения, определяется по формуле

                                                             (90)

где qsw - усилие в хомутах на единицу длины элемента, определяемое по формуле (81);

с -      длина проекции наиболее опасного наклонного сечения на продольную ось элемента.

Расчет по прочности пространственных сечений (элементов, работающих на кручение с изгибом)

3.36. При расчете пространственных сечений усилия определяются исходя из следующих предпосылок:

сопротивление бетона растяжению принимается равным нулю;

сжатая зона пространственного сечения условно представляется плоскостью, расположенной под углом q к продольной оси элемента, а сопротивление бетона сжатию - напряжениями Rbsin2 q, равномерно распределенными по сжатой зоне;

растягивающие напряжения в продольной и поперечной арматуре, пересекающей растянутую зону рассматриваемого пространственного сечения, принимаются равными расчетным сопротивлениям соответственно Rs и Rsw;

напряжение в арматуре, расположенной в сжатой зоне, принимается для ненапрягаемой арматуры - равным Rsc, для напрягаемой - согласно указаниям п. 3.14.

Элементы прямоугольного сечения

3.37. При расчете элементов на кручение с изгибом должно соблюдаться условие

                                                              (91)

где b, h - соответственно меньший и больший размеры граней элемента.

При этом значение Rb для бетона классов выше В30 принимается как для бетона класса В30.

3.38. Расчет по прочности пространственных сечений (черт. 13) должен производиться из условия

                                           (92)

Черт. 13. Схема усилий в пространственном сечении железобетонного элемента, работающего на изгиб с кручением, при расчете его по прочности

Высота сжатой зоны х определяется из условия

                                                       (93)

Расчет должен производиться для трех расчетных схем расположения сжатой зоны пространственного сечения:

1-я схема - у сжатой от изгиба грани элемента (черт. 14, а);

2-я схема - у грани элемента, параллельной плоскости действия изгибающего момента (черт. 14, б);

3-я схема - у растянутой от изгиба грани элемента (черт. 14, в).

Черт. 14. Схемы расположения сжатой зоны пространственного сечения

а - у сжатой от изгиба грани элемента; б - у грани элемента, параллельной плоскости действия изгибающего момента; в - у растянутой от изгиба грани элемента

В формулах (92) и (93):

As, A¢s - площади поперечного сечения продольной арматуры, расположенной при данной расчетной схеме соответственно в растянутой и сжатой зонах;

b, h -       размеры граней элемента, соответственно параллельных и перпендикулярных линии, ограничивающей сжатую зону;

                                                                 (94)

                                                                    (95)

здесь с - длина проекции линии, ограничивающей сжатую зону, на продольную ось элемента; расчет производится для наиболее опасного значения с, определяемого последовательным приближением и принимаемого не более 2h + b.

В формуле (92) значения c и jq, характеризующие соотношение между действующими усилиями Т, М и Q, принимаются:

при отсутствии изгибающего                    c = 0                jq = 1;

момента

при расчете по 1-й схеме                                       jq = 1;

«         «       «   2-й    «                                c = 0               

«         «       «   3-й    «                                         jq = 1.

Крутящий момент Т, изгибающий момент М и поперечная сила Q принимаются в сечении, нормальном к продольной оси элемента и проходящем через центр тяжести сжатой зоны пространственного сечения.

Значения коэффициента jw, характеризующего соотношение между поперечной и продольной арматурой, определяются по формуле

                                                              (96)

где Аsw - площадь сечения одного стержни хомута, расположенного у грани, являющейся для рассматриваемой расчетной схемы растянутой;

s -     расстояние между указанными выше хомутами.

При этом значения jw принимаются:

не менее

                                                      (97)

и не более

                                                         (98)

где М -     изгибающий момент, принимаемый для 2-й схемы равным нулю, для 3-й схемы - со знаком «минус»;

Mu - предельный изгибающий момент, воспринимаемый нормальным сечением элемента.

Если значение jw подсчитанное по формуле (96), меньше jw,min, то значение усилия RsAs, вводимое в формулы (92) и (93), унижается на отношение jw/jw,min.

В случае, когда удовлетворяется условие

                                                                  (99)

вместо расчета по 2-й схеме производится расчет из условия

                                                         (100)

В формулах (99) и (100):

b -           ширина грани сечения, перпендикулярной плоскости изгиба;

Qsw, Qb - определяются согласно указаниям п. 3.31*.

Расчет железобетонных элементов на местное действие нагрузок

Расчет на местное сжатие

3.39. При расчете на местное сжатие (смятие) элементов без поперечного армирования должно удовлетворяться условие

                                                           (101)

где N -   продольная сжимающая сила от местной нагрузки;

Aloc1 - площадь смятия (черт. 15);

y -     коэффициент, зависящий от характера распределения местной нагрузки по площади смятия и принимаемый равным:

при равномерном распределении

нагрузки                                                       1,0

при неравномерном распределении

нагрузки (под концами балок, прогонов,

перемычек):

для тяжелого, мелкозернистого

и легкого бетонов                                       0,75

для ячеистого бетона                                  0,50

Rb,loc - расчетное сопротивление бетона смятию, определяемое по формуле

                                                          (102)

здесь a jb ³ 1,0;

a = 1,0 для бетона класса ниже В25;

 для бетона классов В25 и выше;

но не более следующих значений:

при схеме приложения нагрузки по черт. 15, а, в, г, е, и для бетона:

тяжелого, мелкозернистого и легкого классов:

выше В7,5                                                                 2,5

В3,5; В5; В7,5                                                           1,5

ячеистого и легкого классов

В2,5 и ниже                                                              1,2

при схеме приложения нагрузки по

черт. 15, б, д, ж независимо от вида

и класса бетона                                                        1,0

Rb, Rbt - принимаются как для бетонных конструкций (см. поз. 9 табл. 15);

Aloc2 -     расчетная площадь смятия, определяемая согласно указаниям п. 3.40.

3.40. В расчетную площадь Aloc2 включается участок, симметричный по отношению к площади смятия (см. черт. 15).

При этом должны выполняться следующие правила:

при местной нагрузке по всей ширине элемента b в расчетную площадь включается участок длиной не более b в каждую сторону от границы местной нагрузки (см. черт. 15, а);

Черт. 15. Схемы для расчета железобетонных элементов на местное сжатие

а - при местной нагрузке по всей ширине элемента; б - при местной краевой нагрузке по всей ширине элемента; в, г - при местной нагрузке в местах опирания концов прогонов и балок; д - при местной краевой нагрузке на угол элемента; е - при местной нагрузке, приложенной на части длины и ширины элемента; при местной краевой нагрузке, расположенной в пределах выступа стены или простенка; ж - при местной краевой нагрузке, расположенной в пределах выступа стены (пилястры); и - сечений сложной формы; 1 - площадь смятия; 2 - расчетная площадь смятия; 3 - минимальная зона армирования сетками, при которой косвенное армирование учитывается в расчете по формуле (104)

при местной краевой нагрузке по всей ширине элемента расчетная площадь Aloc2 равна площади смятия Aloc1 (см. черт. 15, б);

при местной нагрузке в местах опирания концов прогонов и балок в расчетную площадь включается участок шириной, равной глубине заделки прогона или балки, и длиной не более расстояния между серединами пролетов, примыкающих к балке (см. черт. 15, в);

если расстояние между балками превышает двойную ширину элемента, длина расчетной площади определяется как сумма ширины балки и удвоенной ширины элемента (см. черт. 15, г);

при местной краевой нагрузке на утоп элемента (см. черт. 15, д) расчетная площадь Aloc2 равна площади смятия Aloc1;

при местной нагрузке, приложенной на части длины и ширины элемента, расчетная площадь принимается согласно черт. 15, е. При наличии нескольких нагрузок указанного типа расчетные площади ограничиваются линиями, проходящими через середину расстояний между точками приложений двух соседних нагрузок;

при местной краевой нагрузке, расположенной в пределах выступа стены (пилястры) или простенка таврового сечения, расчетная площадь Aloc2 равна площади смятия Aloc1 (см. черт. 15, ж);

при определении расчетной площади для сечений сложной формы не должны учитываться участки, связь которых с загруженным участком не обеспечена с необходимой надежностью (см. черт. 15, и).

Примечание. При местной нагрузке от балок, прогонов, перемычек и других элементов, работающих на изгиб, учитываемая в расчете глубина опоры при определении Aloc1 и Aloc2 принимается не более 20 см.

3.41. При расчете на местное сжатие элементов из тяжелого бетона с косвенным армированием в виде сварных поперечных сеток должно удовлетворяться условие

                                                            (103)

где Aloc1 - площадь смятия;

Rb,red - приведенная призменная прочность бетона при расчете на местное сжатие, определяемая по формуле

                                               (104)

здесь Rs,xy, j, mxy - обозначения те же, что и в п. 3.22*;

                                                         (105)

но не более 3,5;

js - коэффициент, учитывающий влияние косвенного армирования в зоне местного сжатия; для схем черт. 15, б, д, ж принимается js = 1,0, при этом косвенное армирование учитывается в расчете при условии, что поперечные сетки установлены на площади не менее ограниченной пунктирными линиями на соответствующих схемах черт. 15; для схем черт. 15, а, в, г, е, и коэффициент js определяется по формуле

                                                       (106)

здесь Aef -  площадь бетона, заключенного внутри контура сеток косвенного армирования, считая по их крайним стержням, для которой должно удовлетворяться условие Aloc1 < Аef £ Aloc2.

Расчет на продавливание

3.42. Расчет на продавливание плитных конструкций (без поперечной арматуры) от действия сил, равномерно распределенных на ограниченной площади, должен производиться из условия

                                                           (107)

где F -    продавливающая сила;

a -     коэффициент, принимаемый равным для бетона:

тяжелого                           1,00

мелкозернистого              0,85

легкого                              0,80

um - среднеарифметическое значений периметров верхнего и нижнего оснований пирамиды, образующейся при продавливании в пределах рабочей высоты сечения.

При определении um и F предполагается, что продавливание происходя по боковой поверхности пирамиды, меньшим основанием которой служит площадь действия продавливающей силы, а боковые грани наклонены под углом 45° к горизонтали (черт. 16, а).

Продавливающая сила F принимается равной силе, действующей на пирамиду продавливания, за вычетом нагрузок, приложенных к большему основанию пирамиды продавливания (считая по плоскости расположения растянутой арматуры) и сопротивляющихся продавливанию.

Если схема опирания такова, что продавливание может происходить только по поверхности пирамиды с углом наклона боковых граней более 45° (например, в свайных ростверках, черт. 16, б), правая часть условия (107) определяется для фактической пирамиды продавливания с умножением на h0/с. При этом значение несущей способности принимается не более значения, соответствующего пирамиде при с = 0,4 h0, где с - длина горизонтальной проекции боковой грани пирамиды продавливания.

Черт. 16. Схемы для расчета железобетонных элементов на продавливание

а - при наклоне боковых граней пирамиды продавливания под углом 45°; б - то же, более 45°

При установке в пределах пирамиды продавливания хомутов, нормальных к плоскости плиты, расчет должен производиться из условия

                                                          (108)

но не более 2 Fb. Усилие Fb принимается равным правой части неравенства (107), а Fsw определяется как сумма всех поперечных усилий, воспринимаемых хомутами, пересекающими боковые грани расчетной пирамиды продавливания, по формуле

                                                         (109)

где Rsw не должно превышать значения, соответствующего арматуре класса А-I.

При учете поперечной арматуры значение Fsw должно быть не менее 0,5 Fb.

При расположении хомутов на ограниченном участке вблизи сосредоточенного груза производится дополнительный расчет на продавливание пирамиды с верхним основанием, расположенным по контуру участка с поперечной арматурой, из условия (107).

Поперечная арматура должна удовлетворять требованиям п. 5.29.

Расчет на отрыв

3.43. Расчет железобетонных элементов на отрыв от действия нагрузки, приложенной к его нижней грани или в пределах высоты его сечения (черт. 17), должен производиться из условия

Черт. 17. Схема для расчета железобетонных элементов на отрыв

где F -           отрывающая сила;

hs -      расстояние от уровня передачи отрывающей силы на элемент до центра тяжести сечения продольной арматуры;

åRswAsw - сумма поперечных усилий, воспринимаемых хомутами, устанавливаемыми дополнительно по длине зоны отрыва, равной:

                                                               (111)

здесь b - ширина площадки передачи отрывающей силы.

Значения hs и b устанавливаются в зависимости от характера и условий приложения отрывающей нагрузки на элемент (через консоли, примыкающие элементы и др.).

Расчет закладных деталей

3.44. Расчет анкеров, приваренных втавр к плоским элементам стальных закладных деталей, на действие изгибающих моментов, нормальных и сдвигающих сил от статической нагрузки, расположенных в одной плоскости симметрии закладной детали (черт. 18), должен производиться по формуле

                                                    (112)

Черт. 18. Схема усилий, действующих на закладную деталь

где Aan - суммарная площадь поперечного сечения анкеров наиболее напряженного ряда;

Nan -      наибольшее растягивающее усилие в одном ряду анкеров, равное:

                                                          (113)

Qan - сдвигающее усилие, приходящееся на один ряд анкеров, равное:

                                                     (114)

N¢an - наибольшее сжимающее усилие в одном ряду анкеров, определяемое по формуле

                                                          (115)

В формулах (112) - (115):

М, N, Q - соответственно момент, нормальная и сдвигающая силы, действующие на закладную деталь; момент определяется относительно оси, расположенной в плоскости наружной грани пластины и проходящей через центр тяжести всех анкеров;

nan -      число рядов анкеров вдоль направления сдвигающей силы; если не обеспечивается равномерная передача сдвигающей силы Q на все ряды анкеров, то при определении сдвигающего усилия Qan учитывается не более четырех рядов;

z -         расстояние между крайними рядами анкеров;

l -        коэффициент, определяемый при анкерных стержнях диаметром 8-25 мм для тяжелого и мелкозернистого бетонов классов В12,5 - В50 и легкого бетона классов В12,5 - В30 по формуле

,                                                 (116)

но принимаемый не более 0,7; для тяжелого и мелкозернистого бетонов классов выше В50 коэффициент l принимается как для класса В50, а для легкого бетона классов выше В30 - как для класса В30;

здесь Rb, Rs - в МПа;

Aan1 - площадь анкерного стержня наиболее напряженного ряда, см2;

b -     коэффициент, принимаемый равным для бетона:

тяжелого                                   1,0

мелкозернистого групп:

А                                                0,8

Б и В                                         0,7

легкого                                      rm/2300

(rm - средняя плотность бетона, кг/м3);

d -    коэффициент, определяемый по формуле

                                                                (117)

но принимаемый не менее 0,15;

здесь  (имеется прижатие);

 (нет прижатия); если в анкерах отсутствуют растягивающие усилия, коэффициент d принимается равным единице.

Площадь сечения анкеров остальных рядов должна приниматься рваной площади сечения анкеров наиболее напряженного ряда.

В формулах (113) и (115) нормальная сила N считается положительной, если направлена от закладной детали (см. черт. 18), и отрицательной - если направлена к ней. В случаях, когда нормальные усилия Nan и N¢an, а также сдвигающее усилие Qan при вычислении по формулам (113) - (115) получают отрицательные значения, в формулах (112) - (114) и (117) их принимают равными нулю. Кроме того, если Nan получает отрицательное значение, то в формуле (114) принимается N¢an = N.

При расположении закладной детали на верхней (при бетонировании) поверхности изделия коэффициент l уменьшается на 20 %, а значение N¢an принимается равным нулю.

3.45. В закладной детали с анкерами, приваренными внахлестку под углом от 15 до 30°, наклонные анкера рассчитываются на действие сдвигающей силы (при Q > N, где N - отрывающая сила) по формуле

                                                      (118)

где Aan,inc - суммарная площадь поперечного сечения наклонных анкеров;

N¢an - см. п. 3.44.

При этом должны устанавливаться нормальные анкера, рассчитываемые по формуле (112) при d = 1,0 и при значениях Qan, равных 0,1 сдвигающего усилия, определяемого по формуле (114).

3.46. Конструкция сырных закладных деталей с приваренными к ним элементами, передающими нагрузку на закладные детали, должна обеспечивать включение в работу анкерных стержней в соответствии с принятой расчетной схемой. Внешние элементы закладных деталей и их сварные соединения рассчитываются согласно СНиП II-23-81*. При расчете пластин и фасонного проката на отрывающую силу принимается, что они шарнирно соединены с нормальными анкерными стержнями. Кроме того, толщина пластины t расчетной закладной детали, к которой привариваются втавр анкера, должна проверяться из условия

                                                         (119)

где dan - диаметр анкерного стержня, требуемый по расчету;

Rsq -   расчетное сопротивление стали на срез, принимаемое согласно СНиП II-23-81*.

При применении типов сварных соединений, обеспечивающих большую зону включения пластины в работу при вырывании из нее анкерного стержня, и соответствующем обосновании возможна корректировка условия (119) для этих сварных соединений.

Толщина пластины должна также удовлетворять технологическим требованиям по сварке.

РАСЧЕТ ЖЕЛЕЗОБЕТОННЫХ ЭЛЕМЕНТОВ НА ВЫНОСЛИВОСТЬ

3.47. Расчет железобетонных элементов на выносливость производится путем сравнения напряжений в бетоне и арматуре с соответствующими расчетными сопротивлениями, умноженными на коэффициенты условий работы gb1 и gs3, принимаемые соответственно по табл. 16 и 25*, а при наличии сварных соединений арматуры - также на коэффициент условий работы gs4 (см. табл. 26*).

Напряжения в бетоне и арматуре вычисляются как для упругого тела (по приведенным сечениям) от действия внешних сил и усилия предварительного обжатия Р.

Неупругие деформации в сжатой зоне бетона учитываются снижением модуля упругости бетона, принимая коэффициенты приведения арматуры к бетону a равными 25, 20, 15 и 10 для бетона классов соответственно В15, B25, В30, B40 и выше.

В случае если не соблюдается условие (140) при замене в нем значения Rbt,ser на Rbt, площадь приведенного сечения определяется без учета растянутой зоны бетона.

3.48. Расчет на выносливость сечений, нормальных к продольной оси элемента, должен производиться из условий:

для сжатого бетона

                                                                (120)

для растянутой арматуры

                                                                 (121)

где sb,max, ss,max - максимальные нормальные напряжения соответственно в сжатом бетоне и в растянутой арматуре.

В зоне, проверяемой по сжатому бетону, при действии многократно повторяющейся нагрузки следует избегать возникновения растягивающих напряжений. Сжатая арматура на выносливость не рассчитывается.

3.49. Расчет на выносливость сечений, наклонных к продольной оси элемента, должен производиться из условия, что равнодействующая главных растягивающих напряжений, действующих на уровне центра тяжести приведенного сечения, по длине элемента, должна быть полностью воспринята поперечной арматурой при напряжениях в ней, равных сопротивлению Rs, умноженному на коэффициенты условий работы gs3 и gs4 (см. табл. 25* и 26*).

Для элементов, в которых поперечная арматура не предусматривается, должны быть выполнены требования п. 4.11 при замене в условиях (141) и (142) расчетных сопротивлений бетона Rb,ser и Rbt,ser соответственно расчетными сопротивлениями Rb и Rbt, умноженными на коэффициент условий работы gb1 (см. табл. 16).

4. РАСЧЕТ ЭЛЕМЕНТОВ ЖЕЛЕЗОБЕТОННЫХ КОНСТРУКЦИЙ ПО ПРЕДЕЛЬНЫМ СОСТОЯНИЯМ ВТОРОЙ ГРУППЫ

РАСЧЕТ ЖЕЛЕЗОБЕТОННЫХ ЭЛЕМЕНТОВ ПО ОБРАЗОВАНИЮ ТРЕЩИН

4.1. Железобетонные элементы рассчитываются по образованию трещин:

нормальных к продольной оси элемента;

наклонных к продольной оси элемента.

Расчет по образованию трещин, нормальных к продольной оси элемента

4.2. Для изгибаемых, растянутых и внецентренно сжатых железобетонных элементов усилия, воспринимаемые нормальными к продольной оси сечениями при образовании трещин, определяются исходя из следующих положений:

сечения после деформации остаются плоскими;

наибольшее относительное удлинение крайнего растянутого волокна бетона равно 2 Rbt,ser/Eb;

напряжения в бетоне сжатой зоны (если она имеется) определяются с учетом упругих или неупругих деформаций бетона, при этом наличие неупругих деформаций учитывается уменьшением ядрового расстояния r (см. п. 4.5);

напряжения в бетоне растянутой зоны распределены равномерно и равны по величине Rbt,ser;

напряжения в ненапрягаемой арматуре равны алгебраической сумме напряжений, отвечающих приращению деформаций окружающего бетона, и напряжений, вызванных усадкой и ползучестью бетона;

напряжения в напрягаемой арматуре равны алгебраической сумме ее предварительного напряжения (с учетом всех потерь) и напряжения, отвечающего приращению деформаций окружающего бетона.

Указания данного пункта не распространяются на элементы, рассчитываемые на воздействие многократно повторяющейся нагрузки (см. п. 4.10).

4.3. При определении усилий, воспринимаемых сечениями элементов с предварительно напряженной арматурой без анкеров, на длине зоны передачи напряжения Ip (см. п. 2.29) при расчете по образованию трещин должно учитываться снижение предварительного напряжения в арматуре ssp и s¢sp путем умножения на коэффициент gs5 согласно поз. 5 табл. 24*.

4.4. Расчет предварительно напряженных центрально-обжатых железобетонных элементов при центральном растяжении силой N должен производиться из условия

                                                               (122)

где Ncrc - усилие, воспринимаемое сечением, нормальным к продольной оси элемента, при образовании трещин и определяемое по формуле

                                            (123)

4.5. Расчет изгибаемых, внецентренно сжатых, а также внецентренно растянутых элементов по образованию трещин производится из условия

                                                             (124)

где Мr - момент внешних сил, расположенных по одну сторону от рассматриваемого сечения, относительно оси, параллельной нулевой линии и проходящей через ядровую точку, наиболее удаленную от растянутой зоны, трещинообразование которой проверяется;

Мcrc - момент, воспринимаемый сечением, нормальным к продольной оси элемента, при образовании трещин и определяемый по формуле

                                                       (125)

здесь Мrp - момент усилия Р относительно той же оси, что и для определения Мr; знак момента определяется направлением вращения («плюс» - когда направления вращения моментов Mrp и Мr противоположны; «минус» - когда направления совпадают).

Усилие Р рассматривают:

для предварительно напряженных элементов - как внешнюю сжимающую силу;

для элементов, выполняемых без предварительного напряжения, - как внешнюю растягивающую силу, определяемую по формуле (8), принимая напряжения ss и s¢s в ненапрягаемой арматуре численно равными значениям потерь от усадки бетона по поз. 8 табл. 5 (как для арматуры, натягиваемой на упоры).

Значение Мr определяется по формулам:

для изгибаемых элементов (черт. 19, a)

                                                                 (126)

для внецентренно сжатых элементов (черт. 19, б)

                                                             (127)

для внецентренно растянутых элементов (черт. 19, в)

                                                             (128)

Значения Мrp определяются:

при расчете по образованию трещин в зоне сечения, растянутой от действия внешних нагрузок, но сжатой от действия усилия предварительного обжатия (см. черт. 19), по формуле

                                                            (129)

при расчете по образованию трещин в зоне сечения, растянутой от действия усилия предварительного обжатия (черт. 20), по формуле

                                                         (130)

Черт. 19. Схемы усилий и эпюры напряжений в поперечном сечении элемента при расчете его по образованию трещин, нормальных к продольной оси элемента, в зоне сечения, растянутой от действий внешних нагрузок, но сжатой от действия усилия предварительного обжатия

а - при изгибе; б - при внецентренном сжатии; в - при внецентренном растяжении; 1 - ядровая точка; 2 - центр тяжести приведенного сечения

В формулах (127) - (130):

r - расстояние от центра тяжести приведенного сечения до ядровой точки, наиболее удаленной от растянутой зоны, трещинообразование которой проверяется.

Значение r определяется для элементов:

внецентренно сжатых, изгибаемых предварительно напряженных, а также для внецентренно растянутых, если удовлетворяется условие

                                                                     (131)

по формуле

                                                                  (132)

внецентренно растянутых, если не удовлетворяется условие (131), по формуле

                                                      (133)

изгибаемых, выполняемых без предварительного напряжения арматуры, по формуле

                                                                (134)

В формулах (132) и (133):

                                                           (135)

но принимается не менее 0,7 и не более 1,0;

Черт. 20. Схема усилий и эпюра напряжений в поперечном сечении элемента при расчете его по образованию трещин, нормальных к продольной оси элемента, в зоне сечения, растянутой от действия усилия предварительного обжатия

1 - ядровая точка; 2 - центр тяжести приведенного сечения

здесь sb - максимальное напряжение в сжатом бетоне от внешней нагрузки и усилия предварительного напряжения, вычисляемое как для упругого тела по приведенному сечению;

Wpl - определяется согласно указаниям п. 4.7;

Для стыковых сечений составных и блочных конструкций, выполняемых без применения клея в швах, при расчете их по образованию трещин (началу раскрытия швов) значение Rbt,ser в формулах (123) и (125) принимается равным нулю.

4.6*. При расчете по образованию трещин элементов на участках с начальными трещинами в сжатой зоне (см. п. 1.18) значение Мcrc для зоны, растянутой от действия внешней нагрузки, определенное по формуле (125), необходимо снижать на DMcrc = lMcrc.

Коэффициент l определяется по формуле

                                               (136)

причем при получении отрицательных значений он принимается равным нулю.

В формуле (136):

jm - определяется по формуле (168) для зоны с начальными трещинами, но принимается не менее 0,45;

                                                    (137)

но не более 1,4;

здесь у - расстояние от центра тяжести приведенного сечения до крайнего волокна бетона, растянутого внешней нагрузкой.

Для конструкций, армированных проволочной арматурой и стержневой арматурой класса А-VI и Ат-VII, значение d, полученное по формуле (137), снижается на 15 %.

4.7. Момент сопротивления приведенного сечения для крайнего растянутого волокна (с учетом неупругих деформаций растянутого бетона) Wpl определяется в предположении отсутствия продольной силы N и усилия предварительного обжатия P по формуле

                                        (138)

Положение нулевой линии определяется из условия

                                       (139)

4.8. В конструкциях, армированных предварительно напряженными элементами (например, брусками), при определении усилий, воспринимаемых сечениями при образовании трещин в предварительно напряженных элементах, площадь сечения растянутой зоны бетона, не подвергаемая предварительному напряжению, в расчете не учитывается.

4.9. При проверке возможности исчерпания несущей способности одновременно с образованием трещин (см. п. 1.19) усилие, воспринимаемое сечением при образовании трещин, определяется по формулам (123) и (125) с заменой значения Rbt,ser на 1,2 Rbt,ser при коэффициенте gsp = 1,0 (см. п. 1.27).

4.10. Расчет по образованию трещин при действии многократно повторяющейся нагрузки производится из условия

                                                               (140)

где sbt - максимальное нормальное растягивающее напряжение в бетоне, определяемое согласно указаниям п. 3.47.

Расчетное сопротивление бетона растяжению Rbt,ser в формулу (140) вводится с коэффициентом условий работы gb1, принимаемым по табл. 16.

Расчет по образованию трещин, наклонных к продольной оси элемента

4.11. Расчет по образованию трещин, наклонных к продольной оси элемента, должен производиться из условия

                                                            (141)

где gb4 - коэффициент условий работы бетона (см. табл. 15), определяемый по формуле

                                                         (142)

но не более 1,0;

здесь a - коэффициент, принимаемый равным для бетона:

тяжелого                              0,01

мелкозернистого, легкого

и ячеистого                         0,02

В -   класс бетона по прочности на сжатие, МПа.

Значение a В следует принимать не менее 0,3.

Значения главных растягивающих и главных сжимающих напряжении в бетоне smt и smc определяются по формуле

                                       (143)

где sx - нормальное напряжение в бетоне на площадке, перпендикулярной продольной оси элемента, от внешней нагрузки и усилия предварительного обжатия;

sy -    нормальное напряжение в бетоне на площадке, параллельной продольной оси элемента, от местного действия опорных реакций, сосредоточенных сил и распределенной нагрузки, а также усилия обжатия вследствие предварительного напряжения хомутов и отогнутых стержней;

txy - касательное напряжение в бетоне от внешней нагрузки и усилия обжатия вследствие предварительного напряжения отогнутых стержней.

Напряжения sx, sy и txy определяются как для упругого тела, за исключением касательных напряжений от действия крутящего момента, определяемых по формулам дли пластического состояния элемента.

Напряжения sx и sy подставляются в формулу (143) со знаком «плюс», если они растягивающие, и со знаком «минус», если сжимающие. Напряжение smc в формуле (142) принимается по абсолютной величине.

Проверка условия (141) производится в центре тяжести приведенного сечения и в местах примыкания сжатых полок к стенке элемента таврового и двутаврового сечений.

При расчете элементов с предварительно напряженной арматурой без анкеров должно учитываться снижение предварительного напряжения ssp и s¢sp на длине зоны передачи напряжения Ip (см. п. 2.29) путем умножения на коэффициент gs5 согласно поз. 5 табл. 24*.

4.12. При действии многократно повторяющейся нагрузки расчет по образованию трещин должен производиться согласно указаниям п. 4.11, при этом расчетные сопротивления бетона Rbt,ser и Rb,ser вводятся с коэффициентом условий работы gb1 принимаемым по табл. 16.

РАСЧЕТ ЖЕЛЕЗОБЕТОННЫХ ЭЛЕМЕНТОВ ПО РАСКРЫТИЮ ТРЕЩИН

4.13. Железобетонные элементы рассчитываются по раскрытию трещин:

нормальных к продольной оси элемента;

наклонных к продольной оси элемента.

Расчет по раскрытию трещин, нормальных к продольной оси элемента

4.14. Ширину раскрытия трещин, нормальных к продольной оси элемента acrc, мм* следует определять по формуле

                                             (144)

где d - коэффициент, принимаемый равным для элементов:

изгибаемых и внецентренно

сжатых                                                                                                      1,0

растянутых                                                                                               1,2

jl - коэффициент, принимаемый равным при учете:

кратковременных нагрузок и  непродолжительного действия

постоянных и длительных нагрузок                                                      1,00

многократно повторяющейся нагрузки, а также

продолжительного действия постоянных и длительных

нагрузок для конструкций из

бетона:

тяжелого:

естественной влажности                                                                    jl = 1,60 - 15m

в водонасыщенном состоянии                                                          1,20

при попеременном водонасыщении и высушивании                     1,75

мелкозернистого групп:

А                                                                                                        1,75

Б                                                                                                         2,00

В                                                                                                         1,50

легкого и поризованного                                                                        не менее 1,50

ячеистого                                                                                                 2,50

значение jl для мелкозернистого, легкого, поризованного и ячеистого бетонов в водонасыщенном состоянии умножают на коэффициент 0,8, а при попеременном водонасыщении и высушивании - на коэффициент 1,2;

h - коэффициент, принимаемый равным:

при стержневой арматуре периодического профиля                             1,0

при стержневой арматуре гладкой                                                           1,3

при проволочной арматуре периодического профиля и канатах          1,2

при гладкой арматуре                                                                                1,4

ss - напряжение в стержнях крайнего ряда арматуры S или (при наличии предварительного напряжения) приращение напряжений от действия внешней нагрузки, определяемое согласно указаниям п. 4.15;

m -      коэффициент армирования сечения, принимаемый равным отношению площади сечения арматуры S к площади сечения бетона (при рабочей высоте h0 и без учета сжатых свесов полок), но не более 0,02;

d -       диаметр арматуры, мм.

Для элементов, к трещиностойкости которых предъявляются требования 2-й категории, ширина раскрытия трещин определяется от суммарного действия постоянных, длительных и кратковременных нагрузок при коэффициенте jl = 1,0.

Для элементов, к трещиностойкости которых предъявляются требования 3-й категории, ширина продолжительного раскрытия трещин определяется от действий постоянных и длительных нагрузок при коэффициенте jl > 1,0. Ширина непродолжительного раскрытия трещин определяется как сумма ширины продолжительного раскрытия и приращения ширины раскрытия от действия кратковременных нагрузок, определяемого при коэффициенте jl = 1,0.

Ширина раскрытия трещин, определенная по формуле (144), корректируется в следующих случаях:

а) если центр тяжести сечения стержней крайнего ряда арматуры S изгибаемых, внецентренно сжатых, внецентренно растянутых при e0,tot ³ 0,8h0 элементов отстоит от наиболее растянутого волокна на расстоянии а2 > 0,2h, значение acrc должно быть увеличено путем умножения на коэффициент da, равный:

                                                             (145)

и принимаемый не более 3;

б) для изгибаемых и внецентренно сжатых элементов из тяжелого и легкого бетонов при m £ 0,008 и Mr2 < М0 ширину раскрытия трещин от непродолжительного действия всех нагрузок допускается определять по линейной интерполяции между значением acrc = 0 при моменте Мcrc и значением acrc вычисленным согласно указаниям настоящего пункта при моменте M0 = Мcrc + y bh2 Rbt,ser, где y = 15 m a/h, но не более 0,6. При этом ширина продолжительного раскрытия трещин от действия постоянных и длительных нагрузок определяется путем умножения найденного значения acrc от действия всех нагрузок на отношение

где  но не менее jl.

Здесь m, h -    то же, что и в формуле (144);

Mr1, Mr2 - моменты Mr соответственно от действия постоянных и длительных и от всех нагрузок (см. п. 4.5);

в) для элементов из легкого и поризованного бетонов классов В7,5 и ниже значение acrc должно быть увеличено на 20 %.

4.15. Напряжения в растянутой арматуре (или приращении напряжений) ss должны определяться по формулам для элементов:

центрально-растянутых

                                                         (146)

изгибаемых

                                                   (147)

внецентренно сжатых, а также внецентренно растянутых при e0,tot ³ 0,8h0

                                            (148)

Для внецентренно растянутых элементов при e0,tot < 0,8h0 значение ss определяется по формуле (148), принимая z = zs (где zs - расстояние между центрами тяжести арматуры S и S¢).

Для элементов, выполняемых без предварительного напряжения арматуры, значение усилия предварительного обжатия P допускается принимать равным нулю.

В формуле (148) знак «плюс» принимается при внецентренном растяжении, а знак «минус» - при внецентренном сжатии. При расположении растягивающей продольной силы N между центрами тяжести арматуры S и S¢ значение еs принимается со знаком «минус».

В формулах (147) и (148):

z - расстояние от центра тяжести площади сечения арматуры S до точки приложения равнодействующей усилий в сжатой зоне сечения над трещиной, определяемое согласно указаниям п. 4.28.

При расположении растянутой арматуры в несколько рядов по высоте сечения в изгибаемых, внецентренно сжатых, а также внецентренно растянутых элементах при e0,tot ³ 0,8h0 напряжения ss, подсчитанные по формулам (147) и (148), должны умножаться на коэффициент dn, равный:

                                                         (149)

где х = x h0; значение x определяется по формуле (161);

а1, а2 - расстояния от центра тяжести площади сечения соответственно всей арматуры S и крайнего ряда стержней до наиболее растянутого волокна бетона.

Значение напряжения ss + ssp, а при многорядной растянутой арматуре dnss + ssp не должно превышать Rs,ser.

На участках элементов, имеющих начальные трещины в сжатой зоне (см. п. 1.18), значение усилия предварительного обжатия Р следует снижать на величину DР, определяемую по формуле

                                                               (150)

где l определяется по формуле (136).

4.16. Глубина начальных трещин hcrc в сжатой зоне (см. п. 1.18) должна быть не более 0,5h0.

Значение hcrc определяется по формуле

                                                  (151)

Значение x определяется по формуле (161), jm - по формуле (168) для зоны с начальными трещинами.

Расчет по раскрытию трещин, наклонных к продольной оси элемента

4.17. Ширина раскрытия трещин, наклонных к продольной оси элемента, при армировании хомутами, нормальными к продольной оси, должна определяться по формуле

                                      (152)

где jl - коэффициент, принимаемый равным при учете:

кратковременных нагрузок и непродолжительного действия

постоянных и длительных нагрузок                                                         1,00

многократно повторяющейся нагрузки, а также

продолжительного действия постоянных и длительных

нагрузок для конструкций из бетона:

тяжелого:

естественной влажности                                                                           1,50

в водонасыщенном состоянии                                                                 1,20

при попеременном водонасыщении и высушивании                            1,75

мелкозернистого, легкого, поризованного, ячеистого - то же,
что и в формуле (144);

h - то же, что и в формуле (144);

dw - диаметр хомутов;

Напряжение в хомутах определяется по формуле

                                                           (153)

значение напряжения ssw не должно превышать Rs,ser;

здесь Q и Qb1 - соответственно левая и правая части условия (84) при замене значения Rbt на Rbt,ser, при этом коэффициент gb4 умножается на 0,8.

При отсутствии в рассматриваемой зоне действия поперечных сил нормальных трещин, т. е. если выполняется условие (124), допускается учитывать повышение поперечного усилия Qb1, воспринимаемого элементом по расчету из условия (141).

Расчетные сопротивления Rbt,ser и Rb,ser не должны превышать значений, соответствующих бетону класса В30.

Для элементов из легкого бетона класса В7,5 и ниже значение acrc, вычисленное по формуле (152), должно быть увеличено на 30 %.

При определении ширины непродолжительного и продолжительного раскрытия наклонных трещин должны учитываться указания п. 4.14 об учете длительности действия нагрузок.

РАСЧЕТ ЖЕЛЕЗОБЕТОННЫХ ЭЛЕМЕНТОВ ПО ЗАКРЫТИЮ ТРЕЩИН

4.18. Железобетонные элементы должны рассчитываться по закрытию (зажатию) трещин: нормальных к продольной оси элемента; наклонных к продольной оси элемента.

Расчет по закрытию трещин, нормальных к продольной оси элемента

4.19. Для обеспечения надежного закрытия трещин, нормальных к продольной оси элемента, при действии постоянных и длительных нагрузок должны соблюдаться следующие требования:

а) в напрягаемой арматуре S от действия постоянных, длительных и кратковременных нагрузок не должны возникать необратимые деформации, что обеспечивается соблюдением условия

                                                 (154)

где ss - приращение напряжения в напрягаемой арматуре S от действия внешних нагрузок, определяемое по формулам (146)-(148);

б) сечение элемента с трещиной в растянутой зоне от действия постоянных, длительных и кратковременных нагрузок должно оставаться обжатым при действии постоянных и длительных нагрузок с нормальными напряжениями сжатия sb на растягиваемой внешними нагрузками грани элемента не менее 0,5 МПа, при этом величина sb определяется как для упругого тела от действия внешних нагрузок и усилия предварительного обжатия.

4.20. Для участков элементов, имеющих начальные трещины в сжатой зоне (см. п. 1.18), значение ssp в формуле (154) умножается на коэффициент, равный 1 - l, а величина Р при определении напряжения sb умножается на коэффициент, равный 1,1 (1 - l), но не более 1,0, где значения l определяются согласно указаниям п. 4.6*.

Расчет по закрытию трещин, наклонных к продольной оси элемента

4.21. Для обеспечения надежного закрытия трещин, наклонных к продольной оси элемента, оба главных напряжения в бетоне, определяемые согласно указаниям п. 4.11 на уровне центра тяжести приведенного сечения при действии постоянных и длительных нагрузок, должны быть сжимающими и по величине не менее 0,6 МПа.

Указанное требование обеспечивается с помощью предварительно напряженной поперечной арматуры (хомутов или отогнутых стержней).

РАСЧЕТ ЭЛЕМЕНТОВ ЖЕЛЕЗОБЕТОННЫХ КОНСТРУКЦИЙ ПО ДЕФОРМАЦИЯМ

4.22. Деформации (прогибы, углы поворота) элементов железобетонных конструкций следует вычислять по формулам строительной механики, определяя входящие в них значения кривизны согласно указаниям пп. 4.23 - 4.30.

Величина кривизны и деформаций железобетонных элементов отсчитывается от их начального состояния, при наличии предварительного напряжения - от состояния до обжатия.

Начальная кривизна самонапряженных элементов определяется с учетом содержания и положения продольной арматуры относительно бетонного сечения и величины обжатия бетона.

4.23. Кривизна определяется:

а) для участков элемента, где в растянутой зоне не образуются трещины, нормальные к продольной оси элемента, - как для сплошного тела;

б) для участков элемента, где в растянутой зоне имеются трещины, нормальные к продольной оси, - как отношение разности средних деформаций крайнего волокна сжатой зоны бетона и продольной растянутой арматуры к рабочей высоте сечения элемента.

Элементы или участки элементов рассматриваются без трещин в растянутой зоне, если трещины не образуются при действии постоянных, длительных и кратковременных нагрузок или если они закрыты при действии постоянных и длительных нагрузок, при этом нагрузки вводятся в расчет с коэффициентом надежности по нагрузке gf = 1,0.

Определение кривизны железобетонных элементов на участках без трещин в растянутой зоне

4.24. На участках, где не образуются нормальные к продольной оси трещины, полная величина кривизны изгибаемых, внецентренно сжатых и внецентренно растянутых элементов должна определяться по формуле

                                            (155)

где  - кривизна соответственно от кратковременных (определяемых согласно указаниям п. 1.12*) и от постоянных и длительных временных нагрузок (без учета усилия Р), определяемая по формулам:

                                                   (156)

здесь М - момент от соответствующей внешней нагрузки (кратковременной, длительной) относительно оси, нормальной к плоскости действия изгибающего момента и проходящей через центр тяжести приведенного сечения;

jb1 -        коэффициент, учитывающий влияние кратковременной ползучести бетона и принимаемый для бетонов:

тяжелого, мелкозернистого, легкого

при плотном мелком заполнителе,

а также ячеистого (для двуслойных

предварительно напряженных

конструкций из ячеистого и

тяжелого бетонов)                             0,85

легкого при пористом мелком

заполнителе, поризованного           0,70

jb2 -      коэффициент, учитывающий влияние длительной ползучести бетона на деформации элемента без трещин и принимаемый по табл. 34;

 -   кривизна, обусловленная выгибом элемента от кратковременного действия усилия предварительного обжатия Р и определяемая по формуле

                                                       (157)

 - кривизна, обусловленная выгибом элемента вследствие усадки и ползучести бетона от усилия предварительного обжатия и определяемая по формуле

                                                            (158)

здесь eb, e¢b - относительные деформации бетона, вызванные его усадкой и ползучестью от усилия предварительного обжатия и определяемые соответственно на уровне центра тяжести растянутой продольной арматуры и крайнего сжатого волокна бетона по формулам:

                                                 (159)

Значение sb принимается численно равным сумме потерь предварительного напряжения от усадки и ползучести бетона по поз. 6, 8 и 9 табл. 5 для арматуры растянутой зоны, а s¢b - тоже для напрягаемой арматуры, если бы она имелась не уровня крайнего сжатого волокна бетона.

Таблица 34

Длительность действия нагрузки

Коэффициент jb2, учитывающий влияние длительной ползучести бетона на деформации элемента без трещин, для конструкций из бетона

тяжелого, легкого, поризованного, ячеистого (для двуслойных предварительно напряженных конструкций из ячеистого и тяжелого бетонов)

мелкозернистого групп

А

Б

В

1. Непродолжительное действие

1,0

1,0

1,0

1,0

2. Продолжительное действие при влажности воздуха окружающей среды, %:

 

 

 

 

а) 40 - 75

2,0

2,6

3,0

2,0

б) ниже 40

3,0

3,9

4,5

3,0

Примечания: 1. Влажность воздуха окружающей среды принимается согласно указаниям п. 1.8.

2. Группы мелкозернистого бетона приведены в п. 2.3.

3. При попеременном водонасыщении и высушивании бетона значение jb2 при продолжительном действии нагрузки следует умножать на коэффициент 1,2.

4. При влажности воздуха окружающей среды свыше 75 % и при загружении бетона в водонасыщенном состоянии значения jb2 по поз. 2а настоящей таблицы следует умножать на коэффициент 0,8.

При этом сумма  принимается не менее . Для элементов без предварительного напряжения значения кривизны  и допускается принимать равными нулю.

4.25. При определении кривизны элементов с начальными трещинами в сжатой зоне (см. п. 1.18) значения , , и , определенные по формулам (156) и (157), должны быть увеличены на 15 %, а значение , определенное по формуле (158), на 25 %.

4.26. На участках, где образуются нормальные трещины в растянутой зоне, но при действии рассматриваемой нагрузки обеспечено их закрытие, значения кривизны , , и , входящие в формулу (155), увеличиваются на 20 %.

Определение кривизны железобетонных элементов на участках с трещинами в растянутой зоне

4.27. На участках, где в растянутой зоне образуются нормальные к продольной оси элемента трещины, кривизна изгибаемых, внецентренно сжатых, а также внецентренно растянутых при е0,tot ³ 0,8h0 элементов прямоугольного, таврового и двутаврового (коробчатого) сечений должна определяться по формуле

                                (160)

где М - момент относительно оси, нормальной к плоскости действия момента и проходящей через центр тяжести площади сечения арматуры S, от всех внешних сил, расположенных по одну сторону от рассматриваемого сечения, и от усилия предварительного обжатия Р;

z -        расстояние от центра тяжести площади сечения арматуры S до точки приложения равнодействующей усилий в сжатой зоне сечения над трещиной, определяемое согласно указаниям п. 4.28;

ys -      коэффициент, учитывающий работу растянутого бетона на участке с трещинами и определяемый согласно указаниям п. 4.29;

yb -     коэффициент, учитывающий неравномерность распределения деформаций крайнего сжатого волокна бетона по длине участка с трещинами и принимаемый равным:

для тяжелого, мелкозернистого и легкого бетонов класса

выше В7,5                                                                                                     0,9

для легкого, поризованного и ячеистого бетонов класса

В7,5 и ниже                                                                                                  0,7

для конструкций, рассчитываемых на действие многократно

повторяющейся нагрузки, независимо от вида и класса

бетона                                                                                                            1,0

jf -       коэффициент, определяемый по формуле (164);

x -        относительная высота сжатой зоны бетона, определяемая согласно указаниям п. 4.28;

v -         коэффициент, характеризующий упругопластическое состояние бетона сжатой зоны и принимаемый по табл. 35;

Ntot -     равнодействующая продольной силы N и усилия предварительного обжатия Р (при внецентренном растяжении сила N принимается со знаком «минус»).

Для элементов, выполняемых без предварительного напряжения арматуры, усилие Р допускается принимать равным нулю.

При определении кривизны элементов на участках с начальными трещинами в сжатой зоне (см. п. 1.18) значение Р снижается на величину DР, определяемую по формуле (150).

Таблица 35

Длительность действия нагрузки

Коэффициент v, характеризующий упругопластическое состояние бетона сжатой зоны, для конструкций из бетона

тяжелого, легкого

поризованного

мелкозернистого групп

ячеистого

А

Б

В

1. Непродолжительное действие

0,45

0,45

0,45

0,45

0,45

0,45

2. Продолжительное действие при влажности воздуха окружающей среды, %:

 

 

 

 

 

 

а) 40 - 75

0,15

0,07

0,10

0,08

0,15

0,20

б) ниже 40

0,10

0,04

0,07

0,05

0,10

0,10

Примечания: 1. Влажность воздуха окружающей среды принимается согласно указаниям п. 1.8.

2. Виды мелкозернистого бетона приведены в п. 2.3.

3. При попеременном водонасыщении и высушивании бетона сжатой зоны значения v при продолжительном действии нагрузки следует разделить на коэффициент 1,2.

4. При влажности воздуха окружающей среды выше 75 % и при загружении бетона в водонасыщенном состоянии значения v по поз. 2а настоящей таблицы следует разделить на коэффициент 0,8.

Для изгибаемых и внецентренно сжатых элементов из тяжелого бетона при Mcrc < Mr2 < (Mcrc + y bh2Rbt,ser) кривизну от момента Mr2 допускается определять по линейной интерполяции между значениями кривизны, определенными при моменте Мcrc как для сплошного упругого тела согласно указаниям пп. 4.24, 4.25, 4.26 и при моменте Мcrc + ybh2 Rbt,ser согласно указаниям настоящего пункта. Коэффициент y принимается согласно указаниям п. 4.14б с уменьшением его значения и два раза при учете продолжительного действия постоянных и длительных нагрузок.

4.28. Значение x вычисляется по формуле

                                    (161)

но принимается не более 1,0.

Для второго слагаемого правой части формулы (161) верхние знаки принимаются при сжимающем, а нижние - при растягивающем усилии Ntot (см. п. 4.27).

В формуле (161):

b - коэффициент, принимаемый равным для бетона:

тяжелого и легкого                                         1,8

мелкозернистого                                            1,6

ячеистого и поризованного                          1,4

                                                              (162)

                                                              (163)

                                                     (164)

еs,tot - эксцентриситет силы Ntot относительно центра тяжести площади сечения арматуры S; соответствует моменту М (см. п. 4.27 ) и определяется по формуле

                                                               (165)

Значение z вычисляется по формуле

                                                        (166)

Для внецентренно сжатых элементов значение z должно приниматься не более 0,97es,tot.

Для элементов прямоугольного сечения и таврового с полкой в растянутой зоне в формулы (163) и (166) вместо hf подставляются значения 2 а или hf = 0 соответственно при наличии или отсутствии арматуры S.

Расчет сечений, имеющих полку в сжатой зоне, при  производится как прямоугольных шириной bf.

Расчетная ширина полки bf определяется согласно указаниям п. 3.16.

4.29. Коэффициент ys для элементов из тяжелого, мелкозернистого, легкого бетонов и двуслойных предварительно напряженных конструкций из ячеистого и тяжелого бетонов определяется по формуле

                             (167)

но не более 1,0, при этом следует принимать

Для изгибаемых элементов, выполняемых без предварительного напряжения арматуры, последний член в правой части формулы (167) допускается принимать равным нулю.

В формуле (167):

jls - коэффициент, учитывающий влияние длительности действия нагрузки и принимаемый по табл. 36;

es,tot -   см. формулу (165);

 

                                                          (168)

но не более 1,0;

здесь Wpl -          см. формулу (138);

Mr, Mrp - см. п. 4.5, при этом за положительные принимаются моменты, вызывающие растяжение в арматуре S.

Таблица 36

Длительность действия нагрузки

Коэффициент jls при классе бетона

выше В7,5

В7,5 и ниже

1. Непродолжительное действие при арматуре:

 

 

а) стержневой:

 

 

гладкой

1,0

0,7

периодического профиля

1,1

0,8

б) проволочной

1,0

0,7

2. Продолжительное действие (независимо от вида арматуры)

0,8

0,6

Для однослойных конструкций из ячеистого бетона (без предварительного напряжения) значение ys вычисляется по формуле

                                                        (169)

где Mser - момент, воспринимаемый сечением элемента из расчета по прочности при расчетных сопротивлениях арматуры и бетона для предельных состояний второй группы;

jl -    коэффициент, принимаемый равным:

при непродолжительном действии нагрузки для арматуры

периодического профиля                                                                       0,6

то же, для гладкой арматуры                                                                  0,7

при продолжительном действии нагрузки независимо

от профиля арматуры                                                                              0,8

Для конструкций, рассчитываемых на выносливость, значение коэффициента ys принимается во всех случаях равным 1,0.

4.30. Полная кривизна  для участка с трещинами в растянутой зоне должна определяться по формуле

                                            (170)

где  - кривизна от непродолжительного действия всей нагрузки, на которую производится расчет по деформациям согласно указаниям п. 1.20;

 -   кривизна от непродолжительного действия постоянных и длительных нагрузок;

 -   кривизна от продолжительного действия постоянных и длительных нагрузок;

 -   кривизна, обусловленная выгибом элемента вследствие усадки и ползучести бетона от усилия предварительного обжатия и определяемая по формуле (158) согласно указаниям п. 4.25.

Кривизна ,  и  определяется по формуле (160), при этом  и  вычисляются при значениях ys и v, отвечающих непродолжительному действию нагрузки, а  - при ys и v, отвечающих продолжительному действию нагрузки. Если значения  и  оказываются отрицательными, то они принимаются равными нулю.

Определение прогибов

4.31. Прогиб fm, обусловленный деформацией изгиба, определяется по формуле

                                                        (171)

где  -       изгибающий момент в сечении х от действия единичной силы, приложенной по направлению искомого перемещения элемента в сечении х по длине пролета, для которого определяется прогиб;

 -     полная кривизна элемента в сечении х от нагрузки, при которой определяется прогиб; значения  определяются по формулам (155) и (170) соответственно для участков без трещин и с трещинами; знак  принимается в соответствии с эпюрой кривизны.

Для изгибаемых элементов постоянного сечения без предварительного напряжения арматуры, имеющих трещины, на каждом участке, в пределах которого изгибающий момент не меняет знака, кривизну допускается вычислять для наиболее напряженного сечения, принимая ее для остальных сечений такого участка изменяющейся пропорционально значениям изгибающего момента (черт. 21).

Черт. 21. Эпюры изгибающих моментов и кривизны для железобетонных элементов постоянного сечения

а - схема расположения нагрузи; б - эпюра изгибающих моментов; в - эпюра кривизны

4.32. Для изгибаемых элементов при  < 10 необходимо учитывать влияние поперечных сил на их прогиб. В этом случае полный прогиб ftot равен сумме прогибов, обусловленных соответственно деформацией изгиба fm и деформацией сдвига fq.

4.33. Прогиб fq, обусловленный деформацией сдвига, определяется по формуле

                                                          (172)

где  - поперечная сила в сечении х от действия по направлению искомого перемещения единичной силы, приложенной в сечении, где определяется прогиб;

gх -       деформация сдвига, определяемая по формуле

                                                   (173)

здесь Qx - поперечная сила в сечении х от действия внешней нагрузки;

G -   модуль сдвига бетона (см. п. 2.16);

jb2 - коэффициент, учитывающий влияние длительной ползучести бетона и принимаемый по табл. 34;

jcrc - коэффициент, учитывающий влияние трещин на деформации сдвига и принимаемый равным: на участках по длине элемента, где отсутствуют нормальные и наклонные к продольной оси элемента трещины, - 1,0; на участках, где имеются только наклонные к продольной оси элемента трещины, - 4,8; на участках, где имеются только нормальные или нормальные и наклонные к продольной оси элемента трещины, - по формуле

                                                    (174)

где  - соответственно момент от внешней нагрузки и полная кривизна в сечении х от нагрузки, при которой определяется прогиб.

4.34. Для сплошных плит толщиной менее 25 см (кроме опертых по контуру), армированных плоскими сетками, с трещинами в растянутой зоне значения прогибов, подсчитанные по формуле (171), умножаются на коэффициент  принимаемый не более 1,5, где h0 - в см.

4.35. При расчете элементов с однорядным армированием (черт. 22) методом конечных элементов (или другими математическими методами) вместо уравнения (160) допускается использовать симметризированную систему физических зависимостей в виде:

                                                    (175)

где                                                                                                            (176)

                                                            (177)

                                (178)

                               (179)

                           (180)

                                                                  (181)

e0 -          удлинения или укорочения вдоль оси у;

Мact -       момент внешних сил, расположенных по одну сторону рассматриваемого сечения, относительно оси y;

Nact -        внешняя продольная сила, приложенная на уровне оси y и принимаемая при растяжении со знаком «плюс»;

zs, zb - расстояния от оси у до точки приложения равнодействующей усилий соответственно в растянутой арматуре и в сжатом бетоне;

x -           определяется согласно указаниям п. 4.28;

v -            коэффициент, принимаемый по табл. 35;

jf -          коэффициент, определяемый по формуле (164) без учета арматуры, расположенной в сжатой зоне сечения;

ys -          определяется согласно указаниям п. 4.29;

yb -         определяется согласно указаниям п. 4.27.

Ось у располагается в пределах рабочей высоты сечения исходя из удобства расчетной схемы. Если ось у располагается выше центра тяжести площади сечения сжатой зоны, то величину zb следует принимать отрицательной.

Черт. 22. Схема усилий и эпюра напряжений в сечении, нормальном к продольной оси элемента, с однорядным армированием при расчете по деформациям

Для второго слагаемого в формуле (176) знак «минус» принимается, если усилие Р приложено ниже оси у, если усилие Р приложено выше оси y, то следует принимать знак «плюс».

Для первого слагаемого в формуле (177) знак «плюс» принимается при растягивающем, а знак «минус» - при сжимающем усилии Nact.

4.36. При расчете элементов с многорядным расположением арматуры (черт. 23) рекомендуется использовать общую систему физических зависимостей вида:

                                                 (182)

где

                        (183)

                      (184)

                             (185)

i -      порядковый номер стержня продольной растянутой арматуры;

j -      то же, сжатой арматуры;

x1 -    относительная высота сжатой зоны сечения, равная

jf -    вычисляется по формуле (164) без учета арматуры S;

zsi, zsj - расстояния от центра тяжести i-й и j-й арматуры до оси y.

В формуле (184) значения zsi, zsj, zb, принимаются положительными, если откладываются ниже оси y. В противном случае их следует принимать с отрицательным знаком.

Черт. 23. Схема усилий и эпюра напряжений в сечении, нормальном к продольной оси элемента, с многорядным армированием при расчете по деформациям

Значения x1 и ysi для зависимостей (183) - (185) допускается определять согласно указаниям пп. 4.28 и 4.29, заменяя в расчетных формулах h0 на h01, Fa на  (при определении m), jm на

5. КОНСТРУКТИВНЫЕ ТРЕБОВАНИЯ

5.1. При проектировании бетонных и железобетонных конструкций для обеспечения условий их изготовления, требуемой долговечности и совместной работы арматуры и бетона надлежит выполнять конструктивные требования, изложенные в настоящем разделе.

МИНИМАЛЬНЫЕ РАЗМЕРЫ СЕЧЕНИЯ ЭЛЕМЕНТОВ

5.2. Минимальные размеры сечения бетонных и железобетонных элементов, определяемые из расчета по действующим усилиям и соответствующим группам предельных состояний, должны назначаться с учетом экономических требований, необходимости унификации опалубочных форм и армирования, а также условий принятой технологии изготовления конструкций.

Кроме того, размеры сечения элементов железобетонных конструкций должны приниматься такими, чтобы соблюдались требования в части расположения арматуры в сечении (толщины защитных слоев бетона, расстояния между стержнями и т. п.) и анкеровки арматуры.

5.3. Толщина монолитных плит должна приниматься, мм, не менее:

для покрытий                                                                                                        40

« междуэтажных перекрытий жилых и общественных зданий                      50

для междуэтажных перекрытий производственных зданий                            60

для плит из легкого бетона класса В7,5 и ниже во всех случаях                      70

Минимальная толщина сборных плит должна определяться из условия обеспечения требуемой толщины защитного слоя бетона и условий расположения арматуры по толщине плиты (см. пп. 5.4 - 5.12).

Размеры сечений внецентренно сжатых элементов должны приниматься такими, чтобы их гибкость l0/i любом направлении, как правило, не превышала:

для железобетонных элементов из тяжелого, мелкозернистого

и легкого бетонов                                                                                                 200

для колонн, являющихся элементами зданий                                                   120

для бетонных элементов из тяжелого, мелкозернистого, легкого

и поризованного бетонов                                                                                   90

для бетонных и железобетонных элементов из ячеистого бетона                  70

ЗАЩИТНЫЙ СЛОЙ БЕТОНА

5.4. Защитный слой бетона для рабочей арматуры должен обеспечивать совместную работу арматуры с бетоном на всех стадиях работы конструкции, а также защиту арматуры от внешних атмосферных, температурных и тому подобных воздействий.

5.5. Для продольной рабочей арматуры (ненапрягаемой и напрягаемой, натягиваемой на упоры) толщина защитного слоя, мм, должна быть, как правило, не менее диаметра стержня или каната и не менее:

в плитах и стенках толщиной, мм:

до 100 включ.                                                                         10

св. 100                                                                                     15

в балках и ребрах высотой, мм:

менее 250                                                                                15

250 и более                                                                             20

в колоннах                                                                                   20

в фундаментных балках                                                              30

в фундаментах:

сборных                                                                                  30

монолитных при наличии бетонной подготовки              35

монолитных при отсутствии бетонной подготовки          70

В однослойных конструкциях из легкого и поризованного бетонов класса В7,5 и ниже толщина защитного слоя должна составлять не менее 20 мм, а для наружных стеновых панелей (без фактурного слоя) - не менее 25 мм.

В однослойных конструкциях из ячеистого бетона толщина защитного слоя во всех случаях принимается не менее 25 мм.

5.6. Толщина защитного слоя бетона для поперечной, распределительной и конструктивной арматуры должна приниматься не менее диаметра указанной арматуры и не менее, мм:

при высоте сечения элемента менее 250 мм 10

«        «             «             «        равной 250 мм

и более                                                                   15

В элементах из легкого и поризованного бетонов класса В7,5 и ниже, из ячеистого бетона независимо от высоты сечения толщина защитного слоя бетона для поперечной арматуры принимается не менее 15 мм.

5.7*. Толщина защитного слоя бетона у концов предварительно напряженных элементов на длине зоны передачи напряжении (см. п. 2.29) должна составлять не менее:

для стержневой арматуры классов А-IV,

А-IIIв                                                                 2 d

для стержневой арматуры классов А-V,

А-VI, Ат-VII                                                      3 d

для арматурных канатов                                  2 d

(где d - в мм).

Кроме того, толщина защитного слоя бетона на указанном участке длины элемента должна быть не менее 40 мм - для стержневой арматуры всех классов и не менее 20 мм - для арматурных канатов.

Допускается защитный слой бетона сечения у опоры для напрягаемой арматуры с анкерами и без них принимать таким же, как для сечения в пролете, в следующих случаях:

а) для предварительно напряженных элементов с сосредоточенной передачей опорных усилий при наличии стальной опорной детали и косвенной арматуры (сварных поперечных сеток или охватывающих продольную арматуру хомутов) согласно указаниям п. 5.61;

б) в плитах, панелях, настилах и опорах ЛЭП при условии постановки у концов дополнительной поперечной арматуры (корытообразных сварных сеток или замкнутых хомутов), предусмотренной п. 5.61.

5.8. В элементах с напрягаемой продольной арматурой, натягиваемой на бетон и располагаемой в каналах, расстояние от поверхности элемента до поверхности канала должно приниматься не менее 40 мм и не менее ширины канала; указанное расстояние до боковых граней элемента должно быть, кроме того, не менее половины высоты канала.

При расположении напрягаемой арматуры в пазах или снаружи сечения элемента толщина защитного слоя батона, образуемого последующим торкретированием или иным способом, должна приниматься не менее 20 мм.

5.9. Для возможности свободной укладки в форму цельных арматурных стержней, сеток или каркасов, идущих по всей длине или ширине изделия, концы этих стержней должны отстоять от грани элемента при соответствующем размере изделия до 9 м - на 10 мм, до 12 м - на 15 мм, свыше 12 м - на 20 мм.

5.10. В полых элементах кольцевого или коробчатого сечения расстояние от стержней продольной арматуры до внутренней поверхности бетона должно удовлетворять требованиям пп. 5.5 и 5.6.

МИНИМАЛЬНЫЕ РАССТОЯНИЯ МЕЖДУ СТЕРЖНЯМИ АРМАТУРЫ

5.11. Расстояния в свету между стержнями арматуры (или оболочками каналов) по высоте и ширине сечения должны обеспечивать совместную работу арматуры с бетоном и назначаться с учетом удобства укладки и уплотнения бетонной смеси; для предварительно напряженных конструкций должны также учитываться степень местного обжатия бетона и габариты натяжного оборудования (домкратов, зажимов и т. п.). В элементах, изготовляемых с помощью виброштампующих машин или штыковых вибраторов, должно быть обеспечено свободное прохождение между арматурными стержнями элементов этих машин или наконечников вибраторов, уплотняющих бетонную смесь.

5.12. Расстояния а свету между отдельными стержнями продольной ненапрягаемой арматуры либо напрягаемой арматуры, натягиваемой на упоры, а также между продольными стержнями соседних плоских сварных каркасов должны приниматься не менее наибольшего диаметра стержней, а также:

а) если стержни при бетонировании занимают горизонтальное или наклонное положение - не менее: для нижней арматуры - 25 мм, для верхней - 30 мм; при расположении нижней арматуры более чем в два ряда по высоте расстояние между стержнями в горизонтальном направлении (кроме стержней двух нижних рядов) должно быть не менее 50 мм;

б) если стержни при бетонировании занимают вертикальное положение - не менее 50 мм; при систематическом контроле фракционирования заполнителей бетона это расстояние может быть уменьшено до 35 мм, но при этом должно быть не менее полуторакратного наибольшего размера крупного заполнителя.

При стесненных условиях допускается распопа-гать стержни арматуры попарно (без зазора между ними).

В элементах с напрягаемой арматурой, натягиваемой на бетон (за исключением непрерывно армированных конструкций), расстояние в свету между каналами для арматуры должно быть, как правило, не менее диаметра канала и, во всяком случае, не менее 50 мм.

Примечание. Расстояние в свету между стержнями периодического профиля принимается по номинальному диаметру без учета выступов и ребер.

АНКЕРОВКА НЕНАПРЯГАЕМОЙ АРМАТУРЫ

5.13. Стержни периодического профиля, а также гладкие стержни, применяемые в сварных каркасах и сетках, выполняются без крюков. Растянутые гладкие стержни вязаных каркасов и сеток должны заканчиваться крюками, лапками или петлями.

5.14. Продольные стержни растянутой и сжатой арматуры должны быть заведены за нормальное к продольной оси элемента сечение, в котором они учитываются с полным расчетным сопротивлением, на длину не менее lan, определяемую по формуле

                                                  (186)

но не менее lan = lan d,

где значения wan, Dlan и lan, а также допускаемые минимальные величины lan определяются по табл. 37. При этом гладкие арматурные стержни должны оканчиваться крюками или иметь приваренную поперечную арматуру по длине заделки. К величине Rb допускается вводить коэффициенты условий работы бетона, кроме gb2.

Для элементов из мелкозернистого бетона группы Б значения lan, определяемые по формуле (186), должны быть увеличены на 10 d для растянутого бетона и на 5 d - для сжатого.

В случае, когда анкеруемые стержни поставлены с запасом по площади сечения против требуемой расчетом по прочности с полным расчетным сопротивлением, вычисленную по формуле (186) длину анкеровки lan допускается уменьшать, умножая на отношение необходимой по расчету и фактической площадей сечения арматуры.

Если по расчету вдоль анкеруемых стержней образуются трещины от растяжения бетона, то стержни должны быть заделаны в сжатую зону бетона на длину lan, определяемую по формуле (186).

При невозможности выполнения указанных требований должны быть приняты меры по анкеровке продольных стержней для обеспечения их работы с полным расчетным сопротивлением в рассматриваемом сечении (постановка косвенной арматуры, приварка к концам стержней анкерующих пластин или закладных деталей, отгиб анкерующих стержней). При этом величина lan должна быть не менее 10 d.

Для закладных деталей должны учитываться следующие особенности. Длину растянутых анкерных стержней закладных деталей, заделанных в растянутом или в сжатом бетоне, при  или , следует определять по формуле (186), пользуясь значениями wan, Dlan, lan по поз. 1а табл. 37. В остальных случаях указанные значения следует принимать по поз. 1б табл. 37. Здесь sbc - сжимающие напряжения в бетоне, действующие перпендикулярно анкерному стержню и определяемые как для упругого материала по приведенному сечению от постоянно действующих нагрузок при коэффициенте надежности по нагрузке gf = 1,0.

При действии на анкерные стержни закладной детали растягивающих и сдвигающих усилий правая часть формулы (186) умножается на коэффициент d, определяемый по формуле

                                                  (187)

Таблица 37

Условия работы ненапрягаемой арматуры

Коэффициенты для определения анкеровки ненапрягаемой арматуры

периодического профиля

гладкой

wan

Dlan

lan

lan, мм

wan

Dlan

lan

lan, мм

не менее

не менее

1. Заделка арматуры:

 

 

 

 

 

 

 

 

а) растянутой в растянутом бетоне

0,70

11

20

250

1,20

11

20

250

б) сжатой или растянутой в сжатом бетоне

0,50

8

12

200

0,80

8

15

200

2. Стыки арматуры внахлестку:

 

 

 

 

 

 

 

 

а) в растянутом бетоне

0,90

11

20

250

1,55

11

20

250

б) в сжатом бетоне

0,65

8

15

200

1,00

8

15

200

где Nan1, Qan1 - соответственно растягивающее и сдвигающее усилие в анкерном стержне.

При этом длина анкерных стержней должна быть не меньше минимальных значений lan согласно требованиям настоящего пункта.

Анкера из гладкой арматуры класса А-I следует применять только при наличии усилений на их концах в виде пластинок, высаженных головок и поперечных коротышей. Длина этих анкеров определяется расчетом на выкалывание и смятие бетона. Допускается применение анкеров из указанной стали с крюками на концах для конструктивных деталей.

5.15. Для обеспечения анкеровки всех продольных стержней арматуры, заводимых за грань опоры, на крайних свободных опорах изгибаемых элементов должны выполняться следующие требования:

а) если соблюдаются условия п. 3.32, длина запуска растянутых стержней за внутреннюю грань свободной опоры должна составлять не менее 5 d;

б) если условия п. 3.32 не соблюдаются, длина запуска стержней за внутреннюю грань свободной опоры должна быть не менее 10 d.

Длина зоны анкеровки lan на крайней свободной опоре, на которой снижаются расчетные сопротивления арматуры (см. п. 2.28* и табл. 24*), определяется согласно указаниям п. 5.14 и поз. 1б табл. 37.

При наличии косвенной арматуры длина зоны анкеровки снижается делением коэффициента wan на величину 1 + 12mv и уменьшением коэффициента Dlan на величину 10 sb/Rb.

Здесь mv - объемный коэффициент армирования, определяемый:

при сварных сетках (см. п. 3.22*); по формуле (49)

при огибающих хомутах                      по формуле

где Asw - площадь сечения огибающего хомута, расположенного у граней элемента; в любом случае значение mv принимается не более 0,06.

Напряжение сжатия бетона на опоре sb определяется делением опорной реакции на площадь опирания элемента и принимается не более 0,5 Rb.

Косвенное армирование распределяется по длине зоны анкеровки от торца элемента до ближайшей к опоре нормальной трещине.

Длина запуска стержней за внутреннюю грань опоры уменьшается против требуемой настоящим пунктом, если величина lan < 10d, и принимается равной lan, но не менее 5d. В этом случае, а также при приварке концов стержней к надежно заанкеренным стальным закладным деталям снижение расчетного сопротивления продольной арматуры на опорном участке не производится.

ПРОДОЛЬНОЕ АРМИРОВАНИЕ ЭЛЕМЕНТОВ

5.16. Площадь сечения продольной арматуры в железобетонных элементах должна приниматься не менее указанной в табл. 38.

Таблица 38

Условия работы арматуры

Минимальная площадь сечения продольной арматуры в железобетонных элементах, % площади сечения бетона

1. Арматура S в изгибаемых, а также во внецентренно растянутых элементах при расположении продольном силы за пределами рабочей высоты сечения

0,05

2. Арматура S, S¢ во внецентренно растянутых элементах при расположении продольной силы между арматурой S и S¢

0,06

3. Арматура S, S¢ во внецентренно сжатых элементах при:

 

l0/i < 17

0,05

17 £ l0 /i £ 35

0,10

35 < l0 /i £ 83

0,20

l0/i > 83

0,25

Примечание. Минимальная площадь сечения арматуры, приведенная в настоящей таблице, относится к площади сечения бетона, равной произведению ширины прямоугольного сечения либо ширины ребра таврового (двутаврового) сечения на рабочую высоту сечения h0. В элементах с продольной арматурой, расположенной равномерно по контуру сечения, а также в центрально-растянутых элементах указанная величина минимального армирования относится к полной площади сечения бетона.

В элементах с продольной арматурой, расположенной равномерно по контуру сечения, а также в центрально-растянутых элементах минимальная площадь сечения всей продольной арматуры должна приниматься вдвое больше величин, указанных в табл. 38.

Минимальный процент содержания арматуры S и S¢ во внецентренно сжатых элементах, несущая способность которых при расчетном эксцентриситете используется менее чем на 50 %, независимо от гибкости элементов принимается равным 0,05.

Требования табл. 38 не распространяются на армирование, определяемое расчетом элемента для стадий транспортирования и возведения; в этом случае площадь сечения арматуры определяется только расчетом по прочности. Если расчетом установлено, что несущая способность элемента исчерпывается одновременно с образованием трещин в бетоне растянутой зоны, то должны учитываться требования п. 1.19 для слабоармированных элементов.

Требования настоящего пункта не учитываются при назначении площади сечения арматуры, устанавливаемой по контуру плит или панелей из расчета на изгиб в плоскости плиты (панели).

5.17. Диаметр, мм, продольных стержней сжатых элементов не должен превышать для бетона:

тяжелого и мелкозернистого класса

ниже В25                                                       40

легкого и поризованного классов:

В12,5 и ниже                                           16

В15 - В25                                                  25

В30 и выше                                              40

ячеистого классов:

В10 и ниже                                              16

В12,5 - В15                                               20

В изгибаемых элементах из легкого бетона с арматурой класса А-IV и ниже диаметр, мм, продольных стержней не должен превышать для бетона классов:

В12,5 и ниже                                                16

В15 - В25                                                       25

В30 и выше                                                   32

Для арматуры более высоких классов предельные диаметры стержней должны быть согласованы в установленном порядке.

В изгибаемых элементах из ячеистого бетона классе В10 и ниже диаметр продольной арматуры должен быть ни более 16 мм.

Диаметр продольных стержней внецентренно сжатых элементов монолитных конструкций должен быть не менее 12 мм.

5.18. В линейных внецентренно сжатых элементах расстояния между осями стержней продольной арматуры должны приниматься в направлении, перпендикулярном плоскости изгиба, не более 400 мм, а в направлении плоскости изгиба - не более 500 мм.

5.19. Во внецентренно сжатых элементах, несущая способность которых при заданном эксцентриситете продольной силы используется менее чем на 50 %, а также в элементах с гибкостью l0/i < 17 (например, подколонниках), где по расчету сжатая арматура не требуется, а количество растянутой арматуры не превышает 0,3 %, допускается не устанавливать продольную и поперечную арматуру, требуемую согласно указаниям пп. 5.18, 5.22 и 5.23, по граням, параллельным плоскости изгиба. При этом армирование по граням, перпендикулярным плоскости изгиба, производится сварными каркасами и сетками с защитным слоем бетона толщиной не менее 50 мм и не менее двух диаметров продольной арматуры.

5.20. В балках шириной свыше 150 мм число продольных рабочих стержней, заводимых за грань опоры, должно быть не менее двух. В ребрах сборных панелей, настилов, часторебристых перекрытий и т. п. шириной 150 мм и менее допускается доведение до опоры одного продольного рабочего стержня.

В плитах расстояния между стержнями, заводимыми за грань опоры, не должны превышать 400 мм, причем площадь сечения этих стержней на 1 м ширины плиты должна составлять не менее 1/3 площади сечения стержней в пролете, определенной расчетом по наибольшему изгибающему моменту.

В предварительно напряженных многопустотных (с круглыми пустотами) плитах, изготовляемых из тяжелого бетона, высотой 300 мм и менее расстояние между напрягаемой арматурой, заводимой за грань опоры, допускается увеличивать до 600 мм, если для сечений, нормальных к продольной оси плиты, величина момента трещинообразования Mcrc, определяемого по формуле (125), составляет не менее 80 % величины момента от внешней нагрузки, принимаемой с коэффициентом надежности по нагрузке gf = 1,0.

При армировании неразрезных плит сварными рулонными сетками допускается вблизи промежуточных опор все нижние стержни переводить в верхнюю зону.

Расстояния между осями рабочих стержней в средней чести пролета плиты и над опорой (вверху) должны быть не более 200 мм при толщине плиты до 150 мм и не более 1,5 h при толщине плиты свыше 150 мм, где h - толщина плиты.

5.21. В изгибаемых элементах при высоте сечения свыше 700 мм у боковых граней должны ставиться конструктивные продольные стержни с расстояниями между ними по высоте не более 400 мм и площадью сечения не менее 0,1 % площади сечения бетона, имеющего размер, равный по высоте элемента расстоянию между этими стержнями, по ширине - половине ширины ребра элемента, но не более 200 мм.

ПОПЕРЕЧНОЕ АРМИРОВАНИЕ ЭЛЕМЕНТОВ

5.22. У всех поверхностей железобетонных элементов, вблизи которых ставится продольная арматура, должна предусматриваться также поперечная арматура, охватывающая крайние продольные стержни. При этом расстояния между поперечными стержнями у каждой поверхности элемента должны быть не более 600 мм и не более удвоенной ширины грани элемента.

Во внецентренно сжатых элементах с центрально-расположенной напрягаемой продольной арматурой (например, в сваях) постановка поперечной арматуры не требуется, если сопротивление действию поперечных сил обеспечивается одним бетоном.

Поперечную арматуру допускается не ставить у граней тонких ребер изгибаемых элементов (шириной 150 мм и менее), по ширине которых располагается лишь один продольный стержень или сварной каркас.

Во внецентренно сжатых линейных элементах, а также в сжатой зоне изгибаемых элементов при наличии учитываемой в расчете сжатой продольной арматуры хомуты должны ставиться на расстоянии:

в конструкциях из тяжелого, мелкозернистого, легкого и поризованного бетонов:

при Rsc £ 400 МПа - не более 500 мм и не более:

при вязаных каркасах - 15d, сварных - 20d;

при Rsc ³ 450 МПа - не более 400 мм и не более:

при вязаных каркасах - 12d, сварных - 15d;

в конструкциях из ячеистого бетона при сварных каркасах - не более 500 мм и не более 40d (где d - наименьший диаметр сжатых продольных стержней, мм).

При этом конструкция поперечной арматуры должна обеспечивать закрепление сжатых стержней от их бокового выпучивания в любом направлении.

Расстояния между хомутами внецентренно сжатых элементов в местах стыкования рабочей арматуры внахлестку без сверки должны составлять не более 10d.

Если насыщение элемента требуемой по расчету сжатой продольной арматурой S составляет свыше 1,5 %, а также если все сечение элемента сжато и общее насыщение арматурой S и S¢ свыше 3 %, расстояние между хомутами должно быть не более 10d и не более 300 мм.

При проверке соблюдения требований настоящего пункта продольные сжатые стержни, не учитываемые расчетом, не должны приниматься во внимание, если диаметр этих стержней не превышает 12 мм и половины толщины защитного слоя бетона.

5.23. Конструкция вязаных хомутов во внецентренно сжатых элементах должна быть такой, чтобы продольные стержни (по крайней мере, через один) располагались в местах перегиба хомутов, а эти перегибы - на расстоянии не более 400 мм по ширине грани элемента. При ширине грани не более 400 мм и числе продольных стержней у этой грани не более четырех допускается охват всех продольных стержней одним хомутом.

При армировании внецентренно сжатых элементов плоскими сварными каркасами два крайних каркаса (расположенные у противоположных граней) должны быть соединены друг с другом для образования пространственного каркаса. Для этого у граней элемента, нормальных к плоскости каркасов, должны ставиться поперечные стержни, привариваемые контактной сваркой к угловым продольным стержням каркасов, или шпильки, связывающие эти стержни, на тех же расстояниях, что и поперечные стержни плоских каркасов.

Если крайние плоские каркасы имеют промежуточные продольные стержни, то они не реже чем через один и не реже чем через 400 мм по ширине грани элемента должны связываться шпильками с продольными стержнями, расположенными у противоположной грани. Шпильки допускается не ставить при ширине данной грани элемента не более 500 мм и числе продольных стержней у этой грани не более четырех.

5.24. Во внецентренно сжатых элементах с учитываемым в расчете косвенным армированием в виде сварных сеток (из арматуры классов А-I, A-II и А-III диаметром не более 14 мм и класса Вр-I) или в виде ненапрягаемой спиральной либо кольцевой арматуры должны быть приняты:

размеры ячеек сетки - не менее 45 мм, но не более 1/4 меньшей стороны сечения элемента и не более 100 мм;

диаметр навивки спиралей или диаметр колец - не менее 200 мм;

шаг сеток - не менее 60 мм, но не более 1/3 меньшей стороны сечения элемента и не более 150 мм;

шаг навивки спиралей или шаг колец - не менее 40 мм, но не более 1/5 диаметра сечения элемента и не более 100 мм.

Сетки и спирали (кольца) должны охватывать всю рабочую продольную арматуру.

При усилении концевых участков внецентренно сжатых элементов сварные сетки косвенного армирования должны устанавливаться у торца в количестве не менее четырех сеток на длине (считая от торца элемента) не менее 20d если продольная арматура выполняется из гладких стержней, и не менее 10d - из стержней периодического профиля.

5.25. Диаметр хомутов в вязаных каркасах внецентренно сжатых линейных элементов должен приниматься не менее 0,25d и не менее 5 мм, где d - наибольший диаметр продольных стержней.

Диаметр хомутов в вязаных каркасах изгибаемых элементов должен приниматься, мм, не менее:

при высоте сечения элемента, равной

или менее 800 мм                      5

то же, свыше 800 мм                 8

Соотношение диаметров поперечных и продольных стержней в сварных каркасах и сварных сетных устанавливался из условия сварки по соответствующим нормативным документам.

5.26. В балочных конструкциях высотой свыше 150 мм, а также в многопустотных плитах (или аналогичных часторебристых конструкциях) высотой свыше 300 мм должна устанавливаться поперечная арматура.

В сплошных плитах независимо от высоты, в многопустотных плитах, (или аналогичных часторебристых конструкциях) высотой минее 300 мм и в балочных конструкциях высотой менее 150 мм допускается поперечную арматуру не устанавливать. При этом должны быть обеспечены требования расчета согласно указаниям п. 3.32.

5.27. Поперечная арматура в балочных и плитных конструкциях, указанных в п. 5.26, устанавливается:

на приопорных участках, равных при равномерно распределенной нагрузке 1/4 пролета, а при сосредоточенных нагрузках - расстоянию от опоры до ближайшего груза, но не менее 1/4 пролета, с шагом:

при высоте сечения элемента h,

равной или менее 450 мм                  не более h/2

и не более 150 мм

то же, свыше 450 мм                          не более h/3

и не более 500 мм

на остальной части пролета при высоте сечения элемента h свыше 300 мм устанавливается поперечная арматура с шагом не более 3/4 h и не более 500 мм.

5.28. Поперечная арматура, предусмотренная для восприятия поперечных сил, должна иметь надежную анкеровку по концам путем приварки или охвата продольной арматуры, обеспечивающую равнопрочность соединений и хомутов.

5.29. Поперечная арматура в плитах в зоне продавливания устанавливается с шагом не более 1/3 h и не более 200 мм, при этом ширина зоны постановки поперечной арматуры должна быть не менее 1,5 h (где h - толщина плиты).

Анкеровка указанной арматуры должна удовлетворять требованиям п. 5.28.

5.30. Поперечное армирование коротких консолей колонн выполняете» горизонтальными или наклонными под углом 45° хомутами. Шаг хомутов должен быть не более h/4 и не более 150 мм (где h - высота консоли).

5.31. В элементах, работающих на изгиб с кручением, вязаные хомуты должны быть замкнутыми с надежной анкеровкой по концам, а при сварных каркасах все поперечные стержни обоих направлений должны быть приварены к угловым продольным стержням, образуя замкнутый контур. При этом должна быть обеспечена равнопрочность соединений и хомутов.

СВАРНЫЕ СОЕДИНЕНИЯ АРМАТУРЫ И ЗАКЛАДНЫХ ДЕТАЛЕЙ

5.32*. Арматура из горячекатаной стали гладкого и периодического профиля, термически упрочненной стали классов Ат-IIIС и Ат-IVС и обыкновенной арматурной проволоки, а также закладные детали должны, как правило, изготовляться с применением для соединения стержней между собой и с плоскими элементами проката контактной сварки - точечной и стыковой. Допускается применение дуговой сварки - автоматической и полуавтоматической, а также ручной согласно указаниям п. 5.36*.

Стыковые соединения упрочненной вытяжкой арматуры класса А-IIIв должны свариваться до ее упрочнения.

Сварные соединения стержневой горячекатаной арматуры классов А-IV (из стали марки 20ХГ2Ц), А-V и А-VII, термомеханически упрочненной арматуры классов Ат-IIIС, Ат-IVС, Ат-IVК (из стали марок 10ГС2 и 08Г2С), Ат-V (из стали марки 20ГС) и Ат-VСК следует применять только типов, установленных ГОСТ 14098-85.

Сварные соединения стержневой горячекатаной арматуры класса А-IV (из стали марки 80С) и термомеханически упрочненной арматуры классов Ат-IV, Ат-IVК (из стали марки 25С2Р), Ат-V (кроме из стали марки 20ГС), Ат-VК, АтVI, Ат-VIK и Ат-VII, высокопрочной арматурной проволоки и арматурных канатов не допускаются.

5.33*. Типы сварных соединений и способы сварки арматуры и закладных деталей следует назначать с учетом условий эксплуатации конструкции, свариваемости стали, технико-экономических показателей соединений и технологических возможностей предприятия-изготовителя в соответствии с ГОСТ 14098-85.

Выполняемые контактно-точечной сваркой или дуговой сваркой прихватками крестообразные соединения, которые должны обеспечивать восприятие арматурой сеток и каркасов напряжений не менее ее расчетных сопротивлений (соединения «с нормируемой прочностью»), необходимо указывать в рабочих чертежах арматурных изделий.

Сварные крестообразные соединения с ненормируемой прочностью применяются для обеспечения взаимного расположения стержней арматурных изделий в процессе их транспортирования, бетонирования и изготовления конструкции.

5.34. В заводских условиях при изготовлении сварных арматурных сеток, каркасов и соединений по длине отдельных стержней следует применять преимущественно контактную точечную и стыковую сварку, а при изготовлении закладных деталей - автоматическую сварку под флюсом для тавровых и контактную рельефную сварку для нахлесточных соединений.

5.35. При монтаже арматурных изделий и сборных железобетонных конструкций в первую очередь должны применяться полуавтоматические способы сварки, обеспечивающие возможность контроля качества соединений.

5.36*. При отсутствии необходимого сварочного оборудования допускается выполнить в заводских и монтажных условиях крестообразные, стыковые, нахлесточные и тавровые соединения арматуры и закладных деталей, применяй приведенные в ГОСТ 14098-85 и в нормативных документах на сварную арматуру и закладные детали способы дуговой, в том числе и ручной, сварки. Не допускается применять дуговую сварку прихватками в крестообразных соединениях стержней рабочей арматуры класса А-III марки 35ГС.

Применяя ручную дуговую сварку при выполнении сварных соединений, рассчитываемых по прочности, в сетках и каркасах, следует устанавливать дополнительные конструктивные элементы в местах соединения стержней продольной и поперечной арматуры (прокладки, косынки, крючки и т. д.).

СТЫКИ НЕНАПРЯГАЕМОЙ АРМАТУРЫ ВНАХЛЕСТКУ (БЕЗ СВАРКИ)

5.37. Стыки ненапрягаемой рабочей арматуры внахлестку применяются при стыковании сварных и вязаных каркасов и сеток, при этом диаметр рабочей арматуры должен быть не более 36 мм.

Стыки стержней рабочей арматуры внахлестку не рекомендуется располагать в растянутой зоне изгибаемых и внецентренно растянутых элементов в местах полного использования арматуры. Такие стыки не допускаются в линейных элементах, сечение которых полностью растянуто (например, в затяжках арок), а также во всех случаях применения стержневой арматуры класса А-IV и выше.

5.38. Стыки растянутой или сжатой рабочей арматуры, а также сварных сеток и каркасов в рабочем направлении должны иметь длину перепуска (нахлестки) l не менее величины lan, определяемой по формуле (186) и табл. 37.

5.39. Стыки сварных сеток и каркасов, а также растянутых стержней вязаных каркасов и сеток внахлестку без сварки должны, как правило, располагаться вразбежку. При этом площадь сечения рабочих стержней, стыкуемых в одном месте или на расстоянии менее длины перепуска l, должна составлять не более 50 % общей площади сечения растянутой арматуры - при стержнях периодического профиля и не более 25 % - при гладких стержнях.

Стыкование отдельных стержней, сварных сеток и каркасов без разбежки допускается при конструктивном армировании (без расчета), а также на тех участках, где арматура используется не более чем на 50 %.

5.40. Стыки сварных сеток в направлении рабочей арматуры из гладкой горячекатаной стали класса А-I должны выполняться таким образом, чтобы в каждой из стыкуемых в растянутой зоне сеток на длине нахлестки располагалось не менее двух поперечных стержней, приваренных ко всем продольным стержням сеток (черт. 24). Такие же типы стыков применяются и для стыкования внахлестку сварных каркасов с односторонним расположением рабочих стержней из всех видов арматуры.

Стыки сварных сеток в направлении рабочей арматуры классов А-II и А-III выполняются без поперечных стержней в пределах стыка в одной или обеих стыкуемых сетках (черт. 25).

5.41. Стыки сварных сеток в нерабочем направлении выполняются внахлестку с перепуском (считая между крайними рабочими стержнями сетки):

при диаметре распределительной (поперечной)

арматуры до 4 мм включ.                            на 50 мм

(черт. 26, а, б)

то же, свыше 4 мм                                        на 100 мм

(черт. 26, а, б)

Черт. 24. Стыки сварных сеток внахлестку (без сварки) в направлении рабочей арматуры, выполненной из гладких стержней

а - при поперечных стержнях, расположенных в одной плоскости; б, в - то же, в разных плоскостях

Черт. 25. Стыки сварных сеток внахлестку (без сварки) в направлении рабочей арматуры, выполненной из стержней периодического профиля

а - без поперечных стержней в пределах стыка в одной из стыкуемых сеток; б - то же, в обеих стыкуемых сетках

При диаметре рабочей арматуры 16 мм и более сварные сетки в нерабочем направлении допускается укладывать впритык друг к другу, перекрывая стык специальными стыковыми сетками, укладываемыми с перепуском в каждую сторону не менее 15d распределительной арматуры и не менее 100 мм (черт. 26, в).

Сварные сетки в нерабочем направлении допускается укладывать впритык без нахлестки и без дополнительных стыковых сеток в следующих случаях:

при укладке сварных полосовых сеток в двух взаимно перпендикулярных направлениях;

при наличии в местах стыков дополнительного конструктивного армирования в направлении распределительной арматуры.

Черт. 26. Стыки сварных сеток в направлении распределительной арматуры

а - стык внахлестку с расположением рабочих стержней в одной плоскости; б - то же, с расположением рабочих стержней в разных плоскостях; в - стык впритык с наложением дополнительной стыковой сетки

СТЫКИ ЭЛЕМЕНТОВ СБОРНЫХ КОНСТРУКЦИЙ

5.42. При стыковании железобетонных элементов сборных конструкций усилия от одного элемента к другому передаются через стыкуемую рабочую арматуру, стальные закладные детали, заполняемые бетоном швы, бетонные шпонки или (для сжатых элементов) непосредственно через бетонные поверхности стыкуемых элементов.

Стыкование предварительно напряженных элементов, а также конструкций, к которым предъявляются требования водонепроницаемости, должно осуществляться, как правило, бетоном на напрягающем цементе.

5.43. Жесткие стыки сборных конструкций должны, как правило, замоноличиваться путем заполнения швов между элементами бетоном. Если при изготовлении элементов обеспечивается плотная подгонка поверхностей друг к другу (например, при использовании торца одного из стыкуемых элементов в качестве опалубки для торца другого), допускается при передаче через стык только сжимающего усилия выполнение стыков насухо.

5.44. Стыки элементов, воспринимающие растягивающие усилия, должны выполняться:

а) сваркой стальных закладных деталей;

б) сваркой выпусков арматуры;

в) пропуском через каналы или пазы стыкуемых элементов стержней арматурных канатов или болтов с последующим натяжением их и заполнением швов и каналов цементным раствором или мелкозернистым бетоном;

г) склеиванием элементов конструкционными полимеррастворами с использованием соединительных деталей из стержневой арматуры.

При проектировании стыков элементов сборных конструкций должны предусматриваться такие соединения закладных деталей, при которых не происходило бы разгибания их частей, а также выколов бетона.

5.45. Закладные детали должны быть заанкерены в бетоне с помощью анкерных стержней или приварены к рабочей арматуре элементов.

Закладные детали с анкерами должны, как правило, состоять из отдельных пластин (уголков или фасонной стали) с приваренными к ним втавр или внахлестку анкерными стержнями преимущественно из арматуры классов А-II, А-III. Длина анкерных стержней закладных деталей при действии на них растягивающих сил должна быть не менее величины lan, определяемой согласно указаниям п. 5.14.

Длина анкерных стержней может быть уменьшена при условии приварки на концах стержней анкерных пластин или устройства высиженных горячим способом анкерных головок диаметром не менее 2d - для арматуры классов А-I и А-II и не менее 3d - для арматуры класса А-III. В этих случаях длина анкерного стержня определяется расчетом на выкалывание и смятие бетона и принимается не менее 10d (где d - диаметр анкера, мм).

Если анкера, испытывающие растяжение, располагаются нормально к оси элемента и вдоль них могут образоваться трещины от основных усилий, действующих на элемент, концы анкеров должны быть усилены приваренными пластинами или высаженными головками.

Штампованные закладные детали должны состоять из полосовых анкеров, имеющих усиления (например, в виде сферических выступов), и участков, выполняющих функцию пластин (аналогично сварным деталям). Штампованные закладные детали следует, как правило, проектировать из полосовой стали толщиной 4-8 мм таким образом, чтобы отходы при раскрое полосы были минимальными. Деталь необходимо рассчитывать по прочности полосовых анкеров и пластин. Прочность анкеровки детали провернется из расчета бетона на раскалывание, выкалывание и смятие.

Толщина пластин закладных деталей определяется согласно указаниям п. 3.48 и в соответствии с требованиями сварки. В зависимости от технологии сварки отношение толщины пластины к диаметру анкерного стержня принимается в соответствии с требованиями ГОСТ 14098-85.

5.46. На концевых частях стыкуемых внецентренно сжатых элементов (например, на концах сборных колонн) должна устанавливаться косвенная арматура согласно указаниям п. 5.24.

ОТДЕЛЬНЫЕ КОНСТРУКТИВНЫЕ ТРЕБОВАНИЯ

5.47. Осадочные швы должны, как правило, предусматриваться в случаях возведения здания (сооружения) на неоднородных грунтах основания (просадочных и др.), в местах резкого изменения нагрузок и т. п.

Если в указанных случаях осадочные швы не предусматриваются, фундаменты должны обладать достаточной прочностью и жесткостью, предотвращающей повреждение вышележащих конструкций, или иметь специальную конструкцию, служащую для достижения этой же цели.

Осадочные швы, а также температурно-усадочные швы в сплошных бетонных и железобетонных конструкциях следует осуществлять сквозными, разрезая конструкцию до подошвы фундамента. Температурно-усадочные швы в железобетонных каркасах осуществляются посредством применения двойных колонн с доведением шва до верха фундамента.

Расстояния между температурно-усадочными швами в бетонных фундаментах и стенках подвалов допускается принимать в соответствии с расстояниями между швами, принятыми для вышележащих конструкций.

5.48. В бетонных конструкциях должно предусматриваться конструктивное армирование:

а) в местах резкого изменения размеров сечения элементов;

б) в местах изменения высоты стен (на участке не менее 1 м);

в) в бетонных стенах под и над проемами каждого этажа;

г) в конструкциях, подвергающихся воздействию динамической нагрузки;

д) у менее напряженной грани внецентренно сжатых элементов, если наибольшее напряжение в сечении, определяемое как для упругого тела, превышает 0,8 Rb, а наименьшее составляет менее 1 МПа или оказывается растягивающим, при этом коэффициент армирования m принимается не менее 0,025 %.

Требования нестоящего пункта не распространяются на элементы сборных конструкций, проверяемые в стадиях транспортирования и монтажа, в этом случае необходимое армирование определяется расчетом по прочности.

Если расчетом установлено, что прочность элемента исчерпывается одновременно с образованием трещин в бетоне растянутой зоны, то следует учитывать требования п. 1.19 для слабоармированных элементов (без учета работы растянутого бетона). Если, согласно расчету с учетом сопротивления растянутой зоны бетона, арматура не требуется и опытом доказана возможность транспортирования и монтажа таких элементов без арматуры, конструктивная арматура не предусматривается.

5.49. Соответствие расположения арматуры ее проектному положению должно обеспечиваться специальными мероприятиями (установкой пластмассовых фиксаторов, шайб из мелкозернистого бетона и т. п.).

5.50. Отверстия значительных размеров в железобетонных плитах, панелях и т. п. должны окаймляться дополнительной арматурой сечением не менее сечения рабочей арматуры (того же направления), которая требуется по расчету плиты как сплошной.

5.51. При проектировании элементов сборных перекрытий следует предусматривать устройство швов между ними, заполняемых бетоном. Ширина швов назначается из условия обеспечения качественного их заполнения и должна составлять не менее 20 мм для элементов высотой сечения до 250 мм и не менее 30 мм - для элементов большей высоты.

5.52. В элементах сборных конструкций должны предусматриваться приспособления для захвата их при подъеме: инвентарные монтажные вывинчивающиеся петли, строповочные отверстия со стальными трубками, стационарные монтажные петли из арматурных стержней и т. п. Петли для подъема должны выполняться из горячекатаной стали согласно требованиям п. 2.24*.

ДОПОЛНИТЕЛЬНЫЕ УКАЗАНИЯ ПО КОНСТРУИРОВАНИЮ ПРЕДВАРИТЕЛЬНО НАПРЯЖЕННЫХ ЖЕЛЕЗОБЕТОННЫХ ЭЛЕМЕНТОВ

5.53. В предварительно напряженных элементах необходимо, как правило, обеспечивать надежное сцепление арматуры с бетоном путем применения стали периодического профиля, заполнения каналов, пазов и выемок цементным раствором или мелкозернистым бетоном.

5.54. Схемы и способы возведения статически неопределимых предварительно напряженных конструкций рекомендуется выбирать так, чтобы при создании предварительного напряжения исключалась возможность возникновения в конструкции дополнительных усилий, ухудшающих их работу. Допускается устройство временных швов или шарниров, замоноличиваемых после натяжения арматуры.

5.55. В сборно-монолитных железобетонных конструкциях должно обеспечиваться сцепление предварительно напряженных элементов с бетоном, уложенным на месте использования конструкции, а также анкеровка их концевых участков. Совместная работа элементов в поперечном направлении, кроме того, должна обеспечиваться соответствующими мероприятиями (установкой поперечной арматуры или предварительным напряжением элементов в поперечном направлении).

5.56. Часть продольной стержневой арматуры элемента допускается применять без предварительного напряжения, если при этом удовлетворяются требования расчета по трещиностойкости и деформациям.

5.57. Местное усиление участков предварительно напряженных элементов под анкерами напрягаемой арматуры, а также в местах опирания натяжных устройств рекомендуется выполнять установкой закладных деталей или дополнительной поперечной арматуры, а также увеличением размеров сечения элемента на этих участках.

5.58. У торцов элемента необходимо предусматривать дополнительную напрягаемую или ненапрягаемую поперечную арматуру, если напрягаемая продольная арматура располагается сосредоточенно у верхней и нижней граней.

Напрягаемая поперечная арматура должна напрягаться ранее натяжения продольной арматуры усилием не менее 15 % усилия натяжения всей продольной арматуры растянутой зоны опорного сечения.

Ненапрягаемая поперечная арматура должна быть надежно заанкерена по концам приваркой к закладным деталям. Сечение этой арматуры в конструкциях, не рассчитываемых на выносливость, должно быть в состоянии воспринимать не менее 20 %, а в конструкциях, рассчитываемых на выносливость, - не менее 30 % усилия в продольной напрягаемой арматуре нижней зоны опорного сечения, определяемого расчетом по прочности.

5.59. При проволочной арматуре, расположенной в виде пучка, должны предусматриваться зазоры между отдельными проволоками или группами проволок (установкой спиралей внутри пучка, коротышей в анкерах и т. п.) размерами, достаточными для прохождения между проволоками пучка цементного раствора или мелкозернистого бетона при заполнении каналов.

5.60. Напрягаемая арматура (стержневая или канаты) в пустотных и ребристых элементах должна располагаться, как правило, по оси каждого ребра элемента. Исключение из этого правила оговорено в п. 5.20.

5.61. У концов предварительно напряженных элементов должна быть установлена дополнительная поперечная или косвенная арматура (сварные сетки, охватывающие все продольные стержни арматуры, хомуты и т. п. с шагом 5-10 см) на длине участка не менее 0,6 lp, а в элементах из легкого бетона классов В7,5 - В12,5 - с шагом 5 см на длине участка не менее lp (см. п. 2.29) и не менее 20 см для элементов с арматурой, не имеющей анкеров, а при наличии анкерных устройств - на участке, равном двум длинам этих устройств. Установка анкеров у концов арматуры обязательна для арматуры, натягиваемой на бетон, а также для арматуры, натягиваемой на упоры, при недостаточном ее сцеплении с бетоном (гладкой проволоки, многопрядных канатов), при этом анкерные устройства должны обеспечивать надежную заделку арматуры в бетоне на всех стадиях ее работы.

При применении в качестве напрягаемой рабочей арматуры высокопрочной арматурной проволоки периодического профиля, арматурных канатов однократной свивки, горячекатаной и термически упрочненной стержневой арматуры периодического профиля, натягиваемой на упоры, установка анкеров у концов напрягаемых стержней, как правило, не требуется.

6*. УКАЗАНИЯ ПО РАСЧЕТУ И КОНСТРУИРОВАНИЮ ЖЕЛЕЗОБЕТОННЫХ КОНСТРУКЦИЙ ПРИ РЕКОНСТРУКЦИИ ЗДАНИЙ И СООРУЖЕНИЙ

ОБЩИЕ ПОЛОЖЕНИЯ

6.1. Настоящий раздел устанавливает требования к проектированию ранее эксплуатировавшихся бетонных и железобетонных конструкций, сохраняемых (без усиления или с усилением) в составе зданий и сооружений после реконструкции или капитального ремонта.

Раздел устанавливает правила расчета существующих конструкций (поверочного расчета), а также расчета и конструирования усиливаемых конструкций.

6.2. Поверочные расчеты существующих конструкций необходимо производить при изменении действующих на них нагрузок, объемно-планировочных решений и условий эксплуатации, а также при обнаружении дефектов и повреждений в конструкциях с целью установления, обеспечивается ли несущая способность и пригодность к нормальной эксплуатации конструкций в изменившихся условиях их работы.

6.3. Конструкции, не отвечающие требованиям поверочного расчета, подлежат усилению.

При проектировании усиливаемых конструкций следует исходить из необходимости выполнения работ без или с кратковременной остановкой производства.

6.4. Поверочные расчеты существующих конструкций, а также расчет и конструирование усиливаемых конструкций необходимо производить на основе проектных материалов, данных по изготовлению и возведению этих конструкций и их натурных обследований.

6.5. При отсутствии в конструкциях дефектов и повреждений, снижающих их несущую способность, а также при отсутствии недопустимых прогибов конструкций и раскрытия в них трещин поверочные расчеты допускается выполнять исходя из проектных данных о геометрических размерах сечений конструкций, классе (марке) бетона по прочности, классе арматурной стали, армировании и расчетной схеме конструкции.

6.6. В случаях, когда требования расчетов по проектным материалам не удовлетворяются либо при отсутствии проектных материалов, а также при наличии дефектов и повреждений, снижающих несущую способность конструкции, недопустимых прогибов конструкции или раскрытия в них трещин следует производить поверочные расчеты с учетом данных натурных обследований конструкций.

6.7. На основании натурных обследований должны быть установлены: геометрические размеры сечения, армирование конструкции, прочность бетона и вид арматуры, прогибы конструкции и ширина раскрытия трещин, дефекты и повреждения, нагрузки статическая схема конструкций.

6.8. Усиление конструкций следует предусматривать лишь в случаях, когда существующие конструкции не удовлетворяют поверочным расчетам по несущей способности или требованиям нормальной эксплуатации. Не следует усиливать существующие конструкции, если:

их фактические прогибы превышают предельно допустимые в соответствии с п. 1.20. но не препятствуют нормальной эксплуатации конструкции и не изменяют их расчетную схему;

имеются отступления от требований разд. 5, но конструкция эксплуатировалась длительное время, а ее обследование не выявило повреждений, вызванных этими отступлениями.

6.9. Расчет и конструирование усиливаемых конструкций следует выполнять с учетом данных натурных обследований, указанных в п. 6.7.

ПОВЕРОЧНЫЕ РАСЧЕТЫ

6.10. Поверочные расчеты бетонных и железобетонных конструкций следует выполнять в соответствии с требованиями разд. 1-4 и настоящего подраздела.

6.11. Расчет по предельным состояниям второй группы не производится, если перемещения и ширина раскрытия трещин в существующих конструкциях меньше предельно допустимых, а усилия в сечениях элементов от новых нагрузок не превышают значений усилий от фактически действовавших нагрузок.

6.12. При расчете должны быть проверены сечения конструкций, имеющие дефекты и повреждения, а также сечения, в которых при натурных обследованиях выявлены зоны бетона, прочность которых меньше средней на 20 % и более. Учет дефектов и повреждений производится путем уменьшения вводимой в расчет площади сечения бетона или арматуры. Необходимо также учитывать влияния дефекта или повреждения на прочностные и деформативные характеристики бетона, на эксцентриситет продольной силы, на сцепление арматуры с бетоном и т. п. в соответствии с утвержденными в установленном порядке документами.

6.13. Расчетные характеристики бетона определяются согласно разд. 2 в зависимости от условного класса бетона по прочности на сжатие существующих конструкций.

6.14. При выполнении поверочных расчетов по проектным материалам, в том случае, если в проекте существующей конструкции нормируемой характеристикой бетона является его марка, значение условного класса бетона по прочности на сжатие следует принимать равным:

80 %-ной кубиковой прочности бетона, соответствующей марке по прочности для тяжелого, мелкозернистого и легкого бетонов;

70 %-ной - для ячеистого бетона.

Для промежуточных значений условного класса бетона по прочности на сжатие, отличающихся от значений параметрического ряда (см. п. 2.3), расчетные сопротивления бетона определяются линейной интерполяцией.

6.15. При выполнении поверочных расчетов по результатам натурных обследований значение условного класса бетона по прочности на сжатие определяется в соответствии с п. 6.14, принимал вместо марки бетона фактическую прочность бетона в группе конструкций, конструкции или отдельной ее зоне, полученную по результатам испытаний неразрушающими методами или испытаний отобранных от конструкций образцов бетона.

6.16. В зависимости от состояния бетона, вида конструкций и условий их работы, а также используемых методов определения прочности бетона при специальном обосновании могут быть использованы другие способы определения класса бетона. При использовании статистических методов коэффициент вариации прочности бетона определяется по ГОСТ 18105-86.

6.17. Расчетные характеристики арматуры определяются в зависимости от класса арматурной стали существующих железобетонных конструкций согласно разд. 2 с учетом требований пп. 6.18 и 6.19.

6.18. При выполнении поверочных расчетов по проектным данным существующих конструкций, запроектированных по ранее действующим нормативным документам, нормативные сопротивления арматуры Rsn определяются согласно разд. 2. При этом нормативное сопротивление арматурной проволоки класса В-I принимается равным 390 МПа (400 кг/см2).

Расчетные сопротивления арматуры растяжению Rs следует определять по формуле

где gs - коэффициент надежности по арматуре, принимаемый равным для расчета по предельным состояниям первой группы:

для стержневой арматуры классов:

A-I, A-II и A-III                                  1,15

А-IV, A-V и А-VI                              1,25

для проволочной арматуры классов:

В-I, В-II, Вр-II, К-7 и К-19               1,25

Bр-I                                                     1,15

При расчете по предельным состояниям второй группы коэффициент надежности по арматуре gs принимается равным 1,0.

Расчетные сопротивления растяжению поперечной арматуры (хомутов и отогнутых стержней) Rsw определяются умножением полученных расчетных сопротивлении арматуры Rs на соответствующие коэффициенты условий работы gsi, приведенные в разд. 2.

Расчетные сопротивления арматуры сжатию Rsc (кроме арматуры класса А-IIIв) следует принимать равными полученным расчетным сопротивлениям арматуры растяжению Rs, но не более значений, указанных в разд. 2. Для арматуры класса А-IIIв расчетные сопротивления арматуры сжатию Rsc следует принимать в соответствии с требованиями разд. 2.

Кроме того, в расчет необходимо вводить дополнительные коэффициенты условий работы арматуры согласно п. 2.28.

Значения расчетных сопротивлений арматуры принимаются с округлением до трех значащих цифр.

6.19. При выполнении поверочных расчетов по данным испытаний образцов арматуры, отобранных от обследованных конструкций, нормативные сопротивления арматуры принимаются равными средним значениям предела текучести (или условного предела текучести), полученным при испытании образцов арматуры и деленным на коэффициенты:

1,1 -     для арматуры классов А-I, А-II, А-III, А-IIIв, А-IV;

1,2 -     для арматуры других классов.

Расчетные сопротивления арматуры необходимо принимать в соответствии с требованиями п. 6.18.

6.20. В зависимости от числа отобранных для испытаний образцов и состояния арматуры при специальном обосновании могут быть использованы другие способы определения расчетных сопротивлений арматуры.

6.21. Расчетные сопротивления арматуры растяжению Rs при отсутствии проектных данных и невозможности отбора образцов допускается назначать в зависимости от профиля арматуры:

для гладкой арматуры Rs = 155 МПа (1600 кгс/см2);

для арматуры периодического профиля, имеющего выступы:

с одинаковым заходом на обеих сторонах профиля («винт») Rs = 245 МПа (2500 кгс/см2);

с одной стороны правый заход, а с другой - левый («елочка») Rs = 295 МПа (3000 кгс/см2).

При этом значение расчетных сопротивлений сжатой арматуры принимается равным Rs, а расчетных сопротивлений поперечной арматуры Rsw - равным 0,8 Rs.

РАСЧЕТ И КОНСТРУИРОВАНИЕ УСИЛИВАЕМЫХ КОНСТРУКЦИЙ

6.22. Требования настоящего подраздела распространяются на проектирование и расчет железобетонных конструкций, усиливаемых стальным прокатом, бетоном и железобетоном.

Усиливаемые железобетонные конструкции следует проектировать в соответствии с требованиями разд. 1-5, СНиП II-23-81* (при усилении стальным прокатом) и данного подраздела.

6.23. При проектировании усиливаемых железобетонных конструкций необходимо обеспечить включение в работу элементов усилении и совместную их работу с усиливаемой конструкцией.

6.24. Расчет усиливаемых конструкций следует производить для двух стадий работы:

а) до включения в работу усиления - на нагрузки, включающие нагрузку от элементов усиления (только для предельных состояний первой группы);

б) после включения в работу элементов усиления - на полные эксплуатационные нагрузки (по предельным состояниям первой и второй групп). Расчет по предельным состояниям второй группы может не производиться, если эксплуатационные нагрузки не увеличиваются, жесткость и трещиностойкость конструкций удовлетворяют требованиям эксплуатации, а усиление является следствием наличия дефектов и повреждений.

6.25. Для сильно поврежденных конструкций (при разрушении 50 % и более сечения бетона или 50 % и более площади сечения рабочей арматуры) элементы усиления следует рассчитывать на полную действующую нагрузку, при этом усиливаемая конструкция в расчете не учитывается.

6.26. Площадь поперечного сечения арматуры усиливаемой конструкции следует определять с учетом фактического уменьшения в результате коррозии. Арматура из высокопрочной проволоки в расчетах не учитывается при наличии язвенной или питтинговой (скрытой) коррозии, а также если коррозия вызвана хлоридами.

6.27. Нормативные и расчетные сопротивления стальных элементов усилений необходимо назначать в соответствии с указаниями СНиП II-23-81*.

Нормативные и расчетные сопротивления бетона и арматуры усиливаемых железобетонных конструкций и элементов усилений следует назначать в соответствии с указаниями разд. 2 и пп. 6.13-6.21.

6.28. При проектировании усиливаемых конструкций следует, как правило, предусматривать, чтобы нагрузка во время усиления не превышала 65 % расчетной величины. При сложности или невозможности достижения требуемой степени разгрузки допускается выполнять усиление под большей нагрузкой. В этом случае расчетные характеристики бетона и арматуры усиления умножаются на коэффициенты условий работы бетона gbr1 = 0,9; арматуры - gsr1 = 0,9.

В любом случае степень разгрузки конструкций следует выбирать из условия обеспечения безопасного ведения работ.

6.29. В случаях, если при усилении конструкция превращается в статически неопределимую, необходим учет факторов, перечисленных в п. 1.15.

6.30. Величину предварительного напряжения ssp и s¢sp в напрягаемой арматуре S и S¢ усилении следует назначать в соответствии с пп. 1.23 и 1.24.

При этом максимальная величина предварительного напряжения арматуры не должна превышать: для стержневой арматуры 0,9Rs,ser; дня проволочной - 0,7Rs,ser.

Минимальную величину предварительного напряжения арматуры следует принимать не менее 0,49Rs,ser.

6.31. При расчете элементов, усиленных предварительно напряженными стержнями, потери предварительного напряжения необходимо определять в соответствии с пп. 1.25 и 1.26.

При определении потерь от деформаций анкеров, расположенных у натяжных устройств, следует учитывать обжатие упорных устройств, которое при отсутствии экспериментальных данных принимается равным 4 мм.

6.32. Коэффициент точности натяжения необходимо определять в соответствии с п. 1.27 введением дополнительных коэффициентов gsp, зависящих от конструктивных особенностей усиления:

gsp = 0,85 - для горизонтальных и шпренгельных затяжек;

gsp = 0,75 - для хомутов и наклонных тяжей.

6.33. Изгибаемые и внецентренно сжатые элементы, усиливаемые бетоном и железобетоном, рассчитываются как элементы сплошного сечения при условии соблюдения конструктивных и расчетных требований по обеспечению совместной работы старого и нового бетонов. При этом неисправляемые повреждения и дефекты усиливаемых элементов (коррозия или обрывы арматуры, коррозия, расслоения и повреждения бетона и т. д.), снижающие их несущую способность, следует учитывать при расчете в такой же мере, как и при поверочных расчетах конструкций до усиления.

6.34. При наличии в конструкциях, усиливаемых батоном или железобетоном, бетона и арматуры разных классов, расположенные в сечении бетон и арматура каждого класса вводятся в расчет по прочности со своим расчетным сопротивлением.

6.35. Расчет железобетонных элементов, усиливаемых бетоном, арматурой и железобетоном, следует производить по прочности для сечений, нормальных к продольной оси элемента, наклонных и пространственных (при действии крутящих моментов), а также на местное действие нагрузки (сжатие, продавливание, отрыв) в соответствии с требованиями разд. 3 и с учетом наличия в усиливаемом элементе бетона и арматуры разных классов.

6.36. Расчет железобетонных элементов, усиливаемых бетоном, арматурой или железобетоном. следует производить по образованию, раскрытию и закрытию трещин, по деформациям в соответствии с требованиями разд. 4 и дополнительными требованиями, связанными с наличием в железобетонном элементе деформаций и напряжении до включения в работу усиления, а также с наличием в усиленном элементе бетона и арматуры разных классов.

6.37. Расчет железобетонных элементов, усиливаемых напрягаемой арматурой, не имеющей сцепления с бетоном, следует производить для предельных состояний первой и второй групп в соответствии с требованиями разд. 4 и 5 и дополнительными требованиями, связанными с отсутствием сцепления между арматурой и бетоном.

6.38. Минимальные размеры элементов усиления сечений бетоном и железобетоном необходимо принимать из расчета на действующие усилия с учетом технологических требований и не менее размеров, необходимых для выполнения требований разд. 5 в части расположения арматуры и толщины слоя бетона.

6.39. Класс бетона усиления по прочности на сжатие следует принимать, как правило, равным классу бетона усиливаемых конструкций и не менее В15 для наземных конструкций и В12,5 - для фундаментов.

6.40. В тех случаях, когда усиление предусматривается производить после разгрузки усиливаемой конструкции, загружение следует производить после достижения бетоном усиления проектной прочности.

6.41. При усилении монолитным бетоном и железобетоном необходимо предусматривать осуществление мероприятий (очистку, насечку, устройство шпонок на поверхности усиливаемой конструкции и др.), обеспечивающих прочность контактной зоны и совместную работу усиления с усиливаемой конструкцией.

6.42. При устройстве местного усиления только на длине поврежденного участка усиление необходимо распространять и на неповрежденные части, как правило, на длину не менее 500 мм и не менее:

пятикратной толщины бетона усиления;

длины анкеровки продольной арматуры усиления;

двойной ширины большой грани усиливаемого элемента (для стержневых конструкций).

6.43. Усиление элементов с ненапрягаемой арматурой под нагрузкой допускается производить приваркой дополнительной арматуры к существующей. если при действующей во время усиления нагрузке в данном сечении обеспечена прочность усиливаемого элемента без учета работы дополнительной арматуры.

Стыковые сварные соединения следует располагать вразбежку с расстоянием между ними вдоль стержней не менее 20d.

ПРИЛОЖЕНИЕ 1*
Обязательное

ОСНОВНЫЕ ВИДЫ АРМАТУРНОЙ СТАЛИ И ОБЛАСТЬ ЕЕ ПРИМЕНЕНИЯ В ЖЕЛЕЗОБЕТОННЫХ КОНСТРУКЦИЯХ (В ЗАВИСИМОСТИ ОТ ХАРАКТЕРА ДЕЙСТВУЮЩИХ НАГРУЗОК И РАСЧЕТНОЙ ТЕМПЕРАТУРЫ)

Вид арматуры и документы, регламентирующие ее качество

Класс арматуры

Марка стали

Диаметр арматуры, мм

Условия эксплуатации конструкции при нагрузке

статической

динамической и многократно повторяющейся

в отапливаемых зданиях

на открытом воздухе и в неотапливаемых зданиях при расчетной температуре, °С

в отапливаемых зданиях

на открытом воздухе и в неотапливаемых зданиях при расчетной температуре, °С

до минус 30 включ.

ниже

минус 30 до минус 40 включ.

ниже минус 40 до минус 55 включ.

ниже минус 55 до минус 70 включ.

до минус 30 включ.

ниже минус 30 до минус 40 включ.

ниже минус 40 до минус 55 включ.

ниже минус 55 до минус 70 включ.

Стержневая горячекатаная гладкая, ГОСТ 5781-82 и ГОСТ 380-71

А-I

Ст3сп

6-40

+

+

+

+

+1

+

+

-

-

-

Ст3пс

6-40

+

+

+

-

-

+

+

-

-

-

Ст3кп

6-40

+

+

-

-

-

+

+

-

-

-

Ст3сп

6-40

+

+

+

+

+

+

+

+

+

+

Ст3пс

6-40

+

+

+

-

-

+

+

+

-

-

Ст3кп

6-40

+

+

-

-

-

+

+

-

-

-

Ст3сп

6-18

+

+

+

+

+1

+

+

+

+

+1

То же, ТУ 14-15-154-86

Ст3сп

5,5

+

+

+

+

+

+

+

+

+

+

Стержневая горячекатаная периодического профиля, ГОСТ 5781-82

А-II

Ст5сп

10-40

+

+

+

+1

+1

+

+

+1

-

-

Ст5пс

10-16

+

+

+

+1

-

+

+

+1

-

-

 

18-40

+

+

-

-

-

+

+1

-

-

-

18Г2С

40-80

+

+

+

+

+1

+

+

+

+

+1

Ас-II

10ГТ

10-32

+

+

+

+

+

+

+

+

+

+

А-III

35ГС

6-40

+

+

+

+1

-

+

+

+1

-

-

25Г2С

6-8

+

+

+

+

+

+

+

+

+

-

 

10-40

+

+

+

+

+1

+

+

+

+1

-

32Г2Рпс

6-22

+

+

+

+1

-

+

+

+1

-

-

А-IV

80С

10-18

+

+

-

-

-

+

-

-

-

-

20ХГ2Ц

10-32

+

+

+

+2

+2

+

+

+

+2

-

А-V

23Х2Г2Т

10-32

+

+

+

+

+2

+

+

+

+

+2

А-VI

20Х2Г2СР

10-22

+

+

+

+2

+2

+

+

+

+2

-

22Х2Г2ТАЮ

10-22

+

+

+

+2

+2

+

+

+

+2

-

22Х2Г2Р

10-22

+

+

+

+2

+2

+

+

+

+2

-

То же, ТУ 14-1-4235-87

22Х2Г2С

10-40

+

+

+

+2

+2

+

+

+

+2

-

Стержневая термомеханически упрочненная периодического профиля, ГОСТ 10884-81

Ат-IIIС

Ст5пс, Ст5сп, Ст5пс, Ст5сп

10-32

+

+

+

+1

-

+

+

+1

-

-

Стержневая термомеханически упрочненная периодического профиля, ГОСТ 10884-81

Ат-IV

20ГС

10-32

+

+

+

+

-

+

+

+

+

-

Aт-IVC

25Г2С

10-32

+

+

+

+2

+2

+

+

+

+2

-

28С, 35ГС

12-32

+

+

+

+

-

+

+

+

+

-

Ат-IVК

10ГС2, 08Г2С, 25С2Р

10-32

+

+

+

+

-

+

+

+

+

-

Ат-V

20ГС, 20ГС2, 10ГС2, 08Г2С, 28С, 25Г2С

10-32

+

+

+

+

-

+

+

+

+

-

25С2Р, 35ГС

18-32

Ат-VК

20ГС, 25С2Р, 35ГС

18-32

+

+

+

+

-

+

+

+

+

-

Ат-VСК

20ХГС2

10-28

+

+

+

+2

-

+

+

+

+2

-

Ат-VI

20ГС2, 20ГС, 25С2Р

10-32

+

+

+

+

-

+

+

+

+

-

Аг-VIК

20ХГС2

10-16

+

+

+

+

-

+

+

+

+

-

Ат-VII

30ХС2

10-28

+

+

+

-

-

+

+

+

-

-

Обыкновенная арматурная проволока периодического профиля, ГОСТ 6727-80

Вр-I

-

3-5

+

+

+

+

+

+

+

+

+

+

Высокопрочная арматурная проволока, ГОСТ 7348-81

В-II; Вр-II

-

3-8

+

+

+

+

+

+

+

+

+

+

Арматурные канаты, ГОСТ 13840-68

К-7

-

6-15

+

+

+

+

+

+

+

+

+

+

Арматурные канаты, ТУ 14-4-22-71

К-19

-

14

+

+

+

+

+

+

+

+

+

+

Стержневая, упрочненная вытяжкой, периодического профиля

А-IIIв

25Г2С

6-40

+

+

+

-

-

+

+

-

-

-

35ГС

6-40

+

+

-

-

-

+

-

-

-

-

_____________

1 Допускается применять только в вязаных каркасах и сетках.

2 Следует применять только в виде целых стержней мерной длины.

Примечания: 1. В таблице знак «+» означает допускается, знак «-» - не допускается.

2. Расчетная температура принимается согласно указаниям п. 1.8.

3. В данной таблице нагрузки следует относить к динамическим, если доля этих нагрузок при расчете конструкций по прочности превышает 0,1 статической нагрузки; к многократно повторяющимся нагрузкам - нагрузки, при которых коэффициент условий работы арматуры gs3 < 1,0 (см. табл. 25*).

4. Область применения горячекатаной и термомеханически упрочненной арматуры диаметров больших, чем указано в таблице, следует принимать при соответствующем обосновании аналогично установленной в настоящей таблице для арматурной стали соответствующих классов и марок.

5. Сварные соединения арматуры - согласно указаниям п. 5.32*.

(Измененная редакция. Изм. № 2).

ПРИЛОЖЕНИЕ 2
Обязательное

ОБЛАСТЬ ПРИМЕНЕНИЯ ПРОКАТА ИЗ УГЛЕРОДИСТОЙ СТАЛИ ОБЫКНОВЕННОГО КАЧЕСТВА ДЛЯ ЗАКЛАДНЫХ ДЕТАЛЕЙ

Характеристика закладных деталей

Прокат для закладных деталей конструкций, предназначенных для работы при расчетной температуре, °С

до минус 30 включ.

ниже минус 30 до минус 40 включ.

Прокат по ГОСТ 535-88

Толщина проката, мм

Прокат по ГОСТ 535-88

Толщина проката, мм

1. Рассчитываемые на усилия от нагрузок:

 

 

 

 

а) статических

Ст3кп2-1

4-30

Ст3пс5-1

4-30

б) динамических и многократно повторяющихся

Ст3пс5-1

4-10

Ст3пс5-1

4-10

Ст3сп5-1

11-30

Ст3сп5-1

11-30

2. Конструктивные (не рассчитываемые на силовые воздействия)

Ст3кп2-1

4-30

Ст3кп2-1

4-30

Примечания: 1. Расчетную температуру принимают согласно указаниям п. 1.8.

2. Для листового проката группа проката не устанавливается (Ст3кп2, Ст3пс5 к Ст3сп5).

3. Вместо указанного в таблице проката по ГОСТ 535-88 допускается применение фасонного и листового проката для строительных стальных конструкций по ГОСТ 27772-88:

С235 - вместе Ст3кп2-1,

С245 -            «        Ст3пс5-1,

С255 -            «        Ст3сп5-1.

4. При соответствующем технико-экономическом обосновании допускается применение проката из полуспокойной к спокойной стали вместо указанной в таблице соответственно кипящей и полуспокойной, а также применение проката групп II и III.

_____________

Приложения 3 и 4 исключены.

(Измененная редакция. Изм. № 2).

ПРИЛОЖЕНИЕ 5
Справочное

ОСНОВНЫЕ БУКВЕННЫЕ ОБОЗНАЧЕНИЯ

Усилия от внешних нагрузок и воздействий в поперечном сечении элемента

М - изгибающий момент;

N - продольная сила;

Q - поперечная сила;

Т - крутящий момент.

Характеристики предварительно напряженного элемента

Р - усилие предварительного обжатия, определяемое по формуле (8), с учетом потерь предварительного напряжения в арматуре, соответствующих рассматриваемой стадии работы элемента;

ssp, s¢sp - предварительные напряжения соответственно в напрягаемой арматуре S и S до обжатия бетона (при натяжении арматуры на упоры) либо в момент снижения величины предварительного напряжения в бетоне до нуля воздействием на элемент внешних фактических или условных сил, определяемые согласно указаниям пп. 1.23 и 1.28 с учетом потерь предварительного напряжения в арматуре, соответствующих рассматриваемой стадии работы элемента:

sbp -   сжимающие напряжения в бетоне в стадии предварительного обжатия, определяемые согласно указаниям пп. 1.28 и 1.29 с учетом потерь предварительного напряжения в арматуре, соответствующих рассматриваемой стадии работы элемента:

gsp -    коэффициент точности натяжения арматуры, определяемый согласно указаниям п. 1.27.

Характеристики материалов

Rb, Rb,ser -    расчетные сопротивления бетона осевому сжатию для предельных состояний соответственно первой и второй групп;

Rbt, Rbt,ser - расчетные сопротивления бетона осевому растяжению для предельных состояний соответственно первой и второй групп;

Rb,loc -     расчетное сопротивление бетона смятию, определяемое по формуле (102);

Rbp -        передаточная прочность бетона, назначаемая согласно указаниям п. 2.6*;

Rs, Rs,ser - расчетные сопротивления арматуры растяжению для предельных состояний соответственно первой и второй групп;

Rsw -       расчетное сопротивление поперечной арматуры растяжению, определяемое согласно указаниям п. 2.28*;

Rsc -        расчетное сопротивление арматуры сжатию для предельных состояний первой группы;

Eb -         начальный модуль упругости бетона при сжатии и растяжении;

Es -         модуль упругости арматуры.

Характеристики положения продольной арматуры в поперечном сечении элемента

S - обозначение продольной арматуры:

а) при наличии сжатой и растянутой от действия внешней нагрузки зон сечения - расположенной в растянутой зоне;

б) при полностью сжатом от действия внешней нагрузки сечении - расположенной у менее сжатой грани сечения;

в) при полностью растянутом от действия внешней нагрузки сечении:

для внецентренно растянутых элементов - расположенной у более растянутой грани сечения;

для центрально-растянутых элементов - всей в поперечном сечении элемента;

S¢ - обозначение продольной арматуры:

а) при наличии сжатой и растянутой от действия внешней нагрузки зон сечения - расположенной в сжатой зоне;

б) при полностью сжатом от действия внешней нагрузки сечении - расположенной у более сжатой грани сечения;

в) при полностью растянутом от действия внешней загрузки сечении внецентренно растянутых элементов - расположенной у менее растянутой грани сечения.

Геометрические характеристики

b -               ширина прямоугольного сечения; ширина ребра таврового и двутаврового сечений;

bf, b¢f -         ширина полки таврового и двутаврового сечений соответственно в растянутой и сжатой зонах;

h -               высота прямоугольного, таврового и двутаврового сечений;

hf, h¢f -         высота полки таврового и двутаврового сечений соответственно а растянутой и сжатой зонах;

а, а¢ -      расстояния от равнодействующей усилий в арматуре соответственно S и S¢ до ближайшей грани сечения;

h0, h¢0 -        рабочая высота сечения, равная соответственно h - а и h - a¢;

х -          высота сжатой зоны бетона;

x -          относительная высота сжатой зоны бетона, равная

s -           расстояние между хомутами, измеренное по длине элемента;

е0 -         эксцентриситет продольной силы N относительно центра тяжести приведенного сечения, определяемый согласно указаниям п. 1.21;

е0р -        эксцентриситет усилия предварительного обжатия Р относительно центра тяжести приведенного сечения, определяемый согласно указаниям п. 1.28;

e0,tot -       эксцентриситет равнодействующей продольной силы N и усилия предварительного обжатия Р относительно центра тяжести приведенного сечения;

е, е¢ -       расстояния от точки приложения продольной силы N до равнодействующей усилий в арматуре соответственно S и S¢;

es, esp -     расстояния соответственно от точки приложения продольной силы N и усилия предварительного обжатия Р до центра тяжести площади сечения арматуры S;

l -            пролет элемента;

l0 -           расчетная длина элемента, подвергающегося действию сжимающей продольной силы; значение l0 принимается по табл. 32 и п. 3.25;

i -            радиус инерции поперечного сечения элемента относительно центра тяжести сечения;

d -           номинальный диаметр стержней арматурной стали;

Аs, A¢s -       площади сечения ненапрягаемой и напрягаемой арматуры соответственно S и S¢; при определении усилия предварительного обжатия P - площади сечения ненапрягаемой части арматуры соответственно S и S¢;

Asp, A¢sp -     площади сечения напрягаемой части арматуры соответственно S и S¢;

Аsw -       площадь сечения хомутов, расположенных в одной нормальной к продольной оси элемента плоскости, пересекающей наклонное сечение;

As,inc -     площадь сечения отогнутых стержней, расположенных в одной наклонной к продольной оси элемента плоскости, пересекающей наклонное сечение;

m -          коэффициент армирования, определяемый как отношение площади сечения арматуры S к площади поперечного сечения элемента bh0 без учета свесов сжатых и растянутых полок;

А -          площадь всего бетона в поперечном сечении;

Аb -         площадь сечения сжатой зоны бетона;

Abt -        площадь сечения растянутой зоны бетона;

Ared -       площадь приведенного сечения элемента, определяемая согласно указаниям п. 1.28;

Аloc1 -      площадь смятия бетона;

S¢bo, Sb0 -     статические моменты площадей сечения соответственно сжатой и растянутой зон бетона относительно нулевой линии;

Ss0, S¢s0 -      статические моменты площадей сечения арматуры соответственно S и S¢ относительно нулевой линии;

I -        момент инерции сечения бетона относительно центра тяжести сечения элемента;

Ired -        момент инерции приведенного сечения элемента относительно его центра тяжести, определяемый согласно указаниям п. 1.28;

Is -          момент инерции площади сечения арматуры относительно центра тяжести сечения элемента;

Ib0 -         момент инерции площади сечения сжатой зоны бетона относительно нулевой линии;

Is0, I¢s0 -       моменты инерции площадей сечения арматуры соответственно S и S¢ относительно нулевой линии;

Wred -      момент сопротивления приведенного сечения элемента для крайнего растянутого волокна, определяемый как для упругого материала согласно указаниям п. 1.28.

СОДЕРЖАНИЕ

1. Общие указания. 2

Основные положения. 2

Основные расчетные требования. 3

Дополнительные требования к проектированию предварительно напряженных конструкций. 5

Общие положения расчета плоскостных и массивных конструкций с учетом нелинейных свойств железобетона. 12

2. Материалы для бетонных и железобетонных конструкций. 13

Бетон. 13

Нормативные и расчетные характеристики бетона. 16

Арматура. 23

Нормативные и расчетные характеристики арматуры.. 28

3. Расчет элементов бетонных и железобетонных конструкций по предельным состояниям первой группы.. 33

Расчет бетонных элементов по прочности. 33

Внецентренно сжатые элементы.. 34

Изгибаемые элементы.. 37

Расчет железобетонных элементов по прочности. 37

Расчет по прочности сечений, нормальных к продольной оси элемента. 37

Изгибаемые элементы прямоугольного, таврового, двутаврового и кольцевого сечений. 39

Внецентренно сжатые элементы прямоугольного и кольцевого сечений. 40

Центрально-растянутые элементы.. 45

Внецентренно растянутые элементы прямоугольного сечения. 45

Общий случай расчета (при любых сечениях, внешних усилиях и любом армировании) 46

Расчет по прочности сечений, наклонных к продольной оси элемента. 49

Расчет по прочности пространственных сечений (элементов, работающих на кручение с изгибом) 53

Элементы прямоугольного сечения. 53

Расчет железобетонных элементов на местное действие нагрузок. 55

Расчет на местное сжатие. 55

Расчет на продавливание. 57

Расчет на отрыв. 58

Расчет закладных деталей. 59

Расчет железобетонных элементов на выносливость. 61

4. Расчет элементов железобетонных конструкций по предельным состояниям второй группы.. 61

Расчет железобетонных элементов по образованию трещин. 61

Расчет по образованию трещин, нормальных к продольной оси элемента. 61

Расчет по образованию трещин, наклонных к продольной оси элемента. 65

Расчет железобетонных элементов по раскрытию трещин. 66

Расчет по раскрытию трещин, нормальных к продольной оси элемента. 66

Расчет по раскрытию трещин, наклонных к продольной оси элемента. 68

Расчет железобетонных элементов по закрытию трещин. 69

Расчет по закрытию трещин, нормальных к продольной оси элемента. 69

Расчет по закрытию трещин, наклонных к продольной оси элемента. 69

Расчет элементов железобетонных конструкций по деформациям.. 69

Определение кривизны железобетонных элементов на участках без трещин в растянутой зоне. 69

Определение кривизны железобетонных элементов на участках с трещинами в растянутой зоне. 71

Определение прогибов. 74

5. Конструктивные требования. 77

Минимальные размеры сечения элементов. 77

Защитный слой бетона. 78

Минимальные расстояния между стержнями арматуры.. 79

Анкеровка ненапрягаемой арматуры.. 79

Продольное армирование элементов. 81

Поперечное армирование элементов. 82

Сварные соединения арматуры и закладных деталей. 84

Стыки ненапрягаемой арматуры внахлестку (без сварки) 85

Стыки элементов сборных конструкций. 86

Отдельные конструктивные требования. 87

Дополнительные указания по конструированию предварительно напряженных железобетонных элементов. 88

6*. Указания по расчету и конструированию железобетонных конструкций при реконструкции зданий и сооружений. 89

Общие положения. 89

Поверочные расчеты.. 90

Расчет и конструирование усиливаемых конструкций. 91

Приложение 1*. Основные виды арматурной стали и область ее применения в железобетонных конструкциях (в зависимости от характера действующих нагрузок и расчетной температуры) 93

Приложение 2. Область применения проката из углеродистой стали обыкновенного качества для закладных деталей. 94

Приложение 5. Основные буквенные обозначения. 95

 




Яндекс цитирования



   Copyright © 2007-2026,  www.tehlit.ru.

[ ѓосты, стандарты, нормативы, инструкции, правила, строительные нормы ]