|
| |
Ведомственные строительные нормы
Инструкция
по расчету ливневого стока воды с малых бассейнов
ВСН 63-76
Минтрансстрой
Министерство
транспортного строительства
Москва
1976
«Инструкция по
расчету ливневого стока воды с малых бассейнов» разработана
Всесоюзным научно-исследовательским институтом транспортного строительства
Минтрансстроя в развитие «Указаний по определению расчетных гидрологических
характеристик» (СН 435-72).
С введением в действие настоящей Инструкции с 1 декабря 1976 г. утрачивает
силу «Инструкция по расчету стока с малых бассейнов» согласована с
Госстроем СССР.
|
Министерство транспортного
строительства
|
Ведомственные строительные нормы
|
ВСН 63-76 Минтрансстрой
|
|
Инструкция по расчету
ливневого стока воды с малых бассейнов
|
Взамен ВСН 63-67 Минтрансстрой СССР
|
Содержание
1.1. Требования
настоящей Инструкции должны соблюдаться при определении максимальных расходов
ливневого стока с малых бассейнов (с площадью водосборов не более 100 км2)
для проектирования водопропускных сооружений на железных и автомобильных
дорогах.
Примечания: 1.
Максимальные расходы талых вод следует рассчитывать согласно «Указаниям
по определению расчетных гидрологических характеристик».
2. Для районов с преобладанием ледникового или
селевого вида стока определение максимальных расходов должно производиться на
основании результатов натурных обследований и методов расчета, приведенных в
утвержденных нормативных документах на указанные виды стока.
|
Внесена Всесоюзным
научно-исследовательским институтом транспортного строительства
Минтрансстроя
|
Утверждена Министерством
транспортного строительства и Министерством путей сообщения
14 июля 1976 г.
|
Срок
ведения в действие -
1 декабря 1976 г.
|
При
площадях водосборов более 50 км2 следует производить проверку
расходов по натурным данным, при этом к расчету принимать наиболее достоверные
расходы.
Для водоотводов
расчет согласно настоящей Инструкции следует производить только на ливневый
сток, причем для водосборных площадей F
£ 0,2 км2 должно приниматься
постоянное значение lо=0,01 (см. п. 2.4).
Интенсивность
водоотдачи для вероятности превышения, необходимой при проектировании
водоотвода, если значения ее не указаны в таблицах приложения
1, необходимо определять интерполяцией или экстраполяцией величин,
имеющихся в этих таблицах.
При сильно
впитывающих почвах преобладающим может быть талый сток, который для водоотводов
в данном случае будет расчетным.
1.2. Определение
максимальных расходов и объемов ливневого стока (в м3) должно
производиться путем совместного решения уравнений для скоростей стекания воды по
склонам и в русловой системе и уравнения баланса объемов стока:
Wt = Wc + Wл + WQ,
где Wt - объем водоотдачи за любой отрезок времени t водоотдачи, мин;
Wс - объем воды,
аккумулировавшейся на склонах за время t;
Wл - то же в логах;
WQ - объем воды, прошедшей через
замыкающий створ.
В результате
решения указанных уравнений получают гидрограф стока (график изменения расходов
стока Qt во времени).
Максимальный
расход ливневого стока равен максимальной ординате гидрографа.
Решение
уравнений скоростей стекания воды и уравнений баланса стока следует
производить:
на ЭВМ или
ручных счетных приборах;
по номограммам,
основанным на обобщении ранее рассчитанных гидрографов.
1.3. Для районов
гидрологически малоизученных согласно требованиям п. 1.3 «Указаний
по определению расчетных гидрологических характеристик» допускается
применение местных (региональных) норм, разработанных по результатам
дополнительных исследований, выполненных для этих районов.
1.4. Для
участков дороги с однородными климатическими и морфологическими условиями
(сходные почвы, рельеф, растительность и т.д.) допускается (в качестве местных
норм) определение расходов ливневого стока по кривым зависимости модулей или
расходов от площади водосборов при соблюдении следующих условий:
при наличии
данных о 25 - 30 натурных расходах,
равномерно расположенных в расчетном диапазоне площадей, с общей суммой
годопереходов не менее 300;
если отклонения
натурных точек от принятой кривой не превосходят ± 30 ¸ 40 %.
Вероятности
превышения расходов определяют в зависимости от продолжительности периода
наблюдений, т.е. от суммы годопереходов.
На стадии
разработки технико-экономического обоснования (для местных автомобильных дорог
на всех стадиях проектирования) расходы можно определять упрощенными методами
(например, по кривой зависимости расхода или модуля от площадей водосборов).
Для построения указанных кривых согласно требованиям настоящей Инструкции
необходимо определить расходы для четырех-пяти водосборов с различными
площадями.
1.5. Для
водосборов с постоянным водостоком, меженный расход которого превышает 10 %
максимального расхода стока, к расчету должна приниматься сумма максимального и
меженного расходов. Меженный расход постоянного водотока необходимо
рассчитывать по средней скорости воды и площади живого сечения, измеренным в
натуре.
1.6. При
пересечении трассой замкнутых котловин уровень воды у земляного полотна следует
определять для максимального объема стока с вероятностью превышения, принятой в
действующих нормативных документах для проектирования мостов и труб.
1.7. Если перед
сооружением имеется транзитный участок водосбора (главный лог с отсутствием
значительного притока со склонов), необходимо учитывать трансформацию паводка
согласно требованиям приложения
2 настоящей Инструкции.
2.1.
Максимальный расход Qпр
ливневого стока воды, притекающей с бассейна к водопропускному сооружению,
следует определять по формуле
Qпр = 16,7а1jFgdбо, м3/с, (1)
где а1 - расчетная интенсивность водоотдачи,
соответствующая заданной вероятности превышения расхода и ливневому подрайону,
мм/мин (рис. 1 приложения 5)*;
__________________
*Приложение 5
содержит схему ливневого районирования и графики, необходимые для расчетов
согласно настоящей Инструкции (дается отдельным приложением).
j - коэффициент полноты стока;
F - площадь бассейна, км2;
g - коэффициент, учитывающий неравномерность
распределения осадков по площади;
dбо - коэффициент озерности и заболоченности.
2.2. Объем воды Wпр, протекающей и проходящей
через водопропускное сооружение при ливневом стоке, следует вычислять по
формуле
Wпр = 1000а1tвFg, м3, (2)
где tв - расчетное время водоотдачи, мин.
2.3.
Максимальный расход воды Qсоор,
проходящей при ливневом стоке через отверстие водопропускного сооружения, нужно
определять по формуле
, м3/с, (3)
где Wак - максимальный объем воды, аккумулирующейся перед сооружением при прохождении
рассматриваемого ливневого паводка, м3;
tп - время установления
постоянного (полного) расхода воды с бассейна, мин.
При tв < tп нужно принимать tв
= tп.
При расчете по
формуле (3) расход в сооружении не должен превышать расхода притока.
В основу формулы
(3) положена схематизация гидрографа притока, т.е. кривой Qпр =f(t) по треугольнику или трапеции.
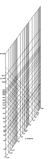
2.4.Величины а1, j и tв необходимо определять по номограммам рис. 2 и 3
приложения 5. Для этого требуется вначале вычислить безмерные характеристики (tсо - время, необходимое для
установления полного стока на склонах бассейна при интенсивности водоотдачи а1 = 0,5 мм/мин) и lо.
, (4)
где f(Iс)
- функция, полученная на основании измерений
скоростей стекания по склонам, ‰;
bc - средняя длина безрусловых
склонов водосбора, м;
mc - коэффициент гидравлической
шероховатости склонов.
Значения
величины приведены в табл. 1, величины в табл. 2 приложения 3.
, (5)
где a - среднее относительное заложение откосов
берегов главного русла;
mл - коэффициент гидравлической
шероховатости русла;
L - длина главного лога
бассейна, км;
åli - сумма длин логов промежуточной русловой
системы, км;
Iл - уклон главного лога, ‰.
Значения величин
; ; и приведены
соответственно в табл. 3, 4 и 5
приложения 3.
2.5. Значения
величин а1 и j необходимо определять в следующем порядке:
а) на номограмму
(см. рис. 2 приложения 5) наносят
точку В с координатами (ордината) и lо (абсцисса);
б) на бланк
косоугольного графика (см. рис. 3
приложения 5) накладывают прозрачную бумагу, чертят на ней ось ординат и
переносят точку А, нанесенную на бланке графика;
в) по парным
значениям а1 и tв, взятым из соответствующей
таблицы приложения 1 или рассчитанным согласно указаниям приложения 4 настоящей
Инструкции, в осях косоугольного графика строят кривую зависимости а1 = f(tв);
г) прозрачную
бумагу с перенесенной на нее осью ординат, точкой А и построенной кривой а1 = f(tв)
накладывают на номограмму (см. рис. 2
приложения 5) так, чтобы точка А совпала с точкой В, а ось ординат на
прозрачной бумаге - с направлением оси ординат
номограммы;
д) на кривой а1 = f(tв) следует
найти точку, в которой она ближе всего подходит к одной из ненадписанных
кривых, идущих на номограмме вниз слева направо; эту точку нужно обозначить С;
е) по кривым
номограммы с обозначенными значениями прочитывают значение j в точке С; при расположении
точки С между кривыми с надписанными значениями j расчетное значение j необходимо определять
интерполяцией;
ж) затем
накладывают кальку с отмеченной точкой С на бланк косоугольного графика так,
чтобы совместились ось ординат и точка А; далее в точке С по осям косоугольного
графика прочитывают значения ординат tв
и абсциссы а1, которые
следует использовать для вычисления расходов и объемов притока соответственно
по формулам (1) и (2).
2.6. Согласно
требованиям п. 2.5 настоящей Инструкции рассчитывают расход и объем стока,
соответствующие гидрографу заданной расчетной вероятности превышения с
наибольшей величиной расхода притока. Расход, соответствующий гидрографу той же
повторяемости превышения, но с наибольшим объемом стока, определяют в следующем
порядке:
а) прозрачную
бумагу с нанесенной кривой а1 =
f(tв)
(см. п. 2.5, б) накладывают на бланк косоугольного графика и определяют на этой
кривой точку Ф, в которой кривая касается прямых, проведенных на графике
наклонно слева направо пунктиром; абсцисса и ордината точки Ф на косоугольном
графике являются расчетными значениями а1
и tв для гидрографа с
наибольшим объемом стока;
б) при получении
расчетного значения j для гидрографа с наибольшим
объемом притока прозрачную бумагу с кривой а1
= f(tв) и нанесенной на ней точкой Ф накладывают на
номограмму (см. рис. 2 приложения 5)
и прочитывают в этой точке значение j.
Для вычисления
расходов и объемов притока необходимо использовать формулы (1) и (2) с
соответствующими значениями а1,
tв и j.
2.7. Гидрографы
с наибольшим ливневым расходом расчетной вероятности превышения следует
принимать треугольной формы.
Гидрографы с
наибольшим объемом ливневого стока той же вероятности превышения могут быть
приняты в виде треугольника или трапеции.
Если расчетное
время водоотдачи tв меньше
времени tп (времени
установления полного стока на бассейне) при определенной расчетной
интенсивности водоотдачи, то гидрографы следует схематизировать по
треугольнику. При tв
больше tп гидрограф нужно
схематизировать по трапеции. Для нахождения величины tп по расчетной точке С или Ф, полученным согласно
указаниям пп. 2.5 и 2.6 настоящей Инструкции, по шкале, помещенной вверху
номограммы (см. рис. 2 приложения 5),
прочитывают значение отношения . По правой вертикальной шкале той же номограммы прочитывают
значение отношения , а по вертикальной шкале косоугольного графика по расчетной
точке С или Ф на прозрачной бумаге - значение tв.
Время tп вычисляют по формуле
. (6)
2.8. При
определении расчетных данных необходимо руководствоваться следующими
указаниями:
а) Площадь
бассейна F, км2,
определяют по картам такого масштаба, при котором водосборы изображаются
площадями не менее 5 см2.
При отсутствии
таких топографических карт и планов, а также в тех случаях, когда водосборы
выражены неясно или их площади составляют менее 0,25 км2, нужно
производить съемку водосборов в натуре.
Из площадей
водосборов необходимо исключать площади значительных бессточных пространств, не
имеющих переливов при высоких паводках. Отсутствие переливов следует проверять
расчетом.
б) Длину
главного лога бассейна L, км,
определяют по картам или натурной съемкой на всем протяжении ясно заметного в
натуре или хорошо выраженного горизонталями на карте главного лога, а если это
возможно, то осмотром водосборов в натуре.
Впадины на
склонах, прилегающие к началу главного лога и имеющие уклон в два и более раз
больший, чем уклон главного лога, в длину лога включаться не должны. Если главный
лог на водосборе отсутствует, то расчет стока нужно производить, как с
односкатного водосбора, за длину главного лога которого следует принимать
направление вдоль трассы от водораздела к искусственному сооружению. В случае
расположения проектируемого сооружения в средней части односкатного водосбора
его необходимо рассматривать как два самостоятельных водосбора и расходы обеих
частей суммировать.
в) Среднюю длину
безрусловых склонов водосбора bc,
м, определяют по формуле
. (7)
Суммировать
нужно длины лишь наиболее значительных логов, ширина которых превышает 0,75
средней ширины водосбора В, км,
вычисляемой по формулам:
для двускатных
водосборов
; ( )
для односкатных
водосборов
. (8,а)
Кроме того, для
включения длины промежуточного лога в åli необходимо, чтобы fi >
0,1F,
где fi - собственная площадь водосбора с длиной лога li.
При расчете
односкатных бассейнов в формуле (7) вместо коэффициента 1,8 следует принимать
коэффициент 0,9.
Для простых (без
промежуточной русловой системы) односкатных и двускатных бассейнов при
направлении течения воды по склонам, близким к направлениям главных логов
бассейнов (например, для бассейнов, расположенных на конусах выносов), в
формулу (7) необходимо вводить множитель
.
В этом случае
значение bc в м,
вычисляемое по формуле (7), не должно приниматься более 500L, м.
При Iс ³ 75‰ в величине åli следует учитывать только те
длины промежуточных логов, для которых Iл i < 1,5Iл.
г) Уклон
главного лога Iл, ‰
определяют по картам или данным натурной съемки как средний уклон лога от его
ясно выраженного начала до проектируемого сооружения.
При Iл > 200‰
значение Iл следует
умножать на коэффициент
.
д) Средний уклон
склонов Iс, ‰
определяют по картам или планам в горизонталях по направлению наибольшего
уклона как среднеарифметическое из нескольких определений (4 ¸ 6). Более точно величину Iс вычисляют по формуле
, (9)
где D - цена делений между смежными
горизонталями, м;
åS - сумма длин всех линий горизонталей в
пределах площади бассейна, км.
е) Среднее
относительное заложение откосов берегов главного русла a следует принимать: для
горных условий - 1, средних - 2,5, равнинных - 7 и для заболоченных бассейнов - 20. Более точно величину a можно определить по
продольным профилям железных или автомобильных дорог с поправками на косину
сечений.
ж) Коэффициент
гидравлической шероховатости русла главного лога mл необходимо принимать в зависимости от вида русла:
Ровное
земляное ложе 25
Извилистое
или заросшее ложе 20
Сильно
заросшее ложе 15
Русло
в завалах, валуны 10
При отсутствии
сведений о характере лога для предварительных расчетов величину mл принимают равной 15.
з) Коэффициент
гидравлической шероховатости склонов бассейна mс для расчетов ливневого стока необходимо принимать по
таблице 1.
Таблица
1
|
Поверхность
склонов
|
mc
|
|
Травяной
покров или подлесок
|
|
весьма
редкий или отсутствует
|
обычный
|
густой
|
|
Невпитывающая поверхность
(асфальт), поверхность с многочисленной системой русел глубиной более 0,5 м
|
100
|
-
|
-
|
|
Укатанная спланированная
поверхность
|
50
|
30
|
20
|
|
Поверхность, хорошо
обработанная вспашкой и боронованием, невспаханная без кочек, булыжная
мостовая, поверхность в населенных пунктах с застройкой менее 20 %
|
30
|
20
|
10
|
|
Грубо обработанная поверхность,
глыбы после вспашки, таежные завалы, кочковатая, а также поверхность в
населенных пунктах с застройкой более 20 %
|
20
|
10
|
5
|
Характеристики,
приведенные в табл. 1, следует принимать наиболее вероятные для сезона, в
котором происходит ливневый сток.
При отсутствии
сведений о характере склонов для предварительных расчетов величина mс должна приниматься равной
5.
Для маревых
бассейнов величина mс
должна приниматься равной 5.
и) Категории
впитывания необходимо устанавливать натурным обследованием в следующем порядке.
На склонах
бассейна необходимо взять пробы почв (две-три на бассейн) весом по 400 г каждая
с глубины 0,2 ¸ 0,3 м под растительным
слоем, а при открытых грунтах - с поверхности и
лабораторным путем определить механический состав почв. По результатам этих
анализов и осмотров в натуре геологи партий должны установить виды почв,
грунтов на поверхности или покрытий.
Далее следует
вычислить процентное содержание песка во взятых образцах почв (за песок
необходимо принимать фракции размером от 2 до 0,05 мм).
Категории
впитывания плотных почв и грунтов на поверхности или покрытий необходимо
определять по их виду, неплотных почв и грунтов на поверхности по процентному
содержанию песка (таблица 2).
Таблица 2
|
Виды
плотных почв и грунтов на поверхности или покрытий
|
Содержание
песка в неплотных почвах и грунтах на поверхности, %
|
Категория
впитывания
|
|
1
|
2
|
3
|
|
Асфальт,
кровли зданий, влажная промерзшая почва, скала без трещин, бетон и т.п.
|
0
¸
2
|
I
(1 ¸
1 + 1/2)
|
|
Глины,
жирноглинистые почвы, такыры и такыровые почвы, мощеные поверхности и т.п.
|
2,1
¸
12
|
II
(1 + 1/2 ¸ II + 1/2)
|
|
Суглинки,
подзолы, подзолистые и серые лесные суглинки, тучные и суглинистые черноземы,
сероземы суглинистые и глинистые, арктические и болотные почвы и т.п.
|
12,1
¸
30
|
III
(II + 1/2 ¸ III + 1/2)
|
|
Чернозем
обычный и южный, светло-каштановые и темно-каштановые почвы, лёсс,
карбонатные почвы и т. п.
|
31
¸
62
|
IV
(III + 1/2 ¸ IV + 1/2)
|
|
Супеси,
бурые и серо-бурые пустынно-степные почвы, сероземы супесчаные и песчаные и
т.д.
|
63
¸
83
|
V
(IV + 1/2 ¸ V + 1/2)
|
|
Пески,
гравелистые и рыхлые каменистые почвы и т.п.
|
84 ¸ 100
|
VI
(V + 1/2 ¸ VI)
|
В
зависимости от процента содержания песка категорию впитывания допускается
устанавливать промежуточной между шестью целыми категориями, т.е. между
значениями, указанными в скобках и графе 3 табл. 2. В этом случае производят
линейную интерполяцию значений категорий впитывания по действительным процентам
песка в интервалах, указанных в графе 2 табл. 2.
В случае
сомнения в правильности произведенного при изысканиях определения категории
впитывания почв в районах с влажностью воздуха, резко отличающейся от влажности
воздуха в Европейской части Союза ССР, следует, если позволяют сроки окончания
изысканий, проводить опыты с искусственным дождеванием на участках с
характерными типами почв (по два раза на каждом). При проведении опытов
необходимо определять слой воды hд,
мм, впитавшейся за время tд,
мин, от начала опыта до начала стекания. Категорию впитывания следует
определять по графику, приведенному на рис.
4 приложения 5. На этом графике по оси абсцисс откладывают время дождевания
tд, мин, а по вертикали - соответствующий ему слой впитавшейся при
опыте воды hд, мм,
прочитываемый по надписанным кривым графика. По оси ординат графика
устанавливают соответствующую этому слою категорию впитывания почвы (КВ).
Если подсборный
бассейн сложен почвами, имеющими различные категории впитывания, то расчет
ливневого стока следует производить отдельно для 100%-ного покрытия площади
бассейна почвой каждой категории впитывания. К расчету принимают расходы,
средневзвешенные по проценту площадей, покрытых этими почвами.
При пользовании
табл. 2 необходимо дополнительно учитывать заболоченность бассейна,
засоленность, трещиноватость, почв и толщину растительного слоя.
Влияние
заболоченности определяют в зависимости от процента площади болот в общей
площади подсборного бассейна и высоты мохо-торфяного покрова над уровнем воды в
болоте, учитывая при этом перспективы мелиоративных работ. Если средняя
заболоченность бассейна находится в пределах, указанных в табл. 3, то категорию
впитывания следует уменьшать на единицу.
Таблица
3
|
Высота
мохо-торфяного слоя над уровнем воды, см
|
0 ¸
5
|
5 ¸
10
|
10 ¸
15
|
15 ¸
20
|
|
Заболоченность
бассейна, %
|
5 ¸
35
|
10 ¸
45
|
15 ¸
60
|
25 ¸
85
|
При
большем проценте заболоченности бассейна по сравнению с указанным в табл. 3
категорию впитывания нужно уменьшать на две единицы, но при этом она не должна
быть меньше III категории.
На водосборных
бассейнах площадью более 10 км2 при наличии заболоченности
необходимо вводить коэффициент, уменьшающий ливневый сток (см. п. 2.8, л). В этом случае уклон склонов бассейна следует
определять для незаболоченной части. Для бассейнов, сплошь заболоченных, должна
приниматься III категория впитывания.
При значительной
засоленности почв (проступание солончаковых пятен на значительной части
почвенного покрова бассейна) категорию впитывания уменьшают на единицу. При
наличии на всей поверхности постоянной трещиноватости почв категория впитывания
должна быть повышена на единицу.
Категорию
впитывания почв, определенную по табл. 2,
следует корректировать в зависимости от толщины растительного слоя (слоя почвы,
окрашенного гумусом) согласно данным табл. 4.
Таблица
4
|
Категория
впитывания под растительным слоем
|
Категория
впитывания под толщине растительного слоя, см
|
|
0 ¸ 5
|
5 ¸ 10
|
10 ¸ 15
|
15 ¸ 20
|
20
|
|
I
|
I
|
II
|
II
|
III
|
IV
|
|
II
|
II
|
II
|
III
|
III
|
IV
|
|
III
|
III
|
III
|
III
|
IV
|
IV
|
|
V
|
V
|
V
|
V
|
IV
|
IV
|
|
VI
|
VI
|
VI
|
V
|
V
|
IV
|
При определении категории
впитывания нужно использовать подробные почвенные карты. По этим картам после
нанесения на них плана дороги и контуров главных водоразделов должны быть
установлены виды наиболее распространенных почв, встречающихся в пределах всех
водосборных бассейнов дороги. Для каждого вида типичной почвы необходимо
производить от двух до трех определений категории впитывания, из которых за
расчетную следует принимать среднюю величину.
Для каждого
отдельного бассейна виды почв необходимо устанавливать по почвенной карте, а
категорию впитывания - по соответствующим средним
величинам, определенным указанными выше способами. Для предварительных расчетов
категорию впитывания можно определять по литературным источникам или почвенным
картам в зависимости от вида почв и грунтов на поверхности (см. табл. 2).
Категорию
впитывания почв, установленную по процентному содержанию песка или по виду
почвы, в районах с вечной мерзлотой следует принимать II при слое оттаивания
почвы в период ливней менее 20 см; при слое оттаивания почвы в период ливней
более 20 см I и II категории впитывания нужно оставлять без изменения, а III,
IV, V и VI (последнюю при уклонах склонов Iс
< 5 ‰)
- принимать на одну категорию ниже; VI
категория при Iс > 5 ‰
должна быть оставлена без изменения.
Расчет ливневого
стока с маревых бассейнов следует производить обычным порядком, принимая при
этом следующие категории впитывания:
III - при глубине залегания вечной мерзлоты (в
период ливней) на 1 м и ниже;
II - при глубине залегания вечной мерзлоты (в
период ливней) менее чем на 1 м.
к) Коэффициент g необходимо вводить в
формулы (1) и (2) для водосборов, у которых наибольший линейный размер D, км, превышает 5 км. Значение D определяют по карте или плану как
наибольшее расстояние между границами водосбора.
Значения g в зависимости от D для
различных районов приведены в табл. 5.
Таблица
5
|
D, км
|
Коэффициент
g
для
|
|
Дальнего
Востока, Карпат, Кавказа и Черноморского побережья Кавказа
|
Сибири,
Европейской части СССР
|
Средней
Азии, Южного Поволжья, Казахстана
|
|
1
|
2
|
3
|
4
|
|
5
|
1,00
|
0,99
|
0,97
|
|
10
|
0,98
|
0,94
|
0,82
|
|
15
|
0,92
|
0,81
|
0,54
|
|
20
|
0,84
|
0,63
|
0,36
|
|
25
|
0,74
|
0,49
|
0,28
|
|
30
|
0,64
|
0,41
|
0,24
|
Примечание.
Из Европейской части СССР (см. графу 3), следует исключать районы, указанные в
графах 2 и 4.
л) При наличии на водосборе
естественных озер, водоемов, огражденных капитальными плотинами, или
значительных заболоченных площадей в формулу (1) максимального расхода ливневого стока следует вводить
понижающий коэффициент dбо озерности и заболоченности.
При F £ 10 км2
коэффициент dбо для ближайшего значения Оз - процента озерности - определяют по табл. 6, без интерполяции. При
F ³ 20 км2
коэффициент dбо для ближайшего значения Оз
+ Б - суммарного процента озерности и
заболоченности - определяют по таблице 6 без
интерполяции.
При 10 < F < 20 км2 коэффициент dбо вычисляют по формуле
dбо = dбо(Оз %) - [dбо (Оз %) - dбо (Оз % + Б %)] , (10)
где dбо (Оз %) и dбо (Оз % + Б %) - значения коэффициентов dбо определенные по табл. 6
(первый - только по проценту
озерности, а второй - по суммарному проценту
озерности и заболоченности).
При этом расходы
с бассейнов с F > 10 км2
при учете заболоченности не должны быть менее расходов с части бассейна с F = 10 км2 без учета
заболоченности. В районах с муссонными осадками коэффициент dбо в расчеты вводиться не
должен.
Таблица
6
|
Расположение
озер и болот по длине водосбора
|
Оз
% (при F £ 10 км2)
или Оз % + Б % (при F ³
20 км2)
|
|
0
|
2
|
4
|
6
|
8
|
10
|
15
|
20
|
30
|
40
|
50
|
|
В
нижней части
|
1,0
|
0,85
|
0,75
|
0,65
|
0,55
|
0,50
|
0,40
|
0,35
|
0,20
|
0,15
|
0,10
|
|
В
верхней части
|
1,0
|
0,95
|
0,90
|
0,85
|
0,80
|
0,75
|
0,65
|
0,55
|
0,45
|
0,35
|
0,25
|
Примечания. 1.
При необходимости уточнения расчетов стока водосборов с озерностью более 10 %
следует производить индивидуальные расчеты с учетом аккумуляции воды озерами.
2. При расположении озер или болот в средней части или при их равномерном
распределении по всей площади водосбора значение dбо следует
принимать средним из двух значений по первой и второй строкам табл. 6.
м) Максимальные
объем воды Wак,
аккумулирующийся перед сооружением при прохождении рассматриваемого ливневого
паводка, следует определять по формуле
Wак
= 1000 м3,
где kо - коэффициент, зависящий от очертания зеркала
воды пруда, аккумулирующегося перед сооружением в плане, форм продольного и
поперечного профилей лога;
у - подпор воды перед
сооружением над отметкой входного лотка, м;
- продольный уклон лога перед
сооружением, ‰;
- средний поперечный уклон
берегов лога у сооружения, ‰.
Величину
коэффициента k0 следует
принимать по данным табл. 7.
Таблица
7
|
Очертание
зеркала воды пруда в плане
|
Коэффициент
kо
|
|
Продольный
профиль лога перед сооружением
|
Поперечный
профиль лога (берегов)
|
|
выпуклый
|
прямолинейный
|
вогнутый
|
|
С вогнутыми
линиями урезов воды
|
Выпуклый
|
190
|
230
|
270
|
|
Прямолинейный
|
230
|
280
|
320
|
|
Вогнутый
|
270
|
320
|
380
|
|
С
прямолинейными линиями урезов воды
|
Выпуклый
|
230
|
280
|
320
|
|
Прямолинейный
|
280
|
330
|
370
|
|
Вогнутый
|
320
|
370
|
450
|
|
С выпуклыми
линиями урезов воды
|
Выпуклый
|
270
|
320
|
380
|
|
Прямолинейный
|
320
|
370
|
450
|
|
Вогнутый
|
380
|
450
|
530
|
2.9.
Сток от весеннего дождя по промерзшей поверхности грунта возможен в южной части
территории Союза ССР в пределах полосы, ограниченной на рис. 1 приложения 5 пунктиром. Вне пределов указанной
полосы такой вид стока не является расчетным и не должен исчисляться.
Для почв с V и
VI категориями впитывания промерзание влажной почвы исключается, и для них
расчет стока по промерзшей почве производить не следует.
Расчет стока от
весеннего дождя по промерзшей почве необходимо производить так же, как и для
ливневого стока, но при I категории впитывания и уменьшенных значениях
интенсивности водоотдачи а1,
определяемых по таблицам приложения
1 настоящей Инструкции и умноженных на коэффициент b.
Коэффициент b следует определять как
отношение суточных максимумов осадков за весенние и летние месяцы с вероятностью
превышения один раз в два года. Для этого имеющиеся значения суточных
максимумов осадков (СМ) отдельно за весенний и летний периоды располагают в
порядке убывания, а затем берут те из них, которые соответствуют серединам
указанных рядов.
Коэффициенты
гидравлической шероховатости mс
и mл в расчете стока от
весеннего дождя по промерзшей почве необходимо принимать такими же, как и для
ливневого стока.
Сток по
промерзшей почве преобладает над ливневым, если значение bа1 для невпитывающей почвы
больше, чем соответствующие значения а1
для непромерзшей почвы в данном водосборе.
2.10. При
расчете стока в случаях, рассмотренных ниже, необходимо пользоваться следующими
указаниями.
а) Для учета
аккумулирующего действия водопропускного сооружения, расположенного на дороге,
пересекающей рассчитываемый водосборный бассейн выше створа проектируемого
сооружения, расход притока Q*пр2
к проектируемому сооружению следует определять по формуле
Q*пр2
= Qсоор1 ,
где Qсоор1 - расход сооружения, расположенного на
пересекающей дороге, с учетом аккумуляции воды перед этим сооружением;
Qпр2 - расход притока со всего
водосбора, исчисленный при отсутствии сооружения на пересекающей дороге;
Qпр1 - расход притока с части
водосбора до пересекающей дороги;
DQпр2 - расход притока с части бассейна,
расположенной между двумя сооружениями.
Расходы Qпр1 и Qпр2 вычисляют при времени водоотдачи tв, полученном при расчете Qпр2. Коэффициенты полноты
стока j следует определять при
соответствующих значениях l и отношении времени
водоотдачи tв к времени tc, необходимому для
установления полного стока на склонах .
Объем притока
необходимо принимать равным при Qпр2.
б) При расчете
стока с водосборного бассейна, имеющего в верховой и низовой частях резко различные
расчетные параметры (уклоны склона Ic
и лога Iл, средняя ширина
склонов, коэффициенты гидравлической шероховатости склонов mc, логов mл
и коэффициенты откосов берегов главного русла a), расход притока Q*пр2 к проектируемому
сооружению следует определять по формуле
Q*пр2
= ,
где Qпр3 - расход притока с верховой части водосбора
при действительных его расчетных параметрах;
- расход притока со всего
водосбора при расчетных параметрах для низовой части водосбора;
- то же, при расчетных
параметрах для низовой части бассейна;
DQпр3 - расход притока с низовой части бассейна при
расчетных параметрах для этой части.
Расходы Qпр3, и DQпр2 нужно определять при
времени водоотдачи tв2,
полученном при расчете .
Коэффициенты
полного стока j в этих расчетах получают
при соответствующих значениях l и отношении . Объем притока принимают равным при .
3.1. При
проектировании новых дорог вблизи существующих и длительное время
эксплуатировавшихся надлежит учитывать работу водопропускных сооружений за
период эксплуатации для уточнения норм стока.
Для дорог в
районах с преобладающим ливневым стоком и с немуссонным климатом сведения
должны быть собраны не менее чем за 40 лет эксплуатации, а для дорог в районах
с преобладающим снеговым стоком или ливневым стоком и с муссонным климатом - не менее чем за 25 лет.
Если за этот
период на существующей дороге не было случаев неудовлетворительной работы
водопропускных сооружений (подмыва, разрушения укреплений и т.п.) и на
большинстве сооружений были уровни, близкие к расчетным (т.е. нормально
напряженная работа), то при проектировании вторых путей или реконструкции
дороги разрешается принимать отверстия сооружений равными ранее существовавшим.
Если сооружения
на эксплуатировавшейся дороге работали с недостаточными запасами в размере
отверстий и высоте насыпи до бровки или со значительной избыточностью
отверстий, то при проектировании вторых путей или реконструкции дороги
необходимо производить перерасчет размеров отверстий сооружений на расходы,
определяемые по нормам стока. Если при этом результаты поверочных
гидравлических расчетов существующих отверстий будут соответствовать
результатам эксплуатации данных сооружений, то производить каких-либо
дополнительных уточнений норм не требуется.
При
несоответствии поверочных расчетов с результатами эксплуатации сооружений
должно быть произведено обследование для уточнения норм стока согласно
требованиям п. 3.2 настоящей Инструкции.
Такие же
обследования и поверочные расчеты следует производить и при уточнении норм
стока для новых дорог, проектируемых вблизи длительно эксплуатируемых, а при
отсутствии последних назначать специальные гидрологические изыскания по
определению натурных расходов.
В случае
невозможности получения сведений о работе сооружений за предыдущий период
эксплуатации и необходимости проведения поверочных расчетов отверстий
сооружений следует производить расчеты стока по СН «Указания по
определению расчетных гидрологических характеристик» и ВСН «Инструкция
по расчету ливневого стока воды с малых бассейнов».
3.2.
Обследование сооружений существующих дорог или створов водостоков в районе дорог
необходимо производить по возможности сплошное, чтобы, кроме водотоков, на
которых наблюдались исключительно высокие паводки, в обследование вошли также
водотоки и с обычными или относительно низкими паводками, наблюдавшимися за
этот же срок.
Расходы для
сооружений или створов необходимо определять:
по нормам стока
с учетом аккумуляции у сооружений;
натурные, т.е.
рассчитанные по наблюденным наивысшим уровням у сооружений или на створах на
основании формул гидравлики.
Для расчетов по
нормам стока по возможности следует уточнять категории впитывания путем
искусственного дождевания в период обычного выпадения ливневых осадков и
учитывать влияние фактической залесенности бассейнов.
Уточнение норм
стока производят введением в величины расходов поправочных коэффициентов. При
введении их достигается равенство фактического числа превышений Nф натурных расходов над
расходами, рассчитанных по исправленным нормам стока, теоретически нормальному
числу таких превышений Nт.
Для дорог в
районах с немуссонным климатом при расчете теоретических ливневых расходов с
повторяемостью один раз за Т лет
теоретическое число превышений Nт,
определяют по формуле
,
где åГП - сумма годопереходов участка обследований.
Для дорог в
районах с муссонным климатом теоретическое число превышений определяют по
формуле
,
где À - поправочный коэффициент к величине åГП учитывающий связь между
наблюденными расходами (табл. 8).
Таблица
8
|
Поправочный
коэффициент À
для ливневого стока в районах с муссонным климатом при То, лет
|
|
25
|
30
|
35
|
40
|
45
|
50
|
55
|
60
|
65
|
70
|
|
0,95
|
0,93
|
0,91
|
0,89
|
0,87
|
0,85
|
0,73
|
0,81
|
0,79
|
0,77
|
Примечание.
То - средний период наблюдения
за сооружениями или водотоками по створам.
Общая сумма
годопереходов обследуемых сооружений (или створов) должна быть не менее 300.
Площади обследуемых бассейнов должны возможно равномернее лежать в диапазоне
площадей от 0 до 100 км2.
Для ливневого
стока в районах с обычным и муссонным климатом следует вводить несколько
поправочных коэффициентов отдельно для каждой расчетной вероятности превышения Т.
Поправочные
коэффициенты к нормам стока рассчитывают в следующем порядке:
а) определяют
величину отношения наблюденных натурных
расходов Qнаб к расходам Qтак вычисленным по нормам
для повторяемости в Т лет с учетом
аккумуляции воды перед сооружениями (только на последние расходы);
б) полученные
отношения ранжируют в порядке их убывания и, начиная с наибольшего, отсчитывают
число отношений, равное числу Nт
необходимых превышений; значение отношения , соответствующее в ранжированном ряду числу Nт, равняется искомому
поправочному коэффициенту к нормам стока; при Nт < 5 следует построить график = f(N), сгладить верхнюю его часть по прямой
и определить по ней расчетную величину .
3.3. Некоторые
из приводимых в настоящей Инструкции рекомендаций (например, определение
ливневых расходов при нескольких различных категориях впитывания почв в
различных частях бассейнов, учет влияния заболоченности Б, озерности Оз), а
также нормативы на смачивание растительности, приведенные в п. 5 приложения 4 настоящей
Инструкции, соответствуют средним условиям.
Дальнейшее
уточнение этих рекомендаций для более конкретных условий требует
дополнительных, достаточно сложных исследований, учитывающих специфику местных
условий. Однако некоторая неточность осредненных рекомендаций может быть в
значительной мере устранена путем корректировки норм стока по натурным данным
согласно методике, изложенной в настоящей главе.
Таблицы интенсивности водоотдачи а1, мм/мин, за время tв, мин, для различных
периодов лет превышения Т
Ливневой подрайон 1а
|
tв
|
T
|
|
10
|
33
|
50
|
100
|
300
|
10
|
33
|
50
|
100
|
300
|
|
|
I кв
|
IV
кв
|
|
0
|
3,16
|
4,17
|
4,45
|
5,02
|
5,72
|
2,44
|
3,45
|
3,73
|
4,30
|
5,00
|
|
5
|
1,86
|
2,45
|
2,62
|
2,95
|
3,36
|
1,20
|
1,79
|
1,96
|
2,29
|
2,70
|
|
10
|
1,39
|
1,83
|
1,96
|
2,20
|
2,51
|
0,76
|
1,20
|
1,33
|
1,57
|
1,88
|
|
20
|
0,90
|
1,25
|
1,33
|
1,50
|
1,71
|
0,32
|
0,67
|
0,75
|
0,92
|
1,13
|
|
30
|
0,72
|
0,96
|
1,02
|
1,15
|
1,31
|
0,18
|
0,42
|
0,48
|
0,61
|
0,77
|
|
45
|
0,54
|
0,71
|
0,76
|
0,85
|
0,97
|
0,06
|
0,23
|
0,28
|
0,37
|
0,49
|
|
60
|
0,41
|
0,54
|
0,58
|
0,65
|
0,74
|
-
|
0,10
|
0,14
|
0,21
|
0,30
|
|
120
|
0,25
|
0,32
|
0,35
|
0,39
|
0,44
|
-
|
-
|
-
|
0,03
|
0,08
|
|
180
|
0,17
|
0,22
|
0,24
|
0,27
|
0,31
|
-
|
-
|
-
|
-
|
-
|
|
240
|
0,14
|
0,18
|
0,20
|
0,22
|
0,25
|
-
|
-
|
-
|
-
|
-
|
|
|
II
кв
|
V
кв
|
|
0
|
0,03
|
4,04
|
4,32
|
4,89
|
5,59
|
0,39
|
1,40
|
1,68
|
2,25
|
2,95
|
|
5
|
1,73
|
2,32
|
2,49
|
2,82
|
3,23
|
-
|
-
|
0,10
|
0,43
|
0,84
|
|
10
|
1,27
|
1,71
|
1,84
|
2,08
|
2,39
|
-
|
-
|
-
|
-
|
0,19
|
|
20
|
0,78
|
1,10
|
1,21
|
1,38
|
1,59
|
-
|
-
|
-
|
-
|
-
|
|
30
|
0,60
|
0,84
|
0,90
|
1,03
|
1,19
|
-
|
-
|
-
|
-
|
-
|
|
45
|
0,43
|
0,60
|
0,65
|
0,74
|
0,86
|
-
|
-
|
-
|
-
|
-
|
|
60
|
0,30
|
0,43
|
0,47
|
0,54
|
0,63
|
-
|
-
|
-
|
-
|
-
|
|
120
|
0,16
|
0,23
|
0,26
|
0,30
|
0,35
|
-
|
-
|
-
|
-
|
-
|
|
180
|
0,09
|
0,14
|
0,16
|
0,19
|
0,23
|
-
|
-
|
-
|
-
|
-
|
|
240
|
0,07
|
0,11
|
0,13
|
0,15
|
0,18
|
-
|
-
|
-
|
-
|
-
|
|
|
III
кв
|
VI
кв
|
|
0
|
2,93
|
3,94
|
4,22
|
4,79
|
5,49
|
-
|
-
|
-
|
-
|
-
|
|
5
|
1,63
|
2,22
|
2,39
|
2,72
|
3,13
|
-
|
-
|
-
|
-
|
-
|
|
10
|
1,17
|
1,61
|
1,74
|
1,98
|
2,29
|
-
|
-
|
-
|
-
|
-
|
|
20
|
0,68
|
1,03
|
1,11
|
1,28
|
1,49
|
-
|
-
|
-
|
-
|
-
|
|
30
|
0,51
|
0,75
|
0,81
|
0,94
|
1,10
|
-
|
-
|
-
|
-
|
-
|
|
45
|
0,34
|
0,51
|
0,56
|
0,65
|
0,77
|
-
|
-
|
-
|
-
|
-
|
|
60
|
0,21
|
0,34
|
0,38
|
0,45
|
0,54
|
-
|
-
|
-
|
-
|
-
|
|
120
|
0,7
|
0,14
|
0,17
|
0,21
|
0,26
|
-
|
-
|
-
|
-
|
-
|
|
180
|
–
|
0,05
|
0,07
|
0,10
|
0,14
|
-
|
-
|
-
|
-
|
-
|
|
240
|
–
|
0,02
|
0,04
|
0,06
|
0,09
|
-
|
-
|
-
|
-
|
-
|
Ливневой подрайон 1б
|
tв
|
Т
|
|
10
|
33
|
50
|
100
|
300
|
10
|
33
|
50
|
100
|
300
|
|
|
I кв
|
IV
кв
|
|
0
|
4,05
|
5,35
|
5,80
|
6,60
|
7,58
|
3,39
|
4,69
|
5,14
|
5,94
|
6,92
|
|
5
|
2,15
|
2,84
|
3,08
|
3,50
|
4,02
|
1,53
|
2,22
|
2,46
|
2,88
|
3,40
|
|
10
|
1,61
|
2,11
|
2,28
|
2,60
|
2,99
|
1,03
|
1,53
|
1,70
|
2,02
|
2,41
|
|
20
|
1,12
|
1,46
|
1,58
|
1,80
|
2,07
|
0,58
|
0,92
|
1,04
|
1,26
|
1,53
|
|
30
|
0,81
|
1,05
|
1,14
|
1,30
|
1,50
|
0,31
|
0,55
|
0,64
|
0,80
|
1,00
|
|
45
|
0,59
|
0,77
|
0,86
|
0,95
|
1,09
|
0,13
|
0,31
|
0,40
|
0,49
|
0,63
|
|
60
|
0,48
|
0,62
|
0,68
|
0,77
|
0,89
|
0,06
|
0,20
|
0,26
|
0,35
|
0,47
|
|
120
|
0,30
|
0,40
|
0,43
|
0,49
|
0,56
|
-
|
0,06
|
0,09
|
0,15
|
0,22
|
|
180
|
0,23
|
0,30
|
0,32
|
0,37
|
0,43
|
-
|
-
|
0,02
|
0,07
|
0,13
|
|
240
|
0,17
|
0,23
|
0,25
|
0,28
|
0,32
|
-
|
-
|
-
|
0,01
|
0,05
|
|
|
II
кв
|
V
кв
|
|
0
|
3,92
|
5,22
|
5,67
|
6,47
|
7,45
|
1,60
|
2,90
|
3,35
|
4,15
|
5,13
|
|
5
|
2,02
|
2,71
|
2,95
|
3,37
|
3,89
|
-
|
0,56
|
0,80
|
1,22
|
1,74
|
|
10
|
1,49
|
1,99
|
2,16
|
2,48
|
2,87
|
-
|
-
|
0,17
|
0,49
|
0,88
|
|
20
|
1,00
|
1,34
|
1,46
|
1,68
|
1,95
|
-
|
-
|
-
|
-
|
0,17
|
|
30
|
0,70
|
0,94
|
1,03
|
1,19
|
1,39
|
-
|
-
|
-
|
-
|
-
|
|
45
|
0,49
|
0,67
|
0,76
|
0,85
|
0,99
|
-
|
-
|
-
|
-
|
-
|
|
60
|
0,38
|
0,52
|
0,58
|
0,67
|
0,79
|
-
|
-
|
-
|
-
|
-
|
|
120
|
0,21
|
0,31
|
0,34
|
0,40
|
0,47
|
-
|
-
|
-
|
-
|
-
|
|
180
|
0,15
|
0,22
|
0,24
|
0,29
|
0,35
|
-
|
-
|
-
|
-
|
-
|
|
240
|
0,10
|
0,16
|
0,18
|
0,21
|
0,25
|
-
|
-
|
-
|
-
|
-
|
|
|
III
кв
|
VI
кв
|
|
0
|
3,83
|
5,13
|
5,58
|
6,38
|
7,36
|
-
|
-
|
-
|
-
|
-
|
|
5
|
1,93
|
2,62
|
2,86
|
3,28
|
3,80
|
-
|
-
|
-
|
-
|
-
|
|
10
|
1,40
|
1,90
|
2,07
|
2,89
|
2,78
|
-
|
-
|
-
|
-
|
-
|
|
20
|
0,91
|
1,25
|
1,37
|
1,59
|
1,86
|
-
|
-
|
-
|
-
|
-
|
|
30
|
0,61
|
0,85
|
0,94
|
1,10
|
1,30
|
-
|
-
|
-
|
-
|
-
|
|
45
|
0,40
|
0,58
|
0,67
|
0,76
|
0,90
|
-
|
-
|
-
|
-
|
-
|
|
60
|
0,29
|
0,43
|
0,49
|
0,58
|
0,70
|
-
|
-
|
-
|
-
|
-
|
|
120
|
0,12
|
0,23
|
0,26
|
0,32
|
0,39
|
-
|
-
|
-
|
-
|
-
|
|
180
|
0,07
|
0,14
|
0,16
|
0,21
|
0,27
|
-
|
-
|
-
|
-
|
-
|
|
240
|
0,02
|
0,08
|
0,10
|
0,18
|
0,17
|
-
|
-
|
-
|
-
|
-
|
Ливневой подрайон 1в
|
tв
|
T
|
|
10
|
33
|
50
|
100
|
300
|
10
|
33
|
50
|
100
|
300
|
|
|
I кв
|
IV
кв
|
|
0
|
4,11
|
4,97
|
5,26
|
5,57
|
6,25
|
3,45
|
4,31
|
4,60
|
4,91
|
5,59
|
|
5
|
2,51
|
3,03
|
3,21
|
3,40
|
3,81
|
1,89
|
2,41
|
2,59
|
2,78
|
3,19
|
|
10
|
1,89
|
2,30
|
2,46
|
2,70
|
3,02
|
1,31
|
1,72
|
1,88
|
2,12
|
2,44
|
|
20
|
1,33
|
1,65
|
1,68
|
1,85
|
2,07
|
0,79
|
1,11
|
1,14
|
1,31
|
1,53
|
|
30
|
0,99
|
1,21
|
1,36
|
1,50
|
1,68
|
0,49
|
0,71
|
0,86
|
1,00
|
1,18
|
|
45
|
0,74
|
0,94
|
0,96
|
1,05
|
1,18
|
0,28
|
0,48
|
0,50
|
0,59
|
0,72
|
|
60
|
0,60
|
0,76
|
0,77
|
0,85
|
0,95
|
0,18
|
0,34
|
0,35
|
0,43
|
0,63
|
|
120
|
0,38
|
0,49
|
0,50
|
0,55
|
0,62
|
0,04
|
0,15
|
0,16
|
0,21
|
0,28
|
|
180
|
0,29
|
0,38
|
0,37
|
0,41
|
0,46
|
–
|
0,06
|
0,07
|
0,11
|
0,16
|
|
240
|
0,24
|
0,31
|
0,32
|
0,35
|
0,39
|
–
|
0,04
|
0,05
|
0,08
|
0,12
|
|
|
II
кв
|
V
кв
|
|
0
|
3,98
|
4,84
|
5,13
|
5,44
|
6,12
|
1,66
|
2,52
|
2,81
|
3,12
|
3,80
|
|
5
|
2,38
|
2,90
|
3,08
|
3,27
|
3,68
|
0,23
|
0,75
|
0,93
|
1,12
|
1,53
|
|
10
|
1,77
|
2,18
|
2,34
|
2,58
|
2,90
|
–
|
0,19
|
0,35
|
0,59
|
0,91
|
|
20
|
1,21
|
1,53
|
1,56
|
1,73
|
1,95
|
–
|
–
|
–
|
–
|
0,17
|
|
30
|
0,88
|
1,10
|
1,25
|
1,39
|
1,57
|
–
|
–
|
–
|
–
|
–
|
|
45
|
0,64
|
0,84
|
0,86
|
0,95
|
1,08
|
–
|
–
|
–
|
–
|
–
|
|
60
|
0,50
|
0,66
|
0,67
|
0,75
|
0,85
|
–
|
–
|
–
|
–
|
–
|
|
120
|
0,29
|
0,40
|
0,41
|
0,46
|
0,53
|
–
|
–
|
–
|
–
|
–
|
|
180
|
0,21
|
0,28
|
0,29
|
0,33
|
0,38
|
–
|
–
|
–
|
–
|
–
|
|
240
|
0,17
|
0,24
|
0,25
|
0,28
|
0,32
|
–
|
–
|
–
|
–
|
–
|
|
|
III
кв
|
VI
кв
|
|
0
|
3,89
|
4,75
|
5,04
|
5,35
|
6,03
|
–
|
–
|
–
|
–
|
–
|
|
5
|
2,29
|
2,81
|
2,99
|
3,18
|
3,59
|
–
|
–
|
–
|
–
|
–
|
|
10
|
1,63
|
2,09
|
2,25
|
2,49
|
2,81
|
–
|
–
|
–
|
–
|
–
|
|
20
|
1,12
|
1,44
|
1,47
|
1,64
|
1,86
|
–
|
–
|
–
|
–
|
–
|
|
30
|
0,79
|
1,01
|
1,16
|
1,30
|
1,48
|
–
|
–
|
–
|
–
|
–
|
|
45
|
0,55
|
0,75
|
0,77
|
0,86
|
0,99
|
–
|
–
|
–
|
–
|
–
|
|
60
|
0,41
|
0,57
|
0,58
|
0,66
|
0,76
|
–
|
–
|
–
|
–
|
–
|
|
120
|
0,21
|
0,32
|
0,33
|
0,38
|
0,45
|
–
|
–
|
–
|
–
|
–
|
|
180
|
0,13
|
0,20
|
0,21
|
0,25
|
0,30
|
–
|
–
|
–
|
–
|
–
|
|
240
|
0,09
|
0,16
|
0,17
|
0,20
|
0,24
|
–
|
–
|
–
|
–
|
–
|
Ливневой подрайон 2a
|
tв
|
T
|
|
10
|
33
|
50
|
100
|
300
|
10
|
33
|
50
|
100
|
300
|
|
|
I кв
|
IV
кв
|
|
0
|
1,69
|
2,41
|
2,66
|
3,23
|
3,77
|
0,97
|
1,69
|
1,94
|
2,51
|
3,05
|
|
5
|
1,33
|
1,90
|
2,10
|
2,55
|
2,97
|
0,67
|
1,24
|
1,44
|
1,89
|
2,31
|
|
10
|
1,09
|
1,56
|
1,72
|
2,01
|
2,43
|
0,46
|
0,93
|
1,09
|
1,38
|
1,80
|
|
20
|
0,79
|
1,18
|
1,25
|
1,47
|
1,78
|
0,21
|
0,60
|
0,67
|
0,89
|
1,20
|
|
30
|
0,68
|
0,94
|
1,03
|
1,17
|
1,44
|
0,14
|
0,40
|
0,49
|
0,63
|
0,90
|
|
45
|
0,50
|
0,72
|
0,80
|
0,93
|
1,13
|
0,02
|
0,24
|
0,32
|
0,45
|
0,65
|
|
60
|
0,43
|
0,62
|
0,68
|
0,80
|
0,97
|
–
|
0,18
|
0,24
|
0,36
|
0,53
|
|
120
|
0,28
|
0,40
|
0,44
|
0,51
|
0,62
|
–
|
0,04
|
0,08
|
0,15
|
0,26
|
|
180
|
0,19
|
0,27
|
0,30
|
0,35
|
0,42
|
–
|
–
|
–
|
0,04
|
0,11
|
|
240
|
0,15
|
0,22
|
0,24
|
0,28
|
0,34
|
–
|
–
|
–
|
–
|
0,06
|
|
|
II
кв
|
V
кв
|
|
0
|
1,56
|
2,28
|
2,53
|
3,10
|
3,64
|
–
|
–
|
–
|
0,46
|
1,00
|
|
5
|
1,20
|
1,77
|
1,97
|
2,42
|
2,84
|
–
|
–
|
–
|
0,03
|
0,45
|
|
10
|
0,97
|
1,44
|
1,60
|
1,89
|
2,31
|
–
|
–
|
–
|
–
|
0,11
|
|
20
|
0,67
|
1,06
|
1,13
|
1,35
|
1,66
|
–
|
–
|
–
|
–
|
–
|
|
30
|
0,56
|
0,82
|
0,91
|
1,05
|
1,32
|
–
|
–
|
–
|
–
|
–
|
|
45
|
0,39
|
0,61
|
0,69
|
0,82
|
1,02
|
–
|
–
|
–
|
–
|
–
|
|
60
|
0,32
|
0,51
|
0,57
|
0,69
|
0,86
|
–
|
–
|
–
|
–
|
–
|
|
120
|
0,19
|
0,31
|
0,35
|
0,42
|
0,53
|
–
|
–
|
–
|
–
|
–
|
|
180
|
0,11
|
0,19
|
0,22
|
0,27
|
0,34
|
–
|
–
|
–
|
–
|
–
|
|
240
|
0,08
|
0,15
|
0,17
|
0,21
|
0,27
|
–
|
–
|
–
|
–
|
–
|
|
|
III
кв
|
VI
кв
|
|
0
|
1,46
|
2,18
|
2,43
|
3,00
|
3,54
|
–
|
–
|
–
|
–
|
–
|
|
5
|
1,10
|
1,67
|
1,87
|
2,32
|
2,74
|
–
|
–
|
–
|
–
|
–
|
|
10
|
0,87
|
1,34
|
1,50
|
1,79
|
2,21
|
–
|
–
|
–
|
–
|
–
|
|
20
|
0,57
|
0,96
|
1,03
|
1,25
|
1,56
|
–
|
–
|
–
|
–
|
–
|
|
30
|
0,47
|
0,73
|
0,82
|
0,96
|
1,23
|
–
|
–
|
–
|
–
|
–
|
|
45
|
0,30
|
0,52
|
0,60
|
0,73
|
0,93
|
–
|
–
|
–
|
–
|
–
|
|
60
|
0,23
|
0,42
|
0,48
|
0,60
|
0,77
|
–
|
–
|
–
|
–
|
–
|
|
120
|
0,10
|
0,22
|
0,26
|
0,33
|
0,44
|
–
|
–
|
–
|
–
|
–
|
|
180
|
0,02
|
0,10
|
0,13
|
0,18
|
0,25
|
–
|
–
|
–
|
–
|
–
|
|
240
|
–
|
0,06
|
0,08
|
0,12
|
0,18
|
–
|
–
|
–
|
–
|
–
|
Ливневой подрайон 2б
|
tв
|
T
|
|
10
|
33
|
50
|
100
|
300
|
10
|
33
|
50
|
100
|
300
|
|
|
I кв
|
IV
кв
|
|
0
|
2,62
|
3,44
|
3,60
|
4,10
|
4,62
|
1,96
|
2,78
|
2,94
|
3,44
|
3,96
|
|
5
|
2,08
|
2,73
|
2,86
|
3,25
|
3,67
|
1,46
|
2,11
|
2,24
|
2,63
|
3,05
|
|
10
|
1,73
|
2,27
|
2,33
|
2,70
|
3,05
|
1,15
|
1,69
|
1,80
|
2,12
|
2,47
|
|
20
|
1,22
|
1,60
|
1,67
|
1,90
|
2,15
|
0,68
|
1,06
|
1,13
|
1,36
|
1,61
|
|
30
|
0,99
|
1,27
|
1,39
|
1,51
|
1,75
|
0,49
|
0,77
|
0,89
|
1,01
|
1,25
|
|
45
|
0,77
|
1,01
|
1,06
|
1,20
|
1,36
|
0,31
|
0,55
|
0,60
|
0,74
|
0,90
|
|
60
|
0,63
|
0,82
|
0,83
|
1,01
|
1,06
|
0,21
|
0,40
|
0,41
|
0,59
|
0,64
|
|
120
|
0,42
|
0,55
|
0,58
|
0,66
|
0,75
|
0,08
|
0,21
|
0,24
|
0,32
|
0,41
|
|
180
|
0,34
|
0,45
|
0,47
|
0,53
|
0,60
|
0,04
|
0,15
|
0,17
|
0,23
|
0,30
|
|
240
|
0,29
|
0,39
|
0,40
|
0,46
|
0,52
|
0,02
|
0,12
|
0,13
|
0,19
|
0,25
|
|
|
II
кв
|
V
кв
|
|
0
|
2,49
|
3,31
|
3,47
|
3,97
|
4,49
|
0,17
|
0,99
|
1,15
|
1,65
|
1,79
|
|
5
|
1,95
|
2,60
|
2,73
|
3,12
|
3,54
|
–
|
0,45
|
0,58
|
0,97
|
1,39
|
|
10
|
1,61
|
2,15
|
2,26
|
2,58
|
2,93
|
–
|
0,16
|
0,27
|
0,59
|
0,94
|
|
20
|
1,10
|
1,48
|
1,55
|
1,78
|
2,03
|
–
|
–
|
–
|
–
|
0,25
|
|
30
|
0,88
|
1,16
|
1,28
|
1,40
|
1,64
|
–
|
–
|
–
|
–
|
0,05
|
|
45
|
0,67
|
0,91
|
0,96
|
1,10
|
1,26
|
–
|
–
|
–
|
–
|
–
|
|
60
|
0,53
|
0,72
|
0,73
|
0,91
|
0,96
|
–
|
–
|
–
|
–
|
–
|
|
120
|
0,33
|
0,46
|
0,49
|
0,57
|
0,66
|
–
|
–
|
–
|
–
|
–
|
|
180
|
0,26
|
0,37
|
0,39
|
0,45
|
0,52
|
–
|
–
|
–
|
–
|
–
|
|
240
|
0,22
|
0,32
|
0,33
|
0,39
|
0,45
|
–
|
–
|
–
|
–
|
–
|
|
|
III
кв
|
VI
кв
|
|
0
|
2,40
|
3,22
|
3,38
|
3,88
|
4,40
|
–
|
–
|
–
|
–
|
–
|
|
5
|
1,86
|
2,51
|
2,64
|
3,03
|
3,45
|
–
|
–
|
_
|
–
|
–
|
|
10
|
1,52
|
2,06
|
2,17
|
2,49
|
2,84
|
–
|
–
|
–
|
–
|
–
|
|
20
|
1,01
|
1,39
|
1,46
|
1,69
|
1,94
|
–
|
–
|
–
|
–
|
–
|
|
30
|
0,79
|
1,07
|
1,19
|
1,31
|
1,55
|
–
|
–
|
_
|
–
|
–
|
|
45
|
0,58
|
0,82
|
0,87
|
1,01
|
1,17
|
–
|
–
|
–
|
–
|
–
|
|
60
|
0,44
|
0,63
|
0,64
|
0,82
|
0,87
|
–
|
–
|
_
|
–
|
–
|
|
120
|
0,25
|
0,38
|
0,41
|
0,49
|
0,58
|
–
|
–
|
_
|
–
|
–
|
|
180
|
0,18
|
0,29
|
0,31
|
0,37
|
0,44
|
–
|
–
|
–
|
–
|
–
|
|
240
|
0,14
|
0,24
|
0,25
|
0,31
|
0,37
|
–
|
–
|
–
|
–
|
–
|
Ливневой подрайон 2в
|
tв
|
T
|
|
10
|
33
|
50
|
100
|
300
|
10
|
33
|
50
|
100
|
300
|
|
|
I кв
|
IV
кв
|
|
0
|
3,01
|
3,77
|
3,98
|
4,42
|
4,95
|
2,29
|
3,05
|
3,26
|
3,70
|
4,23
|
|
5
|
2,15
|
2,69
|
2,84
|
3,16
|
3,54
|
1,49
|
2,03
|
2,18
|
2,50
|
2,88
|
|
10
|
1,70
|
2,13
|
2,25
|
2,50
|
2,80
|
1,07
|
1,50
|
1,62
|
1,87
|
2,17
|
|
20
|
1,12
|
1,40
|
1,48
|
1,55
|
1,85
|
0,54
|
0,82
|
0,97
|
1,07
|
1,27
|
|
30
|
0,88
|
1,11
|
1,17
|
1,30
|
1,43
|
0,34
|
0,57
|
0,63
|
0,76
|
0,89
|
|
45
|
0,63
|
0,78
|
0,83
|
0,92
|
1,03
|
0,15
|
0,30
|
0,35
|
0,44
|
0,55
|
|
60
|
0,49
|
0,61
|
0,65
|
0,72
|
0,81
|
0,05
|
0,17
|
0,21
|
0,28
|
0,37
|
|
120
|
0,30
|
0,37
|
0,40
|
0,44
|
0,49
|
–
|
0,01
|
0,04
|
0,08
|
0,13
|
|
180
|
0,22
|
0,27
|
0,29
|
0,32
|
0,36
|
–
|
–
|
–
|
0,01
|
0,05
|
|
240
|
0,18
|
0,22
|
0,23
|
0,26
|
0,29
|
–
|
–
|
–
|
–
|
0,01
|
|
|
II
кв
|
V
кв
|
|
0
|
2,88
|
3,64
|
3,85
|
4,29
|
4,82
|
0,24
|
1,00
|
1,21
|
1,65
|
2,18
|
|
5
|
2,02
|
2,56
|
2,71
|
3,03
|
3,41
|
–
|
0,17
|
0,32
|
0,64
|
1,02
|
|
10
|
1,58
|
2,01
|
2,13
|
2,38
|
2,68
|
–
|
–
|
–
|
0,18
|
0,48
|
|
20
|
1,00
|
1,28
|
1,43
|
1,53
|
1,73
|
–
|
–
|
–
|
–
|
–
|
|
30
|
0,76
|
0,99
|
1,05
|
1,18
|
1,31
|
–
|
–
|
–
|
–
|
–
|
|
45
|
0,52
|
0,67
|
0,72
|
0,81
|
0,92
|
–
|
–
|
–
|
–
|
–
|
|
60
|
0,38
|
0,50
|
0,54
|
0,61
|
0,70
|
–
|
–
|
–
|
–
|
–
|
|
120
|
0,21
|
0,28
|
0,31
|
0,35
|
0,40
|
–
|
–
|
–
|
–
|
–
|
|
180
|
0,14
|
0,19
|
0,21
|
0,24
|
0,28
|
–
|
–
|
–
|
–
|
–
|
|
240
|
0,11
|
0,15
|
0,16
|
0,19
|
0,22
|
–
|
–
|
–
|
–
|
–
|
|
|
III
кв
|
VI
кв
|
|
0
|
2,78
|
3,54
|
3,75
|
4,19
|
4,72
|
–
|
–
|
–
|
–
|
–
|
|
5
|
1,92
|
2,46
|
2,61
|
2,93
|
3,31
|
–
|
–
|
–
|
–
|
–
|
|
10
|
1,48
|
1,91
|
2,03
|
2,28
|
2,58
|
–
|
–
|
–
|
–
|
–
|
|
20
|
0,90
|
1,18
|
1,33
|
1,43
|
1,63
|
–
|
–
|
–
|
–
|
–
|
|
30
|
0,67
|
0,90
|
0,96
|
1,09
|
1,22
|
–
|
–
|
–
|
–
|
–
|
|
45
|
0,43
|
0,58
|
0,63
|
0,72
|
0,83
|
–
|
–
|
–
|
–
|
–
|
|
60
|
0,29
|
0,41
|
0,45
|
0,52
|
0,61
|
–
|
–
|
–
|
–
|
–
|
|
120
|
0,12
|
0,19
|
0,22
|
0,26
|
0,31
|
–
|
–
|
–
|
–
|
–
|
|
180
|
0,05
|
0,10
|
0,12
|
0,15
|
0,19
|
–
|
–
|
–
|
–
|
–
|
|
240
|
0,02
|
0,06
|
0,07
|
0,10
|
0,13
|
–
|
–
|
–
|
–
|
–
|
Ливневой подрайон 2г
|
tв
|
T
|
|
10
|
33
|
50
|
100
|
300
|
10
|
33
|
50
|
100
|
300
|
|
|
I кв
|
IV
кв
|
|
0
|
3,52
|
4,64
|
5,10
|
5,66
|
6,50
|
2,80
|
3,92
|
4,38
|
4,91
|
5,78
|
|
5
|
2,42
|
3,20
|
3,51
|
3,90
|
4,48
|
1,76
|
2,54
|
2,85
|
3,24
|
3,82
|
|
10
|
1,89
|
2,50
|
2,75
|
3,05
|
3,51
|
1,26
|
1,87
|
2,12
|
2,42
|
2,88
|
|
20
|
1,40
|
1,85
|
2,03
|
2,25
|
2,59
|
0,82
|
1,27
|
1,45
|
1,67
|
2,01
|
|
30
|
1,05
|
1,40
|
1,53
|
1,70
|
1,96
|
0,51
|
0,86
|
0,99
|
1,16
|
1,42
|
|
45
|
0,81
|
1,07
|
1,17
|
1,25
|
1,46
|
0,33
|
0,59
|
0,69
|
0,77
|
0,98
|
|
60
|
0,65
|
0,84
|
0,88
|
0,98
|
1,13
|
0,21
|
0,40
|
0,44
|
0,54
|
0,69
|
|
120
|
0,37
|
0,49
|
0,54
|
0,60
|
0,69
|
0,01
|
0,13
|
0,18
|
0,24
|
0,33
|
|
180
|
0,28
|
0,37
|
0,41
|
0,45
|
0,52
|
–
|
0,06
|
0,10
|
0,14
|
0,21
|
|
240
|
0,22
|
0,29
|
0,32
|
0,35
|
0,40
|
–
|
0,01
|
0,04
|
0,07
|
0,12
|
|
|
II
кв
|
V
кв
|
|
0
|
3,39
|
4,51
|
4,97
|
5,53
|
6,37
|
0,75
|
1,87
|
2,33
|
2,89
|
3,73
|
|
5
|
2,29
|
3,07
|
3,38
|
3,77
|
4,35
|
–
|
0,68
|
0,99
|
1,38
|
1,96
|
|
10
|
1,77
|
2,38
|
2,63
|
2,93
|
3,39
|
–
|
0,18
|
0,43
|
0,73
|
1,19
|
|
20
|
1,28
|
1,73
|
1,91
|
2,13
|
2,47
|
–
|
–
|
–
|
0,17
|
0,51
|
|
30
|
0,93
|
1,28
|
1,41
|
1,58
|
1,84
|
–
|
–
|
–
|
–
|
0,12
|
|
45
|
0,70
|
0,96
|
1,06
|
1,14
|
1,35
|
–
|
–
|
–
|
–
|
–
|
|
60
|
0,54
|
0,73
|
0,77
|
0,87
|
1,02
|
–
|
–
|
–
|
–
|
–
|
|
120
|
0,28
|
0,40
|
0,45
|
0,51
|
0,60
|
–
|
–
|
–
|
–
|
–
|
|
180
|
0,20
|
0,29
|
0,33
|
0,37
|
0,44
|
–
|
–
|
–
|
–
|
–
|
|
240
|
0,15
|
0,22
|
0,25
|
0,28
|
0,33
|
–
|
–
|
–
|
–
|
–
|
|
|
III
кв
|
VI
кв
|
|
0
|
3,29
|
4,41
|
4,87
|
5,43
|
6,27
|
–
|
–
|
–
|
–
|
–
|
|
5
|
2,19
|
2,97
|
3,28
|
3,67
|
4,25
|
–
|
–
|
–
|
–
|
–
|
|
10
|
1,67
|
2,28
|
2,53
|
2,83
|
3,29
|
–
|
–
|
–
|
–
|
–
|
|
20
|
1,18
|
1,68
|
1,81
|
2,03
|
2,37
|
–
|
–
|
–
|
–
|
–
|
|
30
|
0,84
|
1,19
|
1,32
|
1,49
|
1,75
|
–
|
–
|
–
|
–
|
–
|
|
45
|
0,61
|
0,87
|
0,87
|
1,05
|
1,26
|
–
|
–
|
–
|
–
|
–
|
|
60
|
0,45
|
0,64
|
0,68
|
0,78
|
0,93
|
–
|
–
|
–
|
–
|
–
|
|
120
|
0,19
|
0,31
|
0,36
|
0,42
|
0,51
|
–
|
–
|
–
|
–
|
–
|
|
180
|
0,11
|
0,20
|
0,24
|
0,28
|
0,35
|
–
|
–
|
–
|
–
|
–
|
|
240
|
0,06
|
0,13
|
0,16
|
0,19
|
0,24
|
–
|
–
|
–
|
–
|
–
|
Ливневой подрайон 2д
|
tв
|
T
|
|
10
|
33
|
50
|
100
|
300
|
10
|
33
|
50
|
100
|
300
|
|
|
I кв
|
IV
кв
|
|
0
|
2,68
|
3,55
|
3,81
|
4,32
|
5,02
|
1,96
|
2,83
|
3,09
|
3,60
|
4,30
|
|
5
|
2,17
|
2,87
|
3,08
|
3,50
|
4,06
|
1,51
|
2,21
|
2,42
|
2,84
|
3,40
|
|
10
|
1,80
|
2,38
|
2,55
|
2,90
|
3,36
|
1,17
|
1,75
|
1,92
|
2,27
|
2,73
|
|
20
|
1,30
|
1,77
|
1,88
|
2,17
|
2,44
|
0,72
|
1,19
|
1,30
|
1,59
|
1,86
|
|
30
|
1,05
|
1,44
|
1,54
|
1,75
|
2,03
|
0,51
|
0,90
|
1,00
|
1,21
|
1,49
|
|
45
|
0,87
|
1,08
|
1,23
|
1,40
|
1,62
|
0,39
|
0,69
|
0,75
|
0,92
|
1,14
|
|
60
|
0,68
|
0,90
|
1,01
|
1,14
|
1,34
|
0,24
|
0,46
|
0,57
|
0,70
|
0,90
|
|
120
|
0,43
|
0,57
|
0,61
|
0,69
|
0,80
|
0,07
|
0,21
|
0,25
|
0,33
|
0,44
|
|
180
|
0,33
|
0,44
|
0,47
|
0,53
|
0,62
|
0,02
|
0,13
|
0,16
|
0,22
|
0,31
|
|
240
|
0,27
|
0,36
|
0,39
|
0,44
|
0,51
|
–
|
0,08
|
0,11
|
0,16
|
0,23
|
|
|
II
кв
|
V
кв
|
|
0
|
2,55
|
3,42
|
3,68
|
4,19
|
4,89
|
–
|
0,78
|
1,04
|
1,55
|
2,25
|
|
5
|
2,04
|
2,74
|
2,95
|
3,37
|
3,93
|
–
|
0,35
|
0,56
|
0,98
|
1,54
|
|
10
|
1,68
|
2,26
|
2,43
|
2,78
|
3,24
|
–
|
0,06
|
0,23
|
0,68
|
1,04
|
|
20
|
1,18
|
1,65
|
1,76
|
2,05
|
2.32
|
–
|
–
|
–
|
0,09
|
0,36
|
|
30
|
0,93
|
1,32
|
1,42
|
1,63
|
1,91
|
–
|
–
|
–
|
–
|
0,19
|
|
45
|
0,76
|
0,97
|
1,12
|
1,29
|
1,51
|
–
|
–
|
–
|
–
|
0,08
|
|
60
|
0,57
|
0,79
|
0,90
|
1,03
|
1,23
|
–
|
–
|
–
|
–
|
0,03
|
|
120
|
0,34
|
0,48
|
0,52
|
0,60
|
0,71
|
–
|
–
|
–
|
–
|
–
|
|
180
|
0,25
|
0,36
|
0,39
|
0,45
|
0,54
|
–
|
–
|
–
|
–
|
–
|
|
240
|
0,20
|
0,29
|
0,32
|
0,37
|
0,44
|
–
|
–
|
–
|
–
|
–
|
|
|
III
кв
|
VI
кв
|
|
0
|
2,45
|
3,32
|
3,58
|
4,09
|
4,79
|
–
|
–
|
–
|
–
|
–
|
|
5
|
1,94
|
2,64
|
2,85
|
3,27
|
3,83
|
–
|
–
|
–
|
–
|
–
|
|
10
|
1,58
|
2,16
|
2,33
|
2,68
|
3,14
|
–
|
–
|
–
|
–
|
–
|
|
20
|
1,08
|
1,55
|
1,66
|
1,95
|
2,22
|
–
|
–
|
–
|
–
|
–
|
|
30
|
0,84
|
1,23
|
1,33
|
1,54
|
1,82
|
–
|
–
|
–
|
–
|
–
|
|
45
|
0,67
|
0,88
|
1,03
|
1,20
|
1,42
|
–
|
–
|
–
|
–
|
–
|
|
60
|
0,48
|
0,70
|
0,81
|
0,94
|
1,14
|
–
|
–
|
–
|
–
|
–
|
|
120
|
0,25
|
0,39
|
0,43
|
0,51
|
0,62
|
–
|
–
|
–
|
–
|
–
|
|
180
|
0,16
|
0,27
|
0,30
|
0,36
|
0,45
|
–
|
–
|
–
|
–
|
–
|
|
240
|
0,11
|
0,20
|
0,23
|
0,28
|
0,35
|
–
|
–
|
–
|
–
|
–
|
Ливневой подрайон 3
|
tв
|
T
|
|
10
|
33
|
50
|
100
|
300
|
10
|
33
|
50
|
100
|
300
|
|
|
I кв
|
IV
кв
|
|
0
|
3,10
|
3,99
|
4,21
|
4,64
|
5,32
|
2,38
|
3,27
|
3,49
|
3,92
|
4,60
|
|
5
|
2,17
|
2,79
|
2,95
|
3,24
|
3,72
|
1,51
|
2,13
|
2,29
|
2,58
|
3,06
|
|
10
|
1,71
|
2,20
|
2,32
|
2,55
|
2,94
|
1,08
|
1,57
|
1,69
|
1,92
|
2,31
|
|
20
|
1,14
|
1,46
|
1,55
|
1,70
|
1,96
|
0,56
|
0,88
|
0,97
|
1,12
|
1,38
|
|
30
|
0,85
|
1,11
|
1,16
|
1,28
|
1,49
|
0,31
|
0,57
|
0,62
|
0,74
|
0,95
|
|
45
|
0,64
|
0,82
|
0,86
|
0,95
|
1,09
|
0,16
|
0,34
|
0,38
|
0,47
|
0,61
|
|
60
|
0,52
|
0,67
|
0,71
|
0,78
|
0,90
|
0,08
|
0,23
|
0,27
|
0,34
|
0,46
|
|
120
|
0,34
|
0,44
|
0,46
|
0,51
|
0,56
|
–
|
0,08
|
0,10
|
0,15
|
0,23
|
|
180
|
0,25
|
0,33
|
0,35
|
0,38
|
0,49
|
–
|
0,02
|
0,04
|
0,07
|
0,18
|
|
240
|
0,21
|
0,28
|
0,29
|
0,32
|
0,37
|
–
|
–
|
0,01
|
0,04
|
0,09
|
|
|
II
кв
|
V
кв
|
|
0
|
2,97
|
3,86
|
4,08
|
4,51
|
5,19
|
0,33
|
1,22
|
1,44
|
1,87
|
2,55
|
|
5
|
2,04
|
2,66
|
2,82
|
3,11
|
3,59
|
–
|
0,27
|
0,43
|
0,72
|
1,20
|
|
10
|
1,59
|
2,08
|
2,20
|
2,43
|
2,82
|
–
|
–
|
–
|
0,23
|
0,63
|
|
20
|
1,02
|
1,34
|
1,43
|
1,58
|
1,84
|
–
|
–
|
–
|
–
|
–
|
|
30
|
0,73
|
0,99
|
1,04
|
1,16
|
1,37
|
–
|
–
|
–
|
–
|
–
|
|
45
|
0,53
|
0,71
|
0,75
|
0,84
|
0,98
|
–
|
–
|
–
|
–
|
–
|
|
60
|
0,41
|
0,56
|
0,60
|
0,67
|
0,79
|
–
|
–
|
–
|
–
|
–
|
|
120
|
0,25
|
0,35
|
0,37
|
0,42
|
0,50
|
–
|
–
|
–
|
–
|
–
|
|
180
|
0,17
|
0,25
|
0,27
|
0,30
|
0,41
|
–
|
–
|
–
|
–
|
–
|
|
240
|
0,14
|
0,21
|
0,22
|
0,25
|
0,30
|
–
|
–
|
–
|
–
|
–
|
|
|
III
кв
|
VI
кв
|
|
0
|
2,87
|
3,76
|
3,98
|
4,41
|
5,09
|
–
|
–
|
–
|
–
|
–
|
|
5
|
1,54
|
2,56
|
2,72
|
3,01
|
3,49
|
–
|
–
|
–
|
–
|
–
|
|
10
|
1,49
|
1,98
|
2,10
|
2,33
|
2,72
|
–
|
–
|
–
|
–
|
–
|
|
20
|
0,92
|
1,24
|
1,33
|
1,48
|
1,74
|
–
|
–
|
–
|
–
|
–
|
|
30
|
0,64
|
0,90
|
0,95
|
1,07
|
1,28
|
–
|
–
|
–
|
–
|
–
|
|
45
|
0,44
|
0,62
|
0,66
|
0,75
|
0,89
|
–
|
–
|
–
|
–
|
–
|
|
60
|
0,32
|
0,47
|
0,51
|
0,58
|
0,70
|
–
|
–
|
–
|
–
|
–
|
|
120
|
0,16
|
0,26
|
0,28
|
0,33
|
0,41
|
–
|
–
|
–
|
–
|
–
|
|
180
|
0,08
|
0,16
|
0,18
|
0,21
|
0,32
|
–
|
–
|
–
|
–
|
–
|
|
240
|
0,05
|
0,12
|
0,13
|
0,16
|
0,21
|
–
|
–
|
–
|
–
|
–
|
Ливневой подрайон 4
|
tв
|
T
|
|
10
|
33
|
50
|
100
|
300
|
10
|
33
|
50
|
100
|
300
|
|
|
I кв
|
IV
кв
|
|
0
|
3,48
|
4,45
|
4,82
|
5,36
|
6,15
|
2,82
|
3,79
|
4,16
|
4,70
|
5,49
|
|
5
|
1,88
|
2,41
|
2,61
|
2,90
|
3,33
|
1,26
|
1,79
|
1,99
|
2,28
|
2,71
|
|
10
|
1,40
|
1,78
|
1,94
|
2,15
|
2,45
|
0,82
|
1,20
|
1,36
|
1,57
|
1,87
|
|
20
|
0,96
|
1,23
|
1,33
|
1,48
|
1,70
|
0,42
|
0,69
|
0,79
|
0,94
|
1,16
|
|
30
|
0,72
|
0,91
|
0,99
|
1,10
|
1,26
|
0,22
|
0,41
|
0,49
|
0,60
|
0,76
|
|
45
|
0,52
|
0,66
|
0,72
|
0,80
|
0,92
|
0,06
|
0,20
|
0,26
|
0,34
|
0,46
|
|
60
|
0,41
|
0,52
|
0,57
|
0,63
|
0,72
|
–
|
0,10
|
0,15
|
0,21
|
0,30
|
|
120
|
0,27
|
0,35
|
0,38
|
0,42
|
0,48
|
–
|
0,01
|
0,04
|
0,08
|
0,14
|
|
180
|
0,21
|
0,27
|
0,29
|
0,32
|
0,37
|
–
|
–
|
–
|
0,02
|
0,07
|
|
240
|
0,18
|
0,22
|
0,24
|
0,27
|
0,31
|
–
|
–
|
–
|
–
|
0,04
|
|
|
II
кв
|
V
кв
|
|
0
|
3,85
|
4,32
|
4,69
|
5,23
|
6,02
|
1,03
|
2,00
|
2,37
|
2,91
|
3,70
|
|
5
|
1,75
|
2,28
|
2,48
|
2,77
|
3,20
|
–
|
0,13
|
0,33
|
0,62
|
1,05
|
|
10
|
1,28
|
1,66
|
1,82
|
2,03
|
2,33
|
–
|
–
|
–
|
0,04
|
0,34
|
|
20
|
0,84
|
1,11
|
1,21
|
1,36
|
1,58
|
–
|
–
|
–
|
–
|
–
|
|
30
|
0,61
|
0,80
|
0,83
|
0,99
|
1,15
|
–
|
–
|
–
|
–
|
–
|
|
45
|
0,42
|
0,56
|
0,62
|
0,70
|
0,82
|
–
|
–
|
–
|
–
|
–
|
|
60
|
0,31
|
0,42
|
0,47
|
0,53
|
0,62
|
–
|
–
|
–
|
–
|
–
|
|
120
|
0,18
|
0,26
|
0,29
|
0,33
|
0,39
|
–
|
–
|
–
|
–
|
–
|
|
180
|
0,13
|
0,19
|
0,21
|
0,24
|
0,29
|
–
|
–
|
–
|
–
|
–
|
|
240
|
0,11
|
0,15
|
0,17
|
0,20
|
0,24
|
–
|
–
|
–
|
–
|
–
|
|
|
III
кв
|
VI
кв
|
|
0
|
3,26
|
4,23
|
4,60
|
5,14
|
5,93
|
–
|
–
|
–
|
–
|
–
|
|
5
|
1,66
|
2,19
|
2,39
|
2,68
|
3,11
|
–
|
–
|
–
|
–
|
–
|
|
10
|
1,19
|
1,57
|
1,73
|
1,94
|
2,24
|
–
|
–
|
–
|
–
|
–
|
|
20
|
0,75
|
1,02
|
1,12
|
1,27
|
1,49
|
–
|
–
|
–
|
–
|
–
|
|
30
|
0,52
|
0,71
|
0,79
|
0,90
|
1,06
|
–
|
–
|
–
|
–
|
–
|
|
45
|
0,33
|
0,47
|
0,53
|
0,61
|
0,73
|
–
|
–
|
–
|
–
|
–
|
|
60
|
0,22
|
0,33
|
0,38
|
0,44
|
0,53
|
–
|
–
|
–
|
–
|
–
|
|
120
|
0,10
|
0,18
|
0,21
|
0,25
|
0,31
|
–
|
–
|
–
|
–
|
–
|
|
180
|
0,05
|
0,11
|
0,13
|
0,16
|
0,21
|
–
|
–
|
–
|
–
|
–
|
|
240
|
0,03
|
0,07
|
0,09
|
0,12
|
0,16
|
–
|
–
|
–
|
–
|
–
|
Ливневой подрайон 5a
|
tв
|
T
|
|
10
|
33
|
50
|
100
|
300
|
10
|
33
|
50
|
100
|
300
|
|
|
I кв
|
IV
кв
|
|
0
|
2,93
|
3,77
|
4,03
|
4,43
|
5,05
|
2,21
|
3,05
|
3,31
|
3,71
|
4,33
|
|
5
|
1,89
|
2,43
|
2,60
|
2,86
|
3,26
|
1,23
|
1,77
|
1,94
|
2,20
|
2,60
|
|
10
|
1,45
|
1,91
|
2,00
|
2,20
|
2,51
|
0,82
|
1,28
|
1,37
|
1,57
|
1,88
|
|
20
|
1,06
|
1,36
|
1,46
|
1,58
|
1,78
|
0,48
|
0,78
|
0,88
|
1,00
|
1,20
|
|
30
|
0,79
|
1,02
|
1,09
|
1,20
|
1,37
|
0,25
|
0,48
|
0,55
|
0,66
|
0,83
|
|
45
|
0,57
|
0,73
|
0,78
|
0,86
|
0,98
|
0,09
|
0,25
|
0,30
|
0,38
|
0,50
|
|
60
|
0,44
|
0,57
|
0,61
|
0,67
|
0,76
|
–
|
0,13
|
0,17
|
0,23
|
0,32
|
|
120
|
0,24
|
0,31
|
0,34
|
0,37
|
0,42
|
–
|
–
|
–
|
0,01
|
0,06
|
|
180
|
0,17
|
0,22
|
0,24
|
0,26
|
0,30
|
–
|
–
|
–
|
–
|
–
|
|
240
|
0,14
|
0,19
|
0,20
|
0,22
|
0,25
|
–
|
–
|
–
|
–
|
–
|
|
|
II
кв
|
V
кв
|
|
0
|
2,80
|
3,64
|
3,90
|
4,30
|
4,92
|
0,16
|
1,00
|
1,26
|
1,66
|
2,28
|
|
5
|
1,76
|
2,30
|
2,47
|
2,73
|
3,13
|
–
|
–
|
0,08
|
0,34
|
0,74
|
|
10
|
1,33
|
1,79
|
1,88
|
2,08
|
2,39
|
–
|
–
|
–
|
–
|
0,19
|
|
20
|
0,94
|
1,24
|
1,34
|
1,48
|
1,66
|
–
|
–
|
–
|
–
|
–
|
|
30
|
0,67
|
0,90
|
0,97
|
1,08
|
1,25
|
–
|
–
|
–
|
–
|
–
|
|
45
|
0,46
|
0,62
|
0,67
|
0,75
|
0,87
|
–
|
–
|
–
|
–
|
–
|
|
60
|
0,33
|
0,46
|
0,50
|
0,56
|
0,65
|
–
|
–
|
–
|
–
|
–
|
|
120
|
0,15
|
0,22
|
0,25
|
0,28
|
0,33
|
–
|
–
|
–
|
–
|
–
|
|
180
|
0,09
|
0,14
|
0,16
|
0,18
|
0,22
|
–
|
–
|
–
|
–
|
–
|
|
240
|
0,07
|
0,12
|
0,13
|
0,15
|
0,18
|
–
|
–
|
–
|
–
|
–
|
|
|
III
кв
|
VI
кв
|
|
0
|
2,70
|
3,54
|
3,80
|
4,20
|
4,82
|
–
|
–
|
–
|
–
|
–
|
|
5
|
1,66
|
2,20
|
2,37
|
2,63
|
3,03
|
–
|
–
|
–
|
–
|
–
|
|
10
|
1,23
|
1,69
|
1,78
|
1,98
|
2,29
|
–
|
–
|
–
|
–
|
–
|
|
20
|
0,84
|
1,14
|
1,24
|
1,38
|
1,56
|
–
|
–
|
–
|
–
|
–
|
|
30
|
0,58
|
0,81
|
0,88
|
0,99
|
1,16
|
–
|
–
|
–
|
–
|
–
|
|
45
|
0,37
|
0,53
|
0,58
|
0,66
|
0,78
|
–
|
–
|
–
|
–
|
–
|
|
60
|
0,24
|
0,37
|
0,41
|
0,47
|
0,56
|
–
|
–
|
–
|
–
|
–
|
|
120
|
0,06
|
0,13
|
0,16
|
0,19
|
0,24
|
–
|
–
|
–
|
–
|
–
|
|
180
|
–
|
0,05
|
0,07
|
0,09
|
0,13
|
–
|
–
|
–
|
–
|
–
|
|
240
|
–
|
0,03
|
0,04
|
0,06
|
0,09
|
–
|
–
|
–
|
–
|
–
|
Ливневой подрайон 5б
|
tв
|
T
|
|
10
|
33
|
50
|
100
|
300
|
10
|
33
|
50
|
100
|
300
|
|
|
I кв
|
IV
кв
|
|
0
|
2,87
|
3,66
|
3,88
|
4,35
|
4,88
|
2,15
|
2,94
|
3,16
|
3,63
|
4,16
|
|
5
|
1,91
|
2,44
|
2,58
|
2,90
|
3,25
|
1,25
|
1,78
|
1,92
|
2,24
|
2,59
|
|
10
|
1,48
|
1,89
|
2,00
|
2,25
|
2,52
|
0,85
|
1,26
|
1,37
|
1,62
|
1,89
|
|
20
|
0,99
|
1,26
|
1,34
|
1,50
|
1,68
|
0,41
|
0,68
|
0,76
|
0,92
|
1,10
|
|
30
|
0,76
|
0,92
|
0,98
|
1,10
|
1,23
|
0,22
|
0,38
|
0,44
|
0,56
|
0,69
|
|
45
|
0,56
|
0,67
|
0,76
|
0,85
|
0,89
|
0,08
|
0,19
|
0,28
|
0,37
|
0,41
|
|
60
|
0,44
|
0,55
|
0,59
|
0,66
|
0,74
|
–
|
0,11
|
0,15
|
0,22
|
0,30
|
|
120
|
0,28
|
0,35
|
0,37
|
0,42
|
0,47
|
–
|
–
|
0,01
|
0,06
|
0,11
|
|
180
|
0,21
|
0,27
|
0,28
|
0,32
|
0,36
|
–
|
–
|
–
|
0,01
|
0,05
|
|
240
|
0,18
|
0,23
|
0,24
|
0,27
|
0,30
|
–
|
–
|
–
|
–
|
0,02
|
|
|
II
кв
|
V
кв
|
|
0
|
2,74
|
3,53
|
3,75
|
4,22
|
4,75
|
0,10
|
0,89
|
1,11
|
1,58
|
2,11
|
|
5
|
1,78
|
2,31
|
2,45
|
2,77
|
3,12
|
–
|
–
|
0,06
|
0,38
|
0,73
|
|
10
|
1,36
|
1,77
|
1,88
|
2,13
|
2,40
|
–
|
–
|
–
|
–
|
0,20
|
|
20
|
0,87
|
1,14
|
1,22
|
1,38
|
1,56
|
–
|
–
|
–
|
–
|
–
|
|
30
|
0,64
|
0,80
|
0,86
|
0,98
|
1,11
|
–
|
–
|
–
|
–
|
–
|
|
45
|
0,45
|
0,56
|
0,65
|
0,74
|
0,78
|
–
|
–
|
–
|
–
|
–
|
|
60
|
0,33
|
0,44
|
0,48
|
0,55
|
0,63
|
–
|
–
|
–
|
–
|
–
|
|
120
|
0,19
|
0,26
|
0,28
|
0,33
|
0,38
|
–
|
–
|
–
|
–
|
–
|
|
180
|
0,13
|
0,19
|
0,20
|
0,24
|
0,28
|
–
|
–
|
–
|
–
|
–
|
|
240
|
0,11
|
0,16
|
0,17
|
0,20
|
0,23
|
–
|
–
|
–
|
–
|
–
|
|
|
III
кв
|
VI
кв
|
|
0
|
2,64
|
3,43
|
3,65
|
4,12
|
4,65
|
–
|
–
|
–
|
–
|
–
|
|
5
|
1,68
|
2,21
|
2,35
|
2,67
|
3,02
|
–
|
–
|
–
|
–
|
–
|
|
10
|
1,26
|
1,67
|
1,78
|
2,03
|
2,30
|
–
|
–
|
–
|
–
|
–
|
|
20
|
0,77
|
1,04
|
1,12
|
1,28
|
1,46
|
–
|
–
|
–
|
–
|
–
|
|
30
|
0,55
|
0,71
|
0,77
|
0,89
|
1,02
|
–
|
–
|
–
|
–
|
–
|
|
45
|
0,36
|
0,41
|
0,56
|
0,65
|
0,69
|
–
|
–
|
–
|
–
|
–
|
|
60
|
0,24
|
0,35
|
0,39
|
0,46
|
0,54
|
–
|
–
|
–
|
–
|
–
|
|
120
|
0,10
|
0,17
|
0,19
|
0,24
|
0,29
|
–
|
–
|
–
|
–
|
–
|
|
180
|
0,04
|
0,10
|
0,11
|
0,15
|
0,19
|
–
|
–
|
–
|
–
|
–
|
|
240
|
0,02
|
0,07
|
0,08
|
0,11
|
0,14
|
–
|
–
|
–
|
–
|
–
|
Ливневой подрайон 6a
|
tв
|
T
|
|
10
|
33
|
50
|
100
|
300
|
10
|
33
|
50
|
100
|
300
|
|
|
I кв
|
IV
кв
|
|
0
|
1,96
|
2,61
|
2,79
|
3,17
|
3,69
|
1,30
|
1,95
|
2,13
|
2,51
|
3,03
|
|
5
|
1,08
|
1,44
|
1,54
|
1,75
|
2,04
|
0,46
|
0,82
|
0,92
|
1,13
|
1,42
|
|
10
|
0,81
|
1,07
|
1,15
|
1,30
|
1,52
|
0,23
|
0,49
|
0,57
|
0,72
|
0,94
|
|
20
|
0,52
|
0,69
|
0,74
|
0,84
|
0,98
|
–
|
0,15
|
0,20
|
0,30
|
0,44
|
|
30
|
0,40
|
0,53
|
0,57
|
0,65
|
0,76
|
–
|
0,03
|
0,07
|
0,15
|
0,26
|
|
45
|
0,38
|
0,43
|
0,46
|
0,52
|
0,61
|
–
|
–
|
–
|
0,06
|
0,15
|
|
60
|
0,27
|
0,35
|
0,38
|
0,43
|
0,50
|
–
|
–
|
–
|
0,01
|
0,08
|
|
120
|
0,18
|
0,24
|
0,26
|
0,29
|
0,34
|
–
|
–
|
–
|
–
|
–
|
|
180
|
0,16
|
0,20
|
0,22
|
0,25
|
0,29
|
–
|
–
|
–
|
–
|
–
|
|
240
|
0,14
|
0,18
|
0,19
|
0,22
|
0,26
|
–
|
–
|
–
|
–
|
–
|
|
|
II
кв
|
V
кв
|
|
0
|
1,83
|
2,48
|
2,66
|
3,04
|
3,56
|
0,01
|
0,16
|
0,34
|
0,72
|
1,24
|
|
5
|
0,95
|
1,31
|
1,41
|
1,62
|
1,91
|
–
|
–
|
–
|
–
|
–
|
|
10
|
0,69
|
0,95
|
1,03
|
1,18
|
1,40
|
–
|
–
|
–
|
–
|
–
|
|
20
|
0,40
|
0,57
|
0,62
|
0,72
|
0,86
|
–
|
–
|
–
|
–
|
–
|
|
30
|
0,29
|
0,42
|
0,46
|
0,54
|
0,65
|
–
|
–
|
–
|
–
|
–
|
|
45
|
0,22
|
0,33
|
0,36
|
0,42
|
0,51
|
–
|
–
|
–
|
–
|
–
|
|
60
|
0,17
|
0,25
|
0,28
|
0,33
|
0,40
|
–
|
–
|
–
|
–
|
–
|
|
120
|
0,09
|
0,15
|
0,17
|
0,20
|
0,25
|
–
|
–
|
–
|
–
|
–
|
|
180
|
0,08
|
0,12
|
0,14
|
0,17
|
0,21
|
–
|
–
|
–
|
–
|
–
|
|
240
|
0,07
|
0,11
|
0,12
|
0,15
|
0,19
|
–
|
–
|
–
|
–
|
–
|
|
|
III
кв
|
VI
кв
|
|
0
|
1,74
|
2,39
|
2,57
|
2,95
|
3,47
|
–
|
–
|
–
|
–
|
–
|
|
5
|
0,86
|
1,22
|
1,32
|
1,53
|
1,82
|
–
|
–
|
–
|
–
|
–
|
|
10
|
0,60
|
0,86
|
0,94
|
1,09
|
1,31
|
–
|
–
|
–
|
–
|
–
|
|
20
|
0,31
|
0,48
|
0,53
|
0,63
|
0,77
|
–
|
–
|
–
|
–
|
–
|
|
30
|
0,20
|
0,33
|
0,37
|
0,45
|
0,56
|
–
|
–
|
–
|
–
|
–
|
|
45
|
0,13
|
0,24
|
0,27
|
0,33
|
0,42
|
–
|
–
|
–
|
–
|
–
|
|
60
|
0,08
|
0,16
|
0,19
|
0,24
|
0,31
|
–
|
–
|
–
|
–
|
–
|
|
120
|
0,01
|
0,07
|
0,09
|
0,12
|
0,17
|
–
|
–
|
–
|
–
|
–
|
|
180
|
–
|
0,04
|
0,06
|
0,09
|
0,13
|
–
|
–
|
–
|
–
|
–
|
|
240
|
–
|
0,03
|
0,04
|
0,07
|
0,11
|
–
|
–
|
–
|
–
|
–
|
Ливневой подрайон 6б
|
tв
|
T
|
|
10
|
33
|
50
|
100
|
300
|
10
|
33
|
50
|
100
|
300
|
|
|
I кв
|
IV
кв
|
|
0
|
0,92
|
1,57
|
1,84
|
2,30
|
2,93
|
0,20
|
0,85
|
1,12
|
1,58
|
2,21
|
|
5
|
0,68
|
1,15
|
1,35
|
1,69
|
2,15
|
0,02
|
0,49
|
0,69
|
1,03
|
1,49
|
|
10
|
0,55
|
0,92
|
1,08
|
1,42
|
1,80
|
–
|
0,29
|
0,45
|
0,79
|
1,17
|
|
20
|
0,42
|
0,69
|
0,81
|
1,07
|
1,36
|
–
|
0,11
|
0,23
|
0,49
|
0,78
|
|
30
|
0,33
|
0,56
|
0,66
|
0,87
|
1,13
|
–
|
0,02
|
0,12
|
0,33
|
0,59
|
|
45
|
0,26
|
0,44
|
0,52
|
0,69
|
0,90
|
–
|
–
|
0,04
|
0,21
|
0,42
|
|
60
|
0,22
|
0,30
|
0,43
|
0,58
|
0,74
|
–
|
–
|
–
|
0,14
|
0,30
|
|
120
|
0,13
|
0,22
|
0,26
|
0,35
|
0,45
|
–
|
–
|
–
|
–
|
0,09
|
|
180
|
0,09
|
0,15
|
0,18
|
0,25
|
0,32
|
–
|
–
|
–
|
–
|
0,01
|
|
240
|
0,07
|
0,12
|
0,14
|
0,20
|
0,25
|
–
|
–
|
–
|
–
|
–
|
|
|
II
кв
|
V
кв
|
|
0
|
0,79
|
1,44
|
1,71
|
2,17
|
2,80
|
–
|
–
|
–
|
–
|
0,16
|
|
5
|
0,55
|
1,02
|
1,22
|
1,56
|
2,02
|
–
|
–
|
–
|
–
|
–
|
|
10
|
0,43
|
0,80
|
0,96
|
1,30
|
1,68
|
–
|
–
|
–
|
–
|
–
|
|
20
|
0,30
|
0,57
|
0,69
|
0,95
|
1,24
|
–
|
–
|
–
|
–
|
–
|
|
30
|
0,21
|
0,44
|
0,54
|
0,75
|
1,01
|
–
|
–
|
–
|
–
|
–
|
|
45
|
0,15
|
0,33
|
0,41
|
0,58
|
0,79
|
–
|
–
|
–
|
–
|
–
|
|
60
|
0,11
|
0,19
|
0,32
|
0,47
|
0,63
|
–
|
–
|
–
|
–
|
–
|
|
120
|
0,04
|
0,13
|
0,17
|
0,26
|
0,36
|
–
|
–
|
–
|
–
|
–
|
|
180
|
0,01
|
0,07
|
0,10
|
0,17
|
0,24
|
–
|
–
|
–
|
–
|
–
|
|
240
|
–
|
0,05
|
0,07
|
0,13
|
0,18
|
–
|
–
|
–
|
–
|
–
|
|
|
III
кв
|
VI
кв
|
|
0
|
0,69
|
1,34
|
1,61
|
2,07
|
2,70
|
–
|
–
|
–
|
–
|
–
|
|
5
|
0,45
|
0,92
|
1,12
|
1,46
|
1,92
|
–
|
–
|
–
|
–
|
–
|
|
10
|
0,33
|
0,70
|
0,86
|
1,20
|
1,58
|
–
|
–
|
–
|
–
|
–
|
|
20
|
0,20
|
0,47
|
0,59
|
0,85
|
1,14
|
–
|
–
|
–
|
–
|
–
|
|
30
|
0,12
|
0,35
|
0,45
|
0,66
|
0,92
|
–
|
–
|
–
|
–
|
–
|
|
45
|
0,06
|
0,24
|
0,32
|
0,49
|
0,80
|
–
|
–
|
–
|
–
|
–
|
|
60
|
0,02
|
0,10
|
0,23
|
0,38
|
0,54
|
–
|
–
|
–
|
–
|
–
|
|
120
|
–
|
0,04
|
0,08
|
0,17
|
0,27
|
–
|
–
|
–
|
–
|
–
|
|
180
|
–
|
–
|
0,01
|
0,08
|
0,15
|
–
|
–
|
–
|
–
|
–
|
|
240
|
–
|
–
|
–
|
0,04
|
0,09
|
–
|
–
|
–
|
–
|
–
|
Ливневой подрайон 6в
|
tв
|
T
|
|
10
|
33
|
50
|
100
|
300
|
10
|
33
|
50
|
100
|
300
|
|
|
I кв
|
IV
кв
|
|
0
|
3,05
|
3,96
|
4,35
|
4,84
|
5,55
|
2,33
|
3,24
|
3,63
|
4,12
|
4,83
|
|
5
|
1,64
|
2,13
|
2,34
|
2,60
|
2,99
|
0,98
|
1,47
|
1,68
|
1,94
|
2,33
|
|
10
|
1,20
|
1,56
|
1,71
|
1,90
|
2,18
|
0,57
|
0,93
|
1,08
|
1,27
|
1,55
|
|
20
|
0,76
|
0,98
|
1,08
|
1,20
|
1,38
|
0,18
|
0,40
|
0,50
|
0,62
|
0,80
|
|
30
|
0,58
|
0,75
|
0,83
|
0,92
|
1,04
|
0,04
|
0,21
|
0,29
|
0,38
|
0,50
|
|
45
|
0,43
|
0,56
|
0,61
|
0,68
|
0,78
|
–
|
0,08
|
0,13
|
0,20
|
0,30
|
|
60
|
0,35
|
0,46
|
0,50
|
0,56
|
0,64
|
–
|
0,02
|
0,06
|
0,12
|
0,20
|
|
120
|
0,23
|
0,30
|
0,32
|
0,36
|
0,41
|
–
|
–
|
–
|
–
|
0,05
|
|
180
|
0,18
|
0,23
|
0,25
|
0,28
|
0,32
|
–
|
–
|
–
|
–
|
0,01
|
|
240
|
0,14
|
0,19
|
0,21
|
0,23
|
0,26
|
–
|
–
|
–
|
–
|
–
|
|
|
II
кв
|
V
кв
|
|
0
|
2,92
|
3,83
|
4,22
|
4,71
|
5,42
|
0,28
|
1,19
|
1,58
|
2,07
|
2,78
|
|
5
|
1,51
|
2,00
|
2,21
|
2,47
|
2,86
|
–
|
–
|
–
|
0,08
|
0,47
|
|
10
|
1,08
|
1,44
|
1,59
|
1,78
|
2,06
|
–
|
–
|
–
|
–
|
–
|
|
20
|
0,64
|
0,86
|
0,96
|
1,08
|
1,26
|
–
|
–
|
–
|
–
|
–
|
|
30
|
0,46
|
0,63
|
0,71
|
0,80
|
0,92
|
–
|
–
|
–
|
–
|
–
|
|
45
|
0,32
|
0,45
|
0,50
|
0,57
|
0,67
|
–
|
–
|
–
|
–
|
–
|
|
60
|
0,24
|
0,35
|
0,39
|
0,45
|
0,53
|
–
|
–
|
–
|
–
|
–
|
|
120
|
0,14
|
0,21
|
0,23
|
0,27
|
0,32
|
–
|
–
|
–
|
–
|
–
|
|
180
|
0,10
|
0,15
|
0,17
|
0,20
|
0,24
|
–
|
–
|
–
|
–
|
–
|
|
240
|
0,07
|
0,12
|
0,14
|
0,16
|
0,19
|
–
|
–
|
–
|
–
|
–
|
|
|
III
кв
|
VI
кв
|
|
0
|
2,82
|
3,73
|
4,12
|
4,61
|
5,32
|
–
|
–
|
–
|
–
|
–
|
|
5
|
1,41
|
1,90
|
2,11
|
2,37
|
2,76
|
–
|
–
|
–
|
–
|
–
|
|
10
|
0,98
|
1,34
|
1,49
|
1,68
|
1,96
|
–
|
–
|
–
|
–
|
–
|
|
20
|
0,54
|
0,76
|
0,86
|
0,98
|
1,16
|
–
|
–
|
–
|
–
|
–
|
|
30
|
0,37
|
0,54
|
0,62
|
0,71
|
0,83
|
–
|
–
|
–
|
–
|
–
|
|
45
|
0,23
|
0,36
|
0,41
|
0,48
|
0,58
|
–
|
–
|
–
|
–
|
–
|
|
60
|
0,15
|
0,26
|
0,30
|
0,36
|
0,44
|
–
|
–
|
–
|
–
|
–
|
|
120
|
0,05
|
0,12
|
0,14
|
0,18
|
0,23
|
–
|
–
|
–
|
–
|
–
|
|
180
|
0,01
|
0,06
|
0,08
|
0,11
|
0,15
|
–
|
–
|
–
|
–
|
–
|
|
240
|
–
|
0,03
|
0,05
|
0,07
|
0,10
|
–
|
–
|
–
|
–
|
–
|
Ливневой подрайон 6г
|
tв
|
T
|
|
10
|
33
|
50
|
100
|
300
|
10
|
33
|
50
|
100
|
300
|
|
|
I кв
|
IV
кв
|
|
0
|
2,48
|
3,44
|
3,65
|
4,19
|
4,95
|
1,76
|
2,72
|
2,93
|
3,47
|
4,23
|
|
5
|
1,50
|
2,08
|
2,21
|
2,54
|
3,00
|
0,84
|
1,42
|
1,55
|
1,88
|
2,34
|
|
10
|
1,13
|
1,58
|
1,67
|
1,92
|
2,27
|
0,50
|
0,95
|
1,04
|
1,29
|
1,64
|
|
20
|
0,80
|
1,06
|
1,17
|
1,35
|
1,59
|
0,22
|
0,48
|
0,59
|
0,77
|
1,01
|
|
30
|
0,58
|
0,81
|
0,86
|
0,99
|
1,17
|
0,04
|
0,27
|
0,32
|
0,45
|
0,63
|
|
45
|
0,45
|
0,63
|
0,67
|
0,77
|
0,86
|
–
|
0,15
|
0,19
|
0,29
|
0,38
|
|
60
|
0,36
|
0,50
|
0,53
|
0,61
|
0,72
|
–
|
0,06
|
0,09
|
0,17
|
0,28
|
|
120
|
0,23
|
0,32
|
0,34
|
0,39
|
0,46
|
–
|
–
|
–
|
0,03
|
0,10
|
|
180
|
0,18
|
0,25
|
0,26
|
0,30
|
0,34
|
–
|
–
|
–
|
–
|
0,03
|
|
240
|
0,15
|
0,20
|
0,22
|
0,25
|
0,30
|
–
|
–
|
–
|
–
|
0,02
|
|
|
II
кв
|
V
кв
|
|
0
|
2,35
|
3,31
|
3,52
|
4,06
|
4,82
|
–
|
0,67
|
0,88
|
1,42
|
2,18
|
|
5
|
1,37
|
1,95
|
2,08
|
2,41
|
2,87
|
–
|
–
|
–
|
0,02
|
0,48
|
|
10
|
1,01
|
1,46
|
1,55
|
1,80
|
2,15
|
–
|
–
|
–
|
–
|
–
|
|
20
|
0,68
|
0,94
|
1,05
|
1,23
|
1,47
|
–
|
–
|
–
|
–
|
–
|
|
30
|
0,46
|
0,69
|
0,74
|
0,87
|
1,05
|
–
|
–
|
–
|
–
|
–
|
|
45
|
0,34
|
0,52
|
0,56
|
0,66
|
0,75
|
–
|
–
|
–
|
–
|
–
|
|
60
|
0,25
|
0,39
|
0,42
|
0,50
|
0,61
|
–
|
–
|
–
|
–
|
–
|
|
120
|
0,14
|
0,23
|
0,25
|
0,30
|
0,37
|
–
|
–
|
–
|
–
|
–
|
|
180
|
0,10
|
0,17
|
0,18
|
0,22
|
0,26
|
–
|
–
|
–
|
–
|
–
|
|
240
|
0,08
|
0,13
|
0,15
|
0,18
|
0,23
|
–
|
–
|
–
|
–
|
–
|
|
|
III
кв
|
VI
кв
|
|
0
|
2,25
|
3,21
|
3,42
|
3.96
|
4,72
|
–
|
–
|
–
|
–
|
–
|
|
5
|
1,27
|
1,85
|
1,98
|
2,31
|
2,77
|
–
|
–
|
–
|
–
|
–
|
|
10
|
0,91
|
1,36
|
1,45
|
1,70
|
2,05
|
–
|
–
|
–
|
–
|
–
|
|
20
|
0,58
|
0,84
|
0,96
|
1,13
|
1,37
|
–
|
–
|
–
|
–
|
–
|
|
30
|
0,37
|
0,60
|
0,65
|
0,78
|
0,96
|
–
|
–
|
–
|
–
|
–
|
|
45
|
0,25
|
0,43
|
0,47
|
0,57
|
0,66
|
–
|
–
|
–
|
–
|
–
|
|
60
|
0,16
|
0,30
|
0,33
|
0,41
|
0,52
|
–
|
–
|
–
|
–
|
–
|
|
120
|
0,05
|
0,14
|
0,16
|
0,21
|
0,28
|
–
|
–
|
–
|
–
|
–
|
|
180
|
0,01
|
0,08
|
0,09
|
0,13
|
0,17
|
–
|
–
|
–
|
–
|
–
|
|
240
|
–
|
0,04
|
0,06
|
0,09
|
0,14
|
–
|
–
|
–
|
–
|
–
|
Ливневой подрайон 6д
|
tв
|
T
|
|
10
|
33
|
50
|
100
|
300
|
10
|
33
|
50
|
100
|
300
|
|
|
I кв
|
IV
кв
|
|
0
|
2,82
|
3,48
|
3,68
|
4,04
|
4,52
|
2,10
|
2,76
|
2,96
|
3,32
|
3,80
|
|
5
|
1,75
|
2,15
|
2,28
|
2,50
|
2,80
|
1,09
|
1,49
|
1,62
|
1,84
|
2,14
|
|
10
|
1,33
|
1,64
|
1,73
|
1,90
|
2,13
|
0,70
|
1,01
|
1,10
|
1,27
|
1,50
|
|
20
|
0,84
|
1,03
|
1,09
|
1,20
|
1,34
|
0,26
|
0,45
|
0,51
|
0,62
|
0,76
|
|
30
|
0,66
|
0,81
|
0,86
|
0,94
|
1,03
|
0,12
|
0,27
|
0,32
|
0,40
|
0,49
|
|
45
|
0,48
|
0,59
|
0,63
|
0,69
|
0,80
|
–
|
0,11
|
0,15
|
0,21
|
0,32
|
|
60
|
0,40
|
0,49
|
0,52
|
0,57
|
0,64
|
–
|
0,05
|
0,08
|
0,13
|
0,30
|
|
120
|
0,24
|
0,29
|
0,31
|
0,34
|
0,38
|
–
|
–
|
–
|
–
|
0,02
|
|
180
|
0,17
|
0,21
|
0,22
|
0,24
|
0,27
|
–
|
–
|
–
|
–
|
–
|
|
240
|
0,13
|
0,16
|
0,17
|
0,19
|
0,21
|
–
|
–
|
–
|
–
|
–
|
|
|
II
кв
|
V
кв
|
|
0
|
2,69
|
3,35
|
3,55
|
3,91
|
4,39
|
0,05
|
0,71
|
0,91
|
1,27
|
1,75
|
|
5
|
1,62
|
2,02
|
2,15
|
2,37
|
2,67
|
–
|
–
|
–
|
–
|
–
|
|
10
|
1,21
|
1,52
|
1,61
|
1,78
|
2,01
|
–
|
–
|
–
|
–
|
–
|
|
20
|
0,72
|
0,91
|
0,97
|
1,08
|
1,22
|
–
|
–
|
–
|
–
|
–
|
|
30
|
0,54
|
0,69
|
0,74
|
0,82
|
0,91
|
–
|
–
|
–
|
–
|
–
|
|
45
|
0,37
|
0,48
|
0,52
|
0,58
|
0,69
|
–
|
–
|
–
|
–
|
–
|
|
60
|
0,29
|
0,38
|
0,41
|
0,46
|
0,53
|
–
|
–
|
–
|
–
|
–
|
|
120
|
0,15
|
0,20
|
0,22
|
0,25
|
0,29
|
–
|
–
|
–
|
–
|
–
|
|
180
|
0,09
|
0,13
|
0,14
|
0,16
|
0,19
|
–
|
–
|
–
|
–
|
–
|
|
240
|
0,06
|
0,09
|
0,10
|
0,12
|
0,14
|
–
|
–
|
–
|
–
|
–
|
|
|
III
кв
|
VI
кв
|
|
0
|
2,59
|
3,25
|
3,45
|
3,81
|
4,29
|
–
|
–
|
–
|
–
|
–
|
|
5
|
1,52
|
1,92
|
2,05
|
2,27
|
2,57
|
–
|
–
|
–
|
–
|
–
|
|
10
|
1,11
|
1,42
|
1,51
|
1,68
|
1,91
|
–
|
–
|
–
|
–
|
–
|
|
20
|
0,62
|
0,81
|
0,87
|
0,98
|
1,12
|
–
|
–
|
–
|
–
|
–
|
|
30
|
0,45
|
0,60
|
0,65
|
0,73
|
0,82
|
–
|
–
|
–
|
–
|
–
|
|
45
|
0,28
|
0,39
|
0,43
|
0,49
|
0,60
|
–
|
–
|
–
|
–
|
_
|
|
60
|
0,20
|
0,29
|
0,32
|
0,37
|
0,44
|
–
|
–
|
–
|
–
|
–
|
|
120
|
0,06
|
0,11
|
0,13
|
0,16
|
0,20
|
–
|
–
|
–
|
–
|
–
|
|
180
|
–
|
0,04
|
0,05
|
0,07
|
0,10
|
–
|
–
|
–
|
–
|
–
|
|
240
|
–
|
–
|
0,01
|
0,03
|
0,05
|
–
|
–
|
–
|
–
|
–
|
Ливневой подрайон 6e
|
tв
|
T
|
|
10
|
33
|
50
|
100
|
300
|
10
|
33
|
50
|
100
|
300
|
|
|
I кв
|
IV
кв
|
|
0
|
2,21
|
2,62
|
2,74
|
2,98
|
3,31
|
1,49
|
1,90
|
2,02
|
2,26
|
2,59
|
|
5
|
1,48
|
1,76
|
1,84
|
2,00
|
2,22
|
0,82
|
1,10
|
1,18
|
1,34
|
1,56
|
|
10
|
1,15
|
1,36
|
1,43
|
1,55
|
1,72
|
0,52
|
0,73
|
0,80
|
0,92
|
1,09
|
|
20
|
0,74
|
0,88
|
0,92
|
1,00
|
1,11
|
0,16
|
0,30
|
0,34
|
0,42
|
0,53
|
|
30
|
0,59
|
0,70
|
0,74
|
0,80
|
0,89
|
0,05
|
0,16
|
0,20
|
0,26
|
0,35
|
|
45
|
0,44
|
0,53
|
0,55
|
0,60
|
0,67
|
–
|
0,05
|
0,07
|
0,12
|
0,19
|
|
60
|
0,37
|
0,44
|
0,46
|
0,50
|
0,56
|
–
|
–
|
0,02
|
0,06
|
0,12
|
|
120
|
0,21
|
0,26
|
0,27
|
0,29
|
0,32
|
–
|
–
|
–
|
–
|
–
|
|
180
|
0,16
|
0,19
|
0,20
|
0,22
|
0,24
|
–
|
–
|
–
|
–
|
–
|
|
240
|
0,13
|
0,15
|
0,16
|
0,17
|
0,19
|
–
|
–
|
–
|
–
|
–
|
|
|
II
кв
|
V
кв
|
|
0
|
2,08
|
2,49
|
2,61
|
2,85
|
3,18
|
–
|
–
|
–
|
0,21
|
0,54
|
|
5
|
1,35
|
1,63
|
1,71
|
1,87
|
2,09
|
–
|
–
|
–
|
–
|
–
|
|
10
|
1,03
|
1,24
|
1,31
|
1,43
|
1,60
|
–
|
–
|
–
|
–
|
–
|
|
20
|
0,62
|
0,76
|
0,80
|
0,88
|
0,99
|
–
|
–
|
–
|
–
|
–
|
|
30
|
0,47
|
0,58
|
0,62
|
0,68
|
0,77
|
–
|
–
|
–
|
–
|
–
|
|
45
|
0,33
|
0,42
|
0,44
|
0,49
|
0,56
|
–
|
–
|
–
|
–
|
–
|
|
60
|
0,26
|
0,33
|
0,35
|
0,39
|
0,45
|
–
|
–
|
–
|
–
|
–
|
|
120
|
0,12
|
0,17
|
0,18
|
0,20
|
0,23
|
–
|
–
|
–
|
–
|
–
|
|
180
|
0,08
|
0,11
|
0,12
|
0,14
|
0,16
|
–
|
–
|
–
|
–
|
–
|
|
240
|
0,06
|
0,08
|
0,09
|
0,10
|
0,12
|
–
|
–
|
–
|
–
|
–
|
|
|
III
кв
|
VI
кв
|
|
0
|
1,98
|
2,39
|
2,51
|
2,75
|
3,08
|
–
|
–
|
–
|
–
|
–
|
|
5
|
1,25
|
1,53
|
1,61
|
1,77
|
1,99
|
–
|
–
|
–
|
–
|
–
|
|
10
|
0,93
|
1,14
|
1,21
|
1,33
|
1,50
|
–
|
–
|
–
|
–
|
–
|
|
20
|
0,52
|
0,66
|
0,70
|
0,78
|
0,89
|
–
|
–
|
–
|
–
|
_
|
|
30
|
0,38
|
0,49
|
0,53
|
0,59
|
0,68
|
–
|
–
|
–
|
–
|
–
|
|
45
|
0,24
|
0,33
|
0,35
|
0,40
|
0,47
|
–
|
–
|
–
|
–
|
–
|
|
60
|
0,17
|
0,24
|
0,26
|
0,30
|
0,36
|
–
|
–
|
–
|
–
|
–
|
|
120
|
0,03
|
0,08
|
0,09
|
0,11
|
0,14
|
–
|
–
|
–
|
–
|
–
|
|
180
|
–
|
0,02
|
0,03
|
0,05
|
0,07
|
–
|
–
|
–
|
–
|
–
|
|
240
|
–
|
–
|
–
|
0,01
|
0,03
|
–
|
–
|
–
|
–
|
–
|
Ливневой подрайон 7а
|
tв
|
T
|
|
10
|
33
|
50
|
100
|
300
|
10
|
33
|
50
|
100
|
300
|
|
|
I кв
|
IV
кв
|
|
0
|
1,89
|
2,55
|
2,74
|
3,13
|
3,76
|
1,17
|
1,83
|
2,02
|
2,41
|
3,04
|
|
5
|
1,78
|
2,41
|
2,59
|
2,95
|
3,55
|
1,12
|
1,75
|
1,93
|
2,29
|
2,89
|
|
10
|
1,57
|
2,13
|
2,34
|
2,61
|
3,14
|
0,94
|
1,50
|
1,71
|
1,98
|
2,51
|
|
20
|
1,30
|
1,76
|
1,89
|
2,16
|
2,56
|
0,72
|
1,18
|
1,31
|
1,58
|
1,98
|
|
30
|
1,07
|
1,45
|
1,63
|
1,77
|
2,15
|
0,53
|
0,91
|
1,09
|
1,23
|
1,61
|
|
45
|
0,86
|
1,15
|
1,28
|
1,43
|
1,72
|
0,38
|
0,67
|
0,80
|
0,95
|
1,24
|
|
60
|
0,74
|
0,94
|
1,08
|
1,23
|
1,48
|
0,30
|
0,50
|
0,64
|
0,79
|
1,04
|
|
120
|
0,48
|
0,65
|
0,70
|
0,79
|
0,95
|
0,12
|
0,29
|
0,34
|
0,43
|
0,59
|
|
180
|
0,36
|
0,48
|
0,52
|
0,59
|
0,71
|
0,05
|
0,17
|
0,21
|
0,28
|
0,40
|
|
240
|
0,29
|
0,39
|
0,42
|
0,48
|
0,58
|
0,01
|
0,11
|
0,14
|
0,20
|
0,30
|
|
|
II
кв
|
V
кв
|
|
0
|
1,76
|
2,42
|
2,61
|
3,00
|
3,63
|
–
|
–
|
–
|
0,36
|
0,99
|
|
5
|
1,65
|
2,28
|
2,46
|
2,82
|
3,42
|
–
|
–
|
0,07
|
0,43
|
1,03
|
|
10
|
1,45
|
2,01
|
2,22
|
2,49
|
3,02
|
–
|
–
|
0,02
|
0,29
|
0,82
|
|
20
|
1,18
|
1,64
|
1,77
|
2,04
|
2,44
|
–
|
–
|
–
|
0,08
|
0,48
|
|
30
|
0,95
|
1,33
|
1,51
|
1,65
|
2,03
|
–
|
–
|
–
|
–
|
0,31
|
|
45
|
0,75
|
1,04
|
1,17
|
1,32
|
1,61
|
–
|
–
|
–
|
–
|
0,18
|
|
60
|
0,63
|
0,83
|
0,97
|
1,12
|
1,37
|
–
|
–
|
–
|
–
|
0,16
|
|
120
|
0,39
|
0,56
|
0,61
|
0,70
|
0,86
|
–
|
–
|
–
|
–
|
0,08
|
|
180
|
0,28
|
0,40
|
0,44
|
0,51
|
0,63
|
–
|
–
|
–
|
–
|
0,08
|
|
240
|
0,22
|
0,32
|
0,35
|
0,41
|
0,51
|
–
|
–
|
–
|
–
|
0,04
|
|
|
III
кв
|
VI
кв
|
|
0
|
1,66
|
2,32
|
2,51
|
2,90
|
3,53
|
–
|
–
|
–
|
–
|
–
|
|
5
|
1,55
|
2,18
|
2,36
|
2,72
|
3,32
|
–
|
–
|
–
|
–
|
–
|
|
10
|
1,35
|
1,91
|
2,12
|
2,39
|
2,92
|
–
|
–
|
–
|
–
|
–
|
|
20
|
1,08
|
1,54
|
1,67
|
1,94
|
2,34
|
–
|
–
|
–
|
–
|
–
|
|
30
|
0,86
|
1,24
|
1,42
|
1,56
|
1,94
|
–
|
–
|
–
|
–
|
–
|
|
45
|
0,66
|
0,95
|
1,08
|
1,23
|
1,52
|
–
|
–
|
–
|
–
|
–
|
|
60
|
0,54
|
0,74
|
0,88
|
1,03
|
1,28
|
–
|
–
|
–
|
–
|
–
|
|
120
|
0,30
|
0,47
|
0,52
|
0,61
|
0,77
|
–
|
–
|
–
|
–
|
–
|
|
180
|
0,19
|
0,31
|
0,35
|
0,42
|
0,54
|
–
|
–
|
–
|
–
|
–
|
|
240
|
0,13
|
0,23
|
0,26
|
0,32
|
0,42
|
–
|
–
|
–
|
–
|
–
|
Ливневой подрайон 7б
|
tв
|
T
|
|
10
|
33
|
50
|
100
|
300
|
10
|
33
|
50
|
100
|
300
|
|
|
I кв
|
IV
кв
|
|
0
|
3,08
|
3,73
|
3,94
|
4,29
|
4,86
|
2,42
|
3,07
|
3,28
|
3,68
|
4,20
|
|
5
|
2,28
|
2,76
|
2,92
|
3,18
|
3,60
|
1,66
|
2,14
|
2,30
|
2,56
|
2,98
|
|
10
|
1,86
|
2,26
|
2,37
|
2,59
|
2,92
|
1,28
|
1,68
|
1,79
|
2,01
|
2,34
|
|
20
|
1,33
|
1,64
|
1,74
|
1,89
|
2,12
|
0,79
|
1,10
|
1,20
|
1,35
|
1,58
|
|
30
|
1,00
|
1,20
|
1,28
|
1,39
|
1,57
|
0,50
|
0,70
|
0,78
|
0,86
|
1,07
|
|
45
|
0,75
|
0,90
|
0,96
|
1,06
|
1,18
|
0,29
|
0,44
|
0,50
|
0,60
|
0,72
|
|
60
|
0,63
|
0,76
|
0,80
|
0,83
|
0,98
|
0,21
|
0,34
|
0,38
|
0,41
|
0,56
|
|
120
|
0,38
|
0,46
|
0,49
|
0,53
|
0,60
|
0,04
|
0,12
|
0,15
|
0,19
|
0,26
|
|
180
|
0,28
|
0,34
|
0,36
|
0,39
|
0,44
|
–
|
0,04
|
0,06
|
0,09
|
0,14
|
|
240
|
0,22
|
0,27
|
0,29
|
0,31
|
0,35
|
–
|
–
|
0,02
|
0,04
|
0,08
|
|
|
II
кв
|
V
кв
|
|
0
|
2,95
|
3,60
|
3,81
|
4,16
|
4,73
|
0,63
|
1,28
|
1,49
|
1,84
|
2,41
|
|
5
|
2,15
|
2,63
|
2,79
|
3,05
|
3,47
|
–
|
0,48
|
0,64
|
0,90
|
1,32
|
|
10
|
1,74
|
2,14
|
2,25
|
2,47
|
2,80
|
–
|
0,15
|
0,26
|
0,48
|
0,81
|
|
20
|
1,21
|
1,52
|
1,62
|
1,77
|
2,00
|
–
|
–
|
–
|
–
|
0,22
|
|
30
|
0,89
|
1,09
|
1,17
|
1,28
|
1,46
|
–
|
–
|
–
|
–
|
–
|
|
45
|
0,65
|
0,80
|
0,86
|
0,96
|
1,08
|
–
|
–
|
–
|
–
|
–
|
|
60
|
0,53
|
0,66
|
0,70
|
0,73
|
0,88
|
–
|
–
|
–
|
–
|
–
|
|
120
|
0,29
|
0,37
|
0,40
|
0,44
|
0,51
|
–
|
–
|
–
|
–
|
–
|
|
180
|
0,20
|
0,26
|
0,28
|
0,31
|
0,36
|
–
|
–
|
–
|
–
|
–
|
|
240
|
0,15
|
0,20
|
0,22
|
0,24
|
0,28
|
–
|
–
|
–
|
–
|
–
|
|
|
III
кв
|
VI
кв
|
|
0
|
2,86
|
3,51
|
3,72
|
4,07
|
4,64
|
–
|
–
|
–
|
–
|
–
|
|
5
|
2,06
|
2,54
|
2,70
|
2,96
|
3,38
|
–
|
–
|
–
|
–
|
–
|
|
10
|
1,65
|
2,05
|
2,16
|
2,38
|
2,71
|
–
|
–
|
–
|
–
|
–
|
|
20
|
1,12
|
1,43
|
1,53
|
1,68
|
1,91
|
–
|
–
|
–
|
–
|
–
|
|
30
|
0,80
|
1,00
|
1,08
|
1,19
|
1,37
|
–
|
–
|
–
|
–
|
–
|
|
45
|
0,56
|
0,71
|
0,77
|
0,87
|
0,99
|
–
|
–
|
–
|
–
|
–
|
|
60
|
0,44
|
0,57
|
0,61
|
0,64
|
0,79
|
–
|
–
|
–
|
–
|
–
|
|
120
|
0,21
|
0,29
|
0,32
|
0,36
|
0,43
|
–
|
–
|
–
|
–
|
–
|
|
180
|
0,12
|
0,18
|
0,20
|
0,23
|
0,28
|
–
|
–
|
–
|
–
|
–
|
|
240
|
0,07
|
0,12
|
0,14
|
0,16
|
0,20
|
–
|
–
|
–
|
–
|
–
|
Ливневой подрайон 8а
|
tв
|
T
|
|
10
|
33
|
50
|
100
|
300
|
10
|
33
|
50
|
100
|
300
|
|
|
I кв
|
IV
кв
|
|
0
|
3,38
|
4,35
|
4,63
|
4,99
|
5,79
|
2,72
|
3,69
|
3,97
|
4,33
|
5,10
|
|
5
|
1,90
|
2,44
|
2,60
|
2,80
|
3,25
|
1,28
|
1,82
|
1,98
|
2,18
|
2,63
|
|
10
|
1,43
|
1,83
|
1,95
|
2,10
|
2,44
|
0,85
|
1,25
|
1,37
|
1,52
|
1,86
|
|
20
|
0,95
|
1,22
|
1,30
|
1,40
|
1,62
|
0,41
|
0,68
|
0,76
|
0,86
|
1,08
|
|
30
|
0,71
|
0,91
|
0,98
|
1,05
|
1,22
|
0,21
|
0,41
|
0,48
|
0,55
|
0,72
|
|
45
|
0,54
|
0,70
|
0,74
|
0,76
|
0,93
|
0,08
|
0,24
|
0,28
|
0,30
|
0,47
|
|
60
|
0,42
|
0,54
|
0,58
|
0,62
|
0,77
|
–
|
0,12
|
0,16
|
0,20
|
0,35
|
|
120
|
0,27
|
0,35
|
0,37
|
0,40
|
0,46
|
–
|
0,01
|
0,03
|
0,06
|
0,12
|
|
180
|
0,21
|
0,27
|
0,29
|
0,31
|
0,36
|
–
|
–
|
–
|
0,01
|
0,06
|
|
240
|
0,18
|
0,23
|
0,24
|
0,26
|
0,30
|
–
|
–
|
–
|
–
|
0,03
|
|
|
II
кв
|
V
кв
|
|
0
|
3,25
|
4,22
|
4,50
|
4,86
|
5,63
|
0,93
|
1,90
|
2,18
|
2,54
|
3,31
|
|
5
|
1,77
|
2,31
|
2,47
|
2,67
|
3,12
|
–
|
0,16
|
0,32
|
0,52
|
0,97
|
|
10
|
1,31
|
1,71
|
1,83
|
1,98
|
2,32
|
–
|
–
|
–
|
–
|
0,33
|
|
20
|
0,83
|
1,10
|
1,18
|
1,28
|
1,50
|
–
|
–
|
–
|
–
|
–
|
|
30
|
0,60
|
0,80
|
0,87
|
0,94
|
1,11
|
–
|
–
|
–
|
–
|
–
|
|
45
|
0,44
|
0,60
|
0,64
|
0,66
|
0,83
|
–
|
–
|
–
|
–
|
–
|
|
60
|
0,32
|
0,44
|
0,48
|
0,52
|
0,67
|
–
|
–
|
–
|
–
|
–
|
|
120
|
0,18
|
0,26
|
0,28
|
0,31
|
0,37
|
–
|
–
|
–
|
–
|
–
|
|
180
|
0,13
|
0,19
|
0,21
|
0,23
|
0,28
|
–
|
–
|
–
|
–
|
–
|
|
240
|
0,11
|
0,16
|
0,17
|
0,19
|
0,23
|
–
|
–
|
–
|
–
|
–
|
|
|
III
кв
|
VI
кв
|
|
0
|
3,16
|
4,13
|
4,41
|
4,77
|
5,54
|
–
|
–
|
–
|
–
|
–
|
|
5
|
1,68
|
2,22
|
2,38
|
2,58
|
3,03
|
–
|
–
|
–
|
–
|
–
|
|
10
|
1,22
|
1,62
|
1,74
|
1,89
|
2,23
|
–
|
–
|
–
|
–
|
–
|
|
20
|
0,74
|
1,01
|
1,09
|
1,19
|
1,41
|
–
|
–
|
–
|
–
|
–
|
|
30
|
0,51
|
0,71
|
0,78
|
0,85
|
1,02
|
–
|
–
|
–
|
–
|
–
|
|
45
|
0,35
|
0,51
|
0,55
|
0,57
|
0,74
|
–
|
–
|
–
|
–
|
–
|
|
60
|
0,23
|
0,35
|
0,39
|
0,43
|
0,58
|
–
|
–
|
–
|
–
|
–
|
|
120
|
0,10
|
0,18
|
0,20
|
0,23
|
0,29
|
–
|
–
|
–
|
–
|
–
|
|
180
|
0,05
|
0,11
|
0,13
|
0,15
|
0,20
|
–
|
–
|
–
|
–
|
–
|
|
240
|
0,03
|
0,08
|
0,09
|
0,11
|
0,15
|
–
|
–
|
–
|
–
|
–
|
Ливневой подрайон 8б
|
tв
|
T
|
|
10
|
33
|
50
|
100
|
300
|
10
|
33
|
50
|
100
|
300
|
|
|
I кв
|
IV кв
|
|
0
|
3,21
|
4,27
|
4,64
|
5,27
|
6,05
|
2,54
|
3,61
|
3,98
|
4,61
|
5,39
|
|
5
|
1,92
|
2,55
|
2,77
|
3,15
|
3,62
|
1,30
|
1,93
|
2,15
|
2,53
|
3,00
|
|
10
|
1,46
|
1,94
|
2,11
|
2,40
|
2,76
|
0,88
|
1,36
|
1,53
|
1,82
|
2,18
|
|
20
|
1,04
|
1,38
|
1,50
|
1,70
|
1,96
|
0,50
|
0,84
|
0,96
|
1,16
|
1,42
|
|
30
|
0,79
|
1,09
|
1,11
|
1,30
|
1,55
|
0,29
|
0,59
|
0,61
|
0,80
|
1,05
|
|
45
|
0,56
|
0,74
|
0,84
|
0,91
|
1,13
|
0,10
|
0,28
|
0,38
|
0,45
|
0,67
|
|
60
|
0,44
|
0,58
|
0,63
|
0,72
|
0,83
|
0,02
|
0,16
|
0,21
|
0,30
|
0,41
|
|
120
|
0,26
|
0,35
|
0,38
|
0,43
|
0,49
|
–
|
0,01
|
0,04
|
0,09
|
0,15
|
|
180
|
0,20
|
0,26
|
0,28
|
0,32
|
0,37
|
–
|
–
|
–
|
0,02
|
0,07
|
|
240
|
0,16
|
0,21
|
0,23
|
0,26
|
0,30
|
–
|
–
|
–
|
–
|
0,03
|
|
|
II кв
|
V кв
|
|
0
|
3,08
|
4,14
|
4,51
|
5,14
|
5,92
|
0,75
|
1,82
|
2,19
|
2,82
|
3,60
|
|
5
|
1,79
|
2,42
|
2,64
|
3,02
|
3,49
|
–
|
0,27
|
0,49
|
0,87
|
1,34
|
|
10
|
1,34
|
1,82
|
1,99
|
2,28
|
2,64
|
–
|
–
|
–
|
0,29
|
0,65
|
|
20
|
0,92
|
1,26
|
1,38
|
1,58
|
1,84
|
–
|
–
|
–
|
–
|
0,06
|
|
30
|
0,68
|
0,98
|
1,00
|
1,19
|
1,44
|
–
|
–
|
–
|
–
|
–
|
|
45
|
0,46
|
0,64
|
0,74
|
0,81
|
1,03
|
–
|
–
|
–
|
–
|
–
|
|
60
|
0,34
|
0,48
|
0,53
|
0,62
|
0,73
|
–
|
–
|
–
|
–
|
–
|
|
120
|
0,17
|
0,26
|
0,29
|
0,34
|
0,40
|
–
|
–
|
–
|
–
|
–
|
|
180
|
0,12
|
0,18
|
0,20
|
0,24
|
0,29
|
–
|
–
|
–
|
–
|
–
|
|
240
|
0,09
|
0,14
|
0,16
|
0,19
|
0,23
|
–
|
–
|
–
|
–
|
–
|
|
|
III кв
|
VI кв
|
|
0
|
2,99
|
4,05
|
4,42
|
5,05
|
5,83
|
–
|
–
|
–
|
–
|
–
|
|
5
|
1,70
|
2,33
|
2,55
|
2,93
|
3,40
|
–
|
–
|
–
|
–
|
–
|
|
10
|
1,25
|
1,73
|
1,90
|
2,19
|
2,55
|
–
|
–
|
–
|
–
|
–
|
|
20
|
0,83
|
1,17
|
1,29
|
1,49
|
1,75
|
–
|
–
|
–
|
–
|
–
|
|
30
|
0,59
|
0,89
|
0,91
|
1,10
|
1,35
|
–
|
–
|
–
|
–
|
–
|
|
45
|
0,37
|
0,55
|
0,65
|
0,72
|
0,94
|
–
|
–
|
–
|
–
|
–
|
|
60
|
0,25
|
0,39
|
0,44
|
0,53
|
0,64
|
–
|
–
|
–
|
–
|
–
|
|
120
|
0,09
|
0,18
|
0,21
|
0,26
|
0,32
|
–
|
–
|
–
|
–
|
–
|
|
180
|
0,04
|
0,10
|
0,12
|
0,16
|
0,21
|
–
|
–
|
–
|
–
|
–
|
|
240
|
0,01
|
0,06
|
0,08
|
0,11
|
0,15
|
–
|
–
|
–
|
–
|
–
|
Ливневой подрайон 8в
|
tв
|
T
|
|
10
|
33
|
50
|
100
|
300
|
10
|
33
|
50
|
100
|
300
|
|
|
I кв
|
IV
кв
|
|
0
|
3,39
|
4,44
|
4,76
|
5,33
|
6,22
|
2,67
|
3,72
|
4,04
|
4,61
|
5,50
|
|
5
|
1,68
|
2,20
|
2,36
|
2,64
|
3,08
|
1,02
|
1,54
|
1,70
|
1,98
|
2,42
|
|
10
|
1,21
|
1,58
|
1,69
|
1,89
|
2,20
|
0,58
|
0,95
|
1,06
|
1,26
|
1,57
|
|
20
|
0,80
|
1,04
|
1,11
|
1,24
|
1,44
|
0,22
|
0,46
|
0,53
|
0,66
|
0,86
|
|
30
|
0,58
|
0,75
|
0,80
|
0,89
|
1,04
|
0,04
|
0,21
|
0,26
|
0,35
|
0,50
|
|
45
|
0,39
|
0,55
|
0,56
|
0,63
|
0,75
|
–
|
0,05
|
0,08
|
0,15
|
0,25
|
|
60
|
0,33
|
0,43
|
0,47
|
0,52
|
0,60
|
–
|
–
|
0,03
|
0,08
|
0,16
|
|
120
|
0,19
|
0,25
|
0,27
|
0,30
|
0,35
|
–
|
–
|
–
|
–
|
–
|
|
180
|
0,14
|
0,19
|
0,21
|
0,24
|
0,27
|
–
|
–
|
–
|
–
|
–
|
|
240
|
0,11
|
0,15
|
0,17
|
0,19
|
0,22
|
–
|
–
|
–
|
–
|
–
|
|
|
II
кв
|
V
кв
|
|
0
|
3,26
|
4,31
|
4,63
|
5,20
|
6,09
|
0,62
|
1,67
|
1,99
|
2,56
|
3,45
|
|
5
|
1,55
|
2,07
|
2,23
|
2,51
|
2,95
|
–
|
–
|
–
|
0,12
|
0,56
|
|
10
|
1,09
|
1,46
|
1,57
|
1,77
|
2,08
|
–
|
–
|
–
|
–
|
–
|
|
20
|
0,68
|
0,92
|
0,99
|
1,12
|
1,32
|
–
|
–
|
–
|
–
|
–
|
|
30
|
0,46
|
0,63
|
0,68
|
0,77
|
0,92
|
–
|
–
|
–
|
–
|
–
|
|
45
|
0,28
|
0,42
|
0,45
|
0,52
|
0,64
|
–
|
–
|
–
|
–
|
–
|
|
60
|
0,22
|
0,32
|
0,36
|
0,41
|
0,49
|
–
|
–
|
–
|
–
|
–
|
|
120
|
0,10
|
0,16
|
0,18
|
0,21
|
0,26
|
–
|
–
|
–
|
–
|
–
|
|
180
|
0,06
|
0,11
|
0,13
|
0,15
|
0,19
|
–
|
–
|
–
|
–
|
–
|
|
240
|
0,04
|
0,08
|
0,10
|
0,12
|
0,15
|
–
|
–
|
–
|
–
|
–
|
|
|
III
кв
|
VI
кв
|
|
0
|
3,16
|
4,21
|
4,53
|
5,10
|
5,99
|
–
|
–
|
–
|
–
|
–
|
|
5
|
1,45
|
1,97
|
2,13
|
2,41
|
2,85
|
–
|
–
|
–
|
–
|
–
|
|
10
|
0,99
|
1,36
|
1,47
|
1,67
|
1,98
|
–
|
–
|
–
|
–
|
–
|
|
20
|
0,58
|
0,82
|
0,89
|
1,02
|
1,22
|
–
|
–
|
–
|
–
|
–
|
|
30
|
0,37
|
0,54
|
0,59
|
0,68
|
0,83
|
–
|
–
|
–
|
–
|
–
|
|
45
|
0,19
|
0,33
|
0,36
|
0,43
|
0,55
|
–
|
–
|
–
|
–
|
–
|
|
60
|
0,13
|
0,23
|
0,27
|
0,32
|
0,40
|
–
|
–
|
–
|
–
|
–
|
|
120
|
0,01
|
0,07
|
0,09
|
0,12
|
0,17
|
–
|
–
|
–
|
–
|
–
|
|
180
|
–
|
0,02
|
0,04
|
0,06
|
0,10
|
–
|
–
|
–
|
–
|
–
|
|
240
|
–
|
–
|
0,01
|
0,03
|
0,06
|
–
|
–
|
–
|
–
|
–
|
Ливневой подрайон 8г
|
tв
|
T
|
|
10
|
33
|
50
|
100
|
300
|
10
|
33
|
50
|
100
|
300
|
|
|
I кв
|
IV
кв
|
|
0
|
3,72
|
4,91
|
5,27
|
5,90
|
6,90
|
3,06
|
4,25
|
4,61
|
5,24
|
6,24
|
|
5
|
1,64
|
2,16
|
2,32
|
2,60
|
3,04
|
1,02
|
1,54
|
1,70
|
1,98
|
2,42
|
|
10
|
1,16
|
1,53
|
1,64
|
1,84
|
2,15
|
0,58
|
0,95
|
1,06
|
1,26
|
1,57
|
|
20
|
0,76
|
1,00
|
1,07
|
1,20
|
1,40
|
0,22
|
0,46
|
0,53
|
0,66
|
0,86
|
|
30
|
0,64
|
0,71
|
0,76
|
0,85
|
1,00
|
0,04
|
0,21
|
0,26
|
0,35
|
0,50
|
|
45
|
0,38
|
0,51
|
0,54
|
0,61
|
0,71
|
–
|
0,05
|
0,08
|
0,15
|
0,25
|
|
60
|
0,32
|
0,42
|
0,45
|
0,50
|
0,58
|
–
|
–
|
0,03
|
0,08
|
0,16
|
|
120
|
0,18
|
0,24
|
0,26
|
0,29
|
0,34
|
–
|
–
|
–
|
–
|
–
|
|
180
|
0,14
|
0,18
|
0,20
|
0,22
|
0,26
|
–
|
–
|
–
|
–
|
–
|
|
240
|
0,11
|
0,15
|
0,16
|
0,18
|
0,21
|
–
|
–
|
–
|
–
|
–
|
|
|
II
кв
|
V
кв
|
|
0
|
3,59
|
4,78
|
5,14
|
5,77
|
6,77
|
1,27
|
2,46
|
2,82
|
3,45
|
4,45
|
|
5
|
1,51
|
2,03
|
2,19
|
2,47
|
2,91
|
–
|
–
|
–
|
0,32
|
0,76
|
|
10
|
1,04
|
1,41
|
1,52
|
1,72
|
2,03
|
–
|
–
|
–
|
–
|
0,04
|
|
20
|
0,64
|
0,88
|
0,95
|
1,08
|
1,28
|
–
|
–
|
–
|
–
|
–
|
|
30
|
0,43
|
0,60
|
0,65
|
0,74
|
0,89
|
–
|
–
|
–
|
–
|
–
|
|
45
|
0,28
|
0,41
|
0,44
|
0,51
|
0,61
|
–
|
–
|
–
|
–
|
–
|
|
60
|
0,22
|
0,32
|
0,35
|
0,40
|
0,48
|
–
|
–
|
–
|
–
|
–
|
|
120
|
0,09
|
0,15
|
0,17
|
0,20
|
0,25
|
–
|
–
|
–
|
–
|
–
|
|
180
|
0,06
|
0,10
|
0,12
|
0,14
|
0,18
|
–
|
–
|
–
|
–
|
–
|
|
240
|
0,04
|
0,08
|
0,09
|
0,11
|
0,14
|
–
|
–
|
–
|
–
|
–
|
|
|
III
кв
|
VI
кв
|
|
0
|
3,50
|
4,69
|
5,05
|
5,68
|
6,68
|
–
|
–
|
–
|
–
|
–
|
|
5
|
1,42
|
1,94
|
2,10
|
2,32
|
2,82
|
–
|
–
|
–
|
–
|
–
|
|
10
|
0,95
|
1,32
|
1,43
|
1,63
|
1,94
|
–
|
–
|
–
|
–
|
–
|
|
20
|
0,55
|
0,79
|
0,86
|
0,99
|
1,19
|
–
|
–
|
–
|
–
|
–
|
|
30
|
0,34
|
0,51
|
0,56
|
0,65
|
0,80
|
–
|
–
|
–
|
–
|
–
|
|
45
|
0,20
|
0,32
|
0,35
|
0,42
|
0,52
|
–
|
–
|
–
|
–
|
–
|
|
60
|
0,13
|
0,23
|
0,26
|
0,31
|
0,39
|
–
|
–
|
–
|
–
|
–
|
|
120
|
0,01
|
0,07
|
0,09
|
0,12
|
0,17
|
–
|
–
|
–
|
–
|
–
|
|
180
|
–
|
0,02
|
0,04
|
0,06
|
0,10
|
–
|
–
|
–
|
–
|
–
|
|
240
|
–
|
–
|
0,01
|
0,03
|
0,06
|
–
|
–
|
–
|
–
|
–
|
Ливневой подрайон 8д
|
tв
|
T
|
|
10
|
33
|
50
|
100
|
300
|
10
|
33
|
50
|
100
|
300
|
|
|
I кв
|
IV
кв
|
|
0
|
1,42
|
2,12
|
2,42
|
2,84
|
3,57
|
0,70
|
1,40
|
1,70
|
2,12
|
2,85
|
|
5
|
1,28
|
1,91
|
2,18
|
2,56
|
3,21
|
0,62
|
1,25
|
1,52
|
1,90
|
2,55
|
|
10
|
1,07
|
1,58
|
1,90
|
2,12
|
2,65
|
0,44
|
0,95
|
1,27
|
1,49
|
2,02
|
|
20
|
0,74
|
1,10
|
1,25
|
1,48
|
1,85
|
0,16
|
0,52
|
0,67
|
0,90
|
1,27
|
|
30
|
0,59
|
0,88
|
1,00
|
1,14
|
1,41
|
0,05
|
0,34
|
0,46
|
0,60
|
0,87
|
|
45
|
0,43
|
0,64
|
0,72
|
0,85
|
1,06
|
–
|
0,16
|
0,24
|
0,37
|
0,58
|
|
60
|
0,34
|
0,50
|
0,57
|
0,67
|
0,84
|
–
|
0,06
|
0,13
|
0,23
|
0,40
|
|
120
|
0,19
|
0,29
|
0,33
|
0,39
|
0,49
|
–
|
–
|
–
|
0,03
|
0,13
|
|
180
|
0,14
|
0,21
|
0,24
|
0,28
|
0,38
|
–
|
–
|
–
|
–
|
0,07
|
|
240
|
0,11
|
0,17
|
0,19
|
0,22
|
0,28
|
–
|
–
|
–
|
–
|
–
|
|
|
II
кв
|
V
кв
|
|
0
|
1,29
|
1,99
|
2,29
|
2,71
|
3,44
|
–
|
–
|
–
|
0,07
|
0,80
|
|
5
|
1,15
|
1,78
|
2,05
|
2,48
|
3,08
|
–
|
–
|
–
|
0,04
|
0,69
|
|
10
|
0,95
|
1,46
|
1,78
|
2,00
|
2,53
|
–
|
–
|
–
|
–
|
0,33
|
|
20
|
0,62
|
0,98
|
1,13
|
1,36
|
1,73
|
–
|
–
|
–
|
–
|
–
|
|
30
|
0,47
|
0,76
|
0,88
|
1,02
|
1,29
|
–
|
–
|
–
|
–
|
–
|
|
45
|
0,32
|
0,53
|
0,61
|
0,74
|
0,95
|
–
|
–
|
–
|
–
|
–
|
|
60
|
0,23
|
0,39
|
0,46
|
0,56
|
0,73
|
–
|
–
|
–
|
–
|
–
|
|
120
|
0,10
|
0,20
|
0,24
|
0,30
|
0,40
|
–
|
–
|
–
|
–
|
–
|
|
180
|
0,06
|
0,13
|
0,16
|
0,20
|
0,30
|
–
|
–
|
–
|
–
|
–
|
|
240
|
0,04
|
0,10
|
0,12
|
0,15
|
0,21
|
–
|
–
|
–
|
–
|
–
|
|
|
III
кв
|
VI
кв
|
|
0
|
1,19
|
1,89
|
2,19
|
2,61
|
3,34
|
–
|
–
|
–
|
–
|
–
|
|
5
|
1,05
|
1,68
|
1,95
|
2,33
|
2,98
|
–
|
–
|
–
|
–
|
–
|
|
10
|
0,85
|
1,36
|
1,68
|
1,90
|
2,43
|
–
|
–
|
–
|
–
|
–
|
|
20
|
0,52
|
0,88
|
1,08
|
1,26
|
1,63
|
–
|
–
|
–
|
–
|
–
|
|
30
|
0,38
|
0,67
|
0,79
|
0,93
|
1,20
|
–
|
–
|
–
|
–
|
–
|
|
45
|
0,23
|
0,44
|
0,52
|
0,65
|
0,86
|
–
|
–
|
–
|
–
|
–
|
|
60
|
0,14
|
0,30
|
0,37
|
0,47
|
0,64
|
–
|
–
|
–
|
–
|
–
|
|
120
|
0,01
|
0,11
|
0,15
|
0,21
|
0,31
|
–
|
–
|
–
|
–
|
–
|
|
180
|
–
|
0,04
|
0,07
|
0,11
|
0,21
|
–
|
–
|
–
|
–
|
–
|
|
240
|
–
|
0,01
|
0,03
|
0,06
|
0,12
|
–
|
–
|
–
|
–
|
–
|
Ливневой подрайон 8е
|
tв
|
T
|
|
10
|
33
|
50
|
100
|
300
|
10
|
33
|
50
|
100
|
300
|
|
|
I кв
|
IV
кв
|
|
0
|
3,89
|
5,16
|
5,44
|
6,18
|
7,20
|
3,17
|
4,44
|
4,72
|
5,46
|
6,48
|
|
5
|
1,95
|
2,59
|
2,73
|
3,10
|
3,61
|
1,29
|
1,93
|
2,07
|
2,44
|
2,95
|
|
10
|
1,19
|
1,83
|
1,96
|
2,23
|
2,66
|
0,56
|
1,20
|
1,33
|
1,60
|
2,03
|
|
20
|
0,89
|
1,28
|
1,40
|
1,65
|
1,96
|
0,31
|
0,70
|
0,82
|
1,07
|
1,38
|
|
30
|
0,68
|
0,99
|
1,06
|
1,25
|
1,54
|
0,14
|
0,45
|
0,52
|
0,71
|
1,00
|
|
45
|
0,50
|
0,73
|
0,78
|
0,92
|
1,11
|
0,02
|
0,25
|
0,30
|
0,44
|
0,63
|
|
60
|
0,44
|
0,63
|
0,70
|
0,83
|
0,94
|
–
|
0,13
|
0,26
|
0,39
|
0,50
|
|
120
|
0,28
|
0,41
|
0,44
|
0,52
|
0,63
|
–
|
0,05
|
0,08
|
0,16
|
0,27
|
|
180
|
0,23
|
0,33
|
0,36
|
0,42
|
0,51
|
–
|
0,02
|
0,05
|
0,11
|
0,20
|
|
240
|
0,19
|
0,28
|
0,30
|
0,35
|
0,42
|
–
|
–
|
0,02
|
0,07
|
0,14
|
|
|
II
кв
|
V
кв
|
|
0
|
3,76
|
5,03
|
5,31
|
6,05
|
7,07
|
1,12
|
2,39
|
2,67
|
3,41
|
4,43
|
|
5
|
1,82
|
2,46
|
2,60
|
2,97
|
3,48
|
–
|
0,07
|
0,21
|
0,58
|
1,09
|
|
10
|
1,07
|
1,71
|
1,84
|
2,11
|
2,54
|
–
|
–
|
–
|
–
|
0,34
|
|
20
|
0,77
|
1,16
|
1,28
|
1,53
|
1,84
|
–
|
–
|
–
|
–
|
–
|
|
30
|
0,56
|
0,87
|
0,94
|
1,13
|
1,42
|
–
|
–
|
–
|
–
|
–
|
|
45
|
0,39
|
0,62
|
0,67
|
0,81
|
1,00
|
–
|
–
|
–
|
–
|
–
|
|
60
|
0,33
|
0,52
|
0,59
|
0,72
|
0,83
|
–
|
–
|
–
|
–
|
–
|
|
120
|
0,19
|
0,32
|
0,35
|
0,43
|
0,54
|
–
|
–
|
–
|
–
|
–
|
|
180
|
0,15
|
0,25
|
0,28
|
0,34
|
0,43
|
–
|
–
|
–
|
–
|
–
|
|
240
|
0,12
|
0,21
|
0,23
|
0,28
|
0,35
|
–
|
–
|
–
|
–
|
–
|
|
|
III
кв
|
VI
кв
|
|
0
|
3,66
|
4,93
|
5,21
|
5,95
|
6,97
|
–
|
–
|
–
|
–
|
–
|
|
5
|
1,72
|
2,36
|
2,50
|
2,87
|
3,38
|
–
|
–
|
–
|
–
|
–
|
|
10
|
0,97
|
1,61
|
1,74
|
2,01
|
2,44
|
–
|
–
|
–
|
–
|
–
|
|
20
|
0,67
|
1,06
|
1,18
|
1,43
|
1,74
|
–
|
–
|
–
|
–
|
–
|
|
30
|
0,47
|
0,78
|
0,85
|
1,04
|
1,33
|
–
|
–
|
–
|
–
|
–
|
|
45
|
0,30
|
0,53
|
0,53
|
0,72
|
0,91
|
–
|
–
|
–
|
–
|
–
|
|
60
|
0,24
|
0,43
|
0,50
|
0,63
|
0,74
|
–
|
–
|
–
|
–
|
–
|
|
120
|
0,10
|
0,23
|
0,26
|
0,34
|
0,45
|
–
|
–
|
–
|
–
|
–
|
|
180
|
0,06
|
0,16
|
0,19
|
0,25
|
0,34
|
–
|
–
|
–
|
–
|
–
|
|
240
|
0,03
|
0,12
|
0,14
|
0,19
|
0,26
|
–
|
–
|
–
|
–
|
–
|
Ливневой подрайон 8ж
|
tв
|
T
|
|
10
|
33
|
50
|
100
|
300
|
10
|
33
|
50
|
100
|
300
|
|
|
I кв
|
IV
кв
|
|
0
|
1,62
|
2,36
|
2,66
|
3,16
|
3,88
|
0,96
|
1,70
|
2,00
|
2,50
|
3,42
|
|
5
|
1,10
|
1,61
|
1,81
|
2,15
|
2,64
|
0,48
|
0,99
|
1,19
|
1,53
|
2,02
|
|
10
|
0,87
|
1,28
|
1,43
|
1,70
|
2,09
|
0,29
|
0,70
|
0,85
|
1,12
|
1,51
|
|
20
|
0,56
|
0,84
|
0,94
|
1,10
|
1,35
|
0,02
|
0,30
|
0,40
|
0,56
|
0,81
|
|
30
|
0,44
|
0,65
|
0,72
|
0,86
|
1,06
|
–
|
0,15
|
0,22
|
0,36
|
0,56
|
|
45
|
0,33
|
0,48
|
0,54
|
0,64
|
0,79
|
–
|
0,02
|
0,08
|
0,18
|
0,33
|
|
60
|
0,27
|
0,40
|
0,45
|
0,53
|
0,65
|
–
|
–
|
0,03
|
0,11
|
0,23
|
|
120
|
0,17
|
0,25
|
0,28
|
0,33
|
0,41
|
–
|
–
|
–
|
–
|
0,07
|
|
180
|
0,13
|
0,20
|
0,22
|
0,26
|
0,32
|
–
|
–
|
–
|
–
|
–
|
|
240
|
0,11
|
0,16
|
0,19
|
0,22
|
0,27
|
–
|
–
|
–
|
–
|
–
|
|
|
II
кв
|
V
кв
|
|
0
|
1,49
|
2,23
|
2,53
|
3,03
|
3,75
|
–
|
–
|
0,21
|
0,71
|
1,63
|
|
5
|
0,97
|
1,48
|
1,68
|
2,02
|
2,51
|
–
|
–
|
–
|
–
|
0,36
|
|
10
|
0,75
|
1,16
|
1,31
|
1,58
|
1,97
|
–
|
–
|
–
|
–
|
–
|
|
20
|
0,44
|
0,72
|
0,82
|
0,98
|
1,23
|
–
|
–
|
–
|
–
|
–
|
|
30
|
0,33
|
0,54
|
0,61
|
0,75
|
0,95
|
–
|
–
|
–
|
–
|
–
|
|
45
|
0,23
|
0,38
|
0,44
|
0,54
|
0,69
|
–
|
–
|
–
|
–
|
–
|
|
60
|
0,17
|
0,30
|
0,35
|
0,43
|
0,55
|
–
|
–
|
–
|
–
|
–
|
|
120
|
0,08
|
0,16
|
0,19
|
0,24
|
0,32
|
–
|
–
|
–
|
–
|
–
|
|
180
|
0,05
|
0,12
|
0,14
|
0,18
|
0,24
|
–
|
–
|
–
|
–
|
–
|
|
240
|
0,04
|
0,09
|
0,12
|
0,15
|
0,20
|
–
|
–
|
–
|
–
|
–
|
|
|
III
кв
|
VI
кв
|
|
0
|
1,40
|
2,14
|
2,44
|
2,94
|
3,86
|
–
|
–
|
–
|
–
|
–
|
|
5
|
0,88
|
1,39
|
1,59
|
1,93
|
2,42
|
–
|
–
|
–
|
–
|
–
|
|
10
|
0,66
|
1,07
|
1,22
|
1,49
|
1,88
|
–
|
–
|
–
|
–
|
–
|
|
20
|
0,35
|
0,63
|
0,73
|
0,89
|
1,14
|
–
|
–
|
–
|
–
|
–
|
|
30
|
0,24
|
0,45
|
0,52
|
0,66
|
0,86
|
–
|
–
|
–
|
–
|
–
|
|
45
|
0,14
|
0,29
|
0,35
|
0,45
|
0,60
|
–
|
–
|
–
|
–
|
–
|
|
60
|
0,08
|
0,21
|
0,26
|
0,34
|
0,46
|
–
|
–
|
–
|
–
|
–
|
|
120
|
–
|
0,08
|
0,11
|
0,16
|
0,24
|
–
|
–
|
–
|
–
|
–
|
|
180
|
–
|
0,04
|
0,06
|
0,10
|
0,16
|
–
|
–
|
–
|
–
|
–
|
|
240
|
–
|
0,01
|
0,04
|
0,07
|
0,12
|
–
|
–
|
–
|
–
|
–
|
Ливневой подрайон 8з
|
tв
|
T
|
|
10
|
33
|
50
|
100
|
300
|
10
|
33
|
50
|
100
|
300
|
|
|
I кв
|
IV
кв
|
|
0
|
2,24
|
2,92
|
3,17
|
3,67
|
4,47
|
1,81
|
2,49
|
2,74
|
3,24
|
4,04
|
|
5
|
1,44
|
1,88
|
2,04
|
2,37
|
2,88
|
1,02
|
1,46
|
1,62
|
1,95
|
2,47
|
|
10
|
1,12
|
1,46
|
1,59
|
1,84
|
2,24
|
0,72
|
1,06
|
1,18
|
1,44
|
1,84
|
|
20
|
0,82
|
1,06
|
1,15
|
1,33
|
1,63
|
0,44
|
0,68
|
0,77
|
0,95
|
1,25
|
|
30
|
0,65
|
0,84
|
0,92
|
1,07
|
1,30
|
0,30
|
0,49
|
0,56
|
0,71
|
0,95
|
|
45
|
0,51
|
0,66
|
0,71
|
0,83
|
1,02
|
0,18
|
0,33
|
0,38
|
0,50
|
0,69
|
|
60
|
0,42
|
0,54
|
0,59
|
0,68
|
0,84
|
0,11
|
0,23
|
0,28
|
0,38
|
0,53
|
|
120
|
0,25
|
0,32
|
0,35
|
0,41
|
0,50
|
–
|
–
|
–
|
–
|
0,20
|
|
180
|
0,18
|
0,22
|
0,25
|
0,29
|
0,35
|
–
|
–
|
–
|
–
|
–
|
|
240
|
0,16
|
0,17
|
0,19
|
0,22
|
0,27
|
–
|
–
|
–
|
–
|
–
|
|
|
II
кв
|
V
кв
|
|
0
|
2,10
|
2,78
|
3,03
|
3,53
|
4,33
|
0,94
|
1,62
|
1,87
|
2,37
|
3,17
|
|
5
|
1,30
|
1,74
|
1,91
|
2,22
|
2,75
|
0,22
|
0,66
|
0,83
|
1,15
|
1,67
|
|
10
|
0,98
|
1,32
|
1,45
|
1,70
|
2,10
|
–
|
0,34
|
0,45
|
0,70
|
1,10
|
|
20
|
0,68
|
0,92
|
1,01
|
1,20
|
1,49
|
–
|
–
|
–
|
0,32
|
0,60
|
|
30
|
0,53
|
0,72
|
0,79
|
0,94
|
1,17
|
–
|
–
|
–
|
–
|
0,35
|
|
45
|
0,38
|
0,53
|
0,59
|
0,71
|
0,89
|
–
|
–
|
–
|
–
|
–
|
|
60
|
0,30
|
0,42
|
0,47
|
0,56
|
0,72
|
–
|
–
|
–
|
–
|
–
|
|
120
|
0,14
|
0,21
|
0,24
|
0,30
|
0,39
|
–
|
–
|
–
|
–
|
–
|
|
180
|
0,08
|
0,12
|
0,15
|
0,20
|
0,26
|
–
|
–
|
–
|
–
|
–
|
|
240
|
–
|
–
|
0,10
|
0,12
|
0,20
|
–
|
–
|
–
|
–
|
–
|
|
|
III
кв
|
VI
кв
|
|
0
|
2,00
|
2,68
|
2,93
|
3,43
|
4,23
|
–
|
–
|
–
|
–
|
–
|
|
5
|
1,20
|
1,64
|
1,81
|
2,13
|
2,65
|
–
|
–
|
–
|
–
|
–
|
|
10
|
0,89
|
1,23
|
1,35
|
1,61
|
2,01
|
–
|
–
|
–
|
–
|
–
|
|
20
|
0,59
|
0,83
|
0,92
|
1,10
|
1,40
|
–
|
–
|
–
|
–
|
–
|
|
30
|
0,43
|
0,62
|
0,69
|
0,84
|
1,08
|
–
|
–
|
–
|
–
|
–
|
|
45
|
0,29
|
0,44
|
0,49
|
0,61
|
0,80
|
–
|
–
|
–
|
–
|
–
|
|
60
|
0,20
|
0,32
|
0,37
|
0,47
|
0,62
|
–
|
–
|
–
|
–
|
–
|
|
120
|
0,03
|
0,10
|
0,13
|
0,19
|
0,30
|
–
|
–
|
–
|
–
|
–
|
|
180
|
–
|
–
|
–
|
–
|
0,11
|
–
|
–
|
–
|
–
|
–
|
|
240
|
–
|
–
|
–
|
–
|
–
|
–
|
–
|
–
|
–
|
–
|
Ливневой подрайон 9а
|
tв
|
T
|
|
10
|
33
|
50
|
100
|
300
|
10
|
33
|
50
|
100
|
300
|
|
|
I кв
|
IV
кв
|
|
0
|
3,23
|
4,44
|
5,06
|
5,68
|
6,76
|
2,57
|
3,78
|
4,40
|
5,02
|
6,10
|
|
5
|
1,82
|
2,50
|
2,85
|
3,20
|
3,81
|
1,20
|
1,88
|
2,23
|
2,58
|
3,19
|
|
10
|
1,37
|
1,87
|
2,14
|
2,40
|
2,86
|
0,79
|
1,29
|
1,56
|
1,82
|
2,28
|
|
20
|
0,87
|
1,20
|
1,36
|
1,53
|
1,82
|
0,33
|
0,66
|
0,82
|
0,99
|
1,28
|
|
30
|
0,63
|
0,86
|
0,97
|
1,10
|
1,31
|
0,13
|
0,36
|
0,47
|
0,60
|
0,81
|
|
45
|
0,45
|
0,62
|
0,70
|
0,79
|
0,94
|
–
|
0,16
|
0,24
|
0,33
|
0,48
|
|
60
|
0,34
|
0,47
|
0,53
|
0,60
|
0,71
|
–
|
0,05
|
0,11
|
0,18
|
0,29
|
|
120
|
0,20
|
0,28
|
0,32
|
0,36
|
0,43
|
–
|
–
|
–
|
0,02
|
0,09
|
|
180
|
0,15
|
0,21
|
0,24
|
0,27
|
0,32
|
–
|
–
|
–
|
–
|
0,02
|
|
240
|
0,13
|
0,17
|
0,20
|
0,22
|
0,26
|
–
|
–
|
–
|
–
|
–
|
|
|
II
кв
|
V
кв
|
|
0
|
3,10
|
4,31
|
4,93
|
5,55
|
6,63
|
0,78
|
1,93
|
2,61
|
3,23
|
4,31
|
|
5
|
1,69
|
2,37
|
2,72
|
3,07
|
3,63
|
–
|
0,22
|
0,57
|
0,92
|
1,53
|
|
10
|
1,25
|
1,75
|
2,02
|
2,28
|
2,74
|
–
|
–
|
0,03
|
0,29
|
0,75
|
|
20
|
0,75
|
1,08
|
1,24
|
1,41
|
1,70
|
–
|
–
|
–
|
–
|
–
|
|
30
|
0,52
|
0,75
|
0,86
|
0,99
|
1,20
|
–
|
–
|
–
|
–
|
–
|
|
45
|
0,35
|
0,52
|
0,60
|
0,69
|
0,84
|
–
|
–
|
–
|
–
|
–
|
|
60
|
0,24
|
0,37
|
0,43
|
0,50
|
0,61
|
–
|
–
|
–
|
–
|
–
|
|
120
|
0,11
|
0,19
|
0,23
|
0,27
|
0,34
|
–
|
–
|
–
|
–
|
–
|
|
180
|
0,07
|
0,13
|
0,16
|
0,19
|
0,24
|
–
|
–
|
–
|
–
|
–
|
|
240
|
0,06
|
0,10
|
0,13
|
0,15
|
0,19
|
–
|
–
|
–
|
–
|
–
|
|
|
III
кв
|
VI
кв
|
|
0
|
3,01
|
4.22
|
4,84
|
5,46
|
6,54
|
–
|
–
|
–
|
–
|
–
|
|
5
|
1,60
|
2,28
|
2,63
|
2,98
|
3,59
|
–
|
–
|
–
|
–
|
–
|
|
10
|
1,16
|
1,66
|
1,93
|
2,19
|
2,65
|
–
|
–
|
–
|
–
|
–
|
|
20
|
0,66
|
0,99
|
1,15
|
1,32
|
1,61
|
–
|
–
|
–
|
–
|
–
|
|
30
|
0,43
|
0,66
|
0,77
|
0,90
|
1,11
|
–
|
–
|
–
|
–
|
–
|
|
45
|
0,26
|
0,43
|
0,51
|
0,60
|
0,75
|
–
|
–
|
–
|
–
|
–
|
|
60
|
0,15
|
0,28
|
0,34
|
0,41
|
0,52
|
–
|
–
|
–
|
–
|
–
|
|
120
|
0,03
|
0,11
|
0,15
|
0,19
|
0,26
|
–
|
–
|
–
|
–
|
–
|
|
180
|
–
|
0,05
|
0,08
|
0,11
|
0,16
|
–
|
–
|
–
|
–
|
–
|
|
240
|
–
|
0,02
|
0,05
|
0,07
|
0,11
|
–
|
–
|
–
|
–
|
–
|
Ливневой подрайон 9б
|
tв
|
T
|
|
10
|
33
|
50
|
100
|
300
|
10
|
33
|
50
|
100
|
300
|
|
|
I кв
|
IV
кв
|
|
0
|
4,20
|
5,32
|
5,62
|
6,18
|
6,99
|
3,60
|
4,72
|
5,02
|
5,58
|
6,39
|
|
5
|
1,80
|
2,28
|
2,41
|
2,65
|
3,00
|
1,23
|
1,71
|
1,84
|
2,03
|
2,43
|
|
10
|
1,29
|
1,63
|
1,73
|
1,90
|
2,15
|
0,75
|
1,09
|
1,19
|
1,36
|
1,61
|
|
20
|
0,79
|
1,00
|
1,06
|
1,16
|
1,31
|
0,29
|
0,50
|
0,56
|
0,66
|
0,81
|
|
30
|
0,56
|
0,71
|
0,76
|
0,83
|
0,94
|
0,10
|
0,25
|
0,30
|
0,37
|
0,48
|
|
45
|
0,40
|
0,51
|
0,54
|
0,59
|
0,67
|
–
|
0,08
|
0,11
|
0,16
|
0,24
|
|
60
|
0,33
|
0,41
|
0,44
|
0,48
|
0,54
|
–
|
0,02
|
0,05
|
0,09
|
0,15
|
|
120
|
0,19
|
0,24
|
0,26
|
0,28
|
0,32
|
–
|
–
|
–
|
–
|
–
|
|
180
|
0,15
|
0,19
|
0,20
|
0,22
|
0,23
|
–
|
–
|
–
|
–
|
–
|
|
240
|
0,12
|
0,15
|
0,16
|
0,17
|
0,19
|
–
|
–
|
–
|
–
|
–
|
|
|
II
кв
|
V
кв
|
|
0
|
4,07
|
5,19
|
5,49
|
6,05
|
6,86
|
2,07
|
3,19
|
3,49
|
4,05
|
5,86
|
|
5
|
1,67
|
2,15
|
2,28
|
2,52
|
2,87
|
–
|
0,25
|
0,38
|
0,62
|
0,97
|
|
10
|
1,17
|
1,51
|
1,61
|
1,78
|
2,03
|
–
|
–
|
–
|
–
|
0,25
|
|
20
|
0,67
|
0,88
|
0,94
|
1,04
|
1,19
|
–
|
–
|
–
|
–
|
–
|
|
30
|
0,45
|
0,60
|
0,65
|
0,72
|
0,83
|
–
|
–
|
–
|
–
|
–
|
|
45
|
0,30
|
0,41
|
0,44
|
0,49
|
0,57
|
–
|
–
|
–
|
–
|
–
|
|
60
|
0,23
|
0,31
|
0,34
|
0,38
|
0,44
|
–
|
–
|
–
|
–
|
–
|
|
120
|
0,10
|
0,15
|
0,17
|
0,19
|
0,23
|
–
|
–
|
–
|
–
|
–
|
|
180
|
0,07
|
0,11
|
0,12
|
0,14
|
0,15
|
–
|
–
|
–
|
–
|
–
|
|
240
|
0,05
|
0,08
|
0,09
|
0,10
|
0,12
|
–
|
–
|
–
|
–
|
–
|
|
|
III
кв
|
VI
кв
|
|
0
|
3,98
|
5,10
|
5,40
|
3,96
|
6,77
|
–
|
–
|
–
|
–
|
–
|
|
5
|
1,58
|
2,06
|
2,19
|
2,43
|
2,78
|
–
|
–
|
–
|
–
|
–
|
|
10
|
1,08
|
1,42
|
1,52
|
1,69
|
1,94
|
–
|
–
|
–
|
–
|
–
|
|
20
|
0,58
|
0,79
|
0,85
|
0,95
|
1,10
|
–
|
–
|
–
|
–
|
–
|
|
30
|
0,36
|
0,51
|
0,56
|
0,63
|
0,74
|
–
|
–
|
–
|
–
|
–
|
|
45
|
0,21
|
0,32
|
0,35
|
0,40
|
0,48
|
–
|
–
|
–
|
–
|
–
|
|
60
|
0,14
|
0,22
|
0,25
|
0,29
|
0,35
|
–
|
–
|
–
|
–
|
–
|
|
120
|
0,02
|
0,07
|
0,09
|
0,11
|
0,15
|
–
|
–
|
–
|
–
|
–
|
|
180
|
–
|
0,03
|
0,04
|
0,06
|
0,07
|
–
|
–
|
–
|
–
|
–
|
|
240
|
–
|
–
|
0,01
|
0,02
|
0,04
|
–
|
–
|
–
|
–
|
–
|
Ливневой подрайон 10а
|
tв
|
T
|
|
10
|
33
|
50
|
100
|
300
|
10
|
33
|
50
|
100
|
300
|
|
|
I кв
|
IV
кв
|
|
0
|
7,24
|
10,62
|
11,87
|
13,97
|
17,17
|
6,58
|
9,96
|
11,21
|
13,31
|
16,51
|
|
5
|
2,53
|
3,71
|
4,16
|
4,89
|
6,01
|
1,91
|
3,09
|
3,54
|
4,27
|
5,39
|
|
10
|
1,75
|
2,57
|
2,87
|
3,39
|
4,16
|
1,17
|
1,99
|
2,29
|
2,81
|
3,58
|
|
20
|
1,24
|
1,81
|
2,03
|
2,39
|
2,94
|
0,70
|
1,27
|
1,49
|
1,85
|
2,40
|
|
30
|
0,93
|
1,37
|
1,53
|
1,80
|
2,22
|
0,43
|
0,87
|
1,03
|
1,40
|
1,72
|
|
45
|
0,70
|
1,03
|
1,15
|
1,35
|
1,66
|
0,24
|
0,57
|
0,69
|
0,89
|
1,20
|
|
60
|
0,51
|
0,75
|
0,83
|
0,98
|
1,22
|
0,09
|
0,33
|
0,41
|
0,56
|
0,80
|
|
120
|
0,31
|
0,45
|
0,50
|
0,59
|
0,72
|
–
|
0,11
|
0,16
|
0,25
|
0,38
|
|
180
|
0,22
|
0,33
|
0,37
|
0,43
|
0,53
|
–
|
0,03
|
0,07
|
0,13
|
0,23
|
|
240
|
0,18
|
0,27
|
0,30
|
0,35
|
0,43
|
–
|
–
|
0,03
|
0,08
|
0,16
|
|
|
II
кв
|
V
кв
|
|
0
|
7,11
|
10,49
|
11,74
|
13,84
|
17,04
|
4,79
|
8,17
|
9,42
|
11,52
|
14,72
|
|
5
|
2,40
|
3,58
|
4,03
|
4,76
|
5,88
|
0,25
|
1,43
|
1,88
|
2,61
|
3,73
|
|
10
|
1,63
|
2,45
|
2,75
|
3,27
|
4,04
|
–
|
0,46
|
0,76
|
1,28
|
2,05
|
|
20
|
1,12
|
1,69
|
1,91
|
2,27
|
2,82
|
–
|
–
|
0,13
|
0,49
|
1,04
|
|
30
|
0,82
|
1,26
|
1,42
|
1,69
|
2,11
|
–
|
–
|
–
|
0,20
|
0,52
|
|
45
|
0,60
|
0,93
|
1,05
|
1,25
|
1,56
|
–
|
–
|
–
|
–
|
0,25
|
|
60
|
0,41
|
0,65
|
0,73
|
0,88
|
1,12
|
–
|
–
|
–
|
–
|
0,03
|
|
120
|
0,22
|
0,36
|
0,41
|
0,50
|
0,63
|
–
|
–
|
–
|
–
|
–
|
|
180
|
0,14
|
0,25
|
0,29
|
0,35
|
0,45
|
–
|
–
|
–
|
–
|
–
|
|
240
|
0,11
|
0,20
|
0,23
|
0,28
|
0,36
|
–
|
–
|
–
|
–
|
–
|
|
|
III
кв
|
VI
кв
|
|
0
|
7,02
|
10,40
|
11,65
|
13,75
|
16,95
|
–
|
–
|
1,22
|
3,32
|
6,52
|
|
5
|
2,31
|
3,49
|
3,94
|
4,67
|
5,79
|
–
|
–
|
–
|
–
|
–
|
|
10
|
1,54
|
2,36
|
2,66
|
3,18
|
3,95
|
–
|
–
|
–
|
–
|
–
|
|
20
|
1,03
|
1,60
|
1,82
|
2,18
|
2,73
|
–
|
–
|
–
|
–
|
–
|
|
30
|
0,73
|
1,17
|
1,33
|
1,60
|
2,02
|
–
|
–
|
–
|
–
|
–
|
|
45
|
0,51
|
0,84
|
0,96
|
1,16
|
1,47
|
–
|
–
|
–
|
–
|
–
|
|
60
|
0,32
|
0,56
|
0,64
|
0,79
|
1,03
|
–
|
–
|
–
|
–
|
–
|
|
120
|
0,14
|
0,28
|
0,33
|
0,42
|
0,55
|
–
|
–
|
–
|
–
|
–
|
|
180
|
0,06
|
0,17
|
0,21
|
0,27
|
0,37
|
–
|
–
|
–
|
–
|
–
|
|
240
|
0,03
|
0,12
|
0,15
|
0,20
|
0,28
|
–
|
–
|
–
|
–
|
–
|
Ливневой подрайон 10а²
|
tв
|
T
|
|
10
|
33
|
50
|
100
|
300
|
10
|
33
|
50
|
100
|
300
|
|
|
I кв
|
IV кв
|
|
0
|
4,25
|
5,44
|
5,70
|
6,27
|
7,09
|
3,59
|
4,78
|
5,04
|
5,61
|
6,43
|
|
5
|
1,79
|
2,30
|
2,41
|
2,64
|
2,99
|
1,17
|
1,68
|
1,79
|
2,01
|
2,37
|
|
10
|
1,35
|
1,73
|
1,81
|
1,99
|
2,25
|
0,77
|
1,15
|
1,23
|
1,41
|
1,67
|
|
20
|
0,84
|
1,07
|
1,13
|
1,24
|
1,40
|
0,30
|
0,53
|
0,59
|
0,70
|
0,86
|
|
30
|
0,64
|
0,82
|
0,85
|
0,94
|
1,06
|
0,14
|
0,32
|
0,35
|
0,44
|
0,56
|
|
45
|
0,48
|
0,61
|
0,64
|
0,70
|
0,79
|
0,02
|
0,15
|
0,18
|
0,24
|
0,33
|
|
60
|
0,38
|
0,49
|
0,51
|
0,56
|
0,63
|
–
|
0,07
|
0,09
|
0,14
|
0,21
|
|
120
|
0,22
|
0,29
|
0,30
|
0,33
|
0,37
|
–
|
–
|
–
|
–
|
0,03
|
|
180
|
0,16
|
0,21
|
0,22
|
0,24
|
0,27
|
–
|
–
|
–
|
–
|
–
|
|
240
|
0,14
|
0,17
|
0,18
|
0,20
|
0,23
|
–
|
–
|
–
|
–
|
–
|
|
|
II кв
|
V кв
|
|
0
|
4,12
|
5,31
|
5,57
|
5,14
|
6,96
|
1,80
|
2,99
|
3,25
|
3,82
|
4,64
|
|
5
|
1,66
|
2,17
|
2,28
|
2,51
|
2,86
|
–
|
0,02
|
0,13
|
0,36
|
0,71
|
|
10
|
1,23
|
1,61
|
1,69
|
1,87
|
2,13
|
–
|
–
|
–
|
–
|
0,14
|
|
20
|
0,72
|
0,95
|
1,01
|
1,12
|
1,28
|
–
|
–
|
–
|
–
|
–
|
|
30
|
0,53
|
0,71
|
0,74
|
0,83
|
0,95
|
–
|
–
|
–
|
–
|
–
|
|
45
|
0,38
|
0,51
|
0,54
|
0,60
|
0,69
|
–
|
–
|
–
|
–
|
–
|
|
60
|
0,28
|
0,39
|
0,41
|
0,46
|
0,53
|
–
|
–
|
–
|
–
|
–
|
|
120
|
0,13
|
0,20
|
0,21
|
0,24
|
0,28
|
–
|
–
|
–
|
–
|
–
|
|
180
|
0,08
|
0,13
|
0,14
|
0,16
|
0,19
|
–
|
–
|
–
|
–
|
–
|
|
240
|
0,07
|
0,10
|
0,11
|
0,13
|
0,16
|
–
|
–
|
–
|
–
|
–
|
|
|
III кв
|
VI кв
|
|
0
|
4,03
|
5,22
|
5,48
|
6,05
|
6,87
|
–
|
–
|
–
|
–
|
–
|
|
5
|
1,57
|
2,08
|
2,19
|
2,42
|
2,77
|
–
|
–
|
–
|
–
|
–
|
|
10
|
1,14
|
1,52
|
1,60
|
1,78
|
2,04
|
–
|
–
|
–
|
–
|
–
|
|
20
|
0,63
|
0,86
|
0,92
|
1,03
|
1,19
|
–
|
–
|
–
|
–
|
–
|
|
30
|
0,44
|
0,62
|
0,65
|
0,74
|
0,86
|
–
|
–
|
–
|
–
|
–
|
|
45
|
0,29
|
0,42
|
0,45
|
0,51
|
0,60
|
–
|
–
|
–
|
–
|
–
|
|
60
|
0,19
|
0,30
|
0,32
|
0,37
|
0,44
|
–
|
–
|
–
|
–
|
–
|
|
120
|
0,05
|
0,12
|
0,13
|
0,16
|
0,20
|
–
|
–
|
–
|
–
|
–
|
|
180
|
–
|
0,05
|
0,06
|
0,08
|
0,11
|
–
|
–
|
–
|
–
|
–
|
|
240
|
–
|
0,02
|
0,03
|
0,05
|
0,08
|
–
|
–
|
–
|
–
|
–
|
Ливневой подрайон 10б
|
tв
|
T
|
|
10
|
33
|
50
|
100
|
300
|
10
|
33
|
50
|
100
|
300
|
|
|
I кв
|
IV
кв
|
|
0
|
2,47
|
3,12
|
3,42
|
3,76
|
4,20
|
1,79
|
2,46
|
2,76
|
3,10
|
3,54
|
|
5
|
1,55
|
1,96
|
2,15
|
2,36
|
2,64
|
0,93
|
1,34
|
1,53
|
1,74
|
2,02
|
|
10
|
1,18
|
1,51
|
1,66
|
1,82
|
2,04
|
0,60
|
0,93
|
1,03
|
1,24
|
1,46
|
|
20
|
0,85
|
1,04
|
1,14
|
1,30
|
1,41
|
0,31
|
0,50
|
0,60
|
0,76
|
0,87
|
|
30
|
0,62
|
0,79
|
0,89
|
0,95
|
1,06
|
0,12
|
0,29
|
0,39
|
0,45
|
0,56
|
|
45
|
0,47
|
0,60
|
0,66
|
0,72
|
0,80
|
0,01
|
0,14
|
0,20
|
0,26
|
0,34
|
|
60
|
0,38
|
0,48
|
0,53
|
0,58
|
0,65
|
–
|
0,06
|
0,11
|
0,16
|
0,23
|
|
120
|
0,22
|
0,28
|
0,31
|
0,34
|
0,38
|
–
|
–
|
–
|
–
|
0,04
|
|
180
|
0,16
|
0,21
|
0,23
|
0,25
|
0,28
|
–
|
–
|
–
|
–
|
–
|
|
240
|
0,13
|
0,17
|
0,18
|
0,20
|
0,22
|
–
|
–
|
–
|
–
|
–
|
|
|
II
кв
|
V
кв
|
|
0
|
2,34
|
2,99
|
3,29
|
3,63
|
4,07
|
–
|
0,67
|
1,97
|
1,31
|
1,75
|
|
5
|
1,42
|
1,83
|
2,02
|
2,23
|
2,51
|
–
|
–
|
–
|
0,08
|
0,36
|
|
10
|
1,06
|
1,39
|
1,54
|
1,70
|
1,92
|
–
|
–
|
–
|
–
|
–
|
|
20
|
0,73
|
0,92
|
1,02
|
1,18
|
1,29
|
–
|
–
|
–
|
–
|
_
|
|
30
|
0,51
|
0,68
|
0,78
|
0,84
|
0,95
|
–
|
–
|
–
|
–
|
–
|
|
45
|
0,37
|
0,50
|
0,56
|
0,62
|
0,70
|
–
|
–
|
–
|
–
|
–
|
|
60
|
0,28
|
0,38
|
0,43
|
0,48
|
0,55
|
–
|
–
|
–
|
–
|
–
|
|
120
|
0,13
|
0,19
|
0,22
|
0,25
|
0,29
|
–
|
–
|
–
|
–
|
–
|
|
180
|
0,08
|
0,13
|
0,15
|
0,17
|
0,20
|
–
|
–
|
–
|
–
|
–
|
|
240
|
0,06
|
0,10
|
0,11
|
0,13
|
0,15
|
–
|
–
|
–
|
–
|
–
|
|
|
III
кв
|
VI
кв
|
|
0
|
2,26
|
2,90
|
3,20
|
3,54
|
3,98
|
–
|
–
|
–
|
–
|
–
|
|
5
|
1,33
|
1,74
|
1,93
|
2,14
|
2,42
|
–
|
–
|
–
|
–
|
–
|
|
10
|
0,97
|
1,30
|
1,45
|
1,61
|
1,83
|
–
|
–
|
–
|
–
|
–
|
|
20
|
0,64
|
0,83
|
0,93
|
1,09
|
1,20
|
–
|
–
|
–
|
–
|
–
|
|
30
|
0,42
|
0,59
|
0,69
|
0,75
|
0,86
|
–
|
–
|
–
|
–
|
–
|
|
45
|
0,28
|
0,41
|
0,47
|
0,53
|
0,61
|
–
|
–
|
–
|
–
|
–
|
|
60
|
0,19
|
0,29
|
0,34
|
0,39
|
0,46
|
–
|
–
|
–
|
–
|
–
|
|
120
|
0,05
|
0,11
|
0,14
|
0,17
|
0,21
|
–
|
–
|
–
|
–
|
–
|
|
180
|
–
|
0,05
|
0,07
|
0,09
|
0,12
|
–
|
–
|
–
|
–
|
–
|
|
240
|
–
|
0,02
|
0,03
|
0,05
|
0,07
|
–
|
–
|
–
|
–
|
–
|
Ливневой подрайон 10в
|
tв
|
T
|
|
10
|
33
|
50
|
100
|
300
|
10
|
33
|
50
|
100
|
300
|
|
|
I кв
|
IV
кв
|
|
0
|
3,42
|
4,64
|
5,10
|
5,80
|
6,73
|
2,76
|
3,98
|
4,44
|
5,14
|
6,07
|
|
5
|
1,77
|
2,40
|
2,64
|
3,00
|
3,48
|
1,15
|
1,78
|
2,02
|
2,38
|
2,86
|
|
10
|
1,30
|
1,76
|
1,94
|
2,20
|
2,55
|
0,72
|
1,18
|
1,36
|
1,62
|
1,97
|
|
20
|
0,94
|
1,24
|
1,36
|
1,60
|
1,76
|
0,40
|
0,70
|
0,82
|
1,06
|
1,22
|
|
30
|
0,71
|
0,96
|
1,06
|
1,20
|
1,39
|
0,21
|
0,46
|
0,56
|
0,70
|
0,89
|
|
45
|
0,61
|
0,70
|
0,77
|
0,87
|
1,01
|
0,05
|
0,24
|
0,31
|
0,41
|
0,55
|
|
60
|
0,39
|
0,53
|
0,61
|
0,70
|
0,80
|
–
|
0,11
|
0,19
|
0,28
|
0,38
|
|
120
|
0,24
|
0,33
|
0,36
|
0,41
|
0,48
|
–
|
–
|
0,02
|
0,07
|
0,14
|
|
180
|
0,17
|
0,23
|
0,26
|
0,29
|
0,34
|
–
|
–
|
–
|
–
|
0,04
|
|
240
|
0,14
|
0,19
|
0,21
|
0,24
|
0,28
|
–
|
–
|
–
|
–
|
0,01
|
|
|
II
кв
|
V
кв
|
|
0
|
3,29
|
4,51
|
4,97
|
5,67
|
6,60
|
0,97
|
2,31
|
2,65
|
3,35
|
4,28
|
|
5
|
1,64
|
2,27
|
2,51
|
2,87
|
3,35
|
–
|
0,12
|
0,36
|
0,72
|
1,20
|
|
10
|
1,18
|
1,64
|
1,82
|
2,08
|
2,43
|
–
|
–
|
–
|
–
|
0,44
|
|
20
|
0,82
|
1,12
|
1,24
|
1,48
|
1,64
|
–
|
–
|
–
|
–
|
–
|
|
30
|
0,60
|
0,85
|
0,95
|
1,09
|
1,28
|
–
|
–
|
–
|
–
|
–
|
|
45
|
0,41
|
0,60
|
0,67
|
0,77
|
0,91
|
–
|
–
|
–
|
–
|
–
|
|
60
|
0,29
|
0,43
|
0,51
|
0,60
|
0,70
|
–
|
–
|
–
|
–
|
–
|
|
120
|
0,15
|
0,24
|
0,27
|
0,32
|
0,39
|
–
|
–
|
–
|
–
|
–
|
|
180
|
0,09
|
0,15
|
0,18
|
0,21
|
0,26
|
–
|
–
|
–
|
–
|
–
|
|
240
|
0,07
|
0,12
|
0,14
|
0,17
|
0,21
|
–
|
–
|
–
|
–
|
–
|
|
|
III
кв
|
VI
кв
|
|
0
|
3,20
|
4,42
|
4,88
|
5,88
|
6,51
|
–
|
–
|
–
|
–
|
–
|
|
5
|
1,55
|
2,18
|
2,42
|
2,78
|
3,26
|
–
|
–
|
–
|
–
|
–
|
|
10
|
1,09
|
1,55
|
1,73
|
1,99
|
2,34
|
–
|
–
|
–
|
–
|
–
|
|
20
|
0,73
|
1,03
|
1,15
|
1,39
|
1,55
|
–
|
–
|
–
|
–
|
–
|
|
30
|
0,51
|
0,76
|
0,86
|
1,00
|
1,19
|
–
|
–
|
–
|
–
|
–
|
|
45
|
0,32
|
0,51
|
0,58
|
0,68
|
0,82
|
–
|
–
|
–
|
–
|
–
|
|
60
|
0,20
|
0,34
|
0,42
|
0,51
|
0,61
|
–
|
–
|
–
|
–
|
–
|
|
120
|
0,07
|
0,16
|
0,13
|
0,24
|
0,31
|
–
|
–
|
–
|
–
|
–
|
|
180
|
0,01
|
0,07
|
0,10
|
0,13
|
0,18
|
–
|
–
|
–
|
–
|
–
|
|
240
|
–
|
0,04
|
0,06
|
0,09
|
0,16
|
–
|
–
|
–
|
–
|
–
|
Ливневой подрайон 10г
|
tв
|
T
|
|
10
|
33
|
50
|
100
|
300
|
10
|
33
|
50
|
100
|
300
|
|
|
I кв
|
IV
кв
|
|
0
|
2,43
|
3,09
|
3,27
|
3,72
|
4,25
|
1,71
|
2,37
|
2,55
|
3,00
|
3,53
|
|
5
|
1,62
|
2,06
|
2,18
|
2,48
|
2,83
|
0,96
|
1,40
|
1,52
|
1,82
|
2,17
|
|
10
|
1,25
|
1,60
|
1,69
|
1,92
|
2,19
|
0,62
|
0,97
|
1,06
|
1,29
|
1,56
|
|
20
|
0,80
|
1,01
|
1,10
|
1,22
|
1,46
|
0,22
|
0,43
|
0,52
|
0,64
|
0,88
|
|
30
|
0,60
|
0,76
|
0,81
|
0,92
|
1,05
|
0,06
|
0,22
|
0,27
|
0,38
|
0,51
|
|
45
|
0,44
|
0,56
|
0,59
|
0,67
|
0,76
|
–
|
0,08
|
0,11
|
0,19
|
0,28
|
|
60
|
0,35
|
0,44
|
0,47
|
0,53
|
0,60
|
–
|
–
|
0,03
|
0,09
|
0,16
|
|
120
|
0,20
|
0,26
|
0,27
|
0,31
|
0,35
|
–
|
–
|
–
|
–
|
–
|
|
180
|
0,16
|
0,20
|
0,21
|
0,24
|
0,27
|
–
|
–
|
–
|
–
|
–
|
|
240
|
0,12
|
0,16
|
0,17
|
0,19
|
0,22
|
–
|
–
|
–
|
–
|
–
|
|
|
II
кв
|
V
кв
|
|
0
|
2,30
|
2,96
|
3,14
|
3,59
|
4,12
|
–
|
0,32
|
0,50
|
0,95
|
1,48
|
|
5
|
1,49
|
1,93
|
2,05
|
2,35
|
2,70
|
–
|
–
|
–
|
–
|
0,31
|
|
10
|
1,13
|
1,48
|
1,57
|
1,80
|
2,07
|
–
|
–
|
–
|
–
|
–
|
|
20
|
0,63
|
0,89
|
0,98
|
1,10
|
1,34
|
–
|
–
|
–
|
–
|
–
|
|
30
|
0,48
|
0,64
|
0,69
|
0,80
|
0,93
|
–
|
–
|
–
|
–
|
–
|
|
45
|
0,33
|
0,45
|
0,48
|
0,56
|
0,65
|
–
|
–
|
–
|
–
|
–
|
|
60
|
0,24
|
0,33
|
0,36
|
0,42
|
0,49
|
–
|
–
|
–
|
–
|
–
|
|
120
|
0,11
|
0,17
|
0,18
|
0,22
|
0,26
|
–
|
–
|
–
|
–
|
–
|
|
180
|
0,08
|
0,12
|
0,13
|
0,16
|
0,19
|
–
|
–
|
–
|
–
|
–
|
|
240
|
0,05
|
0,09
|
0,10
|
0,12
|
0,15
|
–
|
–
|
–
|
–
|
–
|
|
|
III
кв
|
VI
кв
|
|
0
|
2,20
|
2,86
|
3,04
|
3,49
|
4,02
|
–
|
–
|
–
|
–
|
–
|
|
5
|
1,39
|
1,83
|
1,95
|
2,25
|
2,60
|
–
|
–
|
–
|
–
|
–
|
|
10
|
1,03
|
1,38
|
1,47
|
1,70
|
1,97
|
–
|
–
|
–
|
–
|
–
|
|
20
|
0,58
|
0,79
|
0,88
|
1,00
|
1,24
|
–
|
–
|
–
|
–
|
–
|
|
30
|
0,39
|
0,55
|
0,60
|
0,71
|
0,84
|
–
|
–
|
–
|
–
|
–
|
|
45
|
0,24
|
0,36
|
0,39
|
0,47
|
0,56
|
–
|
–
|
–
|
–
|
–
|
|
60
|
0,15
|
0,24
|
0,27
|
0,33
|
0,40
|
–
|
–
|
–
|
–
|
–
|
|
120
|
0,02
|
0,08
|
0,09
|
0,13
|
0,17
|
–
|
–
|
–
|
–
|
–
|
|
180
|
0,00
|
0,03
|
0,04
|
0,07
|
0,10
|
–
|
–
|
–
|
–
|
_
|
|
240
|
–
|
–
|
0,01
|
0,03
|
0,06
|
–
|
–
|
–
|
–
|
–
|
Ливневой подрайон 10д
|
tв
|
T
|
|
10
|
33
|
50
|
100
|
300
|
10
|
33
|
50
|
100
|
300
|
|
|
I кв
|
IV
кв
|
|
0
|
4,14
|
5,07
|
5,56
|
5,83
|
6,58
|
3,42
|
4,35
|
4,84
|
5,17
|
5,86
|
|
5
|
2,02
|
2,43
|
2,72
|
2,88
|
3,22
|
1,36
|
1,82
|
2,06
|
2,22
|
2,56
|
|
10
|
1,44
|
1,83
|
1,94
|
2,13
|
2,39
|
0,81
|
1,20
|
1,31
|
1,50
|
1,76
|
|
20
|
1,04
|
1,28
|
1,37
|
1,49
|
1,71
|
0,46
|
0,70
|
0,79
|
0,91
|
1,13
|
|
30
|
0,84
|
1,03
|
1,09
|
1,20
|
1,34
|
0,30
|
0,49
|
0,55
|
0,66
|
0,80
|
|
45
|
0,61
|
0,71
|
0,79
|
0,87
|
0,97
|
0,13
|
0,23
|
0,31
|
0,39
|
0,49
|
|
60
|
0,48
|
0,58
|
0,62
|
0,68
|
0,76
|
0,04
|
0,14
|
0,18
|
0,24
|
0,32
|
|
120
|
0,29
|
0,36
|
0,38
|
0,42
|
0,47
|
–
|
–
|
0,02
|
0,06
|
0,11
|
|
180
|
0,21
|
0,26
|
0,27
|
0,30
|
0,34
|
–
|
–
|
–
|
–
|
0,03
|
|
240
|
0,18
|
0,22
|
0,23
|
0,25
|
0,28
|
–
|
–
|
–
|
–
|
–
|
|
|
II
кв
|
V
кв
|
|
0
|
4,01
|
4,94
|
5,43
|
5,76
|
6,45
|
1,37
|
2,50
|
2,79
|
3,12
|
3,81
|
|
5
|
1,89
|
2,35
|
2,59
|
2,75
|
3,09
|
–
|
–
|
0,20
|
0,36
|
0,70
|
|
10
|
1,32
|
1,71
|
1,82
|
2,01
|
2,27
|
–
|
–
|
–
|
–
|
0,07
|
|
20
|
0,92
|
1,16
|
1,25
|
1,37
|
1,59
|
–
|
–
|
–
|
–
|
–
|
|
30
|
0,72
|
0,91
|
0,97
|
1,08
|
1,22
|
–
|
–
|
–
|
–
|
–
|
|
45
|
0,50
|
0,60
|
0,68
|
0,76
|
0,86
|
–
|
–
|
–
|
–
|
–
|
|
60
|
0,37
|
0,47
|
0,51
|
0,57
|
0,65
|
–
|
–
|
–
|
–
|
–
|
|
120
|
0,20
|
0,27
|
0,29
|
0,33
|
0,38
|
–
|
–
|
–
|
–
|
–
|
|
180
|
0,13
|
0,18
|
0,19
|
0,22
|
0,26
|
–
|
–
|
–
|
–
|
–
|
|
240
|
0,11
|
0,15
|
0,16
|
0,18
|
0,21
|
–
|
–
|
–
|
–
|
_
|
|
|
III
кв
|
VI
кв
|
|
0
|
3,91
|
4,84
|
5,33
|
5,66
|
6,35
|
–
|
–
|
–
|
–
|
–
|
|
5
|
1,79
|
2,25
|
2,49
|
2,65
|
2,99
|
–
|
–
|
–
|
–
|
–
|
|
10
|
1,22
|
1,61
|
1,72
|
1,91
|
2,17
|
–
|
–
|
–
|
–
|
–
|
|
20
|
0,82
|
1,06
|
1,15
|
1,27
|
1,49
|
–
|
–
|
–
|
–
|
–
|
|
30
|
0,68
|
0,82
|
0,88
|
0,99
|
1,13
|
–
|
–
|
–
|
–
|
–
|
|
45
|
0,41
|
0,51
|
0,59
|
0,67
|
0,77
|
–
|
–
|
–
|
–
|
–
|
|
60
|
0,28
|
0,38
|
0,42
|
0,48
|
0,56
|
–
|
–
|
–
|
–
|
–
|
|
120
|
0,11
|
0,18
|
0,20
|
0,24
|
0,29
|
–
|
–
|
–
|
–
|
–
|
|
180
|
0,04
|
0,09
|
0,10
|
0,13
|
0,17
|
–
|
–
|
–
|
–
|
–
|
|
240
|
0,02
|
0,06
|
0,07
|
0,09
|
0,12
|
–
|
–
|
–
|
–
|
–
|
Ливневой подрайон 10е
|
tв
|
T
|
|
10
|
33
|
50
|
100
|
300
|
10
|
33
|
50
|
100
|
300
|
|
|
I кв
|
IV
кв
|
|
0
|
2,36
|
3,84
|
4,12
|
4,62
|
5,36
|
2,14
|
3,12
|
3,40
|
3,90
|
4,64
|
|
5
|
2,10
|
2,82
|
3,03
|
3,40
|
3,84
|
1,44
|
2,16
|
2,37
|
2,74
|
3,28
|
|
10
|
1,67
|
2,24
|
2,42
|
2,70
|
3,13
|
1,04
|
1,61
|
1,79
|
2,04
|
2,50
|
|
20
|
1,18
|
1,58
|
1,69
|
1,90
|
2,20
|
0,60
|
1,00
|
1,11
|
1,32
|
1,62
|
|
30
|
0,90
|
1,20
|
1,29
|
1,45
|
1,68
|
0,36
|
0,66
|
0,75
|
0,91
|
1,14
|
|
45
|
0,65
|
0,87
|
0,94
|
1,05
|
1,22
|
0,17
|
0,39
|
0,46
|
0,57
|
0,74
|
|
60
|
0,52
|
0,69
|
0,74
|
0,83
|
0,96
|
0,08
|
0,25
|
0,30
|
0,39
|
0,52
|
|
120
|
0,31
|
0,42
|
0,44
|
0,50
|
0,58
|
–
|
0,06
|
0,08
|
0,14
|
0,22
|
|
180
|
0,21
|
0,28
|
0,30
|
0,34
|
0,40
|
–
|
–
|
–
|
0,03
|
0,09
|
|
240
|
0,17
|
0,22
|
0,24
|
0,27
|
0,31
|
–
|
–
|
–
|
–
|
0,03
|
|
|
II
кв
|
V
кв
|
|
0
|
2,73
|
3,71
|
3,99
|
4,49
|
5,23
|
0,09
|
1,07
|
1,35
|
1,85
|
2,59
|
|
5
|
1,97
|
2,69
|
2,90
|
3,27
|
3,81
|
–
|
0,30
|
0,51
|
0,88
|
1,42
|
|
10
|
1,55
|
2,12
|
2,30
|
2,58
|
3,01
|
–
|
–
|
0,10
|
0,38
|
0,81
|
|
20
|
1,06
|
1,46
|
1,57
|
1,78
|
2,08
|
–
|
–
|
–
|
–
|
0,12
|
|
30
|
0,78
|
1,08
|
1,17
|
1,33
|
1,56
|
–
|
–
|
–
|
–
|
–
|
|
45
|
0,54
|
0,76
|
0,83
|
0,94
|
1,11
|
–
|
–
|
–
|
–
|
–
|
|
60
|
0,41
|
0,58
|
0,63
|
0,72
|
0,85
|
–
|
–
|
–
|
–
|
–
|
|
120
|
0,22
|
0,33
|
0,35
|
0,41
|
0,49
|
–
|
–
|
–
|
–
|
–
|
|
180
|
0,13
|
0,20
|
0,22
|
0,26
|
0,32
|
–
|
–
|
–
|
–
|
–
|
|
240
|
0,10
|
0,15
|
0,17
|
0,20
|
0,24
|
–
|
–
|
–
|
–
|
–
|
|
|
III
кв
|
VI
кв
|
|
0
|
2,63
|
3,61
|
3,89
|
4,39
|
5,13
|
–
|
–
|
–
|
–
|
–
|
|
5
|
1,87
|
2,59
|
2,80
|
3,17
|
3,71
|
–
|
–
|
–
|
–
|
–
|
|
10
|
1,45
|
2,02
|
2,20
|
2,48
|
2,91
|
–
|
–
|
–
|
–
|
–
|
|
20
|
0,96
|
1,36
|
1,47
|
1,68
|
1,98
|
–
|
–
|
–
|
–
|
–
|
|
30
|
0,69
|
0,99
|
1,08
|
1,24
|
1,47
|
–
|
–
|
–
|
–
|
–
|
|
45
|
0,45
|
0,67
|
0,74
|
0,85
|
1,02
|
–
|
–
|
–
|
–
|
–
|
|
60
|
0,32
|
0,49
|
0,54
|
0,63
|
0,76
|
–
|
–
|
–
|
–
|
–
|
|
120
|
0,13
|
0,24
|
0,26
|
0,32
|
0,40
|
–
|
–
|
–
|
–
|
–
|
|
180
|
0,04
|
0,11
|
0,13
|
0,17
|
0,23
|
–
|
–
|
–
|
–
|
–
|
|
240
|
0,01
|
0,06
|
0,08
|
0,11
|
0,15
|
–
|
–
|
–
|
–
|
–
|
Ливневой подрайон 12а
|
tв
|
T
|
|
10
|
33
|
50
|
100
|
300
|
10
|
33
|
50
|
100
|
300
|
|
|
I кв
|
IV
кв
|
|
0
|
2,13
|
2,80
|
3,15
|
3,50
|
4,11
|
1,47
|
2,14
|
2,49
|
2,84
|
3,45
|
|
5
|
1,34
|
1,76
|
1,98
|
2,20
|
2,58
|
0,72
|
1,14
|
1,36
|
1,58
|
1,96
|
|
10
|
1,04
|
1,36
|
1,53
|
1,70
|
1,99
|
0,46
|
0,78
|
0,95
|
1,12
|
1,41
|
|
20
|
0,70
|
0,92
|
1,04
|
1,15
|
1,35
|
0,16
|
0,38
|
0,58
|
0,61
|
0,81
|
|
30
|
0,54
|
0,71
|
0,80
|
0,89
|
1,04
|
0,04
|
0,21
|
0,30
|
0,39
|
0,54
|
|
45
|
0,43
|
0,56
|
0,63
|
0,67
|
0,82
|
–
|
0,10
|
0,17
|
0,21
|
0,36
|
|
60
|
0,35
|
0,46
|
0,52
|
0,53
|
0,63
|
–
|
0,04
|
0,10
|
0,16
|
0,26
|
|
120
|
0,24
|
0,32
|
0,36
|
0,40
|
0,47
|
–
|
–
|
0,02
|
0,06
|
0,13
|
|
180
|
0,20
|
0,26
|
0,29
|
0,32
|
0,37
|
–
|
–
|
–
|
0,02
|
0,07
|
|
240
|
0,17
|
0,22
|
0,25
|
0,28
|
0,33
|
–
|
–
|
–
|
0,01
|
0,06
|
|
|
II
кв
|
V
кв
|
|
0
|
2,00
|
2,67
|
3,02
|
3,37
|
3,98
|
–
|
0,35
|
0,70
|
1,05
|
1,66
|
|
5
|
1,21
|
1,63
|
1,85
|
2,07
|
2,45
|
–
|
–
|
–
|
–
|
0,30
|
|
10
|
0,92
|
1,21
|
1,41
|
1,58
|
1,87
|
–
|
–
|
–
|
–
|
–
|
|
20
|
0,58
|
0,80
|
0,92
|
1,03
|
1,23
|
–
|
–
|
–
|
–
|
–
|
|
30
|
0,43
|
0,60
|
0,69
|
0,78
|
0,93
|
–
|
–
|
–
|
–
|
–
|
|
45
|
0,33
|
0,46
|
0,53
|
0,57
|
0,72
|
–
|
–
|
–
|
–
|
–
|
|
60
|
0,25
|
0,36
|
0,42
|
0,48
|
0,58
|
–
|
–
|
–
|
–
|
–
|
|
120
|
0,15
|
0,23
|
0,27
|
0,31
|
0,38
|
–
|
–
|
–
|
–
|
–
|
|
180
|
0,12
|
0,18
|
0,21
|
0,24
|
0,29
|
–
|
–
|
–
|
–
|
–
|
|
240
|
0,10
|
0,15
|
0,18
|
0,21
|
0,26
|
–
|
–
|
–
|
–
|
–
|
|
|
III
кв
|
VI
кв
|
|
0
|
1,91
|
2,58
|
2,93
|
3,28
|
3,89
|
–
|
–
|
–
|
–
|
–
|
|
5
|
1,12
|
1,54
|
1,76
|
1,98
|
2,36
|
–
|
–
|
–
|
–
|
–
|
|
10
|
0,83
|
1,15
|
1,32
|
1,49
|
1,76
|
–
|
–
|
–
|
–
|
–
|
|
20
|
0,49
|
0,71
|
0,83
|
0,94
|
1,14
|
–
|
–
|
–
|
–
|
–
|
|
30
|
0,34
|
0,51
|
0,60
|
0,69
|
0,84
|
–
|
–
|
–
|
–
|
–
|
|
45
|
0,24
|
0,37
|
0,44
|
0,48
|
0,63
|
–
|
–
|
–
|
–
|
–
|
|
60
|
0,16
|
0,27
|
0,33
|
0,39
|
0,49
|
–
|
–
|
–
|
–
|
–
|
|
120
|
0,07
|
0,15
|
0,19
|
0,23
|
0,30
|
–
|
–
|
–
|
–
|
–
|
|
180
|
0,04
|
0,10
|
0,13
|
0,16
|
0,21
|
–
|
–
|
–
|
–
|
–
|
|
240
|
0,02
|
0,07
|
0,10
|
0,13
|
0,18
|
–
|
–
|
–
|
–
|
–
|
Ливневой подрайон 12б
|
tв
|
T
|
|
10
|
33
|
50
|
100
|
300
|
10
|
33
|
50
|
100
|
300
|
|
|
I кв
|
IV
кв
|
|
0
|
2,13
|
2,80
|
3,15
|
3,50
|
4,11
|
1,47
|
2,14
|
2,49
|
2,84
|
3,45
|
|
5
|
1,34
|
1,76
|
1,98
|
2,20
|
2,58
|
0,72
|
1,14
|
1,36
|
1,58
|
1,96
|
|
10
|
1,04
|
1,36
|
1,53
|
1,70
|
1,99
|
0,46
|
0,78
|
0,95
|
1,12
|
1,41
|
|
20
|
0,70
|
0,92
|
1,04
|
1,15
|
1,35
|
0,16
|
0,38
|
0,50
|
0,61
|
0,81
|
|
30
|
0,54
|
0,71
|
0,80
|
0,91
|
1,04
|
0,04
|
0,21
|
0,30
|
0,41
|
0,54
|
|
45
|
0,43
|
0,56
|
0,63
|
0,70
|
0,82
|
–
|
0,10
|
0,17
|
0,24
|
0,36
|
|
60
|
0,35
|
0,46
|
0,52
|
0,58
|
0,68
|
–
|
0,04
|
0,10
|
0,16
|
0,26
|
|
120
|
0,24
|
0,32
|
0,36
|
0,40
|
0,47
|
–
|
–
|
0,02
|
0,06
|
0,13
|
|
180
|
0,20
|
0,26
|
0,29
|
0,32
|
0,37
|
–
|
–
|
–
|
0,02
|
0,07
|
|
240
|
0,17
|
0,22
|
0,25
|
0,28
|
0,33
|
–
|
–
|
–
|
0,01
|
0,06
|
|
|
II
кв
|
V
кв
|
|
0
|
2,00
|
2,67
|
3,02
|
3,37
|
3,96
|
–
|
0,35
|
0,70
|
1,05
|
1,66
|
|
5
|
1,21
|
1,63
|
1,85
|
2,07
|
2,45
|
–
|
–
|
–
|
–
|
0,30
|
|
10
|
0,92
|
1,24
|
1,41
|
1,58
|
1,87
|
–
|
–
|
–
|
–
|
–
|
|
20
|
0,58
|
0,80
|
0,92
|
1,03
|
1,23
|
–
|
–
|
–
|
–
|
–
|
|
30
|
0,43
|
0,60
|
0,69
|
0,80
|
0,93
|
–
|
–
|
–
|
–
|
–
|
|
45
|
0,33
|
0,46
|
0,53
|
0,60
|
0,72
|
–
|
–
|
–
|
–
|
–
|
|
60
|
0,25
|
0,36
|
0,42
|
0,48
|
0,58
|
–
|
–
|
–
|
–
|
–
|
|
120
|
0,15
|
0,23
|
0,27
|
0,31
|
0,38
|
–
|
–
|
–
|
–
|
–
|
|
180
|
0,12
|
0,18
|
0,21
|
0,24
|
0,29
|
–
|
–
|
–
|
–
|
–
|
|
240
|
0,10
|
0,15
|
0,18
|
0,21
|
0,26
|
–
|
–
|
–
|
–
|
–
|
|
|
III
кв
|
VI
кв
|
|
0
|
1,91
|
2,58
|
2,93
|
3,28
|
3,89
|
–
|
–
|
–
|
–
|
–
|
|
5
|
1,12
|
1,54
|
1,76
|
1,98
|
2,36
|
–
|
–
|
–
|
–
|
–
|
|
10
|
0,83
|
1,15
|
1,32
|
1,49
|
1,78
|
–
|
–
|
–
|
–
|
–
|
|
20
|
0,49
|
0,71
|
0,83
|
0,94
|
1,14
|
–
|
–
|
–
|
–
|
–
|
|
30
|
0,34
|
0,51
|
0,60
|
0,71
|
0,84
|
–
|
–
|
–
|
–
|
–
|
|
45
|
0,24
|
0,37
|
0,44
|
0,51
|
0,63
|
–
|
–
|
–
|
–
|
–
|
|
60
|
0,16
|
0,27
|
0,33
|
0,39
|
0,49
|
–
|
–
|
–
|
–
|
–
|
|
120
|
0,07
|
0,15
|
0,19
|
0,23
|
0,30
|
–
|
–
|
–
|
–
|
–
|
|
180
|
0,04
|
0,10
|
0,13
|
0,16
|
0,21
|
–
|
–
|
–
|
–
|
–
|
|
240
|
0,02
|
0,07
|
0,10
|
0,13
|
0,18
|
–
|
–
|
–
|
–
|
–
|
|
Ливневой подрайон 12в
|
|
tв
|
T
|
|
10
|
33
|
50
|
100
|
300
|
10
|
33
|
50
|
100
|
300
|
|
|
I кв
|
IV
кв
|
|
0
|
3,58
|
4,90
|
5,40
|
6,15
|
7,15
|
2,98
|
4,30
|
4,80
|
5,55
|
6,55
|
|
5
|
1,72
|
2,35
|
2,59
|
2,95
|
3,43
|
1,15
|
1,78
|
2,02
|
2,38
|
2,86
|
|
10
|
1,26
|
1,72
|
1,90
|
2,16
|
2,34
|
0,72
|
1,18
|
1,36
|
1,62
|
1,97
|
|
20
|
0,90
|
1,34
|
1,37
|
1,56
|
1,72
|
0,40
|
0,74
|
0,87
|
1,06
|
1,22
|
|
30
|
0,67
|
0,94
|
1,05
|
1,19
|
1,35
|
0,21
|
0,48
|
0,59
|
0,73
|
0,89
|
|
45
|
0,48
|
0,67
|
0,74
|
0,84
|
0,98
|
0,05
|
0,24
|
0,31
|
0,41
|
0,55
|
|
60
|
0,39
|
0,50
|
0,58
|
0,68
|
0,78
|
–
|
0,11
|
0,19
|
0,29
|
0,39
|
|
120
|
0,24
|
0,33
|
0,34
|
0,39
|
0,46
|
–
|
–
|
0,02
|
0,07
|
0,14
|
|
180
|
0,17
|
0,23
|
0,26
|
0,29
|
0,34
|
–
|
–
|
–
|
–
|
0,04
|
|
240
|
0,14
|
0,19
|
0,21
|
0,24
|
0,27
|
–
|
–
|
–
|
–
|
0,01
|
|
|
II
кв
|
V
кв
|
|
0
|
3,45
|
4,77
|
5,27
|
6,02
|
7,02
|
1,45
|
2,77
|
3,27
|
4,02
|
5,02
|
|
5
|
1,59
|
2,22
|
2,46
|
2,82
|
2,30
|
–
|
0,32
|
0,56
|
0,92
|
1,40
|
|
10
|
1,14
|
1,60
|
1,78
|
2,04
|
2,22
|
–
|
–
|
–
|
0,26
|
0,61
|
|
20
|
0,78
|
1,22
|
1,25
|
1,44
|
1,60
|
–
|
–
|
–
|
–
|
–
|
|
30
|
0,56
|
0,83
|
0,94
|
1,08
|
1,24
|
–
|
–
|
–
|
–
|
–
|
|
45
|
0,38
|
0,57
|
0,64
|
0,74
|
0,88
|
–
|
–
|
–
|
–
|
–
|
|
60
|
0,29
|
0,40
|
0,48
|
0,58
|
0,68
|
–
|
–
|
–
|
–
|
–
|
|
120
|
0,15
|
0,24
|
0,25
|
0,30
|
0,37
|
–
|
–
|
–
|
–
|
–
|
|
180
|
0,09
|
0,15
|
0,18
|
0,21
|
0,25
|
–
|
–
|
–
|
–
|
–
|
|
240
|
0,07
|
0,12
|
0,14
|
0,17
|
0,20
|
–
|
–
|
–
|
–
|
–
|
|
|
III
кв
|
VI
кв
|
|
0
|
3,36
|
4,68
|
5,18
|
5,93
|
6,93
|
–
|
–
|
–
|
–
|
–
|
|
5
|
1,50
|
2,13
|
2,37
|
2,73
|
3,21
|
–
|
–
|
–
|
–
|
–
|
|
10
|
1,05
|
1,51
|
1,69
|
1,95
|
2,13
|
–
|
–
|
–
|
–
|
–
|
|
20
|
0,69
|
1,03
|
1,16
|
1,35
|
1,51
|
–
|
–
|
–
|
–
|
–
|
|
30
|
0,47
|
0,74
|
0,85
|
0,99
|
1,15
|
–
|
–
|
–
|
–
|
–
|
|
45
|
0,29
|
0,48
|
0,55
|
0,65
|
0,79
|
–
|
–
|
–
|
–
|
–
|
|
60
|
0,20
|
0,31
|
0,39
|
0,49
|
0,59
|
–
|
–
|
–
|
–
|
–
|
|
120
|
0,07
|
0,16
|
0,17
|
0,22
|
0,29
|
–
|
–
|
–
|
–
|
–
|
|
180
|
0,01
|
0,07
|
0,10
|
0,13
|
0,17
|
–
|
–
|
–
|
–
|
–
|
|
240
|
–
|
0,04
|
0,06
|
0,09
|
0,12
|
–
|
–
|
–
|
–
|
–
|
Ливневой подрайон 12г
|
tв
|
T
|
|
10
|
33
|
50
|
100
|
300
|
10
|
33
|
50
|
100
|
300
|
|
|
I кв
|
IV
кв
|
|
0
|
2,43
|
3,09
|
3,27
|
3,72
|
4,25
|
1,71
|
2,37
|
2,55
|
3,00
|
3,53
|
|
5
|
1,62
|
2,06
|
2,18
|
2,48
|
2,83
|
0,96
|
1,40
|
1,52
|
1,82
|
2,17
|
|
10
|
1,25
|
1,60
|
1,69
|
1,92
|
2,19
|
0,62
|
0,97
|
1,06
|
1,29
|
1,56
|
|
20
|
0,80
|
1,01
|
1,13
|
1,22
|
1,39
|
0,22
|
0,43
|
0,55
|
0,54
|
0,91
|
|
30
|
0,60
|
0,76
|
0,83
|
0,92
|
1,05
|
0,06
|
0,22
|
0,29
|
0,38
|
0,51
|
|
45
|
0,44
|
0,56
|
0,59
|
0,67
|
0,76
|
–
|
0,08
|
0,11
|
0,19
|
0,28
|
|
60
|
0,35
|
0,44
|
0,47
|
0,53
|
0,60
|
–
|
–
|
0,03
|
0,09
|
0,16
|
|
120
|
0,20
|
0,26
|
0,27
|
0,31
|
0,35
|
–
|
–
|
–
|
–
|
–
|
|
180
|
0,16
|
0,20
|
0,21
|
0,24
|
0,27
|
–
|
–
|
–
|
–
|
–
|
|
240
|
0,12
|
0,16
|
0,17
|
0,19
|
0,22
|
–
|
–
|
–
|
–
|
–
|
|
|
II
кв
|
V
кв
|
|
0
|
2,30
|
2,96
|
3,14
|
3,59
|
4,12
|
–
|
0,32
|
0,50
|
0,95
|
1,48
|
|
5
|
1,49
|
1,93
|
2,05
|
2,35
|
2,70
|
–
|
–
|
–
|
–
|
0,31
|
|
10
|
1,13
|
1,48
|
1,57
|
1,80
|
2,07
|
–
|
–
|
–
|
–
|
–
|
|
20
|
0,68
|
0,89
|
1,01
|
1,10
|
1,27
|
–
|
–
|
–
|
–
|
–
|
|
30
|
0,48
|
0,64
|
0,71
|
0,80
|
0,93
|
–
|
–
|
–
|
–
|
–
|
|
45
|
0,33
|
0,45
|
0,48
|
0,56
|
0,65
|
–
|
–
|
–
|
–
|
–
|
|
60
|
0,24
|
0,33
|
0,36
|
0,42
|
0,49
|
–
|
–
|
–
|
–
|
–
|
|
120
|
0,11
|
0,17
|
0,18
|
0,22
|
0,26
|
–
|
–
|
–
|
–
|
–
|
|
180
|
0,08
|
0,12
|
0,13
|
0,16
|
0,19
|
–
|
–
|
–
|
–
|
–
|
|
240
|
0,05
|
0,09
|
0,10
|
0,12
|
0,15
|
–
|
–
|
–
|
–
|
–
|
|
|
III
кв
|
VI
кв
|
|
0
|
2,20
|
2,86
|
3,04
|
3,49
|
4,02
|
–
|
–
|
–
|
–
|
–
|
|
5
|
1,39
|
1,83
|
1,95
|
2,25
|
2,60
|
–
|
–
|
–
|
–
|
–
|
|
10
|
1,03
|
1,38
|
1,47
|
1,70
|
1,97
|
–
|
–
|
–
|
–
|
–
|
|
20
|
0,58
|
0,79
|
0,91
|
1,00
|
1,17
|
–
|
–
|
–
|
–
|
–
|
|
30
|
0,39
|
0,55
|
0,62
|
0,71
|
0,84
|
–
|
–
|
–
|
–
|
–
|
|
45
|
0,24
|
0,36
|
0,39
|
0,47
|
0,56
|
–
|
–
|
–
|
–
|
–
|
|
60
|
0,15
|
0,24
|
0,27
|
0,33
|
0,40
|
–
|
–
|
–
|
–
|
–
|
|
120
|
0,02
|
0,08
|
0,09
|
0,13
|
0,17
|
–
|
–
|
–
|
–
|
–
|
|
180
|
–
|
0,03
|
0,04
|
0,07
|
0,10
|
–
|
–
|
–
|
–
|
–
|
|
240
|
–
|
–
|
0,01
|
0,03
|
0,06
|
–
|
–
|
–
|
–
|
–
|
Ливневой подрайон 12д
|
tв
|
T
|
|
10
|
33
|
50
|
100
|
300
|
10
|
33
|
50
|
100
|
300
|
|
|
I кв
|
IV
кв
|
|
0
|
2,43
|
3,09
|
3,27
|
3,72
|
4,25
|
1,71
|
2,37
|
2,55
|
3,00
|
3,53
|
|
5
|
1,62
|
2,06
|
2,18
|
2,48
|
2,83
|
0,96
|
1,40
|
1,52
|
1,82
|
2,17
|
|
10
|
1,25
|
1,60
|
1,69
|
1,92
|
2,19
|
0,62
|
0,97
|
1,06
|
1,29
|
1,56
|
|
20
|
0,80
|
1,01
|
1,11
|
1,22
|
1,39
|
0,22
|
0,43
|
0,53
|
0,64
|
0,81
|
|
30
|
0,60
|
0,76
|
0,84
|
0,92
|
1,03
|
0,06
|
0,22
|
0,30
|
0,38
|
0,49
|
|
45
|
0,44
|
0,56
|
0,59
|
0,67
|
0,76
|
–
|
0,08
|
0,11
|
0,19
|
0,28
|
|
60
|
0,35
|
0,44
|
0,47
|
0,53
|
0,60
|
–
|
–
|
0,03
|
0,09
|
0,16
|
|
120
|
0,20
|
0,26
|
0,27
|
0,31
|
0,35
|
–
|
–
|
–
|
–
|
–
|
|
180
|
0,16
|
0,20
|
0,21
|
0,24
|
0,27
|
–
|
–
|
–
|
–
|
–
|
|
240
|
0,12
|
0,16
|
0,17
|
0,19
|
0,22
|
–
|
–
|
–
|
–
|
–
|
|
|
II
кв
|
V
кв
|
|
0
|
2,30
|
2,96
|
3,14
|
3,59
|
4,12
|
–
|
–
|
–
|
–
|
–
|
|
5
|
1,49
|
1,93
|
2,05
|
2,35
|
2,70
|
–
|
–
|
–
|
–
|
–
|
|
10
|
1,13
|
1,48
|
1,57
|
1,80
|
2,07
|
–
|
–
|
–
|
–
|
–
|
|
20
|
0,68
|
0,89
|
0,99
|
1,10
|
1,27
|
–
|
–
|
–
|
–
|
–
|
|
30
|
0,48
|
0,64
|
0,72
|
0,80
|
0,91
|
–
|
–
|
–
|
–
|
–
|
|
45
|
0,33
|
0,45
|
0,48
|
0,56
|
0,65
|
–
|
–
|
–
|
–
|
–
|
|
60
|
0,24
|
0,33
|
0,36
|
0,42
|
0,49
|
–
|
–
|
–
|
–
|
–
|
|
120
|
0,11
|
0,17
|
0,18
|
0,22
|
0,26
|
–
|
–
|
–
|
–
|
–
|
|
180
|
0,08
|
0,12
|
0,13
|
0,16
|
0,19
|
–
|
–
|
–
|
–
|
–
|
|
240
|
0,05
|
0,09
|
0,10
|
0,12
|
0,15
|
–
|
–
|
–
|
–
|
–
|
|
|
III
кв
|
VI
кв
|
|
0
|
2,20
|
2,86
|
3,04
|
3,49
|
4,02
|
–
|
–
|
–
|
–
|
–
|
|
5
|
1,39
|
1,83
|
1,95
|
2,25
|
2,60
|
–
|
–
|
–
|
–
|
–
|
|
10
|
1,03
|
1,38
|
1,47
|
1,70
|
1,97
|
–
|
–
|
–
|
–
|
–
|
|
20
|
0,58
|
0,79
|
0,89
|
1,00
|
1,17
|
–
|
–
|
–
|
–
|
–
|
|
30
|
0,39
|
0,55
|
0,63
|
0,71
|
0,82
|
–
|
–
|
–
|
–
|
–
|
|
45
|
0,24
|
0,36
|
0,39
|
0,47
|
0,56
|
–
|
–
|
–
|
–
|
–
|
|
60
|
0,15
|
0,24
|
0,27
|
0,33
|
0,40
|
–
|
–
|
–
|
–
|
–
|
|
120
|
0,02
|
0,08
|
0,09
|
0,13
|
0,17
|
–
|
–
|
–
|
–
|
–
|
|
180
|
–
|
0,03
|
0,04
|
0,07
|
0,10
|
–
|
–
|
–
|
–
|
–
|
|
240
|
–
|
–
|
0,01
|
0,03
|
0,06
|
–
|
–
|
–
|
–
|
–
|
Ливневой подрайон 13а
|
tв
|
T
|
|
10
|
33
|
50
|
100
|
300
|
10
|
33
|
50
|
100
|
300
|
|
|
I кв
|
IV
кв
|
|
0
|
1,13
|
1,68
|
1,70
|
1,98
|
2,34
|
0,41
|
0,96
|
0,98
|
1,26
|
1,62
|
|
5
|
0,90
|
1,34
|
1,36
|
1,58
|
1,87
|
0,24
|
0,68
|
0,70
|
0,92
|
1,21
|
|
10
|
0,67
|
1,07
|
1,12
|
1,20
|
1,30
|
0,14
|
0,44
|
0,49
|
0,57
|
0,67
|
|
20
|
0,42
|
0,62
|
0,74
|
0,79
|
0,93
|
–
|
0,04
|
0,16
|
0,21
|
0,35
|
|
30
|
0,34
|
0,47
|
0,52
|
0,60
|
0,74
|
–
|
–
|
–
|
0,09
|
0,20
|
|
45
|
0,27
|
0,38
|
0,41
|
0,49
|
0,57
|
–
|
–
|
–
|
0,01
|
0,10
|
|
60
|
0,22
|
0,31
|
0,34
|
0,39
|
0,47
|
–
|
–
|
–
|
–
|
–
|
|
120
|
0,13
|
0,20
|
0,22
|
0,25
|
0,30
|
–
|
–
|
–
|
–
|
–
|
|
180
|
0,10
|
0,14
|
0,16
|
0,19
|
0,22
|
–
|
–
|
–
|
–
|
–
|
|
240
|
0,08
|
0,12
|
0,13
|
0,15
|
0,19
|
–
|
–
|
–
|
–
|
–
|
|
|
II
кв
|
V
кв
|
|
0
|
1,00
|
1,55
|
1,57
|
1,85
|
2,21
|
–
|
–
|
–
|
–
|
–
|
|
5
|
0,77
|
1,21
|
1,23
|
1,45
|
1,74
|
–
|
–
|
–
|
–
|
–
|
|
10
|
0,55
|
0,95
|
1,00
|
1,08
|
1,18
|
–
|
–
|
–
|
–
|
–
|
|
20
|
0,31
|
0,50
|
0,62
|
0,67
|
0,81
|
–
|
–
|
–
|
–
|
–
|
|
30
|
0,22
|
0,35
|
0,40
|
0,48
|
0,62
|
–
|
–
|
–
|
–
|
–
|
|
45
|
0,16
|
0,27
|
0,30
|
0,38
|
0,47
|
–
|
–
|
–
|
–
|
–
|
|
60
|
0,11
|
0,20
|
0,23
|
0,28
|
0,36
|
–
|
–
|
–
|
–
|
–
|
|
120
|
0,04
|
0,11
|
0,13
|
0,16
|
0,21
|
–
|
–
|
–
|
–
|
–
|
|
180
|
0,02
|
0,06
|
0,08
|
0,11
|
0,14
|
–
|
–
|
–
|
–
|
–
|
|
240
|
0,01
|
0,05
|
0,06
|
0,08
|
0,12
|
–
|
–
|
–
|
–
|
–
|
|
|
III
кв
|
VI
кв
|
|
0
|
0,90
|
1,45
|
1,47
|
1,75
|
2,11
|
–
|
–
|
–
|
–
|
–
|
|
5
|
0,67
|
1,11
|
1,13
|
1,35
|
1,64
|
–
|
–
|
–
|
–
|
–
|
|
10
|
0,45
|
0,85
|
0,90
|
0,98
|
1,08
|
–
|
–
|
–
|
–
|
–
|
|
20
|
0,21
|
0,40
|
0,52
|
0,57
|
0,71
|
–
|
–
|
–
|
–
|
–
|
|
30
|
0,13
|
0,26
|
0,31
|
0,39
|
0,58
|
–
|
–
|
–
|
–
|
–
|
|
45
|
0,07
|
0,18
|
0,21
|
0,29
|
0,38
|
–
|
–
|
–
|
–
|
–
|
|
60
|
0,02
|
0,11
|
0,14
|
0,19
|
0,27
|
–
|
–
|
–
|
–
|
–
|
|
120
|
–
|
0,02
|
0,04
|
0,07
|
0,12
|
–
|
–
|
–
|
–
|
–
|
|
180
|
–
|
–
|
–
|
0,02
|
0,05
|
–
|
–
|
–
|
–
|
–
|
|
240
|
–
|
–
|
–
|
–
|
0,03
|
–
|
–
|
–
|
–
|
–
|
Ливневой подрайон 13б
|
tв
|
T
|
|
10
|
33
|
50
|
100
|
300
|
10
|
33
|
50
|
100
|
300
|
|
|
I кв
|
IV
кв
|
|
0
|
1,17
|
1,63
|
1,79
|
2,09
|
2,48
|
0,51
|
0,97
|
1,13
|
1,43
|
1,82
|
|
5
|
0,86
|
1,20
|
1,32
|
1,54
|
1,83
|
0,24
|
0,58
|
0,70
|
0,92
|
1,21
|
|
10
|
0,62
|
1,02
|
1,07
|
1,15
|
1,25
|
0,14
|
0,44
|
0,49
|
0,57
|
0,67
|
|
20
|
0,42
|
0,58
|
0,69
|
0,75
|
0,89
|
–
|
0,04
|
0,15
|
0,21
|
0,35
|
|
30
|
0,33
|
0,46
|
0,51
|
0,59
|
0,70
|
–
|
–
|
0,01
|
0,09
|
0,20
|
|
45
|
0,26
|
0,37
|
0,40
|
0,47
|
0,56
|
–
|
–
|
–
|
0,01
|
0,10
|
|
60
|
0,21
|
0,30
|
0,33
|
0,38
|
0,45
|
–
|
–
|
–
|
–
|
0,03
|
|
120
|
0,13
|
0,19
|
0,21
|
0,24
|
0,29
|
–
|
–
|
–
|
–
|
–
|
|
180
|
0,10
|
0,14
|
0,16
|
0,18
|
0,21
|
–
|
–
|
–
|
–
|
–
|
|
240
|
0,08
|
0,12
|
0,13
|
0,15
|
0,18
|
–
|
–
|
–
|
–
|
–
|
|
|
II
кв
|
V
кв
|
|
0
|
1,04
|
1,50
|
1,66
|
1,96
|
2,35
|
–
|
–
|
–
|
–
|
–
|
|
5
|
0,73
|
1,07
|
1,19
|
1,41
|
1,70
|
–
|
–
|
–
|
–
|
–
|
|
10
|
0,50
|
0,90
|
0,65
|
1,03
|
1,13
|
–
|
–
|
–
|
–
|
–
|
|
20
|
0,30
|
0,46
|
0,57
|
0,63
|
0,77
|
–
|
–
|
–
|
–
|
–
|
|
30
|
0,22
|
0,35
|
0,40
|
0,48
|
0,59
|
–
|
–
|
–
|
–
|
–
|
|
45
|
0,16
|
0,27
|
0,30
|
0,37
|
0,46
|
–
|
–
|
–
|
–
|
–
|
|
60
|
0,11
|
0,20
|
0,23
|
0,28
|
0,35
|
–
|
–
|
–
|
–
|
–
|
|
120
|
0,04
|
0,10
|
0,12
|
0,15
|
0,20
|
–
|
–
|
–
|
–
|
–
|
|
180
|
0,02
|
0,06
|
0,08
|
0,10
|
0,12
|
–
|
–
|
–
|
–
|
–
|
|
240
|
0,01
|
0,05
|
0,06
|
0,08
|
0,11
|
–
|
–
|
–
|
–
|
–
|
|
|
III
кв
|
VI
кв
|
|
0
|
0,95
|
1,41
|
1,57
|
1,87
|
2,26
|
–
|
–
|
–
|
–
|
–
|
|
5
|
0,64
|
0,98
|
1,10
|
1,32
|
1,61
|
–
|
–
|
–
|
–
|
–
|
|
10
|
0,41
|
0,81
|
0,86
|
0,94
|
1,04
|
–
|
–
|
–
|
–
|
–
|
|
20
|
0,21
|
0,37
|
0,48
|
0,54
|
0,68
|
–
|
–
|
–
|
–
|
–
|
|
30
|
0,13
|
0,26
|
0,31
|
0,39
|
0,50
|
–
|
–
|
–
|
–
|
–
|
|
45
|
0,07
|
0,18
|
0,21
|
0,28
|
0,37
|
–
|
–
|
–
|
–
|
–
|
|
60
|
0,02
|
0,11
|
0,14
|
0,19
|
0,26
|
–
|
–
|
–
|
–
|
–
|
|
120
|
–
|
0,02
|
0,04
|
0,07
|
0,12
|
–
|
–
|
–
|
–
|
–
|
|
180
|
–
|
–
|
–
|
0,02
|
0,05
|
–
|
–
|
–
|
–
|
–
|
|
240
|
–
|
–
|
–
|
–
|
0,03
|
–
|
–
|
–
|
–
|
–
|
Ливневой подрайон 13в
|
tв
|
T
|
|
10
|
33
|
50
|
100
|
300
|
10
|
33
|
50
|
100
|
300
|
|
|
I кв
|
IV
кв
|
|
0
|
1,17
|
1,63
|
1,79
|
2,09
|
2,48
|
0,51
|
0,97
|
1,13
|
1,43
|
1,82
|
|
5
|
0,86
|
1,20
|
1,32
|
1,54
|
1,83
|
0,24
|
0,58
|
0,70
|
0,92
|
1,21
|
|
10
|
0,62
|
1,02
|
1,07
|
1,15
|
1,25
|
0,14
|
0,44
|
0,49
|
0,57
|
0,67
|
|
20
|
0,42
|
0,58
|
0,64
|
0,74
|
0,89
|
–
|
0,04
|
0,10
|
0,20
|
0,35
|
|
30
|
0,33
|
0,46
|
0,51
|
0,59
|
0,70
|
–
|
–
|
0,01
|
0,09
|
0,20
|
|
45
|
0,26
|
0,37
|
0,40
|
0,47
|
0,56
|
–
|
–
|
–
|
0,01
|
0,10
|
|
60
|
0,21
|
0,30
|
0,33
|
0,38
|
0,45
|
–
|
–
|
–
|
–
|
0,03
|
|
120
|
0,13
|
0,19
|
0,21
|
0,24
|
0,29
|
–
|
–
|
–
|
–
|
–
|
|
180
|
0,10
|
0,14
|
0,16
|
0,18
|
0,21
|
–
|
–
|
–
|
–
|
–
|
|
240
|
0,08
|
0,12
|
0,13
|
0,15
|
0,18
|
–
|
–
|
–
|
–
|
–
|
|
|
II
кв
|
V
кв
|
|
0
|
1,04
|
1,50
|
1,66
|
1,96
|
2,35
|
–
|
–
|
–
|
–
|
0,03
|
|
5
|
0,73
|
1,07
|
1,19
|
1,41
|
1,70
|
–
|
–
|
–
|
–
|
–
|
|
10
|
0,50
|
0,90
|
0,95
|
1,03
|
1,13
|
–
|
–
|
–
|
–
|
–
|
|
20
|
0,30
|
0,46
|
0,52
|
0,62
|
0,77
|
–
|
–
|
–
|
–
|
–
|
|
30
|
0,22
|
0,35
|
0,40
|
0,48
|
0,59
|
–
|
–
|
–
|
–
|
–
|
|
45
|
0,16
|
0,27
|
0,30
|
0,37
|
0,46
|
–
|
–
|
–
|
–
|
–
|
|
60
|
0,11
|
0,20
|
0,23
|
0,28
|
0,35
|
–
|
–
|
–
|
–
|
–
|
|
120
|
0,04
|
0,10
|
0,12
|
0,15
|
0,20
|
–
|
–
|
–
|
–
|
–
|
|
180
|
0,02
|
0,06
|
0,08
|
0,10
|
0,13
|
–
|
–
|
–
|
–
|
–
|
|
240
|
0,01
|
0,05
|
0,06
|
0,08
|
0,11
|
–
|
–
|
–
|
–
|
–
|
|
|
III
кв
|
VI
кв
|
|
0
|
0,95
|
1,41
|
1,57
|
1,87
|
2,26
|
–
|
–
|
–
|
–
|
–
|
|
5
|
0,64
|
0,98
|
1,10
|
1,32
|
1,61
|
–
|
–
|
–
|
–
|
–
|
|
10
|
0,41
|
0,81
|
0,86
|
0,94
|
1,04
|
–
|
–
|
–
|
–
|
–
|
|
20
|
0,21
|
0,37
|
0,43
|
0,53
|
0,68
|
–
|
–
|
–
|
–
|
–
|
|
30
|
0,13
|
0,26
|
0,31
|
0,39
|
0,50
|
–
|
–
|
–
|
–
|
–
|
|
45
|
0,07
|
0,18
|
0,21
|
0,28
|
0,37
|
–
|
–
|
–
|
–
|
–
|
|
60
|
0,02
|
0,11
|
0,14
|
0,19
|
0,26
|
–
|
–
|
–
|
–
|
–
|
|
120
|
–
|
0,02
|
0,04
|
0,07
|
0,12
|
–
|
–
|
–
|
–
|
–
|
|
180
|
–
|
–
|
–
|
0,02
|
0,05
|
–
|
–
|
–
|
–
|
–
|
|
240
|
–
|
–
|
–
|
–
|
0,03
|
–
|
–
|
–
|
–
|
–
|
Ливневой подрайон 13г
|
tв
|
T
|
|
10
|
33
|
50
|
100
|
300
|
10
|
33
|
50
|
100
|
300
|
|
|
I кв
|
IV
кв
|
|
0
|
0,43
|
0,57
|
0,61
|
0,70
|
0,82
|
–
|
–
|
0,01
|
0,10
|
0,22
|
|
5
|
0,38
|
0,50
|
0,54
|
0,62
|
0,72
|
–
|
–
|
–
|
0,05
|
0,15
|
|
10
|
0,34
|
0,45
|
0,48
|
0,55
|
0,64
|
–
|
–
|
–
|
0,01
|
0,10
|
|
20
|
0,28
|
0,36
|
0,39
|
0,45
|
0,52
|
–
|
–
|
–
|
–
|
0,02
|
|
30
|
0,24
|
0,32
|
0,34
|
0,39
|
0,45
|
–
|
–
|
–
|
–
|
–
|
|
45
|
0,22
|
0,28
|
0,30
|
0,35
|
0,41
|
–
|
–
|
–
|
–
|
–
|
|
60
|
0,19
|
0,25
|
0,27
|
0,31
|
0,36
|
–
|
–
|
–
|
–
|
–
|
|
120
|
0,15
|
0,19
|
0,21
|
0,24
|
0,28
|
–
|
–
|
–
|
–
|
–
|
|
180
|
0,13
|
0,17
|
0,18
|
0,21
|
0,24
|
–
|
–
|
–
|
–
|
–
|
|
240
|
0,12
|
0,15
|
0,17
|
0,19
|
0,22
|
–
|
–
|
–
|
–
|
–
|
|
|
II
кв
|
V
кв
|
|
0
|
0,30
|
0,44
|
0,48
|
0,57
|
0,69
|
–
|
–
|
–
|
–
|
–
|
|
5
|
0,25
|
0,37
|
0,41
|
0,49
|
0,59
|
–
|
–
|
–
|
–
|
–
|
|
10
|
0,22
|
0,33
|
0,36
|
0,43
|
0,52
|
–
|
–
|
–
|
–
|
–
|
|
20
|
0,16
|
0,24
|
0,27
|
0,33
|
0,40
|
–
|
–
|
–
|
–
|
–
|
|
30
|
0,13
|
0,21
|
0,23
|
0,28
|
0,34
|
–
|
–
|
–
|
–
|
–
|
|
45
|
0,12
|
0,18
|
0,20
|
0,25
|
0,31
|
–
|
–
|
–
|
–
|
–
|
|
60
|
0,09
|
0,15
|
0,17
|
0,21
|
0,26
|
–
|
–
|
–
|
–
|
–
|
|
120
|
0,06
|
0,11
|
0,12
|
0,15
|
0,19
|
–
|
–
|
–
|
–
|
–
|
|
180
|
0,05
|
0,09
|
0,10
|
0,13
|
0,16
|
–
|
–
|
–
|
–
|
–
|
|
240
|
0,04
|
0,08
|
0,09
|
0,12
|
0,15
|
–
|
–
|
–
|
–
|
–
|
|
|
III
кв
|
VI
кв
|
|
0
|
0,21
|
0,35
|
0,39
|
0,48
|
0,60
|
–
|
–
|
–
|
–
|
–
|
|
5
|
0,16
|
0,28
|
0,32
|
0,40
|
0,50
|
–
|
–
|
–
|
–
|
–
|
|
10
|
0,13
|
0,24
|
0,27
|
0,34
|
0,43
|
–
|
–
|
–
|
–
|
–
|
|
20
|
0,07
|
0,15
|
0,18
|
0,24
|
0,31
|
–
|
–
|
–
|
–
|
–
|
|
30
|
0,04
|
0,12
|
0,14
|
0,19
|
0,25
|
–
|
–
|
–
|
–
|
–
|
|
45
|
0,03
|
0,09
|
0,11
|
0,16
|
0,22
|
–
|
–
|
–
|
–
|
–
|
|
60
|
–
|
0,06
|
0,08
|
0,12
|
0,17
|
–
|
–
|
–
|
–
|
–
|
|
120
|
–
|
0,03
|
0,04
|
0,07
|
0,11
|
–
|
–
|
–
|
–
|
–
|
|
180
|
–
|
0,01
|
0,02
|
0,05
|
0,08
|
–
|
–
|
–
|
–
|
–
|
|
240
|
–
|
–
|
0,01
|
0,04
|
0,07
|
–
|
–
|
–
|
–
|
–
|
Ливневой подрайон 13д
|
tв
|
T
|
|
10
|
33
|
50
|
100
|
300
|
10
|
33
|
50
|
100
|
300
|
|
|
I кв
|
IV
кв
|
|
0
|
0,49
|
0,58
|
0,61
|
0,65
|
0,73
|
–
|
–
|
0,01
|
0,05
|
0,13
|
|
5
|
0,45
|
0,53
|
0,56
|
0,60
|
0,67
|
–
|
–
|
–
|
0,03
|
0,10
|
|
10
|
0,41
|
0,48
|
0,51
|
0,54
|
0,60
|
–
|
–
|
–
|
–
|
0,06
|
|
20
|
0,32
|
0,38
|
0,41
|
0,43
|
0,48
|
–
|
–
|
–
|
–
|
–
|
|
30
|
0,28
|
0,33
|
0,35
|
0,37
|
0,41
|
–
|
–
|
–
|
–
|
–
|
|
45
|
0,23
|
0,28
|
0,29
|
0,31
|
0,34
|
–
|
–
|
–
|
–
|
–
|
|
60
|
0,19
|
0,22
|
0,24
|
0,25
|
0,28
|
–
|
–
|
–
|
–
|
–
|
|
120
|
0,15
|
0,18
|
0,19
|
0,20
|
0,22
|
–
|
–
|
–
|
–
|
–
|
|
180
|
0,12
|
0,14
|
0,15
|
0,16
|
0,18
|
–
|
–
|
–
|
–
|
–
|
|
240
|
0,11
|
0,12
|
0,13
|
0,14
|
0,17
|
–
|
–
|
–
|
–
|
–
|
|
|
II
кв
|
V
кв
|
|
0
|
0,36
|
0,45
|
0,48
|
0,52
|
0,60
|
–
|
–
|
–
|
–
|
–
|
|
5
|
0,32
|
0,40
|
0,43
|
0,47
|
0,54
|
–
|
–
|
–
|
–
|
–
|
|
10
|
0,29
|
0,36
|
0,39
|
0,42
|
0,48
|
–
|
–
|
–
|
–
|
–
|
|
20
|
0,20
|
0,26
|
0,29
|
0,31
|
0,36
|
–
|
–
|
–
|
–
|
–
|
|
30
|
0,17
|
0,22
|
0,24
|
0,26
|
0,30
|
–
|
–
|
–
|
–
|
–
|
|
45
|
0,13
|
0,18
|
0,19
|
0,21
|
0,24
|
–
|
–
|
–
|
–
|
–
|
|
60
|
0,09
|
0,12
|
0,14
|
0,15
|
0,18
|
–
|
–
|
–
|
–
|
–
|
|
120
|
0,06
|
0,09
|
0,10
|
0,11
|
0,13
|
–
|
–
|
–
|
–
|
–
|
|
180
|
0,04
|
0,06
|
0,07
|
0,08
|
0,10
|
–
|
–
|
–
|
–
|
–
|
|
240
|
0,03
|
0,05
|
0,06
|
0,07
|
0,09
|
–
|
–
|
–
|
–
|
–
|
|
|
III
кв
|
VI
кв
|
|
0
|
0,27
|
0,36
|
0,39
|
0,43
|
0,51
|
–
|
–
|
–
|
–
|
–
|
|
5
|
0,23
|
0,31
|
0,34
|
0,38
|
0,45
|
–
|
–
|
–
|
–
|
–
|
|
10
|
0,20
|
0,27
|
0,30
|
0,33
|
0,39
|
–
|
–
|
–
|
–
|
–
|
|
20
|
0,11
|
0,17
|
0,20
|
0,22
|
0,27
|
–
|
–
|
–
|
–
|
–
|
|
30
|
0,08
|
0,13
|
0,15
|
0,17
|
0,21
|
–
|
–
|
–
|
–
|
–
|
|
45
|
0,04
|
0,09
|
0,10
|
0,12
|
0,15
|
–
|
–
|
–
|
–
|
–
|
|
60
|
–
|
0,03
|
0,05
|
0,06
|
0,09
|
–
|
–
|
–
|
–
|
–
|
|
120
|
–
|
0,01
|
0,02
|
0,03
|
0,05
|
–
|
–
|
–
|
–
|
–
|
|
180
|
–
|
–
|
–
|
–
|
0,02
|
–
|
–
|
–
|
–
|
–
|
|
240
|
–
|
–
|
–
|
–
|
0,01
|
–
|
–
|
–
|
–
|
–
|
Ливневой подрайон 13е
|
tв
|
T
|
|
10
|
33
|
50
|
100
|
300
|
10
|
33
|
50
|
100
|
300
|
|
|
I кв
|
IV
кв
|
|
0
|
0,51
|
0,62
|
0,66
|
0,71
|
0,80
|
–
|
0,02
|
0,06
|
0,11
|
0,20
|
|
5
|
0,46
|
0,56
|
0,59
|
0,64
|
0,72
|
–
|
–
|
0,02
|
0,07
|
0,15
|
|
10
|
0,41
|
0,50
|
0,53
|
0,57
|
0,65
|
–
|
–
|
–
|
0,03
|
0,11
|
|
20
|
0,34
|
0,41
|
0,43
|
0,47
|
0,53
|
–
|
–
|
–
|
–
|
0,03
|
|
30
|
0,27
|
0,33
|
0,35
|
0,38
|
0,43
|
–
|
–
|
–
|
–
|
–
|
|
45
|
0,24
|
0,29
|
0,30
|
0,33
|
0,37
|
–
|
–
|
–
|
–
|
–
|
|
60
|
0,21
|
0,25
|
0,27
|
0,29
|
0,33
|
–
|
–
|
–
|
–
|
–
|
|
120
|
0,15
|
0,18
|
0,19
|
0,21
|
0,24
|
–
|
–
|
–
|
–
|
–
|
|
180
|
0,12
|
0,15
|
0,16
|
0,17
|
0,19
|
–
|
–
|
–
|
–
|
–
|
|
240
|
0,10
|
0,12
|
0,13
|
0,14
|
0,16
|
–
|
–
|
–
|
–
|
–
|
|
|
II
кв
|
V
кв
|
|
0
|
0,38
|
0,49
|
0,53
|
0,58
|
0,67
|
–
|
–
|
–
|
–
|
–
|
|
5
|
0,33
|
0,43
|
0,46
|
0,51
|
0,59
|
–
|
–
|
–
|
–
|
–
|
|
10
|
0,29
|
0,38
|
0,41
|
0,45
|
0,53
|
–
|
–
|
–
|
–
|
–
|
|
20
|
0,22
|
0,29
|
0,31
|
0,35
|
0,41
|
–
|
–
|
–
|
–
|
–
|
|
30
|
0,16
|
0,22
|
0,24
|
0,27
|
0,32
|
–
|
–
|
–
|
–
|
–
|
|
45
|
0,14
|
0,18
|
0,19
|
0,23
|
0,27
|
–
|
–
|
–
|
–
|
–
|
|
60
|
0,11
|
0,15
|
0,17
|
0,19
|
0,23
|
–
|
–
|
–
|
–
|
–
|
|
120
|
0,06
|
0,09
|
0,10
|
0,12
|
0,15
|
–
|
–
|
–
|
–
|
–
|
|
180
|
0,04
|
0,07
|
0,08
|
0,09
|
0,11
|
–
|
–
|
–
|
–
|
–
|
|
240
|
0,03
|
0,05
|
0,06
|
0,07
|
0,09
|
–
|
–
|
–
|
–
|
–
|
|
|
III
кв
|
VI
кв
|
|
0
|
0,29
|
0,40
|
0,44
|
0,49
|
0,58
|
–
|
–
|
–
|
–
|
–
|
|
5
|
0,24
|
0,34
|
0,37
|
0,42
|
0,50
|
–
|
–
|
–
|
–
|
–
|
|
10
|
0,20
|
0,29
|
0,32
|
0,36
|
0,44
|
–
|
–
|
–
|
–
|
–
|
|
20
|
0,13
|
0,20
|
0,22
|
0,26
|
0,32
|
–
|
–
|
–
|
–
|
–
|
|
30
|
0,07
|
0,13
|
0,15
|
0,18
|
0,23
|
–
|
–
|
–
|
–
|
–
|
|
45
|
0,05
|
0,10
|
0,11
|
0,14
|
0,18
|
–
|
–
|
–
|
–
|
–
|
|
60
|
0,02
|
0,06
|
0,08
|
0,10
|
0,14
|
–
|
–
|
–
|
–
|
–
|
|
120
|
–
|
0,01
|
0,02
|
0,04
|
0,07
|
–
|
–
|
–
|
–
|
–
|
|
180
|
–
|
–
|
–
|
0,01
|
0,03
|
–
|
–
|
–
|
–
|
–
|
|
240
|
–
|
–
|
–
|
–
|
0,01
|
–
|
–
|
–
|
–
|
–
|
Ливневой подрайон 14а¢
|
tв
|
T
|
|
10
|
33
|
50
|
100
|
300
|
10
|
33
|
50
|
100
|
300
|
|
|
I кв
|
IV
кв
|
|
0
|
2,85
|
3,56
|
3,81
|
4,19
|
4,77
|
2,25
|
2,96
|
3,21
|
3,59
|
4,17
|
|
5
|
2,06
|
2,58
|
2,76
|
3,04
|
3,47
|
1,49
|
2,01
|
2,19
|
2,47
|
2,90
|
|
10
|
1,86
|
2,33
|
2,49
|
2,74
|
3,13
|
1,32
|
1,79
|
1,95
|
2,20
|
2,59
|
|
20
|
1,42
|
1,78
|
1,90
|
2,09
|
2,39
|
0,92
|
1,28
|
1,40
|
1,59
|
1,89
|
|
30
|
1,12
|
1,40
|
1,50
|
1,65
|
1,88
|
0,66
|
0,94
|
1,04
|
1,19
|
1,42
|
|
45
|
0,95
|
1,19
|
1,27
|
1,40
|
1,60
|
0,52
|
0,76
|
0,84
|
0,97
|
1,17
|
|
60
|
0,71
|
0,89
|
0,95
|
1,05
|
1,20
|
0,32
|
0,50
|
0,56
|
0,66
|
0,81
|
|
120
|
0,49
|
0,61
|
0,65
|
0,72
|
0,82
|
0,17
|
0,29
|
0,33
|
0,40
|
0,50
|
|
180
|
0,35
|
0,44
|
0,47
|
0,52
|
0,59
|
0,06
|
0,15
|
0,18
|
0,23
|
0,30
|
|
240
|
0,27
|
0,34
|
0,36
|
0,40
|
0,46
|
0,01
|
0,08
|
0,10
|
0,14
|
0,20
|
|
|
II
кв
|
V
кв
|
|
0
|
2,72
|
3,43
|
3,68
|
4,06
|
4,64
|
0,72
|
1,43
|
1,68
|
2,06
|
2,64
|
|
5
|
1,93
|
2,45
|
2,63
|
2,91
|
3,34
|
0,03
|
0,55
|
0,73
|
1,01
|
1,44
|
|
10
|
1,74
|
2,21
|
2,37
|
2,62
|
3,01
|
–
|
0,43
|
0,59
|
0,84
|
1,23
|
|
20
|
1,30
|
1,66
|
1,78
|
1,97
|
2,27
|
–
|
0,06
|
0,18
|
0,37
|
0,67
|
|
30
|
1,01
|
1,29
|
1,39
|
1,54
|
1,77
|
–
|
–
|
–
|
0,10
|
0,33
|
|
45
|
0,85
|
1,09
|
1,17
|
1,30
|
1,50
|
–
|
–
|
–
|
0,02
|
0,32
|
|
60
|
0,61
|
0,79
|
0,85
|
0,95
|
1,10
|
–
|
–
|
–
|
–
|
0,13
|
|
120
|
0,40
|
0,52
|
0,56
|
0,63
|
0,73
|
–
|
–
|
–
|
–
|
0,08
|
|
180
|
0,27
|
0,36
|
0,39
|
0,44
|
0,51
|
–
|
–
|
–
|
–
|
–
|
|
240
|
0,20
|
0,27
|
0,29
|
0,33
|
0,39
|
–
|
–
|
–
|
–
|
–
|
|
|
III
кв
|
VI
кв
|
|
0
|
2,63
|
3,34
|
3,59
|
3,97
|
4,55
|
–
|
–
|
–
|
–
|
–
|
|
5
|
1,84
|
2,36
|
2,54
|
2,82
|
3,25
|
–
|
–
|
–
|
–
|
–
|
|
10
|
1,65
|
2,12
|
2,28
|
2,53
|
2,92
|
–
|
–
|
–
|
–
|
–
|
|
20
|
1,21
|
1,57
|
1,69
|
1,88
|
2,18
|
–
|
–
|
–
|
–
|
–
|
|
30
|
0,92
|
1,20
|
1,30
|
1,45
|
1,68
|
–
|
–
|
–
|
–
|
–
|
|
45
|
0,76
|
1,00
|
1,08
|
1,21
|
1,41
|
–
|
–
|
–
|
–
|
–
|
|
60
|
0,52
|
0,70
|
0,76
|
0,86
|
1,01
|
–
|
–
|
–
|
–
|
–
|
|
120
|
0,32
|
0,44
|
0,48
|
0,55
|
0,65
|
–
|
–
|
–
|
–
|
–
|
|
180
|
0,19
|
0,28
|
0,31
|
0,36
|
0,43
|
–
|
–
|
–
|
–
|
–
|
|
240
|
0,12
|
0,19
|
0,21
|
3,25
|
0,31
|
–
|
–
|
–
|
–
|
–
|
Ливневой подрайон 14а²
|
tв
|
T
|
|
10
|
33
|
50
|
100
|
300
|
10
|
33
|
50
|
100
|
300
|
|
|
I кв
|
IV
кв
|
|
0
|
1,83
|
2,33
|
2,47
|
2,74
|
3,12
|
1,23
|
1,73
|
1,87
|
2,14
|
2,52
|
|
5
|
1,36
|
1,73
|
1,83
|
2,04
|
2,33
|
0,79
|
1,16
|
1,26
|
1,47
|
1,76
|
|
10
|
1,13
|
1,44
|
1,52
|
1,69
|
1,93
|
0,59
|
0,90
|
0,98
|
1,15
|
1,39
|
|
20
|
0,87
|
1,11
|
1,17
|
1,30
|
1,48
|
0,37
|
0,61
|
0,67
|
0,80
|
0,98
|
|
30
|
0,70
|
0,89
|
0,95
|
1,05
|
1,20
|
0,24
|
0,43
|
0,49
|
0,59
|
0,74
|
|
45
|
0,58
|
0,74
|
0,78
|
0,87
|
1,00
|
0,15
|
0,31
|
0,35
|
0,44
|
0,57
|
|
60
|
0,48
|
0,61
|
0,65
|
0,72
|
0,82
|
0,09
|
0,22
|
0,26
|
0,33
|
0,43
|
|
120
|
0,34
|
0,43
|
0,46
|
0,51
|
0,58
|
0,02
|
0,11
|
0,14
|
0,19
|
0,26
|
|
180
|
0,25
|
0,31
|
0,33
|
0,37
|
0,42
|
–
|
0,02
|
0,04
|
0,08
|
0,13
|
|
240
|
0,20
|
0,25
|
0,27
|
0,30
|
0,34
|
–
|
–
|
0,01
|
0,04
|
0,08
|
|
|
II
кв
|
V
кв
|
|
0
|
1,70
|
2,20
|
2,34
|
2,61
|
2,99
|
–
|
–
|
0,34
|
0,61
|
0,99
|
|
5
|
1,23
|
1,60
|
1,70
|
1,91
|
2,20
|
–
|
–
|
–
|
0,01
|
0,30
|
|
10
|
1,01
|
1,32
|
1,40
|
1,57
|
1,81
|
–
|
–
|
–
|
–
|
0,03
|
|
20
|
0,75
|
0,99
|
1,05
|
1,18
|
1,36
|
–
|
–
|
–
|
–
|
–
|
|
30
|
0,59
|
0,78
|
0,84
|
0,94
|
1,09
|
–
|
–
|
–
|
–
|
–
|
|
45
|
0,48
|
0,64
|
0,68
|
0,77
|
0,90
|
–
|
–
|
–
|
–
|
–
|
|
60
|
0,38
|
0,51
|
0,55
|
0,62
|
0,72
|
–
|
–
|
–
|
–
|
–
|
|
120
|
0,25
|
0,34
|
0,37
|
0,42
|
0,49
|
–
|
–
|
–
|
–
|
–
|
|
180
|
0,17
|
0,23
|
0,25
|
0,29
|
0,34
|
–
|
–
|
–
|
–
|
–
|
|
240
|
0,13
|
0,18
|
0,20
|
0,23
|
0,27
|
–
|
–
|
–
|
–
|
–
|
|
|
III
кв
|
VI
кв
|
|
0
|
1,61
|
2,11
|
2,25
|
2,52
|
2,90
|
–
|
–
|
–
|
–
|
–
|
|
5
|
1,14
|
1,51
|
1,61
|
1,82
|
2,11
|
–
|
–
|
–
|
–
|
–
|
|
10
|
0,92
|
1,23
|
1,31
|
1,48
|
1,72
|
–
|
–
|
–
|
–
|
–
|
|
20
|
0,66
|
0,90
|
0,96
|
1,09
|
1,27
|
–
|
–
|
–
|
–
|
–
|
|
30
|
0,50
|
0,69
|
0,75
|
0,85
|
1,00
|
–
|
–
|
–
|
–
|
–
|
|
45
|
0,39
|
0,55
|
0,59
|
0,68
|
0,82
|
–
|
–
|
–
|
–
|
–
|
|
60
|
0,29
|
0,42
|
0,46
|
0,53
|
0,63
|
–
|
–
|
–
|
–
|
–
|
|
120
|
0,17
|
0,26
|
0,29
|
0,34
|
0,41
|
–
|
–
|
–
|
–
|
–
|
|
180
|
0,09
|
0,15
|
0,17
|
0,21
|
0,26
|
–
|
–
|
–
|
–
|
–
|
|
240
|
0,05
|
0,10
|
0,12
|
0,15
|
0,19
|
–
|
–
|
–
|
–
|
–
|
Ливневой подрайон 14б
|
tв
|
T
|
|
10
|
33
|
50
|
100
|
300
|
10
|
33
|
50
|
100
|
300
|
|
|
I кв
|
IV
кв
|
|
0
|
3,02
|
4,02
|
4,26
|
4,80
|
5,42
|
2,36
|
3,36
|
3,60
|
4,18
|
4,76
|
|
5
|
2,04
|
2,72
|
2,88
|
3,24
|
3,66
|
1,42
|
2,10
|
2,26
|
2,62
|
3,04
|
|
10
|
1,61
|
2,14
|
2,27
|
2,55
|
2,88
|
1,03
|
1,56
|
1,69
|
1,97
|
2,30
|
|
20
|
1,20
|
1,60
|
1,69
|
1,90
|
2,15
|
0,66
|
1,06
|
1,15
|
1,36
|
1,61
|
|
30
|
0,98
|
1,28
|
1,38
|
1,52
|
1,78
|
0,48
|
0,79
|
0,88
|
1,02
|
1,28
|
|
45
|
0,79
|
1,05
|
1,11
|
1,25
|
1,41
|
0,33
|
0,59
|
0,65
|
0,79
|
0,95
|
|
60
|
0,63
|
0,84
|
0,89
|
1,00
|
1,13
|
0,21
|
0,42
|
0,47
|
0,58
|
0,71
|
|
120
|
0,42
|
0,55
|
0,59
|
0,66
|
0,75
|
0,08
|
0,21
|
0,25
|
0,32
|
0,41
|
|
180
|
0,32
|
0,43
|
0,45
|
0,51
|
0,58
|
0,02
|
0,13
|
0,15
|
0,21
|
0,28
|
|
240
|
0,26
|
0,34
|
0,36
|
0,41
|
0,46
|
–
|
0,07
|
0,09
|
0,14
|
0,19
|
|
|
II
кв
|
V
кв
|
|
0
|
2,99
|
3,89
|
4,13
|
4,67
|
5,29
|
0,57
|
1,57
|
1,81
|
2,39
|
2,97
|
|
5
|
1,91
|
2,59
|
2,75
|
3,11
|
3,53
|
–
|
0,44
|
0,60
|
0,96
|
1,38
|
|
10
|
1,49
|
2,02
|
2,15
|
2,43
|
2,76
|
–
|
0,03
|
0,16
|
0,44
|
0,77
|
|
20
|
1,08
|
1,48
|
1,57
|
1,78
|
2,03
|
–
|
–
|
–
|
–
|
0,25
|
|
30
|
0,87
|
1,17
|
1,27
|
1,41
|
1,67
|
–
|
–
|
–
|
–
|
0,08
|
|
45
|
0,69
|
0,95
|
1,01
|
1,15
|
1,31
|
–
|
–
|
–
|
–
|
–
|
|
60
|
0,53
|
0,74
|
0,79
|
0,90
|
1,03
|
–
|
–
|
–
|
–
|
–
|
|
120
|
0,33
|
0,46
|
0,50
|
0,57
|
0,66
|
–
|
–
|
–
|
–
|
–
|
|
180
|
0,24
|
0,35
|
0,37
|
0,43
|
0,50
|
–
|
–
|
–
|
–
|
–
|
|
240
|
0,19
|
0,27
|
0,29
|
0,34
|
0,39
|
–
|
–
|
–
|
–
|
–
|
|
|
III
кв
|
VI
кв
|
|
0
|
2,80
|
3,80
|
4,04
|
4,58
|
5,20
|
–
|
–
|
–
|
–
|
–
|
|
5
|
1,82
|
2,50
|
2,66
|
3,02
|
3,44
|
–
|
–
|
–
|
–
|
–
|
|
10
|
1,40
|
1,93
|
2,06
|
2,34
|
2,67
|
–
|
–
|
–
|
–
|
–
|
|
20
|
0,99
|
1,39
|
1,48
|
1,69
|
1,94
|
–
|
–
|
–
|
–
|
–
|
|
30
|
0,78
|
1,08
|
1,18
|
1,32
|
1,58
|
–
|
–
|
–
|
–
|
–
|
|
45
|
0,60
|
0,86
|
0,92
|
1,06
|
1,22
|
–
|
–
|
–
|
–
|
–
|
|
60
|
0,44
|
0,65
|
0,70
|
0,81
|
0,94
|
–
|
–
|
–
|
–
|
–
|
|
120
|
0,25
|
0,38
|
0,42
|
0,49
|
0,58
|
–
|
–
|
–
|
–
|
–
|
|
180
|
0,16
|
0,27
|
0,29
|
0,35
|
0,42
|
–
|
–
|
–
|
–
|
–
|
|
240
|
0,11
|
0,19
|
0,21
|
0,26
|
0,31
|
–
|
–
|
–
|
–
|
–
|
Ливневой подрайон 14в¢
|
tв
|
T
|
|
10
|
33
|
50
|
100
|
300
|
10
|
33
|
50
|
100
|
300
|
|
|
I кв
|
IV
кв
|
|
0
|
4,47
|
5,80
|
6,24
|
6,99
|
8,14
|
3,87
|
5,20
|
5,64
|
6,39
|
7,54
|
|
5
|
2,30
|
2,97
|
3,21
|
3,59
|
4,17
|
1,73
|
2,40
|
2,64
|
3,02
|
3,60
|
|
10
|
1,79
|
2,32
|
2,50
|
2,80
|
3,26
|
1,25
|
1,78
|
1,96
|
2,26
|
2,72
|
|
20
|
1,35
|
1,75
|
1,88
|
2,10
|
2,44
|
0,85
|
1,25
|
1,38
|
1,60
|
1,94
|
|
30
|
1,06
|
1,37
|
1,47
|
1,65
|
1,92
|
0,60
|
0,91
|
1,01
|
1,19
|
1,46
|
|
45
|
0,77
|
1,00
|
1,07
|
1,20
|
1,40
|
0,34
|
0,57
|
0,64
|
0,77
|
0,97
|
|
60
|
0,61
|
0,79
|
0,85
|
0,95
|
1,10
|
0,22
|
0,40
|
0,46
|
0,56
|
0,71
|
|
120
|
0,38
|
0,50
|
0,54
|
0,60
|
0,70
|
0,06
|
0,18
|
0,22
|
0,28
|
0,38
|
|
180
|
0,29
|
0,38
|
0,41
|
0,46
|
0,53
|
–
|
0,09
|
0,12
|
0,17
|
0,24
|
|
240
|
0,24
|
0,31
|
0,33
|
0,37
|
0,43
|
–
|
0,05
|
0,07
|
0,11
|
0,17
|
|
|
II
кв
|
V
кв
|
|
0
|
4,34
|
5,67
|
6,11
|
6,86
|
8,01
|
2,34
|
3,67
|
4,11
|
4,86
|
6,01
|
|
5
|
2,17
|
2,84
|
3,08
|
3,46
|
4,04
|
0,27
|
0,94
|
1,18
|
1,56
|
2,14
|
|
10
|
1,67
|
2,20
|
2,38
|
2,68
|
3,14
|
–
|
0,42
|
0,60
|
0,90
|
1,36
|
|
20
|
1,23
|
1,63
|
1,76
|
1,98
|
2,32
|
–
|
0,03
|
0,16
|
0,38
|
0,72
|
|
30
|
0,95
|
1,26
|
1,36
|
1,54
|
1,81
|
–
|
–
|
–
|
0,10
|
0,37
|
|
45
|
0,67
|
0,90
|
0,97
|
1,10
|
1,30
|
–
|
–
|
–
|
–
|
0,12
|
|
60
|
0,51
|
0,69
|
0,75
|
0,85
|
1,00
|
–
|
–
|
–
|
–
|
0,03
|
|
120
|
0,29
|
0,41
|
0,45
|
0,51
|
0,61
|
–
|
–
|
–
|
–
|
–
|
|
180
|
0,21
|
0,30
|
0,33
|
0,38
|
0,45
|
–
|
–
|
–
|
–
|
–
|
|
240
|
0,17
|
0,24
|
0,26
|
0,30
|
0,36
|
–
|
–
|
–
|
–
|
–
|
|
|
III
кв
|
VI
кв
|
|
0
|
4,25
|
5,58
|
6,02
|
6,77
|
7,92
|
–
|
–
|
–
|
–
|
–
|
|
5
|
2,08
|
2,75
|
2,99
|
3,87
|
3,95
|
–
|
–
|
–
|
–
|
–
|
|
10
|
1,58
|
2,11
|
2,29
|
2,59
|
3,05
|
–
|
–
|
–
|
–
|
–
|
|
20
|
1,14
|
1,54
|
1,67
|
1,89
|
2,23
|
–
|
–
|
–
|
–
|
–
|
|
30
|
0,86
|
1,17
|
1,27
|
1,45
|
1,72
|
–
|
–
|
–
|
–
|
–
|
|
45
|
0,58
|
0,81
|
0,88
|
1,01
|
1,21
|
–
|
–
|
–
|
–
|
–
|
|
60
|
0,42
|
0,60
|
0,66
|
0,76
|
0,91
|
–
|
–
|
–
|
–
|
–
|
|
120
|
0,21
|
0,33
|
0,37
|
0,43
|
0,53
|
–
|
–
|
–
|
–
|
–
|
|
180
|
0,13
|
0,22
|
0,25
|
0,30
|
0,37
|
–
|
–
|
–
|
–
|
–
|
|
240
|
0,09
|
0,16
|
0,18
|
0,22
|
0,28
|
–
|
–
|
–
|
–
|
–
|
Ливневой подрайон 14в²
|
tв
|
T
|
|
10
|
33
|
50
|
100
|
300
|
10
|
33
|
50
|
100
|
300
|
|
|
I кв
|
IV
кв
|
|
0
|
3,86
|
4,76
|
5,05
|
5,49
|
6,14
|
3,26
|
4,16
|
4,45
|
4,89
|
5,54
|
|
5
|
2,09
|
2,61
|
2,76
|
2,99
|
2,35
|
1,52
|
2,04
|
2,19
|
2,42
|
2,73
|
|
10
|
1,65
|
2,04
|
2,16
|
2,35
|
2,63
|
1,11
|
1,50
|
1,62
|
1,81
|
2,09
|
|
20
|
1,19
|
1,48
|
1,57
|
1,70
|
1,92
|
0,69
|
0,98
|
1,07
|
1,20
|
1,42
|
|
30
|
0,98
|
1,22
|
1,29
|
1,40
|
1,57
|
0,52
|
0,76
|
0,83
|
0,94
|
1,11
|
|
45
|
0,74
|
0,91
|
0,97
|
1,05
|
1,17
|
0,31
|
0,48
|
0,54
|
0,62
|
0,74
|
|
60
|
0,62
|
0,77
|
0,81
|
0,88
|
0,99
|
0,23
|
0,38
|
0,42
|
0,49
|
0,60
|
|
120
|
0,39
|
0,49
|
0,52
|
0,56
|
0,63
|
0,07
|
0,17
|
0,20
|
0,24
|
0,31
|
|
180
|
0,30
|
0,37
|
0,39
|
0,42
|
0,47
|
0,01
|
0,09
|
0,10
|
0,17
|
0,18
|
|
240
|
0,24
|
0,30
|
0,31
|
0,34
|
0,38
|
–
|
0,04
|
0,05
|
0,08
|
0,12
|
|
|
II
кв
|
V
кв
|
|
0
|
3,73
|
4,63
|
4,92
|
5,36
|
6,01
|
1,73
|
2,63
|
2,92
|
3,36
|
4,01
|
|
5
|
1,96
|
2,48
|
2,63
|
2,86
|
3,22
|
0,06
|
0,58
|
0,73
|
0,96
|
1,32
|
|
10
|
1,53
|
1,92
|
2,04
|
2,23
|
2,51
|
–
|
0,14
|
0,26
|
0,45
|
0,73
|
|
20
|
1,07
|
1,36
|
1,45
|
1,58
|
1,80
|
–
|
–
|
–
|
–
|
0,20
|
|
30
|
0,87
|
1,11
|
1,18
|
1,29
|
1,46
|
–
|
–
|
–
|
–
|
0,02
|
|
45
|
0,64
|
0,81
|
0,87
|
0,95
|
1,07
|
–
|
–
|
–
|
–
|
–
|
|
60
|
0,52
|
0,67
|
0,71
|
0,78
|
0,89
|
–
|
–
|
–
|
–
|
–
|
|
120
|
0,30
|
0,40
|
0,43
|
0,47
|
0,54
|
–
|
–
|
–
|
–
|
–
|
|
180
|
0,22
|
0,29
|
0,31
|
0,38
|
0,39
|
–
|
–
|
–
|
–
|
–
|
|
240
|
0,17
|
0,23
|
0,24
|
0,27
|
0,31
|
–
|
–
|
–
|
–
|
–
|
|
|
III
кв
|
VI
кв
|
|
0
|
3,64
|
4,54
|
4,83
|
5,27
|
5,92
|
–
|
–
|
–
|
–
|
–
|
|
5
|
1,87
|
2,39
|
2,54
|
2,77
|
3,13
|
–
|
–
|
–
|
–
|
–
|
|
10
|
1,44
|
1,83
|
1,95
|
2,14
|
2,42
|
–
|
–
|
–
|
–
|
–
|
|
20
|
0,98
|
1,27
|
1,36
|
1,49
|
1,71
|
–
|
–
|
–
|
–
|
–
|
|
30
|
0,78
|
1,02
|
1,09
|
1,20
|
1,37
|
–
|
–
|
–
|
–
|
–
|
|
45
|
0,55
|
0,72
|
0,78
|
0,86
|
0,98
|
–
|
–
|
–
|
–
|
–
|
|
60
|
0,43
|
0,58
|
0,62
|
0,69
|
0,80
|
–
|
–
|
–
|
–
|
–
|
|
120
|
0,22
|
0,32
|
0,35
|
0,39
|
0,46
|
–
|
–
|
–
|
–
|
–
|
|
180
|
0,14
|
0,21
|
0,23
|
0,30
|
0,31
|
–
|
–
|
–
|
–
|
–
|
|
240
|
0,09
|
0,15
|
0,16
|
0,19
|
0,23
|
–
|
–
|
–
|
–
|
–
|
Ливневой подрайон 14г¢
|
tв
|
T
|
|
10
|
33
|
50
|
100
|
300
|
10
|
33
|
50
|
100
|
300
|
|
|
I кв
|
IV
кв
|
|
0
|
3,37
|
4,27
|
4,52
|
4,97
|
5,63
|
2,71
|
3,61
|
3,86
|
4,31
|
4,97
|
|
5
|
1,93
|
2,43
|
2,58
|
2,84
|
3,21
|
1,31
|
1,81
|
1,96
|
2,22
|
2,59
|
|
10
|
1,55
|
1,95
|
2,07
|
2,27
|
2,57
|
0,97
|
1,37
|
1,49
|
1,69
|
1,99
|
|
20
|
1,11
|
1,41
|
1,49
|
1,64
|
1,86
|
0,57
|
0,87
|
0,95
|
1,10
|
1,32
|
|
30
|
0,88
|
1,11
|
1,17
|
1,29
|
1,46
|
0,38
|
0,61
|
0,67
|
0,79
|
0,96
|
|
45
|
0,64
|
0,82
|
0,96
|
0,95
|
1,08
|
0,18
|
0,36
|
0,40
|
0,49
|
0,62
|
|
60
|
0,56
|
0,71
|
0,74
|
0,82
|
0,93
|
0,14
|
0,19
|
0,32
|
0,40
|
0,51
|
|
120
|
0,35
|
0,45
|
0,47
|
0,52
|
0,59
|
0,01
|
0,11
|
0,13
|
0,17
|
0,25
|
|
180
|
0,25
|
0,32
|
0,34
|
0,37
|
0,42
|
–
|
0,02
|
0,04
|
0,07
|
0,12
|
|
240
|
0,20
|
0,26
|
0,27
|
0,30
|
0,34
|
–
|
–
|
–
|
0,03
|
0,07
|
|
|
II
кв
|
V
кв
|
|
0
|
3,24
|
4,14
|
4,39
|
4,84
|
5,50
|
0,92
|
1,82
|
2,07
|
2,52
|
3,18
|
|
5
|
1,80
|
2,30
|
2,45
|
2,71
|
3,08
|
–
|
0,15
|
0,30
|
0,56
|
0,93
|
|
10
|
1,43
|
1,83
|
1,95
|
2,15
|
2,45
|
–
|
–
|
–
|
0,16
|
0,46
|
|
20
|
0,99
|
1,29
|
1,37
|
1,52
|
1,74
|
–
|
–
|
–
|
–
|
–
|
|
30
|
0,77
|
1,00
|
1,06
|
1,18
|
1,35
|
–
|
–
|
–
|
–
|
–
|
|
45
|
0,54
|
0,72
|
0,76
|
0,85
|
0,98
|
–
|
–
|
–
|
–
|
–
|
|
60
|
0,46
|
0,61
|
0,64
|
0,72
|
0,83
|
–
|
–
|
–
|
–
|
–
|
|
120
|
0,26
|
0,36
|
0,38
|
0,43
|
0,50
|
–
|
–
|
–
|
–
|
–
|
|
180
|
0,17
|
0,24
|
0,26
|
0,29
|
0,34
|
–
|
–
|
–
|
–
|
–
|
|
240
|
0,13
|
0,19
|
0,20
|
0,23
|
0,27
|
–
|
–
|
–
|
–
|
–
|
|
|
III
кв
|
VI
кв
|
|
0
|
3,15
|
4,05
|
4,30
|
4,75
|
5,41
|
–
|
–
|
–
|
–
|
–
|
|
5
|
1,71
|
2,21
|
2,36
|
2,62
|
2,99
|
–
|
–
|
–
|
–
|
–
|
|
10
|
1,34
|
1,74
|
1,86
|
2,06
|
2,36
|
–
|
–
|
–
|
–
|
–
|
|
20
|
0,90
|
1,20
|
1,28
|
1,43
|
1,65
|
–
|
–
|
–
|
–
|
–
|
|
30
|
0,68
|
0,91
|
0,97
|
1,09
|
1,26
|
–
|
–
|
–
|
–
|
–
|
|
45
|
0,45
|
0,63
|
0,67
|
0,76
|
0,89
|
–
|
–
|
–
|
–
|
–
|
|
60
|
0,37
|
0,52
|
0,55
|
0,63
|
0,74
|
–
|
–
|
–
|
–
|
–
|
|
120
|
0,18
|
0,28
|
0,30
|
0,34
|
0,42
|
–
|
–
|
–
|
–
|
–
|
|
180
|
0,09
|
0,16
|
0,18
|
0,21
|
0,26
|
–
|
–
|
–
|
–
|
–
|
|
240
|
0,05
|
0,11
|
0,12
|
0,15
|
0,19
|
–
|
–
|
–
|
–
|
–
|
Ливневой подрайон 14г²
|
tв
|
T
|
|
10
|
33
|
50
|
100
|
300
|
10
|
33
|
50
|
100
|
300
|
|
|
I кв
|
IV
кв
|
|
0
|
5,89
|
7,01
|
7,42
|
7,97
|
8,85
|
5,23
|
6,35
|
6,76
|
7,31
|
8,19
|
|
5
|
2,26
|
2,72
|
2,87
|
3,09
|
3,43
|
1,66
|
2,10
|
2,25
|
2,47
|
2,81
|
|
10
|
1,80
|
2,14
|
2,27
|
2,44
|
2,71
|
1,22
|
1,56
|
1,69
|
1,86
|
2,13
|
|
20
|
1,17
|
1,40
|
1,48
|
1,59
|
1,76
|
0,63
|
0,86
|
0,94
|
1,05
|
1,22
|
|
30
|
0,96
|
1,14
|
1,21
|
1,30
|
1,44
|
0,46
|
0,64
|
0,71
|
0,80
|
0,94
|
|
45
|
0,68
|
0,81
|
0,86
|
0,92
|
1,02
|
0,22
|
0,35
|
0,40
|
0,46
|
0,56
|
|
60
|
0,56
|
0,67
|
0,71
|
0,76
|
0,84
|
0,14
|
0,25
|
0,29
|
0,34
|
0,42
|
|
120
|
0,38
|
0,45
|
0,47
|
0,51
|
0,57
|
0,04
|
0,11
|
0,13
|
0,17
|
0,23
|
|
180
|
0,29
|
0,34
|
0,36
|
0,39
|
0,43
|
–
|
0,04
|
0,06
|
0,09
|
0,13
|
|
240
|
0,24
|
0,29
|
0,31
|
0,33
|
0,37
|
–
|
0,02
|
0,04
|
0,06
|
0,10
|
|
|
II
кв
|
V
кв
|
|
0
|
5,76
|
6,88
|
7,29
|
7,84
|
8,72
|
3,44
|
4,56
|
4,97
|
5,52
|
6,40
|
|
5
|
2,15
|
2,59
|
2,74
|
2,96
|
3,30
|
–
|
0,44
|
0,59
|
0,81
|
1,15
|
|
10
|
1,68
|
2,02
|
2,15
|
2,32
|
2,59
|
–
|
0,03
|
0,16
|
0,33
|
0,60
|
|
20
|
1,05
|
1,28
|
1,36
|
1,47
|
1,64
|
–
|
–
|
–
|
–
|
–
|
|
30
|
0,85
|
1,03
|
1,10
|
1,19
|
1,33
|
–
|
–
|
–
|
–
|
–
|
|
45
|
0,58
|
0,71
|
0,76
|
0,82
|
0,92
|
–
|
–
|
–
|
–
|
–
|
|
60
|
0,46
|
0,57
|
0,61
|
0,66
|
0,74
|
–
|
–
|
–
|
–
|
–
|
|
120
|
0,29
|
0,36
|
0,38
|
0,42
|
0,48
|
–
|
–
|
–
|
–
|
–
|
|
180
|
0,21
|
0,26
|
0,28
|
0,31
|
0,35
|
–
|
–
|
–
|
–
|
–
|
|
240
|
0,17
|
0,22
|
0,24
|
0,26
|
0,30
|
–
|
–
|
–
|
–
|
–
|
|
|
III
кв
|
VI
кв
|
|
0
|
5,67
|
6,79
|
7,20
|
7,75
|
8,63
|
–
|
–
|
–
|
–
|
–
|
|
5
|
2,06
|
2,50
|
2,65
|
2,87
|
3,21
|
–
|
–
|
–
|
–
|
–
|
|
10
|
1,59
|
1,93
|
2,06
|
2,23
|
2,50
|
–
|
–
|
–
|
–
|
–
|
|
20
|
0,96
|
1,19
|
1,27
|
1,38
|
1,55
|
–
|
–
|
–
|
–
|
–
|
|
30
|
0,76
|
0,94
|
1,01
|
1,10
|
1,24
|
–
|
–
|
–
|
–
|
–
|
|
45
|
0,49
|
0,62
|
0,67
|
0,73
|
0,83
|
–
|
–
|
–
|
–
|
–
|
|
60
|
0,37
|
0,48
|
0,52
|
0,57
|
0,65
|
–
|
–
|
–
|
–
|
–
|
|
120
|
0,21
|
0,28
|
0,30
|
0,34
|
0,40
|
–
|
–
|
–
|
–
|
–
|
|
180
|
0,13
|
0,18
|
0,20
|
0,23
|
0,27
|
–
|
–
|
–
|
–
|
–
|
|
240
|
0,09
|
0,14
|
0,16
|
0,18
|
0,22
|
–
|
–
|
–
|
–
|
–
|
Ливневой подрайон 14д
|
tв
|
T
|
|
10
|
33
|
50
|
100
|
300
|
10
|
33
|
50
|
100
|
300
|
|
|
I кв
|
IV
кв
|
|
0
|
2,63
|
3,55
|
3,86
|
4,39
|
5,17
|
2,03
|
2,95
|
3,26
|
3,79
|
4,57
|
|
5
|
1,73
|
2,33
|
2,54
|
2,89
|
3,41
|
1,16
|
1,76
|
1,97
|
2,32
|
2,84
|
|
10
|
1,50
|
2,02
|
2,20
|
2,50
|
2,94
|
0,96
|
1,48
|
1,66
|
1,96
|
2,40
|
|
20
|
1,11
|
1,50
|
1,63
|
1,85
|
2,18
|
0,61
|
1,00
|
1,13
|
1,35
|
1,68
|
|
30
|
0,90
|
1,22
|
1,32
|
1,50
|
1,77
|
0,44
|
0,76
|
0,86
|
1,04
|
1,31
|
|
45
|
0,63
|
0,85
|
0,92
|
1,05
|
1,24
|
0,20
|
0,42
|
0,49
|
0,62
|
0,81
|
|
60
|
0,55
|
0,74
|
0,81
|
0,92
|
1,08
|
0,16
|
0,35
|
0,42
|
0,53
|
0,69
|
|
120
|
0,35
|
0,47
|
0,51
|
0,58
|
0,68
|
0,03
|
0,15
|
0,19
|
0,26
|
0,36
|
|
180
|
0,25
|
0,34
|
0,37
|
0,42
|
0,50
|
–
|
0,05
|
0,08
|
0,13
|
0,21
|
|
240
|
0,19
|
0,26
|
0,28
|
0,32
|
0,38
|
–
|
–
|
0,02
|
0,06
|
0,12
|
|
|
II
кв
|
V
кв
|
|
0
|
2,50
|
3,42
|
3,73
|
4,26
|
5,04
|
0,50
|
1,42
|
1,73
|
2,26
|
3,04
|
|
5
|
1,60
|
2,20
|
2,41
|
2,76
|
3,28
|
–
|
0,30
|
0,51
|
0,86
|
1,38
|
|
10
|
1,38
|
1,90
|
2,08
|
2,38
|
2,82
|
–
|
0,12
|
0,30
|
0,60
|
1,04
|
|
20
|
0,99
|
1,38
|
1,51
|
1,73
|
2,06
|
–
|
–
|
–
|
0,13
|
0,46
|
|
30
|
0,79
|
1,11
|
1,21
|
1,39
|
1,66
|
–
|
–
|
–
|
–
|
0,22
|
|
45
|
0,53
|
0,75
|
0,82
|
0,95
|
1,14
|
–
|
–
|
–
|
–
|
–
|
|
60
|
0,45
|
0,64
|
0,71
|
0,82
|
0,98
|
–
|
–
|
–
|
–
|
–
|
|
120
|
0,26
|
0,38
|
0,42
|
0,49
|
0,59
|
–
|
–
|
–
|
–
|
–
|
|
180
|
0,17
|
0,26
|
0,29
|
0,34
|
0,42
|
–
|
–
|
–
|
–
|
–
|
|
240
|
0,12
|
0,19
|
0,21
|
0,25
|
0,31
|
–
|
–
|
–
|
–
|
–
|
|
|
III
кв
|
VI
кв
|
|
0
|
2,41
|
3,33
|
3,64
|
4,17
|
4,95
|
–
|
–
|
–
|
–
|
–
|
|
5
|
1,51
|
2,11
|
2,32
|
2,67
|
3,19
|
–
|
–
|
–
|
–
|
–
|
|
10
|
1,29
|
1,81
|
1,99
|
2,29
|
2,73
|
–
|
–
|
–
|
–
|
–
|
|
20
|
0,90
|
1,29
|
1,42
|
1,64
|
1,97
|
–
|
–
|
–
|
–
|
–
|
|
30
|
0,70
|
1,02
|
1,12
|
1,30
|
1,57
|
–
|
–
|
–
|
–
|
–
|
|
45
|
0,44
|
0,66
|
0,73
|
0,86
|
1,05
|
–
|
–
|
–
|
–
|
–
|
|
60
|
0,36
|
0,55
|
0,62
|
0,73
|
0,89
|
–
|
–
|
–
|
–
|
–
|
|
120
|
0,18
|
0,30
|
0,34
|
0,41
|
0,51
|
–
|
–
|
–
|
–
|
–
|
|
180
|
0,09
|
0,18
|
0,21
|
0,26
|
0,34
|
–
|
–
|
–
|
–
|
–
|
|
240
|
0,04
|
0,11
|
0,13
|
0,17
|
0,23
|
–
|
–
|
–
|
–
|
–
|
Ливневой подрайон 14е
|
tв
|
T
|
|
10
|
33
|
50
|
100
|
300
|
10
|
33
|
50
|
100
|
300
|
|
|
I кв
|
IV
кв
|
|
0
|
4,82
|
5,65
|
6,00
|
6,67
|
7,67
|
4,16
|
4,99
|
5,34
|
6,01
|
7,01
|
|
5
|
0,90
|
1,18
|
1,25
|
1,39
|
1,60
|
0,28
|
0,56
|
0,63
|
0,77
|
0,98
|
|
10
|
0,68
|
0,89
|
0,94
|
1,05
|
1,21
|
0,10
|
0,31
|
0,36
|
0,47
|
0,63
|
|
20
|
0,49
|
0,64
|
0,67
|
0,75
|
0,86
|
–
|
0,13
|
0,15
|
0,21
|
0,32
|
|
30
|
0,40
|
0,53
|
0,56
|
0,62
|
0,71
|
–
|
0,03
|
0,06
|
0,12
|
0,21
|
|
45
|
0,34
|
0,44
|
0,47
|
0,52
|
0,60
|
–
|
–
|
0,01
|
0,06
|
0,14
|
|
60
|
0,30
|
0,39
|
0,41
|
0,46
|
0,53
|
–
|
–
|
–
|
0,04
|
0,11
|
|
120
|
0,22
|
0,29
|
0,31
|
0,34
|
0,39
|
–
|
–
|
–
|
–
|
0,05
|
|
180
|
0,18
|
0,24
|
0,25
|
0,28
|
0,32
|
–
|
–
|
–
|
–
|
0,03
|
|
240
|
0,17
|
0,22
|
0,23
|
0,26
|
0,30
|
–
|
–
|
–
|
–
|
0,02
|
|
|
II
кв
|
V
кв
|
|
0
|
4,69
|
5,52
|
5,87
|
6,54
|
7,54
|
2,37
|
3,20
|
3,55
|
4,22
|
5,22
|
|
5
|
0,77
|
1,05
|
1,12
|
1,26
|
1,47
|
–
|
–
|
–
|
–
|
–
|
|
10
|
0,56
|
0,77
|
0,82
|
0,93
|
1,09
|
–
|
–
|
–
|
–
|
–
|
|
20
|
0,37
|
0,52
|
0,55
|
0,63
|
0,74
|
–
|
–
|
–
|
–
|
–
|
|
30
|
0,29
|
0,42
|
0,45
|
0,51
|
0,60
|
–
|
–
|
–
|
–
|
–
|
|
45
|
0,24
|
0,34
|
0,37
|
0,42
|
0,50
|
–
|
–
|
–
|
–
|
–
|
|
60
|
0,20
|
0,29
|
0,31
|
0,36
|
0,43
|
–
|
–
|
–
|
–
|
–
|
|
120
|
0,13
|
0,20
|
0,22
|
0,25
|
0,30
|
–
|
–
|
–
|
–
|
–
|
|
180
|
0,10
|
0,16
|
0,17
|
0,20
|
0,24
|
–
|
–
|
–
|
–
|
–
|
|
240
|
0,09
|
0,15
|
0,16
|
0,19
|
0,23
|
–
|
–
|
–
|
–
|
–
|
|
|
III
кв
|
VI
кв
|
|
0
|
4,60
|
5,43
|
5,73
|
6,45
|
7,45
|
–
|
–
|
–
|
–
|
–
|
|
5
|
0,63
|
0,96
|
1,03
|
1,17
|
1,38
|
–
|
–
|
–
|
–
|
–
|
|
10
|
0,47
|
0,68
|
0,73
|
0,84
|
1,00
|
–
|
–
|
–
|
–
|
–
|
|
20
|
0,28
|
0,43
|
0,46
|
0,54
|
0,65
|
–
|
–
|
–
|
–
|
–
|
|
30
|
0,20
|
0,33
|
0,36
|
0,42
|
0,51
|
–
|
–
|
–
|
–
|
–
|
|
45
|
0,15
|
0,25
|
0,28
|
0,33
|
0,41
|
–
|
–
|
–
|
–
|
–
|
|
60
|
0,11
|
0,20
|
0,22
|
0,27
|
0,34
|
–
|
–
|
–
|
–
|
–
|
|
120
|
0,05
|
0,12
|
0,14
|
0,17
|
0,22
|
–
|
–
|
–
|
–
|
–
|
|
180
|
0,02
|
0,08
|
0,09
|
0,12
|
0,16
|
–
|
–
|
–
|
–
|
–
|
|
240
|
0,01
|
0,07
|
0,08
|
0,11
|
0,15
|
–
|
–
|
–
|
–
|
–
|
Ливневой подрайон 14ж
|
tв
|
T
|
|
10
|
33
|
50
|
100
|
300
|
10
|
33
|
50
|
100
|
300
|
|
|
I кв
|
IV
кв
|
|
0
|
3,31
|
4,37
|
4,69
|
5,27
|
6,12
|
2,65
|
3,71
|
4,03
|
4,61
|
5,46
|
|
5
|
1,62
|
2,14
|
2,30
|
2,58
|
3,00
|
1,00
|
1,52
|
1,68
|
1,96
|
2,38
|
|
10
|
1,28
|
1,69
|
1,82
|
2,04
|
2,37
|
0,70
|
1,11
|
1,24
|
1,52
|
1,79
|
|
20
|
0,90
|
1,19
|
1,28
|
1,44
|
1,67
|
0,36
|
0,65
|
0,74
|
0,90
|
1,13
|
|
30
|
0,67
|
0,89
|
0,95
|
1,07
|
1,24
|
0,17
|
0,39
|
0,45
|
0,57
|
0,74
|
|
45
|
0,54
|
0,71
|
0,76
|
0,85
|
0,99
|
0,08
|
0,25
|
0,30
|
0,39
|
0,53
|
|
60
|
0,43
|
0,56
|
0,61
|
0,68
|
0,79
|
0,01
|
0,14
|
0,19
|
0,26
|
0,37
|
|
120
|
0,27
|
0,36
|
0,38
|
0,43
|
0,50
|
–
|
0,02
|
0,04
|
0,09
|
0,16
|
|
180
|
0,20
|
0,26
|
0,28
|
0,31
|
0,36
|
–
|
–
|
–
|
0,01
|
0,06
|
|
240
|
0,16
|
0,21
|
0,22
|
0,25
|
0,29
|
–
|
–
|
–
|
–
|
0,02
|
|
|
II
кв
|
V
кв
|
|
0
|
3,18
|
4,24
|
4,56
|
5,14
|
5,99
|
0,86
|
1,92
|
2,24
|
2,82
|
3,67
|
|
5
|
1,49
|
2,01
|
2,17
|
2,45
|
2,87
|
–
|
–
|
0,02
|
0,30
|
0,72
|
|
10
|
1,16
|
1,57
|
1,70
|
1,98
|
2,25
|
–
|
–
|
–
|
–
|
0,26
|
|
20
|
0,78
|
1,07
|
1,16
|
1,32
|
1,55
|
–
|
–
|
–
|
–
|
–
|
|
30
|
0,56
|
0,78
|
0,84
|
0,96
|
1,13
|
–
|
–
|
–
|
–
|
–
|
|
45
|
0,44
|
0,61
|
0,66
|
0,75
|
0,89
|
–
|
–
|
–
|
–
|
–
|
|
60
|
0,33
|
0,46
|
0,51
|
0,58
|
0,69
|
–
|
–
|
–
|
–
|
–
|
|
120
|
0,18
|
0,27
|
0,29
|
0,34
|
0,41
|
–
|
–
|
–
|
–
|
–
|
|
180
|
0,12
|
0,18
|
0,20
|
0,23
|
0,28
|
–
|
–
|
–
|
–
|
–
|
|
240
|
0,09
|
0,14
|
0,18
|
0,18
|
0,22
|
–
|
–
|
–
|
–
|
–
|
|
|
III
кв
|
VI
кв
|
|
0
|
3,09
|
4,15
|
4,47
|
5,05
|
1,90
|
–
|
–
|
–
|
–
|
–
|
|
5
|
1,40
|
1,92
|
2,08
|
2,36
|
2,78
|
–
|
–
|
–
|
–
|
–
|
|
10
|
1,07
|
1,48
|
1,61
|
1,89
|
2,16
|
–
|
–
|
–
|
–
|
–
|
|
20
|
0,69
|
0,98
|
1,07
|
1,23
|
1,47
|
–
|
–
|
–
|
–
|
–
|
|
30
|
0,47
|
0,69
|
0,75
|
0,87
|
1,04
|
–
|
–
|
–
|
–
|
–
|
|
45
|
0,35
|
0,52
|
0,57
|
0,66
|
0,80
|
–
|
–
|
–
|
–
|
–
|
|
60
|
0,24
|
0,37
|
0,42
|
0,49
|
0,60
|
–
|
–
|
–
|
–
|
–
|
|
120
|
0,10
|
0,19
|
0,21
|
0,26
|
0,33
|
–
|
–
|
–
|
–
|
–
|
|
180
|
0,04
|
0,10
|
0,12
|
0,15
|
0,20
|
–
|
–
|
–
|
–
|
–
|
|
240
|
0,01
|
0,06
|
0,07
|
0,10
|
0,14
|
–
|
–
|
–
|
–
|
–
|
Ливневой подрайон 14з
|
tв
|
T
|
|
10
|
33
|
50
|
100
|
300
|
10
|
33
|
50
|
100
|
300
|
|
|
I кв
|
IV
кв
|
|
0
|
5,29
|
7,39
|
8,22
|
9,47
|
11,57
|
4,63
|
6,73
|
7,56
|
8,81
|
10,91
|
|
5
|
1,55
|
2,17
|
2,42
|
2,79
|
3,41
|
0,93
|
1,55
|
1,80
|
2,17
|
2,79
|
|
10
|
1,16
|
1,63
|
1,82
|
2,09
|
2,56
|
0,53
|
1,05
|
1,24
|
1,51
|
1,98
|
|
20
|
0,74
|
1,01
|
1,13
|
1,30
|
1,59
|
0,20
|
0,47
|
0,59
|
0,76
|
1,05
|
|
30
|
0,53
|
0,73
|
0,82
|
0,94
|
1,15
|
0,03
|
0,23
|
0,32
|
0,44
|
0,65
|
|
45
|
0,39
|
0,54
|
0,60
|
0,69
|
0,84
|
–
|
0,08
|
0,14
|
0,23
|
0,38
|
|
60
|
0,32
|
0,44
|
0,50
|
0,57
|
0,69
|
–
|
0,02
|
0,08
|
0,15
|
0,27
|
|
120
|
0,20
|
0,28
|
0,31
|
0,36
|
0,44
|
–
|
–
|
–
|
0,02
|
0,10
|
|
180
|
0,15
|
0,21
|
0,24
|
0,27
|
0,33
|
–
|
–
|
–
|
–
|
0,03
|
|
240
|
0,13
|
0,18
|
0,20
|
0,23
|
0,28
|
–
|
–
|
–
|
–
|
0,01
|
|
|
II
кв
|
V
кв
|
|
0
|
5,16
|
7,26
|
8,09
|
9,34
|
11,44
|
2,84
|
4,94
|
5,77
|
7,02
|
9,12
|
|
5
|
1,42
|
2,04
|
2,29
|
2,66
|
3,28
|
–
|
–
|
0,14
|
0,51
|
1,13
|
|
10
|
1,04
|
1,51
|
1,70
|
1,97
|
2,44
|
–
|
–
|
–
|
–
|
0,45
|
|
20
|
0,62
|
0,89
|
1,01
|
1,18
|
1,47
|
–
|
–
|
–
|
–
|
–
|
|
30
|
0,42
|
0,62
|
0,71
|
0,83
|
1,04
|
–
|
–
|
–
|
–
|
–
|
|
45
|
0,29
|
0,44
|
0,50
|
0,59
|
0,74
|
–
|
–
|
–
|
–
|
–
|
|
60
|
0,22
|
0,34
|
0,40
|
0,47
|
0,59
|
–
|
–
|
–
|
–
|
–
|
|
120
|
0,11
|
0,19
|
0,22
|
0,27
|
0,35
|
–
|
–
|
–
|
–
|
–
|
|
180
|
0,07
|
0,13
|
0,16
|
0,19
|
0,25
|
–
|
–
|
–
|
–
|
–
|
|
240
|
0,06
|
0,11
|
0,13
|
0,16
|
0,21
|
–
|
–
|
–
|
–
|
–
|
|
|
III
кв
|
VI
кв
|
|
0
|
5,07
|
7,17
|
8,00
|
9,25
|
11,35
|
–
|
–
|
–
|
–
|
–
|
|
5
|
1,33
|
1,95
|
2,20
|
2,57
|
3,19
|
–
|
–
|
–
|
–
|
–
|
|
10
|
0,95
|
1,42
|
1,61
|
1,88
|
2,35
|
–
|
–
|
–
|
–
|
–
|
|
20
|
0,53
|
0,80
|
0,92
|
1,09
|
1,38
|
–
|
–
|
–
|
–
|
–
|
|
30
|
0,33
|
0,53
|
0,62
|
0,74
|
0,95
|
–
|
–
|
–
|
–
|
–
|
|
45
|
0,20
|
0,35
|
0,41
|
0,50
|
0,65
|
–
|
–
|
–
|
–
|
–
|
|
60
|
0,13
|
0,25
|
0,31
|
0,38
|
0,50
|
–
|
–
|
–
|
–
|
–
|
|
120
|
0,03
|
0,11
|
0,14
|
0,19
|
0,27
|
–
|
–
|
–
|
–
|
–
|
|
180
|
–
|
0,05
|
0,08
|
0,11
|
0,17
|
–
|
–
|
–
|
–
|
–
|
|
240
|
–
|
0,03
|
0,05
|
0,08
|
0,13
|
–
|
–
|
–
|
–
|
–
|
Ливневой подрайон 14и
|
tв
|
T
|
|
10
|
33
|
50
|
100
|
300
|
10
|
33
|
50
|
100
|
300
|
|
|
I кв
|
IV
кв
|
|
0
|
3,71
|
4,54
|
4,74
|
5,17
|
5,80
|
3,01
|
3,88
|
4,08
|
4,51
|
5,14
|
|
5
|
1,43
|
1,75
|
1,83
|
1,99
|
2,23
|
0,81
|
1,13
|
1,21
|
1,37
|
1,61
|
|
10
|
1,03
|
1,26
|
1,32
|
1,44
|
1,61
|
0,45
|
0,68
|
0,74
|
0,86
|
1,03
|
|
20
|
0,63
|
0,76
|
0,80
|
0,87
|
0,97
|
0,09
|
0,22
|
0,26
|
0,33
|
0,43
|
|
30
|
0,45
|
0,55
|
0,58
|
0,63
|
0,70
|
–
|
0,05
|
0,08
|
0,13
|
0,20
|
|
45
|
0,35
|
0,42
|
0,44
|
0,48
|
0,54
|
–
|
–
|
–
|
0,02
|
0,08
|
|
60
|
0,27
|
0,34
|
0,35
|
0,38
|
0,47
|
–
|
–
|
–
|
–
|
0,05
|
|
120
|
0,17
|
0,21
|
0,22
|
0,24
|
0,27
|
–
|
–
|
–
|
–
|
–
|
|
180
|
0,13
|
0,16
|
0,17
|
0,18
|
0,20
|
–
|
–
|
–
|
–
|
–
|
|
240
|
0,11
|
0,13
|
0,14
|
0,15
|
0,17
|
–
|
–
|
–
|
–
|
–
|
|
|
II
кв
|
V
кв
|
|
0
|
3,54
|
4,41
|
4,61
|
5,04
|
5,67
|
1,22
|
2,09
|
2,29
|
2,72
|
3,35
|
|
5
|
1,30
|
1,62
|
1,70
|
1,86
|
2,10
|
–
|
–
|
–
|
–
|
–
|
|
10
|
0,91
|
1,14
|
1,20
|
1,32
|
1,49
|
–
|
–
|
–
|
–
|
–
|
|
20
|
0,51
|
0,64
|
0,68
|
0,75
|
0,85
|
–
|
–
|
–
|
–
|
–
|
|
30
|
0,34
|
0,44
|
0,47
|
0,52
|
0,59
|
–
|
–
|
–
|
–
|
–
|
|
45
|
0,25
|
0,32
|
0,34
|
0,38
|
0,44
|
–
|
–
|
–
|
–
|
–
|
|
60
|
0,17
|
0,24
|
0,25
|
0,28
|
0,37
|
–
|
–
|
–
|
–
|
–
|
|
120
|
0,08
|
0,12
|
0,13
|
0,15
|
0,18
|
–
|
–
|
–
|
–
|
–
|
|
180
|
0,05
|
0,08
|
0,09
|
0,10
|
0,12
|
–
|
–
|
–
|
–
|
–
|
|
240
|
0,04
|
0,06
|
0,07
|
0,08
|
0,10
|
–
|
–
|
–
|
–
|
–
|
|
|
III
кв
|
VI
кв
|
|
0
|
3,45
|
4,32
|
4,52
|
4,95
|
5,58
|
–
|
–
|
–
|
–
|
–
|
|
5
|
1,21
|
1,53
|
1,61
|
1,77
|
2,01
|
–
|
–
|
–
|
–
|
–
|
|
10
|
0,82
|
1,05
|
1,11
|
1,23
|
1,40
|
–
|
–
|
–
|
–
|
–
|
|
20
|
0,42
|
0,55
|
0,59
|
0,66
|
0,76
|
–
|
–
|
–
|
–
|
–
|
|
30
|
0,25
|
0,35
|
0,38
|
0,43
|
0,50
|
–
|
–
|
–
|
–
|
–
|
|
45
|
0,16
|
0,23
|
0,25
|
0,29
|
0,35
|
–
|
–
|
–
|
–
|
–
|
|
60
|
0,08
|
0,15
|
0,16
|
0,19
|
0,28
|
–
|
–
|
–
|
–
|
–
|
|
120
|
–
|
0,04
|
0,05
|
0,07
|
0,10
|
–
|
–
|
–
|
–
|
–
|
|
180
|
–
|
–
|
0,01
|
0,02
|
0,05
|
–
|
–
|
–
|
–
|
–
|
|
240
|
–
|
–
|
–
|
–
|
0,02
|
–
|
–
|
–
|
–
|
–
|
Ливневой подрайон 14к
|
tв
|
T
|
|
10
|
33
|
50
|
100
|
300
|
10
|
33
|
50
|
100
|
300
|
|
|
I кв
|
IV
кв
|
|
0
|
4,14
|
5,49
|
5,89
|
6,69
|
7,84
|
3,54
|
4,89
|
5,29
|
6,09
|
7,24
|
|
5
|
1,62
|
2,27
|
2,42
|
2,75
|
3,23
|
1,05
|
1,70
|
1,85
|
2,18
|
2,66
|
|
10
|
1,32
|
1,73
|
1,86
|
2,10
|
2,47
|
0,78
|
1,19
|
1,32
|
1,56
|
1,93
|
|
20
|
0,84
|
1,11
|
1,19
|
1,35
|
1,68
|
0,34
|
0,61
|
0,69
|
0,85
|
1,18
|
|
30
|
0,59
|
0,79
|
0,85
|
0,96
|
1,12
|
0,13
|
0,33
|
0,39
|
0,50
|
0,66
|
|
45
|
0,45
|
0,59
|
0,63
|
0,72
|
0,84
|
0,02
|
0,16
|
0,20
|
0,29
|
0,41
|
|
60
|
0,35
|
0,47
|
0,50
|
0,57
|
0,67
|
–
|
0,08
|
0,11
|
0,18
|
0,28
|
|
120
|
0,21
|
0,28
|
0,30
|
0,34
|
0,40
|
–
|
–
|
–
|
0,02
|
0,18
|
|
180
|
0,16
|
0,21
|
0,23
|
0,26
|
0,31
|
–
|
–
|
–
|
–
|
0,02
|
|
240
|
0,13
|
0,17
|
0,19
|
0,21
|
0,25
|
–
|
–
|
–
|
–
|
–
|
|
|
II
кв
|
V
кв
|
|
0
|
4,01
|
5,36
|
5,76
|
6,56
|
7,71
|
2,01
|
3,36
|
3,76
|
4,56
|
5,71
|
|
5
|
1,49
|
2,14
|
2,29
|
2,62
|
3,10
|
–
|
0,24
|
0,39
|
0,72
|
1,20
|
|
10
|
1,20
|
1,61
|
1,74
|
1,98
|
2,35
|
–
|
–
|
–
|
0,20
|
0,57
|
|
20
|
0,72
|
0,99
|
1,07
|
1,23
|
1,56
|
–
|
–
|
–
|
–
|
–
|
|
30
|
0,48
|
0,68
|
0,74
|
0,85
|
1,01
|
–
|
–
|
–
|
–
|
–
|
|
45
|
0,35
|
0,49
|
0,53
|
0,62
|
0,74
|
–
|
–
|
–
|
–
|
–
|
|
60
|
0,25
|
0,37
|
0,40
|
0,47
|
0,57
|
–
|
–
|
–
|
–
|
–
|
|
120
|
0,12
|
0,19
|
0,21
|
0,25
|
0,31
|
–
|
–
|
–
|
–
|
–
|
|
180
|
0,08
|
0,13
|
0,15
|
0,18
|
0,23
|
–
|
–
|
–
|
–
|
–
|
|
240
|
0,06
|
0,10
|
0,12
|
0,14
|
0,18
|
–
|
–
|
–
|
–
|
–
|
|
|
III
кв
|
VI
кв
|
|
0
|
3,92
|
5,27
|
5,67
|
6,47
|
7,62
|
–
|
–
|
–
|
–
|
–
|
|
5
|
1,40
|
2,05
|
2,20
|
2,53
|
3,01
|
–
|
–
|
–
|
–
|
–
|
|
10
|
1,11
|
1,52
|
1,65
|
1,89
|
2,26
|
–
|
–
|
–
|
–
|
–
|
|
20
|
0,63
|
0,90
|
0,98
|
1,14
|
1,47
|
–
|
–
|
–
|
–
|
–
|
|
30
|
0,39
|
0,59
|
0,65
|
0,76
|
0,92
|
–
|
–
|
–
|
–
|
–
|
|
45
|
0,26
|
0,40
|
0,44
|
0,53
|
0,65
|
–
|
–
|
–
|
–
|
–
|
|
60
|
0,16
|
0,28
|
0,31
|
0,38
|
0,48
|
–
|
–
|
–
|
–
|
–
|
|
120
|
0,04
|
0,11
|
0,13
|
0,17
|
0,23
|
–
|
–
|
–
|
–
|
–
|
|
180
|
–
|
0,05
|
0,07
|
0,10
|
0,15
|
–
|
–
|
–
|
–
|
–
|
|
240
|
–
|
0,02
|
0,04
|
0,06
|
0,10
|
–
|
–
|
–
|
–
|
–
|
Ливневой подрайон 14л
|
tв
|
T
|
|
10
|
33
|
50
|
100
|
300
|
10
|
33
|
50
|
100
|
300
|
|
|
I кв
|
IV
кв
|
|
0
|
5,61
|
7,29
|
7,89
|
8,79
|
10,09
|
5,01
|
6,69
|
7,29
|
8,19
|
9,49
|
|
5
|
2,12
|
2,74
|
2,97
|
3,30
|
3,79
|
1,55
|
2,17
|
2,40
|
2,73
|
3,22
|
|
10
|
1,54
|
2,00
|
2,16
|
2,40
|
2,76
|
1,00
|
1,46
|
1,62
|
1,86
|
2,22
|
|
20
|
0,99
|
1,29
|
1,39
|
1,55
|
1,78
|
0,49
|
0,79
|
0,89
|
1,05
|
1,28
|
|
30
|
0,70
|
0,92
|
0,99
|
1,10
|
1,26
|
0,24
|
0,46
|
0,53
|
0,64
|
0,80
|
|
45
|
0,53
|
0,69
|
0,75
|
0,83
|
0,95
|
0,10
|
0,26
|
0,32
|
0,40
|
0,52
|
|
60
|
0,40
|
0,52
|
0,57
|
0,63
|
0,72
|
0,01
|
0,13
|
0,18
|
0,24
|
0,33
|
|
120
|
0,24
|
0,31
|
0,35
|
0,37
|
0,43
|
–
|
–
|
0,06
|
0,05
|
0,11
|
|
180
|
0,17
|
0,22
|
0,24
|
0,27
|
0,31
|
–
|
–
|
–
|
–
|
0,02
|
|
240
|
0,15
|
0,19
|
0,21
|
0,23
|
0,26
|
–
|
–
|
–
|
–
|
–
|
|
|
II
кв
|
V
кв
|
|
0
|
5,48
|
7,16
|
7,76
|
8,66
|
9,96
|
3,48
|
5,16
|
5,76
|
6,66
|
7,96
|
|
5
|
1,99
|
2,61
|
2,84
|
3,17
|
3,66
|
0,09
|
0,71
|
0,94
|
1,27
|
1,76
|
|
10
|
1,42
|
1,88
|
2,04
|
2,28
|
2,64
|
–
|
0,10
|
0,26
|
0,50
|
0,86
|
|
20
|
0,87
|
1,17
|
1,27
|
1,43
|
1,66
|
–
|
–
|
–
|
–
|
0,06
|
|
30
|
0,59
|
0,81
|
0,88
|
0,99
|
1,15
|
–
|
–
|
–
|
–
|
–
|
|
45
|
0,43
|
0,59
|
0,65
|
0,73
|
0,85
|
–
|
–
|
–
|
–
|
–
|
|
60
|
0,30
|
0,42
|
0,47
|
0,53
|
0,62
|
–
|
–
|
–
|
–
|
–
|
|
120
|
0,15
|
0,22
|
0,25
|
0,28
|
0,34
|
–
|
–
|
–
|
–
|
–
|
|
180
|
0,09
|
0,14
|
0,16
|
0,19
|
0,23
|
–
|
–
|
–
|
–
|
–
|
|
240
|
0,08
|
0,12
|
0,14
|
0,16
|
0,19
|
–
|
–
|
–
|
–
|
–
|
|
|
III
кв
|
VI
кв
|
|
0
|
5,39
|
7,07
|
7,67
|
8,57
|
9,87
|
–
|
–
|
–
|
–
|
–
|
|
5
|
1,90
|
2,52
|
2,75
|
3,08
|
3,57
|
–
|
–
|
–
|
–
|
–
|
|
10
|
1,33
|
1,79
|
1,95
|
2,19
|
2,55
|
–
|
–
|
–
|
–
|
–
|
|
20
|
0,78
|
1,08
|
1,18
|
1,34
|
1,57
|
–
|
–
|
–
|
–
|
–
|
|
30
|
0,50
|
0,72
|
0,79
|
0,90
|
1,06
|
–
|
–
|
–
|
–
|
–
|
|
45
|
0,34
|
0,50
|
0,56
|
0,64
|
0,76
|
–
|
–
|
–
|
–
|
–
|
|
60
|
0,21
|
0,33
|
0,38
|
0,44
|
0,53
|
–
|
–
|
–
|
–
|
–
|
|
120
|
0,07
|
0,14
|
0,18
|
0,20
|
0,26
|
–
|
–
|
–
|
–
|
–
|
|
180
|
0,01
|
0,06
|
0,08
|
0,11
|
0,15
|
–
|
–
|
–
|
–
|
–
|
|
240
|
–
|
0,04
|
0,06
|
0,08
|
0,11
|
–
|
–
|
–
|
–
|
–
|
|
|
|
|
|
|
|
|
|
|
|
|
|
|
|
|
|
Ливневой подрайон 14м
|
tв
|
T
|
|
10
|
33
|
50
|
100
|
300
|
10
|
33
|
50
|
100
|
300
|
|
|
I кв
|
IV
кв
|
|
0
|
3,12
|
4,14
|
4,47
|
4,97
|
5,77
|
2,46
|
3,48
|
3,81
|
4,31
|
5,11
|
|
5
|
1,50
|
1,99
|
2,16
|
2,39
|
2,77
|
0,88
|
1,37
|
1,54
|
1,77
|
2,15
|
|
10
|
1,16
|
1,53
|
1,66
|
1,84
|
2,14
|
0,58
|
0,95
|
1,08
|
1,26
|
1,56
|
|
20
|
0,81
|
1,07
|
1,16
|
1,29
|
1,50
|
0,27
|
0,53
|
0,62
|
0,75
|
0,96
|
|
30
|
0,59
|
0,78
|
0,85
|
0,94
|
1,09
|
0,09
|
0,28
|
0,35
|
0,44
|
0,59
|
|
45
|
0,47
|
0,62
|
0,68
|
0,75
|
0,87
|
0,01
|
0,16
|
0,22
|
0,29
|
0,41
|
|
60
|
0,37
|
0,48
|
0,52
|
0,58
|
0,67
|
–
|
0,06
|
0,10
|
0,16
|
0,25
|
|
120
|
0,23
|
0,31
|
0,33
|
0,37
|
0,43
|
–
|
–
|
–
|
0,03
|
0,09
|
|
180
|
0,17
|
0,22
|
0,24
|
0,27
|
0,31
|
–
|
–
|
–
|
–
|
0,01
|
|
240
|
0,13
|
0,17
|
0,18
|
0,20
|
0,23
|
–
|
–
|
–
|
–
|
–
|
|
|
II
кв
|
V
кв
|
|
0
|
2,99
|
4,01
|
4,34
|
4,84
|
5,64
|
0,67
|
1,69
|
2,02
|
2,52
|
3,32
|
|
5
|
1,37
|
1,86
|
2,03
|
2,26
|
2,64
|
–
|
–
|
–
|
0,11
|
0,49
|
|
10
|
1,04
|
1,41
|
1,54
|
1,72
|
2,02
|
–
|
–
|
–
|
–
|
0,03
|
|
20
|
0,69
|
0,95
|
1,04
|
1,17
|
1,38
|
–
|
–
|
–
|
–
|
–
|
|
30
|
0,48
|
0,67
|
0,74
|
0,83
|
0,98
|
–
|
–
|
–
|
–
|
–
|
|
45
|
0,37
|
0,52
|
0,53
|
0,65
|
0,77
|
–
|
–
|
–
|
–
|
–
|
|
60
|
0,27
|
0,38
|
0,42
|
0,48
|
0,57
|
–
|
–
|
–
|
–
|
–
|
|
120
|
0,14
|
0,22
|
0,24
|
0,28
|
0,34
|
–
|
–
|
–
|
–
|
–
|
|
180
|
0,09
|
0,14
|
0,16
|
0,19
|
0,23
|
–
|
–
|
–
|
–
|
–
|
|
240
|
0,06
|
0,10
|
0,11
|
0,13
|
0,16
|
–
|
–
|
–
|
–
|
–
|
|
|
III
кв
|
VI
кв
|
|
0
|
2,90
|
3,92
|
4,25
|
4,75
|
5,55
|
–
|
–
|
–
|
–
|
–
|
|
5
|
1,28
|
1,77
|
1,94
|
2,17
|
2,55
|
–
|
–
|
–
|
–
|
–
|
|
10
|
0,95
|
1,32
|
1,45
|
1,63
|
1,93
|
–
|
–
|
–
|
–
|
–
|
|
20
|
0,60
|
0,86
|
0,95
|
1,08
|
1,29
|
–
|
–
|
–
|
–
|
–
|
|
30
|
0,39
|
0,58
|
0,65
|
0,74
|
0,89
|
–
|
–
|
–
|
–
|
–
|
|
45
|
0,28
|
0,43
|
0,49
|
0,56
|
0,68
|
–
|
–
|
–
|
–
|
–
|
|
60
|
0,18
|
0,29
|
0,33
|
0,39
|
0,48
|
–
|
–
|
–
|
–
|
–
|
|
120
|
0,06
|
0,14
|
0,16
|
0,20
|
0,26
|
–
|
–
|
–
|
–
|
–
|
|
180
|
0,01
|
0,06
|
0,08
|
0,11
|
0,15
|
–
|
–
|
–
|
–
|
–
|
|
240
|
–
|
0,02
|
0,03
|
0,05
|
0,08
|
–
|
–
|
–
|
–
|
–
|
Ливневой подрайон 14н
|
tв
|
T
|
|
10
|
33
|
50
|
100
|
300
|
10
|
33
|
50
|
100
|
300
|
|
|
I кв
|
IV
кв
|
|
0
|
1,75
|
2,40
|
2,60
|
2,97
|
3,52
|
1,09
|
1,74
|
1,94
|
2,31
|
2,86
|
|
5
|
1,31
|
1,80
|
1,96
|
2,23
|
2,65
|
0,69
|
1,18
|
1,34
|
1,61
|
2,03
|
|
10
|
1,10
|
1,52
|
1,65
|
1,88
|
2,23
|
0,52
|
0,94
|
1,07
|
1,30
|
1,65
|
|
20
|
0,85
|
1,17
|
1,26
|
1,44
|
1,70
|
0,31
|
0,63
|
0,72
|
0,90
|
1,16
|
|
30
|
0,67
|
0,92
|
1,00
|
1,14
|
1,35
|
0,17
|
0,42
|
0,50
|
0,64
|
0,85
|
|
45
|
0,54
|
0,74
|
0,81
|
0,92
|
1,09
|
0,08
|
0,28
|
0,35
|
0,46
|
0,63
|
|
60
|
0,46
|
0,64
|
0,70
|
0,79
|
0,94
|
0,04
|
0,22
|
0,23
|
0,37
|
0,52
|
|
120
|
0,31
|
0,43
|
0,47
|
0,53
|
0,63
|
–
|
0,09
|
0,13
|
0,19
|
0,29
|
|
180
|
0,24
|
0,33
|
0,35
|
0,40
|
0,47
|
–
|
0,03
|
0,05
|
0,10
|
0,16
|
|
240
|
0,19
|
0,27
|
0,29
|
0,33
|
0,39
|
–
|
–
|
0,02
|
0,06
|
0,12
|
|
|
II
кв
|
V
кв
|
|
0
|
1,62
|
2,27
|
2,47
|
2,84
|
3,39
|
–
|
–
|
0,15
|
0,52
|
1,07
|
|
5
|
1,18
|
1,67
|
1,83
|
2,10
|
2,52
|
–
|
–
|
–
|
–
|
0,37
|
|
10
|
0,98
|
1,40
|
1,53
|
1,76
|
2,11
|
–
|
–
|
–
|
–
|
0,12
|
|
20
|
0,73
|
1,05
|
1,14
|
1,32
|
1,58
|
–
|
–
|
–
|
–
|
–
|
|
30
|
0,56
|
0,81
|
0,89
|
1,03
|
1,24
|
–
|
–
|
–
|
–
|
–
|
|
45
|
0,44
|
0,64
|
0,71
|
0,82
|
0,99
|
–
|
–
|
–
|
–
|
–
|
|
60
|
0,36
|
0,54
|
0,60
|
0,69
|
0,84
|
–
|
–
|
–
|
–
|
–
|
|
120
|
0,22
|
0,34
|
0,38
|
0,44
|
0,54
|
–
|
–
|
–
|
–
|
–
|
|
180
|
0,16
|
0,25
|
0,27
|
0,32
|
0,38
|
–
|
–
|
–
|
–
|
–
|
|
240
|
0,12
|
0,20
|
0,22
|
0,26
|
0,32
|
–
|
–
|
–
|
–
|
–
|
|
|
III
кв
|
VI
кв
|
|
0
|
1,53
|
2,18
|
2,38
|
2,75
|
3,30
|
–
|
–
|
–
|
–
|
–
|
|
5
|
1,09
|
1,58
|
1,74
|
2,01
|
2,43
|
–
|
–
|
–
|
–
|
–
|
|
10
|
0,89
|
1,31
|
1,44
|
1,67
|
2,02
|
–
|
–
|
–
|
–
|
–
|
|
20
|
0,64
|
0,96
|
1,05
|
1,23
|
1,49
|
–
|
–
|
–
|
–
|
–
|
|
30
|
0,47
|
0,72
|
0,80
|
0,94
|
1,15
|
–
|
–
|
–
|
–
|
–
|
|
45
|
0,35
|
0,55
|
0,62
|
0,73
|
0,90
|
–
|
–
|
–
|
–
|
–
|
|
60
|
0,27
|
0,45
|
0,51
|
0,60
|
0,75
|
–
|
–
|
–
|
–
|
–
|
|
120
|
0,14
|
0,26
|
0,30
|
0,36
|
0,46
|
–
|
–
|
–
|
–
|
–
|
|
180
|
0,08
|
0,17
|
0,19
|
0,24
|
0,30
|
–
|
–
|
–
|
–
|
–
|
|
240
|
0,04
|
0,12
|
0,14
|
0,18
|
0,24
|
–
|
–
|
–
|
–
|
–
|
Ливневой подрайон 15а
|
tв
|
T
|
|
10
|
33
|
50
|
100
|
300
|
10
|
33
|
50
|
100
|
300
|
|
|
I кв
|
IV
кв
|
|
0
|
2,75
|
3,45
|
3,68
|
4,10
|
4,40
|
2,09
|
2,79
|
3,02
|
3,44
|
3,74
|
|
5
|
1,94
|
2,44
|
2,50
|
2,90
|
3,11
|
1,32
|
1,82
|
1,98
|
2,28
|
2,49
|
|
10
|
1,56
|
1,95
|
2,08
|
2,32
|
2,62
|
0,98
|
1,37
|
1,50
|
1,74
|
2,04
|
|
20
|
1,14
|
1,36
|
1,52
|
1,70
|
1,92
|
0,60
|
0,82
|
0,98
|
1,16
|
1,38
|
|
30
|
0,94
|
1,08
|
1,20
|
1,33
|
1,50
|
0,44
|
0,58
|
0,70
|
0,83
|
1,00
|
|
45
|
0,74
|
0,84
|
0,90
|
1,04
|
1,13
|
0,28
|
0,38
|
0,44
|
0,58
|
0,67
|
|
60
|
0,61
|
0,71
|
0,76
|
0,85
|
0,93
|
0,19
|
0,29
|
0,34
|
0,43
|
0,51
|
|
120
|
0,39
|
0,49
|
0,54
|
0,58
|
0,66
|
0,05
|
0,15
|
0,20
|
0,24
|
0,32
|
|
180
|
0,32
|
0,40
|
0,42
|
0,47
|
0,53
|
0,02
|
0,10
|
0,12
|
0,17
|
0,23
|
|
240
|
0,27
|
0,34
|
0,36
|
0,40
|
0,45
|
–
|
0,07
|
0,09
|
0,13
|
0,18
|
|
|
II
кв
|
V
кв
|
|
0
|
2,62
|
3,32
|
3,55
|
3,97
|
4,27
|
0,30
|
1,00
|
1,23
|
1,65
|
1,95
|
|
5
|
1,81
|
2,31
|
2,47
|
2,77
|
2,98
|
–
|
0,16
|
0,32
|
0,62
|
0,83
|
|
10
|
1,44
|
1,83
|
1,96
|
2,20
|
2,50
|
–
|
–
|
–
|
0,21
|
0,51
|
|
20
|
1,02
|
1,24
|
1,40
|
1,58
|
1,80
|
–
|
–
|
–
|
–
|
0,02
|
|
30
|
0,83
|
0,97
|
1,09
|
1,22
|
1,39
|
–
|
–
|
–
|
–
|
–
|
|
45
|
0,64
|
0,74
|
0,80
|
0,94
|
1,03
|
–
|
–
|
–
|
–
|
–
|
|
60
|
0,51
|
0,61
|
0,66
|
0,75
|
0,83
|
–
|
–
|
–
|
–
|
–
|
|
120
|
0,30
|
0,40
|
0,45
|
0,49
|
0,57
|
–
|
–
|
–
|
–
|
–
|
|
180
|
0,24
|
0,32
|
0,34
|
0,39
|
0,45
|
–
|
–
|
–
|
–
|
–
|
|
240
|
0,20
|
0,27
|
0,29
|
0,33
|
0,38
|
–
|
–
|
–
|
–
|
–
|
|
|
III
кв
|
VI
кв
|
|
0
|
2,53
|
3,23
|
3,46
|
3,88
|
4,18
|
–
|
–
|
–
|
–
|
–
|
|
5
|
1,72
|
2,22
|
2,38
|
2,68
|
2,89
|
–
|
–
|
–
|
–
|
–
|
|
10
|
1,35
|
1,74
|
1,87
|
2,11
|
2,41
|
–
|
–
|
–
|
–
|
–
|
|
20
|
0,93
|
1,15
|
1,31
|
1,49
|
1,71
|
–
|
–
|
–
|
–
|
–
|
|
30
|
0,74
|
0,98
|
1,00
|
1,13
|
1,30
|
–
|
–
|
–
|
–
|
–
|
|
45
|
0,55
|
0,65
|
0,71
|
0,85
|
0,94
|
–
|
–
|
–
|
–
|
–
|
|
60
|
0,42
|
0,52
|
0,57
|
0,66
|
0,74
|
–
|
–
|
–
|
–
|
–
|
|
120
|
0,22
|
0,32
|
0,37
|
0,41
|
0,49
|
–
|
–
|
–
|
–
|
–
|
|
180
|
0,16
|
0,24
|
0,26
|
0,31
|
0,37
|
–
|
–
|
–
|
–
|
–
|
|
240
|
0,12
|
0,19
|
0,21
|
0,25
|
0,30
|
–
|
–
|
–
|
–
|
–
|
Ливневой подрайон 15б
|
tв
|
T
|
|
10
|
33
|
50
|
100
|
300
|
10
|
33
|
50
|
100
|
300
|
|
|
I кв
|
IV
кв
|
|
0
|
2,66
|
3,50
|
3,72
|
4,23
|
4,82
|
2,06
|
2,90
|
3,12
|
3,63
|
4,22
|
|
5
|
1,74
|
2,29
|
2,43
|
2,76
|
3,15
|
1,17
|
1,72
|
1,86
|
2,19
|
2,58
|
|
10
|
1,35
|
1,78
|
1,92
|
2,15
|
2,45
|
0,81
|
1,24
|
1,38
|
1,61
|
1,91
|
|
20
|
1,01
|
1,33
|
1,41
|
1,60
|
1,82
|
0,51
|
0,83
|
0,91
|
1,10
|
1,32
|
|
30
|
0,84
|
1,04
|
1,15
|
1,30
|
1,48
|
0,38
|
0,58
|
0,69
|
0,84
|
1,02
|
|
45
|
0,67
|
0,80
|
0,91
|
1,05
|
1,19
|
0,24
|
0,37
|
0,48
|
0,62
|
0,76
|
|
60
|
0,57
|
0,68
|
0,78
|
0,89
|
0,99
|
0,18
|
0,29
|
0,38
|
0,50
|
0,60
|
|
120
|
0,37
|
0,48
|
0,51
|
0,58
|
0,66
|
0,05
|
0,16
|
0,19
|
0,26
|
0,34
|
|
180
|
0,31
|
0,41
|
0,43
|
0,49
|
0,56
|
0,02
|
0,12
|
0,14
|
0,20
|
0,27
|
|
240
|
0,27
|
0,36
|
0,38
|
0,43
|
0,49
|
0,01
|
0,10
|
0,12
|
0,17
|
0,23
|
|
|
II
кв
|
V
кв
|
|
0
|
2,53
|
3,37
|
3,59
|
4,10
|
4,69
|
0,53
|
1,37
|
1,59
|
1,10
|
2,69
|
|
5
|
1,61
|
2,16
|
2,30
|
2,63
|
3,02
|
–
|
0,26
|
0,40
|
0,73
|
1,12
|
|
10
|
1,23
|
1,66
|
1,80
|
2,03
|
2,33
|
–
|
–
|
0,02
|
0,25
|
0,55
|
|
20
|
0,89
|
1,21
|
1,29
|
1,48
|
1,70
|
–
|
–
|
–
|
–
|
0,10
|
|
30
|
0,73
|
0,93
|
1,04
|
1,19
|
1,37
|
–
|
–
|
–
|
–
|
–
|
|
45
|
0,57
|
0,70
|
0,81
|
0,95
|
1,09
|
–
|
–
|
–
|
–
|
–
|
|
60
|
0,47
|
0,58
|
0,68
|
0,79
|
0,89
|
–
|
–
|
–
|
–
|
–
|
|
120
|
0,28
|
0,39
|
0,42
|
0,49
|
0,57
|
–
|
–
|
–
|
–
|
–
|
|
180
|
0,23
|
0,33
|
0,35
|
0,41
|
0,48
|
–
|
–
|
–
|
–
|
–
|
|
240
|
0,20
|
0,29
|
0,31
|
0,36
|
0,42
|
–
|
–
|
–
|
–
|
–
|
|
|
III
кв
|
VI
кв
|
|
0
|
2,44
|
3,28
|
3,50
|
4,01
|
4,60
|
–
|
–
|
–
|
–
|
–
|
|
5
|
1,52
|
2,07
|
2,21
|
2,54
|
2,93
|
–
|
–
|
–
|
–
|
–
|
|
10
|
1,14
|
1,57
|
1,71
|
1,94
|
2,24
|
–
|
–
|
–
|
–
|
–
|
|
20
|
0,80
|
1,12
|
1,20
|
1,39
|
1,61
|
–
|
–
|
–
|
–
|
–
|
|
30
|
0,64
|
0,84
|
0,95
|
1,10
|
1,28
|
–
|
–
|
–
|
–
|
–
|
|
45
|
0,48
|
0,61
|
0,72
|
0,86
|
1,00
|
–
|
–
|
–
|
–
|
–
|
|
60
|
0,38
|
0,49
|
0,58
|
0,70
|
0,80
|
–
|
–
|
–
|
–
|
–
|
|
120
|
0,20
|
0,31
|
0,34
|
0,41
|
0,49
|
–
|
–
|
–
|
–
|
–
|
|
180
|
0,15
|
0,25
|
0,27
|
0,33
|
0,40
|
–
|
–
|
–
|
–
|
–
|
|
240
|
0,12
|
0,21
|
0,23
|
0,28
|
0,34
|
–
|
–
|
–
|
–
|
–
|
Ливневой подрайон 15в
|
tв
|
T
|
|
10
|
33
|
50
|
100
|
300
|
10
|
33
|
50
|
100
|
300
|
|
|
I кв
|
IV
кв
|
|
0
|
2,45
|
2,90
|
3,03
|
3,26
|
3,65
|
1,85
|
2,30
|
2,43
|
2,66
|
3,05
|
|
5
|
1,39
|
1,65
|
1,72
|
1,85
|
2,07
|
0,82
|
1,08
|
1,15
|
1,28
|
1,50
|
|
10
|
1,06
|
1,21
|
1,31
|
1,41
|
1,58
|
0,52
|
0,67
|
0,77
|
0,87
|
1,04
|
|
20
|
0,70
|
0,83
|
0,89
|
0,93
|
1,04
|
0,20
|
0,33
|
0,39
|
0,43
|
0,54
|
|
30
|
0,56
|
0,61
|
0,69
|
0,74
|
0,83
|
0,10
|
0,15
|
0,23
|
0,28
|
0,37
|
|
45
|
0,43
|
0,51
|
0,53
|
0,57
|
0,64
|
–
|
0,08
|
0,10
|
0,14
|
0,21
|
|
60
|
0,38
|
0,45
|
0,46
|
0,50
|
0,56
|
–
|
0,06
|
0,07
|
0,11
|
0,17
|
|
120
|
0,26
|
0,30
|
0,32
|
0,34
|
0,38
|
–
|
–
|
–
|
0,02
|
0,06
|
|
180
|
0,21
|
0,25
|
0,26
|
0,28
|
0,31
|
–
|
–
|
–
|
–
|
0,02
|
|
240
|
0,17
|
0,20
|
0,21
|
0,23
|
0,26
|
–
|
–
|
–
|
–
|
–
|
|
|
II
кв
|
V
кв
|
|
0
|
2,32
|
2,77
|
2,90
|
3,13
|
3,52
|
2,32
|
0,77
|
0,90
|
1,13
|
1,52
|
|
5
|
1,26
|
1,52
|
1,59
|
1,72
|
1,94
|
–
|
–
|
–
|
–
|
0,04
|
|
10
|
0,94
|
1,09
|
1,19
|
1,29
|
1,46
|
–
|
–
|
–
|
–
|
–
|
|
20
|
0,58
|
0,71
|
0,77
|
0,81
|
0,92
|
–
|
–
|
–
|
–
|
–
|
|
30
|
0,45
|
0,50
|
0,58
|
0,63
|
0,72
|
–
|
–
|
–
|
–
|
–
|
|
45
|
0,33
|
0,41
|
0,43
|
0,47
|
0,54
|
–
|
–
|
–
|
–
|
–
|
|
60
|
0,28
|
0,35
|
0,36
|
0,40
|
0,46
|
–
|
–
|
–
|
–
|
–
|
|
120
|
0,17
|
0,21
|
0,23
|
0,25
|
0,29
|
–
|
–
|
–
|
–
|
–
|
|
180
|
0,13
|
0,17
|
0,18
|
0,20
|
0,23
|
–
|
–
|
–
|
–
|
–
|
|
240
|
0,10
|
0,13
|
0,14
|
0,16
|
0,19
|
–
|
–
|
–
|
–
|
–
|
|
|
III
кв
|
VI
кв
|
|
0
|
2,23
|
2,68
|
2,81
|
3,04
|
3,43
|
–
|
–
|
–
|
–
|
–
|
|
5
|
1,17
|
1,43
|
1,50
|
1,63
|
1,85
|
–
|
–
|
–
|
–
|
–
|
|
10
|
0,85
|
1,00
|
1,10
|
1,20
|
1,37
|
–
|
–
|
–
|
–
|
–
|
|
20
|
0,49
|
0,62
|
0,68
|
0,72
|
0,83
|
–
|
–
|
–
|
–
|
–
|
|
30
|
0,36
|
0,41
|
0,49
|
0,54
|
0,63
|
–
|
–
|
–
|
–
|
–
|
|
45
|
0,24
|
0,32
|
0,34
|
0,38
|
0,45
|
–
|
–
|
–
|
–
|
–
|
|
60
|
0,19
|
0,26
|
0,27
|
0,31
|
0,37
|
–
|
–
|
–
|
–
|
–
|
|
120
|
0,09
|
0,13
|
0,15
|
0,17
|
0,21
|
–
|
–
|
–
|
–
|
–
|
|
180
|
0,05
|
0,09
|
0,10
|
0,12
|
0,15
|
–
|
–
|
–
|
–
|
–
|
|
240
|
0,02
|
0,05
|
0,06
|
0,08
|
0,11
|
–
|
–
|
–
|
–
|
–
|
Ливневой подрайон 15г
|
tв
|
T
|
|
10
|
33
|
50
|
100
|
300
|
10
|
33
|
50
|
100
|
300
|
|
|
I кв
|
IV
кв
|
|
0
|
1,87
|
2,45
|
2,55
|
2,87
|
3,31
|
1,27
|
1,85
|
1,95
|
2,27
|
2,71
|
|
5
|
1,24
|
1,82
|
1,69
|
1,90
|
2,19
|
0,67
|
1,05
|
1,12
|
1,33
|
1,62
|
|
10
|
0,98
|
1,28
|
1,34
|
1,50
|
1,72
|
0,44
|
0,74
|
0,80
|
0,96
|
1,18
|
|
20
|
0,72
|
0,94
|
1,01
|
1,10
|
1,26
|
0,22
|
0,44
|
0,51
|
0,60
|
0,76
|
|
30
|
0,57
|
0,75
|
0,78
|
0,88
|
1,01
|
0,11
|
0,29
|
0,32
|
0,42
|
0,55
|
|
45
|
0,46
|
0,60
|
0,62
|
0,72
|
0,80
|
0,03
|
0,17
|
0,19
|
0,29
|
0,37
|
|
60
|
0,39
|
0,51
|
0,53
|
0,60
|
0,69
|
–
|
0,12
|
0,14
|
0,21
|
0,30
|
|
120
|
0,30
|
0,39
|
0,41
|
0,46
|
0,53
|
–
|
0,07
|
0,09
|
0,14
|
0,21
|
|
180
|
0,25
|
0,32
|
0,34
|
0,38
|
0,44
|
–
|
0,03
|
0,05
|
0,09
|
0,15
|
|
240
|
0,21
|
0,28
|
0,29
|
0,33
|
0,38
|
–
|
0,02
|
0,03
|
0,07
|
0,12
|
|
|
II
кв
|
V
кв
|
|
0
|
1,74
|
2,32
|
2,42
|
2,74
|
3,18
|
–
|
0,32
|
0,42
|
0,74
|
1,18
|
|
5
|
1,11
|
1,49
|
1,56
|
1,77
|
2,06
|
–
|
–
|
–
|
–
|
0,16
|
|
10
|
0,86
|
1,16
|
1,22
|
1,38
|
1,60
|
–
|
–
|
–
|
–
|
–
|
|
20
|
0,60
|
0,83
|
0,89
|
0,98
|
1,14
|
–
|
–
|
–
|
–
|
–
|
|
30
|
0,46
|
0,64
|
0,67
|
0,77
|
0,90
|
–
|
–
|
–
|
–
|
–
|
|
45
|
0,36
|
0,50
|
0,52
|
0,62
|
0,70
|
–
|
–
|
–
|
–
|
–
|
|
60
|
0,29
|
0,41
|
0,43
|
0,50
|
0,59
|
–
|
–
|
–
|
–
|
–
|
|
120
|
0,21
|
0,30
|
0,32
|
0,37
|
0,44
|
–
|
–
|
–
|
–
|
–
|
|
180
|
0,17
|
0,24
|
0,26
|
0,30
|
0,36
|
–
|
–
|
–
|
–
|
–
|
|
240
|
0,14
|
0,21
|
0,22
|
0,26
|
0,31
|
–
|
–
|
–
|
–
|
–
|
|
|
III
кв
|
VI
кв
|
|
0
|
1,65
|
2,23
|
2,33
|
2,65
|
3,09
|
–
|
–
|
–
|
–
|
–
|
|
5
|
1,02
|
1,40
|
1,47
|
1,68
|
1,97
|
–
|
–
|
–
|
–
|
–
|
|
10
|
0,77
|
1,07
|
1,13
|
1,29
|
1,51
|
–
|
–
|
–
|
–
|
–
|
|
20
|
0,51
|
0,73
|
0,80
|
0,89
|
1,05
|
–
|
–
|
–
|
–
|
–
|
|
30
|
0,37
|
0,55
|
0,58
|
0,68
|
0,81
|
–
|
–
|
–
|
–
|
–
|
|
45
|
0,27
|
0,41
|
0,43
|
0,53
|
0,61
|
–
|
–
|
–
|
–
|
–
|
|
60
|
0,20
|
0,32
|
0,34
|
0,41
|
0,50
|
–
|
–
|
–
|
–
|
–
|
|
120
|
0,13
|
0,22
|
0,24
|
0,29
|
0,36
|
–
|
–
|
–
|
–
|
–
|
|
180
|
0,09
|
0,16
|
0,18
|
0,22
|
0,28
|
–
|
–
|
–
|
–
|
–
|
|
240
|
0,06
|
0,13
|
0,14
|
0,18
|
0,23
|
–
|
–
|
–
|
–
|
–
|
Ливневой подрайон 15д
|
tв
|
T
|
|
10
|
33
|
50
|
100
|
300
|
10
|
33
|
50
|
100
|
300
|
|
|
I кв
|
IV
кв
|
|
0
|
0,90
|
1,60
|
1,85
|
2,22
|
2,71
|
0,24
|
0,94
|
1,19
|
1,56
|
2,05
|
|
5
|
0,66
|
1,17
|
1,35
|
1,62
|
1,98
|
0,04
|
0,55
|
0,73
|
1,00
|
1,36
|
|
10
|
0,52
|
0,95
|
1,09
|
1,31
|
1,61
|
–
|
0,37
|
0,51
|
0,73
|
1,03
|
|
20
|
0,41
|
0,72
|
0,84
|
1,01
|
1,23
|
–
|
0,18
|
0,30
|
0,47
|
0,69
|
|
30
|
0,35
|
0,60
|
0,70
|
0,84
|
1,02
|
–
|
0,10
|
0,20
|
0,34
|
0,52
|
|
45
|
0,28
|
0,49
|
0,57
|
0,68
|
0,84
|
–
|
0,03
|
0,11
|
0,22
|
0,38
|
|
60
|
0,24
|
0,42
|
0,49
|
0,55
|
0,71
|
–
|
–
|
0,07
|
0,13
|
0,29
|
|
120
|
0,15
|
0,27
|
0,32
|
0,38
|
0,47
|
–
|
–
|
–
|
0,04
|
0,13
|
|
180
|
0,11
|
0,21
|
0,24
|
0,29
|
0,36
|
–
|
–
|
–
|
–
|
0,06
|
|
240
|
0,09
|
0,17
|
0,20
|
0,24
|
0,29
|
–
|
–
|
–
|
–
|
0,02
|
|
|
II
кв
|
V
кв
|
|
0
|
0,77
|
1,47
|
1,72
|
2,09
|
2,58
|
–
|
–
|
–
|
–
|
0,26
|
|
5
|
0,53
|
1,04
|
1,22
|
1,49
|
1,85
|
–
|
–
|
–
|
–
|
–
|
|
10
|
0,40
|
0,83
|
0,97
|
1,19
|
1,49
|
–
|
–
|
–
|
–
|
–
|
|
20
|
0,29
|
0,60
|
0,72
|
0,89
|
1,11
|
–
|
–
|
–
|
–
|
–
|
|
30
|
0,24
|
0,49
|
0,59
|
0,73
|
0,91
|
–
|
–
|
–
|
–
|
–
|
|
45
|
0,18
|
0,39
|
0,47
|
0,58
|
0,74
|
–
|
–
|
–
|
–
|
–
|
|
60
|
0,14
|
0,32
|
0,39
|
0,45
|
0,61
|
–
|
–
|
–
|
–
|
–
|
|
120
|
0,06
|
0,18
|
0,23
|
0,29
|
0,38
|
–
|
–
|
–
|
–
|
–
|
|
180
|
0,03
|
0,13
|
0,16
|
0,21
|
0,28
|
–
|
–
|
–
|
–
|
–
|
|
240
|
0,02
|
0,10
|
0,13
|
0,17
|
0,22
|
–
|
–
|
–
|
–
|
–
|
|
|
III
кв
|
VI
кв
|
|
0
|
0,68
|
1,38
|
1,63
|
2,00
|
2,49
|
–
|
–
|
–
|
–
|
–
|
|
5
|
0,44
|
0,95
|
1,13
|
1,40
|
1,76
|
–
|
–
|
–
|
–
|
–
|
|
10
|
0,31
|
0,74
|
0,88
|
1,10
|
1,40
|
–
|
–
|
–
|
–
|
–
|
|
20
|
0,20
|
0,51
|
0,63
|
0,80
|
1,02
|
–
|
–
|
–
|
–
|
–
|
|
30
|
0,15
|
0,40
|
0,50
|
0,64
|
0,82
|
–
|
–
|
–
|
–
|
–
|
|
45
|
0,09
|
0,30
|
0,38
|
0,49
|
0,65
|
–
|
–
|
–
|
–
|
–
|
|
60
|
0,05
|
0,23
|
0,30
|
0,36
|
0,52
|
–
|
–
|
–
|
–
|
–
|
|
120
|
–
|
0,10
|
0,15
|
0,21
|
0,30
|
–
|
–
|
–
|
–
|
–
|
|
180
|
–
|
0,06
|
0,08
|
0,13
|
0,20
|
–
|
–
|
–
|
–
|
–
|
|
240
|
–
|
0,02
|
0,05
|
0,09
|
0,14
|
–
|
–
|
–
|
–
|
–
|
Расход стока Ql, м3/с в конце
транзитного участка длиной l, м,
следует определять по формуле
,
где Q - расход стока в начале
транзитного участка, м3/с;
Wст - объем стока, м3.
– величина, зависящая от уклона
лога Iл, ‰:
Уклон лона Iл, ‰ 
0,5.......................................................................... 0,90
0,5 – 1.................................................................... 0,70
1 – 5....................................................................... 0,60
5............................................................................. 0,50
Значения Q и Wст
для ливневого стока должны быть определены согласно требованиям настоящей
Инструкции.
Таблица
1
Значения
в зависимости от Ic
|
Ic, ‰
|

|
Ic, ‰
|

|
|
2
и менее
|
15,4
|
80
|
11,4
|
|
5
|
15,2
|
100
|
10,8
|
|
10
|
14,7
|
200
|
9,3
|
|
20
|
14,0
|
400
|
8,2
|
|
30
|
13,3
|
800
|
7,6
|
|
40
|
12,8
|
1000
и более
|
7,4
|
|
60
|
12,0
|
|
|
Таблица
2
Значения
в зависимости от bc
и mc
|
bc,
м
|
mc
|
|
100
|
50
|
30
|
20
|
10
|
5
|
|
20
|
0,53
|
0,69
|
0,85
|
1,00
|
1,32
|
1,74
|
|
25
|
0,57
|
0,76
|
0,93
|
1,09
|
1,44
|
1,90
|
|
30
|
0,62
|
0,82
|
1,00
|
1,18
|
1,55
|
2,05
|
|
35
|
0,66
|
0,87
|
1,06
|
1,25
|
1,65
|
2,18
|
|
40
|
0,69
|
0,91
|
1,12
|
1,32
|
1,74
|
2,30
|
|
45
|
0,72
|
0,96
|
1,18
|
1,38
|
1,83
|
2,41
|
|
50
|
0,76
|
1,00
|
1,23
|
1,44
|
1,90
|
2,51
|
|
60
|
0,82
|
1,08
|
1,32
|
1,55
|
2,05
|
2,70
|
|
70
|
0,87
|
1,14
|
1,40
|
1,65
|
2,18
|
2,87
|
|
80
|
0,91
|
1,21
|
1,48
|
1,74
|
2,30
|
3,03
|
|
90
|
0,96
|
1,27
|
1,55
|
1,83
|
2,41
|
3,18
|
|
100
|
1,00
|
1,32
|
1,62
|
1,90
|
2,51
|
3,31
|
|
120
|
1,08
|
1,42
|
1,74
|
2,05
|
2,70
|
3,57
|
|
140
|
1,14
|
1,51
|
1,85
|
2,18
|
2,87
|
3,79
|
|
160
|
1,21
|
1,59
|
1,95
|
2,30
|
3,03
|
4,00
|
|
180
|
1,27
|
1,67
|
2,05
|
2,41
|
3,18
|
4,19
|
|
200
|
1,32
|
1,74
|
2,14
|
2,51
|
3,31
|
4,37
|
|
250
|
1,44
|
1,90
|
2,34
|
2,75
|
3,62
|
4,78
|
|
300
|
1,55
|
2,05
|
2,51
|
2,95
|
3,90
|
5,14
|
|
350
|
1,65
|
2,18
|
2,67
|
3,14
|
4,15
|
5,47
|
|
400
|
1,74
|
2,30
|
2,82
|
3,31
|
4,37
|
5,77
|
|
500
|
2,00
|
2,51
|
3,08
|
3,62
|
4,78
|
6,31
|
|
600
|
2,05
|
2,70
|
3,31
|
3,90
|
5,14
|
6,79
|
|
700
|
2,18
|
2,87
|
3,53
|
4,15
|
5,47
|
7,22
|
|
800
|
2,30
|
3,03
|
3,72
|
4,37
|
5,77
|
7,61
|
|
900
|
2,41
|
3,18
|
3,90
|
4,58
|
6,05
|
7,98
|
|
1000
|
2,51
|
3,31
|
4,07
|
4,78
|
6,31
|
8,33
|
|
1200
|
2,70
|
3,57
|
4,37
|
5,14
|
6,79
|
8,96
|
|
1400
|
2,87
|
3,79
|
4,65
|
5,47
|
7,22
|
9,52
|
|
1600
|
3,03
|
4,00
|
4,91
|
5,77
|
7,61
|
10,05
|
|
1800
|
3,18
|
4,19
|
5,14
|
6,05
|
7,98
|
10,53
|
|
2000
|
3,31
|
4,37
|
5,36
|
6,31
|
8,33
|
10,99
|
|
2500
|
3,62
|
4,78
|
5,87
|
6,90
|
9,10
|
12,01
|
|
3000
|
3,90
|
5,14
|
6,31
|
7,42
|
9,79
|
12,92
|
|
3500
|
4,15
|
5,47
|
6,71
|
7,89
|
10,04
|
13,74
|
|
4000
|
4,37
|
5,77
|
7,08
|
8,33
|
10,99
|
14,50
|
|
4500
|
4,58
|
6,05
|
7,42
|
8,73
|
11,52
|
15,19
|
|
5000
|
4,78
|
6,31
|
7,74
|
9,10
|
12,01
|
15,85
|
|
6000
|
5,14
|
6,79
|
8,33
|
9,79
|
12,92
|
17,05
|
|
7000
|
5,47
|
7,22
|
8,86
|
10,04
|
13,74
|
18,13
|
|
8000
|
5,77
|
7,61
|
9,34
|
10,99
|
14,50
|
19,13
|
|
9000
|
6,05
|
7,98
|
9,79
|
11,52
|
15,19
|
20,05
|
|
10000
|
6,31
|
8,33
|
10,21
|
12,01
|
15,85
|
20,91
|
Таблица
3
Значения
в зависимости от a и mл
|
mл
|
a
|
|
1,0
|
2,5
|
7,0
|
20
|
30
|
40
|
|
25
|
7,34
|
8,05
|
10,09
|
13,6
|
14,45
|
15,52
|
|
20
|
8,68
|
9,52
|
11,93
|
15,44
|
17,,08
|
18,35
|
|
15
|
10,77
|
11,81
|
14,80
|
19,16
|
21,19
|
22,77
|
|
10
|
14,59
|
16,01
|
20,06
|
25,96
|
28,72
|
30,86
|
Таблица
4
Значения в зависимости от 
|

|

|

|

|

|

|
|
0,0
|
1,00
|
1,4
|
1,16
|
3,6
|
1,30
|
|
0,1
|
1,02
|
1,5
|
1,16
|
3,8
|
1,30
|
|
0,2
|
1,03
|
1,6
|
1,17
|
4,0
|
1,31
|
|
0,3
|
1,04
|
1,7
|
1,18
|
4,2
|
1,32
|
|
0,4
|
1,05
|
1,8
|
1,19
|
4,4
|
1,33
|
|
0,5
|
1,07
|
1,9
|
1,19
|
4,6
|
1,33
|
|
0,6
|
1,08
|
2,0
|
1,20
|
4,8
|
1,35
|
|
0,7
|
1,09
|
2,2
|
1,21
|
5,0
|
1,35
|
|
0,8
|
1,10
|
2,4
|
1,23
|
5,2
|
1,36
|
|
0,9
|
1,11
|
2,6
|
1,24
|
5,4
|
1,37
|
|
1,0
|
1,12
|
2,8
|
1,25
|
5,6
|
1,37
|
|
1,1
|
1,13
|
3,0
|
1,26
|
5,8
|
1,38
|
|
1,2
|
1,14
|
3,2
|
1,27
|
6,0
|
1,39
|
|
1,3
|
1,15
|
3,4
|
1,28
|
–
|
–
|
Таблица
5
Значения F1/4 и Iл3/8 в зависимости от F и Iл
|
F,
км2, или Iл, ‰
|
F1/4
|
Iл3/8
|
F,
км2, или Iл, ‰
|
F1/4
|
Iл3/8
|
F,
км2, или Iл, ‰
|
F1/4
|
Iл3/8
|
|
0,1
|
0,56
|
0,42
|
10
|
1,78
|
2,37
|
65
|
2,84
|
4,78
|
|
0,2
|
0,67
|
0,55
|
11
|
1,82
|
2,46
|
70
|
2,89
|
4,92
|
|
0,3
|
0,74
|
0,64
|
12
|
1,86
|
2,54
|
75
|
2,94
|
5,05
|
|
0,4
|
0,80
|
0,71
|
13
|
1,90
|
2,62
|
80
|
2,99
|
5,17
|
|
0,5
|
0,84
|
0,77
|
14
|
1,93
|
2,69
|
85
|
3,04
|
5,29
|
|
0,6
|
0,88
|
0,83
|
15
|
1,97
|
2,76
|
90
|
3,08
|
5,41
|
|
0,7
|
0,92
|
0,88
|
16
|
2,00
|
2,83
|
95
|
3,12
|
5,52
|
|
0,8
|
0,95
|
0,92
|
17
|
2,03
|
2,89
|
100
|
3,16
|
5,62
|
|
0,9
|
0,97
|
0,96
|
18
|
2,06
|
2,96
|
110
|
–
|
5,83
|
|
1,0
|
1,00
|
1,00
|
19
|
2,09
|
3,02
|
120
|
–
|
6,02
|
|
1,2
|
1,05
|
1,07
|
20
|
2,12
|
3,08
|
130
|
–
|
6,20
|
|
1,4
|
1,09
|
1,13
|
21
|
2,14
|
3,13
|
140
|
–
|
6,38
|
|
1,6
|
1,12
|
1,19
|
22
|
2,17
|
3,19
|
150
|
–
|
6,55
|
|
1,8
|
1,16
|
1,25
|
23
|
2,19
|
3,24
|
160
|
–
|
6,71
|
|
2,0
|
1,19
|
1,30
|
24
|
2,21
|
3,29
|
170
|
–
|
6,86
|
|
2,2
|
1,22
|
1,34
|
25
|
2,24
|
3,34
|
180
|
–
|
7,01
|
|
2,4
|
1,24
|
1,39
|
26
|
2,25
|
3,39
|
190
|
–
|
7,15
|
|
2,6
|
1,27
|
1,43
|
27
|
2,28
|
3,44
|
200
|
–
|
7,29
|
|
2,8
|
1,29
|
1,47
|
28
|
2,30
|
3,49
|
210
|
–
|
7,43
|
|
3,0
|
1,32
|
1,51
|
29
|
2,32
|
3,54
|
220
|
–
|
7,56
|
|
3,5
|
1,37
|
1,60
|
30
|
2,34
|
3,58
|
230
|
–
|
7,68
|
|
4,0
|
1,41
|
1,68
|
32
|
2,38
|
3,68
|
240
|
–
|
7,81
|
|
4,5
|
1,46
|
1,76
|
34
|
2,42
|
3,75
|
250
|
–
|
7,93
|
|
5,0
|
1,50
|
1,83
|
36
|
2,45
|
3,83
|
260
|
–
|
8,05
|
|
5,5
|
1,53
|
1,90
|
38
|
2,48
|
3,91
|
270
|
–
|
8,16
|
|
6,0
|
1,57
|
1,96
|
40
|
2,52
|
3,99
|
280
|
–
|
8,27
|
|
6,5
|
1,60
|
2,02
|
42
|
2,55
|
4,06
|
290
|
–
|
8,38
|
|
7,0
|
1,63
|
2,08
|
44
|
2,58
|
4,13
|
300
|
–
|
8,49
|
|
7,5
|
1,66
|
2,13
|
46
|
2,60
|
4,20
|
320
|
–
|
8,67
|
|
8,0
|
1,68
|
2,18
|
48
|
2,63
|
4,27
|
340
|
–
|
8,88
|
|
8,5
|
1,71
|
2,23
|
50
|
2,66
|
4,34
|
360
|
–
|
9,08
|
|
9,0
|
1,73
|
2,28
|
55
|
2,72
|
4,49
|
380
|
–
|
9,28
|
|
9,5
|
1,76
|
2,33
|
60
|
2,78
|
4,64
|
400
|
–
|
9,47
|
1. Значения
интенсивности водоотдачи в зависимости от ее продолжительности а1 = f(tв)
приводятся в приложении 1 для 69 ливневых подрайонов (см. рис. 1 приложения 5).
В эти подрайоны не входят горные области, исключая
БАМ, для которых ливневые зависимости определяют приведенными ниже методами.
Эти же методы следует применять и для уточнения ливневых зависимостей для более
узких подрайонов по сравнению с показанными на схеме ливневого районирования,
когда по ним можно получить материал наблюдений за осадками после 1962 – 1965
гг. в местных управлениях ГМС.
Примечание. Материалы наблюдений до 1962 – 1965 гг.
содержатся в следующих источниках:
Водный кадастр Союза СССР. Метеорологические данные. Месячные и годовые
количества атмосферных осадков. Наибольшие суточные количества осадков.
Метеорологические данные за отдельные годы. Ливневые дожди и суточные
количества осадков за 1936 – 1959 гг.
Материалы по расчетным характеристикам дождевых
осадков.
2.
Наиболее точным методом определения ливневых зависимостей является установление
их по данным плювиографических наблюдений за короткими ливнями в следующем
порядке.
а) Производят
выборки слоем осадков соответственно за 5, 10, 20, 40, 60, 150, 300 и 720 мин.
б) Полученные
выборки ранжируют, определяют эмпирические повторяемости превышения членов
ранжированных выборок Тэ
по формуле
,
где nв – общее число членов
выборки;
N – порядковый номер членов выборки (N=1 для наибольшего по величине члена
выборки).
в)
Соответствующие пары значений слоев осадков и их эмпирических повторяемостей
наносят на спрямляющую клетчатку (рис. 5
приложения 5).
При проведении
прямых на спрямляющей клетчатке следует принимать общий, средний наклон.
Экстраполируя
полученные прямые до расчетных значений слоев осадков с повторяемостью
превышения Т, получают расчетные
величины слоев осадков разной продолжительности для требующейся повторяемости
превышения
h5т; h10т; h20т
...
г) Разделив
величины этих слоев на соответствующие им интервалы времени выпадения осадков,
получают расчетные значения интенсивности:
а5т = ; а10т =
; а20т =
...
Найденные
значения расчетной интенсивности при различной продолжительности выпадения осадков
наносят на бланк косоугольного графика (см. рис. 3 приложения 5).
Пользуясь
соответствующим типовым лекалом (рис. 6
приложения 5), подбирают наиболее близко подходящую к нанесенным точкам кривую
ливневой зависимости.
Указанные
построения следует делать отдельно для каждой расчетной повторяемости,
требующейся для расчетов стока.
С полученных
кривых ливневых зависимостей снимают промежуточные значения интенсивности
выпадения осадков, необходимые для составления таблиц водоотдачи с
продолжительностью 5, 10, 20, 30, 45, 60, 120, 180 и 240 мин.
3. При
отсутствии данных плювиографических наблюдений за осадками для установления
ливневых зависимостей приходится использовать данные о величинах суточных
максимумов и месячных сумм осадков. Этот период определения ливневых
зависимостей уступает по точности методу, изложенному в п. 2 приложения 4.
Установление
ливневых зависимостей по данным наблюдений за суточными максимумами и месячными
суммами производят в следующем порядке.
а) Делают
выборки более точных значений суточных максимумов по отчетам метеостанций за 12
ч.
Такие отчеты
могут быть получены в архивах местных управлений Гидрометеослужбы. Слой осадков
за 24 ч может складываться из слоев осадков, выпадающих за две половины суток
или следующих одна за другой половин смежных суток. При невозможности получения
таких отчетов следует производить выборки не суточных, а двухсуточных
максимумов, т.е. выпадений за 48 ч (обозначаемых ).
Кроме того,
необходимо производить выборки наибольших слоев осадков, выпадающих за 15 дней,
т.е. полумесячных сумм (обозначаемых ). При выборке этой величины из таблиц для суточных
максимумов в каждом году в период выпадения жидких осадков выбирают и суммируют
15-дневные последовательности, которые могут быть как в одном месяце, так и в
двух смежных месяцах. Из этих сумм выбирают одну, наибольшую для каждого года.
В определенные
таким образом значения СМ или 2СМ и 15СМ после их статической обработки
поправочные коэффициенты вводить не нужно.
б) Для
ранжированных выборок СМ или 2СМ и 15СМ вычисляют соответствующие эмпирические
повторяемости превышения.
Парные величины
слоев осадков из ранжированных выборок и их эмпирических повторяемостей наносят
на спрямляющие клетчатки (рис. 7 и 8 приложения 5). На спрямляющих
клетчатках проводят по нанесенным точкам прямые и по ним экстраполируют или
интерполируют слой осадков до расчетных значений Т.
в) Далее
вычисляют значения интенсивности суточных или двухсуточных и полумесячных
выпадений осадков, мм/мин, которые наносят на бланк косоугольного графика:
; ; .
Используя график
типовых лекал кривых зависимостей интенсивности выпадения ливневых осадков от
их продолжительности (см. рис. 6
приложения 5), проводят через нанесенные точки с координатами (1440; асмт) или (2·1440;
а2смт) и (15·1440;
а15смт) кривую ливневой
зависимости для исследуемого района.
Для контроля
правильности проведения кривой ливневой зависимости следует сравнить полученное
на графике рис. 6 приложения 5
значение географического коэффициента r
для этой кривой со значением r для
ближайшего района, имеющего данные плювиографических наблюдений.
С кривой ливневой
зависимости снимают промежуточные значения интенсивности выпадения осадков для
5, 10, 20, 30, 45, 60, 120, 180 и 240 мин, нужные при составлении таблиц
водоотдачи.
Указанным
способом подбирают кривые ливневых зависимостей для всех повторяемостей превышения,
на которые требуется производить расчеты стока.
4. При
установлении ливневых зависимостей в горных районах следует учитывать влияние
высоты местности на интенсивность выпадения осадков. Степень этого влияния
устанавливают в следующем порядке.
а) Определяют
значения суточных максимумов осадков СМ1т и СМ2т для двух
высотных зон, расположенных соответственно на высотах Н1 и Н2,
для расчетной повторяемости превышения Т.
В каждую из зон может входить несколько метеорологических станций с отметками,
различающимися внутри зоны не более чем на ± 100 м.
В верхнюю зону
может входить только одна метеостанция, так как наблюдения, проводимые
Гидрометеослужбой на высокогорных метеостанциях, редки. Разность высот Н1 и Н2 должна быть возможно больше для увеличения точности
расчета, а исследуемые высотные зоны как можно ближе расположены друг к другу.
При проведении
прямых на спрямляющих клетчатках для них принимается один общий наклон,
определяемый по зоне с большим числом годостанций наблюдений, т.е. обычно для
нижней зоны.
б) Вычисляют
относительное приращение величины суточного максимума на 100 м высоты:
, мм/100м.
в) Вычисляют
относительные приращения величин слоев осадков, соответствующих продолжительности выпадения tд, на 100 м, по высоте
,
откуда для
высоты Н1 = Н получаем
hд1т = hд2т + 100· .
Относительные
приращения осадков по высоте получают разными для различных повторяемостей
превышения.
г) Если не
произведено соответствующих исследований для данного района, то возрастание
слоев жидких осадков согласно приведенной формуле принимают по прямолинейной
зависимости от отметки высоты местности Н2
до ее значения, соответствующего 0,42 высоты теоретической снеговой линии в
данном районе. Далее до отметки высоты, соответствующей 0,80 высоты
теоретической снеговой линии, слои жидких осадков принимают неизменными и после
отметки 0,80 высоты теоретической снеговой линии слов жидких осадков
уменьшаются до 0. На высоте теоретической снеговой линии осадки выпадают в
твердом виде.
5.
При корректировании расчетов ливневого стока по натурным данным или расчетах
ливневого стока в сплошь залесенных районах, где нет перспективы вырубки лесов,
зависимость а1 = f(tв)
может быть уточнена. С этой целью необходимо вычислить новые значения времени
водоотдачи при постоянном значении а1
по формуле
, мин,
где z – норма потерь на смачивание леса,
принимаемая для таежных лесов 20 ¸ 40 мм, густых хвойных лесов
– 12 мм, хвойных лесов средней густоты и густых лиственных лесов – 6 мм,
обычных лиственных лесов и травяной растительности – 3 мм;
3 – слой потерь
на смачивание растительности, принятый при составлении таблиц водоотдачи, мм.
По исправленным
значениям времени водоотдачи t`в
при прежних значениях а1
перестраивается расчетная кривая
а1
= f (tв).
В случае
частичной залесенности следует производить два расчета: при отсутствии и полной
залесенности бассейна,
причем за
расчетный необходимо принимать средневзвешенный по залесенности расход.
Потери на наполнение
водой впадин микрорельефа учтены при расчете таблиц водоотдачи, приведенных в
настоящей Инструкции. Величины этих потерь связаны со средними уклонами склонов
в подрайонах и варьируются от 0 до 10 мм. Если при плоском рельефе местности
обследованием будет установлено, что потери на наполнение водой впадин
микрорельефа z1 больше 10
мм, то в приводимой выше формуле для расчета tв к величине потерь на смачивание растительности z, мм, следует прибавлять разность (z1 – 10) мм.
6. При
составлении таблиц водоотдачи необходимо учитывать следующее.
а) Ливневые подрайоны Союза ССР (см. рис. 1 приложения 5) подразделяются на три зоны:
|
Зона
|
Подрайоны
|
|
I …
|
1а, 2а, 2в, 2г, 2д, 3, 5а, 6б, 6в, 6г, 6д, 6е, 7а,
8в, 8д, 8е, 8з, 10г, 10д, 10е, 12г, 12д, 13а
|
|
II …
|
1б, 1в, 2б, 4, 6а, 7б, 8а, 8б, 8г, 8ж, 9а, 10а¢, 10а², 10б, 10в, 12а, 12б, 13б,
13в, 14б, 14г¢, 14г², 15а, 15д
|
|
III …
|
9б, 12в, 13г, 13д, 13е, 14а, 14б, 14в¢, 14в², 14д, 14е, 14ж, 14з, 14и,
14к, 14л, 14м, 14н, 15б, 15в, 15г
|
б) Интенсивность
водоотдачи аI для I
категории впитывания определяют следующим образом:
аI = ад – DаI
где ад – интенсивность выпадения
дождя при некоторой его продолжительности;
DаI – поправка для определения
интенсивности водоотдачи при некоторой ее продолжительности, равной времени
выпадения дождя.
DаI вычисляют по формуле
DаI = max DаI ,
где max ад – максимальная
интенсивность выпадения дождя при нулевой его продолжительности.
Величину DаI определяют в зависимости от
зоны:
|
Зона
|
max DаI
|
|
I ……………………………….
|
0,06
|
|
II ………………………………
|
0,03
|
|
III ……………………………..
|
0,01
|
в)
Значения интенсивности водоотдачи акв
для данной категории впитывания (КВ) при изменении расчетной интенсивности
ливней для различной продолжительности определяют при условии сохранения
постоянства разности интенсивности водоотдачи I категории впитывания аI и данной категории
впитывания акв в данном
ливневом подрайоне при любой вероятности превышения и одной и той же
продолжительности водоотдачи, т.е.
аI
– акв = D акв,
откуда
акв = аI – D акв.
Значения D акв
для трех зон, различных категорий впитывания и различной продолжительности
водоотдачи приведены в таблице.
|
Продолжительность
водоотдачи, tв, мин
|
D акв
|
|
I
зона
|
II
зона
|
III
зона
|
|
КВ
|
КВ
|
КВ
|
|
II
|
III
|
IV
|
V
|
VI
|
II
|
III
|
IV
|
V
|
VI
|
II
|
III
|
IV
|
V
|
VI
|
|
0
|
0,13
|
0,23
|
0,72
|
2,77
|
12,30
|
0,13
|
0,22
|
0,66
|
2,45
|
10,65
|
0,13
|
0,22
|
0,60
|
2,13
|
9,00
|
|
5
|
0,13
|
0,23
|
0,66
|
2,52
|
11,10
|
0,13
|
0,22
|
0,62
|
2,28
|
9,55
|
0,13
|
0,22
|
0,57
|
3,03
|
8,00
|
|
10
|
0,12
|
0,22
|
0,63
|
2,32
|
9,60
|
0,12
|
0,21
|
0,58
|
2,11
|
8,40
|
0,12
|
0,21
|
0,54
|
1,90
|
7,20
|
|
20
|
0,12
|
0,22
|
0,58
|
2,08
|
8,30
|
0,11
|
0,21
|
0,54
|
1,90
|
7,35
|
0,11
|
0,21
|
0,50
|
1,72
|
6,40
|
|
30
|
0,12
|
0,21
|
0,54
|
1,84
|
7,10
|
0,11
|
0,20
|
0,50
|
1,70
|
6,35
|
0,11
|
0,20
|
0,46
|
1,55
|
5,60
|
|
45
|
0,11
|
0,20
|
0,48
|
1,54
|
5,50
|
0,11
|
0,19
|
0,46
|
1,41
|
5,00
|
0,11
|
0,19
|
0,43
|
1,28
|
4,50
|
|
60
|
0,11
|
0,20
|
0,44
|
1,31
|
4,40
|
0,10
|
0,19
|
0,42
|
1,19
|
3,91
|
0,10
|
0,19
|
0,39
|
1,07
|
3,42
|
|
120
|
0,09
|
0,18
|
0,36
|
0,87
|
2,35
|
0,09
|
0,17
|
0,34
|
0,81
|
2,15
|
0,09
|
0,17
|
0,32
|
0,74
|
1,95
|
|
180
|
0,08
|
0,17
|
0,31
|
0,63
|
1,50
|
0,08
|
0,16
|
0,30
|
0,62
|
1,42
|
0,08
|
0,16
|
0,29
|
0,60
|
1,33
|
|
240
|
0,07
|
0,16
|
0,28
|
0,54
|
1,20
|
0,07
|
0,15
|
0,27
|
0,53
|
1,17
|
0,07
|
0,15
|
0,26
|
0,52
|
1,13
|

Рис. 1. Схема ливневых подрайонов
– границы
подрайонов; – границы стока по промерзшей почве; – горные районы. Цифры с
буквами – номера подрайонов

Рис. 2. Номограмма для определения полноты стока

Рис. 3. Косоугольный график для кривых а1 = f (tв)

Рис. 4. График для определения категории впитывания почвы
(КВ) по опытам с дождеванием

Рис. 5. Спрямляющая клетчатка для распределения пятиминутных
и максимальных интенсивностей осадков

Рис. 6. Типовые лекала для кривых ад = f (tд)

Рис. 7. Спрямляющая клетчатка для распределения суточного
максимума осадков

Рис. 8. Спрямляющая клетчатка для распределения месячных сумм
осадков
| |
|