//
ТехЛит.ру
- крупнейшая бесплатная электронная интернет библиотека для "технически умных" людей.
WWW.TEHLIT.RU - ТЕХНИЧЕСКАЯ ЛИТЕРАТУРА

:: Алготрейдинг::


АЛГОТРЕЙДИНГ
шаг за шагом
с нуля по урокам!

Торговые роботы на PYTHON, BackTrader,
Pandas, Pine Script для TradingView. Связка с брокерами, телеграм и легкими приложениями.


ГОСТ 16894-71

МЕЖГОСУДАРСТВЕННЫЙ СТАНДАРТ

ПАЛЬЦЫ УСТАНОВОЧНЫЕ С ГОЛОВКОЙ К ПЛИТАМ

КОНСТРУКЦИЯ

ИПК ИЗДАТЕЛЬСТВО СТАНДАРТОВ

Москва

МЕЖГОСУДАРСТВЕННЫЙ СТАНДАРТ

ПАЛЬЦЫ УСТАНОВОЧНЫЕ С ГОЛОВКОЙ К ПЛИТАМ

Конструкция

Fixing bolts with head for plates. Design

ГОСТ
16894-71

Дата введения 01.07.72

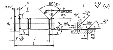
1. Конструкция и размеры пальцев должны соответствовать указанным на чертеже и в таблице.

Размеры, мм

Обозначения пальцев

Применяемость

D (поле допуска g6)

L

D1

b

l

l1

Масса, кг

7030-2541

 

10

38

14

4

25

9

0,030

7030-2542

 

12

48

16

5

35

12

0,050

7030-2543

 

16

55

20

6

38

0,090

7030-2544

 

20

25

0,155

Пример условного обозначения пальца размером D - 10 мм:

Палец 7030-2541 ГОСТ 16894-71

2. Материал - сталь марки У7А по ГОСТ 1435. Допускается замена на сталь других марок с механическими свойствами не ниже, чем у стали марки У7А.

3. Твердость - 51,5, ... 56,0 HRC3.

4. Покрытие - Хим. Окc. прм. (обозначение покрытия - по ГОСТ 9.306). По соглашению сторон допускается применение других видов защитных покрытий.

5. Неуказанные предельные отклонения размеров: Н14, hl4,

6. Допуск перпендикулярности опорной поверхности А относительно оси поверхности D - 0,01 мм на длине 100 мм.

7. Маркировать обозначения пальца и настоящего стандарта. Допускается маркировку пальцев одного типоразмера наносить на тару или упаковку.

3 - 7. (Измененная редакция, Изм. № 2).

8. (Исключен, Изм. № 2).

ИНФОРМАЦИОННЫЕ ДАННЫЕ

1. РАЗРАБОТАН И ВНЕСЕН Министерством станкостроительной и инструментальной промышленности СССР

РАЗРАБОТЧИКИ

А.З. Старосельский (руководитель темы), В.А. Петрова, В.Д. Поляков, Л.Б. Смирнов, Т.А. Шестакова

2. УТВЕРЖДЕН И ВВЕДЕН В ДЕЙСТВИЕ Постановлением Государственного комитета стандартов Совета Министров СССР от 13.04.71 № 729

3. ВЗАМЕН МН 3247-62

4. ССЫЛОЧНЫЕ НОРМАТИВНО-ТЕХНИЧЕСКИЕ ДОКУМЕНТЫ

Обозначение НТД, на который дана ссылка

Номер пункта

ГОСТ 9.306-85
ГОСТ 1435-90

4

2

5. Ограничение срока действия снято Постановлением Госстандарта СССР от 21.02.89 № 280

6. ПЕРЕИЗДАНИЕ (август 1999 г.) с Изменениями № 1, 2, утвержденными в июне 1980 г., феврале 1989 г. (ИУС 8-80, 5-89)




Яндекс цитирования



   Copyright © 2007-2026,  www.tehlit.ru.

[ ѓосты, стандарты, нормативы, инструкции, правила, строительные нормы ]