//
ТехЛит.ру
- крупнейшая бесплатная электронная интернет библиотека для "технически умных" людей.
WWW.TEHLIT.RU - ТЕХНИЧЕСКАЯ ЛИТЕРАТУРА

:: Алготрейдинг::


АЛГОТРЕЙДИНГ
шаг за шагом
с нуля по урокам!

Торговые роботы на PYTHON, BackTrader,
Pandas, Pine Script для TradingView. Связка с брокерами, телеграм и легкими приложениями.


ГОСУДАРСТВЕННЫЙ СТАНДАРТ СОЮЗА ССР

ПЛАСТИНЫ ОПОРНЫЕ К УСТАНОВОЧНЫМ ПАЛЬЦАМ

Конструкция

Rest plates for locating pins. Design

ГОСТ
17776-72*

(Измененная редакция, Изм. № 2).

Постановлением Государственного комитета стандартов Совета Министров СССР от 6 июня 1972 г. № 1138 срок введения установлен

с 01.01.1974 г.

Проверен в 1980 г. Срок действия ограничен

до 01.01.1990 г.

Несоблюдение стандарта преследуется по закону

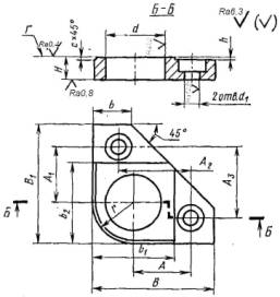
1. Настоящий стандарт распространяется на опорные пластины, предназначенные для применения в станочных приспособлениях с высокими установочными пальцами по ГОСТ 17774-72 и ГОСТ 17775-72.

2. Конструкция и размеры пластин должны соответствовать указанным на чертеже и в таблице.

(Измененная редакция, Изм. № 2).

Обозначение пластин

Применяемость

d (пред. откл. по H12)

Н (пред. откл. по h6 или

B=B1

А=А1

А2=А3

d1

b

b1=b2

h

r

с

Масса, кг »

7034-0531

 

10

5

25

11

14

3,4

6

16

0,6

8

0,4

0,011

7034-0532

 

12

6

30

14

16

4,5

8

18

9

0,020

7034-0533

 

14

18

10

20

10

0,021

7034-0534

 

18

8

40

18

23

5,5

12

26

1,0

13

0,6

0,046

7034-0535

 

22

45

21

28

14

32

16

0,058

7034-0536

 

26

10

53

25

32

6,6

56

36

18

0,098

7034-0537

 

34

63

30

42

20

46

23

0,140

7034-0538

 

42

12

75

36

53

9,0

25

56

28

0,231

7034-0539

 

52

16

95

45

65

28

68

210

34

1,0

0,474

 - припуск на шлифовку при сборке или в комплекте.

Пример условного обозначения опорной пластины размером d = 10 мм с предельными отклонениями размера H по h6:

Пластина 7034-0531 h6 ГОСТ 17776-72

То же, с предельными отклонениями размера

Пластина 7034-0531 ГОСТ 17776-72

(Измененная редакция, Изм. № 1).

3. Материал-сталь марки 20Х по ГОСТ 4543-71. Допускается замена на сталь других марок с механическими свойствами не ниже, чем у стали марки 20Х.

4. Цементировать, глубина цементированного слоя 0,8...1,2 мм. Твердость - HRC 55...60.

5. Шероховатость поверхности Г для, пластин, изготовляемых с припуском по размеру  до шлифовки - не более Rz6,3 мкм. Окончательная шероховатость этой поверхности задается конструктором.

(Измененная редакция, Изм. № 2).

5а. Опорные поверхности под крепежные детали - по ГОСТ 12876-67.

(Введен дополнительно, Изм. № 1, № 2).

6. Неуказанные предельные отклонения размеров:

(Измененная редакция, Изм. № 1).

7. Покрытие - Хим. Окс. прм (обозначение покрытия - по ГОСТ 9.073-77). По соглашению с потребителем допускается применение других видов защитных покрытий.

8. Маркировать: наименование и обозначение изделия, обозначение настоящего стандарта и товарный знак предприятия-изготовителя. Маркировку нанести на тару или упаковку для пластин одного типоразмера.

 




Яндекс цитирования



   Copyright © 2007-2026,  www.tehlit.ru.

[ ѓосты, стандарты, нормативы, инструкции, правила, строительные нормы ]