//
ТехЛит.ру
- крупнейшая бесплатная электронная интернет библиотека для "технически умных" людей.
WWW.TEHLIT.RU - ТЕХНИЧЕСКАЯ ЛИТЕРАТУРА

:: Алготрейдинг::


АЛГОТРЕЙДИНГ
шаг за шагом
с нуля по урокам!

Торговые роботы на PYTHON, BackTrader,
Pandas, Pine Script для TradingView. Связка с брокерами, телеграм и легкими приложениями.


ГОСУДАРСТВЕННЫЙ СТАНДАРТ СОЮЗА ССР

ТИРИСТОРЫ

МЕТОД ИЗМЕРЕНИЯ ВРЕМЕНИ ВКЛЮЧЕНИЯ, НАРАСТАНИЯ И ЗАДЕРЖКИ

ГОСТ 19138.4-73

ИПК ИЗДАТЕЛЬСТВО СТАНДАРТОВ

Москва

СОДЕРЖАНИЕ

ИНФОРМАЦИОННЫЕ ДАННЫЕ

1. УТВЕРЖДЕН И ВВЕДЕН В ДЕЙСТВИЕ Постановлением Государственного комитета стандартов Совета Министров СССР от 28 сентября 1973 г. № 2223

Изменение № 2 принято Межгосударственным Советом по стандартизации, метрологии и сертификации (протокол № 3 от 18 февраля 1993 г.)

За принятие проголосовали:

Наименование государства

Наименование национального органа по стандартизации

Азербайджанская Республика

Республика Армения

Республика Белоруссия

Грузия

Республика Казахстан

Республика Молдова

Российская Федерация

Туркменистан

Республика Узбекистан

Украина

Азгосстандарт

Армгосстандарт

Госстандарт Белоруссии

Грузстандарт

Госстандарт Республики Казахстан

Молдовастандарт

Госстандарт России

Главная государственная инспекция Туркменистана

Узгосстандарт

Госстандарт Украины

2. ВВЕДЕН ВПЕРВЫЕ

3. ССЫЛОЧНЫЕ НОРМАТИВНО-ТЕХНИЧЕСКИЕ ДОКУМЕНТЫ

Обозначение НТД, на который дана ссылка

Раздел

ГОСТ 19138.0-85

Вводная часть

4. Ограничение срока действия снято по протоколу Межгосударственного Совета по стандартизации, метрологии и сертификации (ИУС 2-93)

5. ПЕРЕИЗДАНИЕ (март 1998 г.) с Изменениями № 1, 2, утвержденными в августе 1982 г., июле 1995 г. (ИУС 12-82, 10-95)

ГОСУДАРСТВЕННЫЙ СТАНДАРТ СОЮЗА ССР

ТИРИСТОРЫ

Метод измерения времени включения, нарастания и задержки

Thyristors. Method for measuring turn-on, rise and delay times

ГОСТ
19138.4-73

Дата введения 01.07.75

Настоящий стандарт распространяется на диодные тиристоры малой и средней мощности с максимально допустимым постоянным током в открытом состоянии не более 10 А и устанавливает метод измерения времени включения tвкл, нарастания tир и задержки tзд.

Общие условия при измерении и требования безопасности - по ГОСТ 19138.0.

Требования п. 1.2 настоящего стандарта являются обязательными, другие требования настоящего стандарта являются рекомендуемыми.

(Измененная редакция, Изм. № 2).

1. АППАРАТУРА

1.1. (Исключен, Изм. № 2).

1.2. Измерительные установки, в которых для измерения используют стрелочные приборы, должны обеспечивать основную погрешность измерения в пределах ±15 % максимального значения рабочей части шкалы. Для измерительных установок с цифровым отсчетом основная погрешность измерения должна быть в пределах ±15 % значения измеряемой величины ±1 знак младшего разряда дискретного отсчета.

2. ПОДГОТОВКА К ИЗМЕРЕНИЮ

2.1. В стандартах или технической документации, утвержденной в установленном порядке, на тиристоры конкретных типов должен быть задан следующий режим измерения:

амплитуда импульса отпирающего напряжения тиристора;

прямой ток тиристора, находящегося в открытом состоянии;

частота следования, длительность и фронт импульсов генератора отпирающих импульсов.

2.2. Схема измерения времени tвкл, tир, tзд должна соответствовать указанной на черт. 1.

(Измененная редакция, Изм. № 1, 2).

2.3. Основные элементы, входящие в схему измерения, должны соответствовать следующим требованиям.

G1 - генератора отпирающих импульсов; р - измеритель временных интервалов; VS-испытуемый тиристор

Черт. 1

Генератор G1 должен обеспечивать заданные значения амплитуды импульса отпирающего напряжения и прямого тока тиристора, находящегося в открытом состоянии, в соответствии с п. 2.1, при этом погрешность задания режима должна быть в пределах ±10 %.

Генератор G1 должен обеспечивать заданную частоту следования, длительность импульсов и длительность фронта импульсов отпирающего напряжения в соответствии с п. 2.1.

Постоянная времени цепи основного электрода должна быть не более 0,15 значения измеряемого времени.

Активное сопротивление в цепи основного электрода с учетом выходного сопротивления генератора отпирающих импульсов должно быть не более указанного в стандартах или технической документации, утвержденной в установленном порядке, на тиристоры конкретных типов.

Измеритель Р должен иметь погрешность измерения в пределах ±10 % максимального значения рабочей части шкалы при использовании стрелочных приборов и в пределах ±10 % значения измеряемой величины ±1 знак младшего разряда дискретного отсчета для цифровых приборов.

(Измененная редакция, Изм. № 1).

3. ПРОВЕДЕНИЕ ИЗМЕРЕНИЯ

3.1 Измерение времени tвкл, tир, tзд производят в следующем порядке.

Тиристор подключают в измерительную установку и с помощью генератора G1 переключают его в открытое состояние.

Отсчет значений измеряемых величин производят по измерителю Р.

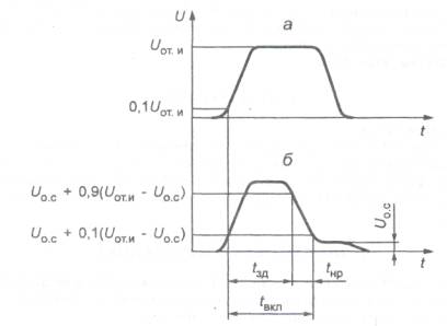
3.2. Временные диаграммы приведены на черт. 2.

а - форма напряжения на выходе генератора G1 при отсутствии испытуемого тиристора; б - форма напряжения на испытуемом тиристоре; Uo.c. - постоянное напряжение в открытом состоянии тиристора; Uот.и. - импульсное отпирающее напряжение тиристора

Черт. 2

Допускается производить измерение временных интервалов, контролируя переходный процесс по току на резисторе, включенном последовательно с испытуемым тиристором.

3.1, 3.2. (Измененная редакция, Изм. 1, 2).

ПРИЛОЖЕНИЕ. (Исключено, Изм. № 1).




Яндекс цитирования