|
| |
ГОСТ 19309-98
МЕЖГОСУДАРСТВЕННЫЙ СТАНДАРТ
ИЗЛОЖНИЦЫ ЦЕНТРОБЕЖНЫЕ С ФЛАНЦЕМ, ВКЛАДЫШАМИ
И ЦЕНТРОБЕЖНЫМИ ЗАМКАМИ
Конструкция и размеры
МЕЖГОСУДАРСТВЕННЫЙ СОВЕТ
ПО СТАНДАРТИЗАЦИИ, МЕТРОЛОГИИ И СЕРТИФИКАЦИИ
Минск
Предисловие
1. РАЗРАБОТАН
Межгосударственным техническим комитетом МТК 252 «Литейное производство»
ВНЕСЕН Госстандартом России
2. ПРИНЯТ Межгосударственным
Советом по стандартизации, метрологии и сертификации (протокол № 14-98 от 12
ноября 1998 г.)
За принятие проголосовали:
|
Наименование
государства
|
Наименование
национального органа по стандартизации
|
|
Азербайджанская Республика
Республика Беларусь
Республика Казахстан
Киргизская Республика
Российская Федерация
Республика Таджикистан
Туркменистан
Республика Узбекистан
Украина
|
Азгосстандарт
Госстандарт Беларуси
Госстандарт Республики Казахстан
Киргизстандарт
Госстандарт России
Таджикгосстандарт
Главная государственная инспекция
Туркменистана
Узгосстандарт
Госстандарт Украины
|
3. Постановлением Государственного
комитета Российской Федерации по стандартизации и метрологии от 23 июля 1999
г. № 210-ст межгосударственный стандарт ГОСТ 19309-98
введен в действие непосредственно в качестве государственного стандарта
Российской Федерации с 1 января 2000
г.
4. ВЗАМЕН ГОСТ 19309-73
Содержание
МЕЖГОСУДАРСТВЕННЫЙ
СТАНДАРТ
|
ИЗЛОЖНИЦЫ ЦЕНТРОБЕЖНЫЕ С ФЛАНЦЕМ, ВКЛАДЫШАМИ И
ЦЕНТРОБЕЖНЫМИ ЗАМКАМИ
Конструкция и размеры
Centrifugal moulds with
flange, inserts and centrifugal locks. Construction and dimensions
|
Дата введения 2000-01-01
Настоящий стандарт распространяется на
центробежные изложницы с фланцем, вкладышами и центробежными замками для
однопозиционных машин центробежного литья консольного типа с горизонтальной
осью вращения, предназначенные для изготовления втулок из стали, чугуна и
цветных сплавов.
Стандарт пригоден для целей сертификации.
Требования настоящего стандарта являются
обязательными.
В настоящем стандарте использованы ссылки
на следующие стандарты:
ГОСТ 977-88 Отливки
стальные. Общие технические условия
ГОСТ 1412-85 Чугун
с пластинчатым графитом для отливок. Марки
ГОСТ
1483-84 Винты установочные с шестигранной головкой и ступенчатым концом с
конусом классов точности А и В. Конструкция и размеры
ГОСТ
5915-70 Гайки шестигранные класса точности В. Конструкция и размеры
ГОСТ 7293-85 Чугун с
шаровидным графитом для отливок. Марки
ГОСТ
7798-70 Болты с шестигранной головкой класса точности В. Конструкция и
размеры
ГОСТ
16093-81 Основные нормы взаимозаменяемости. Резьба метрическая. Допуски.
Посадки с зазором
ГОСТ
19310-98 Выталкиватели для центробежных изложниц. Конструкция и размеры
ГОСТ 19311-98
Крышки для центробежных изложниц. Конструкция и размеры
ГОСТ
19313-98 Замки центробежные для центробежных изложниц. Конструкция и
размеры
ГОСТ
19315-98 Хомуты тройные для центробежных изложниц. Конструкция и размеры
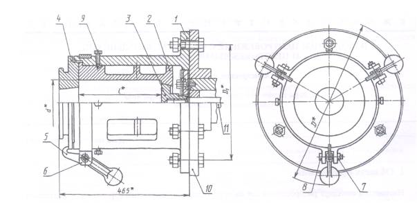
3.1 Конструкция и размеры центробежных
изложниц должны соответствовать указанным на рисунке 1 и в таблицах 1 и 2.

*
Размеры для справок.
1 - изложница; 2 - вкладыш; 3 - выталкиватель; 4 - крышка;
5 - центробежный замок; 6 - тройной
хомут; 7 - гайка М16-6Н.5.05 по ГОСТ 5915;
8 - болт M16-6g×60.88.35.05 по ГОСТ
7798; .9 - установочный винтM16-6g×50.H14.05 по ГОСТ
1483; 10 - планшайба
машины; 11 - шток выталкивателя
Рисунок 1
Таблица 1
Размеры в миллиметрах
|
Обозначение
|
d
|
l
|
D
|
D1
|
Масса, кг, не более, с вкладышами
|
|
из чугуна
|
из стали
|
|
0570-0801
|
80
|
160
|
442
|
320
|
121,6
|
121,8
|
|
0570-0802
|
180
|
122,6
|
122,8
|
|
0570-0803
|
200
|
123,7
|
124,0
|
|
0570-0804
|
90
|
160
|
120,7
|
121,0
|
|
0570-0805
|
180
|
121,5
|
121,7
|
|
0570-0806
|
200
|
123,0
|
123,2
|
|
0570-0807
|
250
|
125,3
|
125,5
|
|
0570-0808
|
100
|
160
|
120,2
|
120,4
|
|
0570-0809
|
180
|
121,2
|
121,4
|
|
0570-0810
|
200
|
122,6
|
122,8
|
|
0570-0811
|
250
|
125,2
|
125,5
|
|
0570-0812
|
110
|
160
|
119,1
|
119,3
|
|
0570-0813
|
180
|
120,2
|
120,4
|
|
0570-0814
|
200
|
121,3
|
121,5
|
|
0570-0815
|
250
|
125,2
|
125,8
|
|
0570-0816
|
125
|
200
|
554
|
400
|
122,2
|
122,4
|
|
0570-0817
|
250
|
125,5
|
125,8
|
|
0570-0818
|
320
|
130,2
|
130,5
|
|
0570-0819
|
140
|
200
|
554
|
400
|
178,2
|
178,6
|
|
0570-0820
|
250
|
184,3
|
184,5
|
|
0570-0821
|
320
|
193,6
|
194,2
|
|
0570-0822
|
160
|
200
|
186,0
|
186,4
|
|
0570-0823
|
250
|
190,8
|
191,5
|
|
0570-0824
|
320
|
198,0
|
198,5
|
|
0570-0825
|
180
|
200
|
176,6
|
177,0
|
|
0570-0826
|
250
|
192,7
|
193,2
|
|
0570-0827
|
320
|
198,7
|
199,2
|
|
0570-0828
|
200
|
200
|
178,8
|
179,2
|
|
0570-0829
|
250
|
195,9
|
196,4
|
|
0570-0830
|
320
|
205,1
|
205,7
|
|
0570-0831
|
200
|
200
|
654
|
500
|
285,8
|
286,7
|
|
0570-0832
|
250
|
300,8
|
301,8
|
|
0570-0833
|
320
|
314,5
|
315,7
|
|
0570-0834
|
250
|
200
|
282,8
|
283,6
|
|
0570-0835
|
250
|
298,3
|
299,3
|
|
0570-0836
|
200
|
320
|
315,2
|
316,3
|
|
0570-0837
|
280
|
200
|
276,7
|
277,4
|
|
0570-0838
|
250
|
291,0
|
291,5
|
|
0570-0839
|
320
|
307,0
|
308,0
|
|
0570-0841
|
320
|
280
|
764
|
630
|
383,3
|
384,6
|
|
0570-0842
|
320
|
395,0
|
396,4
|
|
0570-0843
|
360
|
404,1
|
405,6
|
Пример
условного обозначения центробежной
изложницы с размерами d = 80
мм и l =160
мм:
Изложница центробежная 0570-0801 ГОСТ 19309-98
Таблица 2 - Спецификация центробежных изложниц
|
Обозна-
чение центро-
бежных изложниц
|
Поз.7
Изложница
|
Поз.2
Вкладыш
|
Поз.3
Выталки-
ватель ГОСТ
19310
|
Поз.
4* Крышка ГОСТ 19311
|
Поз.5
Замок
центро-
бежный ГОСТ
19313
|
Поз.
6
Хомут
тройной ГОСТ
19315
|
Поз.7
Гайка
ГОСТ 5915
|
Поз.
8 Болт ГОСТ
7798
|
Поз.9
Винт
устано-
вочный ГОСТ
1483
|
|
Обозначение деталей
|
|
0570-0801
|
0570-0801/001
|
0570-0801/002
|
0554-0003
|
0556-0201;
0556-0202
|
0557-0201
|
0559-0201
|
М16-6Н.5.05
|
М16-6g×60.
88.35.
05
|
В.М16-6g×50.
14H.05
|
|
0570-0802
|
0570-0802/002
|
|
0570-0803
|
0570-0803/002
|
|
0570-0804
|
0570-0804/002
|
0554-0004
|
0556-0202;
0556-0203
|
|
0570-0805
|
0570-0805/002
|
|
0570-0806
|
0570-0806/002
|
|
0570-0807
|
0570-0807/002
|
|
0570-0808
|
0570-0808/002
|
0554-0005
|
0556-0203;
0556-0204
|
|
0570-0809
|
0570-0809/002
|
|
0570-0810
|
0570-0810/002
|
|
0570-0811
|
0570-0811/002
|
|
0570-0812
|
0570-0812/002
|
0554-0006
|
0556-0204;
0556-0205
|
|
0570-0813
|
0570-0813/002
|
|
0570-0814
|
0570-0814/002
|
|
0570-0815
|
0570-0815/002
|
|
0570-0816
|
0570-0816/002
|
0554-0007
|
0556-0205;
0556-0206
|
0557-0202
|
0559-0202
|
|
0570-0817
|
0570-0817/002
|
|
0570-0818
|
0570-0818/002
|
|
0570-0819
|
0570-0802/001
|
0570-0819/002
|
0554-0008
|
0556-0213;
0556-0214
|
|
0570-0820
|
0570-0820/002
|
|
0570-0821
|
0570-0821/002
|
|
0570-0822
|
0570-0822/002
|
0554-0009
|
0556-0215;
0556-0216
|
|
0570-0823
|
0570-0823/002
|
|
0570-0824
|
0570-0824/002
|
|
0570-0825
|
0570-0825/002
|
0554-0010
|
0556-0217
|
|
0570-0826
|
0570-0826/002
|
|
0570-0827
|
0570-0827/002
|
|
0570-0828
|
0570-0828/002
|
0554-0011
|
9556-0218
|
|
0570-0829
|
0570-0829/002
|
|
0570-0830
|
0570-0830/002
|
|
0570-0831
|
0570-0803/001
|
0570-0831/002
|
0554-0012
|
0556-0224;
0556-0225
|
0557-0203
|
0559-0207
|
|
0570-0832
|
0570-0832/002
|
|
0570-0833
|
0570-0833/002
|
|
0570-0834
|
0570-0834/002
|
0554-0013
|
0556-0225;
0556-0226
|
|
0570-0835
|
0570-0835/002
|
|
0570-0836
|
0570-0836/002
|
|
0570-0837
|
0570-0837/002
|
0554-0014
|
0556-0227
|
|
0570-0838
|
0570-0838/002
|
|
0570-0839
|
0570-0839/002
|
|
0570-0841
|
0570-0804/001
|
0570-0841/002
|
0554-0015
|
0556-0237;
0556-0238
|
0559-0209
|
|
0570-0842
|
0570-0842/002
|
|
0570-0843
|
0570-0843/002
|
|
*Применение
крышки определяется конструктивно.
|
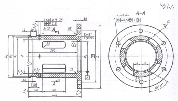
3.2 Конструкция и размеры изложниц (поз.1) должны соответствовать указанным на
рисунке 2 и в таблице 3.

Рисунок 2
Таблица 3
Размеры в миллиметрах
|
Обозначение
изложниц
|
d
|
d1
|
d2 Н11
|
d3
|
D
|
D1
|
D2
|
D3
|
b
|
n
|
Мacca кг,
не более
|
|
0570-0801/001
|
190
|
210
|
180
|
22
|
320
|
380
|
260
|
250
|
50
|
6
|
83,5
|
|
0570-0802/001
|
270
|
290
|
200
|
400
|
460
|
340
|
330
|
70
|
|
117,0
|
|
0570-0803/001
|
370
|
390
|
280
|
26
|
500
|
560
|
440
|
430
|
100
|
8
|
158,0
|
|
0570-0804/001
|
450
|
480
|
360
|
630
|
700
|
520
|
510
|
120
|
|
192,4
|
Пример
условного обозначения изложницы с
размером d = 190 мм:
Изложница 0570-0801/001 ГОСТ 19309-98
3.3. Материал - сталь марки
35Л по ГОСТ
977.
3.4. Неуказанные предельные
отклонения размеров: Н14, h14, ± .
3.5. Резьба - по ГОСТ
24705, поле допуска - по ГОСТ
16093.
3.6. Остальные технические
требования - по ГОСТ 19316.
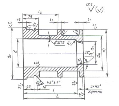
3.7. Конструкция и размеры
вкладышей (поз. 2) должны
соответствовать указанным на рисунке 3 и в таблице 4.

Рисунок 3
Таблица 4
Размеры в миллиметрах
|
Обозначение
вкладышей
|
d
|
l
|
d1
|
d2
|
d3 H11
|
d4
|
L
|
l1
|
l2
|
Коли-
чество ребер
|
Масса
вкладышей, кг, не более
|
|
из
чугуна
|
из
стали
|
|
0570-0801/002
|
80
|
160
|
188,5
|
208,5
|
70
|
120
|
180
|
25
|
-
|
-
|
21,9
|
22,2
|
|
0570-0802/002
|
180
|
200
|
22,9
|
23,2
|
|
0570-0803/002
|
200
|
220
|
24,0
|
24,2
|
|
0570-0804/002
|
90
|
160
|
80
|
130
|
185
|
20,8
|
21,0
|
|
0570-0805/002
|
180
|
205
|
21,6
|
21,8
|
|
0570-0806/002
|
200
|
225
|
23,1
|
23,3
|
|
0570-0807/002
|
250
|
275
|
20
|
165
|
1
|
25,4
|
25,7
|
|
0570-0808/002
|
100
|
160
|
90
|
140
|
185
|
25
|
-
|
-
|
20,2
|
20,4
|
|
0570-0809/002
|
180
|
205
|
21,2
|
21,4
|
|
0570-0810/002
|
200
|
225
|
22,6
|
22,8
|
|
0570-0811/002
|
250
|
275
|
20
|
165
|
1
|
25,2
|
25,5
|
|
0570-0812/002
|
110
|
160
|
110
|
150
|
185
|
-
|
-
|
19,0
|
19,2
|
|
0570-0813/002
|
180
|
205
|
20,1
|
20,3
|
|
0570-0814/002
|
200
|
225
|
21,2
|
21,4
|
|
0570-0815/002
|
250
|
275
|
25
|
165
|
1
|
25,1
|
25,4
|
|
0570-0816/002
|
125
|
200
|
115
|
165
|
230
|
-
|
-
|
21,6
|
21,8
|
|
0570-0817/002
|
250
|
280
|
20
|
168
|
1
|
24,9
|
25,2
|
|
0570-0818/002
|
320
|
350
|
202
|
31,5
|
31,8
|
|
0570-0819/002
|
140
|
200
|
268
|
288
|
130
|
190
|
230
|
25
|
-
|
-
|
44,0
|
44,4
|
|
0570-0820/002
|
250
|
280
|
20
|
168
|
1
|
50,1
|
50,6
|
|
0570-0821/002
|
320
|
350
|
202
|
59,4
|
60,0
|
|
0570-0822/002
|
160
|
200
|
150
|
210
|
230
|
25
|
-
|
-
|
41,5
|
42,0
|
|
0570-0823/002
|
250
|
280
|
20
|
168
|
1
|
46,3
|
46,8
|
|
0570-0824/002
|
320
|
350
|
202
|
53,5
|
54,0
|
|
0570-0825/002
|
180
|
200
|
170
|
230
|
230
|
25
|
-
|
-
|
31,8
|
32,3
|
|
0570-0826/002
|
250
|
280
|
20
|
168
|
1
|
48,0
|
48,5_
|
|
0570-0827/002
|
320
|
350
|
202
|
54,0
|
54,5
|
|
0570-0828/002
|
200
|
200
|
190
|
250
|
230
|
25
|
-
|
-
|
33,2
|
33,5
|
|
0570-0829/002
|
250
|
280
|
20
|
168
|
1
|
50,2
|
50,7
|
|
0570-0830/002
|
320
|
350
|
202
|
59,4
|
60,0
|
|
0570-0831/002
|
220
|
200
|
368
|
388
|
210
|
290
|
230
|
30
|
-
|
-
|
85,3
|
87,2
|
|
0570-0832/002
|
250
|
280
|
25
|
165
|
1
|
101,3
|
102,3
|
|
0570-0833/002
|
320
|
350
|
200
|
115,0
|
116,2
|
|
0570-0834/002
|
250
|
200
|
240
|
320
|
240
|
30
|
-
|
-
|
79,6
|
80,4
|
|
0570-0835/002
|
250
|
290
|
25
|
170
|
1
|
95,1
|
96,2
|
|
0570-0836/002
|
320
|
360
|
205
|
1
|
112,0
|
113,2
|
|
0570-0837/002
|
280
|
200
|
270
|
350
|
240
|
30
|
-
|
-
|
72,8
|
73,5
|
|
0570-0838/002
|
250
|
290
|
25
|
170
|
1
|
87,0
|
88,0
|
|
0570-0839/002
|
320
|
360
|
205
|
|
103,0
|
104,2
|
|
0570-0841/002
|
320
|
280
|
448
|
478
|
308
|
390
|
320
|
|
185
|
|
127,0
|
128,3
|
|
0570-0842/002
|
320
|
360
|
205
|
1
|
138,6
|
140,0
|
|
0570-0843/002
|
360
|
|
400
|
30
|
220
|
|
152,8
|
154,3
|
Пример
условного обозначения вкладыша размерами:
d - 80 мм, l
= 160 мм:
Вкладыш 0570-0801/002 ГОСТ 19309-98
3.8. Материал:
вкладышей для литья втулок из цветных сплавов
- чугун марки СЧ 20 по ГОСТ 1412 или
сталь марки 35Л по ГОСТ 977;
вкладышей для литья втулок из чугуна и
стали - высокопрочный чугун марки ВЧ 50 по ГОСТ 7293 или сталь
марки 35Л по ГОСТ 977.
3.9. Неуказанные предельные
отклонения размеров: Н14, h14, ± .
3.10. Остальные технические
требования - по ГОСТ 19316.
Ключевые
слова: центробежные изложницы,
центробежные изложницы с фланцем, вкладышами и центробежными замками;
конструкция; размеры
| |
|