//
ТехЛит.ру
- крупнейшая бесплатная электронная интернет библиотека для "технически умных" людей.
WWW.TEHLIT.RU - ТЕХНИЧЕСКАЯ ЛИТЕРАТУРА

:: Алготрейдинг::


АЛГОТРЕЙДИНГ
шаг за шагом
с нуля по урокам!

Торговые роботы на PYTHON, BackTrader,
Pandas, Pine Script для TradingView. Связка с брокерами, телеграм и легкими приложениями.


ГОСТ 19440-94

ПОРОШКИ МЕТАЛЛИЧЕСКИЕ

ОПРЕДЕЛЕНИЕ НАСЫПНОЙ ПЛОТНОСТИ

Часть 1. МЕТОД С ИСПОЛЬЗОВАНИЕМ ВОРОНКИ.

Часть 2. МЕТОД ВОЛЮМОМЕТРА СКОТТА

МЕЖГОСУДАРСТВЕННЫЙ СОВЕТ
ПО СТАНДАРТИЗАЦИИ, МЕТРОЛОГИИ И СЕРТИФИКАЦИИ Минск

Предисловие

1 РАЗРАБОТАН Институтом проблем материаловедения им. И.Н. Францевича НАН Украины (ТК 150 «Порошковая металлургия»)

ВНЕСЕН Государственным комитетом Украины по стандартизации, метрологии и сертификации

2 ПРИНЯТ Межгосударственным Советом по стандартизации, метрологии и сертификации (протокол № 6 от 21 октября 1994 г.)

За принятие проголосовали:

Наименование государства

Наименование национального органа но стандартизации

Азербайджанская Республика

Азгосстандарт

Республика Армения

Армгосстандарт

Республика Белоруссия

Белстандарт

Республика Грузия

Грузстандарт

Республика Казахстан

Госстандарт Республики Казахстан

Киргизская Республика

Киргизстандарт

Республика Молдова

Молдовастандарт

Российская Федерация

Госстандарт России

Республика Узбекистан

Узгосстандарт

3 Настоящий стандарт содержит полный аутентичный текст международных стандартов ИСО 3923-1-79 «Порошки металлические. Определение насыпной плотности. Часть 1. Метод с использованием воронки» и ИСО 3923-2-81 «Порошки металлические. Определение насыпной плотности. Часть 2. Метод волюмометра Скотта» и дополнительные требования, отражающие потребности экономики страны, которые выделены в тексте курсивом

4 Постановлением Комитета Российской Федерации по стандартизации, метрологии и сертификации от 19.06.96 № 407 межгосударственный стандарт ГОСТ 19440-94 введен в действие непосредственно в качестве государственного стандарта Российской Федерации с 1 января 1997 г.

5 ВЗАМЕН ГОСТ 19440-74

Содержание

 

МЕЖГОСУДАРСТВЕННЫЙ СТАНДАРТ

ПОРОШКИ МЕТАЛЛИЧЕСКИЕ

Определение насыпной плотности

Часть 1. Метод с использованием воронки.
Часть 2. Метод волюмометра Скотта

Metallic powders.
Determination of apparent density.
Part 1. Funnel method.
Part 2. Scott volumeter method

Дата введения 1997-01-01

ЧАСТЬ 1

1 НАЗНАЧЕНИЕ И ОБЛАСТЬ ПРИМЕНЕНИЯ

Настоящая часть стандарта устанавливает метод определения насыпной плотности металлических порошков при стандартизированных условиях с помощью воронки.

Метод распространяется на металлические порошки, свободно протекающие через отверстие диаметром 2,5 мм, а также может быть использован для порошков, которые плохо протекают через отверстие диаметром 2,5 мм, но свободно протекают через отверстие диаметром 5 мм.

Метод определения насыпной плотности порошков, которые не протекают через отверстие диаметром 5 мм, установлен во второй части настоящего стандарта.

Стандарт пригоден для сертификации.

2 НОРМАТИВНЫЕ ССЫЛКИ

В настоящем стандарте использованы ссылки на следующие стандарты:

ГОСТ 5632-72 Стали высоколегированные и сплавы коррозионно-стойкие, жаростойкие и жаропрочные. Марки

ГОСТ 23148-78 Порошки металлические. Методы отбора и подготовки проб

ГОСТ 24104-88 Весы лабораторные общего назначения и образцовые. Общие технические условия

3 СУЩНОСТЬ МЕТОДА

Измерение массы определенного количества порошка, который в свободно насыпанном состоянии полностью заполняет емкость (стакан) известного объема.

Свободно насыпанное состояние получается при заполнении емкости с помощью воронки, расположенной над ней на определенном расстоянии.

Отношение массы к объему представляет собой насыпную плотность.

4 СИМВОЛЫ И ОБОЗНАЧЕНИЯ

Таблица 1

Символ

Обозначение

Единица измерения

ρа

Насыпная плотность металлических порошков (общий термин)

г/см3

ρас

Насыпная плотность, полученная с помощьк воронки

г/см3

т

Масса порошка

г

V

Объем емкости

см3

5 АППАРАТУРА

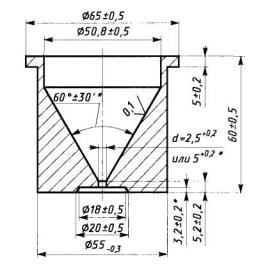
5.1 Воронки, одна с отверстием диаметром  мм, другая -  мм (рисунок 1).

5.2 Цилиндрическая емкость вместимостью (25 ± 0,05) см3 и внутренним диаметром (30 ± 1) мм.

Емкость и воронки должны быть изготовлены из немагнитного устойчивого против коррозии металла (например из стали марки 12Х18Н10Т по ГОСТ 5632) со стенками достаточной толщины и твердости, чтобы противостоять деформации и чрезмерному износу. Внутренние поверхности емкости и воронок должны быть отшлифованы.

5.3 Весы лабораторные по ГОСТ 24104 или другие, позволяющие взвешивать контрольное количество порошка с погрешностью не более 0,05 г.

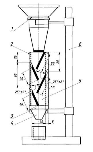
5.4 Стойка и горизонтальное виброустойчивое основание для крепления емкости и воронки (при этом стойка фиксирует отверстие воронки на высоте 25 мм от верхнего края емкости), установленных соосно (рисунок 2).

___________________

* Значения являются обязательными.

Рисунок 1

___________________

* Значения являются обязательными.

Рисунок 2

6 ОТБОР ПРОБ

6.1 Проба для испытания должна быть объемом не менее 100 см3 для обеспечения выполнения определений на трех испытуемых порциях.

Пробу для испытания отбирают и приготовляют по ГОСТ 23148.

6.2 Обычно порошок должен быть испытан в состоянии поставки, то есть в воздушно-сухом состоянии. В некоторых случаях порошок, если он не соответствует требованиям воздушно-сухого состояния, высушивается. Сушка порошка, обладающего склонностью к окислению, должна проводиться в вакууме или инертном газе. Не следует сушить порошок, содержащий летучие вещества.

При необходимости пробу порошка, отобранную для испытаний, сушат в сушильном шкафу при температуре (110 ± 5) °С до постоянной массы. Высушенную пробу охлаждают в эксикаторе. Ускоренные режимы сушки и режимы сушки однородных порошков или порошков с добавками, не допускающими нагрева до 110°С должны быть оговорены в нормативной документации на порошок.

7 ПОРЯДОК ИСПЫТАНИЙ

7.1 Воронку с выходным отверстием диаметром 2,5 мм, закрытым сухим пальцем, заполняют порошком.

7.2 Открывают выходное отверстие воронки и пропускают порошок через отверстие до полного заполнения емкости и до начала пересыпания из нее порошка. Одноразовым движением с помощью немагнитной линейки выравнивают в емкости поверхность порошка, не оказывая на него давления. Следят, чтобы не было встряхивания и вибрации емкости. Линейка при выравнивании поверхности порошка должна быть повернута ребром к верхнему торцу емкости.

7.2.1 Если порошок не протекает через эту воронку, необходимо взять воронку с отверстием диаметром 5,0 мм.

7.2.2 Если порошок также не протекает, допускается попытка вызвать его течение, протолкнув один раз через воронку в направлении сверху вниз проволоку диаметром 1 мм. Проволока не должна достигать верхнего края емкости.

7.3 После выравнивания поверхности порошка следует слегка постучать по емкости, чтобы порошок осел и не рассыпался при перемещении. Необходимо удалить с наружной поверхности прилипшие частицы.

7.4 Массу порошка определяют с точностью до 0,05 г. Определение выполняют на трех испытуемых порциях.

8 ОБРАБОТКА РЕЗУЛЬТАТОВ

Насыпную плотность ρас, г/см3, вычисляют по формуле

                                                                                                        (1)

где т - масса испытуемого порошка в емкости (стакане), г;

V - вместимость емкости, см3.

Массу испытуемого порошка т, г, вычисляют по формуле

т = т1 - т2,                                                                                                                 (2)

где т1 - масса емкости с порошком, г;

т2 - масса емкости, г.

Записывают среднее арифметическое значение трех определений с точностью до 0,01 г/см3 (то есть с округлением до второго десятичного знака), а также наибольший и наименьший результаты, если расхождение между ними превышает 1 % среднего значения.

9 ПРОТОКОЛ ИСПЫТАНИЙ

Протокол испытаний должен включать следующую информацию:

а) ссылку на настоящий стандарт;

б) все детали, необходимые для идентификации исследуемой пробы;

в) порядок выполнения сушки, если порошок подвергался сушке;

г) номинальный диаметр отверстия воронки и применение проволоки, если это имело место;

д) полученный результат;

е) все операции, не оговоренные настоящим стандартом, или операции, рассматриваемые как необязательные;

ж) детали любого явления, которое могло бы повлиять на результат.

ЧАСТЬ 2

1 НАЗНАЧЕНИЕ И ОБЛАСТЬ ПРИМЕНЕНИЯ

Настоящая часть стандарта устанавливает метод определения насыпной плотности металлических порошков с помощью волюмометра Скотта.

Метод распространяется на порошки, которые свободно не протекают через воронку с отверстием диаметром 5 мм.

Стандарт пригоден для сертификации.

2 НОРМАТИВНЫЕ ССЫЛКИ

В настоящем стандарте использованы ссылки на следующие стандарты:

ГОСТ 5632-72 Стали высоколегированные и сплавы коррозионно-стойкие, жаростойкие и жаропрочные. Марки

ГОСТ 6613-86 Сетки проволочные тканые с квадратными ячейками. Технические условия

ГОСТ 23148-78 Порошки металлические. Методы отбора и подготовки проб

ГОСТ 24104-88 Весы лабораторные общего назначения и образцовые. Общие технические условия

3 СУЩНОСТЬ МЕТОДА

Измерение массы определенного количества порошка, который в свободно насыпанном состоянии полностью заполняет емкость (стакан) известного объема.

Свободно насыпанное состояние получается при заполнении емкости путем последовательного прохождения порошка через систему наклонных пластин волюмометра Скотта (рисунки 1 и 2).

Отношение массы к объему представляет собой насыпную плотность.

1 - большой конус воронки; 2- цилиндрическая часть воронки; 3 - малый конус воронки; 4 - внутренний диаметр; 5 - боковые стороны коробки с размерами приблизительно 8×58×152 мм из дерева или другого материала; 6 - передняя и задняя стороны коробки с размерами приблизительно 2×44×142 мм из стекла; 7 - нижняя воронка квадратного сечения с размерами приблизительно от 45 до 12,5 мм; 8 - цилиндрическая емкость; 9 - основание прибора

Рисунок 1 - Вид спереди прибора для испытания

1 - латунное сито; 2 - сторона коробки из стекла; 3 - деталь нижнего соединения; 4 - нижняя квадратная воронка; 5 - сторона коробки из дерева; 6 - стойка

Рисунок 2 - Вид сбоку прибора для испытания

4 СИМВОЛЫ И ОБОЗНАЧЕНИЯ

Таблица 1

Символ

Обозначение

Единица измерения

ρа

Насыпная плотность металлических порошков (общий термин)

г/см3

ρаs

Насыпная плотность, полученная по методу волюмометра Скотта

г/см3

т

Масса порошка

г

V

Объем емкости

см3

5 АППАРАТУРА

5.1 Конструкция волюмометра Скотта

5.1.1 Воронка с большим и малым конусами, разделенными цилиндрической частью, и имеющая латунное сито с отверстиями размером 1,18 мм.

Допускается применение латунного сита с отверстиями размером 1,25 мм по ГОСТ 6613.

5.1.2 Коробка квадратного сечения с четырьмя стеклянными наклонными пластинками, которые размещены и удерживаются с помощью пазов на противоположных (боковых) ее сторонах так, чтобы их можно было легко вынимать и чистить.

Пластинки установлены таким образом, чтобы порошок последовательно падал на каждую из них, вследствие чего падение порошка прерывается, а скорость его потока уменьшается.

Стеклянные пластинки должны быть установлены так, чтобы порошок не просыпался между верхним краем стеклянных пластинок и сторонами коробки, а также чтобы нижние края стеклянных пластинок находились или на одной линии, или немного перекрывались в вертикальной плоскости.

Типовая конструкция волюмометра Скотта приведена на рисунках 1 и 2. Указанные на них размеры с допусками являются обязательными. Другие размеры могут незначительно изменяться, но при условии, что будут соблюдены указанные ранее основные требования.

5.1.3 Стойка и горизонтальное виброустойчивое основание, обеспечивающее крепление емкости, коробки и воронки на одной оси и на высотах (расстояниях), указанных на рисунках.

5.2 Цилиндрическая емкость вместимостью (25 ± 0,05) см3 и внутренним диаметром (30 ± 1) мм.

Примечание - Емкость и воронки должны быть изготовлены из немагнитного, устойчивого против коррозии металла (например из стали марки 12Х18Н10Т по ГОСТ 5632) со стенками достаточной толщины и твердости, чтобы противостоять деформации и чрезмерному износу, внутренние поверхности емкости и воронок должны быть отшлифованы.

5.3 Весы лабораторные по ГОСТ 24104 и другие, обеспечивающие взвешивание с погрешностью не более 0,05 г.

6 ОТБОР ПРОБ

6.1 Проба для испытания должна быть объемом не менее 100 см3 для обеспечения выполнения определений на трех испытуемых порциях.

Пробу для испытания отбирают и приготовляют по ГОСТ 23148.

6.2 Обычно порошок должен быть испытан в состоянии поставки, т.е. в воздушно-сухом состоянии. В некоторых случаях порошок, если он не соответствует требованиям воздушно-сухого состояния, высушивается. Сушка порошка, обладающего склонностью к окислению, должна проводиться в вакууме или инертном газе. Не следует сушить порошок, содержащий летучие вещества.

Пробу порошка, отобранного для испытаний, подвергают сушке в сушильном шкафу при температуре (110 ± 5) °С до постоянной массы. Высушенную пробу охлаждают в эксикаторе. Ускоренные режимы сушки и режимы сушки однородных порошков или порошков с добавками, не допускающими нагрева до 110 °С, должны быть оговорены в нормативной документации на порошок.

7 ПОРЯДОК ИСПЫТАНИЙ

7.1 С помощью шпателя порошок осторожно насыпают или подают в воронку до полного заполнения им емкости (стакана) и до начала пересыпания из нее порошка.

7.2 Если порошок свободно не течет (через сито), его прохождение может быть облегчено легким протиранием мягкой щеточкой (кисточкой).

Примечание - Если легкого протирания недостаточно для прохождения порошка через сито, считают, что метод определения с помощью волюмометра Скотта не применим к данному порошку.

7.3 Выравнивают порошок линейкой и следят, чтобы его не уплотнить или не вычерпнуть, не толкнуть или не вызвать вибрацию емкости. Поверхность порошка выравнивают одноразовым движением с помощью немагнитной линейки, повернутой ребром к верхнему торцу емкости.

7.4 После выравнивания поверхности порошка следует слегка постучать по емкости, чтобы порошок осел и не рассыпался при перемещении. Необходимо удалить с наружной поверхности емкости прилипшие частицы.

7.5 Массу порошка определяют с точностью до 0,05 г. Определение выполняют на трех испытуемых порциях.

8 ОБРАБОТКА РЕЗУЛЬТАТОВ

Насыпную плотность ρas, г/см3, вычисляют по формуле

                                                                                                        (3)

где т - масса испытуемого порошка в емкости (стакане), г;

V - вместимость емкости, см3.

Записывают среднее арифметическое значение трех определений с точностью до 0,01 г/см3 (то есть с округлением до второго десятичного знака), а также наибольший и наименьший результаты, если расхождение между ними превышает 1 % среднего значения.

9 ПРОТОКОЛ ИСПЫТАНИЙ

Протокол испытаний должен включать следующую информацию:

а) ссылку на настоящий стандарт;

б) все детали, необходимые для идентификации исследуемой пробы;

в) порядок выполнения сушки, если порошок подвергался сушке;

г) полученный результат;

д) все операции, не оговоренные настоящим стандартом, или операции, рассматриваемые как необязательные;

е) детали любого явления, которое могло бы повлиять на результат.

Ключевые слова: порошковая продукция, металлический порошок, определение, испытания, плотность (масса/объем), воронка, отбор проб

 




Яндекс цитирования



   Copyright © 2007-2026,  www.tehlit.ru.

[ ѓосты, стандарты, нормативы, инструкции, правила, строительные нормы ]