//
ТехЛит.ру
- крупнейшая бесплатная электронная интернет библиотека для "технически умных" людей.
WWW.TEHLIT.RU - ТЕХНИЧЕСКАЯ ЛИТЕРАТУРА

:: Алготрейдинг::


АЛГОТРЕЙДИНГ
шаг за шагом
с нуля по урокам!

Торговые роботы на PYTHON, BackTrader,
Pandas, Pine Script для TradingView. Связка с брокерами, телеграм и легкими приложениями.


ГОСУДАРСТВЕННЫЙ СТАНДАРТ СОЮЗА ССР

ОКНА ЗАЩИТНЫХ БОКСОВ
ТИПЫ, КОНСТРУКЦИЯ И РАЗМЕРЫ

ГОСТ 23410-78

ГОСУДАРСТВЕННЫЙ КОМИТЕТ СССР ПО СТАНДАРТАМ
Москва

ГОСУДАРСТВЕННЫЙ СТАНДАРТ СОЮЗА ССР

ОКНА ЗАЩИТНЫХ БОКСОВ

Типы, конструкция и размеры

Shield box viewing windows.

Types, construction and dimensions

ГОСТ
23410-78*

Постановлением Государственного комитета СССР по стандартам от 28 декабря 1978 г. № 32 срок введения установлен

с 01.01.80

Проверен в 1984 г.

Несоблюдение стандарта преследуется по закону

Настоящий стандарт распространяется на смотровые окна, применяемые в защитных боксах с перчатками и манипуляторами, предназначенные для работы с радиоактивными веществами и другими источниками ионизирующих излучений.

Стандарт устанавливает типы, конструкцию и размеры окон.

1. ТИПЫ

1.1. В зависимости от способа крепления стекла устанавливаются следующие типы окон защитных боксов:

К - с креплением стекла в стальном корпусе с помощью рамки и болтов;

У - с креплением стекла в стальных уголках с помощью коробчатой рамки, шпилек, привариваемых к корпусу бокса, и маховичков (гаек);

П - с креплением стекла в резиновом профиле.

2. КОНСТРУКЦИЯ И РАЗМЕРЫ

2.1. Окна типа К должны изготовляться в трех исполнениях:

1 - с корпусом и рамкой из углеродистой стали;

2 - с корпусом из коррозионно-стойкой стали, рамкой из углеродистой стали;

3 - с корпусом и рамкой из коррозионно-стойкой стали.

2.1.1. Конструкция, размеры и обозначения окон типа К и их составных частей должны соответствовать указанным на черт. 1-5 и в табл. 1-6.

Окно типа К

_____________

Размеры для справок

1 - корпус; 2 - рамка; 3 - стекло; 4 - прокладка; 5 - болт.

Черт. 1

Размеры, мм                                              Таблица 1

Исполнение

Обозначение окон

Применяемость

L

L1

В

В1

1

К1-580-150

 

580

660-0,8

150

230-0,46

2

К2-580-150

 

3

К3-580-150

 

1

К1-580-240

 

240

320-0,57

2

К2-580-240

 

3

К3-580-240

 

1

К1-610-200

 

610

690-0,8

200

280-0,52

2

К2-610-200

 

3

К3-610-200

 

1

К1-610-300

 

300

380-0,57

2

К2-610-300

 

3

К3-610-300

 

Корпус

Черт. 2

Рамка

Черт. 3

Таблица 2

Исполнение

Обозначение окна

Деталь 1.

Корпус

Деталь 2.

Рамка

Деталь 3.

Стекло

Деталь 4.

Прокладка

Деталь 5.

Болт М8´20 по ГОСТ 7798-70

Масса, кг

Обозначение

Количество

Обозначение

Количество

Обозначение

Количество

Обозначение

Количество

Материал

Количество

1

К1-580-150

К1-580-150/1

1

К1-580-150/2

1

К580-150/3

1

К580-150/4

2

сталь - марок 35, 45 по ГОСТ 1050-74 и марки 14´17Н2 по ГОСТ 5632-72

24

18,22

2

К2-580-150

К2-580-150/1

18,28

3

К3-580-150

К2-580-150/2

1

К1-580-240

К1-580-240/1

К1-580-240/2

К580-240/3

К580-240/4

26

23,06

2

К2-580-240

К2-580-240/1

23,12

3

К3-580-240

К2-580-240/2

1

К1-610-200

К1-610-200/1

К1-610-200/2

К610-200/3

К610-200/4

24

26,02

2

К2-610-200

К2-610-200/1

26,08

3

К3-610-200

К2-610-200/2

1

К1-610-300

К1-610-300/1

К1-610-300/2

К610-300/3

К610-300/4

28

30,51

2

К2-610-300

К2-610-300/1

30,57

3

К3-610-300

К2-610-300/2

Таблица 3

Размеры, мм

Обозначение

L

L1

L2

L3

В

В1

В2

В3

В4

l

l1

Количество промежутков между отверстиями, n

Количество отверстий, n1

Масса, кг

К1-580-150/1

580

602+0,7

616

660-0,8

150

172+0,4

186

70

230-0,46

63

58

1

24

11,16

К2-580-150/1

11,28

К1-580-240/1

240

262+0,52

276

140

320-0,57

68

2

26

15,52

К2-580-240/1

15,68

К1-610-200/1

610

632+0,8

646

690-0,8

200

222+0,46

236

70

280-0,52

78

83

1

24

18,85

К2-610-200/1

19,04

К1-610-300/1

300

322+0,57

336

210

380-0,57

63

3

28

21,90

К2-610-300/1

21,92

(Измененная редакция, Изм. № 1).

2.1.2. Материал - сталь по ГОСТ 380-71 и ГОСТ 5632-72.

Таблица 4

Размеры, мм

Обозначение

L

L1

L2

В

В1

В2

В3

l

l1

Количество промежутков между отверстиями, n

Количество отверстий, n1

Масса, кг

К1-580-150/2

580

616

636

150

70

186

206

63

58

1

24

4,52

К2-580-150/2

4,56

К1-580-240/2

240

140

276

296

68

2

26

5,24

К2-580-240/2

5,29

К1-610-200/2

610

646

666

200

70

236

256

78

83

1

24

5,08

К2-610-200/2

5,13

К1-610-300/2

300

210

336

356

63

3

28

5,70

К2-610-300/2

5,76

2.1.3. Материал - сталь по ГОСТ 380-71 и ГОСТ 5632-72.

Таблица 5

Размеры, мм

Обозначение

L

В

Масса, кг

К580-150/3

600 ± 2,2

170 ± 1,25

1,34

К580-240/3

260 ± 1,60

2,05

К610-200/3

630 ± 2,2

220 ± 1,45

1,82

К610-300/3

320 ± 1,80

2,66

Стекло

Черт. 4

2.1.4. Материал - стекло плоское закаленное полированное 1-го сорта толщиной 5 - 6 мм по ГОСТ 5727-83.

Черт. 5

Таблица 6

Размеры, мм

Обозначение

L

В

Масса, кг

К580-150/4

600 ± 2,2

170 ± 1,25

0,08

К580-240/4

260 ± 1,60

0,09

К610-200/4

630 ± 2,2

220 ± 1,45

0,08

К610-300/4

320 ± 1,80

0,09

2.1.5. Материал - резина тепло-морозо-кислото-щелочестойкая мягкая (ТМКЩМ) толщиной 5 мм по ГОСТ 7338-77 или пластины резиновые для уплотнительных прокладок вакуумных систем.

Пример условного обозначения окон типа К исполнений 1, 2 и 3 с размерами L´В = 580´150 мм

Окно К1-580-150 ГОСТ 23410-78

Окно К2-580-150 ГОСТ 23410-78

Окно К3-580-150 ГОСТ 23410-78

(Измененная редакция, Изм. № 1).

2.1.6. Неперпендикулярность поверхности Б корпуса относительно поверхности Д не должна быть более 0,25 мм.

2.1.7. Несимметричность поверхностей Г и К корпуса относительно поверхностей Б и поверхностей Е и Ж относительно поверхности Д не должна быть более 0,5 мм,

2.1.8. Несимметричность поверхности Г рамки относительно поверхности Б и поверхности Д относительно поверхности Е не должна быть более 0,5 мм.

2.1.9. Неуказанные предельные отклонения размеров: отверстия Н14, валов h14, остальных  по ГОСТ 25347-82.

2.1.10. Покрытие деталей окна из углеродистой стали цинковое с хроматированием по ГОСТ 9.306-85.

(Измененная редакция, Изм. № 2).

2.1.11. Конструкция окон типа К должна обеспечивать герметичность боксов при избыточном давлении в них 2∙103 Па (200 мм вод. ст.) во время испытаний и вакуумметрическом давлении 2∙102 Па (20 мм вод. ст.) при эксплуатации.

2.2. Окна типа У должны изготовляться в трех исполнениях:

1 - с прижимными рамками, уголками и шпильками из углеродистой стали;

2 - с прижимными рамками из углеродистой стали, уголками и шпильками из коррозионно-стойкой стали;

3 - с прижимными рамками, уголками и шпильками из коррозионностойкой стали.

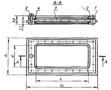
2.2.1. Конструкция, размеры и обозначения окон типа У и их составных частей должны соответствовать указанным на черт. 6-12 и в табл. 7-9.

___________

* Размеры для справок.

** Размеры между уголками.

1 - прижимная рамка; 2 - маховичок; 3 - уголок; 4 - прокладка; 5 - шпилька; 6 - стекло; 7 - шайба.

Черт. 6

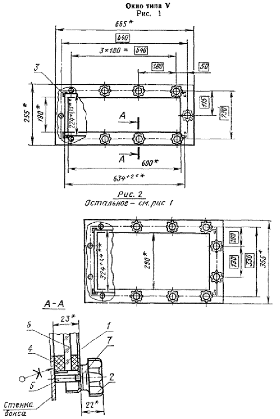
Рамка прижимная

Рис. 1

____________

* Размеры для справок.

** Размеры прокладок.

1 - рамка; 2, 3 - прокладка.

Черт. 7

Таблица 7

Исполнение

Обозначение окна

Рис.

Применяемость

Деталь 1.

Рамка прижимная

Деталь 2.

Маховичок

Деталь 3.

Уголок

Деталь 4.

Прокладка

Обозначение

Количество

Обозначение

Количество

Обозначение

Количество

Обозначение

Количество

1

У1-600-190

1

 

У1-600-190/1

1

М6/2

10

1/3

4

У600-190/4

1

2

У2-600-190

 

2/3

3

У3-600-190

 

У2-600-190/1

1

У1-600-290

2

 

У1-600-290/1

12

1/3

У600-290/4

2

У2-600-290

 

2/3

3

У3-600-290

 

У2-600-290/1

Продолжение табл. 7

Исполнение

Обозначение окна

Рис.

Применяемость

Деталь 5.

Шпилька

Деталь 6.

Стекло

Деталь 7.

Шайба по ГОСТ 11371-78

Масса, кг

Обозначение

Количество

Обозначение

Количество

Обозначение

Количество

1

У1-600-190

1

 

1-М6/5

10

К610-200/3

1

6.02.016

10

3,88

2

У2-600-190

 

2-М6/5

3,92

3

У3-600-190

 

6.21.12´18Н10Т

3,98

1

У1-600-290

2

 

1-М6/5

12

К610-300/3

6.02.016

12

5,03

2

У2-600-290

 

2-М6/5

5,08

3

У3-600-290

 

6.21.12Х18Н10Т

5,13

(Измененная редакция, Изм. № 1).

2.2.2. Материал рамки - сталь по ГОСТ 380-71 и ГОСТ 5632-72.

Таблица 8

Исполнение

Обозначение

Рис.

Количество отверстий, п

Масса кг

1

У1-600-190/1

1

10

1,20

2

У2-600-190/1

1,21

1

У1-600-290/1

2

12

1,30

2

У2-600-290/1

1,31

Маховичок

1 - втулка; 2 - фенопласт марок 03-010-02, Э1-340-02, В´2-090-09 по ГОСТ 5689-79.

Черт. 8

Втулка маховичка

Черт. 9

2.2.3. Материал - сталь по ГОСТ 380-71 и ГОСТ 5632-72.

Уголок

____________

* Размер для справок.

Черт. 10.

2.2.4. Материал - сталь по ГОСТ 380-71 и ГОСТ 5632-72.

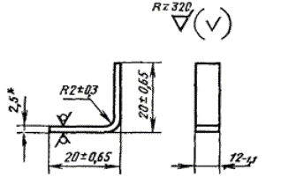
Прокладка

Черт. 11

Таблица 9

Размеры, мм

Обозначение

В

Масса, кг

У600-190/4

218 ± 1,45

0,35

У600-290/4

318 ± 1,80

0,38

2.2.5. Материал - резина тепло-морозо-кислото-щелочестойкая мягкая (ТМКЩМ) по ГОСТ 7338-77 или пластина резиновая для уплотнительных прокладок вакуумных систем толщиной 10 - 16 мм.

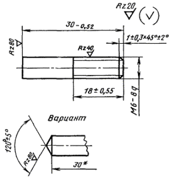
Шпилька

_____________

* Размеры для справок

Черт. 12

2.2.6. Материал - сталь по ГОСТ 380-71 и ГОСТ 5632-72.

Примеры условного обозначения окон типа У исполнений 1, 2 и 3 с размерами 600´190 мм:

Окно У1-600-190 ГОСТ 23410-78

Окно У2-600-190 ГОСТ 23410-78

Окно У3-600-190 ГОСТ 23410-78

2.2.7. Рамки и уголки допускается изготовлять из листовой стали толщиной 2 мм.

Прокладки допускается изготовлять из губчатой технической пластины с двумя пленками при условии соблюдения требований герметичности.

2.2.8. Смещение осей шпилек от номинального расположения при приварке их к корпусу бокса не должно быть более 0,5 мм.

2.2.9. Несимметричность расположения шпилек относительно проема бокса не более 0,3 мм.

2.2.10. При приварке уголков несимметричность их расположения относительно проема бокса не должна быть более 0,5 мм.

2.2.11. Неплоскостность поверхности корпуса бокса, к которой приклеивается прокладка, не должна быть более 1 мм.

2.2.12. Прокладки к корпусу бокса и рамке клеить клеем 88-Н или 88 НП.

(Измененная редакция, Изм. № 2).

2.2.13. Покрытие деталей окна из углеродистой стали цинковое с хроматированием по ГОСТ 9.306-85.

(Измененная редакция, Изм. № 2).

2.2.14. Масса маховичка - 0,022 кг, уголка - 0,015 кг, шпильки - 0,008 кг.

2.3. Конструкция, размеры и обозначения окон типа П и их составных частей должны соответствовать указанным на черт. 13-16 и в табл. 10-11.

Таблица 10

Размеры, мм

Обозначение окна

Применяемость

L

L1

L2

В

В1

В2

Деталь 1.

Стекло

Деталь 2.

Профиль 1

Деталь 3.

Профиль 3

Масса, кг

Обозначение

Количество

Материал

Длина

Материал

П433-133

 

433

465+0,63

488

133

165+0,40

188

П433-133/1

1

Резина В-С

1095+2,6

Резина В-П

1,54

П433-183

 

183

215+0,46

238

П433-183/1

1195+2,6

1,94

П583-153

 

583

615+0,70

638

153

185+0,46

208

П583-153/1

1435+3,1

2,21

П583-243

 

243

275+0,52

298

П583-243/1

1615+3,7

3,31

П613-203

 

613

645+0,80

668

203

235+0,46

258

П613-203/1

1595+3,1

2,89

П613-303

 

303

335+0,57

358

П613-303/1

1795+3,7

4,01

П683-333

 

683

715+0,80

738

333

365+0,57

388

П683-333/1

1995+3,7

4,68

Окно типа П

___________

Линейные размеры для справок.

1 - стекло; 2 - профиль 1; 3 - профиль 3.

Черт. 13

Стекло

Черт. 14

Таблица 11

Размеры, мм

Обозначение

L

В

Масса, кг

П433-133/1

450 ± 2,0

150 ± 1,25

1,11

П433-183/1

200 ± 1,45

1,80

П583-153/1

600 ± 2,2

170 ± 1,25

1,68

П583-243/1

260 ± 1,60

2,70

П613-203/1

630 ± 2,2

220 ± 1,45

2,28

П613-303/1

320 ± 1,80

3,32

П683-333/1

700 ± 2,5

350 ± 1,80

3,82

(Измененная редакция, Изм. № 1, 2).

2.3.1. Материал - стекло плоское закаленное полированное 1-го сорта, толщиной 5 - 6 мм по ГОСТ 5727-83.

Профиль 1

_____________

Размеры для справок.

Черт. 15

Профиль 3

____________

Размеры для справок.

Черт. 16

Пример условного обозначения окна типа П с размерами L´В = 433´133 мм:

Окно П433-133 ГОСТ 23410-78.

2.3.2. Коробление корпуса бокса по контуру прилегания профиля 1 не должно быть более 1 мм.

2.3.3. Стенка бокса, на которой устанавливают окно, должна быть толщиной 2 - 3 мм.

2.3.4. Клеевой шов выполнить резиновым клеем по ГОСТ 2199-78.

2.3.5. Конструкция окон типов У и П должна обеспечивать герметичность боксов при избыточном давлении в них 1∙103 Па (100 мм вод. ст.) во время испытаний и вакуумметрическом давлении 2∙102 Па (20 мм вод. ст.) при эксплуатации.

СОДЕРЖАНИЕ

 




Яндекс цитирования



   Copyright © 2007-2026,  www.tehlit.ru.

[ ѓосты, стандарты, нормативы, инструкции, правила, строительные нормы ]