//
ТехЛит.ру
- крупнейшая бесплатная электронная интернет библиотека для "технически умных" людей.
WWW.TEHLIT.RU - ТЕХНИЧЕСКАЯ ЛИТЕРАТУРА

:: Алготрейдинг::


АЛГОТРЕЙДИНГ
шаг за шагом
с нуля по урокам!

Торговые роботы на PYTHON, BackTrader,
Pandas, Pine Script для TradingView. Связка с брокерами, телеграм и легкими приложениями.


ГОСУДАРСТВЕННЫЕ СТАНДАРТЫ СОЮЗА ССР

СОЕДИНИТЕЛЬНЫЕ
И КРЕПЕЖНЫЕ ДЕТАЛИ
СТЕКЛЯННЫХ ТРУБОПРОВОДОВ
ХОМУТЫ НАКИДНЫЕ

Конструкция

ГОСТ 24193-80

ГОСУДАРСТВЕННЫЙ КОМИТЕТ СССР ПО СТАНДАРТАМ

Москва

государственный стандарт союза сср

ХОМУТЫ НАКИДНЫЕ
Конструкция

Thrown-on ferrules.
Design and basic dimensions

ГОСТ
24193-80

Дата введения           01.07.81

Несоблюдение стандарта преследуется по закону

1. Настоящий стандарт распространяется на накидные хомуты, применяемые для крепления стеклянных трубопроводов.

Требования настоящего стандарта являются обязательными.

(Измененная редакция, Изм. № 2).

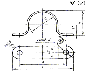
2. Конструкция и основные размеры накидных хомутов должны соответствовать указанным на чертеже и в таблице.

____________

* Размер для справок.

Размеры в мм

Условный проход DУ

Наружный диаметр трубы DH

D

А

L

H

d

Масса, кг, не более

40

45

52

85

110

52

6,6

0,07

50

67

74

110

135

74

0,09

80

93

100

135

160

98

0,12

100

122

130

165

190

126

1,14

150

169

176

215

240

175

9,0

0,20

200

221

228

270

295

226

12,5

0,25

(Измененная редакция, Изм. № 2).

Пример условного обозначения накидного хомута для трубы наружным диаметром DH = 45 мм из стали марки Ст3кп:

Хомут 45 ГОСТ 24193-80

То же, из стали марки Ст3сп:

Хомут 45-С ГОСТ 24193-80

3. Материал хомутов - сталь марки Ст3кп или Ст3сп по ГОСТ 380-71.

4. Технические требования - по ГОСТ 24201-80.

5. Коды ОКП приведены в приложении.

(Введен дополнительно, Изм. № 2).

ПРИЛОЖЕНИЕ

Справочное

Условное обозначение хомута

Код ОКП и контрольное число

45

48 3474 0001 04

45-С

48 3474 0002 03

67

48 3474 0003 02

67-С

48 3474 0004 01

93

48 3474 0005 00

93-С

48 3474 0006 00

122

48 3474 0007 09

122-С

48 3474 0008 08

169

48 3474 0009 07

169-С

48 3474 0011 02

221

48 3474 0012 01

(Введено дополнительно, Изм. № 1, Изм. № 2).

ИНФОРМАЦИОННЫЕ ДАННЫЕ

1. РАЗРАБОТАН И ВНЕСЕН Министерством монтажных и специальных строительных работ СССР

ИСПОЛНИТЕЛИ

М.Г. Скакунов, д-р техн. наук; Н.И. Куликов; Р.И. Шарунова

2. УТВЕРЖДЕН И ВВЕДЕН В ДЕЙСТВИЕ Постановлением Государственного комитета СССР по стандартам от 22.05.80 № 2306

3. ВЗАМЕН ГОСТ 15924-74

4. Срок проверки - I квартал 1990 г.; периодичность проверки - 5 лет.

5. ССЫЛОЧНЫЕ НОРМАТИВНО-ТЕХНИЧЕСКИЕ ДОКУМЕНТЫ

6. ПЕРЕИЗДАНИЕ (май 1988 г. с Изменением № 1, утвержденным в январе 1988 г. (ИУС 4-88).

Снято ограничение срока действия Постановлением Госстандарта СССР от 28.01.88 № 155.

 




Яндекс цитирования



   Copyright © 2007-2026,  www.tehlit.ru.

[ ѓосты, стандарты, нормативы, инструкции, правила, строительные нормы ]