//
ТехЛит.ру
- крупнейшая бесплатная электронная интернет библиотека для "технически умных" людей.
WWW.TEHLIT.RU - ТЕХНИЧЕСКАЯ ЛИТЕРАТУРА

:: Алготрейдинг::


АЛГОТРЕЙДИНГ
шаг за шагом
с нуля по урокам!

Торговые роботы на PYTHON, BackTrader,
Pandas, Pine Script для TradingView. Связка с брокерами, телеграм и легкими приложениями.


Изменение № 2 ГОСТ 24198-80 Кронштейны. Конструкция и основные размеры

Утверждено и введено в действие Постановлением Государственного комитета СССР по управлению качеством продукции и стандартам от 29.11.90 № 2977

Дата введения 01.07.91

Наименование стандарта. Исключить слова: «и основные размеры».

Пункт 1 дополнить абзацем: «Требования настоящего стандарта являются обязательными».

Пункт 2 изложить в новой редакции: «2. Кронштейны должны быть изготовлены двух типов:

1 - для крепления стеклянных трубопроводов;

2 - для крепления стеклянных трубопроводов в теплицах и холодильниках.

Кронштейны типа 1 должны изготовляться 4-х исполнений;

кронштейны типа 2 - 2-х исполнений:

1 - кронштейн ОВН - для крепления стеклянных трубопроводов кровельного обогрева в теплицах;

2 - кронштейны ТХН - для крепления потолочных и пристенных батарей из стеклянных труб холодильников».

Пункт 3 после слава «кронштейнов» дополнить словами: «Типа 1».

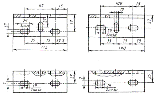
Чертеж 1 дополнить заголовком: «Тип 1»; дополнить чертежом: «Тип 2» (см. с. 64).

Таблица 1. Графа l1. Заметить значение: 610 на 600; пример условного обозначения перед словом «исполнения» дополнить словами: «Тип 1»; заменить обозначения: 1-450 на 1-1-450, 1-450-С на 1-1-450-С; 2-450 на 1-2-450; 2-450-С на 1-2-450-С; 3-450 па 1-3-450; 3-450-С на 1-3-450-С; 4-450 на 1-4-450; 4-450-С на 1-4-450-С.

Стандарт дополнить пунктом - 5а: «5а. Конструкция и основные размеры кронштейнов типа 2 должны соответствовать указанным на черт. 4 и в табл. 3.

Тип 2

Исполнение 1

Исполнение 2

Таблица 3

Размеры и мм

Исполнение

Для трубы Dу

L

L1

l

l1

l2

п

n1

Масса, кг, не более

1

40

115

-

35

22,5

85

-

-

0,46

50

140

-

35,0

110

-

-

0,57

2

-

500

300

45

-

-

6

2

1,87

-

800

600

-

-

10

4

3,00

-

950

300

-

-

6

2

3,55

-

1500

300

-

-

5,60

-

1800

1650

20

-

-

24

11

6,76

-

1850

1650

45

-

-

6,94

-

2300

2100

-

-

30

14

8,60

-

2750

2550

-

-

36

17

10,00

-

2900

2700

-

-

38

18

10,70

-

3200

3000

-

-

42

20

12,00

-

3500

3300

-

-

46

22

13,00

-

3800

3600

-

-

50

24

14,00

-

4100

3900

-

-

54

26

15,20

Пример условного обозначения кронштейна исполнения 1, длиной L = 115 мм:

Кронштейн 1-115 ГОСТ 24198-80

То же, исполнения 2 длиной L = 500 мм:

Кронштейн 2-500 ГОСТ 24198-80

Пункт 6. Заменить ссылку: ГОСТ 380-71 на ГОСТ 380-88.

Стандарт дополнить пунктом - 8: «8. Коды ОКП приведены в приложении».

Приложение. Графа «Условное обозначение кронштейна». Перед обозначением кронштейна проставить обозначение: «1-»; таблицу дополнить обозначениями для типа 2 и кодами ОКП:

Условное обозначение кронштейна

Код ОКП и контрольное число

Условное обозначение кронштейна

Код ОКП и контрольное число

1-115

48 3475 0049 05

2-2300

48 3475 6007 02

1-140

48 3475 0051 00

2-2750

48 3475 6008 01

2-500

48 3475 6001 08

2-2900

48 3475 6009 00

2-800

48 3475 6002 07

2-3200

48 3175 6001 06

2-950

48 3475 6003 06

2-3500

48 3475 6012 05

2-1500

48 3475 6004 05

2-3800

48 3475 6013 04

2-1800

48 3475 6005 04

2-4100

48 3475 6014 03

2-1850

48 3475 6006 03

 

 

(ИУС № 2 1991 г.)




Яндекс цитирования



   Copyright © 2007-2026,  www.tehlit.ru.

[ ѓосты, стандарты, нормативы, инструкции, правила, строительные нормы ]