//
ТехЛит.ру
- крупнейшая бесплатная электронная интернет библиотека для "технически умных" людей.
WWW.TEHLIT.RU - ТЕХНИЧЕСКАЯ ЛИТЕРАТУРА

:: Алготрейдинг::


АЛГОТРЕЙДИНГ
шаг за шагом
с нуля по урокам!

Торговые роботы на PYTHON, BackTrader,
Pandas, Pine Script для TradingView. Связка с брокерами, телеграм и легкими приложениями.


ГОСУДАРСТВЕННЫЙ СТАНДАРТ СОЮЗА ССР

СОЕДИНИТЕЛЬНЫЕ
И КРЕПЕЖНЫЕ ДЕТАЛИ
СТЕКЛЯННЫХ ТРУБОПРОВОДОВ

КРОНШТЕЙНЫ РЕГУЛИРУЕМЫЕ

Конструкция

ГОСТ 24199-80

ГОСУДАРСТВЕННЫЙ КОМИТЕТ СССР ПО СТАНДАРТАМ

Москва

ГОСУДАРСТВЕННЫЙ СТАНДАРТ СОЮЗА ССР

КРОНШТЕЙНЫ РЕГУЛИРУЕМЫЕ

Конструкция

Regulated brackets.
Design and basic dimensions

ГОСТ
24199-80

Дата введения 01.07.81

(Измененная редакция, Изм. № 2).

1. Настоящий стандарт распространяется на регулируемые кронштейны, применяемые для крепления стеклянных трубопроводов.

Требования настоящего стандарта являются обязательными.

(Измененная редакция, Изм. № 2).

2. Конструкция и основные размеры регулируемых кронштейнов должны соответствовать указанным на черт. 1 и в табл. 1.

Исполнение 1

Исполнение 2

1 - стержень; 2 - ползунок; 3 - скоба; 4 - хомут; 5 - хомут с хвостовиком; 6 - прокладка по ГОСТ 24192-80; 7 - болт М6´30.36.016 по ГОСТ 7798-70; 8 - гайка M6.4.0.16 по ГОСТ 5915-70; 9 - шайба 6.36.01 по ГОСТ 11371-78; 10 - болт М8´16.36.016 по ГОСТ 7798-70; 11 - болт M6´25.36.016 по ГОСТ 7798-70

Черт. 1

Таблица 1

Размеры в мм

Для труб

Условный проход Dу

Наружный диаметр трубы Dн

Исполнение 1

Исполнение 2

Аmin

Аmax

Масса, кг, не более

Аmin

Аmax

Масса, кг, не более

L = 350

L = 500

L = 350

L = 500

С буртами

15

-

48

92

-

1,04

44

96

-

1,08

25

-

55

98

-

1,06

51

102

-

1,10

32

-

58

103

-

1,09

54

107

-

1,13

40

-

64

108

-

1,11

60

112

-

1,15

50

-

70

113

-

1,14

66

117

-

1,18

С гладкими концами

40

45

62

119

0,91

1,18

59

122

0,95

1,22

50

67

75

131

0,96

1,23

72

134

1,00

1,27

80

93

89

146

1,26

1,53

86

149

1,34

1,61

100

122

104

161

1,34

1,61

101

164

1,48

1,75

Пример условного обозначения кронштейна исполнения 1 для трубы с буртами Dу = 15 мм:

Кронштейн 15-1 ГОСТ 24199-80

То же, исполнения 2:

Кронштейн 15-2 ГОСТ 24199-80

То же, исполнения 1, для трубы с гладкими концами Dу = 40 мм, длиной L = 350 мм:

Кронштейн 45-350-1 ГОСТ 24199-80

То же, исполнения 2:

Кронштейн 45-350-2 ГОСТ 24199-80

(Измененная редакция, Изм. № 2).

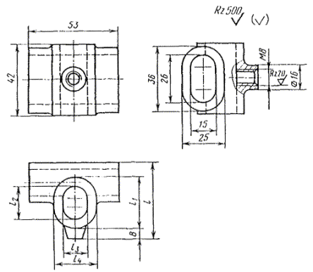
3. Конструкция и основные размеры стержня должны соответствовать указанным на черт. 2 и в табл. 2.

Черт. 2

Таблица 2

l, мм

Масса, кг, не более

350

0,63

500

0,89

(Измененная редакция, Изм. № 2).

Пример условного обозначения стержня длиной l = 350 мм из стали марки Ст3кп:

Стержень 350 ГОСТ 24199-80

То же, из стали марки Ст3сп:

Стержень 350-С ГОСТ 24199-80

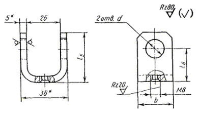
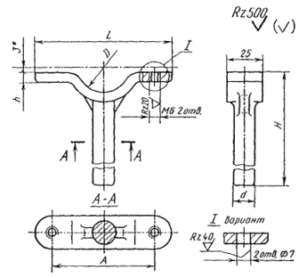
4. Конструкция и основные размеры ползунка и скобы должны соответствовать указанным на черт. 3 и в табл. 3.

Ползунок

Скоба

* Размер для справок.

Черт. 3

Таблица 3

Размеры в мм

Для труб

Условный проход Dу

Наружный диаметр трубы Dн

L

L1

L2

L3

L4

L5

L6

d

b

Масса, кг, не более

ползунка

скобы

С буртами

15

-

45

28

18

15

25

40

26

16

30

0,07

0,11

25

-

32

-

40

-

50

-

С гладкими концами

40

45

50

67

80

93

58

41

31

28

38

5

35

30

45

0,10

0,18

100

122

Пример условного обозначения ползунка для трубы с буртами Dу = 15 мм:

Ползунок 15 ГОСТ 24199-80

То же, скобы Dу = 15 мм:

Скоба 15 ГОСТ 24199-80

То же, для трубы с гладкими концами Dy = 40 мм и Dн = 45 мм:

Ползунок 40-45 ГОСТ 24199-80

То же, скобы Dy = 40 мм и Dн = 45 мм:

Скоба 40-45 ГОСТ 24199-80

(Измененная редакция, Изм. № 2).

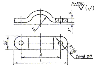
5. Конструкция и основные размеры хомута и хомута с хвостовиком должны соответствовать указанным на черт. 4 и в табл. 4.

Хомут с хвостовиком

Хомут

* Размеры для справок.

Черт. 4

Таблица 4

Размеры в мм

Для труб

Условный диаметр трубы Dу

Наружный диаметр трубы Dн

D

h

L

А

H

d

Масса, кг, не более

хомута

хомута с хвостовиком

С буртами

15

-

28

5

80

60

116

12

0,020

0,050

25

-

40

90

70

122

0,025

0,055

32

-

47

6

100

80

126,5

0,035

0,065

40

-

57

110

90

131,5

0,040

0,070

50

-

67

7

120

100

137,5

0,050

0,080

С гладкими концами

40

45

53

110

85

140,0

0,060

0,100

50

67

75

8

135

110

152,0

0,080

0,110

80

93

100

10

175

150

167,0

25

0,150

0,290

100

122

130

205

180

182,0

0,180

0,320

Пример условного обозначения хомута для труб с буртами Dу = 15 мм:

Хомут 15 ГОСТ 24199-80

То же, хомута с хвостовиком:

Хомут с хвостовиком 15 ГОСТ 24199-80

То же, для труб с гладкими концами Dy = 40 мм и Dн = 45 мм:

Хомут 40-45 ГОСТ 24199-80

То же, хомута с хвостовиком:

Хомут с хвостовиком 40-45 ГОСТ 24199-80

(Измененная редакция, Изм. № 2).

6. Детали кронштейнов должны быть изготовлены:

стержень и скоба - из стали марки Ст3кп или Ст3сп по ГОСТ 380-88;

ползунок, хомут с хвостовиком и хомут - из алюминиевого сплава марки АК7 по ГОСТ 2685-75.

(Измененная редакция, Изм. № 2).

7. Технические требования - по ГОСТ 24201-80.

8. Коды ОКП приведены в приложении.

(Введен дополнительно, Изм. № 2).

ПРИЛОЖЕНИЕ

Справочное

Условное обозначение кронштейна

Код ОКП и контрольное число

45-350-1

48 3475 4001 05

45-350-2

48 3475 4002 04

45-500-1

48 34,75 4003 03

45-500-2

48 3475 4004 02

67-350-1

48 3475 4005 01

67-350-2

48 3475 4006 00

67-500-1

48 3475 4007 02

67-500-2

48 3475 4008 09

93-350-1

48 3475 4009 08

93-350-2

48 3475 4011 03

93-500-1

48 3475 4012 02

93-500-2

48 3475 4013 01

122-350-1

48 3475 4014 00

122-350-2

48 3475 4015 10

122-500-1

48 3475 4016 09

122-500-2

48 3475 4017 08

169-350-1

48 3475 4018 07

169-350-2

48 3475 4019 06

169-500-1

48 3475 4021 01

169-500-2

48 3475 4022 00

15-1

48 3475 4024 09

15-2

48 3475 4025 08

25-1

48 3475 4026 07

25-2

48 3475 4027 06

32-1

48 3475 4028 05

32-2

48 3475 4029 04

40-1

48 3475 4031 04

40-2

48 3475 4032 09

50-1

48 3475 4033 08

50-2

48 3475 4034 07

(Введено дополнительно, Изм. № 1).

(Измененная редакция, Изм. № 2).

ИНФОРМАЦИОННЫЕ ДАННЫЕ

1. РАЗРАБОТАН И ВНЕСЕН Министерством монтажных и специальных строительных работ СССР

ИСПОЛНИТЕЛИ

М.Г. Скакунов, д-р техн. наук; Н.Н. Куликов; Р.И. Шарунова

2. УТВЕРЖДЕН И ВВЕДЕН В ДЕЙСТВИЕ Постановлением Государственного комитета СССР по стандартам от 22.05.80 № 2306

3. ВЗАМЕН ГОСТ 15931-74

4. Срок проверки - I квартал 1990 г.; периодичность проверки - 5 лет.

5. ССЫЛОЧНЫЕ НОРМАТИВНО-ТЕХНИЧЕСКИЕ ДОКУМЕНТЫ

6. ПЕРЕИЗДАНИЕ (май 1988 г.) с Изменением № 1, утвержденным в январе 1988 г. (ИУС 4-88).

Снято ограничение срока действия Постановлением Госстандарта СССР от 28.01.88 № 156




Яндекс цитирования



   Copyright © 2007-2026,  www.tehlit.ru.

[ ѓосты, стандарты, нормативы, инструкции, правила, строительные нормы ]