//
ТехЛит.ру
- крупнейшая бесплатная электронная интернет библиотека для "технически умных" людей.
WWW.TEHLIT.RU - ТЕХНИЧЕСКАЯ ЛИТЕРАТУРА

:: Алготрейдинг::


АЛГОТРЕЙДИНГ
шаг за шагом
с нуля по урокам!

Торговые роботы на PYTHON, BackTrader,
Pandas, Pine Script для TradingView. Связка с брокерами, телеграм и легкими приложениями.


ГОСУДАРСТВЕННЫЕ СТАНДАРТЫ СОЮЗА ССР

СОЕДИНИТЕЛЬНЫЕ
И КРЕПЕЖНЫЕ ДЕТАЛИ
СТЕКЛЯННЫХ ТРУБОПРОВОДОВ

ВОЗДУШНИКИ

КОНСТРУКЦИЯ

ГОСТ 24200-80

ГОСУДАРСТВЕННЫЙ КОМИТЕТ СССР ПО СТАНДАРТАМ

Москва

государственный стандарт союза сср

воздушники

Конструкция

Plug cocks. Design

ГОСТ
24200-80

Дата введения 01.07.81

(Измененная редакция, Изм. № 2).

Несоблюдение стандарта преследуется по закону

1. Настоящий стандарт распространяется на воздушники, применяемые для спуска воздуха из стеклянных трубопроводов.

Требования настоящего стандарта являются обязательными.

(Измененная редакция, Изм. № 2).

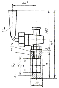
2. Конструкция и основные размеры воздушников должны соответствовать указанным на черт. 1 и в табл. 1.

1 - корпус; 2 - прокладка; 3 - кран Dy 10, исполнение 2 ГОСТ 22595-77

Черт. 1

* Размеры для справок.

Таблица 1

Размеры в мм

Условный проход Dу

Наружный диаметр трубы Dн

D

D1

D2

h

Н

Масса, кг, не более

40

45

37

54

62

65

171

0,76

50

67

57

77

88

90

196

1,12

Пример условного обозначения воздушника для трубы наружным диаметром Dн = 45 мм:

Воздушник 45 ГОСТ 24200-80

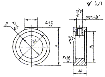
3. Конструкция и основные размеры корпуса должны соответствовать указанным на черт. 2 и в табл. 2.

Черт. 2

Таблица 2

Размеры в мм

Условный проход Dу

Наружный диаметр трубы Dн

D

D1

D2

h

Масса, кг, не более

40

45

37

54

62

65

0,44

50

67

57

77

88

90

0,80

Пример условного обозначения корпуса для трубы наружным диаметром Dн = 45 мм:

Корпус 45 ГОСТ 24200-80

4. Конструкция и основные размеры прокладок должны соответствовать указанным на черт. 3.

Масса 0,002 кг, не более

Черт. 3

Пример условного обозначения прокладки для трубы наружным диаметром Dн = 45 мм:

Прокладка 45 ГОСТ 24200-80

5. Детали воздушника должны быть изготовлены:

корпус - из чугуна марки СЧ 15 по ГОСТ 1412-85,

прокладка - из резины по рабочим чертежам, утвержденным в установленном порядке.

6. Технические требования - по ГОСТ 24201-80.

7. Коды ОКП приведены в приложении.

(Введен дополнительно, Изм. № 2).

ПРИЛОЖЕНИЕ

Справочное

Условное обозначение

Код ОКП и контрольное число

воздушника

прокладки

45

-

48 3474 2201 01

50

-

48 3474 2202 00

-

45

25 3167 0806 01

(Введено дополнительно, Изм. № 1).

ИНФОРМАЦИОННЫЕ ДАННЫЕ

1. РАЗРАБОТАН И ВНЕСЕН Министерством монтажных и специальных строительных работ СССР

ИСПОЛНИТЕЛИ

М.Г. Скакунов, д-р техн. наук; Н.Н. Куликов; Р.И. Шарунова

2. УТВЕРЖДЕН И ВВЕДЕН В ДЕЙСТВИЕ Постановлением Государственного комитета СССР по стандартам от 22.05.80 № 2306

3. ВВЕДЕН ВПЕРВЫЕ

4. Срок проверки - I квартал 1990 г.; периодичность проверки - 5 лет.

5. ССЫЛОЧНЫЕ НОРМАТИВНО-ТЕХНИЧЕСКИЕ ДОКУМЕНТЫ

6. ПЕРЕИЗДАНИЕ (май 1988 г.) с Изменением № 1, утвержденным в январе 1988 г. (ИУС 4-88).

Снято ограничение срока действия Постановлением Госстандарта СССР от 28.01.88 № 156




Яндекс цитирования



   Copyright © 2007-2026,  www.tehlit.ru.

[ ѓосты, стандарты, нормативы, инструкции, правила, строительные нормы ]