//
ТехЛит.ру
- крупнейшая бесплатная электронная интернет библиотека для "технически умных" людей.
WWW.TEHLIT.RU - ТЕХНИЧЕСКАЯ ЛИТЕРАТУРА

:: Алготрейдинг::


АЛГОТРЕЙДИНГ
шаг за шагом
с нуля по урокам!

Торговые роботы на PYTHON, BackTrader,
Pandas, Pine Script для TradingView. Связка с брокерами, телеграм и легкими приложениями.


ГОСУДАРСТВЕННЫЙ СТАНДАРТ СОЮЗА ССР

ИНДИКАТОРЫ ЗНАКОСИНТЕЗИРУЮЩИЕ

МЕТОДЫ ИЗМЕРЕНИЯ ТОКА И НАПРЯЖЕНИЯ

ГОСТ 25024.3-83

ГОСУДАРСТВЕННЫЙ КОМИТЕТ СССР ПО СТАНДАРТАМ

Москва

ГОСУДАРСТВЕННЫЙ СТАНДАРТ СОЮЗА ССР

ИНДИКАТОРЫ ЗНАКОСИНТЕЗИРУЮЩИЕ

ГОСТ
25024.3-83

методы измерения тока и напряжения

Signal produce displays.
Measuring methods of current and voltage

Постановлением Государственного комитета СССР по стандартам от 6 декабря 1983 г. № 5715 срок действия установлен

с 01.01.84

до 01.01.90

Несоблюдение стандарта преследуется по закону

Переиздание. Июль 1984 г.

Настоящий стандарт распространяется на знакосинтезирующие полупроводниковые, электролюминесцентные и жидкокристаллические индикаторы (далее - индикаторы) и устанавливает методы измерения тока и напряжения.

Содержание

1. принцип, условия и режим измерения

2. Измерение тока и напряжения электролюминесцентных индикаторов

3. измерение постоянного прямого напряжения полупроводниковых индикаторов без схем управления

4. измерение тока полупроводниковых индикаторов со схемой управления

5. измерение тока и напряжения жидкокристаллических индикаторов

Приложение справочное метод определения показателей точности измерения тока и напряжения индикатора

1. принцип, условия и режим измерения

1.1. Требования к условиям измерения и аппаратуре - по ГОСТ 25024.0-83 с уточнениями и добавлениями, изложенными в соответствующих разделах настоящего стандарта.

1.2. Измерение тока и напряжения индикатора проводят на всех элементах отображения информации в пределах информационного поля индикатора. Допускается при определенном числе этих элементов проводить измерения последовательно, предварительно разбив информационное поле на участки. При этом число элементов отображения информации, а также число участков информационного поля устанавливается в стандартах и ТУ на индикаторы конкретных типов.

1.3. Оценку показателей точности при измерении тока и напряжения рекомендуется проводить в соответствии с методом, приведенным в справочном приложении.

1.4. Класс точности электроизмерительных приборов в процентах должен быть не хуже:

4,0 - при измерении постоянного тока до 10 мкА включительно и при измерении импульсных напряжений;

1,5 - при измерении постоянного тока свыше 10 мкА, при измерении переменного тока и напряжения.

1.5. Плавность регулировки напряжений должна быть такой, чтобы минимальное изменение напряжения при этом не превышало одного деления шкалы электроизмерительного прибора.

1.6. Точность установления и поддержания частоты источников переменного напряжения должна быть не хуже 2,5%. Источник переменного напряжения должен иметь коэффициент гармоник не более 5%.

1.7. Измерение токов менее 100 мкА допускается проводить с помощью электронных микроамперметров, у которых приведенная погрешность не более ±4% верхнего значения шкалы, или с помощью микроамперметров других систем соответствующей точности.

1.8. Электроизмерительные приборы следует выбирать так, чтобы отсчет измеряемой величины проводился в последней 2/3 части шкалы.

При измерении токов менее 30 мкА допускается проводить отсчет измеряемой величины в последней 4/5 части шкалы.

1.9. При автоматизации процессов измерения требования к аппаратуре могут быть другими, но погрешность измерения не должна превышать указанную в настоящем стандарте.

1.10. Измерение тока всех видов индикаторов, кроме жидкокристаллических, проводят с помощью амперметра.

Измерение тока жидкокристаллических индикаторов проводят, определяя падение напряжения на резисторе, включенном последовательно с индикатором.

При автоматизации процесса измерения тока и напряжения допускается использовать метод компарирования.

2. Измерение тока и напряжения электролюминесцентных индикаторов

2.1. Аппаратура

2.1.1. Требования к аппаратуре - по ГОСТ 25024.0-83.

2.1.2. Измерение тока и напряжения проводят на установке, электрическая схема которой приведена на черт. 1.

2.2. Подготовка и проведение измерений

2.2.1. Подготавливают измерительную установку к работе в соответствии с требованиями эксплуатационной документации.

G - регулируемый источник переменного напряжения; PV - вольтметр переменного напряжения; РА - микроамперметр переменного тока; ИИ - испытуемый индикатор

Черт. 1

2.2.2. От регулируемого источника переменного напряжения подают на индикатор напряжение, установленное в стандартах и ТУ на индикаторы конкретных типов. При этом должно возникнуть стабильное свечение контролируемых элементов отображения информации.

2.2.3. У индикатора в рабочем состоянии с помощью микроамперметра РА измеряют ток, а с помощью вольтметра PV - напряжение.

2.2.4. Измеренные ток и напряжение - есть ток и напряжение индикатора.

2.3. Показатели точности измерений

2.3.1. Погрешность измерения тока индикатора, не превышающего 10 мкА, не должна выходить за пределы ±14% с вероятностью 0,95.

Погрешность измерения тока электролюминесцентного индикатора, превышающего 10 мкА, а также его напряжения не должна выходить за пределы ±5,5% с вероятностью 0,95.

3. измерение постоянного прямого напряжения полупроводниковых индикаторов без схем управления

3.1. Аппаратура

3.1.1. Требования к аппаратуре - по ГОСТ 25024.0-83.

3.1.2. Измерение постоянного прямого напряжения производят на установке, электрическая схема которой приведена на черт. 2.

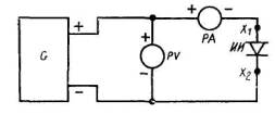
G - источник постоянного (немодулированного или модулированного) тока; РА - измеритель тока; PV - измеритель напряжения; ИИ - испытуемый индикатор; Х1 и X2 - контакты подключения испытуемого индикатора

Черт. 2

3.1.3. Источник постоянного (немодулированного или модулированного) тока G должен обеспечивать протекание через испытуемый индикатор тока с погрешностью, находящейся в пределах ±3%.

При необходимости использования модулированного тока рекомендуется выбирать глубину модуляции равной 100%. При этом частота модуляции должна быть такой, чтобы обеспечивалась возможность измерения статического параметра в квазистатическом режиме.

3.1.4. Измеритель тока РА должен обеспечивать возможность измерения тока с погрешностью, находящейся в пределах ±3%. При соблюдении требований п. 3.1.3 измеритель тока может отсутствовать.

3.1.5. Погрешность измерителя напряжения PV не должна выходить за пределы ±3%.

3.2. Подготовка и проведение измерений

3.2.1. От источника постоянного (немодулированного или модулированного) тока G подают на индикатор напряжение, обеспечивающее в цепи заданный ток.

3.2.2. С помощью измерителя PV измеряют постоянное прямое напряжение индикатора.

3.3. Показатели точности измерений

Погрешность измерения постоянного прямого напряжения не должна выходить за пределы ±5,0% с вероятностью 0,95.

4. измерение тока полупроводниковых индикаторов со схемой управления

4.1. Аппаратура

4.1.1. Требования к аппаратуре - по ГОСТ 25024.0-83.

4.1.2. Измерение тока проводят на установке, электрическая схема которой приведена на черт. 3.

G - источник постоянного (немодулированною или модулированного) напряжения; PV - измеритель напряжения; РА - измеритель тока; ИИ - испытуемый индикатор; Х1 и Х2 - контакты подключения испытуемого индикатора

Черт. 3

4.1.3. Источник постоянного (немодулированного или модулированного) напряжения G должен обеспечивать подачу и поддержание напряжения па испытуемом индикаторе с погрешностью, находящейся в пределах ±3%.

При необходимости использования модулированного напряжения рекомендуется выбирать глубину модуляции равной 100%. При этом частота модуляции должна быть такой, чтобы обеспечивалась возможность измерения статического параметра в квазистатическом режиме.

4.1.4. Измеритель напряжения PV должен обеспечивать возможность измерения напряжения с погрешностью, находящейся в пределах ±3%.

При соблюдении требований п. 4.1.3 измеритель напряжения может отсутствовать.

4.1.5. Погрешность измерителя тока РА не должна выходить за пределы ±3%.

4.2. Подготовка и проведение измерений

4.2.1. От источника постоянного (немодулированного или модулированного) тока G подают на индикатор заданное напряжение, обеспечивающее отображение информации во всем информационном поле. При измерении допускается подавать управляющее напряжение последовательно на часть элементов отображения информации, относящейся к участку информационного поля, а суммарный ток определять расчетным путем в соответствии с настоящим разделом.

4.2.2. С помощью измерителя РА измеряют ток индикатора или части его элементов отображения информации.

4.3. Обработка результатов

4.3.1. Если измерение тока индикатора осуществляют последовательно по участкам информационного поля, то измерение проводят следующим образом:

измеряют ток индикатора одного участка I1 при поданном напряжении на все его элементы отображения информации;

измеряют ток потребления Iп при снятом напряжении со всех элементов отображения информации индикатора;

определяют ток индикатора первого участка информационного поля без схемы управления Iи1 по формуле

Iи1 = I1-Iп,                                                                                        (1)

измеряют ток индикатора следующих участков при поданном напряжении на все его элементы отображения информации;

определяют ток индикатора каждого участка информационного поля без схемы управления Iп по формуле (1);

рассчитывают суммарный ток индикатора по формуле

,                                                                              (2)

где n - число измеренных участков.

4.4. Показатели точности измерений

Погрешность измерения тока не должна выходить за пределы ±5% с вероятностью 0,95.

5. измерение тока и напряжения жидкокристаллических индикаторов

5.1. Аппаратура

5.1.1. Требования к аппаратуре - по ГОСТ 25024.0-83

5.1.2. Измерение тока и напряжения проводят на установке, электрическая схема которой приведена на черт. 4.

G - регулируемый источник переменного напряжения; PV1 - вольтметр переменного напряжения; РV2 - милливольтметр переменного напряжения; ИИ - испытуемый индикатор; R-резистор

Черт. 4

5.1.3. Сопротивление резистора R должно быть таким, чтобы падение напряжения на нем не превышало 1% напряжения регулируемого источника переменного напряжения G.

Допускаемое отклонение сопротивления резистора от номинального значения не должно превышать 0,5%

5.2. Подготовка и проведение измерений

5.2.1. От регулируемого источника переменного напряжения G подают на индикатор напряжение, установленное в стандартах и ТУ на индикаторы конкретных типов. При этом должно возникнуть стабильное отображение информации от контролируемых элементов.

5.2.2. В рабочем состоянии индикатора измеряют падение напряжения на резисторе R с помощью милливольтметра PV2, а также напряжение индикатора с помощью вольтметра PV1.

5.3. Обработка результатов

5.3.1. Ток определяют по формуле

,                                                                                          (3)

где UR - падение напряжения на резисторе, мВ;

R - сопротивление резистора, кОм;

5.4. Показатели точности измерений

5.4.1. Погрешность измерения тока индикатора, не превышающего 10 мкА, не должна выходить за пределы ±14%, с вероятностью 0,95.

5.4:2. Погрешность измерения тока индикатора, превышающего 10 мкА, а также его напряжения не должна выходить за пределы ±5,5% с вероятностью 0,95.

Приложение

справочное

метод определения показателей точности измерения тока и напряжения индикатора

Точность измерения тока и напряжения индикатора оценивается результирующим интервалом погрешности измерения ΔΣ с установленной вероятностью PΣ.В общем случае ΔΣ при задании составляющих погрешности интервалами измерения и оценками среднего квадратического отклонения определяют по формуле

где i - составляющие погрешности измерения, заданные интервалами (i=1, 2, …,l)

j - составляющие погрешности измерения, заданные оценкой среднего квадратического отклонения (j = l+1, l+2,...n);

Δj - интервал i-й составляющей погрешности измерения;

KΣ - коэффициент, зависящий от закона распределения результирующей погрешности;

Kj - коэффициент, зависящий от закона распределения i-й составляющей и вероятности ее нахождения Рi, в интервале Δi;

S - оценка среднего квадратического отклонения j-й составляющей погрешности измерения.

При нормальном законе распределения составляющих погрешности измерения результирующая погрешность также распределена по нормальному закону, а значения KΣ определяют из таблицы

K

1,0

1,64

1,96

2,58

3,0

4,0

P

0,68

0,90

0,95

0,99

0,997

0,9999

При расчетах результирующей погрешности измерения рекомендуется составляющие погрешности, заданные интервалами Δi, выражать через оценки среднего квадратического отклонения S. В этом случае i=1, 2,...n.

Для установления вероятности РΣ = 0,95 результирующая погрешность Δ определяется по формуле

.

В общем случае к числу интервалов i-й составляющей погрешности измерения при определении результирующего интервала погрешности измерения Δ следует относить:

Δ1 - основные погрешности средств измерения (электроизмерительного прибора или радиоизмерительногого устройства);

Δ2 - дополнительные погрешности средств измерения за счет колебаний температуры окружающей среды в процессе измерения, изменения основнойпогрешности в межповерочный период, несинусоидальности измеряемой величины (для средств измерений переменного тока), действия выбросов у импульса (для средств измерений импульсных напряжений) и т.д.

Δ3 - погрешности за счет изменения электрического режима, связанного с погрешностью установления и поддержания этого режима в процессе измерений;

Δ4 - погрешности оператора за счет неточности отсчета значений измеряемых величин по шкале электроизмерительного прибора или индикаторного устройства;

Δ5 - погрешности за счет несовершенства сопротивления изоляции измеряемой цепи, обусловленные токами утечек;

Δ6 - погрешности, обусловленные изменением режима функционирования цепи в результате подключения к ней средств измерения.

Все составляющие погрешности, подлежащие суммированию, должны иметь одинаковые размерности. Это условие всегда выполняется при суммировании относительных погрешностей.

В случае превышения рассчитанного результирующего интервала погрешности измерения тока и напряжения индикатора относительно установленного настоящим стандартом значения проводят уточнение требований к используемым средствам измерения и вспомогательным устройствам схемы, к точности установления и поддержания режимов измерения с учетом практической возможности реализации этих требований.

С целью упрощения расчета при суммировании погрешности составляющими, значение которых не превышает 20% максимального значения среди других составляющих погрешности, рекомендуется пренебрегать.




Яндекс цитирования



   Copyright © 2007-2026,  www.tehlit.ru.

[ ѓосты, стандарты, нормативы, инструкции, правила, строительные нормы ]