|
| |
МЕЖГОСУДАРСТВЕННЫЙ СТАНДАРТ
|
ПЛАСТИНЫ
ТВЕРДОСПЛАВНЫЕ НАПАИВАЕМЫЕ
ТИПА
24
Конструкция
и размеры
Hard metal
brazed tips, type 24. Design and dimensions
|
ГОСТ
25409-90
|
Дата введения 01.07.93
1. Настоящий стандарт распространяется
на пластины для дисковых концевых фрез и торцево-цилиндрических фрез к
агрегатным станкам.
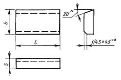
2. Конструкция и размеры пластин
должны соответствовать указанным на чертеже и в табл. 1.

* Размер
для пресс-форм.
Таблица 1
Размеры в
мм
|
Обозначение пластин
|
l
|
b
|
s
|
Основное применение
|
Дополнительное применение
|
Применение по специальному
заказу
|
|
24010
|
6
|
7
|
3,0
|
№
2, № 7, № 10
|
№
8, № 9, № 11
|
№
1, № 3, № 4, № 5, № 13
|
|
24050
|
8
|
№
2, № 7, № 10
|
№
8, № 9, № 11
|
№ 1,
№ 3, № 4, № 5, № 13
|
|
24070
|
10
|
5
|
№
2, № 7, № 10
|
№
8, № 9, № 11
|
№
1, № 3, № 4, № 5, № 13
|
|
24090
|
7
|
№
2, № 7, № 10
|
№
1, № 3, № 8, № 9, № 11
|
№
4, № 5, № 13
|
|
24770
|
12
|
№
2, № 3, № 7, № 10
|
№
1, № 8, № 9, № 11
|
№
4, № 5, № 13
|
|
24130
|
9
|
3,5
|
№
2, № 3, № 7, № 10
|
№
1, № 4, № 5, № 8, № 9, № 11
|
№
13
|
|
24170
|
14
|
№ 2, № 3, № 7, № 10
|
№ 1, № 4, № 5, № 8, № 9, № 11
|
№ 13
|
|
24210
|
16
|
№ 2, № 3, № 4, № 5, № 7, № 10
|
№ 1, № 8, № 9, № 11
|
№ 13
|
|
24250
|
18
|
№ 2, № 3, № 4, № 7, № 10
|
№ 1, № 5, № 8, № 9, № 11
|
№ 13
|
|
24270
|
20
|
10
|
4,0
|
№ 2, № 3, № 4, № 7, № 10
|
№ 1, № 5, № 8, № 9, № 11
|
№ 13
|
|
24290
|
22
|
№ 3, № 4, № 7, № 10
|
№ 2, № 5, № 8, № 9, № 11
|
№ 1, № 13
|
|
24470
|
14
|
№ 3, № 4, № 7, № 10
|
№ 2, № 5, № 8, № 9, № 11
|
№ 1, № 13
|
|
24790
|
25
|
10
|
№ 3, № 4, № 10
|
№ 5, № 7, № 8, № 9, № 11
|
№ 1, № 2, № 13
|
|
24870
|
14
|
№ 3, № 4, № 10
|
№ 5, № 7, № 8, № 9, № 11
|
№ 1, № 2, № 13
|
|
24550
|
28
|
№ 4, № 10
|
№ 3, № 5, № 7, № 8, № 9, № 11, № 13
|
№ 1, № 2
|
|
24570
|
32
|
№ 4, № 10
|
№ 3, № 5, № 7, № 8, № 9, № 11, № 13
|
№ 1, № 2, № 3
|
|
24590
|
36
|
№ 4, № 10
|
№ 5, № 7, № 8, № 9, № 11
|
№ 1, № 2, № 3, № 13
|
|
24650
|
40
|
5,0
|
№ 4, № 10
|
№ 7, № 8, № 9, № 11
|
№ 1, № 2, № 3, № 13
|
|
24850
|
45
|
№ 4, № 10
|
№ 7, № 8, № 9, № 11
|
№ 5, № 13
|
3. Условное
обозначение пластин - по ГОСТ
25393.
4. Ориентировочная масса пластин
указана в приложении.
5. Технические требования - по ГОСТ
2209.
6. Применяемые марки сплавов: № 1
- Т30К4; № 2 - Т15К6; № 3 - Т14К8; № 4 - Т5К10; № 5 - ТТ10К8-Б; № 7 - ВК3,
ВК3-М; № 8 - ВК6-М, ВК6-ОМ; № 9 - ВК6; № 10 - ВК8; № 11 - ВК10-ХОМ; № 13 -
Т8К7.
ПРИЛОЖЕНИЕ
Справочное
Таблица 2
Ориентировочная масса пластин
|
Обозначение пластин
|
Ориентировочная масса
пластин в г из твердого сплава марок
|
|
Т30К4
|
Т15К6
|
Т14К8
|
Т5К10
|
ТТ10К8-Б
|
ВК3-М, ВК3
|
ВК6-ОМ, ВК6-М, ВК6
|
ВК8
|
ВК10-ХОМ
|
Т8К7
|
|
24010
|
1,08
|
1,27
|
1,28
|
1,45
|
1,55
|
1,71
|
1,69
|
1,67
|
1,68
|
1,48
|
|
24050
|
1,46
|
1,71
|
1,73
|
1,95
|
2,09
|
2,31
|
2,27
|
2,24
|
2,26
|
1,99
|
|
24070
|
1,25
|
1,47
|
1,48
|
1,66
|
1,78
|
1,97
|
1,94
|
1,92
|
1,93
|
1,70
|
|
24090
|
1,82
|
2,14
|
2,16
|
2,43
|
2,60
|
2,88
|
2,83
|
2,80
|
2,82
|
2,49
|
|
24770
|
2,19
|
2,57
|
2,59
|
2,92
|
3,13
|
3,46
|
3,40
|
3,36
|
3,38
|
2,99
|
|
24130
|
3,31
|
3,89
|
3,92
|
4,42
|
4,73
|
5,23
|
5,15
|
5,09
|
5,13
|
4,52
|
|
24170
|
3,87
|
4,56
|
4,59
|
5,17
|
5,53
|
6,13
|
6,03
|
5,95
|
5,99
|
5,29
|
|
24210
|
4,40
|
5,20
|
5,20
|
5,90
|
6,31
|
7,00
|
6,85
|
6,80
|
6,85
|
6,04
|
|
24250
|
5,00
|
5,85
|
5,90
|
6,65
|
7,12
|
7,85
|
7,75
|
7,65
|
7,70
|
6,80
|
|
24270
|
7,00
|
8,25
|
8,30
|
9,40
|
10,10
|
11,10
|
11,00
|
10,80
|
10,88
|
9,62
|
|
24290
|
7,70
|
9,10
|
9,15
|
10,30
|
11,00
|
12,20
|
12,00
|
11,90
|
11,98
|
10,50
|
|
24470
|
11,10
|
13,00
|
13,10
|
14,80
|
15,80
|
17,50
|
17,30
|
17,10
|
17,22
|
15,10
|
|
24790
|
8,75
|
10,30
|
10,40
|
11,70
|
12,50
|
13,90
|
13,60
|
13,50
|
13,59
|
12,00
|
|
24870
|
12,60
|
14,80
|
14,90
|
16,80
|
18,00
|
19,90
|
19,60
|
19,40
|
19,54
|
17,20
|
|
24550
|
14,10
|
16,60
|
16,70
|
18,80
|
20,10
|
22,30
|
22,00
|
21,70
|
21,85
|
19,20
|
|
24570
|
16,00
|
18,90
|
19,00
|
21,50
|
23,00
|
25,50
|
25,00
|
24,80
|
24,97
|
22,00
|
|
24590
|
18,10
|
21,50
|
21,40
|
24,20
|
25,90
|
28,70
|
28,20
|
28,00
|
28,20
|
24,80
|
|
24650
|
24,90
|
29,30
|
29,50
|
33,30
|
35,60
|
39,40
|
38,80
|
38,30
|
38,57
|
34,10
|
|
24850
|
28,00
|
33,00
|
33,20
|
37,40
|
40,00
|
44,40
|
43,60
|
43,10
|
43,40
|
38,30
|
ИНФОРМАЦИОННЫЕ ДАННЫЕ
1. РАЗРАБОТАН И ВНЕСЕН
Министерством металлургии СССР
2. УТВЕРЖДЕН И ВВЕДЕН В
ДЕЙСТВИЕ Постановлением Государственного комитета СССР по управлению качеством
продукции и стандартам от 31.10.90 № 2762
3. ВЗАМЕН ГОСТ 25409-82
4.
ССЫЛОЧНЫЕ НОРМАТИВНО-ТЕХНИЧЕСКИЕ ДОКУМЕНТЫ
5. ПЕРЕИЗДАНИЕ 2006
г.
| |
|