//
ТехЛит.ру
- крупнейшая бесплатная электронная интернет библиотека для "технически умных" людей.
WWW.TEHLIT.RU - ТЕХНИЧЕСКАЯ ЛИТЕРАТУРА

:: Алготрейдинг::


АЛГОТРЕЙДИНГ
шаг за шагом
с нуля по урокам!

Торговые роботы на PYTHON, BackTrader,
Pandas, Pine Script для TradingView. Связка с брокерами, телеграм и легкими приложениями.


ГОСУДАРСТВЕННЫЙ СТАНДАРТ СОЮЗА ССР

КРЫШКИ ЛЮКОВ ЦИСТЕРН
ДЛЯ НЕФТЕПРОДУКТОВ

ТИПЫ, ОСНОВНЫЕ ПАРАМЕТРЫ И РАЗМЕРЫ

ГОСТ 25570-82

ГОСУДАРСТВЕННЫЙ КОМИТЕТ СССР ПО СТАНДАРТАМ

Москва

ГОСУДАРСТВЕННЫЙ СТАНДАРТ СОЮЗА ССР

КРЫШКИ ЛЮКОВ ЦИСТЕРН ДЛЯ НЕФТЕПРОДУКТОВ

Типы, основные параметры и размеры

Hatch covers of tanks for petroleum products. Types, main parameters and dimensions

ГОСТ
25570-82

Постановлением Государственного комитета СССР по стандартам от 30 декабря 1982 г. № 5312 срок действия установлен

с 01.01.85

до 01.01.90

Несоблюдение стандарта преследуется по закону

1. Настоящий стандарт распространяется на крышки люков цистерн (далее - крышки) климатических исполнений У, УХЛ и Т категории 1 по ГОСТ 15150-69, с рабочим давлением не более 0,05 МПа, предназначенных для светлых нефтепродуктов и устанавливаемых на автомобильных средствах транспортирования и заправки.

Пояснения терминов, применяемых в стандарте, приведены в справочном приложении 1.

2. Крышки следует изготовлять двух типов:

КО - откидная,

КС - съемная,

и в зависимости от конструкции узла уплотнения четырех исполнений:

1 - с шипом на пристыковочной поверхности (при размещении уплотнительного элемента в пазу люка),

2 - с пазом на пристыковочной поверхности под уплотнительный элемент,

3 - с плоской пристыковочной поверхностью под уплотнительный элемент,

4 - с пристыковочной поверхностью, соответствующей форме уплотнительного элемента.

При выборе конструктивного исполнения крышек следует предпочитать исполнение 1 исполнению 2, исполнение 2 исполнению 3.

3. Крышки следует изготовлять в соответствии с требованиями настоящего стандарта и нормативно-технической документации по рабочим чертежам, утвержденным в установленном порядке.

4. Параметрический ряд Dу откидных крышек всех исполнений - 100, 125, 160, 200, 250, 300, 400 и 500 мм.

Конструкция и основные размеры откидных крышек исполнений 1 - 3 приведены в рекомендуемом приложении 2.

Конструкцию и основные размеры крышек исполнения 4 устанавливают в нормативно-технической документации.

5. Параметрический ряд Dу съемных крышек указан в таблице. Съемные крышки люков исполнений 1 - 3 должны соответствовать указанным на чертеже и в таблице.

При выборе размеров съемных крышек следует предпочитать ряд 1 ряду 2.

Пример условного обозначения откидной крышки исполнения 1 для люка с диаметром условного прохода Dу 100 мм:

Крышка люка КО-1-100 ГОСТ 25570-82

То же, съемной крышки исполнения 1 для люка с диаметром условного прохода Dу 400 мм:

Крышка люка КС-1-400 ГОСТ 25570-82

6. Конструктивный внутренний диаметр люка (размер «в свету») не должен отличаться от номинального более чем на 3 %.

7. Отверстия диаметром d - по ГОСТ 112841-75.

Отверстия под болты или шпильки для удобства монтажа следует располагать симметрично главным осям люка.

8. В конструкции съемной крышки должно быть предусмотрено устройство (ручка, скоба и др.) для ее безопасного подъема и перемещения.

Такие устройства на откидных крышках устанавливают по согласованию с потребителем.

9. Предельные отклонения от номинальных размеров - по ГОСТ 25346-82:

а11 или b12 (допускается h12) - для D4 и D5;

h14 - для D;

Н12 - для D3 и D6;

Н14 - для d и D1.

Смещение осей отверстий от номинального расположения - по ГОСТ 14140-81.

Отклонение от плоскостности пристыковочной поверхности Б крышек - по ГОСТ 24643-81 (при отсутствии особых требований).

Для крышек исполнения 2 допускается отклонение от плоскостности пристыковочной поверхности устанавливать в нормативно-технической документации на крышки.

10. Конструкцией узла уплотнения должна быть обеспечена герметичность крышек при избыточном давлении, при котором цистерну испытывают на прочность.

11. Масса съемной крышки люка-лаза не должна быть более 30 кг, люка со специальным оборудованием, используемого также в качестве лаза, - не более 70 кг.

Примечания:

1. Чертеж не определяет конструкции крышек.

2. Размер D2 и определяемый этим размером элемент конструкции крышки - рекомендуемые.

3. Неуказанные размеры и их предельные отклонения - по рабочим чертежам.

Размеры в мм

Dу

Наружный диаметр крышки D для ряда

D1

D2

D3

D4

D5

D6

n, шт.

Номинальный диаметр болтов или шпилек для ряда

1

2*

1

2

300

380

-

350

335

313

323

310

326

8

М8

М10

350

430

-

400

385

363

375

360

378

8

М8

М10

400

-

470

-

480

-

450

435

413

423

410

426

12

М8

М10

-

496

-

 

530

-

500

485

463

475

460

478

12

М10

М12

450

-

540

-

500

580

-

550

535

513

525

510

528

16

М10

М12

-

585

-

-

596

-

-

600

-

560

640

-

610

595

573

585

570

588

16

М10

М12

-

652

-

-

660

-

600

-

675

-

680

-

650

635

613

625

610

628

16

М10

М12

650

730

-

700

685

663

675

660

678

16

М10

М12

-

740

-

710

790

-

760

745

723

735

720

738

20

М10

М12

775

850

-

820

805

783

795

780

798

20

М10

М12

900

1000

-

970

955

923

937

920

940

24

М10

M12

-

1004

-

950

-

1025

-

1050

-

1020

1005

973

987

970

990

24

М10

М12

1000

-

1080

-

1100

-

1070

1055

1023

1037

1020

1040

24

М10

М12

1120

1220

-

1190

1175

1143

1157

1140

1160

32

М10

М12

1320

1420

-

1390

1375

1343

1357

1340

1360

32

М10

М12

1400

1500

-

1470

1455

1423

1437

1420

1440

36

М10

M12

1450

1550

-

1520

1505

1473

1487

1470

1490

36

М10

М12

1500

1600

-

1570

1555

1523

1537

1520

1540

36

М10

М12

* При новом проектировании крышек не применять.

ПРИЛОЖЕНИЕ 1

Справочное

ПОЯСНЕНИЯ ТЕРМИНОВ, ПРИМЕНЯЕМЫХ В СТАНДАРТЕ

Крышка люка откидная (КО) - крышка люка, устанавливаемая на петлях, поворотном рычаге или другом шарнирном устройстве.

Крышка люка съемная (КС) - крышка люка, которую крепят к люку (фланцу люка) болтами или шпильками и т.п.

Люк цистерны - отверстие в корпусе цистерны, используемое для налива (горловина), в качестве лаза, для размещения в нем или на его крышке специального оборудования цистерны и других целей.

Диаметр условного прохода люка Dу - номинальный внутренний диаметр отверстия люка.

Светлые нефтепродукты - жидкости, получаемые при переработке нефти и нефтепродуктов и используемые в качестве жидкого топлива в системах питания двигателей, в том числе: поршневых двигателей с искровым зажиганием, авиационных газотурбинных двигателей, дизелей и газотурбинных двигателей наземных и морских транспортных средств, а также для коммунально-бытовых (керосин осветительный) и других целей.

ПРИЛОЖЕНИЕ 2

Рекомендуемое

КОНСТРУКЦИЯ И ОСНОВНЫЕ РАЗМЕРЫ ОТКИДНЫХ КРЫШЕК

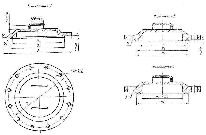
1. Конструкция и основные размеры откидных крышек массивной конструкции (литых, точеных, штампованных, из неметаллических материалов) приведены на черт. 1 и в табл. 1.

Черт. 1

Таблица 1

мм

Dу

D

D1

D2

D3

D4

D5

D6

100

180

150

135

113

123

110

126

125

205

175

160

138

148

135

151

160

240

210

195

173

183

170

186

200

280

250

235

213

223

210

226

250

330

300

285

263

273

260

276

300

380

350

335

313

323

310

326

400

480

450

435

413

423

410

426

500

580

550

535

513

525

510

528

2. Конструкция и основные размеры откидных крышек облегченной конструкции (штампованных из листа толщиной до 5 мм, штампованно-сварных, из неметаллических материалов) приведены на черт. 2 и в табл. 2.

Черт. 2

Черт. 2 (продолжение)

Таблица 2

мм

Dу

D

D1

D2

D3

D5

D6

100

180

150

135

113

108

128

125

205

175

160

138

133

153

160

240

210

195

173

168

188

200

280

250

235

213

208

228

250

330

300

285

263

238

278

300

380

350

335

313

308

328

400

480

450

435

413

410

426

500

580

550

535

513

510

528

 

СОДЕРЖАНИЕ

 

ПРИЛОЖЕНИЕ 1. 3

Справочное. 3

ПОЯСНЕНИЯ ТЕРМИНОВ, ПРИМЕНЯЕМЫХ В СТАНДАРТЕ. 3

ПРИЛОЖЕНИЕ 2. 3

Рекомендуемое. 3

КОНСТРУКЦИЯ И ОСНОВНЫЕ РАЗМЕРЫ ОТКИДНЫХ КРЫШЕК.. 3

 




Яндекс цитирования



   Copyright © 2007-2026,  www.tehlit.ru.

[ ѓосты, стандарты, нормативы, инструкции, правила, строительные нормы ]