//
ТехЛит.ру
- крупнейшая бесплатная электронная интернет библиотека для "технически умных" людей.
WWW.TEHLIT.RU - ТЕХНИЧЕСКАЯ ЛИТЕРАТУРА

:: Алготрейдинг::


АЛГОТРЕЙДИНГ
шаг за шагом
с нуля по урокам!

Торговые роботы на PYTHON, BackTrader,
Pandas, Pine Script для TradingView. Связка с брокерами, телеграм и легкими приложениями.


ГОСУДАРСТВЕННЫЙ СТАНДАРТ СОЮЗА ССР

 

ЗАЩИТА
ОБОРУДОВАНИЯ ПРОВОДНОЙ СВЯЗИ
И ОБСЛУЖИВАЮЩЕГО ПЕРСОНАЛА
ОТ ВЛИЯНИЯ ЭЛЕКТРОМАГНИТНЫХ
ПОЛЕЙ

МЕТОДЫ ИЗМЕРЕНИЯ

ГОСТ 26797-85

(СТ СЭВ 4793-84)

 

 

ГОСУДАРСТВЕННЫЙ КОМИТЕТ СССР ПО СТАНДАРТАМ

Москва

 

ВНЕСЕН Министерством связи СССР

ПОСТАНОВЛЕНИЕМ Государственного комитета СССР по стандартам от 27 декабря 1985 г. № 4719 стандарт Совета Экономической Взаимопомощи СТ СЭВ 4793-84 «Защита оборудования проводной связи и обслуживающего персонала от влияния электромагнитных полей. Методы измерения» введен в действие непосредственно в качестве государственного стандарта СССР

с 01.07.86

 

ГОСУДАРСТВЕННЫЙ СТАНДАРТ СОЮЗА ССР

ЗАЩИТА ОБОРУДОВАНИЯ ПРОВОДНОЙ СВЯЗИ
И ОБСЛУЖИВАЮЩЕГО ПЕРСОНАЛА ОТ ВЛИЯНИЯ
ЭЛЕКТРОМАГНИТНЫХ ПОЛЕЙ

ГОСТ
26797-85

(СТ СЭВ 4793-84)

Методы измерения

Protection of wire communication equipment
and personnel from electromagnetic
fields influence. Measurement
methods

Постановлением Государственного комитета СССР по стандартам от 27 декабря 1985 г. № 4719 срок действия установлен

с 01.07.86
до 01.07.91

1. ТЕРМИНЫ И ОПРЕДЕЛЕНИЯ

Термины и определения - по СТ СЭВ 4267-83.

2. МЕТОДЫ ИЗМЕРЕНИЯ

2.1. Измерение эквивалентного мешающего тока ISS

2.1.1. Общие положения

Подключение к сильноточной установке или к контактной сети электрической железной дороги проводить таким образом, чтобы можно было зарегистрировать воздействие тока влияния.

Измерение следует проводить в течение не менее 24 ч и только в рабочие дни.

2.1.2. Аппаратура

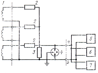
Измерения величины эквивалентного мешающего тока в сооружениях трехфазного переменного тока следует проводить по схеме, приведенной на черт. 1, а в контактном проводе железной дороги постоянного тока - по схеме, приведенной на черт. 2.

Согласующее устройство должно обладать способностью имитации частотной зависимости индуктивной связи между сооружением, оказывающим влияние, и сооружением с резистивно-емкостным звеном, на которое оказывается влияние.

2.1.3. Проведение измерения

2.1.3.1. С помощью согласующего устройства 1 приборы необходимо подключать либо к сооружениям трехфазного переменного тока, либо к сооружениям постоянного тока, используя имеющиеся в сооружениях преобразователи и (или) измерительные сопротивления.

1 - устройство согласования для коэффициента hf, 2 - усилитель;
3 - псофометр; 4 - самопишущий измерительный прибор

Черт. 1

1 - устройство согласования для коэффициента hf , состоящее из одного резистивно-емкостного звена;
2 - усилитель; 3 - псофометр; 4 - самопишущий измерительный прибор, 5 – контактный провод;
6 – вольтметр постоянного тока, градуированный в амперах

Черт. 2

2.1.3.2. Провести настройку согласующего устройства по табл. 1 и снять показания с самопишущего измерительного прибора.

Таблица 1

Тип проводного сооружения связи

Коэффициент частотной зависимости hf

Кабель с коэффициентом защитного действия  на частоте f = 50 Гц

1

Кабель с коэффициентом защитного действия  на частоте f = 50 Гц

Воздушная линия связи

2.1.4. Обработка результатов

2.1.4.1. Эквивалентный мешающий ток (ISS) в амперах следует вычислять по формуле

                                               (1)

где Uизм. - среднее значение напряжения, измеренное в 90 % всех случаев измерений, В;

k - коэффициент деления напряжения согласующего устройства;

m - коэффициент трансформации, в случае необходимости включения преобразователей тока;

R изм - измерительное сопротивление, Ом;

kи - коэффициент усиления входного сигнала усилителем.

2.1.4.2. Диаграмму, полученную на самопишущем измерительном приборе, необходимо анализировать следующим образом:

1) диаграмму разделить на одинаковые интервалы времени, не превышающие 1 мин;

2) отсчитанные значения измерений разделить на 10 групп с градацией d = 0,1-кратному предельному значению наибольшего диапазона измерения. Для каждой группы подсчитывать численность значений hm

Если из полученных значений можно образовать только две группы, обработку результатов следует прекратить и выбрать в качестве эквивалентного мешающего тока или напряжения максимальную величину (100 %-ную).

Если измеренные значения позволяют образовать более двух групп, следует вычислять относительную частоту каждой группы (hr) в процентах по формуле

,                                                                     (2)

где hm - численность значений, попадающих в одну группу;

п - общее количество измеренных значений в группе.

Сложение относительных численностей дает кумулятивную численность hs .За величину эквивалентного мешающего напряжения или тока принимают 1,5-кратное от 90 %-ного значения кумулятивной численности.

При применении счетчика для определения суммарной численности необходимо иметь полученные путем отсчета показаний счетчика численности hm1; hm1 + hm2; hml + hm2 + ... hm10 = hmi. Суммарную численность (hs) в процентах следует определять по формуле

                                                                  (3)

где hmi - абсолютная суммарная численность;

п - общее количество зарегистрированных численностей.

Допускается определять эквивалентный мешающий ток путем пересчета измеренного псофометрического влияющего тока.

2.2. Измерение эквивалентного мешающего напряжения USS

Измерения следует проводить аналогично п. 2.1.

2.3. Измерение гармонических составляющих напряжения в проводе системы трехфазного переменного тока относительно земли

2.3.1. Общие положения

2.3.1.1. При перегрузке приборов током основной частоты необходимо подключить фильтр верхних частот.

2.3.1.2. Допускается на входе измерительных приборов включать делитель напряжения.

2.3.1.3. Подключение отдельных приборов не должно влиять на показания других приборов.

2.3.1.4. При несимметричном входе любого из измерительных приборов следует использовать симметрирующий трансформатор.

2.3.1.5. Приборы должны иметь достаточно высокое входное сопротивление и соответствующую частотную характеристику.

2.3.1.6. Для защиты измерительных приборов допускается использовать разрядник.

2.3.2. Аппаратура

Измерения следует проводить по схеме, приведенной на черт. 3,

1 - трансформатор; 2 - предохранитель; 3-трехэлектродный разрядник защиты от перенапряжений;
4- селективный вольтметр (анализатор гармоник); 5 - вольтметр для измерения эффективных значений;
6 - псофометр

Черт. 3

2.3.3. Проведение измерения

Необходимо провести многократные измерения на частоте каждой гармонической составляющей.

2.3.4. Обработка результатов

По измеренным значениям каждой гармонической составляющей нужно построить график функции распределения. За искомую величину следует принимать величину гармонической составляющей, соответствующую значению 0,9 функции распределения аналогично п. 2.1.4.2.

2.4. Измерение гармонических составляющих тока в одном проводе системы трехфазного переменного тока

2.4.1. Общие положения

Общие положения - по п. 2.3.1.

2.4.2. Аппаратура

Измерения следует проводить по схеме, приведенной на черт. 4.

1 - преобразователь тока; 2 - предохранитель; 3двухэлектродный разрядник с дренажной катушкой; 4 - измерительный резистор; 5 - селективный вольтметр (анализатор гармоник); 6 - вольтметр для измерения эффективных значений; 7 - псофометр

Черт. 4

2.4.3. Проведение измерения

Измерения следует проводить по п. 2.3.3.

2.4.4. Обработка результатов

Обработка результатов - по п. 2.3.4.

2.5. Непосредственное измерение гармонических составляющих тока в нейтрали

2.5.1. Общие положения

Общие положения - по п. 2.3.1.

Непосредственное измерение следует проводить на трансформаторной подстанции.

2.5.2. Аппаратура

Измерение абсолютных значений гармонических составляющих тока в нейтрали необходимо проводить по схеме, приведенной на черт. 5, а измерение относительных значений - по схеме, приведенной на черт. 6.

2.5.3. Проведение измерения

Измерения следует проводить по п. 2.3.3.

2.5.4. Обработка результатов

Обработка результатов - по п. 2.3.4.

1 - преобразователи тока в проводах системы трехфазного переменного тока;
2 -измерительный резистор; 3 - трехэлектродный разрядник; 4 - селективный вольтметр
(анализатор гармоник); 5 - вольтметр для измерения эффективных значений; 6 - псофометр

Черт. 5

1 - преобразователи тока в проводах системы трехфазного переменного тока;
2 - нагрузочные резисторы (дистанционная защита); 3 - измерительный резистор;
4 - трехэлектродный разрядник; 5 - селективный вольтметр (анализатор гармоник);
6 - вольтметр для измерения эффективных значений; 7 - псофометр

Черт. 6

2.6. Измерение продольного напряжения UL

2.6.1. Общие положения

Линия связи должна быть заземлена, а измерения должны проводиться вне области входа и выхода электрического тока из земли.

2.6.2. Аппаратура

2.6.2.1. Измерения следует проводить по схеме, приведенной на черт. 7.

1 - конец, противоположный месту измерения; 2 - линия связи или измерительная цепи;
3 - вольтметр; 4 - самопишущий измерительный прибор

Черт. 7

2.6.2.2. Внутреннее сопротивление вольтметра должно быть 10 кОм·В-1, но не менее чем в пять раз больше, чем входное сопротивление цепи «линия связи - земля».

2.6.3. Проведение измерения

Определение продольного напряжения следует проводить с помощью самопишущих измерительных приборов в течение не менее 24 ч и только в рабочие дни.

2.6.4. Обработка результатов

Ожидаемое значение продольного напряжения следует экстраполировать, исходя из результатов измерений продольных напряжений и токов влияния с учетом:

1) конфигурации источника влияния и сооружения связи, подверженного влиянию;

2) расположения места неисправности;

3) полученных значений токов короткого замыкания.

2.7. Измерение зарядного напряжения Uc

2.7.1. Общие положения

Линия связи должна быть изолирована от земли.

2.7.2. Аппаратура

2.7.2.1. Измерения следует проводить по схеме, приведенной на черт. 8.

2.7.2.2. При применении других измерительных приборов их внутреннее сопротивление должно быть не менее 1 МОм·В-1.

2.7.3. Проведение измерения

Электростатический вольтметр разрешается подключать в любой точке линии связи.

1 - противоположный месту измерения конец линии связи;
2 -  линия связи или измерительная цепь;
3электростатический вольтметр; 4 - земля

Черт. 8.

2.8. Измерение зарядного тока IС

2.8.1. Общие положения

Линия связи должна быть изолирована от земли.

2.8.2. Аппаратура

Измерения следует проводить по схеме, приведенной на черт. 9.

1 - конец линии связи, противоположный месту измерения;
2 - линия связи или измерительная цепь; 3 - амперметр; 4 - земля

Черт. 9

2.8.3. Проведение измерения

Амперметр разрешается подключать в любой точке линии связи.

2.9. Измерение ЭДС шума Еg

2.9.1. Общие положения

Измерения следует проводить не менее 24 ч и только в рабочие дни.

2.9.2. Аппаратура

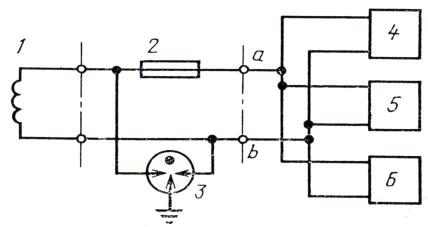
Для измерения следует применять аппаратуру в соответствии со схемой, приведенной на черт. 10 (при нагрузке линии связи непосредственно резистором с сопротивлением 600 Ом или через согласующий трансформатор при волновом сопротивлении, отличном от 600 Ом), либо по схеме, приведенной на черт. 11 (непосредственно на сопротивлении, равном волновому сопротивлению линии связи).

1 - сторона, противоположная месту измерения; 2 - линия связи с волновым сопротивлением Z;
3 - согласующий трансформатор; 4 - сопротивление нагрузки 600 Ом; 5 - псофометр;
6 - самопишущий измерительный прибор

Черт. 10

1 - сторона, противоположная месту измерения; 2 - линия связи с волновым сопротивлением Z;
3 - сопротивление нагрузки
Z; 4 - псофометр; 5 - самопишущий измерительный прибор

Черт. 11

2.9.3. Проведение измерения

Взвешенное эффективное значение напряжения шума необходимо измерять псофометром.

2.9.4. Обработка результатов

2.9.4.1. Псофометрическое напряжение следует определять аналогично п. 2.1.4.2.

2.9.4.2. ЭДС шума (Eg) в вольтах необходимо рассчитывать по формулам:

при измерении по схеме, приведенной на черт. 10,

                                                                   (4)

где Ug - псофометрическое напряжение, В;

при измерении по схеме, приведенной на черт. 11,

                                                         (5)

где Z - волновое сопротивление, Ом.

2.9.4.3. Кривая акустического воздействия в телефонной линии должна соответствовать черт. 12, радиовещательной - черт 13.

Черт. 12

Черт. 13

2.10. Измерение постороннего напряжения

Измерения следует проводить по п. 2.9, а обработку результатов осуществлять с коэффициентами помех gsf = grf=1.

2.11. Измерение коэффициента несимметрии gu

2.11.1. Общие положения

Измерения следует проводить на частотах: 300, 800, 1000. 3400 Гц.

У измеряемых объектов, не имеющих продольно-симметричной структуры, или у которых вход гальванически развязан с выходом, коэффициент несимметрии необходимо измерять с обеих сторон.

2.11.2. Аппаратура

2.11.2.1. Измерения следует проводить по схеме, приведенной на черт. 14.

2.11.2.2. Внутреннее сопротивление вольтметра должно быть более 5Z. Следует применять селективный вольтметр.

1 - генератор с очень малым внутренним сопротивлением; 2 - измеряемый объект;
3 - вольтметр; 4 - выключатель для регистрации продольной несимметрии;
Z - волновое сопротивление измеряемого объекта

Черт. 14

2.11.3. Проведение измерения

При выключенном выключателе следует измерять поперечную несимметрию, а при включенном выключателе - продольную несимметрию, считывая напряжения генератора U1 и вольтметра U2 (В).

2.11.4. Обработка результатов

2.11.4.1. Коэффициент несимметрии (gu) следует вычислять по формуле

                                                                     (6)

2.11.4.2. Затухание несимметрии (аu) в децибелах вычисляют по формуле

                                                             (7)

где U1 - напряжение генератора, В;

U2 - напряжение, считанное с вольтметра, В.

2.12. Измерение электрической проводимости земли s

2.12.1. Общие положения

Цепь питания и измерительную цепь следует проложить прямолинейно и параллельно друг другу, причем измерительная цепь должна находиться в середине линии питания.

Измерения следует проводить на следующих частотах: 80, 120, 170, 220, 370, 420, 500, 720, 800, 1000, 1500, 2200, 3000, 5000, 7000, 10000, 15000, 20000 Гц.

2.12.2. Аппаратура

2.12.2.1. Измерения следует проводить по схеме, приведенной на черт 15

1 - генератор тока; 2 - развернутая линия питания длиной l1; 3 - развернутая измерительная цепь длиной l2;
4 -
селективный вольтметр; А, В - конечные точки цепи питания; С, D - конечные точки измерительной цепи;
а - расстояние между цепью питания и измерительной линией;
l3 - расстояние между A и С или
соответственно между
D и В; 2000 мl13000 м; 20 мl260 м; 50 мa300 м

Черт. 15

2.12.2.2. Генератор тока должен вырабатывать ток не менее 100 мА в диапазоне частот от 80 Гц до 20 кГц.

2.12.3. Проведение измерения

Измерение напряжения следует проводить с помощью селективного вольтметра, изменяя расстояние а в соответствии с черт. 15 от 50 до 300 м.

2.12.4. Обработка результатов

2.12.4.1. Взаимную индуктивность, отнесенную к единице длины, (М'Е) в генри на метр следует вычислять по формуле

                                                    (8)

где U - напряжение, В;

 - угловая частота, с-1;

I - ток генератора, А;

l2 - длина измерительной цепи, м.

2.12.4.2. По вычисленной величине М'Е из графика на черт. 16 необходимо найти аргумент .

2.12.4.3. Электрическую проводимость земли () в сименсах на метр следует вычислять по формуле

,                                                    (9)

где а - расстояние между измерительной цепью и линией питания, м;

 - магнитная постоянная, равная Гн·м-1.

Черт. 16

2.12.4.4. Необходимо построить диаграмму зависимости проводимости земли  от частоты f, причем значения для частот ниже 200 Гц следует экстраполировать ввиду того, что измеренные на этих частотах значения  при данном методе измерений имеют только информационный характер.

2.13. Измерение удельного сопротивления земли r

2.13.1. Общие положения

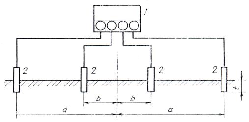
2.13.1.1. Измерение удельного сопротивления земли следует проводить четырехэлектродными методами (на глубине до 1,5 м преимущественно методом Венера, а на больших глубинах - преимущественно методом Шлюмберже).

2.13.1.2. Измерения проводят с помощью стальных круглых стержней (например, диаметром 8 мм, длиной 250 мм), заостренных с одного конца и имеющих гнездо для измерения на другом конце.

2.13.1.3. Измерения должны проводиться при увлажненной вокруг стержней заземления, но незамерзшей земле.

2.13.2. Аппаратура

Измерение следует проводить с помощью:

1) измерителя заземления, работающего на рабочей частоте,

не равной Гц (где п - целое число);

2) измерителя заземления с диапазонами измерения:

от 0 до 1 Ом;

от 0 до 10 Ом;

от 0 до 100 Ом;

от 0 до 1000 Ом.

1 - измеритель сопротивления заземления; 2 - стержни заземления
(измерительные электроды); 0,1 м
t0,15 м; 1,5 мa16 м

Черт. 17

2.13.3. Проведение измерения

Метод Венера

Измерения следует проводить по схеме, приведенной на черт. 17.

Четыре стержня заземления вбивают в землю на глубину от 0,1 до 0,15 м по прямой линии с равномерным расстоянием. При измерениях вблизи подземных металлических сооружений электроды следует располагать в соответствии с черт. 18.

1 - стержни заземления; 2 - металлическое сооружение, проложенное в земле

Черт. 18

Необходимо калибровать измеритель сопротивления заземления перед началом измерений.

Метод Шлюмберже

Измерения следует проводить по схеме, приведенной на черт. 19.

1 - измеритель сопротивления заземления; 2 - стержни заземления (измерительные электроды);
0,1 м
t0,15 м; 1,5 мa20 м; 0,5 мb3 м

Черт. 19

Величины а и b необходимо определять из табл. 2.

При измерениях вблизи подземных металлических сооружений электроды следует располагать в соответствии с черт. 20.

1 - стержни заземления; 2 - металлическое сооружение, проложенное в земле

Черт. 20

Необходимо калибровать измеритель сопротивления заземления перед началом измерений.

2.13.4. Обработка результатов

2.13.4.1. Удельное сопротивление (r) в ом-метрах при измерении по методу Венера следует вычислять по формуле

,                                                               (10)

где а - расстояние между стержнями заземления, м;

 - постоянная величина;

R - измеренное сопротивление, Ом.

2.13.4.2. Удельное сопротивление земли (r) в ом-метрах при измерениях по методу Шлюмберже следует вычислять по формуле

,                                                        (11)

где k - постоянная конфигурации по табл. 2, м;

R - измеренное сопротивление, Ом.

Таблица 2

м

a

1,5

2,0

4,0

6,0

8,0

10,0

15,0

20,0

b

0,5

0,5

1,0

1,0

2,0

2,0

3,0

3,0

k

6,25

12,0

24,0

55,0

47,0

75,0

113

205

2.14. Измерение коэффициента защитного действия

2.14.1. Измерение коэффициента защитного действия кабелей связи в лабораторных условиях - по СТ СЭВ 1101-78.

2.14.2. Измерение коэффициента защитного действия кабелей связи в реальных условиях

2.14.2.1. Измерения кабелей связи, имеющих пластмассовый шланг поверх металлической оболочки и проложенных в земле (при имеющемся влиянии), следует проводить по схеме, приведенной на черт. 21, а при имитированном влиянии - по черт. 22.

2.14.2.2. Следует измерять напряжение U1 при незамкнутом выключателе (8) и напряжение U2 при замкнутом.

2.14.2.3. Коэффициент защитного действия кабеля связи (rm) следует определять по формуле

,                                                         (12)

2.14.3. Измерение коэффициента защитного действия троса заземления линии трехфазного тока

Измерения следует проводить по схеме, приведенной на черт. 23.

С помощью шлейфовых осциллографов следует измерять ток короткого замыкания, проходящий по тросу заземления Ie, и общий ток короткого замыкания Ik.

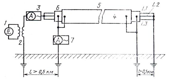
1 - воздушная линия высокого напряжения в сети с глухим заземлением нейтрали; 2 - кабель связи; 3 - броня; 4 - оболочка; 5 - жила; 6 - осциллограф; 7 - место короткого замыкания на землю; 8 - выключатель; L1, L2, L3 - провода системы трехфазного переменного тока; А, В, С, D - кольцевые электроды, припаянные к оболочке и к броне; l1 - участок между питающим трансформатором и измеряемым кабелем; l2 - длина измерительного участка; l3 - участок между местом измерения и местом короткого замыкания на землю

Черт. 21

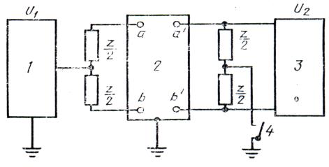
1 - генератор; 2 - согласующий трансформатор; 3 - цепь питания; 4 - кабель связи; 5 - броня; 6-оболочка; 7 - жила; 8 - выключатель; 9 - селективный вольтметр; l1 - длина измерительного участка; l2 - участки между концами измерительного участка и концами искусственной влияющей цепи; А, В, С, D - кольцевые электроды, которые припаяны к оболочке и броне

Черт. 22

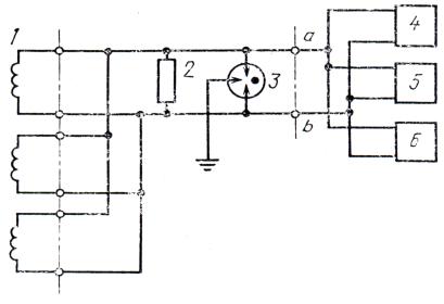
1 - питающая сторона линии трехфазного тока; 2 - преобразователь тока в тросе заземления и в одном проводе системы трехфазного переменного тока; 3 - место короткого замыкания на землю; 4 - шлейфовые осциллографы; 5 - заземляющее устройство; PEN - трос заземления; L1, L2, L3 - провода системы трехфазного переменного тока

Черт. 23

Коэффициент защитного действия троса заземления линии трехфазного тока (rе) следует определять по формуле

,                                                      (13)

2.14.4. Измерение коэффициента защитного действия сильноточного кабеля

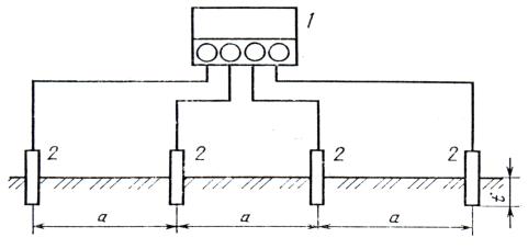
Измерения следует проводить по схеме, приведенной на черт. 24.

1 - генератор; 2 - согласующий трансформатор; 3 - устройство для измерения величины тока в жилах кабеля;
4 - сильноточный кабель; 5 - броня; 6 - оболочка; 7 - устройство для измерения величины тока в оболочке и в броне;
 L1, L2, L3 - жила сильноточного кабеля;
l - расстояние между устройствами заземления

Черт. 24

Следует измерять ток короткого замыкания, проходящий через оболочку кабеля Iр, и ток, проходящий через жилу кабеля Iv.

Коэффициент защитного действия сильноточного кабеля (rs) следует определять по формуле

,                                                     (14)

2.15. Взаимосвязь настоящего стандарта с рекомендациями ОСС и МККТТ приведена в справочном приложении 1.

Сведения о соответствии ссылок на стандарты СЭВ ссылкам на государственные стандарты приведены в обязательном приложении 2.

ПРИЛОЖЕНИЕ 1

Справочное

ВЗАИМОСВЯЗЬ НАСТОЯЩЕГО СТАНДАРТА С РЕКОМЕНДАЦИЯМИ
ОСС И МККТТ

Пункты настоящего стандарта

Рекомендации ОСС и МККТТ

2.1, 2.2

110259-2, ОСС

2.3

110259-3, ОСС

Разд. 2

Рекомендации МККТТ серии К. Желтая книга, том IX, 1980 г.

ПРИЛОЖЕНИЕ 2

Обязательное

Сведения о соответствии ссылок на стандарты СЭВ ссылкам на
государственные стандарты

Раздел, в котором приведена ссылка

Обозначение стандарта СЭВ

Обозначение государственного стандарта

1

СТ СЭВ 4267-83

-

2

СТ СЭВ 1101-78

ГОСТ 10307-72,

ГОСТ 13224-73

 




Яндекс цитирования



   Copyright © 2007-2026,  www.tehlit.ru.

[ ѓосты, стандарты, нормативы, инструкции, правила, строительные нормы ]