//
ТехЛит.ру
- крупнейшая бесплатная электронная интернет библиотека для "технически умных" людей.
WWW.TEHLIT.RU - ТЕХНИЧЕСКАЯ ЛИТЕРАТУРА

:: Алготрейдинг::


АЛГОТРЕЙДИНГ
шаг за шагом
с нуля по урокам!

Торговые роботы на PYTHON, BackTrader,
Pandas, Pine Script для TradingView. Связка с брокерами, телеграм и легкими приложениями.


 

ГОСУДАРСТВЕННЫЙ СТАНДАРТ СОЮЗА ССР

 

СИСТЕМА ПРОЕКТНОЙ ДОКУМЕНТАЦИИ ДЛЯ СТРОИТЕЛЬСТВА

ТЕХНОЛОГИЯ ПРОИЗВОДСТВА

ОСНОВНЫЕ ТРЕБОВАНИЯ К РАБОЧИМ ЧЕРТЕЖАМ

ГОСТ 21.401-88

 

ГОСУДАРСТВЕННЫЙ СТРОИТЕЛЬНЫЙ КОМИТЕТ СССР

Москва

 

 

ГОСУДАРСТВЕННЫЙ СТАНДАРТ СОЮЗА ССР

Система проектной документации для строительства

ТЕХНОЛОГИЯ ПРОИЗВОДСТВА

Основные требования к рабочим чертежам

System of design documents for construction.
Production technology. Main requirements for working drawings

ГОСТ
21.401-88

Дата введения 01.07.88

Настоящий стандарт устанавливает состав и правила оформления рабочих чертежей технологии производства всех отраслей промышленности и народного хозяйства.

1. ОБЩИЕ ПОЛОЖЕНИЯ

1.1. Рабочие чертежи технологии производства выполняют в соответствии с требованиями настоящего стандарта и стандартов системы проектной документации для строительства (СПДС).

1.2. В состав рабочих чертежей технологии производства включают:

рабочие чертежи, предназначенные для монтажа оборудования и технологических трубопроводов (основной комплект рабочих чертежей марки ТХ);

задание на разработку деталировочных чертежей технологических блоков, собираемых организациями, осуществляющими монтаж (далее - задание на разработку технологических блоков);

чертежи специальных технологических трубопроводов;

исходные требования к разработке конструкторской документации по оборудованию индивидуального изготовления, составляемые в соответствии с ГОСТ 15.001-73, если эти требования не разработаны в рабочем проекте (проекте).

1.3. В состав основного комплекта рабочих чертежей марки ТХ включают:

общие данные по рабочим чертежам;

схему соединений (монтажную);

чертежи расположения оборудования и трубопроводов;

ведомость трубопроводов.

К основному комплекту рабочих чертежей марки ТХ составляют:

ведомость потребности в материалах по ГОСТ 21.109-80;

спецификацию оборудования по ГОСТ 21.110-82;

ведомость объемов монтажных работ по ГОСТ 21.111-84.

1.4. Основные комплекты рабочих чертежей выполняют на каждый технологический узел в соответствии с проектом организации строительства с присвоением им обозначений, включающих марку чертежа ТХ и порядковый номер, например, ТХ1, ТХ2 и т. д.

1.5. На схемах и чертежах изображают:

оборудование, трубопроводы и их элементы - в виде упрощенных контурных очертаний в масштабе чертежа или условными графическими изображениями сплошной толстой основной линией. Допускается трубопроводы, диаметр которых в масштабе чертежа превышает 3 мм, изображать двумя линиями;

блоки на планах в виде прямоугольника, на разрезах - по наружному контуру сплошной основной линией;

трассы специальных трубопроводов - сплошной толстой основной линией;

строительные конструкции в виде упрощенных контурных очертаний - сплошной тонкой линией.

Обозначения должны быть одинаковыми во всех текстовых и графических документах основного комплекта.

1.6. Термины, используемые в стандарте, и их пояснения приведены в приложении 1.

2. ОБЩИЕ ДАННЫЕ ПО РАБОЧИМ ЧЕРТЕЖАМ

2.1. В состав общих данных по рабочим чертежам марки ТХ в дополнение к данным, предусмотренным ГОСТ 21.102-79, включают схему расположения технологических узлов.

При наличии ТХ1, ТХ2 и т. д. схему размещают на листах общих данных марки ТХ1.

На схеме указывают:

границы и номера каждого технологического узла;

вводы и выводы основных трубопроводов с обозначением трубопроводов и с привязкой их к координационным осям зданий (сооружений). Допускается для групповых вводов и выводов привязку выполнять только к осям крайних трубопроводов или осям подводящих эстакад.

К схеме приводят ведомость технологических узлов по форме 1, графы которой заполняют в соответствии с их наименованием.

Ведомость технологических узлов

Пример оформления схемы и ведомости приведен в приложении 2.

2.2. В общих указаниях в дополнение к сведениям, предусмотренным ГОСТ 21.102-79, приводят:

характеристику трубопроводов (форма 2);

указания о хранении оборудования и элементов специальных технологических трубопроводов, требующих укрытия;

технические указания, соблюдение которых обязательно при монтаже оборудования.

Характеристика трубопроводов

2.2.1. В форме 2 указывают:

в графе «Обозначения» - обозначение трубопровода по схеме соединений (монтажной), выполняемой в соответствии с разд. 3;

в графе «Наименование транспортируемого продукта» - наименование или номер транспортируемого продукта;

в графе «Категория трубопроводов» - категорию и группу трубопровода в соответствии с действующими нормативными документами;

в графе «Испытание» - вид (прочность, герметичность) и способ (гидравлический, пневматический) испытания;

в графе «Дополнительные указания» - дополнительные указания по испытанию (при испытании на герметичность - время испытания и величину падения давления), требования к внутренней поверхности трубопровода после испытания (продувка, очистка и дополнительная обработка).

Остальные графы заполняют в соответствии с их наименованием.

2.3. В ведомость ссылочных и прилагаемых документов (в раздел «Прилагаемые документы») в дополнение к данным, предусмотренным ГОСТ 21.102-79, записывают задания на разработку технологических блоков, чертежи специальных технологических трубопроводов, исходные требования к разработке конструкторской документации по оборудованию индивидуального изготовления, составляемые в соответствии с ГОСТ 15.001-73.

3. СХЕМА СОЕДИНЕНИЙ (монтажная)

3.1. Схему соединений (монтажную) выполняют в соответствии с требованиями настоящего стандарта, а также ГОСТ 2.701-84.

3.2. На схеме указывают:

оборудование. При трех или более одинаковых машинах или аппаратах с аналогичной обвязкой трубопроводами на схеме указывают только одну машину или аппарат с линиями и обозначением их количества и последовательности соединения;

блоки без указания составных частей и связей между ними;

трубопроводы и их элементы;

позиционное или буквенно-цифровое обозначение оборудования и трубопроводов в соответствии со спецификацией к чертежам расположения оборудования и трубопроводов;

величину условного прохода (Dy) и материал труб (кроме углеродистых сталей);

направление потока продукта;

наименование транспортируемого продукта и его параметра на вводах и выводах трубопроводов;

величину давления, на которую должны быть отрегулированы предохранительные клапаны.

Все буквенно-цифровые обозначения оборудования, трубопроводов и их элементов наносят на полках линии-выноски. Допускается:

обозначения оборудования наносить в контуре упрощенного графического изображения;

обозначения трубопроводов наносить над линиями, либо в разрывах линий трубопроводов.

Пример оформления схемы приведен в приложении 3.

3.3. Схемы допускается выполнять:

на листах чертежа расположения оборудования и трубопроводов;

совмещенными со схемами автоматизации технологических процессов производства;

при сложных трубопроводных системах - раздельно для групп трубопроводов по их назначению;

без перечня элементов к схеме.

4. ЧЕРТЕЖИ РАСПОЛОЖЕНИЯ ОБОРУДОВАНИЯ И ТРУБОПРОВОДОВ

4.1. Чертежи расположения оборудования и трубопроводов (далее - чертежи расположения) выполняют в соответствии со схемой соединения.

4.2. В состав чертежей расположения включают планы, разрезы, сечения, фрагменты планов и разрезов, узлы, достаточные для подготовки и производства монтажных работ.

4.3. Планы и разрезы чертежей расположения выполняют в масштабе 1 : 50, 1 : 100 или 1 : 200, фрагменты планов и разрезов - в масштабе 1 : 50, узлы - в масштабе 1 : 10, 1 : 25.

4.4. На чертежах расположения указывают и обозначают:

оборудование;

блоки;

трубопроводы и их элементы, опоры трубопроводов и опорные конструкции под них;

трассы специальных технологических трубопроводов;

каналы и лотки для прокладки трубопроводов;

места обслуживания оборудования, при необходимости;

координационные оси здания (сооружения) и расстояние между ними;

отметки чистых полов этажей и основных площадок;

позиционное или буквенно-цифровое обозначение оборудования, участков трубопроводов;

места подключения трубопроводов к блокам, машинам и аппаратам, соединения трубопроводов между собой, величину и направление уклонов трубопроводов;

величину предварительного растяжения (сжатия) компенсаторов;

привязку оборудования, трубопроводов и их элементов к координационным осям или к элементам конструкций зданий (сооружений). Допускается взаимная привязка оборудования и трубопроводов;

величину условного прохода (Dy) и материал труб (кроме углеродистых сталей);

направление потока продукта на вводах, выводах и разветвлениях;

допустимые монтажные нагрузки на крановые пути и монорельсы, а также на перекрытия и строительные конструкции, которые могут быть использованы для монтажа оборудования.

4.5. К чертежам расположения выполняют спецификации по форме 1 ГОСТ 21.104-79. В спецификацию включают оборудование и участки трубопроводов. Состав участков трубопроводов указывают в ведомости трубопроводов.

Графу «Масса ед., кг» не заполняют.

Пример оформления чертежа расположения и спецификации к нему приведен в приложении 4.

5. ВЕДОМОСТЬ ТРУБОПРОВОДОВ

5.1. Ведомость трубопроводов выполняют по форме 3.

На каждый участок трубопровода, обозначенный на чертеже расположения номером позиции, в ведомость записывают все элементы трубопроводов, находящиеся в границе участка.

Ведомость трубопроводов

5.2. В ведомости указывают:

в графе «Наименование» - наименование элементов трубопроводов и их обозначение в соответствии с нормативно-технической документацией или указанием номера чертежа элемента трубопровода;

в графе «Всего» - общее количество элементов трубопроводов по всем позициям, указанным в ведомости трубопроводов.

Остальные графы заполняют в соответствии с их наименованием.

Пример оформления ведомости трубопроводов приведен в приложении 5.

5.3. Допускается:

ведомость трубопроводов, составленную на ЭВМ, выполнять по форме машинно-ориентированных документов;

совмещать ведомость трубопроводов и характеристики трубопроводов;

при большом количестве трубопроводов на проектируемом объекте выполнять ведомость трубопроводов в составе рабочей документации в виде отдельного документа (по форме 3 или форме машинно-ориентировочного документа) с присвоением ему самостоятельного обозначения, состоящего из обозначения основного комплекта и (через точку) шифра ВТ.

В этом случае ведомость трубопроводов записывают в раздел «Прилагаемые документы» ведомости ссылочных и прилагаемых документов общих данных соответствующего основного комплекта рабочих чертежей.

6. ЗАДАНИЕ НА РАЗРАБОТКУ ТЕХНОЛОГИЧЕСКОГО БЛОКА

6.1. Задание на разработку/ технологического блока должно содержать чертеж блока и ведомость трубопроводов (разд. 5) в составе блока.

6.2. На чертеже блока приводят и указывают:

схему соединения (монтажную) блока, выполненную в соответствии с требованиями, приведенными в п. 3.2. Наименование транспортируемого продукта и его параметры на вводах и выводах в блок указывают в характеристике трубопроводов. Схему располагают на первом листе чертежа блока;

машины, аппараты, трубопроводы и их элементы, опорные конструкции;

составные части блоков, объединенные в поставочные и монтажные узлы на опорных конструкциях;

планы, разрезы, сечения, необходимые для разработки деталировочных чертежей трубопроводов и опорных конструкций, а также сборки блока;

характеристику трубопроводов по форме 2;

позиционное обозначение составных частей блока;

решения по креплению блока к несущим строительным конструкциям;

размеры, определяющие положение составных частей блока;

особые требования, не приведенные в общих данных основного комплекта рабочих чертежей, в части транспортирования и хранения, изготовления, испытания и монтажа блока, другие необходимые требования;

буквенные обозначения входа и выхода трубопроводов.

Пример оформления чертежа блока приведен в приложении 6.

6.3. На каждый блок составляют спецификацию по форме 1 ГОСТ 21.104-79 с учетом следующих дополнительных требований:

Графу «Масса ед., кг» заполняют для оборудования.

Составные части блока записывают в спецификации в следующем порядке.

1) Документация. В графе «Наименование» указывают наименование документа, а в графе «Обозначение» - его номер.

2) Оборудование. В графе «Наименование» указывают наименование машин или аппарата, а в графе «Обозначение» - нормативно-технический документ или номер чертежа.

3) Опорные конструкции блока. В графе «Наименование» указывают наименование конструкции, а в графе «Обозначение» - номер чертежа или типового проекта.

4) Заимствованные (ранее разработанные) узлы, входящие в состав блока. В графе «Наименование» указывают наименование узла, а в графе «Обозначение» - номер чертежа или типового проекта.

5) Трубопроводы. В графе «Наименование» указывают трубопровод с указанием начальной и конечной точки в границах блока.

Пример оформления спецификации блока приведен в приложении 7.

Пример оформления ведомости трубопроводов на блок приведен в приложении 8.

7. ЧЕРТЕЖИ СПЕЦИАЛЬНЫХ ТЕХНОЛОГИЧЕСКИХ ТРУБОПРОВОДОВ

Специальный технологический трубопровод изображают во фронтальной диметрической проекции по ГОСТ 2.317-69.

На чертеже указывают:

позиции элементов трубопроводов;

размеры, необходимые для сборки трубопровода.

Спецификацию к чертежу специального технологического трубопровода выполняют по форме 1 ГОСТ 21.104-79.

Графу «Масса ед., кг» не заполняют.

Пример оформления чертежа специального технологического трубопровода приведен в приложении 9.

 

ПРИЛОЖЕНИЕ 1

Справочное

 

ТЕРМИНЫ, ИСПОЛЬЗУЕМЫЕ В СТАНДАРТЕ, И ИХ ПОЯСНЕНИЯ

Термин

Пояснение

1. Технологический узел

Конструктивно и технологически обособленная часть объекта строительства, техническая готовность которой позволяет автономно, независимо от готовности объекта в целом, производить пуско-наладочные работы, индивидуальные испытания и комплексное опробывание этой части объекта. Технологические узлы, как правило, выделяют стадии технологического процесса объекта - подготовку сырья, этапы его переработки, выделения конечного продукта, хранение и т. д.

2. Оборудование

Технологические блоки, машины, аппараты, грузоподъемные средства.

3. Технологический блок

Комплекс или сборочная единица* технологического оборудования заданного уровня заводской готовности и производственной технологичности, предназначенные для осуществления основных или вспомогательных технологических процессов. В состав блока включают машины, аппараты, первичные средства контроля и управления, трубопроводы, опорные и обслуживающие конструкции, тепловую изоляцию и химическую защиту. Блоки, как правило, формируют для осуществления теплообменных, массообменных, гидродинамических, химических и биологических процессов. Номенклатура блоков устанавливается ведомственными нормативными документами, согласованными с министерствами, осуществляющими монтажные работы.

4. Технологические трубопроводы

Трубопроводы, предназначенные для транспортирования различных веществ, необходимых для ведения технологического процесса или эксплуатации оборудования.

5. Специальные трубопроводы

Технологические трубопроводы стальные с внутренними покрытиями, стальные, работающие под давлением 10 МПа и более, трубопроводы из неметаллических материалов.

6. Участок трубопровода

Часть технологического трубопровода из одного материала, по которому транспортируют вещество с одним давлением и температурой. При определении участка трубопровода в его границах для одного условного прохода должна быть обеспечена идентичность марок арматуры, фланцев, отводов, тройников и переходов.

7. Элементы трубопровода

Патрубки (трубы), отводы, переходы, тройники, фланцы, компенсаторы, отключающая, регулирующая, предохранительная арматура, опоры, прокладки и крепежные изделия, устройства, устанавливаемые на трубопроводах для контроля и управления, конденсационные и другие детали и устройства

_____________

* Определение комплекса и сборочной единицы - ГОСТ 2.101-68.

 

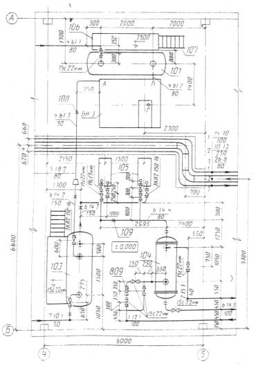
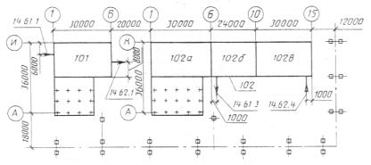
ПРИЛОЖЕНИЕ 2

Справочное

Схема технологических узлов

Черт. 1

Ведомость технологических узлов

Номер узла по схеме

Наименование технологи-ческого узла

Категория производства по взрывной, взрывопожарной и пожарной опасности

Степень огнестой-кости здания

Класс помещения и наружных установок по ПУЭ

Группа процессов по санитарной характеристике

101

Насосная

В

II

II-II

IIIб

 

в т. ч. помещение смазки

А

III

-

II

 

 

 

 

 

 

 

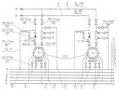
ПРИЛОЖЕНИЕ 3

Справочное

 

Схема соединений (монтажная)

Черт. 2

 

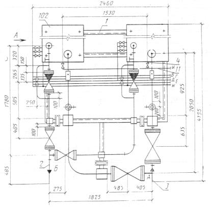
ПРИЛОЖЕНИЕ 4

Справочное

План на отм. 0.000

Черт. 3

Поз.

Обозначение

Наименование

Кол.

Масса, кг

Примеч.

101

ОСТ 26-02-1496-76

Емкость 1-4,0-1200-1,0-1-2-1-0

1

 

 

БН-3

ХХХ-ХХ ТХ.И-БН-3. ВО

Блок нагнетания

1

 

 

103

ОСТ 26-02-1496-76

Емкость 1-6,3-1600-1,0-1-2-1-0

1

 

 

104

НИ 780

Теплообменник

 

 

 

105

ХХХ-ХХ

1200 ИТ-2-16 МЛ25 Г4

1

 

 

 

 

Насос НК 65/35-70 с

2

 

 

 

 

электродвигателем

 

 

 

 

 

ВАО-81-8, N = 40 кВт,

 

 

 

 

 

n = 2950

 

 

 

4.61.1

 

Участок трубопровода

1

 

 

 

 

от границы установки

 

 

 

 

 

до поз. 101

 

 

 

4.61.3

 

Участок трубопровода

1

 

 

 

 

от поз. БН-3 до участка

 

 

 

 

 

трубопровода 5.18.2

 

 

 

7.10.1

 

Участок трубопровода

1

 

 

 

 

от поз. 103 до границы

 

 

 

 

 

установки

 

 

 

6.14.2

 

Участок трубопровода

1

 

 

 

 

от участка трубопровода

 

 

 

 

 

5.18.2 до поз. 103

 

 

 

 

 

 

 

 

 

 

 

 

 

 

 

 

ПРИЛОЖЕНИЕ 5

Справочное


Наименование

Единица изм.

Всего

Кол. на участок трубопровода

4.61.1

4.61.3

6.14.2

7.10.1

 

 

 

 

Труба

ГОСТ 8732-78

 

 

 

 

 

 

 

 

 

 

ВСт20 ГОСТ 8731-74

159´4,5

м

3,0

 

 

3,0

 

 

 

 

 

89´3,5

м

2,0

2,0

 

 

 

 

 

 

 

57´3,5

м

6,75

 

4,25

 

2,5

 

 

 

 

 

 

 

 

 

 

 

 

 

 

 

Отвод 90° ГОСТ 17375-83:

 

 

 

 

 

 

 

 

 

 

159´4,5

шт.

2

 

 

2

 

 

 

 

 

89´3,5

шт.

2

2

 

 

 

 

 

 

 

57´3,5

шт.

5

 

2

 

3

 

 

 

 

 

 

 

 

 

 

 

 

 

 

 

Переход ГОСТ 17378-83

шт.

 

 

 

 

 

 

 

 

 

159´4,5-57´3,0

 

1

 

1

 

 

 

 

 

 

 

 

 

 

 

 

 

 

 

 

 

Задвижка ЗКЛ2-150-16

шт.

1

 

 

1

 

 

 

 

 

Вентиль 15с22нж

шт.

 

 

 

 

 

 

 

 

 

Dy80, Py40

 

1

1

 

 

 

 

 

 

 

Dy50, Py40

 

1

 

 

 

1

 

 

 

 

Опора ГОСТ 14911-81

шт.

 

 

 

 

 

 

 

 

 

ОПП2-100.159

 

1

 

 

1

 

 

 

 

 

ОПП2-100.57

 

2

 

1

 

1

 

 

 

 


 

 

ПРИЛОЖЕНИЕ 6

Справочное

 

Черт. 4

Характеристика трубопроводов

Обозначение

Наименование транспортируемого продукта

Категория трубопровода

Рабочие условия трубопровода

Испытание

Дополнительные указания

Температура, °С

Давление, МПа (кгс/см2)

Вид

Давление, МПа (кгс/см2)

3

Кислота

III

43

1,0 (10)

Прочность

1,3 (13)

 

2

«

III

43

1,4 (14)

«

1,7 (17)

 

17

Охлаждающая жидкость

V

20

0,3 (3)

«

0,5 (5)

 

13

То же

V

20

0,3 (3)

«

0,5 (5)

 

14

Уплотнительная жидкость

V

40

0,6 (6)

«

0,9 (9)

 

15

То же

V

40

0,6 (6)

«

0,9 (9)

 

16

Утечки

V

20

0,1 (1)

«

0,2 (2)

 

11

Дренаж кислоты

III

43

1,0 (10)

«

1,3 (13)

 

 

План на отм. 0.000

Черт. 5

 

Черт. 6

 

ПРИЛОЖЕНИЕ 7

Поз.

Обозначение

Наименование

Кол.

Масса ед., кг

Примеч.

 

ХХХ-ХХ-ТХ1.И-БН.ВО

Блок нагнетания

 

 

 

 

ХХХ-ХХ-ТХ1.И-БН.ВТ

Ведомость трубопроводов

 

 

 

 

 

 

 

 

 

102

ХХХ-ХХ

Насос НК 65/35-70

2

500

 

 

 

с электродвигателем

 

 

 

 

 

ВАО-81-2 N = 40 кВт

 

 

 

 

 

 

 

 

 

1

ХХХ-ХХ-БН 00.001

Конструкция опорная

1

 

 

 

 

 

 

 

 

2

 

Трубопровод от штуцера Б до

1

 

 

 

 

границы блока

 

 

 

3

 

Трубопровод от штуцера А до

1

 

 

 

 

границы блока

 

 

 

4

 

Трубопровод от насоса до

2

 

 

 

 

коллектора И

 

 

 

5

 

Трубопровод от насоса до

2

 

 

 

 

коллектора В

 

 

 

6

 

Трубопровод от насоса до

2

 

 

 

 

коллектора Г

 

 

 

7

 

Трубопровод от насоса до

2

 

 

 

 

коллектора Д

 

 

 

8

 

Трубопровод от насоса до

2

 

 

 

 

коллектора Е

 

 

 

9

 

Трубопровод от насоса до

2

 

 

 

 

коллектора Ж

 

 

 

10

 

Трубопровод от трубопровода

2

 

 

 

 

поз. 2 до коллектора И

 

 

 

 

 

 

 

 

 

 

ПРИЛОЖЕНИЕ 8


Наименование

Единица изм.

Всего

Кол. на участок трубопровода

Поз 2

Поз 3

Поз 4

Поз 10

 

 

 

 

Труба

ГОСТ 8732-78

 

 

 

 

 

 

 

 

 

 

ВСт20 ГОСТ 8731-74

 

 

 

 

 

 

 

 

 

 

 

159´4,5

м

1,9

 

1,9

 

 

 

 

 

 

89´3,5

м

3,5

3,5

 

 

 

 

 

 

 

Труба

ГОСТ 8734-75

 

 

 

 

 

 

 

 

 

 

ВСт20 ГОСТ 8733-74

 

 

 

 

 

 

 

 

 

 

 

25´1,6

м

5,4

 

 

0,9

4,5

 

 

 

 

38´2

 

 

 

 

 

 

 

 

 

 

Отвод 90° ГОСТ 17375-83

 

 

 

 

 

 

 

 

 

 

159´4,5

шт.

3

 

3

 

 

 

 

 

 

89´3,6

шт.

3

3

 

 

 

 

 

 

 

Переход ГОСТ 17378-83

 

 

 

 

 

 

 

 

 

 

159´4,5-108´4

шт.

1

 

1

 

 

 

 

 

 

89´3,5-76´3,5

шт.

2

2

 

 

 

 

 

 

 

Опора ГОСТ 14911-81

 

 

 

 

 

 

 

 

 

 

ОПП 2-150.159

шт. 3

 

3

 

 

 

 

 

 

 

ОПП 2-80-89

шт.

3

3

 

 

 

 

 

 

 

Вентиль 15с27нж1

 

 

 

 

 

 

 

 

 

 

Dy25, Py16

in/

6

2

 

2

2

 

 

 

 

 

 

 

 

 

 

 

 

 

 

 


 

ПРИЛОЖЕНИЕ 9

Справочное

Черт. 7

Спецификация трубопровода

Поз.

Обозначение

Наименование

Кол.

Примеч.

1

ТУ 14-3-425-76

Переход ПВП 80´50

1

 

2

ТУ 14-3-523-76

Труба 6-50 ПВП´1000

2

 

3

ТУ 26-07-123-74

Вентиль диафрагмовый футерованный фланцевый

1

 

 

Каталог ЦКБА, ч. 1, 1981 г.

15ч76п1, Dy 50, Py 0,6 (6)

 

 

4

ТУ 14-3-424-75

Отвод 6 ПВП 50´90°

2

 

5

ТУ 14-3-523-76

Труба 6-50 ПВП´4000

3

 

6

ТУ 14-3-523-76

Труба 6-50 ПВП´2000

1

 

7

ТУ 14-3-424-75

Отвод 6 ПВП 50´45°

2

 

 

ИНФОРМАЦИОННЫЕ ДАННЫЕ

1. РАЗРАБОТАН

Всесоюзным научно-исследовательским институтом по монтажным и специальным строительным работам («ВНИИМмонтажспецстрой»)

Государственным институтом по проектированию технологии монтажа предприятий нефтеперерабатывающей и нефтехимической промышленности («Гипронефтеспецмонтаж») Министерства монтажных и специальных строительных работ СССР

Государственным научно-исследовательским и проектным институтом хлорной промышленности («Госниихлорпроект») Министерства химической промышленности СССР

Государственным ордена Трудового Красного Знамени проектным и научно-исследовательским институтом промышленности синтетического каучука («Гипрокаучук») Министерства нефтеперерабатывающей и нефтехимической промышленности СССР

Проектным институтом № 2

Центральным научно-исследовательским и проектно-экспериментальным институтом по методологии, организации, экономике и автоматизации проектирования л инженерных изысканий («ЦНИИпроект») Государственного строительного комитета СССР

ИСПОЛНИТЕЛИ

В. Я. Эйдельман (руководитель темы); Б. В. Поповский, д-р техн. наук; Р. И. Тавастшерна, канд. техн. наук; А. Л. Прудовая: Л. Г. Коновалова; Е. Ю. Исакова; И. С. Гольденберг, канд. техн. наук; Г. Л. Егиянц; Ж. М. Меблеванный; В. П. Шиловский; Ж. А. Куркина; С. Н. Архаров; Ю. П. Русаков; В. П. Абарыков; Л. А. Кашина

2. ВНЕСЕН Министерством монтажных и специальных строительных работ СССР

3. УТВЕРЖДЕН И ВВЕДЕН В ДЕЙСТВИЕ Постановлением Государственного строительного комитета СССР от 28.12.87 № 308

4. ВВЕДЕН ВПЕРВЫЕ

5. ССЫЛОЧНЫЕ НОРМАТИВНО-ТЕХНИЧЕСКИЕ ДОКУМЕНТЫ

Обозначение НТД, на который дана ссылка

Номер пункта, подпункта

ГОСТ 2.317-69

7

ГОСТ 2.701-84

3.1

ГОСТ 15.001-73

1.2, 2.3

ГОСТ 21.102-79

2.1, 2.2, 2.3

ГОСТ 21.104-79

6.3, 7

ГОСТ 21.109-80

1.3

ГОСТ 21.110-82

1.3

ГОСТ 21.111-84

1.3

 




Яндекс цитирования



   Copyright © 2007-2026,  www.tehlit.ru.

[ ѓосты, стандарты, нормативы, инструкции, правила, строительные нормы ]