//
ТехЛит.ру
- крупнейшая бесплатная электронная интернет библиотека для "технически умных" людей.
WWW.TEHLIT.RU - ТЕХНИЧЕСКАЯ ЛИТЕРАТУРА

:: Алготрейдинг::


АЛГОТРЕЙДИНГ
шаг за шагом
с нуля по урокам!

Торговые роботы на PYTHON, BackTrader,
Pandas, Pine Script для TradingView. Связка с брокерами, телеграм и легкими приложениями.


ГОСУДАРСТВЕННЫЙ СТАНДАРТ СОЮЗА ССР

СИСТЕМА ПРОЕКТНОЙ ДОКУМЕНТАЦИИ ДЛЯ СТРОИТЕЛЬСТВА

ОБОЗНАЧЕНИЯ УСЛОВНЫЕ
ГРАФИЧЕСКИЕ В СХЕМАХ.
ОБОРУДОВАНИЕ ЭНЕРГЕТИЧЕСКОЕ

ГОСТ 21.403-80

 

ГОСУДАРСТВЕННЫЙ КОМИТЕТ СССР ПО ДЕЛАМ СТРОИТЕЛЬСТВА

Москва

 

РАЗРАБОТАН

Министерством энергетики и электрификации СССР

Центральным научно-исследовательским и проектно-экспериментальным институтом автоматизированных систем в строительстве (ЦНИПИАСС) Госстроя СССР

ИСПОЛНИТЕЛИ

Н. Н. Меркни (руководитель темы), 3. М. Федоренчик, Г. В. Зотов, В. Г. Галкин, В. С. Ушаков, Я. Г. Тимофеев

ВНЕСЕН

Министерством энергетики и электрификации СССР

Зам. министра Ф. В. Сапожников

УТВЕРЖДЕН И ВВЕДЕН В ДЕЙСТВИЕ Постановлением Государственного  комитета СССР по делам строительства от 31 октября 1980 г. № 173

 

ГОСУДАРСТВЕННЫЙ СТАНДАРТ СОЮЗА ССР

Система проектной документация для строительства

ОБОЗНАЧЕНИЯ УСЛОВНЫЕ ГРАФИЧЕСКИЕ В СХЕМАХ.
ОБОРУДОВАНИЕ
ЭНЕРГЕТИЧЕСКОЕ

System of design documents for construction.
Graphic symbols in diagrams. Power installations

ГОСТ
21.403-80

Постановлением Государственного комитета СССР по делам строительства от 31 октября 1980 г. № 173 срок введения установлен

с 01.07.1981 г.

Несоблюдение стандарта преследуется по закону

 

1. Настоящий стандарт устанавливает условные графические обозначения энергетического оборудования в теплотехнических схемах энергетических сооружений.

Примечания:

1. Основные патрубки оборудования в таблицах указаны условно без обозначения подводимых и отводимых сред.

2. Размеры условных графических обозначений указаны в миллиметрах.

2. Условные графические обозначения котлов и камер сгорания приведены в табл. 1.

Таблица 1

Наименование

Обозначение

1. Котел, камера сгорания газотурбинной установки (общее обозначение)

1.1. Котел паровой

1.2. Котел водяной (бойлер)

1.3. Камера сгорания газотурбинной установки, например, для производства горячего газа

2. Пароперегреватель

3. Котел с пароперегревателем

4. Котел на твердом топливе с пароперегревателем

5. Котел на газообразном топливе

6. Котел на жидком топливе

7. Котел на горючих отходах

8. Котел с электронагревом

9. Экономайзер

3. Условные графические обозначения реакторов для атомных электростанций и оборудования I контура приведены в табл. 2.

Таблица 2

Наименование

Обозначение

1. Реактор ядерный
(общее обозначение)

Примечания:

1. Ядерное топливо обозначают символом с указанием концентрации в процентах, который помещают слева от обозначения, например, 3 % U235

2. Замедлитель обозначают символом, который помещают справа от обозначения, например, графит

2. Реактор с обозначением числа петель (например, трехпетельный)

3. Реактор с зоной воспроизводства

4. Реактор, охлаждаемый водой под давлением

5. Реактор, охлаждаемый кипящей водой

6. Реактор трехпетельный на природном уране (U238) с тяжелой водой (D20), в качестве замедлителя охлаждаемый газом (СО2)

7. Парогенератор реактора ВВЭР

8. Парогенератор модульный реактора БН

9. Сепаратор реактора РБМК

10. Компенсатор давления теплоносителя ядерного реактора (паровой)

11. Компенсатор давления теплоносителя ядерного реактора (газовый)

12. Гидроемкость

13. Насос ГЦН

14. Барботер

15. Деаэратор I контура

16. Деаэратор II контура

См. п. 19 табл. 3

17. Монжюс

18. Аппарат контактный

19. Спринклер

4. Условные графические обозначения турбин и турбинного оборудования приведены в табл. 3.

Таблица 3

Наименование

Обозначение

1. Турбина (общее обозначение)

2. Турбина паровая. Цилиндр турбины однопоточный

3. Турбина паровая с нерегулируемым отбором пара

4. Турбина паровая с промежуточным перегревом

5. Турбина паровая с одним регулируемым отбором пара

6. Турбина паровая двухпоточная Цилиндр турбины двухпоточный

7. Турбина газовая, например, на горючем газе

8. Турбина воздушная

9. Турбина гидравлическая

10. Конденсатор поверхностный

11. Конденсатор поверхностный двухпоточный

12. Теплообменник смешивающий

13. Подогреватель поверхностный (общее обозначение)

13.1. Подогреватель с поверхностью нагрева для переохлаждения конденсата

13.2 Подогреватель с поверхностью нагрева пароохладителя и переохладителя конденсата

14. Сепаратосборник

15. Испаритель турбоустановки

16. Сепаратор-пароперегреватель промежуточный (СПП) одноступенчатый*

______

* Если сепаратор многоступенчатый, поз. 1 повторяют в зависимости от числа ступеней

17. Колонка разделительная (сепаратор-расширитель)

18. Редукционно-охладительная установка (РОУ)

19. Деаэраторабочее давление деаэратора проставляется в контурах бака)

20. Потребитель тепла

21. Турбонасос

5. Условные графические обозначения оборудования вспомогательных систем приведены в табл. 4.

Таблица 4

Наименование

Обозначение

1. Аппарат направляющий

2. Шибер, плоский затвор (на угольных течках и т. п.)

3. Шибер отсекающий, быстродействующий

4. Затвор секторный

5. Мигалка

6. Клапан перекидной

7. Сетка угольная

8. Лючок смотровой и шуровочный

9. Лаз

10. Клапан взрывной

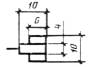
11. Бункер кускового топлива:

1 - бункер, 2 - ленточные конвейеры

12. Бункер пылевидного топлива (длина бункера определяется числом пылепитателей)

13. Питатель ленточный, скребковый, пластинчатый

14. Питатель дисковый

15. Питатель винтовой (шнек)

16. Питатель лопастной

17. Питатель барабанный, барабанно-скребковый

18. Весы автоматические

19. Питатель ленточный с автоматическими весами

20. Мельница шаровая барабанная

21. Мельница молотковая с аксиальным подводом воздуха

22. Мельница молотковая с тангенциальным подводом воздуха

23. Мельница валковая среднеходная

24. Мельница роликовая среднеходная

25. Мельница шаровая среднеходная

26. Сепаратор механический

27. Сепаратор центробежный

28. Мельница-вентилятор с сепаратором

29. Сепаратор инерционный

30. Циклон

31. Циклон батарейный

32. Фильтр матерчатый

33. Коробка воздухораспределительная для одного вентилятора

34. Коробка воздухораспределительная для двух вентиляторов с переключающими шиберами

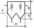
35. труба-сушилка:

1 - труба; 2 - колчеданный мешок

36. Электрофильтр двухпольный*

_______

* Если электрофильтр многопольный, поз. 1 повторяют в зависимости от числа электростатических полей.

37. Золоуловитель жалюзийный

38. Золоуловитель мокрый

39. Вентилятор (дымосос):

одностороннего всасывания

двухстороннего всасывания

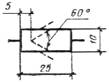
40. Горелка угловая, щелевая

41. Вентилятор-дымосос осевой

42. Горелка тангенциальная (поворот улиток в соответствии с истинным положением)

43. Горелка муфельная

44. Сопло сброса

45. Делитель пыли

46. Делитель пыли круглый

47. Заслонка перекидная

48. Форсунка мазутная

49. Насос осевой

50. Насос диагональный

51. Пневмовинтовой насос

52. Багерный насос

По ГОСТ 2.782-68

53. Камерный насос

54. Пневмослоевой затвор-переключатель

55. Пневмослоевой затвор

56. Пневмотранспортный желоб

57. Регулятор расхода воздуха

58. Пылезолоконцентратор с двумя отводами

59. Пылезолоконцентратор с тремя отводами

60. Золосмывной аппарат с переливом

61. Шнековый шлакоудалитель

62. Скребковый шлакоудалитель

63. Металлоуловитель

64. Шлакодробилка

65. Эрлифт

66. Сгуститель пульпы

67. Классификатор пульпы

68. Адсорбер

69. Нестационарная маслоочистительная машина

70. Фильтр-пресс

По ГОСТ 2.780-68

71. Силикагелевый фильтр

72. Масляный бак

73. Железнодорожная цистерна

6. Условные графические обозначении оборудования водоподготовки приведены в табл. 5.

Таблица 5

Наименование

Обозначение

1. Ловушка для фильтра

2. Электродиализный аппарат

3. Аппарат обратного осмоса

4. Растворитель (солерастворитель и др.).

5. Смеситель

6. Дозатор-вытеснитель:

 

известковый

для прямоточных схем

7. Бак-вытеснитель

8. Бак мокрого хранения соли

9. Удалитель углекислоты (декарбонизатор)

10. Смеситель воздуха

11. Мерник, мешалка гидравлическая

12. Мешалка с механическим перемешиванием

13. Нейтрализатор с коническим днищем

13.1. Нейтрализатор с плоским днищем

14. Осветлитель

15. Фильтр электромагнитный для обезжелезивания конденсата

16. Фильтр:

 

однокамерный

двухкамерный

трехкамерный

Условные обозначения:

механический - М

натрий-катионитовый - Nа

водородно-катионитовый - Н

анионитовый - А

обезжелезивания - Fе

смешанного действия  ФСД

намывной ионитный фильтр  НИФ

ионообменный параллельноточный - ФИП

осветлительный вертикальный - ФОВ

сорбционный угольный - ФСУ

 

Примечание. В верхней части условного обозначения фильтра после буквенного обозначения римской цифрой указывается ступень.

 

ПРИЛОЖЕНИЕ

Справочное

ПЕРЕЧЕНЬ СТАНДАРТОВ НА УСЛОВНЫЕ ОБОЗНАЧЕНИЯ, ПОДЛЕЖАЩИХ УЧЕТУ ПРИ ВЫПОЛНЕНИИ СХЕМ ЭНЕРГЕТИЧЕСКОГО ОБОРУДОВАНИЯ

 

ГОСТ 2.722-68          Обозначения условные графические в схемах. Машины электрические

ГОСТ 2.780-68          Обозначения условные графические. Элементы гидравлических и пневматических сетей

ГОСТ 2.782-68          Обозначения условные графические. Насосы и двигатели гидравлические и пневматические

ГОСТ 2.745-68          Обозначения условные графические в схемах. Элекронагреватели, устройства и установки электротермические

 

 




Яндекс цитирования



   Copyright © 2007-2026,  www.tehlit.ru.

[ ѓосты, стандарты, нормативы, инструкции, правила, строительные нормы ]