//
ТехЛит.ру
- крупнейшая бесплатная электронная интернет библиотека для "технически умных" людей.
WWW.TEHLIT.RU - ТЕХНИЧЕСКАЯ ЛИТЕРАТУРА

:: Алготрейдинг::


АЛГОТРЕЙДИНГ
шаг за шагом
с нуля по урокам!

Торговые роботы на PYTHON, BackTrader,
Pandas, Pine Script для TradingView. Связка с брокерами, телеграм и легкими приложениями.


ГОСТ 21.606-95

МЕЖГОСУДАРСТВЕННЫЙ СТАНДАРТ

СИСТЕМА ПРОЕКТНОЙ ДОКУМЕНТАЦИИ ДЛЯ СТРОИТЕЛЬСТВА

ПРАВИЛА ВЫПОЛНЕНИЯ РАБОЧЕЙ ДОКУМЕНТАЦИИ ТЕПЛОМЕХАНИЧЕСКИХ РЕШЕНИЙ КОТЕЛЬНЫХ

 

МЕЖГОСУДАРСТВЕННАЯ НАУЧНО-ТЕХНИЧЕСКАЯ КОМИССИЯ
ПО СТАНДАРТИЗАЦИИ И ТЕХНИЧЕСКОМУ НОРМИРОВАНИЮ
В СТРОИТЕЛЬСТВЕ (МНТКС)

Москва

 

Предисловие

1 РАЗРАБОТАН Государственным проектным, конструкторским и научно-исследовательским институтом СантехНИИпроект и Государственным предприятием - Центром методологии, нормирования и стандартизации в строительстве (ГП ЦНС)

ВНЕСЕН Минстроем России

2 ПРИНЯТ Межгосударственной научно-технической комиссией по стандартизации и техническому нормированию в строительстве 19 апреля 1995 г.

За принятие стандарта проголосовали

Наименование государства

Наименование органа государственного управления строительством

Республика Армения

Госупрархитектуры Республики Армения

Республика Казахстан

Минстрой Республики Казахстан

Кыргызская Республика

Госстрой Кыргызской Республики

Республика Молдова

Минархстрой Республики Молдова

Российская Федерация

Минстрой России

Республика Таджикистан

Госстрой Республики Таджикистан

Республика Узбекистан

Госкомархитектстрой Республики Узбекистан

Украина

Госстрой Украины

3 ВВЕДЕН В ДЕЙСТВИЕ с 1 сентября 1995 г. в качестве государственного стандарта Российской Федерации постановлением Минстроя России от 5 июня 1995 г. № 18-54

4 ВВЕДЕН ВПЕРВЫЕ

 

Содержание

1 Область применения

2 Нормативные ссылки

3 Общие положения

4 Общие данные по рабочим чертежам

5 Чертежи расположения оборудования

6 Схема тепловая

7 Чертежи расположения трубопроводов

8 Чертежи тепломеханических установок

9 Эскизные чертежи общих видов нетиповых изделий

10 Спецификация оборудования, изделий и материалов

11 Опросные листы и габаритные чертежи

Приложение А

Примеры выполнения плана и разреза чертежей расположения оборудования

Приложение Б

Пример выполнения схемы

Приложение В

Примеры выполнения плана и разреза чертежей расположения трубопроводов

Приложение Г

Примеры выполнения плана, разреза и схемы чертежей установок

 

 

МЕЖГОСУДАРСТВЕННЫЙ СТАНДАРТ

Система проектной документации для строительства

ПРАВИЛА ВЫПОЛНЕНИЯ РАБОЧЕЙ ДОКУМЕНТАЦИИ
ТЕПЛОМЕХАНИЧЕСКИХ
РЕШЕНИЙ КОТЕЛЬНЫХ

System of design documents for construction.
Rules for execution of working documentation of
heatmechancal, solutions of boiler rooms

Дата введения 1995-09-01

1 ОБЛАСТЬ ПРИМЕНЕНИЯ

Настоящий стандарт устанавливает состав и правила оформления рабочей документации тепломеханических решений отопительных, отопительно-производственных и производственных котельных.

2 НОРМАТИВНЫЕ ССЫЛКИ

В настоящем стандарте использованы ссылки на следующие стандарты:

ГОСТ 21.101-93 СПДС. Основные требования к рабочей документации

ГОСТ 21.110-95 СПДС. Правила выполнения спецификации оборудования, изделий и материалов

ГОСТ 21.114-95 СПДС. Правила выполнения эскизных чертежей общих видов нетиповых изделий

ГОСТ 21.205-93 СПДС. Условные обозначения элементов санитарно-технических систем

ГОСТ 21.405-93 СПДС. Правила выполнения рабочей документации тепловой изоляции оборудования и трубопроводов

ГОСТ 21.501-93 СПДС. Правила выполнения архитектурно-строительных рабочих чертежей

3 ОБЩИЕ ПОЛОЖЕНИЯ

3.1 Рабочую документацию тепломеханических решений котельных выполняют в соответствии с требованиями настоящего стандарта и других стандартов Системы проектной документации для строительства (СПДС).

3.2 В состав рабочей документации тепломеханических решений котельных включают:

- рабочие чертежи, предназначенные для производства строительно-монтажных работ (основной комплект рабочих чертежей марки 'I'M);

- эскизные чертежи, общих видов нетиповых изделий, конструкций, устройств, монтажных блоков (далее - эскизные чертежи общих видов нетиповых изделий) по ГОСТ 21.114;

- спецификацию оборудования, изделий и материален по ГОСТ 21.110;

- опросные листы и габаритные чертежи.*

___________

* Выполняют при необходимости

3.3 В состав основного комплекта рабочих чертежей марки ТМ включают:

- общие данные по рабочим чертежам;

- чертежи (планы и разрезы) расположения оборудования;

- схему тепловую;

- чертежи (планы и разрезы) расположения трубопроводов;

- чертежи (планы, разрезы и схемы) тепломеханических установок.

3.4 Для трубопроводов принимают буквенно-цифровые обозначения по ГОСТ 21.205, а также приведенные в таблице 1.

Таблица 1

Наименование

Буквенно-цифровое обозначение

1 Трубопровод питательной воды

Т91

2 Трубопровод непрерывной продукции

Т92

3 Трубопровод периодической продукции

Т93

4 Трубопровод подпиточной воды

Т94

5 Трубопровод дренажный напорный

Т95

6 Трубопровод дренажный безнапорный

Т96

7 Трубопровод атмосферный

Т97

8 Трубопровод паровоздушной смеси

Т98

Примечание - При наличии в чертежах нескольких одноименных (одного вида) трубопроводов, каждый из которых требуется выделить, им присваивают обозначения, состоящие из буквенно-цифрового обозначения, приведенного в таблице, с добавлением порядкового номера трубопровода, отделяя их точкой.

ПРИМЕР - Т91.1; Т91.2

 

3.5 Обозначение диаметра трубопровода наносят на полке линии-выноски в соответствии с рисунком 1а.

В том случае, когда на полке линии-выноски наносят буквенно-цифровое обозначение трубопровода, диаметр трубопровода указывают под полкой линии-выноски в соответствии с рисунком 1б.

Обозначение диаметра трубопровода на схемах допускается указывать непосредственно над изображением трубопровода в соответствии с рисунком 1в.

3.6 Тепломеханическое оборудование, установки (блоки), воздуховоды и газоходы обозначают маркой "К" с добавлением порядкового номера в пределах марки.

ПРИМЕР - К1; К2; К2.1; К2.2; К2.3

3.7 Рекомендуемые масштабы изображений на чертежах приведены в таблице 2.

Таблица 2

Наименование изображения

Масштаб

1 Планы и разрезы чертежей расположения оборудования и трубопроводов

1:50; 1:100; 1:200

2 Планы и разрезы чертежей установок

1:20; 1:50; 1:100

3 Схемы в аксонометрической проекции

1:50; 1:100; 1:200

4 Фрагменты планов и разрезов чертежей расположения оборудования и трубопроводов

1:20; 1:50; 1:100

5 Узлы

1:10; 1:20; 1:50

6 Узлы при детальном изображении

1:2; 1:5

7 Эскизные чертежи общих видов нетиповых изделий

1:5; 1:10; 1:20; 1:50

4 ОБЩИЕ ДАННЫЕ ПО РАБОЧИМ ЧЕРТЕЖАМ

4.1 В состав общих данных по рабочим чертежам марки ТМ в дополнение к данным, предусмотренным ГОСТ 21.101, включают:

- основные показатели по рабочим чертежам марки ТМ - в таблице по форме 1. Допускается, при необходимости, предусматривать в таблице дополнительные графы;

- ведомость техномонтажную - по форме 1 ГОСТ 21.405.

Ведомость спецификаций, предусмотренную ГОСТ 21.101, в составе общих данных по рабочим чертежам марки ТМ не выполняют.

4.2 В общих указаниях, которые входят в состав общих данных по рабочим чертежам марки ТМ, в дополнение к сведениям, предусмотренным ГОСТ 21.101, приводят:

- характеристики установок (блоков);

- расчетные параметры наружною воздуха;

- данные о транспортируемой среде (наименование, расход, параметры);

- вид топлива;

- требования к изготовлению, монтажу, испытанию, антикоррозионной защите и тепловой изоляции трубопроводов, воздуховодов и газоходов;

- особые требования к установкам (взрывобезопасность, кислотостойкость и др.).

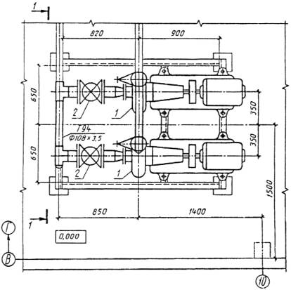
5 ЧЕРТЕЖИ РАСПОЛОЖЕНИЯ ОБОРУДОВАНИЯ

5.1 На планах и разрезах чертежей расположения оборудования наносят и указывают:

- координационные оси здания (сооружения) и расстояния между ними;

- строительные конструкции;

- отметки чистых полов этажей и основных площадок;

- размерные привязки оборудования, установок (блоков) к координационным осям или элементам конструкций здания (сооружения);

- позиционные обозначения (марки) оборудования, установок (блоков), воздуховодов (газоходов) на полке линии-выноски.

На планах, кроме, того, указывают наименования помещений и категории помещений по взрывопожарной и пожарной опасности (в прямоугольнике размером 5´8 мм), а на разрезах - отметки уровней основных элементов оборудования, установок (блоков). Допускается наименования помещений и категории помещений по взрывопожарной и пожарной опасности приводить в экспликации помещений по форме 2 ГОСТ 21.501.

Примеры выполнения плана и разреза чертежей расположения оборудования приведены и приложении А.

5.2 При сложном многоярусном расположении элементов оборудования, установок (блоков), воздуховодов (газоходов) в одном этаже выполняют планы на различных уровнях в пределах этажа.

5.3 На планах, разрезах и их фрагментах оборудование, установки (блоки), воздуховоды (газоходы) изображают упрощенно толстой основной линией.

Строительные конструкции на планах, разрезах и их фрагментах изображают тонкой линией.

5.4 В чертежах тепломеханических решений котельных наименования планов, разрезов и их фрагментов выполняют по правилам, предусмотренным ГОСТ 21.101.

При наличии двух и более планов на разных уровнях в пределах этажа в наименованиях планов указывают обозначение плоскости горизонтального разреза.

ПРИМЕР - План 3-3

При выполнении части плана в наименовании указывают оси, ограничивающие эту часть плана.

ПРИМЕР - План на отм. 0,000 между осями 1-8 и А-Д

5.5 Наименования планов и разрезов чертежей расположения оборудования в основной надписи указывают полностью.

ПРИМЕР - Расположение оборудования. План на отм. 0,000. Разрез 1-1

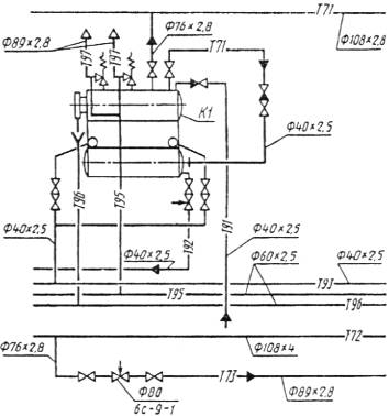
6 СХЕМА ТЕПЛОВАЯ

6.1 Тепловую схему (далее - схема) выполняют без соблюдения масштаба, действительное пространственное расположение оборудования и трубопроводов учитывают приближенно.

6.2 Оборудование, трубопроводы, арматуру и другие устройства на схеме указывают условными графическими обозначениями. При необходимости, оборудование на схеме изображают упрощенными внешними очертаниями.

6.3 Проектируемые трубопроводы, арматуру и другие устройства на схеме изображают сплошной толстой основной линией.

Оборудование, а также трубопроводы, арматуру и другие устройства, поставляемые комплектно с оборудованием или существующие, изображают сплошной тонкой линией.

6.4 На схеме наносят и указывают:

- оборудование, трубопроводы, арматуру и другие устройства;

- буквенно-цифровые обозначения трубопроводов, как правило, в разрывах линий трубопроводов;

- диаметры трубопроводов;

- позиционные обозначения (марки) оборудования;

- диаметры и тип специальной арматуры, при необходимости (стальной, с электроприводом и др.);

- направление потока транспортируемой среды. Допускается указывать на схеме границу проектирования (поставки).

Пример выполнения схемы приведен в приложении Б.

6.5 На листе, где изображена схема, приводят, при необходимости, узлы схемы и текстовые пояснения.

6.6 Схему допускается выполнять в аксонометрической фронтальной изометрической проекции.

При большой протяженности и/или сложном расположении трубопроводов допускается изображать их с разрывом в виде пунктирной линии. Места разрывов трубопроводов обозначают строчными буквами.

На схеме, выполненной в аксонометрической проекции, в дополнение к сведениям, предусмотренным 6.4, указывают:

- отметки уровня осей трубопроводов;

- уклоны трубопроводов;

- размеры горизонтальных участков трубопроводов (при наличии разрывов).

6.7 В основной надписи наименование схемы указывают полностью.

ПРИМЕР - Схема тепловая

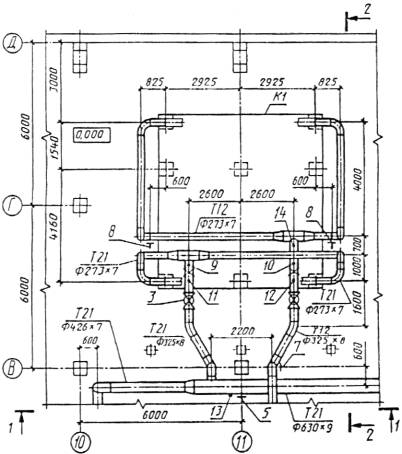
7 ЧЕРТЕЖИ РАСПОЛОЖЕНИЯ ТРУБОПРОВОДОВ

7.1 На планах и разрезах чертежей расположения трубопроводов наносят и указывают:

- координационные оси здания (сооружения) и расстояния между ними;

- оборудование, установки (блоки);

- строительные конструкции;

- отметки чистых полов этажей и основных площадок;

- размерные привязки оборудования, установок (блоков), трубопроводов, опор (креплений) и компенсаторов к координационным осям или элементам конструкций здания (сооружения);

- позиционные обозначения (марки) оборудования, установок (блоков);

- позиционные обозначения арматуры, закладных конструкций, опор (креплений) трубопроводов и других устройств;

- буквенно-цифровые обозначения трубопроводов;

- диаметры трубопроводов;

- обозначение уклона трубопровода;

- длину прямого участка трубопровода при наличии сужающего устройства.

На разрезах, кроме того, указывают отметки уровней осей трубопроводов.

Примеры выполнения плана и разреза чертежей расположения трубопроводов приведены в приложении В.

7.2 При сложном многоярусном расположении трубопроводов в одном этаже выполняют планы на различных уровнях в пределах этажа.

7.3 На планах, разрезах и их фрагментах трубопроводы, арматуру и другие устройства изображают толстой основной линией, оборудование, установки (блоки) и строительные конструкции - тонкой линией.

7.4 Трубопроводы, арматуру и другие устройства на планах, разрезах и их фрагментах изображают упрощенно или условными графическими обозначениями в зависимости от масштаба чертежа и диаметра трубопровода.

Трубопроводы, у которых на чертеже диаметры равны 2 мм и более, изображают упрощенно двумя линиями.

При выполнении трубопровода упрощенно двумя линиями арматуру и другие устройства изображают также упрощенно с учетом их габаритных размеров.

Опоры (крепления) трубопровода, как правило, на планах и разрезах указывают условными графическими обозначениями.

Закладные конструкции на трубопроводах указывают точками диаметром 2 мм.

7.5 Чертежи (планы, разрезы и их фрагменты и узлы) расположения трубопроводов выполняют, как правило, на группу трубопроводов.

ПРИМЕР - Основные трубопроводы

При малой насыщенности изображений следует совмещать планы и разрезы отдельных групп трубопроводов.

При большой насыщенности изображений допускается выполнять чертежи (планы, разрезы и их фрагменты и узлы) расположении для каждого трубопровода, имеющего самостоятельное буквенно-цифровое обозначение.

7.6 К чертежам расположения трубопроводов, как правило, составляют спецификацию по форме 7 ГОСТ 21.101. При необходимости спецификацию составляют по форме 8 ГОСТ 21.101 с учетом каждого трубопровода, имеющего самостоятельное обозначение.

Спецификацию помещают, как правило, на листе, где изображены планы чертежей расположения трубопроводов. Допускается выполнять спецификацию на отдельных листах.

7.7 В спецификацию к чертежам расположения трубопроводов включают арматуру, закладные конструкции, опоры (крепления) трубопроводов и другие устройства, а также трубопроводы по каждому диаметру.

Элементы трубопроводов (отводы, переходы, тройники, крестовины, фланцы, болты, гайки, шайбы, прокладки) в спецификацию не включают.

7.8 В графах спецификации указывают:

- в графе "Поз." - позиционное обозначение изделия (порядковый номер записи изделия в спецификацию). Для трубопроводов графу, как правило, не заполняют;

- в графе "Обозначение" - обозначение документа на изделие (стандарта, технических условий, типового чертежа, эскизного чертежа общего вида нетипового изделия и др.);

- в графе "Наименование" - наименование изделия в соответствии с документом на изделие;

- в графе "Кол." - количество изделий (трубопроводов);

- в графе "Масса ед. кг." - массу одного изделия;

- в графе "Примечание" - единицы измерения, относительную площадь сужающего устройства и другие дополнительные сведения.

7.9 В спецификации к чертежам расположения трубопроводов изделия записывают по группам в следующей последовательности:

- арматура;

- другие изделия;

- закладные конструкции;

- трубопроводы по каждому диаметру.

7.10 Наименования планов и разрезов чертежей расположения трубопроводов принимают по 5.4.

В основной надписи наименование планов и разрезов указывают полностью.

ПРИМЕРЫ

1 Расположение трубопроводов. План на отм. 0,000.

2 Расположение основных трубопроводов. План на отм. 0,000.

3 Расположение питательного трубопровода. План на отм. 0,000.

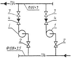
8 ЧЕРТЕЖИ ТЕПЛОМЕХАНИЧЕСКИХ УСТАНОВОК

8.1 Чертежи тепломеханических установок, в т.ч. блоков (далее - чертежи установок) следует выполнять при наличии в установке двух и более составных частей (элементов установки), необходимости показа способов крепления составных частей установки между собой или к опорным конструкциям, отсутствии типовых монтажных чертежей или монтажных чертежей завода-изготовителя. В остальных случаях чертежи установок не выполняют.

8.2 На планах и разрезах чертежей установок элементы установок изображают упрощенно. При необходимости показа способов крепления составных частей установки или их соединения между собой соответствующие элементы изображают детально, как правило, на узлах планов и разрезов установок.

Правила изображения трубопроводов, арматуры, конденсационных и других устройств на планах и разрезах чертежей установок принимают по 7.4.

8.3 На планах и разрезах чертежей установок наносят и указывают:

- координационные оси здания (сооружении) и расстояния между ними;

- отметки чистых полов этажей (площадок);

- размерные привязки установок к координационным осям или к элементам конструкций здания (сооружения);

- основные размеры и отметки уровней элементов установок;

- длину прямого участка трубопровода при наличии сужающего устройства;

- буквенно-цифровые обозначения трубопроводов;

- диаметры трубопроводов;

- позиционные обозначения оборудования, арматуры, закладных конструкций и других устройств.

На планах и разрезах, кроме элементов установок, указывают строительные конструкции.

8.4. Схемы установок выполняют в соответствии с разделом 6. На схемах установок указывают позиционные обозначения оборудования, арматуры, закладных конструкций и других устройств.

8.5 На планах, разрезах и узлах чертежей установок оборудование, конструкции установок, трубопроводы, арматуру и другие устройства изображают толстой основной линией, строительные конструкции - тонкой линией.

Воздуховоды (газоходы), расположенные над установкой, на планах, в необходимых случаях, изображают утолщенной штрихпунктирной линией (наложенная проекция).

Примеры выполнения плана, разреза и схемы чертежей установок приведены в приложении Г.

8.6 На чертежах установок приводят, при необходимости, технические требования к монтажу установок.

8.7 К чертежам установок составляют спецификацию по форме 7 ГОСТ 21.101 и помещают, как правило, на листе, где изображены планы чертежей установок. Допускается выполнять спецификацию на отдельных листах.

8.8 В спецификацию к чертежам установок включают оборудование, конструкции установок, арматуру, закладные конструкции и другие устройства, а также трубопроводы по каждому диаметру.

Элементы трубопроводов (отводы, переходы, тройники, крестовины, фланцы, болты, гайки, шайбы, прокладки) в спецификацию не включают.

8.9 В графе "Поз." указывают позиционное обозначение изделия (порядковый номер записи изделия в спецификацию) в пределах марки установки.

ПРИМЕРЫ

1. Для марки "К2" при выполнении на листе или группе листов одной установки в графе "Поз." указывают: "1, 2, 3 и т.д.".

2 Для марки "К2" при выполнении на листе или группе листов двух и более установок в графе "Поз." указывают: "2.1, 2.2, 2.3 и т.д."

Для трубопроводов графу, как правило, не заполняют.

В графе "Наименование" для каждой установки записывают буквенно-цифровое обозначение по 3.6 в виде заголовка и подчеркивают.

8.10 В спецификации изделия записывают по группам в следующей последовательности:

- оборудование;

- арматура;

- другие изделия;

- закладные конструкции;

- трубопроводы по каждому диаметру.

8.11 В наименованиях установок указывают буквенно-цифровые обозначения установок по 3.6.

8 основной надписи наименование установки указывают полностью.

ПРИМЕР - Установка подпиточных насосов К8

9 ЭСКИЗНЫЕ ЧЕРТЕЖИ ОБЩИХ ВИДОВ НЕТИПОВЫХ ИЗДЕЛИЙ

9.1 Эскизные чертежи общих видов нетиповых изделий (далее - эскизные чертежи) выполняют по ГОСТ 21.114 с учетом требований настоящего стандарта.

9.2 Эскизные чертежи разрабатывают на несложные в изготовлении нетиповые изделия (конструкции, устройства, монтажные блоки (кроме тепломеханического оборудования индивидуального изготовления), элементы воздуховодов (газоходов), опорные конструкции и конструкции креплений трубопроводов, воздуховодов (газоходов), тепломеханического оборудования и связанных с ними обслуживающих площадок и др.), предусмотренные основным комплектом рабочих чертежей марки ТМ, при отсутствии их серийного производства, типовых чертежей (документации массового применения), стандартов или других документов на эти изделия.

9.3 Эскизный чертеж определяет исходную конструкцию нетипового изделия, содержит упрощенное изображение, основные параметры и технические требования к изделию в объеме исходных данных (задания), необходимых для разработки конструкторской документации.

9.4 В наименовании нетипового изделия указывают буквенно-цифровое обозначение в пределах каждого вида нетипового изделия и, при необходимости, в скобках позиционное обозначение, предусмотренное основным комплектом рабочих чертежей марки ТМ, по 3.6.

ПРИМЕР - Блок теплообменников БТ1 (К8.3)

9.5 Наименования составных частей нетипового изделия на эскизном чертеже указывают в таблице, размещаемой, как правило, на том же листе, что и изображение изделия. На полках линий-выносок указывают номера позиций составных частей нетипового изделия, включенных в таблицу.

Таблицу выполняют по форме 7 ГОСТ 21.101. Графу "Масса ед. кг", как правило, не заполняют. Ориентировочную массу нетипового изделия приводят в конце таблицы.

10 СПЕЦИФИКАЦИЯ ОБОРУДОВАНИЯ, ИЗДЕЛИЙ И МАТЕРИАЛОВ

10.1 Спецификацию оборудования, изделий и материалов (далее - Спецификация) выполняют по ГОСТ 21.110 с учетом требований настоящего стандарта.

10.2 Спецификацию составляют по разделам:

- оборудование;

- изделия и материалы.

Наименование каждого раздела записывают в виде заголовка в графе 2 и подчеркивают.

В раздел "Оборудование" включают тепломеханическое оборудование, установки (блоки), воздуховоды и газоходы, указанные на планах и разрезах чертежей расположения оборудования.

Для оборудования, установок (блоков), воздуховодов и газоходов в графе 1 Спецификации указывают позиционное обозначение (марку) по 3.6.

В раздел "Изделия и материалы" включают арматуру (в т. ч. клапаны регулирующие), закладные конструкции, опоры (крепления) трубопроводов и другие устройства, трубопроводы по каждому диаметру, конструкции теплоизоляционные, а также материалы, предусмотренные основным комплектом рабочих чертежей. Для изделий и материалов в графе 2 Спецификации перед их наименованиями указывают порядковый номер записи изделия (материала) в Спецификации в пределах раздела.

10.3 В Спецификацию оборудование, изделия и материалы записывают по группам в следующей последовательности:

в разделе "Оборудование":

- тепломеханическое оборудование, установки (блоки);

- воздуховоды;

- газоходы;

в разделе "Изделия и материалы":

- арматура;

- другие изделия;

- закладные конструкции;

- трубопроводы по каждому диаметру;

- конструкции теплоизоляционные;

- материалы.

Элементы трубопроводов (отводы, переходы, тройники, крестовины, фланцы, болты, гайки, шайбы, прокладки) в Спецификацию не включают.

10.4 В Спецификации принимают следующие единицы измерений:

- оборудование, установки (блоки), воздуховоды, газоходы, арматура, закладные конструкции, опоры (крепления) трубопроводов и другие устройств - шт.;

- трубопроводы - м;

- материалы изоляционные - м3;

- материалы покрытий и защиты - м2;

- другие материалы - кг.

11 ОПРОСНЫЕ ЛИСТЫ И ГАБАРИТНЫЕ ЧЕРТЕЖИ

11.1 Опросные листы и габаритные чертежи выполняют в соответствии с данными заводов-изготовителей оборудования и комплектуют их в виде отдельного выпуска с наименованием "'Опросные листы".

Выпуску "Опросные листы'' присваивают самостоятельное обозначение, состоящее из обозначения основного комплекта рабочих чертежей марки ТМ и через точку шифра "ОЛ". Обозначение указывают на титульном листе выпуска опросных листов.

ПРИМЕР - 2345-11-ТМ.ОЛ

11.2 После титульного листа выпуска опросных листов помещают содержание.

Содержание выполняют по форме 2 ГОСТ 21.101. Содержанию присваивают обозначение, состоящее из обозначения выпуска опросных листов и шифра С.

ПРИМЕР - 2345-11-ТМ.ОЛС

Листы содержания оформляют основной надписью. На первом листе содержания основную надпись выполняют по форме 5 ГОСТ 21.101 и на последующих листах - по форме 6 ГОСТ 21.101. В графе 5 основной надписи указывают "Содержание".

В графах содержания (форма 2 ГОСТ 21.101) указывают:

- в графе "Обозначение" - обозначение или порядковый номер опросного листа (габаритного чертежа);

- в графе "Наименование" - наименование опросного листа (габаритного чертежа) в полном соответствии с наименованием, указанным на опросном листе (габаритном чертеже);

- в графе "Примечание" - сведения об изменениях, вносимых в опросные листы (габаритные чертежи).

11.3 В наименовании опросного листа (габаритного чертежа) указывают обозначение или порядковый номер в пределах выпуска и, при необходимости, в скобках позиционное обозначение, предусмотренное основным комплектом рабочих чертежей марки ТМ.

11.4 Изменения в опросные листы (габаритные чертежи) вносят в соответствии с ГОСТ 21.101 с учетом дополнительных требований настоящего стандарта.

Изменения в опросные листы (габаритные чертежи) вносят самостоятельно в пределах каждого опросного листа (габаритного чертежа).

Сведения об изменениях, вносимых в опросные листы (габаритные чертежи), приводят в графе "Примечание" содержания выпуска опросных листов.

Таблицу регистрации изменений (форма 10 ГОСТ 21.101) не выполняют.

11.5 Выпуск опросных листов записывают в разделе "Прилагаемые документы" ведомости ссылочных и прилагаемых документов, входящей в общие данные по рабочим чертежам основного комплекта марки ТМ.

 

Рисунок 1

Форма 1 ОСНОВНЫЕ ПОКАЗАТЕЛИ ПО РАБОЧИМ ЧЕРТЕЖАМ МАРКИ ТМ

 

ПРИЛОЖЕНИЕ А

(Справочное)

Примеры выполнения плана и разреза чертежей расположения оборудования

 

 

ПРИЛОЖЕНИЕ Б

(Справочное)

Пример выполнения схемы

 

ПРИЛОЖЕНИЕ В

(Справочное)

Примеры выполнения плана и разреза чертежей расположения трубопроводов

 

 

ПРИЛОЖЕНИЕ Г

(Справочное)

Примеры выполнения плана, разреза и схемы чертежей установок

 

 

 

 

Ключевые слова: рабочая документация тепломеханических решений котельных, состав и правила оформления

 




Яндекс цитирования



   Copyright © 2007-2026,  www.tehlit.ru.

[ ѓосты, стандарты, нормативы, инструкции, правила, строительные нормы ]