
ГОСУДАРСТВЕННЫЙ
СТАНДАРТ СОЮЗА ССР
СИСТЕМА ПРОЕКТНОЙ ДОКУМЕНТАЦИИ ДЛЯ СТРОИТЕЛЬСТВА
ГАЗОСНАБЖЕНИЕ.
ВНУТРЕННИЕ УСТРОЙСТВА
РАБОЧИЕ ЧЕРТЕЖИ
ГОСТ 21.609-83
ИЗДАТЕЛЬСТВО СТАНДАРТОВ
Москва
ГОСУДАРСТВЕННЫЙ СТАНДАРТ СОЮЗА ССР
|
Система проектной документации для строительства
ГАЗОСНАБЖЕНИЕ. ВНУТРЕННИЕ УСТРОЙСТВА
Рабочие чертежи
System of building design documents.
Gas supply. Internal equipment.
Working drawings
|
ГОСТ
21.609-83
|
|
Постановлением Государственного комитета СССР по делам строительства
от 17 августа 1983 г. № 203 срок введения установлен
|
|
|
с 01.01.84
|
Настоящий
стандарт устанавливает состав и правила оформления рабочих чертежей внутренних устройств
газоснабжения* зданий и
сооружений всех
отраслей промышленности и
народного хозяйства.
________
* Внутренние устройства газоснабжения далее именуются газоснабжением.
1. ОБЩИЕ ПОЛОЖЕНИЯ
1.1. Рабочие чертежи газоснабжения выполняют в
соответствии с требованиями
настоящего стандарта и других
стандартов системы проектной документации для
строительства, а также норм
проектирования газоснабжения.
1.2. В состав
рабочих чертежей газоснабжения (основной комплект рабочих чертежей марки ГСВ) включают:
общие данные
по рабочим чертежам;
чертежи
(планы, разрезы и виды) расположения газопроводов, газовых
контрольно-измерительных приборов и газового
оборудования**;
схемы
газоснабжения;
чертежи
(планы, разрезы, виды и схемы) газовых установок;
эскизные чертежи общих видов
нетиповых устройств и конструкций*** газоснабжения.
___________
** Газовые контрольно-измерительные
приборы и газовое оборудование
далее именуются оборудованием.
***
Эскизные чертежи общих
видов нетиповых устройств
и конструкций далее именуются чертежами общих видов.
К основному
комплекту рабочих чертежей марки ГСВ выполняют спецификацию
оборудования и ведомость потребности в материалах по ГОСТ 21.109-80.
1.3.
Газопроводы на чертежах указывают условными графическими изображениями по ГОСТ
21.106-78.
Буквенно-цифровые обозначения
газопроводов приведены в табл. 1.
Таблица 1
1.4. Диаметр и
толщину стенки газопровода указывают на полке линии-выноски.
Для
газопроводов из стальных водогазопроводных
труб указывают диаметр условного прохода и толщину стенки.
Для
газопроводов из стальных электросварных и других труб указывают наружный диаметр и толщину стенки.
В том случае,
когда на полке линии-выноски указывают буквенно-цифровое обозначение газопровода, его диаметр и
толщину стенки указывают под полкой линии-выноски.
1.5. Стояки
газопроводов обозначают маркой, состоящей из
буквенного обозначения «Ст» и, через дефис,
порядкового номера стояка в пределах здания (сооружения), например Ст-1, Ст-2.
1.6. Условные
графические изображения арматуры (запорной,
регулирующей и предохранительной) и оборудования принимают по государственным стандартам с учетом дополнительных изображений, приведенных в табл.
2.
Таблица 2
|
Наименование
|
Изображение
|
|
1. Счетчик газовый
|

|
|
2. Плита газовая бытовая двухгорелочная
|

|
|
3. Плита газовая бытовая четырехгорелочная
|

|
|
4. Аппарат отопительный газовый бытовой
|

|
|
5. Печь отопительно-варочная
|

|
|
6. Камин газовый
|

|
|
7. Регулятор давления
|

|
|
8. Предохранительный запорный клапан
|

|
|
9. Регулятор управления
|

|
2. ОБЩИЕ ДАННЫЕ ПО РАБОЧИМ ЧЕРТЕЖАМ
2.1. В состав
общих данных основного комплекта рабочих чертежей марки ГСВ в дополнение к
данным, предусмотренным ГОСТ 21.102-79,
включают:
основные
показатели по форме 1 (кроме жилых зданий);
ссылки на
Строительные нормы и правила (СНиП) и другие нормативные документы, по которым
произведен расчет газоснабжения;
требования к
изготовлению, монтажу, окраске, изоляции газопроводов, а также условия их
прокладки;
особые
требования к газоснабжению, например взрывобезопасность и пожаробезопасность.
Форма 1
Основные показатели по рабочим чертежам марки ГСВ

_________
*
Характеристика применяемого газа указывается в примечании.
3. ЧЕРТЕЖИ РАСПОЛОЖЕНИЯ ГАЗОПРОВОДОВ
И ОБОРУДОВАНИЯ
3.1. Чертежи
расположения газопроводов и оборудования выполняют по ГОСТ 21.101-79 с учетом требовании настоящего
стандарта.
3.2. Планы,
разрезы и виды
3.2.1. Планы,
разрезы и виды выполняют в масштабе 1:100 или 1:200, узлы и фрагменты планов,
разрезов и видов - в масштабе 1:10 - 1:100 по ГОСТ 2.302-68.
При небольших
зданиях или сооружениях, когда выполнение фрагментов нецелесообразно, планы,
разрезы и виды допускается выполнять в масштабах, установленных для фрагментов.
3.2.2.
Газопроводы, расположенные друг над другом, на планах условно изображают
параллельными линиями.
3.2.3.
Газопроводы, оборудование и арматуру на планах, разрезах и видах указывают
условными графическими изображениями, а оборудование, на которое отсутствуют
условные графические изображения - упрощенными графическими изображениями.
Газопроводы
диаметром 100 мм и более на фрагментах и узлах изображают двумя линиями.
3.2.4. На
планах, разрезах и видах указывают: координационные оси здания (сооружения) и
расстояния между ними (для жилых зданий - расстояние между осями секций);
строительные
конструкции и оборудование, к которому подводят газ-воздух и от которого
отводят продукты сгорания. Строительные конструкции и оборудование указывают
сплошными тонкими линиями;
отметки
уровней чистого пола и основных площадок;
размерные
привязки газовых установок и оборудования, вводов (выводов) и стояков
газопроводов к координационным осям или элементам строительных конструкций;
размеры
эксплуатационных проходов;
отметки
уровней или высотные размеры установки приборов (при необходимости).
На планах,
кроме того, указывают наименования помещений (типы помещений для жилых зданий)
и категорию производств по взрывной, взрыво-пожарной и пожарной опасности (в
прямоугольнике размером 5´8 мм), а на разрезах и видах - отметки уровней
осей газопроводов и верха сбросного газопровода (свечи).
Допускается
наименования помещений и категорию производств по взрывной, взрыво-пожарной и
пожарной опасности приводить в экспликации помещений по форме 2 ГОСТ 21.501-80.
На планах и
разрезах расположения бытового оборудования (плиты газовые, водонагреватели) в
жилых зданиях,
коммунально-бытовых предприятиях и общественных зданиях приводят данные об объеме и высоте помещения, в
котором устанавливают это оборудование, а также указывают расположение
дымоходов (их сечение) и расположение вентиляционных решеток.
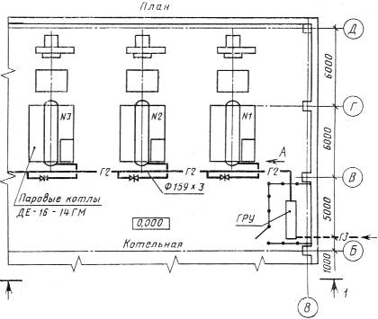
Пример оформления плана приведен
на черт. 1,
разреза на черт. 2 и вида на черт. 3.
4. СХЕМЫ ГАЗОСНАБЖЕНИЯ
4.1. Схемы
газоснабжения (далее -
схемы) выполняют в аксонометрической фронтальной
изометрической проекции.
Масштабы
изображений принимают
по ГОСТ 2.302-68: для схем 1:100 или 1:200, узлов схем 1:10 - 1:50, схем небольших зданий
(сооружений) 1:20 - 1:50.
4.2.
Газопроводы и арматуру на схемах указывают условными графическими изображениями, а оборудование, на которое отсутствует условное графическое изображение, -
упрощенным графическим изображением.
Для жилых и
коммунально-бытовых зданий вместо графического изображения
подключаемого оборудования допускается указывать его наименование.
4.3. При большом протяжении и (или) сложном расположении газопроводов допускается
изображать их с разрывом в виде пунктирной линии.
Места разрывов газопроводов обозначают строчными буквами.

Черт. 1

Черт. 2

Черт. 3
4.4. На схемах указывают:
оборудование,
арматуру, газопроводы и их диаметры;
места присоединении приборов (бобышки);
отметки уровней осей
газопроводов;
уклоны газопроводов (для
влажного и сжиженного углеводородного газа);
размеры горизонтальных участков
газопроводов при наличии разрывов;
стоянки газопроводов и их обозначения.
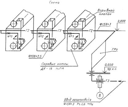
Пример оформления схемы приведен на черт. 4.
5. ЧЕРТЕЖИ ГАЗОВЫХ УСТАНОВОК
5.1. Планы, разрезы, виды и схемы газовых
установок (далее - установок) выполняют в масштабе
1:50 или 1:100, узлы установок - в масштабе 1:2 -
1:20 по ГОСТ 2.302-68.
5.2. На
планах, разрезах и видах элементы установок изображают упрощенно.
При необходимости показа способов крепления составных частей установки или их соединения между собой
соответствующие элементы
установки изображают детально.
На схемах установок элементы установок указывают условными
графическими изображениями (в аксонометрическом изображении).

Черт. 4
5.3. На
планах, разрезах и видах установок указывают:
координационные оси здания (сооружения) и расстояния между ними;
основные
размеры, отметки уровней и привязку установок к координационным
осям здания (сооружения).
5.4.
Газопроводы на планах, разрезах и видах установок изображают
одной линией при диаметре газопровода до 100 мм и двумя линиями - при диаметре более 100 мм.
5.5. На
планах, разрезах и видах, кроме элементов установок, указывают строительные конструкции сплошной тонкой линией и отборные устройства (бобышки) для
установки приборов.
5.6.
Установкам присваивают
обозначения, состоящие из номера установки и обозначения газопровода в
соответствии с п. 1.3 (например 1Г1,
2Г3).
5.7. Элементам
установок присваивают позиционные обозначения, состоящие из обозначения установки, указанного в п. 5.6, и порядкового номера
элемента в пределах установки, например 1Г1.1, 1Г1.2, 2Г3.1,
2Г3.2.
5.8.
Спецификацию к установкам выполняют но ГОСТ 21.104-79.
5.9. На
чертежах установок приводят, при необходимости, технические требования к монтажу
установок.
Пример оформления плана установки
приведен на черт. 5, разреза на черт. 6, вида на черт. 7
и схемы на черт. 8.
Газорегуляторная установка (ГРУ)

Черт. 5

Черт. 6

Черт. 7

Черт. 8
6. ЧЕРТЕЖИ ОБЩИХ ВИДОВ
6.1. Чертежи
общих видов выполняют по правилам, предусмотренным ГОСТ 2.119-73 в объеме, необходимом
для разработки конструкторской документации по ГОСТ 2.103-68.
6.2. Чертежи
общих видов выполняют в масштабе по ГОСТ 2.302-68.
7. СПЕЦИФИКАЦИЯ ОБОРУДОВАНИЯ
7.1 Спецификацию оборудования
выполняют по ГОСТ 21.110-82 с учетом
требовании настоящею стандарта.
7.2. При наличии пристроенной к
производственному зданию (сооружению) части или встройки (вставки), в которых
размещаются вспомогательные помещения, каждый раздел спецификации составляют по
частям:
производственная
часть;
вспомогательная
часть.
Если жилое здание имеет пристройку или встройку, в которых размещаются предприятия общественного обслуживания, то
каждый раздел спецификации составляют по частям:
жилая часть;
пристроенная (встроенная) часть.
Наименование каждой части записывают в
виде заголовка в графе 2 спецификации и подчеркивают.
7.3. В
разделах (частях) спецификации элементы записывают в следующей
последовательности:
оборудование;
арматура;
газопроводы по
каждому диаметру. Элементы газопроводов (отводы, переходы, фланцы, болты,
гайки, шайбы и др.) в спецификацию не включают;
материалы.
7.4. В
спецификации принимают следующие единицы измерения:
газопроводы - м;
арматура -
шт.;
материалы
изоляционные - м3;
материалы покрытий и защиты - м2;
другие материалы - кг.