//
ТехЛит.ру
- крупнейшая бесплатная электронная интернет библиотека для "технически умных" людей.
WWW.TEHLIT.RU - ТЕХНИЧЕСКАЯ ЛИТЕРАТУРА

:: Алготрейдинг::


АЛГОТРЕЙДИНГ
шаг за шагом
с нуля по урокам!

Торговые роботы на PYTHON, BackTrader,
Pandas, Pine Script для TradingView. Связка с брокерами, телеграм и легкими приложениями.


ГОСУДАРСТВЕННЫЙ СТАНДАРТ СОЮЗА ССР

СИСТЕМА ОБЕСПЕЧЕНИЯ ТОЧНОСТИ ГЕОМЕТРИЧЕСКИХ
ПАРАМЕТРОВ В СТРОИТЕЛЬСТВЕ

ТЕХНОЛОГИЧЕСКИЕ ДОПУСКИ

ГОСТ 21779-82
(СТ СЭВ 2681-80)

ГОСУДАРСТВЕННЫЙ КОМИТЕТ СССР
ПО ДЕЛАМ СТРОИТЕЛЬСТВА

Москва

РАЗРАБОТАН

Центральным научно-исследовательским институтом типового и экспериментального проектирования школ, дошкольных учреждений, средних и высших учебных заведений (ЦНИИЭП учебных зданий) Госгражданстроя

Центральным ордена Трудового Красного Знамени научно-исследовательским и проектным институтом типового и экспериментального проектирования жилища (ЦНИИЭП жилища) Госгражданстроя

Центральным научно-исследовательским и проектно-экспериментальным институтом организации, механизации и технической помощи строительству (ЦНИИОМТП) Госстроя СССР

Зональным научно-исследовательским и проектным институтом типового и экспериментального проектирования жилых и общественных зданий (ЛенЗНИИЭП) Госгражданстроя Главмосстроем при Мосгорисполкоме

ИСПОЛНИТЕЛИ

Д. М. Лаковский (руководитель темы); И. В. Колечицкая; С. А. Резник, канд. техн. наук; А. В. Цареградский; Л. А. Вассердам; Л. С. Экслер; В. Н. Сведлов, канд. техн. наук; Р. А. Каграманов, канд. техн. наук; В. С. Сытник, канд. техн. наук; С. Е. Чекулаев, канд. техн. наук; М. С. Карданов; Л. Н. Ковалис; В. Д. Фельдман

ВНЕСЕН Центральным научно-исследовательским институтом типового и экспериментального проектирования школ, дошкольных учреждений, средних и высших учебных заведений (ЦНИИЭП учебных зданий) Госгражданстроя

Директор Г. А. Градов

УТВЕРЖДЕН И ВВЕДЕН В ДЕЙСТВИЕ Постановлением Государственного комитета СССР по делам строительства 10 июня 1982 г. № 156

ГОСУДАРСТВЕННЫЙ СТАНДАРТ СОЮЗА ССР

Система обеспечения точности геометрических параметров в строительстве

ТЕХНОЛОГИЧЕСКИЕ ДОПУСКИ

System of ensuring of geometrical parameters accuracy in construction. Manufacturing and assembling tolerances

ГОСТ
21779-82

(СТ СЭВ 2681-80)

Взамен
ГОСТ 11779-76

Постановлением Государственного комитета СССР по делам строительства от 10 июня 1982 г. № 156 срок введения установлен

с 01.01.83

Настоящий стандарт распространяется на проектирование и строительство зданий и сооружений, а также проектирование и изготовление элементов для них (конструкций, изделий, деталей) и устанавливает основные принципы регламентации, номенклатуру и значения технологических допусков геометрических параметров.

Стандарт не устанавливает допуски шероховатости поверхностей.

В соответствии с требованиями настоящего стандарта во вновь разрабатываемых и пересматриваемых стандартах и другой нормативно-технической документации, а также в рабочей и технологической документации устанавливают точность:

изготовления элементов из различных материалов;

выполнения разбивочных работ при строительстве зданий и сооружений и монтаже технологического оборудования;

выполнения строительных и монтажных работ.

При необходимости применения посадок строительных элементов с отрицательными и нулевыми зазорами следует руководствоваться стандартами СТ СЭВ 145-75, СТ СЭВ 144-75 и ГОСТ 6449-76.

Стандарт соответствует СТ СЭВ 2681-80 в части, указанной в справочном приложении 1.

Пояснения терминов, применяемых в настоящем стандарте, приведены в справочном приложении 2.

1. ОБЩИЕ ПОЛОЖЕНИЯ

1.1. Значения технологических допусков изготовления элементов зданий и сооружений и выполнения разбивочных, строительных и монтажных работ принимают согласно ГОСТ 21778-81 и ГОСТ 21780-76 в пределах установленных настоящим стандартом классов точности выполняемых процессов и операций и в зависимости от используемых средств технологического обеспечения и контроля точности.

На основе принятых значений технологических допусков устанавливают симметричные или несимметричные предельные отклонения, сумма абсолютных значений которых должна быть равна допуску.

1.2. Соответствие принимаемых технологических допусков и предельных отклонений геометрических параметров используемым средствам технологического обеспечения и контроля точности устанавливают на основе статистического анализа точности технологических процессов и операций согласно ГОСТ 23615-79.

1.3. Технологические допуски и предельные отклонения различных геометрических параметров здания, сооружения или их отдельного элемента должны, как правило, назначаться разных классов точности в зависимости от функциональных, конструктивных, технологических и экономических требований.

Если указанные требования не предъявляют, точность соответствующих параметров допускается не регламентировать.

1.4. При назначении технологических допусков и предельных отклонений геометрических параметров необходимо указывать методы и условия измерения этих параметров.

1.5. Границы интервалов номинальных размеров, для которых установлены технологические допуски, приняты в настоящем стандарте на основе рядов предпочтительных чисел, установленных ГОСТ 6636-69. При этом значения технологических допусков Dх в миллиметрах вычислены по формуле

Dx = i - K,

где i - единица допуска, определяемая в зависимости от значения нормируемого геометрического параметра по формулам рекомендуемого приложения 3, мм;

К - коэффициент точности, устанавливающий число единиц допуска для данного класса точности.

2. ТОЧНОСТЬ ИЗГОТОВЛЕНИЯ ЭЛЕМЕНТОВ

2.1. Точность изготовления элементов характеризуют допусками и предельными отклонениями их линейных размеров (черт. 1), а также формы и взаимного положения поверхностей.

Допуск и отклонение от линейных размеров элементов

Черт. 1

Примечание. Обозначения допусков и отклонений - по ГОСТ 21778-81.

Допуск прямолинейности и отклонение от прямолинейности

а - допуск и отклонение от прямолинейности при измерениях на заданной длине; б - то же, при измерениях на всей длине; 1 - условная (прилегающая) прямая; 2 - прямые, ограничивающие поле допуска; 3 - реальный профиль; 4 - условная (проходящая через крайние точки) прямая

Черт. 2

Примечание. При измерениях на заданной длине dхinf = 0 и dхsup = Dх; при измерениях на всей длине dхinf = dхsup = 0,5 Dх.

Допуски и предельные отклонения формы и взаимного положения поверхностей устанавливают, если требуется ограничить искажения формы элементов, не выявляемые при контроле точности линейных размеров. При этом точность формы поверхностей призматических прямоугольных элементов характеризуют допусками прямолинейности и предельными отклонениями от прямолинейности (черт. 2) и допусками плоскостности и предельными отклонениями от плоскостности (черт. 3), а точность взаимного положения поверхностей этих элементов - допусками перпендикулярности и предельными отклонениями от перпендикулярности (черт. 4).

Допуск плоскостности и отклонение от плоскостности

а - допуск плоскостности и отклонение от плоскостности при измерениях от прилегающей плоскости; б - то же, при измерениях от условной плоскости, проходящей через три крайние точки реальной поверхности; 1 - условная (прилегающая) плоскость; 2 - плоскости, ограничивающие поле допуска; 3 - реальная поверхность; 4 - условная (проходящая через три крайние точки) плоскость

Черт. 3

Примечание. При измерениях от прилегающей плоскости dхinf = 0 и dхsup = Dх; при измерениях от условной плоскости dхinf = dхsup = 0,5 Dх.

Допуски перпендикулярности и отклонения от перпендикулярности

а - допуск и отклонения при измерениях на заданной длине; б - то же, при измерениях на всей длине; 1 - условная (прилегающая) плоскость; 2 - реальная поверхность; 3 - условная (проходящая через крайние точки) плоскость

Черт. 4

2.2. Допуски линейных размеров элементов регламентируют точность их изготовления по длине, ширине, высоте, толщине или диаметру, точность размеров и положения выступов, выемок, отверстий, проемов, крепежных и соединительных деталей, а также точность положения наносимых на элементы ориентиров. Эти допуски принимают по табл. 1 в зависимости от номинального размера L, точность которого нормируют.

Таблица 1

Допуски линейных размеров

мм

Интервал номинального размера L

Значение допуска для класса точности

1

2

3

4

5

6

7

8

9

До    20

0,24

0,4

0,6

1,0

1,6

2,4

4

6

10

Св.   20       »    60

0,30

0,5

0,8

1,2

2,0

3,0

5

8

12

»    60       »    120

0,40

0,6

1,0

1,6

2,4

4,0

6

10

16

»    120     »    250

0,50

0,8

1,2

2,0

3,0

5,0

8

12

20

»    250     »    500

0,60

1,0

1,6

2,4

4,0

6,0

10

16

24

»    500     »    1000

0,80

1,2

2,0

3,0

5,0

8,0

12

20

30

»    1000   »    1600

1,00

1,6

2,4

4,0

6,0

10,0

16

24

40

»    1600   »    2500

1,20

2,0

3,0

5,0

8,0

12,0

20

30

50

»    2500   »    4000

1,60

2,4

4,0

6,0

10,0

16,0

24

40

60

»    4000   »    8000

2,00

3,0

5,0

8,0

12,0

20,0

30

50

80

»    8000   »    16000

2,40

4,0

6,0

10,0

16,0

24,0

40

60

100

»    16000 »    25000

3,00

5,0

8,0

12,0

20,0

30,0

50

80

120

»    25000 »    40000

4,00

6,0

10,0

16,0

24,0

40,0

60

100

160

      40000 »    60000

5,00

8,0

12,0

20,0

30,0

50,0

80

120

200

Значения К

0,10

0,16

0,25

0,40

0,60

1,0

1,6

2,5

4,0

2.3. Допуски прямолинейности принимают по табл. 2 для рассматриваемых сечений элемента на всю длину элемента или на заданной длине в зависимости от номинального значения этого размера. Значения заданной длины выбирают из ряда: 400, 600, 1000, 1600 и 2500 мм.

2.4. Допуски плоскостности принимают по табл. 2 для всей рассматриваемой поверхности элемента в зависимости от большего номинального размера L поверхности элемента.

Таблица 2

Допуски прямолинейности

мм

Интервал номинального размера L

Значение допуска для класса точности

1

2

3

4

5

6

До 1000

2,0

3

5

8

12

20

Св.   1000      »    1600

2,4

4

6

10

16

24

»    1600      »    2500

3,0

5

8

12

20

30

»    2500      »    4000

4,0

6

10

16

24

40

»    4000      »    8000

5,0

8

12

20

30

50

»    8000      »    16000

6,0

10

16

24

40

60

»    16000    »    25000

8,0

12

20

30

50

80

»    25000    »    40000

10,0

16

24

40

60

100

»    40000    »    60000

12,0

20

30

50

80

120

Значения К

0,25

0,4

0,6

1,0

1,6

2,5

2.5. Допуски перпендикулярности рассматриваемых поверхностей элемента принимают по табл. 3 в зависимости от меньшего номинального размера L поверхностей, перпендикулярность которых регламентируют, или заданной длины в сечении элемента. Значения заданной длины выбирают из ряда: 400, 500, 600, 800 и 1000 мм.

Таблица 3

Допуски перпендикулярности

мм

Интервал номинального размера L

Значение допуска для класса точности

1

2

3

4

5

6

7

8

9

До    250

0,5

0,8

1,2

2,0

3

5

8

12

20

Св.   250        »       500

0,6

1,0

1,6

2,4

4

6

10

16

24

»    500        »       1000

0,8

1,2

2,0

3,0

5

8

12

20

30

»    1000      »       1600

1,0

1,6

2,4

4,0

6

10

16

24

40

»    1600      »       2500

1,2

2,0

3,0

5,0

8

12

20

30

50

»    2500      »       4000

1,6

2,4

4,0

6,0

10

16

24

40

60

Значения К

0,16

0,25

0,4

0,6

1,0

1,6

2,5

4,0

6,0

Для крупноразмерных элементов перпендикулярность их поверхностей допускается регламентировать допусками равенства диагоналей, значения которых принимают по табл. 4 в зависимости от большего номинального размера L поверхности, для которой назначают разность диагоналей.

Таблица 4

Допуски равенства диагоналей

мм

Интервал номинального

размера L

Значение допуска для класса точности

1

2

3

4

5

6

До 4000

4

6

10

16

24

40

Св.   4000      »    8000

5

8

12

20

30

50

»    8000      »    16000

6

10

16

24

40

60

»    16000    »    25000

8

12

20

30

50

80

»    25000    »    40000

10

16

24

40

60

100

»    40000    »    60000

12

20

30

50

80

120

Значения К

0,25

0,4

0,6

1,0

1,6

2,5

2.6. Допусками прямолинейности, плоскостности и перпендикулярности поверхностей следует также регламентировать точность формы и взаимного положения отдельных поверхностей простых непризматических элементов.

Точность размеров, формы и взаимного положения поверхностей элементов, имеющих сложное очертание, регламентируют допусками линейных размеров, определяющих положение характерных точек этих элементов в принятой системе координат.

3. ТОЧНОСТЬ РАЗБИВОЧНЫХ РАБОТ

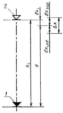
3.1. Точность разбивочных работ характеризуют допусками и предельными отклонениями разбивки точек и осей в плане (черт. 5) и передачи точек и осей по вертикали (черт. 6), допусками створности и предельными отклонениями от створности точек (черт. 7), допусками и предельными отклонениями разбивки высотных отметок (черт. 8) и передачи высотных отметок (черт. 9), а также допусками перпендикулярности и предельными отклонениями от перпендикулярности осей (черт. 10).

3.2. Допуски разбивки точек и осей в плане принимают по табл. 5 в зависимости от номинального расстояния L, точность которого нормируют.

Допуск и отклонение разбивки точек и осей в плане

1 - ориентир, принимаемый за начало отсчета; 2 - ориентир, устанавливаемый в результате разбивки

Черт. 5

Допуск и отклонение передачи точек и осей по вертикали

1 - ориентир, принимаемый за начало отсчета; 2 - ориентир, устанавливаемый в результате передачи

Черт. 6

Допуск створности и отклонение от створности точек

1 - ориентир, принимаемый за начало отсчета; 2 - ориентир, устанавливаемый в результате разбивки

Черт. 7

Допуск и отклонение разбивки высотных отметок

1 - ориентир, принимаемый за начало отсчета; 2 - ориентир, устанавливаемый в результате разбивки

Черт. 8

Допуск и отклонение передачи высотных отметок

1 - ориентир, принимаемый за начало отсчета; 2 - ориентир, устанавливаемый в результате передачи

Черт. 9

Допуск перпендикулярности и отклонение от перпендикулярности осей

1 - ориентиры, определяющие положение оси а; 2 - ориентир, принимаемый за начало отсчета при разбивке оси б; 3 - ориентир, устанавливаемый при разбивке оси б

Черт. 10

Таблица 5

Допуски разбивки точек и осей в плане

мм

Интервал номинального размера L

Значение допуска для класса точности

1

2

3

4

5

6

До 2500

0,6

1,0

1,6

2,4

4

6

Св.   2500      »    4000

1,0

1,6

2,4

4,0

6

10

»    4000      »    8000

1,6

2,4

4,0

6,0

10

16

»    8000      »    16000

2,4

4,0

6,0

10,0

16

24

»    16000    »    25000

4,0

6,0

10,0

16,0

24

40

»    25000    »    40000

6,0

10,0

16,0

24,0

40

60

»    40000    »    60000

10,0

16,0

24,0

40,0

60

100

»    60000    »    100000

16,0

24,0

40,0

60,0

100

160

»    100000 »    160000

24,0

40,0

60,0

100,0

160

-

Значения К

0,25

0,4

0,6

1,0

1,6

2,5

3.3. Допуски передачи точек и осей по вертикали принимают по табл. 6 в зависимости от номинального расстояния Н между горизонтами.

3.4. Допуски створности точек принимают по табл. 6 в зависимости от номинальной длины L разбиваемой оси.

Таблица 6

Допуски передачи точек и осей по вертикали и створности точек

мм

Интервал номинального размера

Значение допуска для класса точности

Н

L

1

2

3

4

5

6

До 2500

До 4000

-

-

0,6

1,0

1,6

2,4

Св.   2500      »    4000

Св.  4000      »    8000

-

0,6

1,0

1,6

2,4

4,0

»    4000      »    8000

»    8000      »    16000

0,6

1,0

1,6

2,4

4,0

6,0

»    8000      »    16000

»    16000    »    25000

1,0

1,6

2,4

4,0

6,0

10,0

»    16000    »    25000

»    25000    »    40000

1,6

2,4

4,0

6,0

10,0

16,0

»    25000    »    40000

»    40000    »    60000

2,4

4,0

6,0

10,0

16,0

24,0

»    40000    »    60000

»    60000    »    100000

4,0

6,0

10,0

16,0

24,0

40,0

»    60000    »    100000

»    100000 »    160000

6,0

10,0

16,0

24,0

40,0

60,0

»    100000 »    160000

-

10,0

16,0

24,0

40,0

60,0

-

Значения К

0,25

0,4

0,6

1,0

1,6

2,5

3.5. Допуски разбивки высотных отметок принимают по табл. 7 в зависимости от номинального расстояния Н между горизонтами.

3.6. Допуски передачи высотных отметок принимают по табл. 7 в зависимости от номинального расстояния L до рассматриваемой высотной отметки.

3.7. Допуски перпендикулярности осей принимают по табл. 7 в зависимости от номинального расстояния L до рассматриваемой точки. При номинальном значении угла между осями, не равном 90°, допуски угла также принимают по табл. 7 в зависимости от номинального расстояния L до рассматриваемой точки.

Таблица 7

Допуски разбивки и передачи высотных отметок

мм

Интервал номинального размера

Интервал номинального размера

Н

Н

1

2

3

4

5

6

До 2500

До 8000

-

0,6

1,0

1,6

2,4

4

Св.   2500      »    4000

Св.  8000      »    16000

0,6

1,0

1,6

2,4

4,0

6

»    4000      »    8000

»    16000    »    25000

1,0

1,6

2,4

4,0

6,0

10

»    8000      »    16000

»    25000    »    40000

1,6

2,4

4,0

6,0

10,0

16

»    16000    »    25000

»    40000    »    60000

2,4

4,0

6,0

10,0

16,0

24

»    25000    »    40000

»    60000    »    100000

4,0

6,0

10,0

16,0

24,0

40

»    40000    »    60000

»    100000 »    160000

6,0

10,0

16,0

24,0

40,0

60

»    60000    »    100000

-

10,0

16,0

24,0

40,0

60,0

100

»    100000 »    160000

-

16,0

24,0

40,0

60,0

100,0

160

Значения К

0,25

0,4

0,6

1,0

1,6

2,5

3.8. Допуски разбивочных работ по табл. 5 - 7 даны с учетом точности нанесения и закрепления соответствующих точек и осей.

4. ТОЧНОСТЬ СТРОИТЕЛЬНЫХ И МОНТАЖНЫХ РАБОТ

4.1. Точность геометрических параметров зданий, сооружений и их элементов, возводимых из мелкоразмерных, монолитных и сыпучих материалов, и точность выполнения земляных работ устанавливают в соответствии с разд. 2.

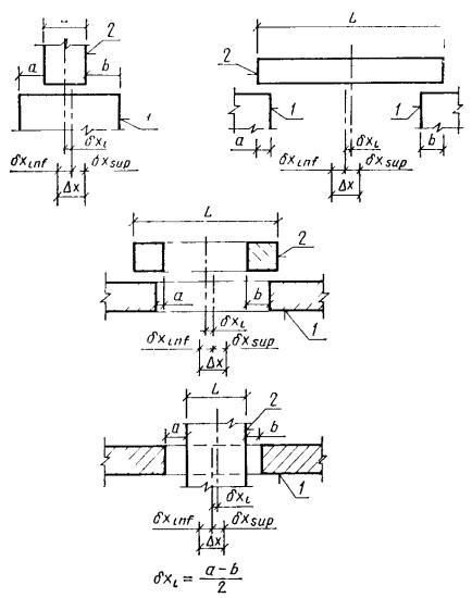
4.2. Точность установки элементов сборных зданий и сооружений характеризуют допусками совмещения и отклонениями от совмещения ориентиров (точек, линий, поверхностей) (черт. 11) и допусками симметричности и отклонениями от симметричности установки элементов (черт. 12).

4.3. Допуски совмещения ориентиров принимают по табл. 8 в зависимости от номинального расстояния L между ними.

4.4. Допуски симметричности установки элементов принимают по табл. 9 в зависимости от номинального значения геометрического параметра L.

4.5. Допуски строительных и монтажных работ в табл. 8 и 9 характеризуют точность установки элементов после проектного закрепления. Точность установки элементов при временном закреплении в зависимости от способа закрепления следует принимать на 1 - 2 класса выше.

Допуск совмещения и отклонение от совмещения ориентиров

1 - ориентир, принимаемый за начало отсчета; 2 - ориентир устанавливаемого элемента

Черт. 11

Допуск симметричности и отклонение от симметричности установки элементов

1 - установленный элемент; 2- устанавливаемый элемент

Черт. 12

Таблица 8

Допуски совмещения ориентиров

мм

Интервал номинального размера L

Значение допуска для класса точности

1

2

3

4

5

6

До    120

1,6

2,4

4

6

10

16

Св.   120        »    250

2,0

3,0

5

8

12

20

»    250        »    500

2,4

4,0

6

10

16

24

»    500        »    1000

3,0

5,0

8

12

20

30

»    1000      »    1600

4,0

6,0

10

16

24

40

»    1600      »    2500

5,0

8,0

12

20

30

50

»    2500      »    4000

6,0

10,0

16

24

40

60

»    4000      »    8000

8,0

12,0

20

30

50

80

»    8000      »    16000

10,0

16,0

24

40

60

100

»    16000    »    25000

12,0

20,0

30

50

80

120

»    25000    »    40000

16,0

24,0

40

60

100

160

»    40000    »    60000

20,0

30,0

50

80

120

200

Значения К

0,25

0,4

0,6

1,0

1,6

2,5

Таблица 9

Допуски симметричности установки

мм

Интервал номинального размера L

Значение допуска для класса точности

1

2

3

4

5

6

До 2500

2,0

3

5

8

12

20

Св.   2500      »    4000

2,4

4

6

10

16

24

»    4000      »    8000

3,0

5

8

12

20

30

»    8000      »    16000

4,0

6

10

16

24

40

»    16000    »    25000

5,0

8

12

20

30

50

»    25000    »    40000

6,0

10

16

24

40

60

»    40000    »    60000

8,0

12

20

30

50

80

Значения К

0,25

0,4

0,6

1,0

1,6

2,5

ПРИЛОЖЕНИЕ 1

Справочное

ИНФОРМАЦИОННЫЕ ДАННЫЕ О СООТВЕТСТВИИ ГОСТ 21779-82 СТ СЭВ 2681-80

Первый абзац вводной части ГОСТ 21779-82 включает требования вводной части СТ СЭВ 2681-80.

П. 1.1 ГОСТ 21779-82 включает требования п. 1.1 СТ СЭВ 2681-80.

П. 1.2 ГОСТ 21779-82 включает требования п. 1.5 СТ СЭВ 2681-80.

П. 1.3 ГОСТ 21779- 82 включает требования пп. 1.7 и 1.9 СТ СЭВ 2681-80.

П. 1.4 ГОСТ 21779-82 включает требования п. 1.8 СТ СЭВ 2681-80.

П. 2.1 ГОСТ 21779-82 включает требования пп. 2.1 и 2.3 СТ СЭВ 2681-80.

Черт. 2 ГОСТ 21779-82 включает черт. 1 СТ СЭВ 2681-80.

Черт. 4 ГОСТ 21779-82 включает черт. 3 СТ СЭВ 2681-80.

П. 2.2 ГОСТ 21779-82 включает требования п. 2.2 СТ СЭВ 2681-80.

Табл. 1. ГОСТ 21779-82 включает табл. 1 информационного приложения 1 СТ СЭВ 2681-80.

П. 2.3 ГОСТ 21779-82 включает требования п. 2.4 СТ СЭВ 2681-80.

Табл. 2 ГОСТ 21779-82 включает табл. 1 информационного приложения 1 СТ СЭВ 2681-80.

П. 2.4 ГОСТ 21779-82 включает требования пп. 2.5 и 2.7 СТ СЭВ 2681-80.

П. 2.5 ГОСТ 21779-82 включает требования п. 2.6 СТ СЭВ 2681-80.

Табл. 3 ГОСТ 21779-82 включает табл. 1 информационного приложения 1 СТ СЭВ 2681-80.

П. 2.6 ГОСТ 21779-82 включает требования п. 2.8 СТ СЭВ 2681-80.

Табл. 4 ГОСТ 21779-82 включает табл. 1 информационного приложения 1 СТ СЭВ 2681-80.

П. 3.1 ГОСТ 21779-82 включает требования п. 3.1 СТ СЭВ 2681-80.

Черт. 5 ГОСТ 21779-82 включает черт. 4 СТ СЭВ 2681-80.

Черт. 6 ГОСТ 21779-82 включает черт. 5 СТ СЭВ 2681-80.

Черт. 8 ГОСТ 21779-82 включает черт. 6 СТ СЭВ 2681-80.

Табл. 5 ГОСТ 21779-82 включает табл. 2 информационного приложения 1 СТ СЭВ 2681-80.

Табл. 6 ГОСТ 21779-82 включает табл. 2 информационного приложения 1 СТ СЭВ 2681-80.

Табл. 7 ГОСТ 21779-82 включает табл. 2 информационного приложения 1 СТ СЭВ 2681-80.

П. 3.8 ГОСТ 21779-82 включает требования п. 3.3 СТ СЭВ 2681-80.

П. 4.1 ГОСТ 21779-82 включает требования п. 1.1 СТ СЭВ 2681-80

П. 4.2 ГОСТ 21779-82 включает требования п. 4.2 СТ СЭВ 2681-80.

Черт. 11 ГОСТ 21779-82 включает черт. 7 СТ СЭВ 2681-80.

Черт. 12 ГОСТ 21779-82 включает черт. 8 СТ СЭВ 2681-80.

Табл. 8 ГОСТ 21779-82 включает табл. 1 информационного приложения 1 СТ СЭВ 2681-80.

Табл. 9 ГОСТ 21779-82 включает табл. 1 информационного приложения 1 СТ СЭВ 2681-80.

Справочное приложение 2 ГОСТ 21779-82 включает информационное приложение 2 СТ СЭВ 2681-80.

ПРИЛОЖЕНИЕ 2

Справочное

ПОЯСНЕНИЯ ТЕРМИНОВ, ПРИМЕНЯЕМЫХ В НАСТОЯЩЕМ СТАНДАРТЕ

Технологический допуск - по ГОСТ 21778-81.

Технологическое предельное отклонение - предельное отклонение геометрического параметра, устанавливающее точность выполнения соответствующего технологического процесса или операции.

Класс точности - по ГОСТ 21778-81.

Условная прямая (плоскость) - прямая (плоскость), принимаемая за начало отсчета отклонений и проходящая через заданные точки реального профиля (поверхности) или прилегающая к реальному профилю (поверхности).

Прилегающая прямая (плоскость) - по СТ СЭВ 301-76.

ПРИЛОЖЕНИЕ 3
Рекомендуемое

Вид допусков и формулы для вычисления значения единицы допуска

Характеристика технологического процесса или операции

Вид допуска геометрического параметра

Формула для вычисления, мм

Значение a

Изготовление

Допуск линейного размера

i = ai(0,8 + 0,001 ) ´ (+0,01 ),

где L, мм

1,0

Допуск прямолинейности

1,0

Допуск плоскостности

1,0

Допуск перпендикулярности

0,6

Допуск равенства диагоналей

1,0

Разбивка

Допуск разбивки точек и осей в плане

i = aiL,

где L, м

1,0

Допуск передачи точек и осей по вертикали

0,4

Допуск створности точек

0,25

Допуск разбивки высотных отметок

0,6

Допуск передачи высотных отметок

0,25

Допуск перпендикулярности осей

0,4

Установка (монтаж)

Допуск совмещения ориентиров

i = ai(0,8 + 0,001 ) ´(+ 0,01 ),

где L, мм

1,6

Допуск симметричности установки

0,6

СОДЕРЖАНИЕ

1. Общие положения. 2

2. Точность изготовления элементов. 3

3. Точность разбивочных работ. 8

4. Точность строительных и монтажных работ. 12

Приложение 1 Информационные данные о соответствии ГОСТ 21779-82 ст сэв 2681-80. 15

Приложение 2 Пояснения терминов, применяемых в настоящем стандарте. 16

Приложение 3 Вид допусков и формулы для вычисления значения единицы допуска. 16

 




Яндекс цитирования



   Copyright © 2007-2026,  www.tehlit.ru.

[ ѓосты, стандарты, нормативы, инструкции, правила, строительные нормы ]