//
ТехЛит.ру
- крупнейшая бесплатная электронная интернет библиотека для "технически умных" людей.
WWW.TEHLIT.RU - ТЕХНИЧЕСКАЯ ЛИТЕРАТУРА

:: Алготрейдинг::


АЛГОТРЕЙДИНГ
шаг за шагом
с нуля по урокам!

Торговые роботы на PYTHON, BackTrader,
Pandas, Pine Script для TradingView. Связка с брокерами, телеграм и легкими приложениями.


ГОСУДАРСТВЕННЫЙ СТАНДАРТ СОЮЗА ССР

ГАБАРИТЫ ПРИБЛИЖЕНИЯ
СТРОЕНИЙ И ПОДВИЖНОГО СОСТАВА
ЖЕЛЕЗНЫХ ДОРОГ КОЛЕИ 750 мм

ГОСТ 9720-76

ГОСУДАРСТВЕННЫЙ КОМИТЕТ СОВЕТА МИНИСТРОВ СССР
ПО ДЕЛАМ СТРОИТЕЛЬСТВА

Москва

РАЗРАБОТАН Государственным институтом по проектированию лесозаготовительных, лесосплавных, деревообрабатывающих предприятии и путей лесотранспорта

Директор Ю. С. Комаров

Руководитель темы Е. Е. Юзихин

Исполнители: С. И. Корнейчук, Т. М. Хренова, Л. Н. Шевелева

ВНЕСЕН Министерством лесной и деревообрабатывающей промышленности СССР

Зам. министра В. П. Батраков

ПОДГОТОВЛЕН К УТВЕРЖДЕНИЮ Отделом технического нормирования и стандартизации Госстроя СССР

Начальник отдела В. И. Сычев

Начальник подотдела норм проектирования сооружений В. И. Байко

Ст. эксперт И. Д. Демин

УТВЕРЖДЕН И ВВЕДЕН В ДЕЙСТВИЕ Постановлением Государственного комитета; Совета Министров СССР по делам строительства от 5 октября 1976 г. № 156

ГОСУДАРСТВЕННЫЙ СТАНДАРТ СОЮЗА ССР

ГАБАРИТЫ ПРИБЛИЖЕНИЯ СТРОЕНИЙ
И ПОДВИЖНОГО СОСТАВА ЖЕЛЕЗНЫХ
ДОРОГ КОЛЕИ 750 мм

Construction and Rolling stock
clearance diagrams for USSR
Railway guage 750 mm

ГОСТ
9720-76

Взамен
ГОСТ 9720-61

Постановлением Государственного комитета Совета Министров СССР по делам строительства от 5 октября 1976 г. № 156 срок введения установлен

с 01.07. 1977 г.

Несоблюдение стандарта преследуется по закону

Настоящий стандарт распространяется на габариты приближения строений и подвижного состава железных дорог колеи 750 мм. Для отдельных специализированных подъездных путей промышленных предприятий, где по условиям технологического процесса не могут быть выдержаны требования настоящего стандарта, разрешается устанавливать специальные габариты приближения строений и подвижного состава, утверждаемые соответствующими министерствами или ведомствами по согласованию с Госстроем СССР.

1. ОСНОВНЫЕ ПОЛОЖЕНИЯ

1.1. Настоящим стандартом устанавливаются:

габарит приближения строений Су (черт. 1) - предельное поперечное (перпендикулярное оси пути) очертание, внутрь которого помимо подвижного состава не должны заходить никакие части сооружений и устройств, а также лежащие около пути материалы, запасные части и оборудование, за исключением частей устройств (подвагонных толкателей в рабочем состоянии, контактных проводов с деталями крепления, хоботов гидравлических колонок при наборе воды и др.), предназначенных для непосредственного взаимодействия с соответствующими частями подвижного состава, при условии, что указанные устройства во внутригабаритном пространстве не будут соприкасаться с другими элементами подвижного состава;

габарит подвижного состава Ту (черт. 2 и черт. 3) - предельное поперечное (перпендикулярное оси пути) очертание, в котором должен помещаться установленный на прямом горизонтальном пути как в порожнем, так и в нагруженном состоянии подвижной состав с учетом максимальных нормируемых допусков и износов, за исключением бокового наклонения на рессорах;

габарит погрузки грузов Пу (черт. 4) - предельное поперечное (перпендикулярное оси пути) очертание, в котором должен размещаться груз (с учетом упаковки и крепления) на открытом подвижном составе при нахождении его на прямом горизонтальном пути.

1.2. Пространство между габаритом приближения строений и габаритом подвижного состава, а также между смежными габаритами подвижного состава предусмотрено для смещений подвижного состава, которые вызываются отклонениями в состоянии отдельных элементов пути, а также колебаниями и боковыми наклонениями подвижного состава на рессорах.

1.3. Установленные настоящим стандартом габаритные нормы должны применяться:

при проектировании и строительстве новых железных дорог, сооружений, устройств и при проектировании и постройке подвижного состава;

при реконструкции существующих железных дорог, сооружений, устройств (строительстве вторых путей, электрификации и др.) и модернизации подвижного состава.

2. ГАБАРИТ ПРИБЛИЖЕНИЯ СТРОЕНИЙ

2.1. Габарит приближения строений железных дорог колеи 750 мм и минимальное расстояние между осями главных путей на перегонах для прямых участков пути должны соответствовать черт. 1.

Расстояния между осями смежных путей раздельных пунктов (станций, разъездов, обгонных пунктов), расположенных на прямых участках, следует принимать не менее указанных в табл. 1.

Для кривых участков пути горизонтальные размеры габарита приближения строений и расстояния между осями смежных путей необходимо увеличивать согласно табл. 2.

   линия приближения сооружений и устройств, кроме расположенных на путях, электрификация которых исключена;

   линия приближения сооружений и устройств из сгораемых материалов на путях, электрификация которых исключена;

     линия приближения сооружений и устройств из несгораемых и трудносгораемых материалов на путях, электрификация которых исключена;

     линия приближения зданий, сооружений и устройств (кроме пролетных строений мостов, тоннелей, галерей и платформ), расположенных с внешней стороны крайних путей на перегонах и раздельных пунктах,

В особо трудных условиях, при соответствующем обосновании и по разрешению министерства или ведомства, в ведении которого находятся железнодорожные пути, это расстояние может быть уменьшено: до внутреннего края опор контактной сети, мачт светофоров и семафоров - до 2300 мм на перегонах и до 1925 мм на раздельных пунктах; до зданий - до 2300 мм на перегонах;

          линия приближения перил на мостах, эстакадах и других искусственных сооружениях

Черт. 1

Примечания:

1. В нижней части размер 340 мм определяет габарит приближения желобов и контррельсов, а размер 320 мм - габарит приближения всех других постоянных частей верхнего строения пути.

2. Разрешается укладывать настилы переездов внутри колеи на 30 мм выше уровня верха головок рельсов в случаях, когда это допускается положением нижних частей эксплуатируемого на данной линия подвижного состава.

3. Размеры основного очертания габарита приближения строений, показанного сплошной линией: в местах работы и передвижения обслуживающего персонала железнодорожного транспорта и работников промышленных предприятий следует при необходимости дополнительно увеличивать на величины, гарантирующие наличие между подвижным составом и сооружением или устройством зазоров, обеспечивающих безопасность работников указанных категорий и устанавливаемых в зависимости от места расположения путей, их назначения и специфики предприятия.

Таблица 1

Наименование путей раздельных пунктов

Расстояния, мм, между осями смежных путей на прямых участках железных дорог

колеи 750 мм

колеи 750 и 1520 мм

Главные и смежные с ними пути

4000

4700

Сортировочные пути и пути парков приема и отправления поездов

3800

4300

Запасные станционные пути; пути парков стоянки подвижного состава или вагонов, ожидающих ремонта; пути на молах, пристанях, в портах и гаванях

3600

4100

Пути для перегрузки из вагона в вагон (при одинаковом уровне путей):

 

 

при перегрузке мелких грузов вручную

2800

3200

при перегрузке крупных грузов

2800

3600

Пути для перегрузки из вагона в вагон при разном уровне путей (при одинаковом уровне пола вагонов)

-

3200

Главные и смежные с ними вытяжные пути

4000

-

Шлакоуборочные или ремонтные пути

5200

-

Примечания:

1. Расстояния между осями смежных путей указаны при свободных междупутьях. При наличии в пределах междупутий каких-либо сооружений и устройств (платформ, сигнальных устройств, опор, мачт, столбов, гидравлических. колонок и т. п.) расстояния между осями смежных путей следует увеличивать, обеспечивая при этом требуемые габаритные размеры от оси пути до этих сооружений и устройств.

2. При механизированной погрузке и выгрузке грузов расстояния между осями смежных путей надлежит увеличивать до необходимых размеров в зависимости от конструкции применяемых механизмов.

3. На внутренних путях промышленных предприятий, предназначенных только для специального подвижного состава, междупутные расстояния должны определяться по техническим условиям, утверждаемым соответствующими министерствами или ведомствами.

Таблица 2

Радиус кривой, м

Расчетное максимальное возвышение наружного рельса, мм

Увеличение горизонтальных расстояний, мм

 

между осями смежных путей

между осью пути и линиями габарита приближения строений

 

при возвышении наружного рельса внешнего пути более возвышения наружного рельса внутреннего пути

во всех остальных случаях

с внутренней стороны кривой

с наружной стороны кривой

на перегонах

на раздельных пунктах

на перегонах

на раздельных пунктах

 

1800

15

55(100)

40(120)

25(70)

15(70)

70(85)

20(45)

 

1500

20

70(120)

45(140)

30(85)

20(85)

90(100)

25(50)

 

1200

25

90(150)

55(175)

40(110)

25(110)

110(125)

35(65)

 

1000

30

105(180)

65(210)

45(130)

30(130)

135(155)

40(80)

 

900

35

120(200)

70(235)

50(140)

30(140)

155(175)

40(85)

 

800

40

130(220)

80(260)

50(155)

35(155)

180(195)

45(90)

 

700

45

145(245)

90(290)

53(175)

35(175)

200(220)

45(100)

 

600

50

155(280)

100(325)

55(195)

40(195)

225(250)

45(110)

 

500

50

160(310)

110(355)

60(225)

45(225)

225(265)

50(125)

 

400

50

165(355)

115(405)

65(275)

50(275)

230(290)

50(150)

 

350

50

170(390)

120(440)

70(310)

55(310)

230(310)

55(165)

 

300

50

175(435)

125(490)

75(355)

60(355)

235(330)

60(185)

 

250

50

180(500)

135(545)

85(420)

70(420)

240(365)

65(215)

 

200

50

200(595)

150(645)

100(515)

80(515)

245(415)

70(260)

 

150

50

215(755)

170(805)

115(675)

100(675)

250(500)

80(335)

 

125

50

235(885)

185(930)

135(805)

120(805)

260(570)

90(400)

 

100

50

270(1075)

210(1125)

170(995)

145(995)

300(670)

105(490)

 

80

50

315(1315)

240(1365)

190(1235)

175(1235)

360(795)

120(600)

 

60

50

370(1635)

295(1765)

245(1635)

225(1635)

380(1010)

150(790)

 

50

50

410(2035)

335(1955)

285(1955)

270(1955)

400(1075)

175(940)

 

40

50

470

400

345

330

420

210

 

30

50

570

500

450

435

460

265

 

25

50

660

670

535

520

500

315

 

20

50

780

710

660

640

550

380

 

15

50

980

910

860

840

640

510

 

Примечания:

1. Основные нормы, указанные без скобок, определены для движения с максимальной скоростью до 80 км/ч расчетного двухосного вагона с длиной прямоугольной части кузова 10 м и расстоянием между осями (базой) 6,90 м.

2. Дополнительные нормы, указанные в скобках, следует применять только для путей, предназначенных для перевозки длинномерных грузов и древесины в хлыстах на сцепе двух платформ; наиболее неблагоприятное сочетание выносов этих грузов получено:

для наружной стороны кривой - при перевозке груза длиной 23 м на сцепе двух платформ, имеющих базу 5,70 м и базу тележки 1,15 м;

для внутренней стороны кривой - при перевозке груза длиной 25 м на сцепе двух платформ, имеющих базу 2,30 м и базу тележки 1,15 м (база перевозимого груза 20,14 м); максимальная скорость движения с такими грузами принята равной 75 км/ч.

3. При проектировании сооружений и устройств следует принимать норму увеличения горизонтальных расстояний, соответствующую наиболее неблагоприятному сочетанию расчетных параметров в период строительства и эксплуатации железной дороги (с учетом перспективы).

4. При расстояниях между осями путей на перегонах и раздельных пунктах 4500 мм и более увеличение их в кривых участках требуется только для путей, предназначенных для перевозки длинномерных грузов. При этом расстояния между осями путей следует увеличивать на разность величин, приведенных в скобках и без скобок для соответствующего радиуса.

2.2. На междупутьях перегонов, а также раздельных пунктов в пределах полезной длины путей для обеспечения механизации работ по техническому обслуживанию и ремонту пути (балластировке, очистке щебня, уборке снега и др.) не должно располагаться ни одно сооружение или устройство, кроме искусственных сооружений, настилов переездов, индукторов локомотивной сигнализации, а также стрелочных приводов и устройств СЦБ. В случаях, когда на станциях с большим путевым развитием выполнение этого требования невозможно и возникает необходимость расположения в пределах междупутий отдельных устройств (опор, мачт, столбов, стеллажей, напольных устройств СЦБ и др.), эти устройства следует сконцентрировать на ограниченных по числу междупутьях с тем, чтобы обеспечивалась возможность механизации работ по текущему содержанию и ремонту остальных путей станций.

2.3. Размеры габарита приближения строений в кривых участках пути следует отсчитывать:

горизонтальные - от вертикальной линии, проходящей внутри колеи на расстоянии 375 мм от рабочей грани головки ближайшего к сооружению или устройству рельса;

вертикальные - от уровня верха головки внутреннего рельса.

2.4. Отверстия ворот депо для подвижного состава, а также мастерских должны иметь размеры в свету не менее, мм:

по ширине - 3450;

по высоте - 4100.

2.5. Установленные настоящим стандартом вертикальные размеры габарита приближения строений необходимо соблюдать в течение всего периода эксплуатации каждого сооружения или устройства и назначать с учетом возможного изменения уровня верха головок рельсов; понижения - вследствие износа рельсов; повышения - вследствие укладки более тяжелых типов рельсов, перехода на щебеночный балласт и др.

3. ГАБАРИТ ПОДВИЖНОГО СОСТАВА

3.1. Габарит подвижного состава железных дорог колеи 750 мм должен соответствовать указанному на черт. 2 и черт. 3 и применяться при проектировании и постройке нового подвижного состава всех типов: локомотивов, вагонов (грузовых и пассажирских), снегоочистителей и др.

· · · · · · · ·         только для сигнальных устройств;

¾ ¾ ¾ ¾      для выступающих неответственных частей подвижного состава (козырьков для стока воды, подлокотников, щитков. поручней, крюков, продольных поясков карнизов и прочих мелких выступающих частей) при протяжении их по высоте габарита не свыше 500 мм для съемных частей, 100 мм - для деревянных и 25 мм - для металлических несъемных частей;

× ¾ × ¾ × ¾ ×¾    для пантографов электровозов в нерабочем (опущенном) состоянии и кабин локомотивов, построенных до введения настоящего стандарта.

Черт. 2

 для обрессоренных частей подвижного состава;

¾´¾´¾    для необрессоренных частей подвижного состава.

Черт. 3

Примечание. При проектировании и постройке нового подвижного состава должны применяться только размеры, указанные без скобок.

Методика определения строительных размеров подвижного состава приведена в приложении к настоящему стандарту.

4. ГАБАРИТ ПОГРУЗКИ ГРУЗОВ

4.1. Грузы, перевозимые на открытом подвижном составе (с длиной L прямоугольной части погрузочной платформы не более 10 м и базой не более 6,90 м или при меньших значениях L и , но с обеспечением отношения L/£1,5), могут иметь по всей длине погрузочной платформы размеры габарита погрузки, показанного на черт. 4.

На железных дорогах, предназначенных для перевозки длинномерных грузов или древесины в хлыстах и имеющих уширения в кривых участках пути по нормам, приведенным в табл. 2 в скобках (с учетом примечания 2), допускается иметь размеры габарита погрузки, показанного на черт. 4, по всей длине длинномерных грузов.

ГАБАРИТ ПОГРУЗКИ ГРУЗОВ Пу

Черт. 4

Примечания:

1. Размер А должен устанавливаться в зависимости от высоты пола используемого подвижного состава (платформы, сцепа, транспортера и др.) и массы перевозимого груза.

2. При перевозке грузов на подвижном составе специальных видов и в пределах ограниченного круга дорог (путей) габарит погрузки может иметь размеры более указанных на черт. 4, которые должны получаться путем уменьшения габарита Ту на величины ограничений Ев и Ен, вычисляемых по формулам п. 3 приложения к настоящему стандарту.

ПРИЛОЖЕНИЕ

ОПРЕДЕЛЕНИЕ СТРОИТЕЛЬНЫХ РАЗМЕРОВ ПОДВИЖНОГО СОСТАВА

1. Вертикальные размеры габарита подвижного состава поверху являются одновременно и максимальными строительными размерами проектируемого по нему подвижного состава по высоте в ненагруженном состоянии.

Минимально допускаемые вертикальные строительные размеры проектируемого подвижного состава понизу получаются путем увеличения соответствующих вертикальных размеров габарита подвижного состава на величину возможного в эксплуатации статического параллельного понижения подвижного состава вследствие максимального нормируемого износа ходовых частей, а для обрессоренных деталей и вследствие равномерной осадки рессор.

Для подвижного состава, в процессе эксплуатации которого возможна замена колесных пар одного диаметра на колесные пары другого диаметра, вертикальные размеры должны определяться:

поверху - при колесах наибольшего возможного диаметра;

понизу - при колесах наименьшего возможного диаметра.

2. Максимально допускаемые горизонтальные строительные размеры проектируемого подвижного состава в отдельных сечениях по его длине определяются путем уменьшения соответствующих поперечных размеров габарита подвижного состава с каждой стороны на величины необходимых ограничений Ев, Ес или Ен (поперечных смещений подвижного состава при вписывании в кривую расчетного радиуса с учетом наибольших допускаемых износов ходовых частей). Максимально допускаемая ширина подвижного состава на некоторой высоте Н над уровнем верха головки рельса определяется по формуле

2В=2(В0-Е),

где В0 -   полуширина соответствующего габарита подвижного состава на рассматриваемой высоте;

Е - одно из указанных выше ограничений Ев, Ес или Ен.

3. Указанные в п. 2 необходимые ограничения, мм, следует определять:

внутреннее ограничение Eв поперечных сечений подвижного состава, находящихся между шкворнями тележек или направляющими осями подвижного состава нетележечных видов, по формуле

;

наибольшее внутреннее ограничение Ес поперечного сечения подвижного состава, находящегося посредине направляющей базы подвижного состава (при nв=nc=ℓ/2), по формуле

;

наружное ограничение Ен (а также наибольшее наружное ограничение Ек при nн=nк) поперечных сечений подвижного состава, расположенных снаружи от шкворней тележек или направляющих осей подвижного состава нетележечных видов, по формуле

,

где l - расстояние между шкворнями тележек или направляющими осями подвижного состава нетележечных видов (база подвижного состава), м;

nв - расстояние от рассматриваемого поперечного сечения подвижного состава (при расположении сечения между шкворнями тележек или направляющими осями) до ближайшего шкворня тележки или направляющей оси м;

nн - то же, при расположении рассматриваемого поперечного сечения подвижного состава в консольных частях;

Р - база тележки, м;

R - расчетный радиус кривой, м;

е - уширение колеи в кривой расчетного радиуса, мм;

44,5 и 55,5 - величины, учитывающие поперечные смещения, соответственно среднего и концевого сечений расчетного вагона в кривой расчетного радиуса R;

90 -  коэффициент, учитывающий поперечное смещение конца проектируемого подвижного состава в положении полного перекоса в плане от разбегов ходовых частей;

125 - коэффициент для перевода размерностей.

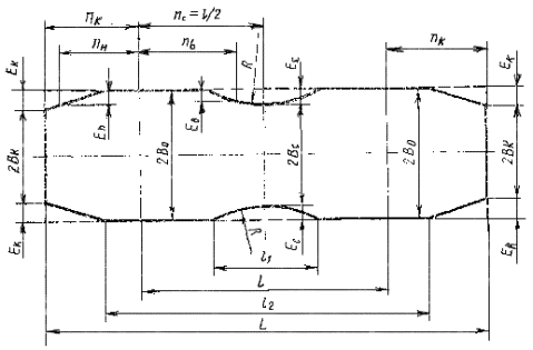
4. При необходимости определения ограничений (кроме наибольших Ек и Ес;) для ряда дополнительных сечений но длине подвижного состава (например, расположенных через 1 м) строится горизонтальная габаритная рамка (см чертеж), определяющая наибольшие допускаемые по ширине размеры подвижного состава в различных сечениях.

Размеры l1 и l2, м, с которых начинаются ограничения, определяются по формулам:

; ,

где 0,0893 - коэффициент для перевода размерностей.

5. Расчетный радиус R кривой устанавливается равным 100 м, для которого уширение рельсовой колеи е равно 14 мм. При соответствующем обосновании величину расчетного радиуса допускается принимать отличной от 100 м, но не более наименьшего радиуса кривой в пределах железнодорожных путей, для обращения на которых предназначается проектируемый подвижной состав.

6. При проектировании подвижного состава новых типов с мягким рессорным подвешиванием (гибкость рессорного подвешивания тележки более 4,5 мм/т) допускаемая высота обрессоренных частей подвижного состава должна определяться, исходя из нижней линии габарита Ту для необрессоренных частей, но с учетом полного сжатия рессорных комплектов.

7. Окончательные строительные размеры подвижного состава должны устанавливаться с учетом обеспечения возможности работы отдельных частей вновь проектируемого подвижного состава в сочетании с частями существующего подвижного состава (подкатка колесных пар с другими диаметрами колес или другими типами подшипников, подкатка старотипных тележек и др.) и соблюдением при этом габаритных требований.

8. Проектируемый подвижной состав не должен выходить за пределы строительного очертания, определенного настоящим стандартом, не только по номинальным размерам, но и с учетом заводских допусков.

СОДЕРЖАНИЕ

 




Яндекс цитирования



   Copyright © 2007-2026,  www.tehlit.ru.

[ ѓосты, стандарты, нормативы, инструкции, правила, строительные нормы ]