|
| |

ГОСУДАРСТВЕННЫЙ СТАНДАРТ
СОЮЗА ССР
ПЛИТЫ ЖЕЛЕЗОБЕТОННЫЕ
ДЛЯ ПОКРЫТИЙ ТРАМВАЙНЫХ ПУТЕЙ
КОНСТРУКЦИЯ И РАЗМЕРЫ
ГОСТ
19231.1-83
ГосударственнЫЙ
комитет СССР по делам строительства
Москва - 1983
РАЗРАБОТАНЫ
Министерством жилищно-коммунального хозяйства
РСФСР
Научно-исследовательским институтом бетона и
железобетона (НИИЖБ) Госстроя СССР
ИСПОЛНИТЕЛИ
В А Семина, канд. техн. наук (руководитель темы); А. Н.
Стульчиков, канд. техн. наук; Г. Т. Осипович; Л. А. Когель; Н. А.
Гаврилова; Н. Н. Перетрухин
ВНЕСЕНЫ Министерством
жилищно-коммунального хозяйства РСФСР
Зам. министра С. М. Ионов
УТВЕРЖДЕНЫ И ВВЕДЕНЫ В ДЕЙСТВИЕ Постановлением
Государственного комитета СССР по делам строительства от 26 января 1983 г. № 18
ГОСУДАРСТВЕННЫЙ
СТАНДАРТ СОЮЗА ССР
|
ПЛИТЫ
ЖЕЛЕЗОБЕТОННЫЕ ДЛЯ ПОКРЫТИЙ ТРАМВАЙНЫХ ПУТЕЙ
Конструкция и размеры
Reinforced concrete
slabs for tramway track pavements. Structure and dimensions
|
ГОСТ
19231.1-83
|
Постановлением
Государственного комитета СССР по делам строительства от 26 января 1983 г. № 18
срок введения установлен
с
01.01.84
Несоблюдение стандарта преследуется по закону
1. Настоящий стандарт распространяется на
железобетонные плиты типов 1П, 2П и 3П, изготовляемые из тяжелого бетона и
предназначенные для устройства покрытий трамвайных путей, и устанавливает
конструкцию плит и арматурных изделий к ним.
2. Плиты должны удовлетворять всем требованиям
ГОСТ
19231.0-83 и настоящего стандарта.
3. Технические показатели плит приведены в табл. 1.
Таблица 1
|
Марка плиты
|
Нормативная подвижная автомобильная нагрузка
|
Класс бетона по прочности на сжатие
|
Расход материалов на плиту
|
|
Бетон, м3
|
Сталь, кг
|
|
1П14.15.12
|
Н-30
|
В30
|
0,25
|
19,73
|
|
1П14.15.10
|
Н-10
|
0,21
|
18,19
|
|
1П14.17.12
|
Н-30
|
0,29
|
21,89
|
|
1П14.17.10
|
Н-10
|
0,24
|
20,22
|
|
1П14.19.12
|
Н-30
|
0,31
|
22,20
|
|
1П14.19.10
|
Н-10
|
0,26
|
20,98
|
|
1П14.21.12
|
Н-30
|
0,35
|
24,81
|
|
1П14.21.10
|
Н-10
|
0,29
|
23,46
|
|
1П7.14.12
|
Н-30
|
0,11
|
10,42
|
|
1П7.14.10
|
Н-10
|
0,09
|
8,58
|
|
2П14.15.12
|
Н-30
|
В30
|
0,22
|
16,98
|
|
2П14.15.10
|
Н-10
|
0,20
|
16,06
|
|
2П14.17.12
|
Н-30
|
0,26
|
19,07
|
|
2П14.17.10
|
Н-10
|
0,23
|
18,01
|
|
2П14.19.12
|
Н-30
|
0,28
|
19,46
|
|
2П14.19.10
|
Н-10
|
0,24
|
18,32
|
|
2П14.21.12
|
Н-30
|
0,31
|
21,45
|
|
2П14.21.10
|
Н-10
|
0,27
|
20,19
|
|
2П7.14.12
|
Н-30
|
0,09
|
7,15
|
|
2П7.14.10
|
Н-10
|
0,08
|
6,06
|
|
3П7.7.8
|
Н-30
|
0,04
|
6,06
|
4.
Армирование плит должно соответствовать приведенному на черт. 1-4.
5.
Спецификация арматурных изделий и выборка стали на одну плиту приведены в табл. 2 и
3.
6. Форма и
размеры арматурных изделий должны соответствовать приведенным на черт. 5-10
и в табл. 2.
7. Соединение
стержней следует производить контактной точечной сваркой по ГОСТ 14098-68 и СН
393-78.
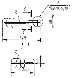
Армирование плит
типа 1П
(черт.1 а, б по ГОСТ
19231.0-83)

H L, В - по ГОСТ
19231.0-83; 1 - верхняя сетка (С1, С3, С5, С7, С21); 2 -
нижняя сетка (С2, С4, С6, С8, С9, С10, С11, С12, С22, С23); 3 - фиксатор
(Ф1, Ф2, Ф3, Ф4); 4 - подъемная технологическая петля T1-1;
Т1-2)
Черт. 1
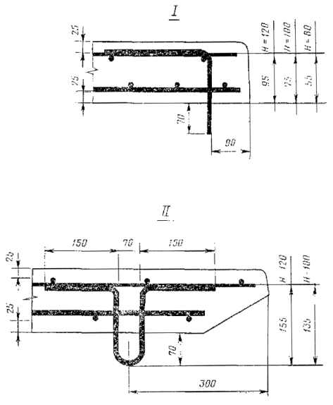
Армирование плит типа 2П
(черт. 2 а, б по ГОСТ
19231.0-83)

Н, L, В - по ГОСТ
19231.0-83; 1 - верхняя сетка (С1, С3, С5, С7, С21); 2 -
нижняя сетка (С13, С14, С15, С16, С17, С18, С19, С20, С24, С25); 3 -
фиксатор (Ф1, Ф2, Ф3, Ф4); 4 - подъемная технологическая петля (Т2-1,
Т2-2)
Черт. 2
Армирование плит типа 3П
(черт. 3 по ГОСТ
19231.0-83)

2 - нижняя сетка (С26); 4
- подъемная технологическая плита Т1-3
Черт. 3

Черт. 4
Таблица 2
|
Марка арматурного изделия
|
Номер позиции
|
Диаметр, мм, класс
|
Длина, мм
|
Количество
|
Общая длина, м
|
Масса отдельных стержней, кг
|
Общая масса, кг
|
|
1
|
2
|
3
|
4
|
5
|
6
|
7
|
8
|
|
C1
|
1
|
6AIII
|
1450
|
7
|
10,15
|
2,25
|
3,79
|
|
2
|
5ВрI
|
1340
|
8
|
10,72
|
1,54
|
|
C2
|
3
|
10АIII
|
1450
|
8
|
11,60
|
7,16
|
13,51
|
|
4
|
8AIII
|
1340
|
12
|
16,08
|
6,35
|
|
С3
|
5
|
6AIII
|
1670
|
7
|
11,69
|
2,60
|
4,34
|
|
2
|
5BpI
|
1340
|
9
|
12,06
|
1,74
|
|
C4
|
6
|
10AIII
|
1670
|
8
|
13,36
|
8,24
|
15,12
|
|
4
|
8AIII
|
1340
|
13
|
17,42
|
6,88
|
|
С5
|
7
|
6AIII
|
1800
|
7
|
12,60
|
2,80
|
4,54
|
|
2
|
5BpI
|
1340
|
9
|
12,06
|
1,74
|
|
C6
|
8
|
10AIII
|
1800
|
8
|
14,40
|
8,88
|
15,23
|
|
4
|
8AIII
|
1340
|
12
|
16,08
|
6,35
|
|
C7
|
9
|
6AIII
|
2010
|
7
|
14,07
|
3,12
|
5,05
|
|
2
|
5BpI
|
1340
|
10
|
13,40
|
1,93
|
|
С8
|
10
|
10AIII
|
2010
|
8
|
16,08
|
9,92
|
17,33
|
|
4
|
8AIII
|
1340
|
14
|
18,76
|
7,41
|
|
C9
|
3
|
10AIII
|
1450
|
7
|
10,15
|
6,26
|
12,08
|
|
4
|
8AIII
|
1340
|
11
|
14,74
|
5,82
|
|
C10
|
6
|
10AIII
|
1670
|
7
|
11,69
|
7,21
|
13,56
|
|
4
|
8AIII
|
1340
|
12
|
16,08
|
6,35
|
|
С11
|
8
|
10AIII
|
1800
|
7
|
12,60
|
7,77
|
14,12
|
|
4
|
8AIII
|
1340
|
12
|
16,08
|
6,35
|
|
С12
|
10
|
10AIII
|
2010
|
7
|
14,07
|
8,68
|
16,09
|
|
4
|
8AIII
|
1340
|
14
|
18,76
|
7,41
|
|
С13
|
11
|
10AIII
|
1250
|
8
|
10,00
|
6,17
|
11,12
|
|
12
|
8AIII
|
1140
|
11
|
12,54
|
4,95
|
|
С14
|
13
|
10AIII
|
1470
|
8
|
11,76
|
7,26
|
12,66
|
|
12
|
8AIII
|
1140
|
12
|
13,68
|
5,40
|
|
С15
|
14
|
10AIII
|
1600
|
8
|
12,80
|
7,90
|
12,85
|
|
12
|
8AIII
|
1140
|
11
|
12,54
|
4,95
|
|
С16
|
15
|
10AIII
|
1810
|
8
|
14,48
|
8,93
|
14,33
|
|
12
|
8AIII
|
1140
|
12
|
13,68
|
5,40
|
|
С17
|
11
|
10AIII
|
1250
|
7
|
8,75
|
5,40
|
10,35
|
|
12
|
8AIII
|
1140
|
11
|
12,54
|
4,95
|
|
С18
|
13
|
10AIII
|
1470
|
7
|
10,29
|
6,35
|
11,75
|
|
12
|
8AIII
|
1140
|
12
|
13,68
|
5,40
|
|
С19
|
14
|
10AIII
|
1600
|
7
|
11,20
|
6,91
|
11,86
|
|
12
|
8AIII
|
1140
|
11
|
12,54
|
4,95
|
|
С20
|
15
|
10AIII
|
1810
|
7
|
12,67
|
7,82
|
13,22
|
|
12
|
8AIII
|
1140
|
12
|
13,68
|
5,40
|
|
С21
|
16
|
6AIII
|
1330
|
4
|
5,32
|
1,18
|
1,82
|
|
17
|
5BpI
|
630
|
7
|
4,41
|
0,64
|
|
С22
|
18
|
10AIII
|
1330
|
6
|
7,98
|
4,92
|
7,37
|
|
19
|
8AIII
|
620
|
10
|
6,2
|
2,45
|
|
С23
|
20
|
8AIII
|
1330
|
6
|
7,98
|
3,15
|
5,60
|
|
19
|
8АШ
|
620
|
10
|
6,2
|
2,45
|
|
С24
|
21
|
10AIII
|
1130
|
4
|
4,52
|
2,79
|
4,28
|
|
22
|
8AIII
|
420
|
9
|
3,78
|
1,49
|
|
С25
|
23
|
8AIII
|
1130
|
4
|
4,52
|
1,79
|
3,28
|
|
22
|
8AIII
|
420
|
9
|
3,78
|
1,49
|
|
С26
|
24
|
10AIII
|
680
|
6
|
4,08
|
2,52
|
5,20
|
|
25
|
10AIII
|
620
|
7
|
4,34
|
2,68
|
|
Ф1
|
1
|
4BpI
|
80
|
7
|
0,56
|
0,05
|
0,17
|
|
2
|
4BpI
|
650
|
2
|
1,30
|
0,12
|
|
Ф2
|
3
|
4BpI
|
60
|
7
|
0,42
|
0,04
|
0,16
|
|
2
|
4BpI
|
650
|
2
|
1,30
|
0,12
|
|
Ф3
|
1
|
4BpI
|
80
|
4
|
0,32
|
0,03
|
0,09
|
|
4
|
4BpI
|
350
|
2
|
0,7
|
0,06
|
|
Ф4
|
3
|
4BpI
|
60
|
4
|
0,24
|
0,02
|
0,08
|
|
4
|
4BpI
|
350
|
2
|
0,7
|
0,06
|
|
Т1-1
|
1
|
10AII
|
785
|
1
|
0,785
|
0,48
|
0,48
|
|
Т1-2
|
2
|
10AII
|
745
|
1
|
0,745
|
0,46
|
0,46
|
|
Т1-3
|
3
|
10AII
|
705
|
1
|
0,705
|
0,43
|
0,43
|
|
Т2-1
|
1
|
10AII
|
630
|
1
|
0,630
|
0,39
|
0,39
|
|
Т2-2
|
2
|
10AII
|
590
|
1
|
0,590
|
0,36
|
0,36
|
Примечание. Арматура класса A-III
диаметром 10 мм может быть заменена арматурой класса Ат-III диаметром 10 мм по
ГОСТ 10884-81.
Таблица 3
|
Марка плиты
|
Сетка
|
Фиксатор
|
Подъемная технологическая петля
|
Выборка арматурной стали, кг
|
|
|
верхняя
|
нижняя
|
Марка
|
Количество
|
Марка
|
Количество
|
Класс А-II по ГОСТ 5781-82. Диаметр 10 мм
|
Итого
|
Класс А-III по ГОСТ 5781-82.
Диаметр, мм
|
Итого
|
Класс Bp-I по ГОСТ 6727-80. Диаметр, мм
|
Итого
|
Всего
|
|
|
Марка
|
Количество
|
Марка
|
Количество
|
|
|
6
|
8
|
10*
|
4
|
5
|
|
|
1П14.15.12
|
C1
|
1
|
C2
|
1
|
Ф1
|
3
|
Т1-1
|
4
|
0,48
|
1,92
|
2,25
|
6,35
|
7,16
|
15,76
|
0,17
|
1,54
|
2,05
|
19,73
|
|
|
1П14.15.10
|
C9
|
Ф2
|
Т1-2
|
0,46
|
1,84
|
2,25
|
5,82
|
6,26
|
14,33
|
0,16
|
1,54
|
2,02
|
18,19
|
|
|
1П14.17.12
|
С3
|
C4
|
Ф1
|
Т1-1
|
0,48
|
1,92
|
2,60
|
6,88
|
8,24
|
17,72
|
0,17
|
1,74
|
2,25
|
21,89
|
|
|
1П14.17.10
|
C10
|
Ф2
|
T1-2
|
0,46
|
1,84
|
2,60
|
6,35
|
7,21
|
16,16
|
0,16
|
1,74
|
2,22
|
20,22
|
|
|
1П14.19.12
|
C5
|
C6
|
Ф1
|
T1-1
|
0,48
|
1,92
|
2,80
|
6,35
|
8,88
|
18,03
|
0,17
|
1,74
|
2,25
|
22,20
|
|
|
1П14.19.10
|
C11
|
Ф2
|
Т1-2
|
0,46
|
1,84
|
2,80
|
6,35
|
7,77
|
16,92
|
0,16
|
1,74
|
2,22
|
20,98
|
|
|
1П14.21.12
|
C7
|
C8
|
Ф1
|
T1-1
|
0,48
|
1,92
|
3,12
|
7,41
|
9,92
|
20,45
|
0,17
|
1,93
|
2,44
|
24,81
|
|
|
1П14.21.10
|
C12
|
Ф2
|
T1-2
|
0,46
|
1,84
|
3,12
|
7,41
|
8,68
|
19,21
|
0,16
|
1,93
|
2,41
|
23,46
|
|
|
1П7.14.12
|
C21
|
C22
|
Ф3
|
T1-1
|
2
|
0,48
|
0,96
|
1,18
|
2,45
|
4,92
|
8,55
|
0,09
|
0,64
|
0,91
|
10,42
|
|
|
1П7.14.10
|
C23
|
Ф4
|
T1-2
|
0,46
|
0,92
|
1,18
|
5,60
|
-
|
6,78
|
0,08
|
0,64
|
0,88
|
8,58
|
|
|
2П14.15.12
|
C1
|
C13
|
Ф1
|
T2-1
|
4
|
0,39
|
1,56
|
2,25
|
4,95
|
6,17
|
13,37
|
0,17
|
1,54
|
2,05
|
16,98
|
|
|
2П14.15.10
|
C17
|
Ф2
|
T2-2
|
0,36
|
1,44
|
2,25
|
4,95
|
5,40
|
12,60
|
0,16
|
1,54
|
2,02
|
16,06
|
|
|
2П14.17.12
|
С3
|
C14
|
Ф1
|
T2-1
|
0,39
|
1,56
|
2,60
|
5,40
|
7,26
|
15,26
|
0,17
|
1,74
|
2,25
|
19,07
|
|
|
2П14.17.10
|
С18
|
Ф2
|
T2-2
|
0,36
|
1,44
|
2,60
|
5,40
|
6,35
|
14,35
|
0,16
|
1,74
|
2,22
|
18,01
|
|
|
2П14.19.12
|
C5
|
С15
|
Ф1
|
Т2-1
|
0,39
|
1,56
|
2,80
|
4,95
|
7,90
|
15,65
|
0,17
|
1,74
|
2,25
|
19,46
|
|
|
2П14.19.10
|
С19
|
Ф2
|
Т2-2
|
0,36
|
1,44
|
2,80
|
4,95
|
6,91
|
14,66
|
0,16
|
1,74
|
2,22
|
18,32
|
|
|
2П14.21.12
|
C7
|
С16
|
Ф1
|
Т2-1
|
0,39
|
1,56
|
3,12
|
5,40
|
8,93
|
17,45
|
0,17
|
1,93
|
2,44
|
21,45
|
|
|
2П14.21.10
|
С20
|
Ф2
|
Т2-2
|
0,36
|
1,44
|
3,12
|
5,40
|
7,82
|
16,34
|
0,16
|
1,93
|
2,41
|
20,19
|
|
|
2П7.14.12
|
C21
|
С24
|
ФЗ
|
Т2-1
|
2
|
0,39
|
0,78
|
1,18
|
1,49
|
2,79
|
5,46
|
0,09
|
0,64
|
0,91
|
7,15
|
|
|
2П7.14.10
|
С25
|
Ф4
|
Т2-2
|
0,36
|
0,72
|
1,18
|
3,28
|
-
|
4,46
|
0,08
|
0,64
|
0,88
|
6,06
|
|
|
3П7.7.8
|
-
|
-
|
С26
|
-
|
-
|
Т1-3
|
0,43
|
0,86
|
-
|
-
|
5,20
|
5,20
|
-
|
-
|
-
|
6,06
|
|
* Арматура класса А-III может быть заменена
арматурой класса Ат-III по ГОСТ 10884-81.

Черт. 5

Черт. 6
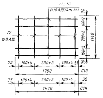
С13, С14

С15, С16

Черт. 7
С6, С8, С11, С12, С19, С20

Черт. 8
С21

С22, С23, С24, С25

С26

Черт. 9
Ф1, Ф2, Ф3, Ф4

Т1

Т2

Черт. 10
| |
|