|
| |

ГОСУДАРСТВЕННЫЙ СТАНДАРТ
СОЮЗА ССР
СТОЙКИ
ЖЕЛЕЗОБЕТОННЫЕ ЦЕНТРИФУГИРОВАННЫЕ
ДЛЯ ОПОР ВЫСОКОВОЛЬТНЫХ ЛИНИЙ ЭЛЕКТРОПЕРЕДАЧИ
Конструкция закладных изделий и подпятников
ГОСТ
22687.3-85
ГОСУДАРСТВЕННЫЙ
СТАНДАРТ СОЮЗА ССР
|
СТОЙКИ ЖЕЛЕЗОБЕТОННЫЕ
ЦЕНТРИФУГИРОВАННЫЕ ДЛЯ ОПОР ВЫСОКОВОЛЬТНЫХ ЛИНИЙ ЭЛЕКТРОПЕРЕДАЧИ
Конструкция
закладных изделий и подпятников
Centrifugal reinforced concrete posts for
high-voltage transmission lines. Structure of fitting products
|
ГОСТ
22687.3-85
|
Постановлением
Государственного комитета СССР по делам строительства от 25 октября 1984 г. №
180 срок введения установлен
с 01.01.86
Несоблюдение стандарта
преследуется по закону
1. Настоящий стандарт распространяется на закладные изделия и
подпятники для железобетонных центрифугированных конических и цилиндрических
стоек кольцевого сечения по ГОСТ
22687.1-85 и ГОСТ
22687.2-85, предназначенных для опор линий электропередачи напряжением
35-750 кВ, и устанавливает конструкцию указанных закладных изделий и
подпятников.
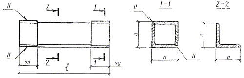
2. Форма и размеры закладных
изделий должны соответствовать указанным на черт. 1.
Спецификация элементов на
закладное изделие приведена в табл. 1.
Соединение элементов
закладных изделий выполняют ручной дуговой сваркой швами.
3. Форма и размеры закладных
изделий для фланцевых соединений стоек должны соответствовать указанным на черт. 2.
Спецификация элементов на
эти закладные изделия приведена в табл. 2.
4. Форма и размеры
подпятников, показатели их материалоемкости должны соответствовать указанным на
черт. 3-4 и приведенным в
табл. 3.
5. Подпятники следует
изготовлять из тяжелого бетона средней плотности более 2200 до 2500 кг/м3
включительно.
6. Армирование подпятников
должно соответствовать приведенному на черт. 5.
Спецификация арматурных
элементов на подпятник приведена в табл. 4.
7. Крестообразные соединения
стержней - по ГОСТ 14098-85.
Тавровое соединение анкерных
стержней с фасонкой - по ГОСТ 14098-85.
Режимы сварки следует
принимать согласно СН 393-78.
8. Технические требования к
закладным изделиям и подпятникам - по ГОСТ
22687.0-85.
9. Оценка качества и методы
контроля закладных изделий - по ГОСТ 10922-75.
Закладные изделия
Исполнение 1
Б203, Б209-Б218, Б220-Б238, Б243, Б244,
Б607-Б609, Б692, Б693

Исполнение 2
(только для стоек СК26.2-1,
СК22.2-1, СК26.3-1, СЦ20.2-1, СЦ20.2-2)
Б221-Б230,
Б233, Б236-Б239, Б244, Б609, Б692, Б603

Черт. 1
Таблица 1
|
Марка закладного изделия
|
Сечение
|
l, мм
|
a/b,
мм
|
Масса, кг
|
|
1
|
2
|
3
|
4
|
5
|
|
Б202
|
Уголок 50 ´
50
|
50
|
50
|
0,2
|
|
Б204
|
Уголок 36 ´
4
|
365
|
-
|
2,4
|
|
Æ12AI
|
1070
|
|
Б205
|
Уголок 36 ´
4
|
500
|
-
|
3,3
|
|
Æ12AI
|
1490
|
|
Б206
|
Уголок 36 ´
4
|
450
|
-
|
3,0
|
|
Æ12AI
|
1330
|
|
Б207
|
Уголок 36 ´
4
|
515
|
-
|
4,0
|
|
Æ12AI
|
1740
|
|
Б208
|
Уголок 36 ´
4
|
520
|
-
|
3,6
|
|
Æ12AI
|
1635
|
|
Б209
|
Уголок 36 ´
4
|
320
|
40
|
1,4
|
|
Б210
|
330
|
1,4
|
|
Б211
|
340
|
1,5
|
|
Б212
|
350
|
1,5
|
|
Б213
|
360
|
1,6
|
|
Б214
|
370
|
1,6
|
|
Б215
|
380
|
1,7
|
|
Б216
|
390
|
1,7
|
|
Б217
|
400
|
1,8
|
|
Б218
|
415
|
1,8
|
|
Б220
|
Уголок 36 ´
4
|
425
|
40
|
1,9
|
|
Б221
|
435
|
1,9
|
|
Б222
|
445
|
2,0
|
|
Б223
|
450
|
2,0
|
|
Б224
|
460
|
2,1
|
|
Б225
|
470
|
2,1
|
|
Б226
|
480
|
2,2
|
|
Б227
|
Уголок 50 ´
5
|
400
|
55
|
3,1
|
|
Б228
|
405
|
3,2
|
|
Б229
|
425
|
3,3
|
|
Б230
|
445
|
3,4
|
|
Б231
|
460
|
3,5
|
|
Б232
|
470
|
3,6
|
|
Б233
|
575
|
4,4
|
|
Б234
|
555
|
4,2
|
|
Б235
|
Уголок 160 ´
10
|
555
|
160/70
|
19,8
|
|
Б235-1
|
465
|
16,6
|
|
Б235-2
|
480
|
17,1
|
|
Б235-3
|
500
|
17,8
|
|
Б235-4
|
520
|
18,6
|
|
Б236
|
Уголок 36 ´
4
|
495
|
40
|
2,2
|
|
Б237
|
505
|
2,2
|
|
Б238
|
Уголок 50 ´
5
|
510
|
55
|
4,0
|
|
Б239
|
415
|
3,2
|
|
Б240
|
Уголок 36 ´
4
|
450
|
-
|
3,3
|
|
Æ12AI
|
1390
|
|
Б241
|
Уголок 36 ´
4
|
570
|
-
|
4,0
|
|
Æ12AI
|
1780
|
|
Б243
|
Уголок 50 ´
5
|
480
|
55
|
3,7
|
|
Б244
|
430
|
3,2
|
|
Б607
|
625
|
4,8
|
|
Б608
|
610
|
4,6
|
|
Б609
|
590
|
4,4
|
|
Б610
|
Уголок 160 ´
10
|
580
|
160/70
|
20,8
|
|
Б691
|
Уголок 50 ´
5
|
760
|
-
|
7,8
|
|
Æ12AI
|
2350
|
|
Б692
|
Уголок 63 ´
5
|
785
|
68
|
7,6
|
|
Б693
|
Уголок 50 ´
5
|
785
|
55
|
6,0
|
Примечание.
Разрешается применять закладные изделия других конструкций, которые удовлетворяют
всей совокупности предъявляемых к ним требований.
Закладные изделия

Черт. 2
Таблица 2
|
Марка
|
Номер позиции
|
Эскиз
|
Сечение
|
Длина, мм
|
Количество позиций
|
Масса, кг
|
|
одной детали
|
всех деталей
|
марки
|
|
М5
|
1
|
|
-250 ´ 10
|
2480
|
1
|
48,7
|
49
|
63
|
|
2
|
¾¾¾¾
|
Æ14AIII
|
2405
|
1
|
2,9
|
3
|
|
3
|
¾¾¾¾
|
Æ14AV
|
700
|
12
|
0,8
|
10
|
|
|
Наплавленный металл
|
|
|
1
|
|
М5-1
|
4
|
|
Труба Dн = 820 ´
10
|
250
|
1
|
50
|
50
|
64
|
|
3
|
¾¾¾¾
|
Æ14AV
|
700
|
12
|
0,8
|
10
|
|
5
|
¾¾¾¾
|
Æ14AIII
|
2468
|
1
|
3,0
|
3
|
|
|
Наплавленный металл
|
|
|
1
|
|
Мб
|
|
|
-95 ´ 10
|
180
|
1
|
0,8
|
1
|
1
|
|
М7
|
|
|
-98 ´ 25
|
1000
|
1
|
52,8
|
53
|
53
|
|
М7-1
|
|
|
-100 ´ 25
|
1020
|
1
|
56,7
|
57
|
57
|
|
|
|
|
|
|
|
|
|
|
|
Д23 (ПК-1)
|
6
|

|
Æ8AIII
|
250
|
4
|
0,1
|
0,4
|
1
|
|
7
|
¾¾¾¾
|
Æ8AIII
|
430
|
1
|
0,2
|
0,2
|
Подпятники марок П1, П2 и П3

Черт. 3
Подпятники
марок ПК-1, П1-3, П4-1

Черт. 4
Таблица 3
|
Марка подпятника
|
Геометрические размеры, мм
|
Расход материалов
|
Применяемость в стойках
|
|
Dн
|
Dв
|
d1
|
d2
|
Бетон
|
Арматура
|
Закладные изделия, кг
|
Общий расход, кг
|
|
Класс
|
Объем, мм
|
Диаметр, мм
|
Масса, кг
|
|
П1
|
560
|
-
|
50
|
-
|
В25
|
0,012
|
Æ8AI/Æ8AI
|
2,0/0,3
|
1
|
3,3
|
СЦ22.1-1
|
|
П2
|
650
|
-
|
50
|
-
|
0,017
|
Æ8AI/Æ8AI
|
3,0/0,3
|
4,3
|
СК26.1-1¸СК26.1-3;
СК26.1-5; СК26.1-6; СК26.2-1; СК22.1-1¸СК22.1-3;
СК22.2-1; СК22.3-1
|
|
П3
|
800
|
-
|
60
|
-
|
0,03
|
Æ8AI/Æ8AI
|
5,0/0,3
|
6,3
|
СЦ20.1-1;
СЦ20.2-1; СЦ20.2-2
|
|
ПК-1
|
650
|
440
|
200
|
150
|
0,06
|
Æ8АIII/Æ8АI
|
4,0/0,3
|
3
|
7,3
|
СК26.1-4
|
|
П1-3
|
600
|
420
|
180
|
80
|
0,038
|
Æ8AI/Æ12AI
|
4,0/1,0
|
-
|
5,0
|
СЦ26.1-1;
СЦ26.3-1; СЦ26.3-2
|
|
П4-1
|
800
|
-
|
100
|
-
|
0,05
|
Æ8AI/Æ8AI
|
5,3/0,2
|
1
|
6,5
|
СЦ20.3-1н
|
Примечание.
В числителе приведены данные для подпятников, в знаменателе - для монтажных
петель. Марка стали - ВСт3пс.
Армирование подпятников

Черт. 5
Таблица 4
|
Обозначение подпятника
|
Арматурный элемент
|
Номер позиции
|
Диаметр, мм
|
Длина, мм
|
Количество позиций
|
Общая длина, м
|
|
П1
|
С165
|
1
|
08AI
|
500
|
2
|
1,0
|
|
2
|
08AI
|
460
|
4
|
1,8
|
|
3
|
08AI
|
310
|
4
|
1,2
|
|

|
28
|
08AI
|
800
|
1
|
0,8
|
|
П2
|
С166
|
4
|
08AI
|
600
|
2
|
1,2
|
|
5
|
08AI
|
580
|
4
|
2,3
|
|
6
|
08AI
|
520
|
4
|
2,1
|
|
7
|
08AI
|
380
|
4
|
1,5
|
|

|
28
|
08AI
|
800
|
1
|
0,8
|
|
П3
|
С169
|
8
|
08AI
|
750
|
2
|
1,5
|
|
9
|
08AI
|
730
|
4
|
2,9
|
|
10
|
08AI
|
670
|
4
|
2,7
|
|
11
|
08AI
|
570
|
4
|
2,3
|
|
12
|
08AI
|
380
|
4
|
1,5
|
|

|
29
|
08AI
|
800
|
1
|
0,8
|
|
ПК-1
|
С168 (2 шт.)
|
13
|
08AIII
|
600
|
12
|
7,2
|
|
14
|
08AIII
|
410
|
8
|
3,3
|
|
15
|
08AIII
|
220
|
8
|
1,8
|
|

|
30
|
08AIII
|
770
|
1
|
0,8
|
|
П1-3
|
С131
|
16
|
08AI
|
560
|
4
|
2,2
|
|
17
|
08AI
|
440
|
4
|
1,8
|
|
19
|
08AI
|
320
|
4
|
1,3
|
|
С132
|
18
|
08AI
|
370
|
4
|
1,5
|
|
20
|
08AI
|
220
|
4
|
0,9
|
|

|
31
|
08AI
|
220
|
8
|
1,8
|
|

|
32
|
08AI
|
350
|
1
|
0,4
|
|
П4-1
|
С1
|
21
|
08AI
|
750
|
2
|
1,5
|
|
22
|
08AI
|
730
|
4
|
2,9
|
|
23
|
08AI
|
670
|
4
|
2,7
|
|
24
|
08AI
|
570
|
4
|
2,3
|
|
25
|
08AI
|
380
|
4
|
1,5
|
|

|
26
|
08AI
|
2450
|
1
|
2,5
|
|

|
27
|
08AI
|
390
|
1
|
0,4
|
| |
|