//
ТехЛит.ру
- крупнейшая бесплатная электронная интернет библиотека для "технически умных" людей.
WWW.TEHLIT.RU - ТЕХНИЧЕСКАЯ ЛИТЕРАТУРА

:: Алготрейдинг::


АЛГОТРЕЙДИНГ
шаг за шагом
с нуля по урокам!

Торговые роботы на PYTHON, BackTrader,
Pandas, Pine Script для TradingView. Связка с брокерами, телеграм и легкими приложениями.


ГОСУДАРСТВЕННЫЙ СТАНДАРТ СОЮЗА ССР

ПЛИТЫ ЖЕЛЕЗОБЕТОННЫЕ
ПРЕДВАРИТЕЛЬНО НАПРЯЖЕННЫЕ ПАГ
ДЛЯ АЭРОДРОМНЫХ ПОКРЫТИЙ

Технические условия

ГОСТ 25912.0-91

ГОСУДАРСТВЕННЫЙ СТРОИТЕЛЬНЫЙ КОМИТЕТ СССР

Москва

ГОСУДАРСТВЕННЫЙ СТАНДАРТ СОЮЗА ССР

ПЛИТЫ ЖЕЛЕЗОБЕТОННЫЕ ПРЕДВАРИТЕЛЬНО
НАПРЯЖЕННЫЕ ПАГ ДЛЯ АЭРОДРОМНЫХ
ПОКРЫТИЙ

Технические условия

Reinforced concrete prestressed slabs
PAG for aerodrome pavement.

Specifications

ГОСТ
25912.0-91

Дата введения 01.01.92

Настоящий стандарт распространяется на предварительно напряженные железобетонные плиты ПАГ размерами 6´2 м, изготовляемые из тяжелого бетона и предназначенные для устройства сборных аэродромных покрытий.

1. ТЕХНИЧЕСКИЕ ТРЕБОВАНИЯ

1.1. Плиты изготовляют в соответствии с требованиями настоящего стандарта и утвержденной в установленном порядке технологической документации, содержащей требования к изготовлению плит на всех стадиях производственного процесса, по чертежам, приведенным в ГОСТ 25912.1 - ГОСТ 25912.3.

1.2. Плиты подлежат изготовлению в формах, обеспечивающих соблюдение установленных настоящим стандартом требований к качеству и точности изготовления плит.

1.3. Основные параметры и размеры

1.3.1. В зависимости от толщины плиты подразделяют на ПАГ-14, ПАГ-18 и ПАГ-20.

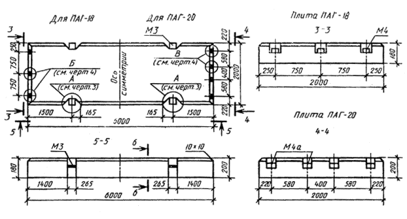
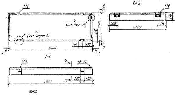
1.3.2. Форма и основные размеры плит должны соответствовать указанным на черт. 1 - 4.

Примечания:

1. На продольных гранях плит допускается устройство углублений размерами 20´100´200 мм для обеспечения возможности подъема плит с применением автоматических захватов.

2. В плитах с наклонными продольными гранями монтажно-стыковые изделия М1 или М3 (черт. 1 и 3) устанавливают заподлицо с плоскостью, определяющей габаритный размер ширины плиты, - 2000 мм.

Плита ПАГ-14

Плиты ПАГ-18 и ПАГ-20

Черт. 1

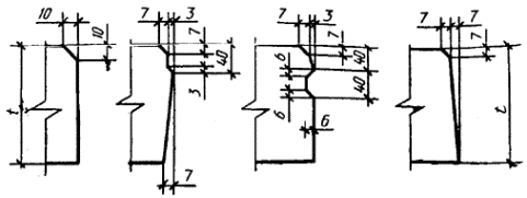
Варианты профиля продольных граней плиты (сеч. 6 - 6)

t - толщина плиты

Черт. 2

В скобках указан размер для плиты ПАГ-14

1 - монтажно-стыковое изделие М1 или М3; t - толщина плиты

Черт. 3

1 - стыковое изделие М2 или М4; 2 - стыковое изделие М4а

Черт. 4

1.3.3. По согласованию с потребителем допускается изготовление плит с профилем продольных граней, отличающимся от приведенных на черт. 2 (сеч. 6 - 6), с размерами проемов для монтажно-стыковых изделий, отличающимися от приведенных на черт. 1 и 3, и с монтажно-стыковыми изделиями другой конструкции при условии обеспечения эксплуатационных свойств аэродромного покрытия.

В плитах ПАГ-18 расстояние от торца плиты до монтажно-стыковых изделий по согласованию с потребителем допускается принимать менее 1500 мм.

1.3.4. Плиты изготовляют рабочей поверхностью (верхняя поверхность аэродромного покрытия) «вверх». Допускается по согласованию с потребителем изготовление плит рабочей поверхностью «вниз».

1 - рифление рабочей поверхности плиты

Черт. 5

Рабочая поверхность плит, изготовляемых этой поверхностью «вверх», должна быть шероховатой. Шероховатость поверхности получают обработкой этой поверхности капроновыми щетками или брезентовой лентой (после уплотнения бетонной смеси).

Рабочая поверхность плит, изготовляемых этой поверхностью «вниз», должна иметь рифление. Рифление поверхности образуют путем применения в качестве днища поддона формы стального листа с ромбическим рифлением по ГОСТ 8568. Лист на поддоне располагают так, чтобы большая диагональ ромба была перпендикулярна к продольной оси плиты (черт. 5).

Глубина рифления должна быть не менее 1,5 мм. По согласованию с потребителем допускается изготовлять плиты с глубиной рифления 1,2 мм.

1.3.5. Армирование плит производят:

в продольном направлении - напрягаемой арматурой;

в поперечном направлении - ненапрягаемой арматурой.

1.3.6. В качестве напрягаемой арматуры плит применяют стержневую арматурную сталь классов Ат-V, А-V, Ат-IV, Ат-IVС и А-IV. Напрягаемую арматуру следует применять в виде целых стержней без стыков.

Ненапрягаемая арматура - из стержневой арматурной стали классов А-III, Ат-IIIС, А-II и арматурной проволоки класса Вр-1.

1.3.7. Конструкция плит приведена:

ПАГ-14 - в ГОСТ 25912.1;

ПАГ-13 - в ГОСТ 225912.2;

ПАГ-20 - в ГОСТ 25912.3.

1.3.8. Плиты обозначают марками, состоящими из буквенно-цифровых групп, разделенных дефисом.

Первая группа содержит сокращенное буквенное наименование плиты - ПАГ (плита аэродромная гладкая).

Во второй группе приводят толщину плиты в сантиметрах и характеристику напрягаемой продольной арматуры:

IV - для арматурной стали классов Ат-IV, Ат-IVС и А-IV;

V - для арматурной стали классов Ат-V и А-V.

В обозначении марки плит ПАГ-14 с напрягаемой продольной арматурой диаметром 12 мм (ГОСТ 25912.1) дополнительно приводят цифру 1 (через дефис).

Примеры условного обозначения плиты:

толщиной 18 см с напрягаемой продольной арматурой класса Ат-V:

ПАГ-18У,

толщиной 14 см с напрягаемой арматурой класса Ат-IVС диаметром 12 мм:

ПАГ-14IV-1.

1.4. Требования к бетону

1,4.1. Плиты следует изготовлять из тяжелого бетона средней плотности более 2200 до 2500 кг/м3 включительно, удовлетворяющего требованиям ГОСТ 26633.

1.4.2. Фактическая прочность бетона должна соответствовать требуемой, назначаемой по ГОСТ 18105 в зависимости от нормируемой прочности бетона (класс по прочности на растяжение при изгибе и класс по прочности на сжатие, передаточная и отпускная прочность) и от характеристики фактической однородности прочности бетона.

1.4.3. Плиты должны изготовляться из бетона класса по прочности на растяжение при изгибе Вbtb 3,6 и класса по прочности на сжатие В25. При этом фактическая прочность бетона на сжатие (п. 1.4.2) не должна быть ниже 29,4 МПа (300 кгс/см2).

1.4.4. Нормируемая передаточная прочность бетона - 70 % класса бетона по прочности на сжатие.

1.4.5. Значение нормируемой отпускной прочности бетона принимают равным значению нормируемой передаточной прочности и не ниже 70 % класса бетона по прочности на растяжение при изгибе.

Поставка плит с отпускной прочностью бетона ниже прочности, соответствующей его классу по прочности на растяжение при изгибе и классу по прочности на сжатие, производится при условии, если изготовитель гарантирует достижение бетоном конструкции требуемой прочности, определяемой по результатам испытания контрольных образцов, изготовленных из бетонной смеси рабочего состава, хранившихся в условиях согласно ГОСТ 18105 и испытанных в возрасте 28 сут (ГОСТ 13015.0).

1.4.6. Морозостойкость бетона плит должна соответствовать установленной проектной документацией конкретного сооружения или указанной в заказе плит марке бетона по морозостойкости.

Марку бетона по морозостойкости принимают для плит, предназначенных для применения в районах с расчетной среднемесячной температурой воздуха наиболее холодного месяца (согласно СНиП 2.01.01) не ниже:

до минус 5 °С включ.                               - F100;

ниже минус 5 °С до минус 15 °С включ. - F150;

ниже минус 15 °С                                     - F200.

1.4.7. Бетонная смесь, применяемая для изготовления плит, должна иметь водоцементное отношение не более 0,5.

В уплотненной бетонной смеси объем вовлеченного воздуха (при применении воздухововлекающих добавок) должен быть в пределах 5 - 6 %.

1.4.8. Для регулирования и улучшения свойств бетонной смеси и бетона при изготовлении плит следует применять пластифицирующие и воздухововлекающие (газообразующие) химические добавки по ГОСТ 24211.

1.4.9. Качество материалов, применяемых для приготовления бетона, должно обеспечивать выполнение технических требований, установленных настоящим стандартом к бетону плит.

1.4.10. В качестве вяжущего следует применять портландцемент по ГОСТ 10178, предназначенный для бетона аэродромных покрытий.

1.4.11. Крупный и мелкий заполнители - по ГОСТ 10268 (крупность зерен крупного заполнителя - не более 20 мм).

Применение гравия в качестве крупного заполнителя допускается по согласованию с потребителем при соответствующем технико-экономическом обосновании.

1.4.12. Пластифицирующие и воздухововлекающие (газообразующие) химические добавки, применяемые при приготовлении бетона, должны удовлетворять требованиям нормативно-технической документации, утвержденной в установленном порядке.

Вода - по ГОСТ 23732.

1.5. Требования к арматурным и монтажно-стыковым изделиям

1.5.1. Форма и размеры арматурных и монтажно-стыковых изделий должны соответствовать приведенным в ГОСТ 25912.4.

1.5.2. Сварные арматурные и монтажно-стыковые изделия должны удовлетворять требованиям ГОСТ 10922.

1.5.3. Марки арматурной стали классов А-III, А-II и А-I, а также марки углеродистой стали обыкновенного качества, применяемые для изготовления монтажно-стыковых изделий, должны соответствовать маркам, установленным проектной документацией конкретного сооружения или указанным при заказе плит.

1.5.4. Арматурная сталь должна удовлетворять требованиям:

стержневая арматурная сталь классов:

Ат-V, Ат-IVС, Ат-IV и Ат-IIIС - ГОСТ 10884;

А-V, А-IV, А-III, А-II и А-I - ГОСТ 5781;

арматурная проволока класса Вр-1 - ГОСТ 6727.

1.6. Натяжение напрягаемой арматуры

1.6.1. Натяжение напрягаемой продольной арматуры плиты следует осуществлять механическим или электротермическим способом.

1.6.2. Температура нагрева напрягаемой арматуры при электротермическом способе ее натяжения не должна превышать 450 °С.

1.6.3. Значения напряжений в напрягаемой арматуре, контролируемые по окончании ее натяжения на упоры, для арматурной стали классов:

Ат-V и А-V - 590 МПа (6000 кгс/см2);

Ат-IV, Ат-IVС и А-IV - 530 МПа (5400 кгс/см2).

Отклонения значений напряжений в напрягаемой арматуре не должны превышать ±10 %.

1.7. Применяемые для смазки форм материалы не должны оказывать вредного воздействия на бетон.

Смазку форм следует наносить тонким слоем равномерно по всей поверхности поддона формы, с удалением образовавшихся в отдельных местах излишков смазки.

1.8. Укладку бетонной смеси в форму при изготовлении плит рабочей поверхностью «вниз» (п. 1.3.4) производят при перепаде температур поддона формы и бетонной смеси не более 20 °С.

Выровненную после уплотнения бетонной смеси рабочую поверхность плит, изготовляемых этой поверхностью «вверх», обрабатывают капроновыми щетками или брезентовой лентой, очищенными от затвердевшего цементного раствора. Перед тепловлажностной обработкой плит указанная поверхность их должна быть накрыта мешковиной, полиэтиленовой пленкой, битуминизированной бумагой или другими подобными материалами.

1.9. Режим тепловой обработки плит должен соответствовать установленному технологической документацией согласно указаниям СНиП 3.09.01.

Температура изотермического прогрева не должна превышать 70 °С.

Относительная влажность среды в период изотермического прогрева плит в камерах ямного типа должна быть не ниже 98 %; в камерах тоннельного типа - не ниже 96 %.

1.10. Передача усилия обжатия на бетон (отпуск натяжения напрягаемой арматуры) должна производиться после достижения бетоном плиты требуемой передаточной прочности (п. 1.4.2).

1.11. Требования к точности изготовления плит.

1.11.1. Действительные отклонения геометрических параметров плит не должны превышать предельных, указанных в табл. 1.

Таблица 1

Вид отклонения геометрического параметра

Геометрический параметр

Предельное отклонение, мм

Отклонение от линейного размера

Длина плиты

±6

Ширина плиты

±5

Толщина плиты

+4

Размер, определяющий положение выемок у монтажно-стыковых изделий

±5

Размеры выемок у монтажно-стыковых изделий

±3

Смещение монтажно-стыковых изделий:

 

вдоль грани плиты

5

перпендикулярно к грани плиты

2

по высоте плиты

3

Отклонение от прямолинейности

Прямолинейность профиля поверхности и боковых граней:

 

в любом сечении на длине 2 м

3

на всей длине плиты

5

Отклонение от плоскостности

Плоскостность рабочей поверхности плиты (при измерении от условной плоскости, проходящей через три крайние точки)

5

Отклонение от перпендикулярности

Перпендикулярность смежных торцевых граней плит на участке длиной, мм:

 

400

2

1000

2,5

Отклонение от равенства длин диагоналей

Разность длин диагоналей рабочей поверхности плиты

10

В плитах высшей категории качества действительные отклонения размеров плит в миллиметрах не должны превышать:

по длине ±5;

по толщине +3;

от плоскостности рабочей поверхности 4.

1.11.2. Действительные отклонения толщины защитного слоя бетона до арматуры от номинального его значения, указанного в чертежах, не должны превышать ±3 мм.

1.11.3. Концы напрягаемой арматуры не должны выступать за торцевые поверхности плит более чем на 5 мм.

1.12. Требования к качеству поверхностей и внешнему виду плит

1.12.1. Рабочая поверхность плит (п. 1.3.4) не должна иметь трещин.

На нерабочей поверхности и боковых гранях плит не допускаются усадочные и технологические трещины шириной более 0,05 мм и длиной более 50 мм.

Рифленая поверхность плиты должна иметь четкий рисунок рифления без окопов граней канавок.

1.12.2. На рабочей поверхности плит не допускается шелушений бетона.

1.12.3. Размеры раковин, местных наплывов и впадин на бетонной поверхности и околов бетона ребер плит не должны превышать значений, указанных в табл. 2.

Таблица 2

Поверхность плиты

Предельные размеры, мм

Раковины

Местные наплывы (высота) и впадины (глубина)

Околы бетона

глубина

диаметр

глубина

суммарная длина на 1 м ребра

Рабочая

3

4

2

5

50

Нерабочая и боковые грани

5

10

3

8

80

1.12.4. Исправление дефектов на рабочей поверхности и заделка околов ребер плит не допускается.

1.12.5. Боковые грани у нижней и верхней поверхностей плит, а также открытые поверхности монтажно-стыковых изделий должны быть очищены от наплывов бетона.

1.13. Маркировка

1.13.1. Маркировка плит должна соответствовать требованиям ГОСТ 13015.2 и настоящего стандарта.

1.13.2. Маркировочные надписи наносят на боковой продольной грани плиты.

Маркировочные надписи должны содержать:

марку плиты (п. 1.3.8);

товарный знак или краткое наименование предприятия-изготовителя;

штамп технического контроля;

дату изготовления плиты.

1.13.3. На продольных гранях плиты на расстоянии 1 м от торца наносят монтажный знак «Место опирания».

1.13.4. На рабочей поверхности плиты должен быть нанесен знак предприятия-изготовителя, обозначение и метод нанесения которого согласовывается с заказчиком и указывается в договоре на поставку плит.

2. ПРИЕМКА

2.1. Приемку плит осуществляют партиями в соответствии с требованиями ГОСТ 13015.1 и настоящего стандарта.

В партию включают плиты одного типа, изготовленные предприятием по одной технологии из материалов одного вида и качества в течение не более одних суток.

Объем партии не должен превышать 200 шт.

2.2. Приемку плит производят по результатам:

приемосдаточных испытаний - по показателям прочности бетона (классам по прочности на растяжение при изгибе и по прочности на сжатие, передаточной и отпускной прочности), водоцементному отношению бетонной смеси, соответствию арматурных и монтажно-стыковых изделий, толщины защитного слоя бетона до арматуры, точности геометрических параметров, качества поверхности и внешнего вида плит, по трещиностойкости нижней и верхней зон плиты;

периодических испытаний - по показателям морозостойкости бетона, по объему вовлеченного воздуха в уплотненной бетонной смеси.

2.3. Партию плит по показателям их прочности и жесткости принимают, если удовлетворяются установленные настоящим стандартом требования по комплексу нормируемых и проектных показателей, характеризующих прочность бетона, толщину плиты, диаметр и расположение арматуры, толщину защитного слоя бетона до арматуры, основные параметры арматурных и монтажно-стыковых изделий, натяжение напрягаемой арматуры, физико-механические свойства арматурной стали, которые проверяются в процессе входного, операционного и приемочного контроля в соответствии с ГОСТ 13015.1.

2.4. Приемочный контроль прочности бетона (на основе результатов испытаний образцов бетона либо неразрушающих методов) осуществляют в соответствии с ГОСТ 18105.

Определение прочности бетона на растяжение при изгибе, а также прочности бетона на сжатие в проектном возрасте (п. 1.4.3) производят только по образцам.

2.4.1. Для контроля передаточной и отпускной прочности бетона на сжатие неразрушающими методами от партии отбирают три плиты.

Контроль прочности бетона проводят по пяти участкам любой поверхности плиты - по одному в середине плиты и в каждом углу на расстоянии 30 - 40 см от его вершины по биссектрисе.

2.4.2. В случаях, если при контроле будет установлено, что отпускная прочность бетона плит не удовлетворяет требованиям, указанным в п. 1.4.5, поставка таких плит потребителю должна производиться только после достижения бетоном плит прочности, соответствующей классам по прочности на растяжение при изгибе и по прочности на сжатие (п. 1.4.3).

2.5. Периодические испытания по показателям морозостойкости бетона плит, а также по объему вовлеченного воздуха в уплотненной бетонной смеси проводят не реже одного раз в 6 мес, а также при изменении технологии изготовления плит, изменении исходных материалов и состава бетонной смеси, используемых для приготовления бетона.

2.6. Контроль водоцементного отношения в бетонной смеси осуществляют для каждой партии бетона плит.

2.7. Приемку арматурных и монтажно-стыковых изделий проводят до установки их в форму в соответствии с ГОСТ 10922 и ГОСТ 23858.

2.8. Приемку плит по показателям точности геометрических параметров, толщины защитного слоя бетона до арматуры, качества поверхности, контролируемых путем измерений, следует осуществлять по результатам выборочного одноступенчатого контроля.

Приемку плит по наличию монтажно-стыковых изделий, по очистке их открытых поверхностей и ребер плит от наплывов бетона, наличию шелушения бетона и жировых пятен на рабочей поверхности плиты, правильности нанесения маркировочных надписей и знаков осуществляют по результатам сплошного контроля.

2.9. При приемке плит по показателям трещиностойкости их нижней и верхней зон от каждой партии плит отбирают для испытаний одну плиту, удовлетворяющую по другим показателям требованиям настоящего стандарта.

Допускается использовать для испытаний плиту, имеющую раковины, местные наплывы и околы бетона, размеры которых превышают допускаемые настоящим стандартом (п. 1.12.3) не более чем в два раза, и другие дефекты, не влияющие на прочность плит.

Плита считается выдержавшей испытание, если при контрольной нагрузке, указанной в п. 3.8.4, на поверхности испытуемой зоны и боковых гранях не будут обнаружены трещины при тщательном осмотре через лупу с четырехкратным увеличением.

При неудовлетворительных результатах испытания на трещиностойкость хотя бы по одной зоне производится дополнительное испытание двух плит данной партии. Если из двух плит хотя бы одна не выдерживает испытания, то все плиты этой партии подвергают испытанию.

По согласованию с потребителем испытание плит на трещиностойкость допускается проводить не от каждой партии, а от большего числа плит и в другие сроки в зависимости от объема их выпуска, но не реже одного раза в месяц.

2.10. По результатам приемки составляют документ о качестве поставляемых плит в соответствии с ГОСТ 13015.3.

Дополнительно в документе о качестве должны быть приведены:

марка бетона по морозостойкости;

класс арматурной стали, примененной в качестве продольной напрягаемой арматуры (Ат-V, А-V, Ат-IVС, Ат-IV, А-IV);

марки арматурной стали классов А-I - А-III и марки углеродистой стали обыкновенного качества, из которой изготовлены монтажно-стыковые изделия плит.

3. МЕТОДЫ КОНТРОЛЯ

3.1. Прочность бетона при ее контроле по образцам определяют по ГОСТ 10180 на серии образцов, изготовленных из бетонной смеси рабочего состава и хранившихся в условиях согласно ГОСТ 10105.

Определение фактической передаточной и отпускной прочности бетона на сжатие при их контроле неразрушающими методами в плитах (п. 2.4.) производят ультразвуковым методом по ГОСТ 17624, приборами механического действия или методом отрыва со скалыванием по ГОСТ 22690.

3.2. Морозостойкость бетона плит следует определять в соответствии с ГОСТ 10060 для бетона аэродромных покрытий.

3.3. Проверку нормируемых показателей качества бетонной смеси производят по ГОСТ 10181.0 - ГОСТ 10181.4.

3.4. Методы контроля арматурных и монтажно-стыковых изделий - по ГОСТ 10922 и ГОСТ 23858.

3.5. Методы контроля исходных сырьевых материалов, применяемых для изготовления плит, должны соответствовать установленным стандартами или техническими условиями на эти материалы.

3.6. Измерение контролируемого напряжения в напрягаемой продольной арматуре - по ГОСТ 22362.

3.7. Размеры, отклонения от прямолинейности профиля, от плоскостности плиты, от перпендикулярности смежных граней, толщину защитного слоя бетона до арматуры, положение монтажно-стыковых изделий, а также качество бетонных поверхностей и внешний вид плит проверяют методами, установленными ГОСТ 26433.0 и ГОСТ 26433.1.

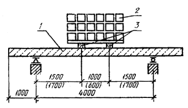
3.8. Контроль трещиностойкости плит

Схема А

Схема Б

1 - испытуемая плита; 2 - нагрузка на всю ширину плиты; 3 - деревянные брусья сечением 10´10 см; 4 - пригрузочный балласт

Примечание. Размеры в скобках относятся к схемам испытания плит ПАГ-18 и ПАГ-20.

Черт. 6

3.8.1. Испытание плит по трещиностойкости нижней зоны следует проводить по схеме А, приведенной на черт. 6. Испытание плит по трещиностойкости верхней зоны проводят по схеме А или Б, приведенным на черт. 6.

3.8.2. Испытание плит после термообработки (с отпускной прочностью бетона) следует проводить не ранее 4 ч и не позднее 2 сут.

3.8.3. Вначале проводят испытание плиты по трещиностойкости нижней зоны, а затем испытание этой же плиты по трещиностойкости верхней зоны. При испытании плиты по трещиностойкости верхней зоны по схеме А, приведенной на черт. 6, плиту после испытания нижней зоны кантуют.

Загружение плиты при испытании проводят ступенями. Доля нагрузки каждой ступени должна составлять не более 10 % контрольной нагрузки, а двух последних ступеней - не более 5 %.

После приложения каждой ступени контрольной нагрузки плиту выдерживают под нагрузкой не менее 10 мин, а после приложения полной контрольной нагрузки - не менее 30 мин.

3.8.4. Значения контрольной нагрузки по испытанию трещиностойкости плиты приведены в табл. 3.

Таблица 3

Марка плиты

Контрольная нагрузка, кН (кгс), по испытанию трещиностойкости плиты с прочностью бетона, соответствующей

отпускной прочности (п. 1.4.5), при испытании по схеме

классам бетона по прочности на растяжение при изгибе и по прочности на сжатие, при испытании по схеме

А

Б

А

Б

ПАГ-20V

64,8 (6600)

37,3 (3800)

86,3 (8800)

50,0 (5100)

ПАГ-20IV

62,6 (6300)

35,3 (3600)

83,4 (8500)

48,0 (4900)

ПАГ-18V

53,0 (5400)

30,4 (3100)

69,6 (7100)

41,2 (4200)

ПАГ-18IV

50,0 (5100)

28,4 (2900)

67,6 (6900)

39,2 (4000)

ПАГ-14V

33,3 (3400)

27,4 (2800)

46,1 (4700)

36,3 (3700)

ПАГ-14IV

35,4 (3300)

26,5 (2700)

44,1 (4500)

35,3 (3600)

ПАГ-14V-1

31,4 (3200)

25,5 (2600)

44,1 (4500)

34,3 (3600)

ПАГ-14IV-1

30,4 (3100)

24,5 (2500)

42,2 (4300)

33,5 (3400)

4. ТРАНСПОРТИРОВАНИЕ И ХРАНЕНИЕ

4.1. Транспортирование и хранение плит следует производить в соответствии с требованиями ГОСТ 13015.4 и настоящего стандарта.

4.2. Транспортировать и хранить плиты следует в горизонтальном положении.

4.3. Высоту штабеля плит при их транспортировании устанавливают в зависимости от грузоподъемности транспортных средств и допускаемых габаритов погрузки, но не более высоты штабеля плит при их хранении (п. 4.8).

4.4. Погрузку плит и их крепление при транспортировании на открытом железнодорожном подвижном составе (полувагоны, платформы) следует осуществлять в соответствии с требованиями Правил перевозки грузов и Технических условий погрузки и крепления грузов, утвержденных Министерством путей сообщения СССР.

Ориентировочный расход проволоки диаметром 6 мм для крепления плит на железнодорожном составе составляет 1,2 кг на 1 м3 перевозимых плит.

Транспортная маркировка - по ГОСТ 14192.

4.5. Погрузку, транспортирование, разгрузку и хранение плит следует производить с соблюдением мер, исключающих возможность повреждения плит.

Плиты следует транспортировать с надежным закреплением на транспортных средствах, исключающим продольное и поперечное смещение плит, а также их взаимное столкновение и трение в процессе перевозки.

4.6. При транспортировании и хранении нижние плиты следует опирать на деревянные подкладки, а между плитами по высоте штабеля необходимо укладывать прокладки. Подкладки и прокладки следует располагать на расстоянии 1 м от торца плиты перпендикулярно к ее длинной стороне и по вертикали одна над другой.

Толщина деревянных подкладок при жестком основании должна быть не менее 50 мм, а при грунтовом основании - не менее 100 мм. Толщина прокладок - не менее 20 мм.

4.7. Погрузочно-разгрузочные операции с захватом за монтажно-стыковые изделия следует производить по одной плите. Запрещается подъем двух и более плит с захватом за монтажно-стыковые изделия нижней плиты.

При использовании специальных такелажных устройств, работающих без захвата за монтажно-стыковые изделия, число плит в поднимаемом пакете не должно превышать трех.

4.8. Плиты следует хранить на складах в штабелях рассортированными по маркам и партиям. В штабеле допускается укладывать по высоте не более 10 плит.

ИНФОРМАЦИОННЫЕ ДАННЫЕ

1. РАЗРАБОТАН

Министерством обороны СССР

Научно-исследовательским, проектно-конструкторским и технологическим институтом бетона и железобетона (НИИЖБ) Госстроя СССР

Министерством транспортного строительства СССР

РАЗРАБОТЧИКИ

Б.И. Демин, канд. техн. наук (руководитель темы); К.Д. Жуков; В.А. Долинченко, канд. техн. наук; В.Е. Анисимов, канд. техн. наук; Н.Б. Васильев, канд. техн. наук; В.А. Кульчицкий, , канд. техн. наук; В.В. Вахрушев; С.Л. Нерубенко, канд. техн. наук; Л.Б. Пчелкина; Н.И. Шкинин; А.А. Гальченко; И.А. Вавилов; Г.И. Бердичевский, д-р техн. наук; Н.А. Маркаров, д-р техн. наук; В.Я. Якушин, канд. техн. наук; А.М. Шейнин, канд. техн. наук; Э.Р. Пинус, канд. техн. наук; В.М. Скубко; В.И. Деныциков

ВНЕСЕН Министерством обороны СССР

2. УТВЕРЖДЕН И ВВЕДЕН В ДЕЙСТВИЕ Постановлением Государственного строительного комитета СССР от 12.03.91 № 8.

3. ВЗАМЕН ГОСТ 25912.0-83

4. ССЫЛОЧНЫЕ НОРМАТИВНО-ТЕХНИЧЕСКИЕ ДОКУМЕНТЫ

Обозначение НТД, на который дана ссылка

Номер пункта, подпункта

ГОСТ 5781-82

п. 1.5.4

ГОСТ 6727-80

п. 1.5.4

ГОСТ 8568-77

п. 1.3.4.

ГОСТ 10060-87

п. 3.2

ГОСТ 10178-85

п. 1.4.10

ГОСТ 10180-90

п. 3.1

ГОСТ 10181.0-81

п. 3.3

ГОСТ 10181.1-81

п. 3.3

ГОСТ 10181.2-81

п. 3.3

ГОСТ 10181.3-81

п. 3.3

ГОСТ 10181.4-81

п. 3.3

ГОСТ 10268-80

п. 1.4.11

ГОСТ 10884-81

п. 1.5.4

ГОСТ 10922-90

п. 1.5.2; 2.7; 3.4

ГОСТ 13015.0-83

п. 1.4.5

ГОСТ 13015.1-81

п. 2.1; 2.3

ГОСТ 13015.2-81

п. 1.13.1

ГОСТ 13015.3-81

п. 2.10

ГОСТ 13015.4-84

п. 4.1

ГОСТ 14192-77

п. 4.4

ГОСТ 17624-87

п. 3.1

ГОСТ 18105-86

п. 1.4.2; 1.4.5; 2.4; 3.1

ГОСТ 22362-77

п. 3.6

ГОСТ 22690-88

п. 3.1

ГОСТ 23732-79

п. 1.4.12

ГОСТ 23858-79

п. 2.7; 3.4

ГОСТ 24211-80

п. 1.4.8

ГОСТ 25912.1-91

п. 1.1; 1.3.7; 1.3.8

ГОСТ 25912.2-91

п. 1.1; 1.3.7

ГОСТ 25912.3-91

п. 1.1; 1.3.7

ГОСТ 25912.4-91

п. 1.5.1

ГОСТ 26433.0-85

п. 3.7

ГОСТ 26433.1-89

п. 3.7

ГОСТ 26633-85

п. 1.4.1

СНиП 2.01.01-82

п. 1.4.6

СНиП 3.09.01-85

п. 1.9

СОДЕРЖАНИЕ

1. Технические требования. 1

2. Приемка. 9

3. Методы контроля. 11

4. Транспортирование и хранение. 13

 




Яндекс цитирования



   Copyright © 2007-2026,  www.tehlit.ru.

[ ѓосты, стандарты, нормативы, инструкции, правила, строительные нормы ]