//
ТехЛит.ру
- крупнейшая бесплатная электронная интернет библиотека для "технически умных" людей.
WWW.TEHLIT.RU - ТЕХНИЧЕСКАЯ ЛИТЕРАТУРА

:: Алготрейдинг::


АЛГОТРЕЙДИНГ
шаг за шагом
с нуля по урокам!

Торговые роботы на PYTHON, BackTrader,
Pandas, Pine Script для TradingView. Связка с брокерами, телеграм и легкими приложениями.


ГОСУДАРСТВЕННЫЙ СТАНДАРТ СОЮЗА ССР

ИЗДЕЛИЯ СКОБЯНЫЕ ЗАПИРАЮЩИЕ
ДЛЯ ДЕРЕВЯННЫХ ОКОН И ДВЕРЕЙ

ТИПЫ И ОСНОВНЫЕ РАЗМЕРЫ

ГОСТ 5090-86

ГОСУДАРСТВЕННЫЙ СТРОИТЕЛЬНЫЙ КОМИТЕТ СССР

Москва

РАЗРАБОТАН

Министерством промышленности строительных материалов СССР Государственным комитетом по гражданскому строительству и архитектуре при Госстрое СССР

ИСПОЛНИТЕЛИ

Л.В. Воронкова (руководитель темы), Н.Д. Попков, Е.Ф. Рашитова, Б.А. Филозофович, Н.Г. Королев, Н.И. Федоров

ВНЕСЕН Министерством промышленности строительных материалов СССР

Зам. министра В.И. Чирков

УТВЕРЖДЕН И ВВЕДЕН В ДЕЙСТВИЕ Постановлением Государственного комитета СССР по делам строительства от 25 июля 1986 г. № 102

ГОСУДАРСТВЕННЫЙ СТАНДАРТ СОЮЗА ССР

ИЗДЕЛИЯ СКОБЯНЫЕ ЗАПИРАЮЩИЕ ДЛЯ
ДЕРЕВЯННЫХ ОКОН И ДВЕРЕЙ

Типы и основные размеры

Locking fitting for wooden windows and doors. Types and basic dimensions

ГОСТ
5090-86

Взамен
ГОСТ 5090-79

Постановлением Государственного комитета СССР по делам строительства от 25 июля 1986 г. № 102 срок введения установлен

с 01.07.87

Несоблюдение стандарта преследуется по закону

1. Настоящий стандарт распространяется на запирающие изделия для деревянных окон и дверей, применяемых в строительстве жилых и общественных зданий.

2. Обозначение, наименование и рекомендуемая область применения запирающих изделий приведены в таблице.

Основные размеры запирающих изделий должны соответствовать указанным на черт. 1 - 13.

(Поправка. ИУС 1-1988).

Основные размеры соединителей, ограничителей, ручек и накладок, предназначаемых для комплектования фрамужных приборов или врезных заверток, должны соответствовать указанным в обязательном приложении 1.

Примеры установки фрамужных приборов, соединителя для фрамуг с тройным остеклением и врезной завертки типа ЗР1 приведены в рекомендуемом приложении 2.

Условное обозначение типа

Наименование

Рекомендуемая область применения

Номер чертежа

ПФ1

Прибор фрамужный

Для фрамуг общественных зданий со спаренными или раздельными переплетами шириной до 300 мм

1

ПФ2

Прибор фрамужный

Для фрамуг общественных зданий со спаренными или раздельными переплетами шириной до 830 мм

2

ШН1

Шпингалет накладной

Для створок окон высотой более 1100 мм и балконных дверей со спаренными или раздельными переплетами и полотнами

3

ШН2

Шпингалет накладной

Для створок окон со спаренными или раздельными переплетами высотой до 1100 мм включительно

4

ШВ

Шпингалет врезной

Для двухпольных дверей

5

ЗР1

Завертка-стяжка врезная

Для окон и балконных дверей со спаренными переплетами и полотнами

6

ЗР2

Завертка врезная

Для створок окон и балконных дверей

7

ЗР3

Завертка врезная

То же

8

ЗР4

Завертка врезная

»

9

ЗФ1

Завертка накладная

Для дверей санузлов

10

ЗФ2

Завертка накладная

Для форточек окон жилых зданий

11

ЗТ

Задвижка накладная

Для створок окон и балконных дверей жилых и общественных зданий

12

СТ

Стяжка

Для окон и балконных дверей со спаренными переплетами и полотнами

13

Прибор фрамужный типа ПФ1

Черт. 1

Примечание. Размер L = B + 13 мм, где B - ширина фрамуги с учетом наплава.

Шурупы 1-4´30 по ГОСТ 1145-80 или ГОСТ 1146-80 (4 шт.).

Пример условного обозначения фрамужного прибора для спаренных фрамуг:

ПФ1 ГОСТ 5090-86

То же, для раздельных фрамуг с соединителем исполнения 1 и расстоянием между фрамугами, равным 53 мм:

ПФ1-1-53 ГОСТ 5090-86

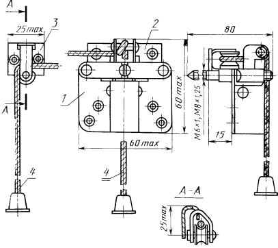
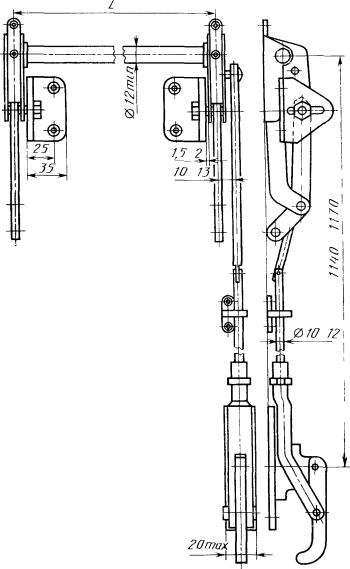
Прибор фрамужный типа ПФ2

1 - защелка, 2 - корпус, 3 - угловой блок, 4 - шнур

Черт. 2

Шурупы 1-4´30 по ГОСТ 1145-80 (12 шт.).

Пример условного обозначения фрамужного прибора для спаренных фрамуг с ограничителем:

ПФ2 ГОСТ 5090-86

То же, для раздельных фрамуг с соединителем исполнения 1 и расстоянием между фрамугами, равным 53 мм:

ПФ2-1-58 ГОСТ 5090-86

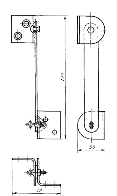
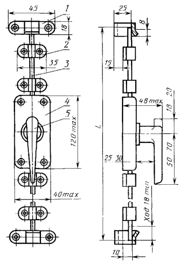
Шпингалет накладной типа ШН1

1 - запорная планка, 2 - направляющая, 3 - засов-штанга, 4 - корпус, 5 - ручка, 6 - засов

Черт. 3

Примечание. Размер L = H + 30 мм, где H - высота створки или дверного полотна с учетом наплава.

(Поправка. ИУС 1-1988).

Шурупы 1-4´30 (16 шт.) - для крепления корпуса и запорных планок и 1-4´18 (12 шт.) по ГОСТ 1145-80 или ГОСТ 1146-80-для крепления направляющих.

Пример условного обозначения шпингалета:

ШН1 ГОСТ 5090-86

Шпингалет накладной типа ШН2

1 - запорная планка, 2 - направляющая, 3 - корпус, 4 - ручка

Черт. 4

Примечание. Размер L = Н + 30 мм, где H - высота створки с учетом наплава.

Шурупы 1-4´30 (8 шт.) - для крепления корпуса и запорных планок и 1-4´18 (8 шт.) по ГОСТ 1145-80 или ГОСТ 1146-80 - для крепления направляющих.

Пример условного обозначения шпингалета:

ШН2 ГОСТ 5090-86

Шпингалет врезной типа ШВ

Черт. 5

Шурупы 1-4´30 по ГОСТ 1145-80 (5 шт.).

Пример условного обозначения врезного шпингалета:

ШВ ГОСТ 5090-86

Завертка-стяжка врезная типа ЗР1

Черт. 6

Шурупы 1-4´25 или 1-3´25 по ГОСТ 1145-80 (2 шт.) и штифты (4 шт.).

Пример условного обозначения завертки-стяжки о ручкой типа Р1:

ЗР1-1 ГОСТ 5090-86

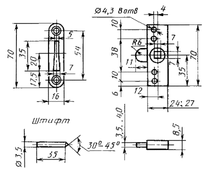
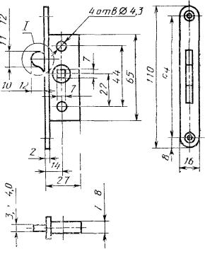
Завертка врезная типа ЗР2

Черт. 7

(Поправка. ИУС 1-1988).

Шурупы 1-4´25 или 1-3´25 по ГОСТ 1145-80 (4 шт.).

Пример условного обозначения завертки с ручкой типа Р1:

ЗР2-1 ГОСТ 5090-86

То же, с ручкой типа Р2 и накладкой:

ЗР2-2 ГОСТ 5090-86

Завертка врезная типа ЗР3

Черт. 8

Шурупы 1-4´25 или 1-3´25 по ГОСТ 1145-80 (2 шт.) винты ВМ4-6q´35.36 ГОСТ 17474-80 (2 шт.).

Пример условного обозначения завертки исполнения 1 правого исполнения с ручкой типа Р1:

ЗРЗ-1-П-1 ГОСТ 5090-86

То же, исполнения 2 левого исполнения с ручкой типа Р2 и накладкой:

ЗРЗ-2-Л-2 ГОСТ 5090-86

Завертка врезная типа ЗР4

Черт. 9

(Поправка. ИУС 4-1988).

Примечание. Форма и размеры засова могут быть аналогичными засову заверток типов ЗР2, ЗР3.

(Поправка. ИУС 5-1988).

Шурупы 1-4´25 или 1-3´25 по ГОСТ 1145-80 (2 шт.) и штифты (2 шт.).

Примечание. Отверстия диаметром 4,3 мм следует располагать на оси симметрии корпуса завертки.

(Поправка. ИУС 1-1988).

Пример условного обозначения завертки с ручкой типа Р1:

ЗР4-1 ГОСТ 5090-86

Завертка накладная типа ЗФ1

Черт. 10

(Поправка. ИУС 1-1988).

Шурупы 1-4´30 по ГОСТ 1145-80 или ГОСТ 1146-80 (4 шт.).

Примечание. Допускается располагать шурупы на корпусе завертки в пределах 45° от вертикальной оси.

Пример условного обозначения завертки с запорной планкой исполнения 1:

ЗФ1-1 ГОСТ 5090-86

Завертка накладная типа ЗФ2

Черт. 11

(Поправка. ИУС 4-1988).

Шурупы 1-3´20 по ГОСТ 1145-80 или ГОСТ 1146-80 (4 шт.).

Пример условного обозначения завертки правого исполнения:

ЗФ2 П ГОСТ 5090-86

То же, исполнения 2:

ЗФ2 П-2 ГОСТ 5090-86

Задвижка накладная типа ЗТ

Черт. 12

Шурупы 1-3´25 или 1-4´25 по ГОСТ 1145-80 (4 шт.).

Пример условного обозначения задвижки для створок с наплавом:

ЗT (h + 15) ГОСТ 5090-86

То же, без наплава:

ЗT (h) ГОСТ 5090-86

(Поправка. ИУС 1-1988).

Черт. 13

Винт ВM6-6q´55.86 по ГОСТ 17473-80, ГОСТ 17474-80 или ГОСТ 17475-80.

(Поправка. ИУС 1-1988).

Шурупы 1-3´25 по ГОСТ 1145-80 (2 шт.).

Пример условного обозначения стяжки:

СТ ГОСТ 5090-86

3. Технические требования, комплектность, правила приемки, методы контроля, маркировка, упаковка, транспортирование, хранение и гарантийный срок эксплуатации запирающих изделий должны соответствовать ГОСТ 538-78 и дополнительным требованиям настоящего стандарта.

4. Завертки-стяжки типа ЗР1 допускается изготавливать до 01.01.90.

5. Завертки типа ЗР4 предназначены для комплектования окон и балконных дверей, изготовляемых на автоматизированных линиях, установленных на деревообрабатывающих комбинатах до 01.01.86.

6. Засовы врезных шпингалетов и заверток в открытом положении не должны выступать над лицевой поверхностью планок или западать внутрь корпуса более чем на 1 мм.

7. Размеры засова и запорной планки шпингалетов типов ШН1, ШН2 и задвижки типа ЗТ должны обеспечивать при их соединении натяг не менее 3 мм.

Толщина запорных планок указанных изделий не должна быть менее 1 мм.

(Поправка. ИУС 2-1990).

(Поправка. ИУС 9-1990).

8. Шнур фрамужного прибора типа ПФ2 должен перемещаться по роликам свободно, без заеданий и не соскальзывать с них.

9. Завертки типов ЗР1, ЗР2, ЗР4 и ЗФ1 следует изготавливать двухсторонними, типов ЗРЗ и ЗФ2 - в правом и левом исполнениях.

10. Засов задвижки типа ЗТ должен быть выполнен из стального прутка.

11. Форма ручек, накладок, сечения засовов накладных шпингалетов, а также заостренной части штифтов для заверток стандартом не устанавливаются.

12. Запирающие изделия должны иметь защитное или защитно-декоративное покрытие по ГОСТ 538-78 для 2, 3 или 4 (С) групп условий эксплуатации ГОСТ 9.303-84.

13. Засовы-штанги накладных шпингалетов следует испытывать на прочность при приемочных и типовых испытаниях.

Испытания проводят на стенде путем приложения в течение 1 мин к закрепленному засову-штанге силы 800 Н (78,4 кгс) на расстоянии 5 мм от места крепления перпендикулярно к плоскости крепления шпингалета.

После проведения испытаний засов-штанга не должен быть деформирован.

14. Фрамужные приборы типов ПФ1, ПФ2 и завертки типов ЗР1, ЗР2, ЗР3, ЗР4 должны быть укомплектованы следующими деталями, указанными в обязательном приложении 1:

фрамужные приборы типов ПФ1, ПФ2, устанавливаемые на фрамуги с раздельными переплетами, - двумя соединителями исполнения 1, 2, 3, 4 или 5 (черт. 1, 2, 3, 4, 5);

фрамужные приборы типа ПФ2, устанавливаемые на фрамуги с одинарными или спаренными переплетами, - двумя ограничителями (черт. 7);

фрамужные приборы типа ПФ2, устанавливаемые на фрамуги с тройным остеклением, - двумя ограничителями и двумя соединителями (черт. 6 и 7);

завертки типа ЗР1 - ручками типа Р1 (черт. 8);

завертки типов ЗР2, ЗР3, ЗР4-ручками типа Р1 или Р2 с накладками. Число ручек типа Р2 и накладок должно быть указано при заказе.

15. Значение L фрамужных приборов типа ПФ1 и шпингалетов типов ШН1 и ШН2 должно быть указано при заказе.

ПРИЛОЖЕНИЕ 1

Обязательное

КОМПЛЕКТУЮЩИЕ ИЗДЕЛИЯ ДЛЯ ФРАМУЖНЫХ ПРИБОРОВ И ВРЕЗНЫХ ЗАВЕРТОК

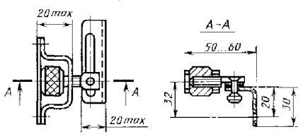
Соединители для фрамуг с раздельными и раздельно-спаренными переплетами

Черт. 1

Шурупы 1-4´30 или 3-4´30 по ГОСТ 1145-80 (4 шт.).

(Поправка. ИУС 4-1988).

Примечание. Размеры 53 и 90 мм соответствуют расстоянию (4 шт.) между переплетами фрамуг.

Исполнение 2

Черт. 2

Шурупы 1-4´30 или 3-4´30 по ГОСТ 1145-80 (4 шт.)

(Поправка. ИУС 4-1988).

исполнение 3

Черт. 3

Шурупы 1-4´30 или 3-4´30 по ГОСТ 1145-80 (4 шт.).

(Поправка. ИУС 4-1988).

исполнение 4

Черт. 4

Шурупы 1-4´30 или 3-4´30 по ГОСТ 1145-80 (4 шт.).

(Поправка. ИУС 4-1988).

Исполнение 5

Черт. 5

Шурупы 1-4´30 или 3-4´30 по ГОСТ 1145-80 (4 шт.).

(Поправка. ИУС 4-1988).

Соединитель для фрамуг с тройным остеклением

Черт. 6

Шурупы 1-4´30 или 3-4´30 (4 шт.) по ГОСТ 1145-80

(Поправка. ИУС 4-1988).

Ограничитель для фрамуг со спаренными переплетами и с тройным остеклением

Черт. 7

Шурупы 1-4´30 или 3-4´30 по ГОСТ 1145-80 (4 шт.).

(Поправка. ИУС 4-1988).

Ручки и накладки для врезных заверток

Черт. 8

Шурупы 1-4´25 или 3-4´25 по ГОСТ 1145-80 (2 шт.) для ручек, предназначаемых для комплектования заверток типов Р1, Р2, Р4.

(Поправка. ИУС 4-1988).

Винты ВМ4-6q´35.36 по ГОСТ 17474-80 (2 шт.) для ручек, предназначаемых для комплектования заверток типа ЗР3.

Тип Р2

Черт. 9

(Поправка. ИУС 5-1988).

(Поправка. ИУС 2-1990).

 

Накладка для ручки типа Р2

Черт. 10

Шурупы 1-4´25 или 3-4´25 по ГОСТ 1145-80 (2 шт.) - для накладки, предназначаемой для комплектования заверток типов ЗР2, ЗР4.

(Поправка. ИУС 4-1988).

Винты ВМ4-6q´35.36 по ГОСТ 17474-80 или ГОСТ 17475-80 (2 шт.) для накладки, предназначаемой для комплектования завертки типа ЗР3.

Примечание. При изготовлении накладки из листовой стали толщина металла не должна быть менее 1 мм.

ПРИЛОЖЕНИЕ 2

Рекомендуемое

ПРИМЕРЫ УСТАНОВКИ ЗАПИРАЮЩИХ ИЗДЕЛИЙ

Прибор фрамужный типа ПФ1

Черт. 1

Прибор фрамужный типа ПФ2

Черт. 2

Фрамужный соединитель типа СФ

Черт. 3

Завертка врезная типа ЗР1

Черт. 4

СОДЕРЖАНИЕ

 




Яндекс цитирования



   Copyright © 2007-2026,  www.tehlit.ru.

[ ѓосты, стандарты, нормативы, инструкции, правила, строительные нормы ]