//
|
|
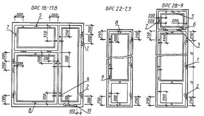
ГОСУДАРСТВЕННЫЙ СТАНДАРТ СОЮЗА ССР ОКНА И БАЛКОННЫЕ ДВЕРИ ДЕРЕВЯННЫЕ С ТРОЙНЫМ ОСТЕКЛЕНИЕМ ДЛЯ ЖИЛЫХ И ОБЩЕСТВЕННЫХ ЗДАНИЙ Типы, конструкция и размеры ГОСТ 16289-86 Государственный строительный комитет СССР Москва РАЗРАБОТАН Государственным комитетом по гражданскому строительству и архитектуре при Госстрое СССР РАЗРАБОТЧИКИ И.В.Строков (руководитель темы); Б.А.Филозофович; И.С.Посельская; Г.Г.Коваленко; Н.Н.Цаплев, канд. техн. наук; А.В.Ткаченко; Г.В.Левушкин; Н.В.Шведов ВНЕСЕН Государственным комитетом по гражданскому строительству и архитектуре при Госстрое СССР Зам. Председателя М.П. Коханенко УТВЕРЖДЕН И ВВЕДЕН В ДЕЙСТВИЕ постановлением Государственного комитета СССР по делам строительства от 14 ноября 1985 № 192 ГОСУДАРСТВЕННЫЙ СТАНДАРТ СОЮЗА ССР ОКНА И БАЛКОННЫЕ ДВЕРИ ДЕРЕВЯННЫЕ ГОСТ С ТРОЙНЫМ ОСТЕКЛЕНИЕМ ДЛЯ ЖИЛЫХ 16289-86 И ОБЩЕСТВЕННЫХ ЗДАНИЙ Типы, конструкция и размеры Wooden windows and balcony doors of triple Взамен glazing for dwelling and public buildings. ГОСТ 16289-80 Types, structure and dimensions Постановлением Государственного комитета СССР по делам строительства от 14 ноября 1985 № 192 срок введения установлен с 01.01.87 Настоящий стандарт распространяется на деревянные окна и балконные двери с тройным остеклением, предназначаемые для жилых и общественных зданий, а также для вспомогательных зданий и помещений предприятий различных отраслей народного хозяйства. 1. ОСНОВНЫЕ РАЗМЕРЫ И МАРКИ1.1. Окна и балконные двери изготовляют по настоящему стандарту с раздельноспаренными переплетами и дверными полотнами. 1.2. Габаритные размеры окон и балконных дверей и размеры проемов для них должны соответствовать: для жилых зданий - указанным на черт. 1 и в приложении 1; для общественных зданий - указанным на черт. 2 и в приложении 2. Окна и балконные двери, приведенные на черт. 1, допускается применять и для общественных зданий. 1.3. Окна размерами 9-13,5; 12-13,5; 15-13,5; 18-13,5 и 21-13,5 модулей (модуль М = 100 мм) для заполнения проемов в стенах из немодульного кирпича лицевой кладки по требованию потребителя должны изготовлять шириной на 80 мм больше указанной на черт. 1 за счет увеличения ширины широких створок, а окно размерами 15-6 модулей - шириной на 70 мм меньше указанной на черт. 1, при этом маркировку изменяют соответственно на 9-14; 12-14; 15-14; 18-14; 21-14 и 15-5. 1.4. По требованию потребителей одностворные окна и балконные двери, в т.ч. с форточными створками и фрамугами, должны изготовляться также и левыми, а многостворные окна с несимметричным рисунком - в негативном изображении. 1.5. Устанавливают следующую структуру условного обозначения (марки) окон и балконных дверей:
Примеры условных обозначений: Окно правое типа РС для проема высотой 15 и шириной 9 дм: ОРС15-9 ГОСТ 16289-86 То же, левое: ОРС15-9Л ГОСТ 16289-86 Окно типа РС для проема высотой 15 и шириной 13,5 дм, с форточной створкой: ОРС15-13,5 ГОСТ 16289-86 То же, для проема высотой 18 и шириной 18 дм, с несимметричным рисунком (вариант В): ОРС18-18В ГОСТ 16289-86 То же, в негативном изображении: ОРС18-18ВН ГОСТ 16289-86 Дверь балконная правая типа РС для проема высотой 22 и шириной 7,5 дм: БРС22-7,5 ГОСТ 16289-86 То же, левая: БРС22-7,5 Л ГОСТ 16289-86 2. ТРЕБОВАНИЯ К КОНСТРУКЦИИ2.1. Окна и балконные двери должны изготовляться в соответствии с требованиями ГОСТ 23166-78 и настоящего стандарта по рабочим чертежам, утвержденным в установленном порядке. 2.2. Конструкция, форма, основные размеры и марки окон и балконных дверей для жилых зданий должны соответствовать указанным на черт. 3-6, размеры сечений - на черт. 7-15; для общественных зданий на черт. 16-22, размеры сечений - на черт. 23-32. 2.3. Размеры на общих видах окон и балконных дверей даны в свету, по наружным сторонам створок, форточек, фрамуг и полотен дверей и по наружным сторонам коробок. На чертежах, приведенных в настоящем стандарте, указаны размеры для неокрашенных деталей и изделий в миллиметрах. 2.4. Для отвода дождевой воды в нижних брусках коробок и в горизонтальных импостах под широкими створками, фрамугами и полотнами сверлят отверстия диаметром 10 мм, располагаемые на расстоянии 50 мм от вертикальных брусков коробок и импостов, а под форточными и узкими створками - одно отверстие посередине створок. 2.5. Наружные створки окон и наружные полотна балконных дверей должны быть оснащены врезными завертками со съемными ручками, а фрамуги - фрамужными приборами по ГОСТ 5090-79. 2.6. Наружные створки окон и наружные полотна балконных дверей должны быть навешены на врезные петли с вынимающимися стержнями по ГОСТ 5088-76. Внутренние створки окон высотой более 1400 мм и шириной более 600 мм, высотой более 1000 мм и шириной более 900 мм, а также полотна балконных дверей должны быть навешены на три петли. 2.7. Для остекления окон и балконных дверей жилых зданий следует применять стекло по ГОСТ 111-78 толщиной 2,5-3 мм, а для общественных зданий - толщиной 3-4 мм. Толщину стекла уточняют в проекте с учетом ветровых нагрузок и шумовых воздействий в районе строительства и указывают в заказе на изделия. 2.8. Места расположения уплотняющих пенополиуретановых прокладок по ГОСТ 10174-72 в притворах окон и балконных дверей указаны на чертежах сечений. 2.9. По требованию потребителей по периметру коробок окон и балконных дверей на торцевых и боковых поверхностях допускаются продольные пазы различного профиля, заполняемые деревянными вкладышами и обрамляемые наличниками при соединении изделий друг с другом. 2.10. Для обеспечения возможности оборудования окон и балконных дверей общественных зданий фрамужными приборами рычажного типа допускается увеличивать толщину верхних и вертикальных брусков коробок и импостов на 20 мм без изменения габаритов изделий. 2.11. По согласованию изготовителя с потребителем допускается изготовление балконных дверей высотой 28 модулей с фрамугами в отдельных коробках. В этом случае высоту глухой части полотен или остекленной части фрамуг уменьшают на 50 мм. 2.12. Расположение приборов в окнах и балконных дверях (примеры) приведено в приложении 3; спецификация стекол для окон и балконных дверей жилых зданий приведена в приложении 4, спецификация стекол для окон и балконных дверей общественных зданий - в приложении 5; фрамужный соединитель и ручка-упор приведены в приложении 6. Типы и габаритные размеры окон и балконных дверей жилых зданий
Черт. 1 Типы и габаритные размеры окон и балконных дверей общественных зданий
Примечания к черт. 1 и 2. 1. Схемы изделий изображены со стороны фасада. 2. Цифры над схемами изделий означают размеры проемов в модулях. Черт. 2 Конструкция, форма, основные размеры и марки окон и балконных дверей жилых зданий
Черт. 3
Черт. 4
Черт. 5
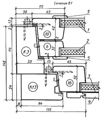
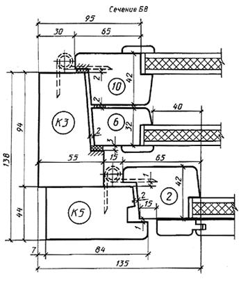
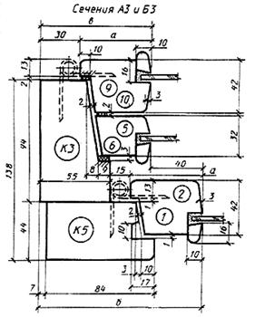
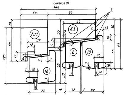
Черт. 6 Сечения по притворам окон и балконных дверей жилых зданий
Черт. 7
1 - уплотняющие прокладки; 2 - отверстие диаметром 10 мм для отвода воды
Черт. 8
Черт. 9
Черт. 10
Черт. 11
Черт. 12
1 - твердая ДВП толщиной 3,2-4 мм по ГОСТ 4598; 2 - мягкая ДВП толщиной 8 мм по ГОСТ 4598; 3 - пергамин по ГОСТ 2697; 4 - обшивка типа О-2 по ГОСТ 8242; 5 - раскладка Черт. 13
Черт. 14
Черт. 15 Конструкция, форма, основные размеры и марки окон и балконных дверей общественных зданий
Черт. 16
Черт. 17
Черт. 18
Черт. 19
Черт. 20
Черт. 21
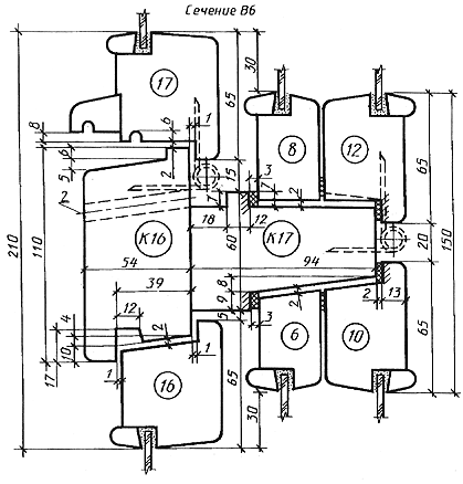
Черт. 22 Сечения по притворам окон и балконных дверей общественных зданий
Черт. 23
1 - уплотняющие прокладки; 2 - отверстие диаметром 10 мм для отвода воды Черт. 24
Черт. 25
Черт. 26
Черт. 27
Примечание. Заполнение полотен см. черт. 29. Черт. 28
1 - твердая древесноволокнистая плита Т-400 по ГОСТ 4598-74, толщиной 3,2-4 мм; 2 - мягкая древесноволокнистая плита по ГОСТ 4598-74, толщиной 8 мм; 3 - пергамин по ГОСТ 2697-83; 4 - обшивка типа 2 по ГОСТ 8242-75; 5 - раскладки. Черт. 29
Черт. 30
Черт. 31
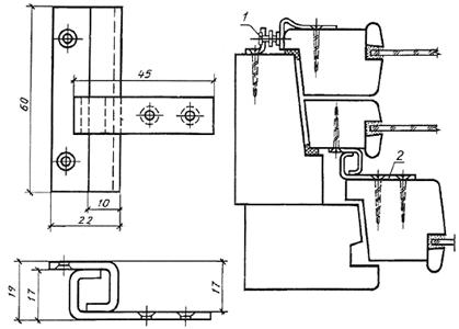
1 - нащельник Черт. 32 ПРИЛОЖЕНИЕ
1
| ||||||||||||||||||||||||||||||||||||||||||||||||||||||||||||||||||||||||||||||||||||||||||||||||||||||||||||||||||||||||||||||||||||||||||||||||||||||||||||||||||||||||||||||||||||||||||||||||||||||||||||||||||||||||||||||||||||||||||||||||||||||||||||||||||||||||||||||||||||||||||||||||||||||||||||||||||||||||||||||||||||||||||||||||||||||||||||||||||||||||||||||||||||||||||||||||||||||||||||||||||||||||||||||||||||||||||||||||||||||||||||||||||||||||||||||||||||||||||||||||||||||||||||||||||||||||||||||||||||||||||||||||||||||||||||||||||||||||||||||||||||||||||||||||||||||||||||||||||||||||||||||||||||||||||||||||||||||||||||||||||||||||||||||||||||||||||||||||||||||||||||||||||||||||||||||||||||||||||||||||||||||||||||||||||||||||||||||||||||||||||||||||||||||||||||||||||||||||||||||||||||||||||||||||||||||||||||||||||||||||||||||||||||||||||||||||||||||||||||||||||||||||||||||||||||||||||||||||||||||||||||||||||||||||||||||||||||||||||||||||||||||||||||||||||||||||||||||||||||||
|
|
Размер, мм |
|||||
|
Марка |
внутренний |
наружный |
||||
|
|
Высота |
Ширина |
Кол. |
Высота |
Ширина |
Кол. |
|
ОРС 6-9 |
400 |
715 |
2 |
350 |
635 |
1 |
|
ОРС 6-12 |
400 |
585 |
2 |
350 |
515 |
1 |
|
|
|
315 |
|
|
245 |
|
|
ОРС 9-9 |
700 |
715 |
2 |
650 |
635 |
1 |
|
ОРС 9-12 |
700 |
585 |
2 |
650 |
515 |
1 |
|
|
|
315 |
|
|
245 |
|
|
ОРС 9-13,5 |
700 |
735 |
2 |
650 |
665 |
1 |
|
|
|
315 |
|
|
245 |
|
|
ОРС 9-15 |
700 |
885 |
2 |
650 |
815 |
1 |
|
|
|
315 |
|
|
245 |
|
|
ОСП 12-9 |
535 |
715 |
2 |
485 |
635 |
|
|
|
365 |
|
|
315 |
|
1 |
|
|
1000 |
585 |
|
950 |
515 |
|
|
ОРС 12-12 |
535 |
315 |
2 |
485 |
245 |
1 |
|
|
365 |
|
|
315 |
|
|
|
|
1000 |
735 |
|
950 |
|
|
|
ОРС 12-13,5 |
535 |
315 |
2 |
485 |
245 |
1 |
|
|
365 |
|
|
315 |
|
|
|
|
1000 |
885 |
|
950 |
|
|
|
ОРС 12-15 |
535 |
315 |
2 |
485 |
245 |
1 |
|
|
365 |
|
|
315 |
|
|
|
ОРС 15-6 |
835 |
415 |
2 |
785 |
335 |
1 |
|
|
365 |
|
|
315 |
|
|
|
ОРС 15-9 |
835 |
715 |
2 |
785 |
635 |
1 |
|
|
365 |
|
|
315 |
|
|
|
ОРС 15-9А |
1300 |
715 |
2 |
1250 |
635 |
1 |
|
|
1300 |
585 |
|
1250 |
515 |
|
|
ОРС 15-12 |
835 |
315 |
2 |
785 |
245 |
1 |
|
|
365 |
|
|
315 |
|
|
|
|
1300 |
735 |
|
1250 |
665 |
|
|
ОРС 15-13,5 |
835 |
315 |
2 |
785 |
245 |
1 |
|
|
365 |
|
|
315 |
|
|
|
|
1300 |
755 315 |
2 |
1250 |
685 245 |
|
|
ОРС 15-18 |
835 |
315 |
2 |
785 |
245 |
1 |
|
|
365 |
|
|
315 |
|
|
|
|
1300 |
685 |
4 |
1250 |
615 |
|
|
ОРС 15-21 |
835 |
315 |
2 |
785 |
245 |
1 |
|
|
365 |
|
|
315 |
|
|
|
ОРС 18-9 |
995 |
695 |
2 |
945 |
615 |
1 |
|
|
465 |
|
|
415 |
|
|
|
ОРС 18-9А |
1580 |
695 |
2 |
1530 |
615 |
1 |
|
|
1580 |
695 |
|
1530 |
625 |
|
|
ОРС 18-13,5 |
995 |
315 |
2 |
945 |
245 |
1 |
|
|
465 |
|
|
415 |
|
|
|
|
1300 |
885 |
|
1250 |
815 |
|
|
ОРС 15-15 |
835 |
315 |
2 |
785 |
245 |
1 |
|
|
365 |
|
|
315 |
|
|
|
|
1580 |
815 |
|
1530 |
77 |
|
|
ОРС 18-15 |
995 |
315 |
2 |
945 |
245 |
1 |
|
|
465 |
|
|
415 |
|
|
|
БРС 22-7,5 |
1300 |
545 |
2 |
1250 |
465 |
1 |
|
БРС 22-9 |
1300 |
695 |
2 |
1250 |
615 |
1 |
|
БРС24-7,5 |
1580 |
545 |
2 |
1530 |
465 |
1 |
|
БРС 24-9 |
1580 |
695 |
2 |
1530 |
615 |
1 |
|
|
Размер, мм |
|||||
|
Марка |
внутренний |
наружный |
||||
|
|
Высота |
Ширина |
Кол. |
Высота |
Ширина |
Кол. |
|
ОРС 12-9В |
980 |
695 |
2 |
930 |
615 |
1 |
|
ОРС 12-12В |
980 |
995 |
2 |
930 |
915 |
1 |
|
ОРС12-13,5В |
980 |
1145 |
2 |
930 |
1065 |
1 |
|
ОРС 12-15В |
980 |
775 |
2 |
930 |
705 |
1 |
|
|
|
385 |
|
|
315 |
|
|
ОРС12-18В |
980 |
995 |
2 |
930 |
925 |
1 |
|
|
|
465 |
|
|
395 |
|
|
ОРС 12-21В |
980 |
1195 |
2 |
930 |
1125 |
1 |
|
|
|
565 |
|
|
495 |
|
|
ОРС 18-9В |
1050 |
695 |
2 |
1000 |
615 |
1 |
|
|
395 |
|
|
335 |
|
|
|
ОРС 18-12В |
1050 |
995 |
2 |
1000 |
915 |
1 |
|
|
395 |
|
|
335 |
|
|
|
ОРС18-13,5В |
1050 |
1145 |
2 |
1000 |
1065 |
1 |
|
|
395 |
|
|
335 |
|
|
|
|
1580 |
385 |
|
1530 |
315 |
|
|
ОРС 18-15В |
1050 |
775 |
2 |
1000 |
705 |
1 |
|
|
395 |
|
|
335 |
|
|
|
|
1580 |
465 |
|
1530 |
395 |
|
|
ОРС 18-18В |
1050 |
995 |
2 |
1000 |
925 |
1 |
|
|
395 |
|
|
335 |
|
|
|
|
1580 |
565 |
|
1530 |
495 |
|
|
ОРС 18-21В |
1050 |
1195 |
2 |
1000 |
705 |
1 |
|
|
395 |
|
|
335 |
1125 |
|
|
|
1580 |
|
|
1530 |
|
|
|
ОРС 18-24В |
1050 |
1030 |
2 |
1000 |
960 |
1 |
|
|
395 |
|
|
335 |
|
|
|
ОРС 18-9Г |
1580 |
695 |
2 |
1530 |
615 |
1 |
|
|
1580 |
|
|
1530 |
|
|
|
ОРС 18-27В |
1050 |
1180 |
2 |
1000 |
1110 |
1 |
|
|
395 |
|
|
335 |
|
|
|
ОРС 18-12Г |
1580 |
995 |
2 |
1530 |
915 |
1 |
|
ОРС18-13,5Г |
1580 |
1145 |
2 |
1530 |
1065 |
1 |
|
ОРС 18-15Г |
1580 |
775 |
2 |
1530 |
705 |
1 |
|
|
|
385 |
|
|
315 |
|
|
ОРС 18-18Г |
1580 |
995 |
2 |
1530 |
925 |
1 |
|
|
|
465 |
|
|
395 |
|
|
ОРС 18-21Г |
1580 |
1195 |
2 |
1530 |
1125 |
1 |
|
|
|
565 |
|
|
495 |
|
|
ОРС 18-24Г |
1580 |
1030 |
4 |
1530 |
960 |
2 |
|
ОРС 18-27Г |
1580 |
1175 |
2 |
1530 |
1105 |
1 |
|
|
|
525 |
4 |
|
455 |
2 |
|
ОРС 21-9В |
1350 |
695 |
2 |
1300 |
615 |
1 |
|
|
395 |
|
|
335 |
|
|
|
ОРС 21-12В |
1350 |
995 |
2 |
1300 |
915 |
1 |
|
|
395 |
|
|
335 |
|
|
|
ОРС21-13,5В |
1350 |
1145 |
2 |
1300 |
1065 |
1 |
|
|
395 |
|
|
335 |
|
|
|
|
1880 |
385 |
|
1830 |
315 |
|
|
ОРС 21-15В |
1350 |
775 |
2 |
1300 |
705 |
1 |
|
|
395 |
|
|
335 |
|
|
|
|
1880 |
465 |
|
1830 |
395 |
|
|
ОРС 21-18В |
1350 |
995 |
2 |
1300 |
925 |
1 |
|
|
395 |
|
|
335 |
|
|
|
ОРС 21-9Г |
1880 |
695 |
2 |
1830 |
615 |
1 |
|
|
1880 |
565 |
|
1830 |
495 |
|
|
ОРС 21-21В |
1350 |
1195 |
2 |
1300 |
1125 |
1 |
|
|
395 |
|
|
335 |
|
|
|
|
1880 |
|
|
1830 |
|
|
|
ОРС 21-24В |
1350 |
1030 |
2 |
1300 |
960 |
1 |
|
|
395 |
|
|
335 |
|
|
|
|
1880 |
|
|
1830 |
|
|
|
ОРС 21-27В |
1350 |
1080 |
2 |
1300 |
1110 |
1 |
|
|
395 |
|
|
335 |
|
|
|
ОРС 21-12Г |
1880 |
995 |
2 |
1830 |
915 |
1 |
|
ОРС21-13,5Г |
1880 |
1145 |
2 |
1830 |
1065 |
1 |
|
ОРС 21-15Г |
1880 |
775 |
2 |
1830 |
705 |
1 |
|
|
|
385 |
|
|
315 |
|
|
ОРС 21-18Г |
1880 |
995 |
2 |
1830 |
925 |
1 |
|
|
|
465 |
|
|
395 |
|
|
ОРС 21-21Г |
1880 |
1195 |
2 |
1830 |
1125 |
1 |
|
|
|
565 |
|
|
495 |
|
|
ОРС 21-24Г |
1880 |
1030 |
4 |
1830 |
960 |
2 |
|
ОРС 21-27Г |
1880 |
1175 |
2 |
1830 |
1105 |
1 |
|
|
|
525 |
4 |
|
455 |
2 |
|
БРС 28-9 |
1350 |
695 |
2 |
1300 |
615 |
1 |
|
|
395 |
|
|
335 |
|
|
|
БРС 28-12 |
1350 |
995 |
2 |
1300 |
915 |
1 |
|
|
395 |
|
|
335 |
|
|
|
БРС 28-18 |
1350 |
|
|
1300 |
735 |
|
|
|
|
750 |
4 |
|
685 |
1 |
|
|
395 |
|
|
335 |
735 |
|
|
|
|
|
|
|
685 |
|

1 - ограничитель; 2 - соединитель
Черт. 1

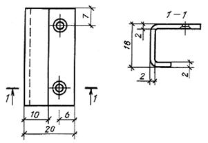
Шурупы 1-3´25 по ГОСТ 1145-80 (2 шт.).
Черт. 2
Приложение к письму Минстроя России от 17 апрели 1997 г. № СП-232/13
РЕКОМЕНДАЦИИ
по применению окон и балконных дверей с различными значениями сопротивления теплопередаче (Rо, м2 С/Вт) для жилых и общественных зданий
|
Градусосутки отопительного периода |
Планируемое значение Rотр |
Рекомендуемые конструкции деревянных и поливинилхлоридных (ПВХ) окон и балконных дверей |
Справочное значение Rо |
|
до 2500 |
0,38 |
Деревянные по ГОСТ 24700 и ПВХ окна с однокамерными стеклопакетами (СПО) |
0,38 |
|
|
|
Деревянные спаренные по ГОСТ 11214 |
0,40 |
|
|
|
Деревянные раздельные по ГОСТ 11214 |
0,43 |
|
до 4000 |
0,50 |
Деревянные по ГОСТ 24700 и ПВХ окна с двухкамерными стеклопакетами (СПД) |
0,50 |
|
|
|
Деревянные по ГОСТ 24700 и ПВХ окна с СПО и теплоотражающим покрытием внутреннего стекла (ТОП) |
0,53 |
|
до 5000 |
0,55 |
Деревянные с тройным остеклением по ГОСТ 16289 |
0,55 |
|
|
|
Деревянные со стеклом и СПО по ГОСТ 24699 |
0,55 |
|
|
|
Деревянные по ГОСТ 24700 и ПВХ окна с СПД и ТОП |
0,57 |
|
|
|
Деревянные по ГОСТ 24700 и ПВХ окна с СПО и ТОП, заполнение - аргон |
0,60 |
|
до 6000 |
0,65 |
Деревянные по ГОСТ 24700 и ПВХ окна с СПД и ТОП, межстекольные расстояния 12 и 8 мм. |
0,65 |
|
|
|
с усиленными сечениями профилей |
0,55 |
|
|
|
Деревянные спаренные по ГОСТ 11214 с установкой теплового экрана между стекол |
0,65 |
|
|
|
Деревянные с тройным остеклением по ГОСТ 16289 с ТОП |
0,65 |
|
|
|
Деревянные со стеклом и СПО с ТОП по ГОСТ 24699 |
0,65 |
|
до 8000 |
0,75 |
Деревянные со стеклом и СПО с ТОП по ГОСТ 24699, заполнение - аргон, с усиленным сечением профилей |
0,75 |
|
|
|
Деревянные со стеклом и СПД с ТОП по ГОСТ 24699, межстекольные расстояния 12 и 8 мм, аргон, с усиленным сечением профилей |
0,75 |
|
свыше 8000 |
0,85 |
Деревянные с тройным остеклением с ТОП по ГОСТ 16289 и установкой в спаренной части теплового экрана |
0,85 |
|
|
|
Деревянные со стеклом и СПО с ТОП по ГОСТ 24699, заполнение - криптон, с усиленным сечением профилей |
1,0 |
Примечания:
1. До внесения изменений в ГОСТ 11214-86, ГОСТ 16289-86, ГОСТ 24699-81, ГОСТ 24700-81 рекомендуется по согласованию с Минстроем России проводить работы по модернизации конструктивных решений окон с учетом современного опыта их производства и применения. При этом в конструкциях окон с сопротивлением теплопередаче выше 0,4 м2 С/Вт рекомендуется применять 2 ряда уплотнительных прокладок.
2. Сопротивление теплопередаче глухой части балконных дверей должно быть не менее чем в 1,5 раза выше сопротивления теплопередаче светопрозрачной части этих изделий.
3. Справочное значение Rо приведено для конструкции с отношением площади остекления к площади заполнения светового проема 0,7-0,75.
|
|
|
|