//
ТехЛит.ру
- крупнейшая бесплатная электронная интернет библиотека для "технически умных" людей.
WWW.TEHLIT.RU - ТЕХНИЧЕСКАЯ ЛИТЕРАТУРА

:: Алготрейдинг::


АЛГОТРЕЙДИНГ
шаг за шагом
с нуля по урокам!

Торговые роботы на PYTHON, BackTrader,
Pandas, Pine Script для TradingView. Связка с брокерами, телеграм и легкими приложениями.


ГОСТ 30109-94

МЕЖГОСУДАРСТВЕННЫЙ СТАНДАРТ

ДВЕРИ ДЕРЕВЯННЫЕ

МЕТОДЫ ИСПЫТАНИЙ
НА СОПРОТИВЛЕНИЕ ВЗЛОМУ

Межгосударственная научно-техническая комиссия по стандартизации и техническому нормированию в строительстве (МНТКС)

Минск

Предисловие

1.  РАЗРАБОТАН Научно-производственным объединением «Научстандарт» с участием Главного управления вневедомственной охраны МВД России.

ВНЕСЕН Госстроем России.

2.  ПРИНЯТ Межгосударственной научно-технической комиссией по стандартизации и техническому нормированию в строительстве (МНТКС) 17 марта 1994 г.

3. Внесена поправка (абзацы отмечены *).

За принятие проголосовали:

Наименование государства

Наименование органа государственного управления строительством

Азербайджанская Республика

Госстрой Азербайджанской Республики

Республика Армения

Госупрархитсктуры Республики Армения

Республика Беларусь

Госстрой Республики Беларусь

Республика Казахстан

Минстрой Республики Казахстан

Кыргызская Республика

Госстрой Кыргызской Республики

Республика Молдова

Минархстрой Республики Молдова

Российская Федерация

Госстрой России

Республика Таджикистан

Госстрой Республики Таджикистан

Республика Узбекистан

Госкомархитекстрой Республики Узбекистан

3. ВВЕДЕН ВПЕРВЫЕ

4.  ВВЕДЕН В ДЕЙСТВИЕ с 01.01.95 в качестве государственного стандарта Российской Федерации Постановлением Минстроя России от 27 июля 1994 г. № 18-4

ГОСТ 30109-94

МЕЖГОСУДАРСТВЕННЫЙ СТАНДАРТ

ДВЕРИ ДЕРЕВЯННЫЕ

Методы испытаний на сопротивление взлому

Wooden doors. Test methods,
for the breaking resistance

Дата введения 1995-01-01

1. ОБЛАСТЬ ПРИМЕНЕНИЯ

Настоящий стандарт распространяется на деревянные двери наружные и внутренние входные с лестничных клеток в квартиры и помещения общественных, производственных и вспомогательных зданий и сооружений, и устанавливает методы лабораторных испытаний для определения сопротивления взлому.

2. НОРМАТИВНЫЕ ССЫЛКИ

В настоящем стандарте использованы ссылки на следующие стандарты:

ГОСТ 8.326-89 ГСИ. Метрологическая аттестация средств измерений

ГОСТ 427-75. Линейки измерительные металлические. Технические условия

ГОСТ 475-78. Двери деревянные. Общие технические условия

ГОСТ 7502-89. Рулетки измерительные металлические. Технические условия

3. ОБЩИЕ ПОЛОЖЕНИЯ

3.1. В процессе испытаний определяют способность конструкции дверей сопротивляться воздействиям нормативных статических и ударных нагрузок, которые направлены в критические зоны (расположение замков и петель, свободные углы и центр полотна) и по своему воздействию эквивалентны имеющим место при взломе.

3.2. Каждый образец, предназначенный для испытания, должен быть в любой последовательности подвергнут воздействиям статических и ударных нагрузок, приведенных в таблице 1, в соответствии с разделами 4 и 5.

3.3. В зависимости от величин нагрузок, которые выдержал образец при испытании всеми нагрузками, приведенными в таблице 1, дверь данной конструкции относят к соответствующей категории прочности.

4. ИСПЫТАНИЯ ВОЗДЕЙСТВИЕМ СТАТИЧЕСКИХ НАГРУЗОК

Сущность метода состоит в определении сопротивления двери действию сосредоточенных статических нагрузок, направленных в критические зоны конструкции.

4.1 Средства испытаний

Устройство любой конструкции, обеспечивающее закрепление образца, эквивалентное условиям эксплуатации, и приложение нагрузки по заданной схеме со скоростью перемещения нагружающего устройства (40 ± 1) мм/мин, а также имеющее прибор, позволяющий измерить нагрузку с погрешностью не более 2 %.

Устройство для измерения линейных перемещений с погрешностью измерения не более ±0,5 мм.

Любые средства измерений линейных размеров с погрешностью не более ±0,5 мм.

Допускается применять нестандартизованные средства, измерений, прошедшие метрологическую аттестацию в соответствии с ГОСТ 8.326.

Эталонная металлическая коробка.

Металлическая пластина размерами 100х50х20 мм с погрешностью размеров не более 10 %.

Секундомер.

4.2. Порядок подготовки к проведению испытаний

4.2.1. Образцы

Образцом является дверь, готовая к монтажу: полотно или два полотна для двухпольных дверей, навешенные на петли в коробку или без нее при бескоробочном монтировании в проеме, комплекте с приборами, приспособлениями, в т.ч. для соединения со стеной.

4.2.2. Порядок отбора образцов

4.2.2.1. Количество образцов при испытании дверей серийных конструкций принимают в соответствии с ГОСТ 475.

4.2.2.2. Количество образцов при испытании дверей новых (улучшенных) конструкций устанавливают в соответствии с целями испытаний, но не менее 3 шт.

Таблица 1

Категории прочности по сопротивлению взлому

Нагрузки и зоны их приложения

Статические, кН (кгс), не менее

Ударные (нормативный запас энергии)*, Дж (кгс×м), не менее

Зона замка на кромке полотна F1

Зона свободного угла полотна

Зона петли F3

Зона запирающего прибора на плоскости полотна F4

Зона внутренних кромок коробки на середине высоты полотна F5

F2

Перемещение f под нагрузкой F2, мм, не более

Зона нижнего свободного угла полотна ** Е1

Зона центрального полотна Е2

1

4 (408)

3 (306)

30

3 (306)

3 (306)

8 (816)

60 (6,1)

120 (12,2)

2

5 (510)

4 (408)

40

4 (408)

4 (408)

10 (1020)

90 (9,2)

150 (15,3)

3

6 (612)

5 (510)

50

6 (612)

6 (612)

12 (1224)

90 (9,2)

200 (20,4)

4

8 (816)

6 (612)

60

8 (816)

8 (816)

15 (1530)

120 (112,2)

200 (20,4)

5

10 (1020)

8 (816)

80

10 (1020)

10 (1020)

20 (2040)

150 (15,3)

250 (25,5)

* Для каждой категории прочности производят 3 удара каждой нормативной нагрузкой Е1 и E2.

** При одновременном воздействии F4 в зоне запирающего прибора на плоскости, полотна.

4.2.2.3 Испытанию подлежат образцы, по всем показателям соответствующие требованиям нормативных документов.

4.2.2.4. Каждый образец, направляемый на испытания, должен иметь маркировку, предусмотренную ГОСТ 475.

4.2.2.5. Образцы дверей, направляемые на испытания в специализированные лаборатории, должны сопровождаться документом, в котором указывают:

- наименование и адрес предприятия (организации), изготовившего и представившего образцы;

- наименование и номер нормативного документа, по которому изготовлены образцы;

- количество образцов;

- краткое описание конструкции образцов (в т.ч. материалов), перечень и количество прилагаемых приборов и приспособлений;

- схему и способы крепления дверей при эксплуатации;

- дату изготовления образца.

4.2.3. Образцы должны испытываться с установленными приборами. Запирающие приборы должны находиться в закрытом положении.

В случае разрушения замка в процессе испытания место расположения замка при проведении следующих испытаний необходимо фиксировать таким образом, чтобы остальные элементы образца в процессе испытания были нагружены также, как и при наличии замка.

4.3. Порядок проведения испытаний

4.3.1. Зона приложения и направление действия нагрузок:

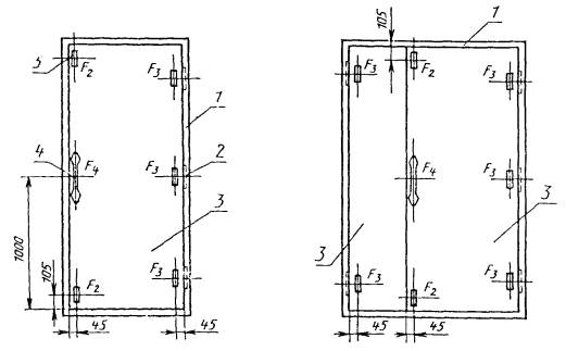
F1 - нагрузка в зоне замка, действующая перпендикулярно кромке полотна (рисунок 1);

F2 - нагрузка в зоне свободного угла полотна, действующая перпендикулярно его плоскости в направлении открывания двери (рисунок 2);

F3 - нагрузка в зоне петли, действующая перпендикулярно плоскости полотна в направлении открывания двери (рисунок 2);

F4 - нагрузка в зоне запирающих приборов, действующая перпендикулярно плоскости полотна в направлении открывания двери (рисунки 2 и 5);

F5 - нагрузка, действующая одновременно в двух противоположных направлениях на заданной высоте полотна в зонах внутренних кромок коробки (рисунок 3).

Размеры, указанные на рисунках 2 и 3, должны быть выдержаны с погрешностью не более 1%.

4.3.2. Порядок проведения нагружения

Каждую зону последовательно нагружают до нормируемой величины (таблица 1), начиная с категории 1. Выдерживают образец под нагрузкой в течение 1 мин, наблюдая за состоянием конструктивных элементов двери и фиксируя возникшие изменения.

Если образец выдержал нагрузку без нарушения конструктивных связей (выход засова замка из запорной планки, смещение шурупов, крепящих петли и детали запирающих приборов и т.п.) и разрушений, сопровождающихся падением нагрузки до нуля по шкале силоизмерителя, продолжают нагружение до величины, соответствующей категории 2, выдерживают образец под этой нагрузкой в течение 1 мин, наблюдая за его состоянием, и т.д. до категории 5.

Если образец не выдержал нагрузку в течение 1 мин для какой-либо категории, испытание прекращают и фиксируют полученный результат.

Испытание может быть начато или прекращено на уровне любой категории в зависимости от назначения дверей и целей испытания.

4.3.3.* Испытание нагрузкой F1

Для выполнения испытания полотно без коробки жестко закрепляют в испытательном устройстве по продольной кромке со стороны петель (рисунок 1).

Производят нагружение в зоне на засова замка по 4.3.2 в соответствии со схемой, приведенной на рисунке 1.

1 – металлическая пластинка в зоне засова замка*; 2 - полотно; 3 - жесткая опора

Рисунок 1 - Схема испытания статической нагрузкой F1

4.3.4. Испытание нагрузками F1, F2, F3 и F5

4.3.4.1. Для выполнения испытаний образец устанавливают в испытательное устройство так, чтобы вертикальные детали коробки полностью опирались по плоскости и кромке, и жестко закрепляют коробку не менее чем в трех местах на каждой из этих деталей.

В случае испытания полотна, предназначенного для бескоробочной навески, его монтируют в эталонную металлическую коробку, в которой должна быть обеспечена возможность закрепления элементов, соответствующих установленным на полотне приборам.

Проверяют беспрепятственность перемещения полотна в направлении открывания по всему его периметру.

4.3.4.2. На полотне и коробке размечают зоны, как показано на рисунках 2 и 3. При испытаниях в каждой зоне поочередно помещают металлическую пластину, имеющую разметку геометрического центра для совмещения с центром зоны нагружения и ориентации нагружающего устройства.

1 - коробка; 2 - петля; 3 - полотно; 4- запирающий прибор; 5 - металлическая пластина

Рисунок 2 - Схема испытаний статическими нагрузками F2, F3, F4

1 - коробка; 2 - металлическая пластина; 3 - полотно

Рисунок 3 - Схема испытания статической нагрузкой F5

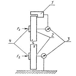
4.3.4.3. При испытании нагрузкой F2 необходимо до начала нагружения на измерителе перемещений отметить исходное положение свободных углов полотна в зоне приложения нагрузки (рисунок 4). За базу отсчета принимают неподвижный жесткий элемент испытательного оборудования. За базу может быть принята плоскость коробки при условии ее сплошного опирания и жесткого закрепления.

1 - коробка; 2 - полотно; 3 - измерительное устройство; 4 - металлическая пластина

Рисунок 4 - Схема измерения перемещений под нагрузкой

Схема испытания должна, соответствовать рисунку 2, нагружение - по 4.3.2 со следующим дополнением.

Достигнув при нагружении нормируемой величины F2, фиксируют на измерительном устройстве (рисунок 4) величину перемещения свободного угла и сопоставляют с требованиями таблицы 1 для соответствующей категории.

Если f не превышает нормируемой величины, то продолжают нагружение по 4.3.2, измеряя f для следующей категории и т. д.

Если величина f превышает требования таблицы 1 для соответствующей категории, то испытание следует прекратить.

4.3.4.4. При испытании нагрузками F3 и F4 схемы испытаний принимают в соответствии с рисунком 2, при F5 - в соответствии с рисунком 3. Нагружение производят по 4.3.2.

4.3.4.5. Допускается выполнять испытания по 4.3.4 при горизонтальном расположении образца.

4.4 Оценка результатов испытаний

Для оценки результатов испытании при действии статических нагрузок необходимо учитывать следующие факторы:

- величину нормируемой нагрузки, которую выдержал образец;

- величину перемещения f при испытании нагрузкой F2.

Образец считают выдержавшим нормируемую нагрузку для данной категории прочности, если не было отмечено следующих повреждений и разрушений:

- выход замка из запорной планки;

- смещение и отрыв шурупов, крепящих петли и детали запорных приборов;

- трещины в деталях коробки и полотна;

- разрушение древесины коробки и каркаса полотна;

- выход из строя деталей навесных и запорных приборов, нарушающих их функциональное назначение;

- отрыв облицовки и заполнителя полотна.

При испытании нагрузкой F2 величина измеренного перемещения f не должна быть более нормируемой в таблице 1 данной категории прочности.

5. ИСПЫТАНИЯ ВОЗДЕЙСТВИЕМ УДАРНЫХ НАГРУЗОК

Сущность метода состоит в нанесении ударов в полотно неупругим телом (грузом), обладающим нормативным запасом энергии и падающим под действием силы тяжести в критическую зону дверного полотна.

5.1. Средства испытаний

Устройство любой конструкции, обеспечивающее закрепление образца, эквивалентное условиям эксплуатации, и нанесение ударов грузом с определенного расстояния (высоты) в заданную зону дверного полотна

Груз т1 - кожаный мешок диаметром (200±5) мм, заполненный сухим песком массой (5±0,1) кг.

Груз т2 - кожаный мешок диаметром (350±20) мм, заполненный сухим песком массой (30 ±0,2) кг.

Приспособление для определения высоты падения груза.

Рулетка по ГОСТ 7502.

Линейка по ГОСТ 427.

Погрешность средств измерений не должна быть более ±0,5 мм.

5.2. Порядок подготовки к проведению испытаний

Подготовка к проведению испытаний - по 4.2.

5.3. Порядок проведения испытаний

5.3.1. Зона приложения и направление действия нагрузок:

M1 - нагрузка в зоне нижнего свободного угла полотна, действующая, перпендикулярно его плоскости в направлении открывания двери (рисунок 5);

F4 - по 4.3.1;

M2 - нагрузка в центре полотна, действующая перпендикулярно его плоскости в направлении открывания двери (рисунок 6).

Размеры, указанные на рисунках 5 и 6, должны быть выдержаны с погрешностью не более 1%.

1 - коробка; 2 - полотно; 3 - запирающий прибор; 4 - груз m; h - высота падения груза

Рисунок 5 - Схема испытания ударной нагрузкой М1 с
одновременным воздействием статической нагрузки F4

1 - коробка; 2 - полотно; 3 - груз m; H - высота полотна;

В - ширина полотна; - h - высота падения груза

Рисунок 6 - Схема испытания ударной нагрузкой М2 в центр полотна

5.3.2. Определение высоты падения груза

Высоту падения груза, необходимую для создания нормативного запаса энергии (таблица 1), в миллиметрах, определяют по формуле

           (1)

где Е - нормативный запас энергии, Дж (кгс×м);

т - масса груза, кг;

g - 9,8м/с2.

5.3.3. Испытание ударной нагрузкой, действующей в нижний свободный угол полотна при одновременном воздействии статической нагрузки F4 в зоне запирающего прибора на плоскости полотна в направлении открывания двери.

5.3.3.1. Установку образца в испытательное устройство осуществляют по 4.3.4.1.

5.3.3.2. Определяют по формуле (1) высоту падения груза для каждой категории прочности, подставляя значение т1 и соответствующее для каждой категории Е1 (таблица 1).

5.3.3.3. На полотне двери размечают зоны нанесения удара М1 и приложения статической нагрузки F4 в соответствии с рисунком 5.

Груз поднимают на высоту, соответствующую Е1 для первой категории, и обеспечивают его падение под действием силы тяжести в направлении открывания двери. Каждый образец подвергают удару трижды. После каждого удара визуально определяют наличие и характер возникших повреждении и разрушений, а именно:

- трещины в деталях коробки и полотна;

- подвижность элементов образца (запорные приборы, петли, угловые соединения коробки и каркаса полотна и т. п.);

- смещение и отрыв шурупов, крепящих петли и детали запорных приборов;

- разрушение древесины коробки и каркаса полотна;

- отрыв облицовки и заполнителя полотна;

- выход из строя деталей навесных и запорных приборов, нарушающих их функциональное назначение.

Если образец выдержал 3 удара нормативным Е1 для первой категории прочности без разрушений и повреждений, перечисленных выше, то аналогично продолжают испытания нормативным Е1 для второй категории прочности и т.д.

Если образец не выдержал требований, то испытание прекращают.

Одновременно проводят нагружение F4 по 4.3.2, но выдержка образца под нагрузкой F4 для каждой-категории должна по времени соответствовать продолжительности испытания Е1 в количестве 3 ударов, но не менее 1 мин.

При одновременном испытании воздействием ударной и статическими нагрузками величины Е1 и F4 должны приниматься для одной и той же категории прочности в соответствии с таблицей 1.

Если образец выдержал испытание Е1 для данной категории и не выдержал F4 или наоборот, то испытание прекращают.

5.3.4. Испытание ударной нагрузкой, действующей в центр полотна в направлении открывания двери

5.3.4.1. Установку образца в испытательное устройство осуществляют по 4.3.4.1.

5.3.4.2. Определяют высоту падения груза по 5.3.3.2.

5.3.4.3. На полотне размечают зону нанесения удара М2 в соответствии с рисунком 6.

Груз поднимают на высоту, соответствующую Е2 для 1 категории, и обеспечивают его падение под действием силы тяжести в направлении открывания двери. Каждый образец подвергают удару трижды.

Порядок дальнейшего проведения испытания по 5.3.3.3 для Е1.

5.3.5. Допускается выполнять испытания по 5.3.3, и 5.3.4 при горизонтальном расположении образца.

5.3.6. Испытание может быть начато или прекращено на уровне любой категории в зависимости от назначения дверей и целей испытания.

5.4. Оценка результатов испытаний

Образец считают выдержавшим нормируемую ударную нагрузку для данной категории прочности, если после трех ударов нормативными Е1 и E2 не было отмечено повреждений и разрушений, перечисленных в 5.3.3.3.

При одновременном действии ударной и статической нагрузок необходимо учитывать оба фактора. Оценку результатов испытаний при действии F4 производят по 4.4.

6. УСТАНОВЛЕНИЕ КАТЕГОРИИ И ОПРЕДЕЛЕНИЕ
НАЗНАЧЕНИЯ ДВЕРЕЙ

6.1. По результатам оценки испытания образца, прошедшего все предусмотренные виды воздействия статическими и динамическими нагрузками, устанавливают его категорию.

Образец соответствует той категории прочности по сопротивлению взлому, величины всех нагрузок которой он выдержал без разрушений и превышения допускаемого перемещения под нагрузкой F2.

6.2. Категорию прочности двери устанавливают по наименьшей категории прочности, определенной для всех испытанных образцов дверей, данной конструкции.

6.3. По установленной категории; прочности определяют назначение дверей в соответствии с приложением А.

7. ОФОРМЛЕНИЕ РЕЗУЛЬТАТОВ ИСПЫТАНИЙ

Результаты испытаний оформляют актом (протоколом), который должен содержать:

- сведения по 4.2.2.5;

- виды проведенных испытаний;

- результаты испытаний;

- дату проведения испытаний;

- выводы и рекомендации;

- наименование организации, выполнившей испытания.

ПРИЛОЖЕНИЕ А
(справочное)

Назначение дверей в зависимости от категории прочности
по сопротивлению взлому

Таблица А.1

Назначение двери

Категория прочности по сопротивлению взлому

1

2

3

4

5

Двери внутренние входные в квартиры

 

 

 

+

+

Двери внутренние входные в кабинеты и производственные помещения

 

 

+

+

+

Двери наружные входные в жилые и другие малоэтажные дома

 

 

 

+

+

Двери наружные входные в жилые, общественные и производственные здания многоэтажные

+

+

+

+

+

Ключевые слова: двери деревянные, методы испытаний, сопротивление взлому




Яндекс цитирования



   Copyright © 2007-2026,  www.tehlit.ru.

[ ѓосты, стандарты, нормативы, инструкции, правила, строительные нормы ]