//
ТехЛит.ру
- крупнейшая бесплатная электронная интернет библиотека для "технически умных" людей.
WWW.TEHLIT.RU - ТЕХНИЧЕСКАЯ ЛИТЕРАТУРА

:: Алготрейдинг::


АЛГОТРЕЙДИНГ
шаг за шагом
с нуля по урокам!

Торговые роботы на PYTHON, BackTrader,
Pandas, Pine Script для TradingView. Связка с брокерами, телеграм и легкими приложениями.


ГОСУДАРСТВЕННЫЙ СТАНДАРТ СОЮЗА ССР

ГОСТ 10181.1-81

СМЕСИ БЕТОННЫЕ
Методы определения удобоукладываемости

Concrete mixtures. Test methods for determination of workability.

Постановлением Государственного комитета СССР по делам строительства от 31 декабря 1980 г. № 228 срок введения установлен

с 01.01.82

СОДЕРЖАНИЕ

Настоящий стандарт распространяется на бетонные смеси, приготовленные на минеральных вяжущих, плотных и пористых заполнителях, и устанавливает методы определения их удобоукладываемости по показателям подвижности и жесткости.

1. ОБЩИЕ ТРЕБОВАНИЯ

1.1. Общие требования к методу определения удобоукладываемости бетонной смеси - по ГОСТ 10181.0-81.

2. АППАРАТУРА

2.1. Для проведения испытаний применяют:

конус (черт. 1);

прибор для определения жесткости (черт. 2);

лабораторную виброплощадку;

стальные линейки по ГОСТ 427-75;

кельму типа КБ по ГОСТ 9533-81;

прямой металлический гладкий стержень диаметром 16 мм, длиной 600 мм, с округленными концами;

загрузочную воронку;

гладкий металлический лист размерами не менее 700×700 мм.

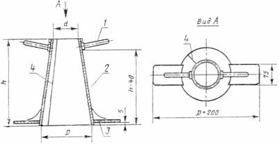
2.2. Конус изготовляют из листовой стали. Внутренняя сторона конуса должна иметь гладкую поверхность, степень шероховатости которой не должна быть более Rz 40 мкм по ГОСТ 2789-73.

Конус для определения подвижности бетонной смеси

1 - ручка; 2 - корпус прибора; 3 - упоры; 4 - сварной шов

Черт. 1

Наименование конуса

Внутренние размеры конуса, мм

d

D

h

Обычный

100±1

200±1

300±1

Увеличенный

150±1

300±1

450±1

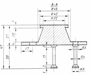
2.3. Цилиндрическое кольцо 1, конус 2 и воронку 4 прибора для определения жесткости изготовляют из листовой стали. Кольцо и конус должны иметь гладкую внутреннюю поверхность, степень шероховатости которой не должна быть более Rz 40 мкм по ГОСТ 2789-73. Диск 8, штангу 10 и шайбу 9 изготавливают из стали.

Общая масса диска, штанги и шайбы прибора должна составлять (2750 ± 50) г.

2.4. Лабораторная виброплощадка с установленным на ней прибором без бетонной смеси должна обеспечивать вертикально направленные колебания частотой (2900 ± 100) в минуту и амплитудой (0,5 ± 0,01) мм.

Виброплощадка должна иметь устройства, обеспечивающие при испытании жесткое крепление прибора к поверхности стола. Фланец цилиндрического кольца прибора должен плотно прилегать к поверхности стола виброплощадки для предотвращения вытекания цементного теста.

Примечание. При использовании виброплощадок с магнитным креплением прибора диск, шайба и штанга должны изготавливаться из не намагничиваемых материалов.

Прибор для определения жесткости бетонной смеси

1 - цилиндрическое кольцо с фланцем в основании; 2 - конус; 3 - кольцо-держатель с ручками; 4 - загрузочная воронка; 5 - штатив; 6 - направляющая втулка; 7 - фиксирующая втулка с зажимным винтом; 8 - диск с шестью отверстиями; 9 - стальная шайба; 10 - штанга.

Черт. 2

3. ПРОВЕДЕНИЕ ИСПЫТАНИЯ

3.1. Определение подвижности бетонной смеси

3.1.1. Подвижность бетонной смеси характеризуется измеряемой в сантиметрах величиной осадки конуса ОК, отформованного из бетонной смеси.

3.1.2. Подвижность бетонной смеси с зернами заполнителя наибольшей крупности до 40 мм включительно определяют на приборе - обычном конусе.

Для определения подвижности бетонной смеси с зернами заполнителя наибольшей крупности свыше 40 мм следует использовать увеличенный конус.

Допускается использование обычного конуса для бетонной смеси с зернами заполнителя наибольшей крупности свыше 40 мм, если смесь предварительно просеяна через сито с ячейками размером 40 мм. Приведение результатов испытания таких проб к подвижности реального состава бетона производят с помощью градуировочной зависимости, устанавливаемой в соответствии с п.4 приложения 1.

3.1.3. Определение осадки конуса бетонной смеси производят в последовательности, приведенной ниже.

3.1.3.1. Для подготовки конуса и приспособлений к испытаниям все соприкасающиеся с бетонной смесью поверхности следует очистить и протереть влажной тканью.

3.1.3.2. Конус устанавливают на гладкий металлический лист и заполняют его бетонной смесью через воронку в три слоя одинаковой высоты.

Каждый слой уплотняют штыкованием металлическим стержнем:

в обычном конусе             25 раз

в увеличенном конусе      56 раз

Конус во время наполнения и штыкования должен быть плотно прижат к листу.

3.1.3.3. После уплотнения бетонной смеси в конусе воронку снимают, и избыток смеси срезают кельмой вровень с верхними краями конуса.

3.1.3.4. Конус плавно снимают с отформованной бетонной смеси и устанавливают рядом с ней. Время, затраченное на съем конуса, должен составлять 3 - 7 с.

3.1.3.5. Осадку конуса бетонной смеси определяют, укладывая металлическую линейку ребром наверх конуса и измеряя расстояние от нижней грани линейки до верха бетонной смеси с погрешностью до 0,5 см.

3.1.4. Если после снятия конуса бетонная смесь разваливается и приобретает форму, затрудняющую определение ее осадки, измерение не выполняют и испытание повторяют на новой пробе бетонной смеси, отобранной по ГОСТ 10181.0-81.

3.1.5. Величину осадки конуса бетонной смеси, определенную в увеличенном конусе, приводят к величине осадки обычного конуса умножением величины осадки бетона увеличенного конуса на переводной коэффициент 0,67.

3.1.6. Осадку конуса бетонной смеси определяют дважды. Общее время испытания с начала наполнения конуса бетонной смесью при первом определении и до момента измерения осадки конуса при втором определении не должно превышать 10 мин.

3.1.7. Осадку конуса бетонной смеси вычисляют с округлением до 1,0 см как среднее арифметическое результатов двух определений осадки конуса из одной пробы, отличающихся между собой не более чем:

на 1 см при ОК 4 см;

на 2 см при ОК = 5-9 см;

на 3 см при ОК 10 см.

При большем расхождении результатов определение повторяют на новой пробе, отобранной по ГОСТ 10181.0-81.

3.1.8. Результаты испытания должны быть занесены в журнал, в котором указывают:

дату и время испытания;

место отбора пробы;

марку и вид бетона, изготовляемого из испытуемой смеси;

результаты частных испытаний;

среднеарифметический результат.

3.1.9. Если вычисленная в соответствии с указаниями, приведенными в п. 3.1.7, осадка конуса бетонной смеси будет равна нулю, смесь признают не обладающей подвижностью, и она должна характеризоваться жесткостью, определяемой в соответствии с требованиями, приведенными в п. 3.2.

3.2. Определение жесткости бетонной смеси

3.2.1. Жесткость бетонной смеси Ж характеризуется временем вибрации (в секундах), необходимых для выравнивания и уплотнения предварительно отформованного конуса бетонной смеси в приборе для определения жесткости.

3.2.2. Жесткость бетонной смеси с зернами заполнителя наибольшей крупностью до 40 мм включительно определяют на лабораторной виброплощадке, параметры которой приведены в п. 2.4.

3.2.3. Жесткость бетонной смеси определяют в последовательности, приведенной ниже.

3.2.4. Перед испытанием прибор и приспособления должны быть подготовлены согласно требованиям, приведенным в п. 3.1.3.1.

3.2.5. Прибор на виброплощадке устанавливают и собирают в следующем порядке: устанавливают и жестко закрепляют цилиндрическое кольцо прибора 1, в которое вставляют конус 2 и закрепляют его ручками 3, заводя их в пазы кольца, после чего устанавливают воронку 4.

3.2.6. Заполнение конуса прибора бетонной смесью, уплотнение ее и снятие конуса с отформованной смеси производят согласно пп. 3.1.3.2 - 3.1.3.4.

3.2.6. Поворотом штатива 5 диск 8 устанавливают над отформованным конусом бетонной смеси и плавно опускают его на поверхность конуса смеси. Штатив закрепляют в фиксирующей втулке 7 зажимным винтом.

3.2.7. Затем одновременно включают виброплощадку и секундомер и наблюдают за выравниванием и уплотнением бетонной смеси. Вибрирование производят до тех пор, пока не начнется выделение цементного теста из любых двух отверстий диска. В этот момент выключают секундомер и вибратор. Полученное время (в секундах) характеризует жесткость бетонной смеси.

3.2.8. Жесткость бетонной смеси определяют дважды. Общее время испытания с начала заполнения конуса бетонной смесью в установленном приборе при первом определении и до окончания определения жесткости при втором определении не должно превышать 15 мин.

3.2.9. Жесткость бетонной смеси вычисляют с округлением до 1 с как среднее арифметическое результатов двух определений жесткости из одной пробы смеси, отличающихся между собой не более чем на 20 %. При большем расхождении результатов определение повторяют на новой пробе, отобранной по ГОСТ 10181.0-81.

3.2.10. Для определения жесткости бетонной смеси допускается использование других приборов, точность и чувствительность которых удовлетворяет требованиям приложения 1. Для каждого прибора устанавливается градуировочная зависимость для приведения полученных результатов к показателю жесткости по стандартному методу в соответствии с этим приложением.

Приборы, применение которых допускается без построения градуировочных зависимостей с использованием усредненных переводных коэффициентов, приведены в рекомендуемых приложениях 2 и 3.

3.2.11. Результаты испытаний должны быть занесены в журнал, где указываются данные согласно требованиям, приведенным в п. 3.1.8.

ПРИЛОЖЕНИЕ 1
Обязательное

ОПРЕДЕЛЕНИЕ ТОЧНОСТИ, ЧУВСТВИТЕЛЬНОСТИ И ГРАДУИРОВКА ПРИБОРОВ ДЛЯ ОПРЕДЕЛЕНИЯ ЖЕСТКОСТИ БЕТОННОЙ СМЕСИ

1. Определение точности, чувствительности приборов, а также их градуировку для определения жесткости бетонной смеси проводят на двух составах, отличающихся жесткостью не менее чем на 10 с.

2. Точность приборов характеризуется отношением средних коэффициентов вариации показателей жесткости в пяти параллельных испытаниях бетонной смеси двух составов (с различным водосодержанием), испытанных проверяемым и стандартным прибором. Средний коэффициент вариации рассчитывается по формуле

,                                                                                        (1)

где V1 и V2 - коэффициенты вариации показателя жесткости двух испытанных составов, рассчитывается по формуле

,                                                                                      (2)

где ;                                                                                    (3)

;                                                                   (4)

Жij - результат определения показателя жесткости бетонной смеси в i - й пробе j-го состава (i=1 ...... 5, j=1,2);

- средний показатель жесткости бетонной смеси j - го состава;

Sj - среднеквадратическое отклонение показателя жесткости бетонной смеси j - го состава.

Точность проверяемого прибора признается удовлетворительной, если выполняется соотношение

                                                                                                  (5)

где и  - средние коэффициенты вариации показателя жесткости при испытании проверяемым и стандартным приборами рассчитанные по формуле (1)

3. Чувствительность прибора Х характеризуется относительным изменением жесткости при изменении водосодержания бетонной смеси рассчитываемым по формуле

                                                                    (6)

где В1 и В2 - водосодержание бетонной смеси двух испытанных составов, л/м3.

Ж1 и Ж2 - средние показатели жесткости двух испытанных составов, рассчитанные по формуле (3).

Чувствительность проверяемого прибора признается удовлетворительной, если выполняется соотношение

                                                                                                  (7)

где Хп и Хс - чувствительность проверяемого и стандартного приборов, рассчитанная по формуле (6).

4. Проверяемый прибор, удовлетворяющий требованиям пп. 2 и 3 настоящего приложения, градуируется путем установления зависимости между показателями жесткости по проверяемому и стандартному прибору следующего вида

Жсо1Жп                                                                                           (8)

Коэффициенты Бо и Б1 рассчитывают по формулам

;                                                                                     (9)

                                                                                   (10)

где , , и  - средние значения показателя жесткости двух испытанных составов бетонной смеси, определенные на стандартном и проверяемом приборах и рассчитанные по формуле (3). Аналогичную методику следует использовать и для сравнения приборов для определения подвижности бетонной смеси.

ПРИЛОЖЕНИЕ 2
Рекомендуемое

ОПРЕДЕЛЕНИЕ ЖЕСТКОСТИ БЕТОННОЙ СМЕСИ ТЕХНИЧЕСКИМ ВИСКОЗИМЕТРОМ

1. Определение жесткости бетонной смеси техническим вискозиметром (см. чертеж) производится при наибольшей крупности зерен заполнителя от 5 до 40 мм.

2. При определении жесткости бетонной смеси на виброплощадку, отвечающую требованиям п. 2.4 настоящего стандарта, устанавливают и закрепляют цилиндрический сосуд 1 вискозиметра. Затем в сосуд вставляют и закрепляют зажимами 3 цилиндрическое кольцо 2. В кольцо вставляют конус 4. На конус надевают кольцо-держатель 10, ручки которого заводят в пазы петель 11, затем устанавливают насадку 5.

3. Конус наполняют бетонной смесью на полную высоту с насадкой, предварительно уплотняя смесь штыкованием.

Окончательное уплотнение бетонной смеси в конусе производят вибрированием до тех пор, пока на поверхности смеси и из-под нижнего основания конуса начнется заметное выделение цементного клея. Время вибрирования должно быть не менее 5 и не более 30 с.

4. По окончании вибрирования насадку снимают, избыток смеси срезают металлической линейкой вровень с краями конуса, а затем снимают конус строго вертикально без перекосов.

5. Устанавливают на прибор штатив 9 с диском 8 и штангой 7 (масса диска со штангой должна быть в пределах 800 - 1000 г). Полностью освобождают зажимной винт 6 штанги и опускают диск на поверхность отформованного конуса бетонной смеси.

6. Одновременно включают виброплощадку и секундомер и наблюдают за опусканием штанги. Когда риска штанги совпадает с верхней плоскостью направляющей головки штатива, выключают секундомер и вибратор и отмечают время, прошедшее от момента включения вибратора до его выключения. Полученное время в секундах, умноженное на усредненный переводной коэффициент 0,45, характеризует жесткость бетонной смеси.

7. Для нанесения риски на штангу 7 проводят тарировочный опыт с бетонной смесью, имеющей показатель подвижности 1 - 2 см и заполнитель максимальной крупностью зерен 20 мм. Риску наносят на штанге на 5 мм ниже положения, отвечающего выровненной поверхности.

8. Испытание производят не менее двух раз в соответствии с пп. 3.2.8 и 3.2.9 настоящего стандарта.

ПРИЛОЖЕНИЕ 3
Рекомендуемое

ОПРЕДЕЛЕНИЕ ЖЕСТКОСТИ БЕТОННОЙ СМЕСИ В ФОРМАХ ДЛЯ ИЗГОТОВЛЕНИЯ БЕТОННЫХ ОБРАЗЦОВ

1. Определение жесткости бетонной смеси в формах для изготовления контрольных образцов следует проводить:

при наибольшей крупности зерен заполнителя от 5 до 70 мм в формах размерами 200×200×200 мм по методу Скрамтаева с помощью металлического конуса, размер которого указан на чертеже приложения 2;

при наибольшей крупности зерен заполнителя от 5 до 20 мм - в формах размерами 100×100×100 мм с помощью прибора конструкции Красного массой (435±15) г (см. чертеж настоящего приложения).

2. При определении жесткости бетонной смеси формы для изготовления контрольных образцов должны быть закреплены на лабораторной виброплощадке, отвечающей требованиям п. 2.4 настоящего стандарта.

3. Для определения жесткости в формах размерами 200×200×200 мм в закрепленную на виброплощадке форму вставляют конус и заполняют его бетонной смесью, как указано в пункте 3.1.3.2. настоящего стандарта. Затем конус осторожно снимают и включают виброплощадку, одновременно включая секундомер. Вибрирование производят до тех пор, пока бетонная смесь не заполнит все углы формы, а поверхность ее не станет горизонтальной.

4. Для определения жесткости в формах размерами 100×100×100 мм закрепленную на виброплощадке форму заполняют бетонной смесью на всю высоту. После этого погружают в бетонную смесь ножки прибора до соприкосновения диска со смесью. Затем включают одновременно виброплощадку и секундомер. Вибрирование производят до тех пор, пока не начнется выделение цементного теста из любых двух отверстий диска. В этот момент выключают виброплощадку и секундомер. Полученное время (в секундах) характеризует жесткость бетонной смеси (усредненный переводной коэффициент равен 1).

5. Жесткость бетонной смеси по пп. 3 и 4 определяют в соответствии с пп 3.2.8 и 3.2.9 настоящего стандарта.




Яндекс цитирования



   Copyright © 2007-2026,  www.tehlit.ru.

[ ѓосты, стандарты, нормативы, инструкции, правила, строительные нормы ]