//
ТехЛит.ру
- крупнейшая бесплатная электронная интернет библиотека для "технически умных" людей.
WWW.TEHLIT.RU - ТЕХНИЧЕСКАЯ ЛИТЕРАТУРА

:: Алготрейдинг::


АЛГОТРЕЙДИНГ
шаг за шагом
с нуля по урокам!

Торговые роботы на PYTHON, BackTrader,
Pandas, Pine Script для TradingView. Связка с брокерами, телеграм и легкими приложениями.


ГОСУДАРСТВЕННЫЙ СТАНДАРТ СОЮЗА ССР

ИЗДЕЛИЯ АСБЕСТОЦЕМЕНТНЫЕ
ЛИСТОВЫЕ

Методы испытаний

ГОСТ 8747-88
(СТ СЭВ 5851-86)

ГОСУДАРСТВЕННЫЙ СТРОИТЕЛЬНЫЙ КОМИТЕТ СССР

Москва

ГОСУДАРСТВЕННЫЙ СТАНДАРТ СОЮЗА ССР

ИЗДЕЛИЯ АСБЕСТОЦЕМЕНТНЫЕ ЛИСТОВЫЕ

Методы испытаний

Asbestos-cement sheet products.
Test methods

ГОСТ
8747-88

(СТ СЭВ 5851-86)

Дата введения 01.07.89

Несоблюдение стандарта преследуется по закону

Настоящий стандарт распространяется на асбестоцементные листовые изделия и устанавливает методы их испытаний с целью контроля следующих показателей:

внешнего вида;

линейных размеров и формы;

предела прочности при изгибе;

несущей способности волнистых листов;

прочности волнистых листов при планочной нагрузке;

прочности при сосредоточенной нагрузке от штампа;

ударной вязкости;

плотности;

водопоглощения;

водонепроницаемости;

морозостойкости;

прочности цветного покрытия на истирание.

Применение методов предусматривается в стандартах или технических условиях на конкретные изделия.

1. Общие положения

1.1. Число изделий, отбираемых для контроля, устанавливают в стандартах или технических условиях на конкретные изделия.

1.2. Для проведения испытаний следует использовать водопроводную воду, температура которой должна быть (20 ± 5) °С.

1.3. Размеры, указанные на чертежах настоящего стандарта без предельных отклонений должны быть выдержаны с погрешностью не более 1 %.

2. Контроль внешнего вида

2.1. Внешний вид листовых изделий проверяют визуально.

Неровности поверхности (выпуклости, углубления) измеряют штангенциркулем по ГОСТ 166-80, а измерения других дефектов, в случае необходимости, производят штангенциркулем, рулеткой по ГОСТ 7502-80 или линейкой по ГОСТ 427-75 с ценой деления не более 1 мм.

Сдиры измеряют по прямой в направлении из наибольшей протяженности.

Размеры выщербин измеряют вдоль и поперек изделия. Размеры выщербин в направлении ширины листа с одной торцевой стороны суммируют.

Длину поверхностного разрыва измеряют вдоль образующей волны; ширину - поперек разрыва.

2.2 Внешний вид листовых изделий с поверхностной отделкой (цвет, интенсивность и равномерность окраски, рисунок, характер отделки и др.) проверяют визуально сравнением с утвержденным эталоном на расстоянии 10 м.

2.3. Соответствие маркировки требованиям стандартов или технических условий проверяют визуально.

Маркировку считают соответствующей требованиям, если она включает всю информацию, предусмотренную нормативно-технической документацией на конкретное изделие и при этом исключена возможность оспорить ее содержание.

3. Контроль размеров и формы

3.1. Средства контроля

Рулетка металлическая с ценой деления не более 1 мм по ГОСТ 7502-80.

Штангенглубиномер по ГОСТ 162-80.

Штангенциркуль по ГОСТ 166-80.

Толщиномер по ГОСТ 11358-74.

Стенкомер по ГОСТ 11951-82.

Щупы по ГОСТ 882-75.

Угольники по ГОСТ 3749-77.

Линейка по ГОСТ 427-75.

Допускается применять нестандартизованные средства измерений, прошедшие метрологическую аттестацию в соответствии с ГОСТ 8.326-78.

Погрешность средств измерений не должна быть более: ±0,1 мм - при измерении толщины изделия, ±1,0 мм - при измерении других линейных размеров и значений отклонения изделий от заданной формы.

3.2. Проведение контроля

Контроль следует проводить на столе, длина которого должна быть не менее длины контролируемого изделия, а ширина - превышать ширину изделия не менее чем на 300 мм.

При всех измерениях (кроме контроля толщины) и вычислениях среднего арифметического значения получаемые результаты следует округлять до 1 мм, при контроле толщины - до 0,1 мм.

3.2.1. Длину волнистых листов измеряют рулеткой вдоль обоих крайних гребней (черт. 1), длину плоских листов - рулеткой вдоль обеих продольных сторон на расстоянии 30 - 50 мм от кромки изделия.

Каждое измерение должно быть в пределах допускаемых отклонений.

Черт. 1

3.2.2. Ширину волнистых листов измеряют рулеткой у обеих торцевых кромок на расстоянии 30 - 50 мм от кромки (черт. 1), для чего используют металлические упоры (черт. 2), ширину плоских листов - рулеткой по обеим поперечным сторонам изделия на расстоянии 30 - 50 мм от кромки. Всего на каждом изделии проводят два измерения.

Каждое измерение должно быть в пределах допускаемых отклонений.

Черт. 2

3.2.3. Толщину измеряют штангенциркулем, толщиномером или стенкомером посередине каждой из четырех сторон. Место измерения может быть смещено от середины стороны изделия не более чем на 50 мм.

За толщину изделия принимают среднее арифметическое значение результатов четырех измерений.

3.2.4. Высоту рядовой волны измеряют штангенциркулем типа ШЦ-1 или штангенглубиномером с использованием металлической накладки (черт. 3), где  - шаг волны. Схема измерения - в соответствии с черт. 4.

Черт. 3

1 - накладка; 2 - лист

Черт. 4

Накладку помещают на два соседних гребня волн, кроме крайних (перекрывающей и перекрываемой), и штангенциркулем путем выдвижения линейки для измерения глубины или штангенглубиномером измеряют расстояние от низшей точки впадины волны до верхней грани накладки (h1).

Измерение высоты каждой волны производят два раза - по одному у каждого из торцов на расстоянии 50 - 100 мм от кромки.

За высоту рядовой волны h принимают разность между средним арифметическим значением результатов двух измерений и толщиной накладки.

При измерении высоты перекрывающей (перекрываемой) волны используют те же средства контроля, что и при измерении высоты рядовой волны.

Изделие сдвигают в продольном направлении за край стола. Снизу к нему прижимают накладку в соответствии с черт. 5, штангенциркулем путем выдвижения линейки для измерения глубины или штангенглубиномером измеряют расстояние от нижней грани накладки до высшей точки нелицевой поверхности изделия (h¢1).

Измерение высоты перекрывающей (перекрываемой) волны производят два раза - по одному у каждого из торцов изделия.

За высоту перекрывающей (перекрываемой) волны h¢ принимают разность между средним арифметическим значением двух измерений и толщиной накладки.

1 - накладка; 2 - лист

Черт. 5

Допускается при определении высоты волны применять вместо накладки линейку, которую при измерении следует прикладывать ребром к поверхности изделия.

В этом случае из среднего арифметического значения результатов двух измерений вычитают ширину линейки.

3.2.5. Измерение перекрывающей (перекрываемой) кромки

Измерение производят линейкой с использованием упора и металлического цилиндра (черт. 6). Схема измерения - в соответствии с черт. 7.

* Размер для справок

Черт. 6

К измеряемой кромке приставляют упор, в ближайшую к ней впадину волны кладут цилиндр. В направлении торцевой кромки листа измеряют расстояние от острия цилиндра до упора (b¢1 или b¢2).

Измерения производят два раза, по одному у каждого из торцов изделия.

За размер измеряемой кромки (b1 или b2) принимают разность между средним арифметическим значением результатов двух измерений и половиной шага волны, указанного в нормативно-технической документации на конкретное изделие.

3.2.6. Отклонение от прямолинейности измеряют линейкой или щупом, используя в качестве прямолинейной базы ребро металлической линейки длиной 1 м.

При контроле линейку длиной 1 м последовательно прикладывают ребром к кромке изделия по всей длине и измеряют наибольший зазор между ребром линейки и кромкой изделия.

За отклонение от прямолинейности листа принимают наибольшее из измеренных значений.

1 - упор; 2 - лист; 3 - цилиндр

Черт. 7

3.2.7. Отклонение от прямоугольности измеряют линейкой или щупом, используя в качестве прямоугольной базы металлический угольник, длина одной стороны которого равна 1 м, а другой - не менее 0,5 м.

Угольник последовательно прикладывают ко всем углам изделия так, чтобы короткая сторона его плотно прилегала к кромке изделия, и измеряют максимальный зазор между стороной угольника длиной 1 м и кромкой изделия. При необходимости допускается зачистка кромок.

За отклонение от прямоугольности листа принимают наибольшее из измеренных значений.

3.2.8. Отклонение от плоскостности измеряют линейкой или щупом, используя в качестве прямолинейной базы ребро металлической линейки длиной 1 м.

При контроле линейку длиной 1 м последовательно прикладывают ребром к лицевой поверхности изделия в направлении его диагоналей по всей их длине, каждый раз измеряя наибольший зазор между поверхностью листа и ребром линейки.

За отклонение от плоскостности принимают наибольшее из измеренных значений.

4. Определение предела прочности при изгибе

4.1. Сущность метода заключается в разрушении образца сосредоточенной нагрузкой, прикладываемой посередине пролета, по однопролетной схеме.

4.2. Подготовка образцов

Образцами служат целые изделия или вырезанные из них фрагменты. Образцы-фрагменты следует вырезать следующим образом.

От каждого отобранного для контроля волнистого листа вырезают один образец размерами (200 ± 5) мм по длине листа и (2,5S ± 10) мм по ширине листа, где S - шаг волны.

Из волнистой части детали вырезают один образец размерами (180 ± 5) мм вдоль волны и (2,5S ± 10) мм поперек волн так, чтобы в середине образца был гребень (черт. 8).

Образцы деталей, изготовленных методом инжекции, следует вырезать из участков, не имеющих на лицевой поверхности отпечатков технологических (инжекционных) отверстий.

Черт. 8

От каждого отобранного для контроля плоского листа и плоской части профилированной детали вырезают два образца длиной (220 ± 5) мм и шириной (100 ± 5) мм; один образец - вдоль продольной, второй - вдоль торцевой кромки на расстоянии не менее 50 мм от кромки.

Целые волнистые листы перед испытанием обрезают по крайним впадинам в соответствии с черт. 9.

Допускается испытание целых листов без обрезки.

Образцы испытывают в воздушно-сухом состоянии, для чего перед испытанием их выдерживают в помещении лаборатории или цеха не менее 24 ч на расстоянии не менее 10 мм друг от друга.

Черт. 9

4.3. Средства контроля

Устройство любой конструкции, обеспечивающее возможность приложения и измерения нагрузки по заданной схеме, со скоростью нарастания нагрузки не более 50 Н/с (5 кгс/с) при испытании образцов и не более 300 Н/с (30 кгс/с) при испытании листов и имеющее прибор, позволяющий измерить разрушающую нагрузку с погрешностью измерения не более 5 Н (0,5 кгс) в требуемом диапазоне нагрузок.

Опоры и деталь, передающая нагрузку, в месте соприкосновения с образцом должны иметь цилиндрическую форму радиусом от 5 до 10 мм; длина опор и детали должна быть не менее ширины образца.

Опоры и планка, передающая нагрузку, в месте соприкосновения с изделием должны быть плоскими; длина опор и планки должна превышать ширину изделия не менее чем на 50 мм.

Штангенциркуль по ГОСТ 166-80.

Штангенглубиномер по ГОСТ 162-80.

Толщиномер по ГОСТ 11358-74.

Линейка с ценой деления не более 1 мм по ГОСТ 427-75.

4.4. Проведение испытаний

4.4.1. Испытания образцов волнистых листов и деталей (волнистой части) проводят по схеме в соответствии с черт. 10, а плоских образцов изделий - с черт. 11.

Черт. 10

Черт. 11

Образец кладут на опоры лицевой поверхностью в сторону детали, передающей нагрузку, и доводят его до разрушения, повышая нагрузку со скоростью не более 50 Н/с (5 кгс/с). После разрушения образца измеряют его толщину и ширину. Толщину измеряют в трех точках по линии излома. За толщину образца принимают среднее арифметическое значение результатов трех измерений. Ширину измеряют поперек образца вблизи линии излома.

4.4.2. Схема испытаний полномерных волнистых листов - в соответствии с черт. 12.

1 - лист; 2 - опора; 3 - планка; 4 - прокладка

Черт. 12

Лист кладут на опоры лицевой поверхностью в сторону планки.

Между опорами и испытываемым листом, а также между планкой и листом допускается помещать мягкие прокладки (из войлока, сукна и т.п.) толщиной от 5 до 10 мм. Испытываемый лист доводят до разрушения. Затем измеряют его толщину, высоту волны и ширину.

Толщину измеряют в трех точках по линии излома. За толщину листа принимают среднее арифметическое значение результатов трех измерений.

Для определения высоты волны на каждом испытанном листе измеряют высоту трех волн вблизи линии излома. За высоту волны принимают среднее арифметическое значение результатов трех измерений.

Ширину измеряют на двух частях листа вблизи линии излома по п. 3.2.2. За ширину принимают среднее арифметическое значение результатов двух измерений.

4.5. Обработка результатов

Предел прочности при изгибе (si) образцов, испытанных по черт. 10 и 11, вычисляют в мегапаскалях (килограммах силы на квадратный сантиметр) по формуле

                                                             (1)

где F - разрушающая нагрузка, Н (кгс);

l - расстояние между осями опор, м (см);

b - ширина образца, м (см);

t - толщина образца, м (см);

10-6 - коэффициент пересчета Па в МПа.

Результат вычисления округляют до 0,1 МПа (1 кгс/см2).

За предел прочности при изгибе плоского листа принимают среднее арифметическое значение результатов испытаний двух образцов, вырезанных из данного листа.

Предел прочности при изгибе (si) полномерных волнистых листов, испытанных по черт. 12, вычисляют в мегапаскалях (килограммах силы на квадратный сантиметр) по формуле

                                                                   (2)

где F - разрушающая нагрузка, Н (кгс);

l - расстояние между осями опор, м (см);

10-6 - коэффициент пересчета Па в МПа.

W - момент сопротивления сечения листа, м3 (см3), вычисляемый по формуле

                                                   (3)

где h - высота волны, м (см);

t - толщина листа, м (см);

b1 = 0,25(S + 2,6t);

b2 = 0,25(S - 2,6t), где S - шаг волны (номинальный размер по стандарту на конкретное изделие), м (см);

h1 = 0,5(h + t);

h2 = 0,5(h - t);

K - коэффициент, учитывающий число волн, работающих на изгиб, вычисляемый по формуле

                                                                       (4)

где B - ширина листа, мм;

S - шаг волны (номинальный размер по стандарту на конкретное изделие), мм.

Результат вычисления округляют до 0,1 МПа (1 кгс/см2).

За предел прочности при изгибе асбестоцементных изделий партии принимают среднее арифметическое значение результатов испытаний всех образцов партии.

5. Определение несущей способности волнистых листов

5.1. Сущность метода заключается в разрушении волнистого листа нагрузкой, прикладываемой посередине пролета по однопролетной схеме.

5.2. Подготовка образцов

Листы перед испытанием выдерживают в течение 24 ч в помещении лаборатории или цеха.

5.3. Средства контроля

Устройство любой конструкции, обеспечивающее возможность приложения нагрузки по заданной схеме со скоростью нарастания нагрузки не более 200 Н/с (20 кгс/с) и измерение ее с погрешностью не более ±1 % от измеряемого значения.

Опоры и планки по п. 4.3.

Рулетка по ГОСТ 7502-80.

Инструмент для измерения ширины листа по п. 3.2.2.

5.4. Проведение испытаний

Листы испытывают по схеме в соответствии с черт. 12.

Листы кладут на опоры лицевой поверхностью вверх. Нагрузку на лист передают через планку.

Между опорами и листом, а также между планкой и листом помещают мягкие прокладки (из войлока, сукна и т.п.) толщиной от 5 до 10 мм.

Лист доводят до разрушения и измеряют разрушающую нагрузку.

5.5. Обработка результатов

Несущую способность асбестоцементного волнистого листа (P) вычисляют в килоньютонах на метр (килограммах силы на метр) по формуле

                                                                      (5)

где F - разрушающая нагрузка, кН (кгс);

B - ширина листа, м.

Результат вычисления округляют до 0,01 кН/м (1кгс/м).

6. Определение прочности волнистых листов испытательной планочной нагрузкой

6.1. Сущность метода заключается в создании изгибающих напряжений в испытываемом волнистом листе путем повышения нагрузки до нормативного уровня.

6.2. Подготовка образцов - по п. 5.2.

6.3. Средства контроля

Устройство в соответствии с п. 5.3.

6.4. Проведение испытаний

Лист кладут на опоры лицевой поверхностью вверх.

Нагрузку доводят до нормативной, выдерживают лист под этой нагрузкой не менее 5 с, после чего нагрузку снимают.

Каждый испытываемый лист должен выдержать нормативную нагрузку без признаков разрушения.

7. Определение прочности при сосредоточенной нагрузке от штампа

7.1. Сущность метода заключается в испытании на изгиб целых волнистых листов без разрушения путем приложения заданной нормативной нагрузки к определенному участку листа при помощи штампа по одно- или двухпролетной схеме.

7.2. Подготовка образцов - по п. 5.2.

7.3. Средства контроля

Устройство, обеспечивающее возможность приложения нагрузки через деревянный штамп по заданной схеме и скорости нарастания нагрузки не более 300 Н/с (30 кгс/с).

7.4. Проведение испытаний

Листы испытывают по одной из схем в соответствии с черт. 13.

Черт. 13

Схема испытаний и расстояние между опорами () приведены в нормативно-технической документации на конкретные изделия.

Лист кладут на опоры лицевой поверхностью в сторону приложения нагрузки.

Нагрузку передают через штамп, приложенный посередине пролета ко второму гребню волны, считая первым гребень перекрываемой волны.

Нагрузку доводят до нормативной, выдерживают лист под этой нагрузкой не менее 5 с, после чего нагрузку снимают.

Каждый испытанный лист должен выдерживать нормативную нагрузку без признаков разрушения.

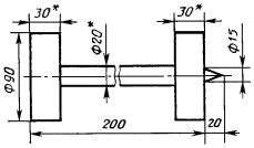
8. Определение ударной вязкости

8.1. Метод заключается в разрушении образца падающим маятником.

8.2. Подготовка образцов

От каждого отобранного для испытания изделия вырезают по два образца на расстоянии не менее 50 мм от торцевой кромки.

От волнистых листов и волнистой части коньковых деталей вырезают по одному образцу из гребня и из впадины волны; размеры образцов: (25 ± 2) мм вдоль образующей волны и (70 ± 3) мм поперек.

Из плоских листов и плоской части профилированных деталей вырезают по два образца размерами (70 ± 3´25 ± 2) мм, один образец - вдоль продольной, второй - вдоль поперечной кромки.

Образцы испытывают в водонасыщенном состоянии, для чего их перед испытанием помещают не менее чем на 24 ч в ванну с водой так, чтобы уровень воды был выше образцов не менее чем на 30 мм.

8.3. Средства контроля

Копер маятниковый КМ-02.

Толщиномер по ГОСТ 11358-74.

Штангенциркуль по ГОСТ 166-80.

Емкость для воды.

8.4. Проведение испытаний

В зависимости от вида испытываемых изделий выбирают в соответствии с табл. 1 маятник необходимой массы и металлические прокладки необходимой толщины.

Таблица 1

Вид изделий

Номинальная толщина листа, мм

Пояс шкалы копра

Толщина металлических прокладок под опорами копра, мм ±0,3

Масса маятника, г ±2

Волнистые листы профиля:

 

 

 

 

54/200

6,0

А

17

163

54/200

7,5

Б

14

291

51/177

6,0

А

15

163

40/150

5,8

А

17

163

28/115

5,5

А

20

163

Плоские листы прессованные и непрессованные

4

А

11

163

6

Б

9

291

8

В

7

613

10

В

5

613

Маятник закрепляют на оси копра, под опоры устанавливают металлические прокладки.

Образец кладут на опоры копра, расстояние между которыми должно быть (50 ± 1) мм.

Образцы волнистых листов (деталей) устанавливают вогнутой поверхностью в сторону приложения нагрузки, образцы плоских листов - лицевой поверхностью в сторону приложения нагрузки.

Маятник копра поднимают в исходное положение (угол зарядки 160°) и удерживают защелкой предохранителя.

Затем маятник опускают и измеряют работу, затраченную на разрушение образца. В месте излома образца измеряют его толщину в двух точках и ширину по прямой вблизи линии излома. За толщину принимают среднее арифметическое значение результатов двух измерений.

8.5. Обработка результатов

Ударную вязкость (Rуд) в килоджоулях на квадратный метр (в килограммах силы на сантиметр на квадратный сантиметр) вычисляют по формуле

                                                                     (6)

где A - работа, затраченная на разрушение образца, кДж (кгс/см);

b - ширина образца, м (см);

t - толщина образца, м (см).

За ударную вязкость изделия принимают среднее арифметическое значение результатов испытаний двух образцов, вырезанных из этого изделия.

За ударную вязкость изделий партии принимают среднее арифметическое значение результатов испытаний всех образцов партии.

9. Определение плотности

9.1 Метод заключается в определении массы сухого образца и его объема.

9.2. Подготовка образцов

Из каждого отобранного для испытания изделия вырезают два образца размерами (50 ± 5)´(50 ± 5) мм.

При контроле предприятием-изготовителем качества продукции допускается отбор образцов в процессе производства из поперечных обрезков, которые образуются при раскрое полуфабриката.

Образцы следует отбирать через равные промежутки времени, по одному из обрезка поочередно в первой и третьей четверти длины обрезка, считая от одного и того же края.

Вырезку образцов следует выполнять без изменения их плотности, например, вырубкой инструментом в виде полого цилиндра, заточенного с внешней стороны.

Отобранные образцы следует хранить в герметической емкости или в полиэтиленовом пакете и испытывать одновременно с контролем данной партии изделий по другим показателям.

Результаты испытаний образцов из обрезков необходимо не реже одного раза в месяц сопоставлять с результатами испытаний образцов из готовых изделий той же партии, а полученную разность результатов учитывать при последующих испытаниях.

9.3. Средства контроля

Шкаф сушильный лабораторный с перфорированными полками, вентилируемый, позволяющий автоматически поддерживать температуру в пределах (105 - 110) °С, или электроплитка.

Весы лабораторные технические с погрешностью не более ±0,08 г по ГОСТ 24104-80.

Термометр по ГОСТ 2823-73.

Эксикатор по ГОСТ 25336-82.

Вакууметр по ГОСТ 2405-80.

9.4. Проведение испытаний

Испытание состоит из следующих операций:

сушки образцов;

охлаждения образцов;

взвешивания высушенных образцов на воздухе;

насыщения образцов водой;

взвешивания насыщенных водой образцов;

взвешивания насыщенных водой образцов в воде;

Результаты всех взвешиваний округляют до 0,1 г.

Образцы для сушки помещают на полки сушильного шкафа плашмя в один ряд на расстоянии не менее 3 мм между образцами в ряду и от стенок шкафа.

Образцы сушат при температуре (105 - 110) °С не менее 24 ч, если толщина их не превышает 15 мм, и не менее 48 ч при толщине более 15 мм.

Допускается сушка образцов на электроплитке. На одной плитке следует сушить одновременно не более шести образцов, располагая их плашмя в один ряд.

Продолжительность сушки при толщине образцов до 15 мм включительно должна быть не менее 30 мин, при толщине более 15 мм - не менее 60 мин.

Охлаждение образцов должно проводиться в эксикаторе.

После охлаждения высушенные образцы взвешивают.

Высушенные образцы помещают в воду не менее чем на 30 мин, при этом уровень воды должен быть выше образцов не менее чем на 30 мм.

Перед взвешиванием насыщенных водой образцов с каждого образца мягкой тканью удаляют имеющиеся на его поверхности капли воды.

Взвешивание каждого образца должно быть закончено не позднее чем через 5 мин после извлечения его из воды.

Затем эти образцы взвешивают погруженными в воду на лабораторных весах с приспособлением для гидростатического взвешивания.

При взвешивании образец должен быть полностью погружен в воду и не должен касаться стенок сосуда.

9.5. Обработка результатов

Плотность (r) в граммах на кубический сантиметр вычисляют по формуле

                                                                (7)

где m - масса высушенного образца, г;

m1 - масса образца, насыщенного водой, взвешенного на воздухе, г;

m2 - масса образца, насыщенного водой, взвешенного в воде, г;

rв - плотность воды, принимаемая равной 1 г/см3.

За значение плотности изделий партии принимают среднее арифметические результатов испытаний всех образцов партии.

10. Определение водопоглощения

10.1. Сущность метода заключается в определении масс образца изделия в высушенном и водонасыщенном состояниях с последующим их сравнением.

10.2 Подготовка образцов - по п. 9.2.

При использовании песчанистого цемента образцы, отобранные по п. 9.2, должны подвергаться автоклавной обработке вместе с изделиями контролируемой партии.

10.3. Средства контроля - по п. 9.3.

10.4. Проведение испытаний

Испытание состоит из следующих операций:

сушки образцов;

охлаждения образцов;

взвешивания высушенных образцов;

насыщения образцов водой;

взвешивания насыщенных водой образцов.

Сушку, охлаждение и взвешивание высушенных образцов производят по п. 9.4.

Насыщение образцов водой следует проводить по п. 9.4 в течение 24 ч.

При контроле качества продукции предприятием-изготовителем допускается насыщение образцов в кипящей воде или методом вакуумирования.

При насыщении в кипящей воде образцы помещают в сосуд, заполненный водой и снабженный решеткой для обеспечения свободной циркуляции воды между образцами и дном сосуда.

Воду нагревают до кипения и выдерживают образцы в кипящей воде не менее 3 ч, после чего их охлаждают в той же воде до температуры помещения.

При насыщении вакуумированием образцы помещают в камеру, из которой откачивают воздух. Остаточное давление в камере не должно быть более 2 кПа (15 мм рт. ст.). При этом давлении образцы выдерживают не менее 5 мин, после чего в камеру подают воду. Уровень воды должен быть выше образцов не менее чем на 30 мм. Насыщение образцов в условиях разрежения должно продолжаться не менее 5 мин.

После снятия разрежения до взвешивания образцы должны находиться в воде.

После насыщения образцы взвешивают на лабораторных весах. Перед взвешиванием с каждого образца мягкой тканью следует удалить имеющиеся на его поверхности капли воды.

Взвешивание каждого образца должно быть закончено не позднее чем через 5 мин после извлечения его из воды.

10.5. Обработка результатов

Водопоглощение (W) в процентах вычисляют по формуле

                                                          (8)

где m - масса высушенного образца, г;

m1 - масса образца, насыщенного водой, г;

Результат вычисления округляют до 1 %.

За водопоглощение партии изделий принимают среднее арифметическое значение результатов испытаний всех образцов партии.

11. Определение водонепроницаемости

11.1. Сущность метода заключается в одностороннем воздействии воды на участок испытываемого изделия в течение определенного времени.

11.2. Подготовка образцов

Определение водонепроницаемости проводят на целых волнистых листах и деталях.

Допускается определение водонепроницаемости проводить на образцах размером не менее 150 мм по длине листа (детали) и вырезанных из изделия таким образом, чтобы во впадине профиля могла разместиться в вертикальном положении цилиндрическая трубка.

Изделия или образцы перед испытанием выдерживают в помещении лаборатории или цеха в течение 24 ч.

11.3. Средства контроля

Цилиндрическая трубка внутренним диаметром не менее 35 мм и длиной не менее 300 мм, у которой один из концов имеет форму, соответствующую профилю впадины листа (детали), или специальная рама размерами в соответствии с черт. 14 и табл. 2.

Штатив для закрепления трубки.

Герметизирующий материал (например, пластилин).

Опоры для установки листа или образцов.

Черт. 14

Таблица 2

Высота волны, мм

Ширина рамы

От   30 до  40

4 волны

  »   51 »   54

3 волны

11.4. Проведение испытаний

Определение водонепроницаемости на целых листах производят при помощи цилиндрической трубки или специальной рамы, на деталях и образцах - при помощи цилиндрической трубки.

Для проведения испытания изделие (образец) кладут на опоры лицевой поверхностью вверх.

Цилиндрическую трубку при испытании устанавливают на лицевой поверхности изделия во впадине волны и закрепляют в штативе. Зазор между краями трубки и поверхностью изделия (образца) герметизируют. Трубку заполняют водой на высоту (250 ± 2) мм от поверхности впадины волны.

Специальную раму при испытании устанавливают на лицевой поверхности волнистого листа (черт. 14), герметизируют зазор между рамой и поверхностью листа. Раму заполняют водой так, чтобы уровень воды находился над гребнями волн на (20 ± 4) мм.

11.5. Оценка результатов

При проведении испытания любым из указанных способов по истечении 24 ч осматривают обратную (нелицевую) поверхность изделия (образца) и устанавливают наличие или отсутствие на ней капель воды.

Отсутствие капель воды свидетельствует о водонепроницаемости изделия.

Способ испытания устанавливает изготовитель.

12. Определение морозостойкости

12.1. Сущность метода заключается в многократном попеременном замораживании и оттаивании насыщенных водой образцов.

12.2. Средства контроля

Морозильная установка, обеспечивающая температуру воздуха в камере не выше минус 15 °С.

Набор кассет, конструкция которых должна позволять размещение в них образцов в вертикальном положении на расстоянии не менее 20 мм друг от друга, а также перемещение и установку кассеты одна на другую без каких-либо повреждений образцов.

Штангенциркуль по ГОСТ 166-80.

Толщиномер по ГОСТ 11358-74.

Линейка по ГОСТ 427-75.

Термометр по ГОСТ 2823-73.

Емкость для воды.

12.3. Подготовка образцов

От каждого отобранного для испытания волнистого листа (волнистой части профилированной детали) вырезают два образца по п. 4.2. Один образец предназначен для испытания на морозостойкость, другой является контрольным.

От каждого отобранного для испытания плоского листа (плоской части профилированной детали) вырезают две пары образцов по п. 4.2. Одна пара образцов предназначена для испытания на морозостойкость, другая является контрольной.

12.4. Проведение испытаний

Образцы, предназначенные для испытания на морозостойкость, помещают в кассеты и все перемещения образцов производят только в кассетах.

Кассеты с образцами погружают не менее чем на 48 ч в емкость с водой так, чтобы уровень воды был выше образцов не менее чем на 30 мм.

После насыщения водой проводят попеременное замораживание и оттаивание образцов по следующему циклу:

1) замораживание - не менее 4 ч при температуре не выше минус 15 °С;

2) оттаивание - не менее 4 ч в воде при температуре не ниже плюс 10 °С.

Число циклов устанавливают в стандартах или технических условиях на конкретное изделие.

После проведения установленного числа циклов попеременного замораживания и оттаивания тщательно осматривают образцы и устанавливают наличие расслоений или других повреждений, сравнивая испытанные образцы с контрольными.

Затем эти и контрольные образцы насыщают водой не менее 48 ч и испытывают на прочность при изгибе в соответствии с п. 4.4.

За предел прочности при изгибе образцов, подвергшихся замораживанию и оттаиванию, принимают среднее арифметическое значение результатов испытаний всех образцов.

За предел прочности при изгибе контрольных образцов принимают среднее арифметическое значение результатов испытаний всех образцов.

12.5. Обработка результатов

Остаточную прочность в процентах вычисляют как отношение предела прочности при изгибе образцов, подвергшихся замораживанию, к пределу прочности при изгибе контрольных образцов.

13. Определение прочности цветного покрытия на истирание

13.1. Сущность метода заключается в воздействии на цветное покрытие изделия нормированного количества песка.

13.2. Подготовка образцов

От каждого отобранного для испытания окрашенного листа (детали) вырезают по два образца размерами (200 ± 5) мм по длине и не менее 150 мм по ширине листа (детали).

Образец волнистого листа (детали) должен иметь гребень.

Допускается испытывать половинки образцов, оставшиеся после испытания листов (деталей) на прочность при изгибе.

13.3. Средства контроля

Устройство, состоящее из стеклянной трубки 1 длиной (1800 ± 1) мм и внутренним диаметром (22 ± 3) мм, прикрепленной к деревянному штативу 2, конусообразной воронки 3, наружный диаметр стержня которой должен быть меньше внутреннего диаметра трубки, и ящика 4 для установки образца и сбора песка (черт. 15).

Песок нормальный для испытания цементов по ГОСТ 6139-78.

Черт. 15

13.4. Проведение испытания

Испытываемый образец устанавливают в ящике под углом (45 ± 1)° к трубке таким образом, чтобы песок из трубки попадал на гребень волны образца; расстояние от центра выходного отверстия трубки до образца должно быть (20 ± 3) мм.

В воронку, подвешенную над трубкой, непрерывной струей насыпают (3 ± 0,1) кг песка, который, проходя через стеклянную трубку, попадает на образец.

После испытания на образце не должна быть видна неокрашенная поверхность асбестоцементного листа (детали).

ИНФОРМАЦИОННЫЕ ДАННЫЕ

1. РАЗРАБОТАН И ВНЕСЕН Министерством промышленности строительных материалов СССР

ИСПОЛНИТЕЛИ

И.Н. Иорамашвили, канд. техн. наук (руководитель темы); Н.И. Зельвянская; И.И. Лазерь; Л.М. Лейбенгруб

2. УТВЕРЖДЕН И ВВЕДЕН В ДЕЙСТВИЕ Постановлением Государственного строительного комитета СССР от 08.09.88 № 185

3. Стандарт содержит все требования СТ СЭВ 5851-86

4. ВЗАМЕН ГОСТ 8747-83

5. ССЫЛОЧНЫЕ НОРМАТИВНО-ТЕХНИЧЕСКИЕ ДОКУМЕНТЫ

СОДЕРЖАНИЕ

1. Общие положения. 1

2. Контроль внешнего вида. 2

3. Контроль размеров и формы.. 2

4. Определение предела прочности при изгибе. 5

5. Определение несущей способности волнистых листов. 8

6. Определение прочности волнистых листов испытательной планочной нагрузкой. 9

7. Определение прочности при сосредоточенной нагрузке от штампа. 9

8. Определение ударной вязкости. 10

9. Определение плотности. 11

10. Определение водопоглощения. 13

11. Определение водонепроницаемости. 14

12. Определение морозостойкости. 15

13. Определение прочности цветного покрытия на истирание. 16

 




Яндекс цитирования



   Copyright © 2007-2026,  www.tehlit.ru.

[ ѓосты, стандарты, нормативы, инструкции, правила, строительные нормы ]