//
ТехЛит.ру
- крупнейшая бесплатная электронная интернет библиотека для "технически умных" людей.
WWW.TEHLIT.RU - ТЕХНИЧЕСКАЯ ЛИТЕРАТУРА

:: Алготрейдинг::


АЛГОТРЕЙДИНГ
шаг за шагом
с нуля по урокам!

Торговые роботы на PYTHON, BackTrader,
Pandas, Pine Script для TradingView. Связка с брокерами, телеграм и легкими приложениями.


ГОСУДАРСТВЕННЫЙ СТАНДАРТ СОЮЗА ССР

РЕЛЬСЫ ЖЕЛЕЗНОДОРОЖНЫЕ
ТИПА Р50

КОНСТРУКЦИЯ И РАЗМЕРЫ

ГОСТ 7174-75

ГОСУДАРСТВЕННЫЙ КОМИТЕТ СССР ПО СТАНДАРТАМ

Москва

 

ГОСУДАРСТВЕННЫЙ СТАНДАРТ СОЮЗА ССР

РЕЛЬСЫ ЖЕЛЕЗНОДОРОЖНЫЕ ТИПА Р50

Конструкция и размеры

Railway rails type Р50.
Construction and dimensions

ГОСТ
7174-75*

Взамен

ГОСТ 7174-65

Постановлением Государственного комитета стандартов Совета Министров СССР от 18 июня 1975 г. № 1572 срок введения установлен

с 01.01.77

Проверен в 1985 г. Постановлением Госстандарта от 09.04.85 № 1019 срок действия продлен

до 01.01.92

Несоблюдение стандарта преследуется по закону

1. Настоящий стандарт распространяется на закаленные и незакаленные железнодорожные рельсы типа Р50 и устанавливает их конструкцию и размеры.

Настоящий стандарт соответствует рекомендации СЭВ по стандартизации PC 1937-69.

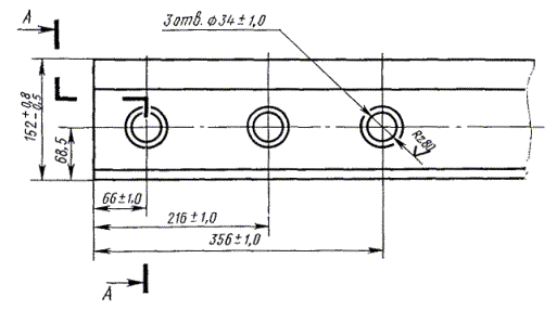
2. Конструкция и размеры поперечного сечения рельсов должны соответствовать указанным на черт. 1, а расположение и размеры отверстий в шейке на концах рельсов - на черт. 2.

По заказу потребителя рельсы могут быть изготовлены без отверстий в шейке и без закалки поверхности катания головки на одном или обоих концах.

Допускается по соглашению между изготовителем и потребителем изменение размещения отверстий на концах рельсов.

3. Предельные отклонения по выпуклости головки при измерении по оси симметрии поперечного профиля рельса должны быть ±0,5 мм, а по равномерной выпуклости подошвы - 0,5 мм. Вогнутость подошвы рельса не допускается.

А-А

* Размеры обеспечиваются инструментом.

Черт. 1

Примечание. Расположение болтовых отверстий контролируется по клиновой части пазухи.

Черт. 2

Условное обозначение железнодорожного рельса типа Р50:

Рельс Р50 ГОСТ 7174-75

4. Не допускается отклонение от симметричности профиля поперечного сечения рельса относительно его вертикальной оси: по подошве - более 1 мм и по головке - более 0,3 мм.

(Измененная редакция, Изм. № 1).

5. Кромки отверстий в шейке рельсов должны иметь фаски размером от 1,5 до 3 мм под углом 45°.

(Измененная редакция, Изм. № 2).

На объемнозакаленных рельсах снятие фаски по ГОСТ 18267-82.

6. Рельсы изготовляют длиной, соответствующей приведенной в таблице.

Длина рельса (при t=(20±2)°С), м

Допускаемые отклонения по длине, мм, для рельсов

Наличие отверстий в шейке на концах рельса

нетермоупрочненных

термоупрочненных по всей длине

I класс

II класс

25,000

±20

±20

Без отверстий

25,000

±6

±9

±15

Отверстия на обоих концах

24,920

24,840

12,520

±6

±7

±10

Отверстия на одном конце

12,500

±6

±7

±10

Отверстия на обоих концах

12,460

12,420

12,380

Примечание. По требованию потребителя рельсы изготовляют другой длины».

(Измененная редакция, Изм. № 2).

7. Допускается контактная или газопрессовая сварка рельсов длиной до 25 м из рельсов длиной не менее 6 м, изготовленных из стали одного способа выплавки. Количество кусков в свариваемом рельсе должно определяться по соглашению между изготовителем и потребителем.

8. Технические требования для незакаленных рельсов из мартеновской стали - по ГОСТ 24182-80, для объемно-закаленных рельсов - по ГОСТ 18267-82.

9. Соответствие профиля рельсов размерам, установленным настоящим стандартом, должно определяться шаблонами на расстоянии не более 150 - 200 мм от торца контролируемого рельса. Применение других приборов запрещается.

10. Расчетные данные приведены в справочном приложении к настоящему стандарту.

ПРИЛОЖЕНИЕ

Справочное

Площадь поперечного сечения рельса, см2 ..................................................................... 65,99

Расстояние от центра тяжести, мм:

до низа подошвы ..................................................................................................... 70,5

до верха головки ...................................................................................................... 81,5

Момент инерции относительно осей, см4:

горизонтальной ....................................................................................................... 2011

вертикальной ............................................................................................................ 375

Момент сопротивления, см3:

по низу подошвы ...................................................................................................... 285

по верху головки ....................................................................................................... 247

по боковой грани подошвы ....................................................................................... 55

Теоретическая линейная масса одного метра рельса

(при плотности стали 7850 кг/м3), кг ................................................................................. 51,8

Распределение металла по площади поперечного сечения рельса,

% от всей площади:

в головке ................................................................................................................. 38,12

в шейке .................................................................................................................... 24,46

в подошве ............................................................................................................... 37,42

 




Яндекс цитирования



   Copyright © 2007-2026,  www.tehlit.ru.

[ ѓосты, стандарты, нормативы, инструкции, правила, строительные нормы ]