//
ТехЛит.ру
- крупнейшая бесплатная электронная интернет библиотека для "технически умных" людей.
WWW.TEHLIT.RU - ТЕХНИЧЕСКАЯ ЛИТЕРАТУРА

:: Алготрейдинг::


АЛГОТРЕЙДИНГ
шаг за шагом
с нуля по урокам!

Торговые роботы на PYTHON, BackTrader,
Pandas, Pine Script для TradingView. Связка с брокерами, телеграм и легкими приложениями.


ГОСУДАРСТВЕННЫЙ СТАНДАРТ СОЮЗА ССР

СОЕДИНЕНИЯ ТРУБОПРОВОДОВ РЕЗЬБОВЫЕ

КОЛЬЦА ЗАЖИМНЫЕ И УПОРНЫЕ

КОНСТРУКЦИЯ

ГОСТ 28918-91

ГОСУДАРСТВЕННЫЙ КОМИТЕТ СССР ПО УПРАВЛЕНИЮ
КАЧЕСТВОМ ПРОДУКЦИИ И СТАНДАРТАМ

Москва

ГОСУДАРСТВЕННЫЙ СТАНДАРТ СОЮЗА ССР

Соединения трубопроводов резьбовые

КОЛЬЦА ЗАЖИМНЫЕ И УПОРНЫЕ

Конструкция

Threaded pipe fittings. Clamping and thrust rings.
Construction

ГОСТ
28918-91

Дата введения 01.01.92

Настоящий стандарт распространяется на зажимные и упорные кольца, применяемые в резьбовых соединениях трубопроводов, арматуре и гидро-пневмооборудовании с углом конуса присоединительного конца 24°.

Требования пунктов 1; 3; 4 настоящего стандарта являются обязательными, остальные - рекомендуемые.

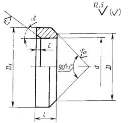
1. Конструкция и размеры зажимных и упорных колец должны соответствовать указанным на черт. 1, 2 и в табл. 1 и 2.

2. Значения номинального (условного) давления для зажимных и упорных колец группы 2 - по ГОСТ 15763, приложение 3.

3. Технические требования, приемка и методы испытаний - по ГОСТ 15763.

4. Схема сборки соединения с зажимным и упорным кольцами приведена в приложении.

Черт. 1

Таблица 1

Размеры, мм

Группа

DH*

DN*

(Dy)

d

H 8

D

Js 13

D1

D2

Js 13

l

+ 0,2

Масса 1000 шт., кг

2

6

4

6,15

7

8

7,1

5,0

0,3

8

6

8,15

9

10

9,1

5,5

1,11

10

8

10,15

11

12

11,1

6,0

1,52

12

10

12,30

18

14

13,3

6,5

1,76

15

12

15,30

16

17

16,3

7,0

2,33

18

15

18,30

19

20

19,3

2,76

22

20

22,30

23

24

23,3

7,5

3,58

* DH - наружный диаметр трубы, DN (Dy) - условный проход (номинальный размер).

Примечания:

1. Обозначения, приведенные в скобках, непредпочтительны.

2. Масса указана для справок.

Пример условного обозначения зажимного кольца группы 2 с DH = 10 мм:

Кольцо зажимное 2-10 ГОСТ 28918-91

Упорное кольцо

Черт. 2

Таблица 2

Размеры, мм

Группа

DH*

DN*

(Dy)

d

H 12

D

H 11

D1

h 12

l

± 0,1

c

Масса 1000 шт., кг

2

6

4

6,15

7

9,5

4,5

1,0

1,01

8

6

8,15

9

11,5

1,39

10

8

10,15

11

13,5

5,0

1,60

12

10

12,30

13

15,5

2,09

15

12

15,30

16

19,5

4,57

18

15

18,30

19

24,5

5,5

1,5

7,50

22

20

22,30

23

27,5

7,21

* DH - наружный диаметр трубы, DN (Dy) - условный проход (номинальный размер).

Примечания:

1. Обозначения, приведенные в скобках, непредпочтительны.

2. Масса указана для справок.

Пример условного обозначения упорного кольца группы 2 с DH = 10 мм:

Кольцо упорное 2-10 ГОСТ 28918-91

ПРИЛОЖЕНИЕ
Справочное

Схема сборки соединения с зажимным и упорным кольцами

1 - труба; 2 - присоединительный конец корпусной детали с углом конуса 24° по ГОСТ 22525; 3 - накидная гайка по ГОСТ 23353; 4 - зажимное кольцо; 5 - упорное кольцо

Черт. 3

ИНФОРМАЦИОННЫЕ ДАННЫЕ

1. РАЗРАБОТАН И ВНЕСЕН Государственным комитетом СССР по управлению качеством продукции и стандартам

РАЗРАБОТЧИКИ

Б.В. Максимовыми; Г.В. Поляков, канд. техн. наук; Ю.А. Решников; С.А. Михайлова

2. УТВЕРЖДЕН И ВВЕДЕН В ДЕЙСТВИЕ Постановлением Государственного комитета СССР по управлению качеством продукции и стандартам от 26.02.91 № 177

3. ВВЕДЕН ВПЕРВЫЕ

4. Срок проверки - 1997 г., периодичность проверки - 10 лет

5. ССЫЛОЧНЫЕ НОРМАТИВНО-ТЕХНИЧЕСКИЕ ДОКУМЕНТЫ

 




Яндекс цитирования



   Copyright © 2007-2026,  www.tehlit.ru.

[ ѓосты, стандарты, нормативы, инструкции, правила, строительные нормы ]