//
ТехЛит.ру
- крупнейшая бесплатная электронная интернет библиотека для "технически умных" людей.
WWW.TEHLIT.RU - ТЕХНИЧЕСКАЯ ЛИТЕРАТУРА

:: Алготрейдинг::


АЛГОТРЕЙДИНГ
шаг за шагом
с нуля по урокам!

Торговые роботы на PYTHON, BackTrader,
Pandas, Pine Script для TradingView. Связка с брокерами, телеграм и легкими приложениями.


МЕЖГОСУДАРСТВЕННЫЙ СТАНДАРТ

ГАЙКИ КРЫЛЬЧАТЫЕ

ГОСТ
3385-69

Взамен
ГОСТ 3385-57

Конструкция

Wing nuts. Design

Постановлением Комитета стандартов, мер и измерительных приборов при Совете Министров СССР от 13 июня 1969 г. № 680 дата введения установлена

01.07.70

Ограничение срока действия снято Постановлением Госстандарта СССР от 20.04.89 № 1027

Издание 2006 г. с Изменениями № 1, 2, утвержденными в июне 1980 г., апреле 1989 г. (ИУС 9-80, 7-89).

Настоящий стандарт распространяется на крыльчатые гайки, предназначенные для станочных приспособлений.

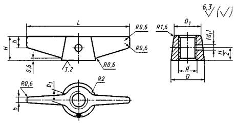
1. Конструкция и размеры гаек должны соответствовать указанным на чертеже и в таблице.

Примечание. Размер в скобках - после сборки. Отверстие d1 под штифт просверлить насквозь и развернуть с полем допуска - K7.

Размеры в мм

Обозначение гаек

Применяемость

d

H

L

D

D1

b

b1

h

d1

Масса, кг ≈

7004-0041

 

М5

6

30

10

8

2,0

4

4

1,6

0,004

7004-0042

 

М6

8

36

12

10

6

2,0

0,008

7004-0043

 

М8

10

45

16

14

2,5

5

3,0

0,018

7004-0044

 

М10

12

55

20

16

3,0

6

8

0,026

7004-0045

 

М12

14

70

24

20

4,0

8

4,0

0,054

Пример условного обозначения крыльчатой гайки размером d = М5:

Гайка 7004-0041 ГОСТ 3385-69

(Измененная редакция, Изм. № 1, 2).

2. Материал - сталь марки 45 по ГОСТ 1050-88. Допускается замена на сталь других марок с механическими свойствами не ниже, чем у стали марки 45.

3. Твердость - 30 ... 35 HRC. По требованию потребителя гайки допускается изготавливать без термической обработки.

4. Неуказанные предельные отклонения размеров: h14,

5. Резьба метрическая - по ГОСТ 24705-2004. Поле допуска резьбы - 6Н по ГОСТ 16093-2004.

4, 5. (Измененная редакция, Изм. № 2).

6. Размеры фасок для резьбы - по ГОСТ 10549-80.

7. (Исключен, Изм. № 1).

8. Покрытие - Хим. Окc. прм (обозначение покрытия - по ГОСТ 9.306-85). По соглашению с потребителем допускается применение других видов защитных покрытий.

9. Остальные технические требования - по ГОСТ 1759.0-87.

10. Маркировать: наименование изделия, его обозначение, обозначение настоящего стандарта и товарный знак предприятия-изготовителя. Маркировку нанести на тару или упаковку для партии гаек одного типоразмера.

11. Примеры применения крыльчатых гаек указаны в приложении.

(Введен дополнительно, Изм. № 2).

ПРИЛОЖЕНИЕ

Справочное

ПРИМЕРЫ ПРИМЕНЕНИЯ КРЫЛЬЧАТЫХ ГАЕК




Яндекс цитирования



   Copyright © 2007-2026,  www.tehlit.ru.

[ ѓосты, стандарты, нормативы, инструкции, правила, строительные нормы ]