//
ТехЛит.ру
- крупнейшая бесплатная электронная интернет библиотека для "технически умных" людей.
WWW.TEHLIT.RU - ТЕХНИЧЕСКАЯ ЛИТЕРАТУРА

:: Алготрейдинг::


АЛГОТРЕЙДИНГ
шаг за шагом
с нуля по урокам!

Торговые роботы на PYTHON, BackTrader,
Pandas, Pine Script для TradingView. Связка с брокерами, телеграм и легкими приложениями.


МЕЖГОСУДАРСТВЕННЫЙ СТАНДАРТ

ГАЙКИ КРУГЛЫЕ С ОТВЕРСТИЯМИ НА ТОРЦЕ «ПОД КЛЮЧ» КЛАССА ТОЧНОСТИ А

ГОСТ
6393-73

Взамен
ГОСТ 6393-66,
ГОСТ 11873-66, в части
гаек с отверстиями на
торце «под ключ»

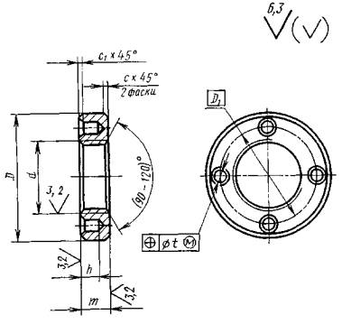
Конструкция и размеры

Round nuts with set pin holes in side, product grade A. Design and dimensions

Утвержден Постановлением Государственного комитета стандартов Совета Министров СССР от 19.12.73 № 2716. Дата введения установлена

01.01.75

Ограничение срока действия снято по протоколу № 5-94 Межгосударственного совета по стандартизации, метрологии и сертификации (ИУС 11-12-94)

Издание 2006 г. с Изменениями № 1, 2, утвержденными в марте 1980 г., декабре 1986 г. (ИУС 4-80, 3-87).

Настоящий стандарт распространяется на круглые гайки с отверстиями на торце «под ключ», с диаметром резьбы от 8 до 100 мм.

2. Конструкция и размеры гаек должны соответствовать указанным на чертеже и в таблице.

мм

Номинальный диаметр резьбы d

Шаг резьбы

D hl3

D1

t

d1, Н13

m h14

h +IT14

c, не более

c1, не более

8

1

18

13

0,16

3,0

6

3,5

0,6

0,4

10

1,25

22

15

8

5,0

12

1,25

26

18

14

1,5

28

20

16

1,5

30

22

3,5

1,0

18

1,5

32

24

20

1,5

34

27

22

1,5

38

30

24

1,5

42

34

0,2

4,0

10

27

1,5

45

30

1,5

48

38

4,5

7,0

0,6

33

1,5

52

42

36

1,5

55

48

39

1,5

60

42

1,5

65

56

6,0

45

1,5

70

48

1,5

75

64

12

52

1,5

80

56

2

85

72

8,0

1,6

1,0

60

2

90

8,0

64

2

95

80

68

2

100

15

72

2

105

90

0,3

9,0

11

76

2

110

80

2

115

100

85

2

120

90

2

125

110

18

95

2

130

100

2

135

120

Пример условного обозначения гайки диаметром резьбы d = 16 мм, с мелким шагом резьбы 1,5 мм с полем допуска 7Н, класса прочности 6, без покрытия:

Гайка M16×1,5.6 ГОСТ 6393-73

То же, с диаметром резьбы d = 56 мм, с мелким шагом резьбы 2 мм, с полем допуска 6Н, из стали марки 35Х, с покрытием 01 толщиной 9 мкм:

Гайка М56×2.6Н.35X.019 ГОСТ 6393-73

Примечание. Гайки круглые с диаметром резьбы до 48 мм следует обозначать по ГОСТ 1759.0-87 с диаметром резьбы свыше 48 мм - по ГОСТ 18126-94.

(Измененная редакция, Изм. № 1, 2).

3. Резьба - по ГОСТ 24705-2004. Поле допуска резьбы - 6Н по ГОСТ 16093-2004. До 1 января 1990 г. допускается поле допуска резьбы - 7Н. Фаски на резьбе - по ГОСТ 10549-80.

4. Поверхность отверстий «под ключ» стальных гаек должны иметь твердость 37,5 . . . 43,5 HRCэ.

5. Стальные гайки должны быть подвергнуты объемной термической обработке до твердости 28 . . . 33,5 HRCэ.

3 - 5. (Измененная редакция, Изм. № 2).

6. По заказу потребителя допускается стальные гайки изготовлять без термообработки.

7. Допуски формы и расположения поверхностей по ГОСТ 24643-81: допуск перпендикулярности опорной поверхности гайки относительно оси резьбы - по 9-й степени точности, допуск соосности наружной цилиндрической поверхности гайки относительно оси резьбы - по 11-й степени точности.

(Измененная редакция, Изм. № 2).

8. По заказу потребителя гайки должны быть размагничены.

9. Остальные технические требования для гаек с диаметром резьбы до 48 мм - по ГОСТ 1759.0-87 с диаметром резьбы свыше 48 мм - по ГОСТ 18126-94.

10. Теоретическая масса гаек дана в приложении.

ПРИЛОЖЕНИЕ

Справочное

Масса стальных гаек

Номинальный диаметр резьбы d, мм

Теоретическая масса 1000 шт. гаек, кг ≈

8

9,550

10

18,67

12

26,33

14

29,52

16

32,14

18

35,68

20

38,76

22

49,11

24

76,62

27

83,99

30

90,89

33

104,7

36

113,9

39

136,5

42

159,5

45

186,1

48

261,1

52

290,7

56

318,8

60

349,7

64

386,4

68

530,7

72

533,5

76

579,4

80

626,7

85

660,3

90

836,7

95

887,0

100

891,6

-

-

Примечание. Для определения массы гаек из других материалов величины масс, указанные в таблице, следует умножить на коэффициенты: 0,356 - для алюминиевого сплава; 1,080 - для латуни.




Яндекс цитирования



   Copyright © 2007-2026,  www.tehlit.ru.

[ ѓосты, стандарты, нормативы, инструкции, правила, строительные нормы ]