//
ТехЛит.ру
- крупнейшая бесплатная электронная интернет библиотека для "технически умных" людей.
WWW.TEHLIT.RU - ТЕХНИЧЕСКАЯ ЛИТЕРАТУРА

:: Алготрейдинг::


АЛГОТРЕЙДИНГ
шаг за шагом
с нуля по урокам!

Торговые роботы на PYTHON, BackTrader,
Pandas, Pine Script для TradingView. Связка с брокерами, телеграм и легкими приложениями.


ГОСУДАРСТВЕННЫЙ СТАНДАРТ СОЮЗА ССР

СОСТАВЫ ДЛЯ ЗАЛИВКИ КАБЕЛЬНЫХ МУФТ

ТЕХНИЧЕСКИЕ УСЛОВИЯ

ГОСТ 6997-77

ИПК ИЗДАТЕЛЬСТВО СТАНДАРТОВ

Москва

ГОСУДАРСТВЕННЫЙ СТАНДАРТ СОЮЗА ССР

СОСТАВЫ ДЛЯ ЗАЛИВКИ КАБЕЛЬНЫХ МУФТ

Технические условия

Compositions for filling cable joints.

Specifications

ГОСТ
6997-77

Дата введения 01.01.78

Настоящий стандарт распространяется на маслоканифольный и битумные нефтяные составы, предназначенные для заливки соединительных, ответвительных и концевых муфт и заделок силовых и контрольных кабелей.

Требования настоящего стандарта являются обязательными.

(Измененная редакция, Изм. № 4).

1. МАРКИ И ТЕХНИЧЕСКИЕ ТРЕБОВАНИЯ

1.1. В зависимости от применения устанавливаются следующие марки составов: МК-45, МБМ, МБ-70/60 и МБ-90/75.

МК-45 - маслоканифольный состав (готовят смешением канифоли, кабельного масла и кальцинированной соды);

МБМ - маслобитумный морозостойкий состав (готовят смешением битума, полученного окислением остаточных продуктов прямой перегонки нефти, и трансформаторного масла);

МБ-70/60 и МБ-90/75 - масса битумная (готовят окислением остаточных продуктов прямой перегонки нефти или компаундированием окисленных и остаточных продуктов).

Примеры обозначения марок:

МК-45 - буквы «МК» обозначают маслоканифольный состав, цифра 45 обозначает среднюю температуру размягчения;

Наименование показателя

Норма для марки

Метод испытания

МК-45

МБМ

МБ-70/60

МБ-90/75

высший сорт ОКП 02 5541 010

высший сорт ОКП 02 5541 0202

высший сорт ОКП 02 5541 0205

высший сорт ОКП 02 5541 0206

1. Температура каплепадения,°С, не ниже

-

-

80

90

По ГОСТ 6793

2. Температура размягчения по кольцу и шару, °С

45-55

Не ниже 40

55-65

70-80

По ГОСТ 11506 с дополнением по п. 3.2 настоящего стандарта

3. Усадка, %, не более

6,5

6,0

6,0

7,0

По п. 3.3

4. Массовая доля веществ, нерастворимых в толуоле, %, не более

0,20

0,20

0,20

0,20

По ГОСТ 20739 с изменением по п. 3.4 настоящего стандарта

5. Пробивное напряжение переменным током 50 Гц в течение 1 мин, В, не ниже

50000

40000

50000

50000

По п. 3.5

6. Морозостойкость, °С, не выше

-

-45

-5

0

По п.3.6

7. Температура вспышки, °С, не ниже

190

170

260

250

По ГОСТ 4333

8. рН водной вытяжки

7,0-8,5

-

-

-

По п.3.7

9. Испытание на хрупкость и адгезию к металлам

Выдерживает

По п.3.8

10. Массовая доля водорастворимых кислот и щелочей

Отсутствие

По ГОСТ 6307

(Измененная редакция, Изм. № 4).

МБ-70/60 - буквы «МБ» обозначают битумную массу, цифра 70 - температуру каплепадения, а цифра 60 - среднюю температуру размягчения.

1.2. По физико-химическим показателям составы должны соответствовать требованиям и нормам, указанным в таблице.

2. ПРАВИЛА ПРИЕМКИ

2.1. Составы принимают партиями. Партией считают любое количество состава, однородного по своим качественным показателям, сопровождаемого одним документом о качестве.

2.2. Объем выборок определяют по ГОСТ 2517.

2.3. При получении неудовлетворительных результатов испытаний хотя бы по одному показателю по нему проводят повторные испытания пробы от удвоенной выборки.

Результаты повторных испытаний распространяются на всю партию.

2.4. Показатель по п.1 таблицы изготовитель определяют периодически не реже одного раза в полгода.

(Введен дополнительно, Изм. № 2).

3. МЕТОДЫ ИСПЫТАНИЙ

3.1. Пробы составов отбирают по ГОСТ 2517. Для объединенной пробы берут состав каждой марки массой 2 кг.

(Измененная редакция, Изм. № 3).

3.2. Температуру размягчения по кольцу и шару маслоканифольного состава марки МК-45 определяют со стальным шариком диаметром 4,52 мм и массой 0,44 г.

3.3. Определение усадки

3.3.1. Проведение испытания

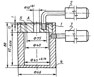
В предварительно нагретый металлический цилиндр вместимостью 100 см3 наливают испытуемый состав, разогретый до температуры заливки таким образом, чтобы после того, как закроют цилиндр крышкой, избыток состава вышел в отверстие крышки и заполнил кольцевую выемку в ней (см. чертеж). Если условие не соблюдено, состав заливают вновь.

Температура заливки для марок МК-45 и МБМ должна быть 130-140 °С, для марки МБ-70/60 должна быть 160-170 °С, для марки МБ-90/75 должна быть 180-190 °С.

Состав в цилиндре выдерживают при комнатной температуре не менее 12 ч. Затем из бюретки через отверстие в крышке цилиндра порциями наливают воду до краев цилиндра. При этом необходимо несколько раз осторожно постучать цилиндр о деревянную подставку, чтобы водой заполнились образовавшиеся при охлаждении пустоты.

3.3.2. Обработка результатов

По объему вылитой из бюретки воды в см3 определяют усадку состава в объемных долях.

За величину усадки принимают среднее арифметическое значение двух параллельных определений, допускаемое расхождение между которыми не должно превышать 0,5 %.

Цилиндр для определения усадки

1 - крышка; 2 - ручка крышки; 3 - ручка цилиндра; 4 - цилиндр; А - отверстие в крышке,

Б - кольцевая выемка в крышке

3.4. Определение массовой доли веществ, не растворимых в толуоле

3.4.1. Массовую долю веществ, не растворимых в толуоле, определяют по ГОСТ 20739 со следующим дополнением:

массовую долю нерастворимых в толуоле веществ (Х) в процентах вычисляют по формуле

где т1 - масса нерастворимого осадка на фильтре, г;

т2 - масса состава, г.

3.4-3.4.1. (Измененная редакция, Изм. № 3).

3.5. Определение пробивного напряжения

3.5.1. Проведение испытания

Пробивное напряжение определяют на аппаратах типов АИМ-70, АИМ-80 или другой аналогичной конструкции. Для испытаний берут фарфоровый цилиндрический сосуд или сосуд из молибденового стекла, который входит в комплект аппарата.

Внутри сосуда находятся прочно закрепленные медные или латунные сферические электроды по ГОСТ 6581. Перед испытанием сосуд тщательно промывают бензином и высушивают. Расстояние между электродами устанавливают точно 2,5 мм специальным шаблоном, после этого электроды закрепляют. Испытуемый состав нагревают.

Температура нагрева состава для марок МК-45 и МБМ должна быть 130-140 °С, для марки МБ-70/60 должна быть 160-170 °С и марки МБ-90/75 должна быть 180-190 °С. Состав нагревают до жидкого однородного состояния в термостате в течение 3-4 ч при периодическом перемешивании. Затем в предварительно подогретый сосуд наливают горячий состав на 15 мм выше уровня электродов. Сосуд с залитым составом выдерживают 30 мин в термостате при температуре заливки (при этом необходимо состав два-три раза перемешать латунной палочкой между электродами). Перемешивание состава между электродами необходимо для удаления пузырьков воздуха. После этого состав выдерживают не менее 12 ч при комнатной температуре.

Охлажденный сосуд с составом вставляют в аппарат и проводят испытание, медленно повышая напряжение на электродах со скоростью не менее 1-2 кВ/с передвижением ручки реостата. Когда напряжение достигнет 40000 В (для составов марок МБМ) и 50000 В (для составов марок МК-45, МБ-70/60 и МБ-90/75 высшего сорта), дальнейшее повышение напряжения прекращают и выдерживают образец в течение 1 мин. Если при этом не будет пробоя, то состав считают выдержавшим испытание.

(Измененная редакция, Изм. № 1,4).

3.6. Определение морозостойкости

3.6.1. Аппаратура, реактивы и материалы:

пробирка стеклянная со сферическим дном, высотой (160±10) мм, внутренним диаметром (30±1) мм, на наружной боковой поверхности пробирки на расстоянии 30 мм от ее дна должна быть сделана несмываемая кольцевая метка;

пробирка-муфта со сферическим дном, высотой (130±10) мм, внутренним диаметром (40±2) мм;

пробка корковая или резиновая, соответствующая внутреннему диаметру пробирки, с отверстием в центре для термометра;

муфта медная для термометра высотой 40 мм, запаянная с одного конца, изготовленная из медной трубки по ГОСТ 617, наружным диаметром 8-9 мм, толщиной стенки 0,5 мм;

термометр толуоловый с диапазоном показаний от минус 80 до плюс 60 °С по ГОСТ 400, типа ТН-8 для определения температуры застывания нефтепродуктов выше минус 30 °С;

сосуд Дьюара или стакан с широкой пробиркой, укрепленной пробкой; требуемая температура в сосуде Дьюара поддерживается при помощи охлаждающей смеси.

В качестве охлаждающей смеси применяют:

спирт этиловый регенерированный или

спирт этиловый синтетический по ОСТ 38.02386 или

изооктан технический по ГОСТ 4095;

углекислота твердая или

газ углекислый сжиженный по ГОСТ 8050, или

азот жидкий по ГОСТ 9293.

3.6.2. Проведение испытания

Испытуемый состав нагревают до 140 °С и осторожно заливают до метки в сухую пробирку, предварительно нагретую до 100 °С. При заливке нужно следить за тем, чтобы состав не растекался по стенкам пробирки. В пробирку с испытуемым составом в центр вставляют медную муфту для термометра и помещают ее в термостат, в котором нагревают до 150 °С в течение 10-15 мин. Затем пробирку вынимают из термостата и устанавливают вертикально в штативе на 1 ч, для охлаждения состава до комнатной температуры, а в медную муфту до дна вставляют термометр на корковой пробке (после 8-10 мин от начала охлаждения). Пробирку с составом и термометром укрепляют при помощи корковой пробки в пробирке-муфте так, чтобы ее стенки находились приблизительно на одинаковом расстоянии от стенок муфты. Собранный прибор с составом помещают в сосуд с охладительной смесью. Охлаждение состава проводят со скоростью 2 °С в 1 мин.

Температуру, при которой появится характерный звук растрескивания, принимают за температуру морозостойкости.

3.6.3. Обработка результатов

За морозостойкость испытуемого состава принимают среднее арифметическое трех параллельных определений, допускаемые расхождения между которыми не должны превышать 3 °С.

3.7. Определение (рН) водной вытяжки состава марки МК-45.

Определение концентрации водородных ионов (рН) проводят следующим образом: 10 г состава взвешивают в конической колбе вместимостью 250 см3, приливают 150 см3 дистиллированной воды по ГОСТ 6709 и кипятят с обратным холодильником в течение 30 мин. После охлаждения до комнатной температуры отделившуюся водную вытяжку осторожно сливают или переносят при помощи пипетки в стаканчик или колбу.

Величину рН определяют потенциометрическим методом на рН-метре любого типа с погрешностью измерения не менее 0,05 рН.

Прибор калибруют по буферным растворам, имеющим рН 6,0; 7,0; 8,0. Дистиллированная вода должна быть проверена на нейтральность.

(Измененная редакция, Изм. № 3).

3.8. Определение хрупкости состава и адгезии к металлам (алюминий, свинец)

3.8.1. Применяемые материалы и реактивы: пластинки свинцовые размером 180×30×0,8-0,9 мм;

рамки медные или латунные размером 180×30×3 мм, посередине которых имеется окно размером 100×15 мм; тальк по ГОСТ 19729, ГОСТ 21235; глицерин по ГОСТ 6823; декстрин по ГОСТ 6034.

3.8.2. Подготовка к испытанию

Рамки накладывают на свинцовые пластинки, предварительно смазав края окна смесью талька с глицерином 1:3 или смесью декстрина с глицерином - 1:2.

При этом не допускается попадание смазки на поверхность свинцовой пластинки, на которую наносится состав. Температура разогрева для марок МК-45 и МБМ должна быть 130-140 °С, для марки МБ-70/60 должна быть 160-170 °С, для марки МБ-90/75 должна быть 180-190 °С. Разогретый состав заливают в окна двух рамок тонкой струей от одного конца рамки до другого, пока она не наполнится выше краев. Залитый в рамки состав оставляют охлаждаться на воздухе в течение 5-15 мин при комнатной температуре, а затем гладко срезают излишек состава горячим острым ножом так, чтобы состав заполнял рамки вровень с их краями, и свинцовые пластинки с составом отделяют от рамок.

3.8.3. Проведение испытания

Подготовленные пластинки с составом выдерживают в течение 2 ч, при комнатной температуре, после чего наматывают их по винтовой линии на металлический или деревянный стержень диаметром 25 мм. Состав считают выдержавшим испытание на хрупкость и адгезию, если он не отстает от свинцовых пластинок и не растрескивается в процессе изгиба вокруг стержня при двух параллельных определениях.

Адгезию к алюминию определяют методом, описанным выше, вместо свинцовых пластинок используют алюминиевые размером 180×30×0,1-0,2 мм.

4. УПАКОВКА, МАРКИРОВКА, ТРАНСПОРТИРОВАНИЕ И ХРАНЕНИЕ

4.1. Упаковка, маркировка, транспортирование и хранение составов - по ГОСТ 1510 со следующим дополнением: составы упаковывают в бидоны или банки из белой или черной жести вместимостью не более 10 дм3 с герметично закрывающимися крышками. Внутренняя поверхность бидонов должна быть чистой и без ржавчины.

4.2. По согласованию с потребителем допускается упаковывать составы всех марок в бидоны с герметично закрывающимися крышками вместимостью не более 20 дм3 по ТУ 38.101169, составы марок МБ-70/60 и МБ-90/75 - в мешки из полимерных материалов вместимостью не более 10 кг. Состав марки МБ-90/75 допускается упаковывать в бумажные мешки марки НМ по ГОСТ 2226 вместимостью не более 50 кг только для предприятий Минэлектротехпрома СССР. Для других потребителей упаковывание этого состава в бумажные мешки не допускается.

(Измененная редакция, Изм. № 3).

4.3. На таре с составом дополнительно указывается предельная температура разогрева состава: для марки МК-45 не выше 140 °С, для марки МБМ не выше 150 °С, для марки МБ-70/60 не выше 180 °С и для марки МБ-90/75 не выше 190 °С и дата изготовления состава.

4.4. Составы должны храниться в таре изготовителя.

4.5. (Исключен, Изм. № 3).

4.6. Транспортирование грузов пакетами осуществляется в соответствии с требованиями ГОСТ 26663. Основные параметры и размеры пакетов должны соответствовать ГОСТ 24597.

(Введен дополнительно, Изм. № 2).

5. ГАРАНТИИ ИЗГОТОВИТЕЛЯ

5.1. Изготовитель гарантирует соответствие состава требованиям настоящего стандарта при соблюдении условий хранения и транспортирования.

5.2. Гарантийный срок хранения составов для заливки кабельных муфт - два года со дня изготовления.

5.1-5.2. (Измененная редакция, Изм. № 2).

6. ТРЕБОВАНИЯ БЕЗОПАСНОСТИ

6.1. Составы являются твердым горючим веществом с температурой вспышки 170-230 °С и минимальной температурой самовоспламенения 368 °С.

6.2. Предельно допустимая концентрация паров (летучих углеводородов) составов в воздушной среде производственных помещений 300 мг/м3. Массовая доля паров углеводородов в воздушной среде определяется газоанализатором типа УГ-2.

6.3. По степени воздействия на организм человека пары (летучих углеводородов) составов относятся к 4-му классу опасности.

6.4. Места заливки состава в производственных помещениях должны быть снабжены местной вытяжной вентиляцией.

6.5. При производстве, сливе, наливе и отборе проб составов следует применять спецодежду и индивидуальные средства защиты, согласно типовым отраслевым нормам, утвержденным в установленном порядке.

(Измененная редакция, Изм. № 2, 3).

6.6. При загорании небольших количеств продукта - тушить песком, кошмой, специальными порошками, пенным огнетушителем; развившиеся пожары разлитого продукта на большой площади - тушить пенной струей.

ПРИЛОЖЕНИЕ

Справочное

ТАБЛИЦА СООТВЕТСТВИЯ ОБОЗНАЧЕНИЯ МАРОК СОСТАВОВ ДЛЯ ЗАЛИВКИ КАБЕЛЬНЫХ МУФТ

По ГОСТ 6997-77

По ГОСТ 6997-54

МК-45

МК-45

МБ-70/60

МБ-70

МБ-90/75

МБ-90

МБМ

МБ-1, МБМ-2

ИНФОРМАЦИОННЫЕ ДАННЫЕ

1.  РАЗРАБОТАН И ВНЕСЕН Министерством нефтеперерабатывающей и нефтехимической промышленности СССР

РАЗРАБОТЧИКИ

В.В. Фрязинов, И.И. Шерыщева, С.Л. Александрова, Н.И. Смирнова

2. УТВЕРЖДЕН И ВВЕДЕН В ДЕЙСТВИЕ Постановлением Государственного комитета стандартов Совета Министров СССР от 03.02.77 № 286

3. Периодичность проверки - 5 лет

4. ВЗАМЕН ГОСТ 6997-54

5. ССЫЛОЧНЫЕ НОРМАТИВНО-ТЕХНИЧЕСКИЕ ДОКУМЕНТЫ

Обозначение НТД, на который дана ссылка

Номер пункта

ГОСТ 400-80

3.6.1

ГОСТ 617-90

3.6.1

ГОСТ 1510-84

4.1

ГОСТ 2226-88

4.2

ГОСТ 2517-85

2.2, 3.1

ГОСТ 4095-75

3.6.1

ГОСТ 4333-87

1.2

ГОСТ 6034-74

3.8.1

ГОСТ 6307-75

1.2

ГОСТ 6581-75

3.5.1

ГОСТ 6709-72

3.7

ГОСТ 6793-74

1.2

ГОСТ 6823-77

3.8.1

ГОСТ 8050-85

3.6.1

ГОСТ 9293-74

3.6.1

ГОСТ 11506-73

1.2

ГОСТ 19729-74

3.8.1

ГОСТ 20739-75

1.2, 3.4.1

ГОСТ 21235-75

3.8.1

ГОСТ 24597-81

4.6

ГОСТ 26663-85

4.6

ОСТ 38.02386-85

3.6.1

ТУ 38.101169-88

4.2

6. Ограничение срока действия снято Постановлением Госстандарта от 18.05.92 № 490

7. ПЕРЕИЗДАНИЕ (ноябрь 1996 г.) с Изменениями № 1, 2, 3, 4, утвержденными в апреле 1979 г., марте 1983 г., июне 1987 г. и мае 1992 г. (ИУС 6-79, 7-83, 11-87, 8-92)

СОДЕРЖАНИЕ

 




Яндекс цитирования



   Copyright © 2007-2026,  www.tehlit.ru.

[ ѓосты, стандарты, нормативы, инструкции, правила, строительные нормы ]